Методика поверки «ГСИ. ИЗМЕРИТЕЛЬ СКОРОСТИ ЗВУКА В МОРСКОЙ ВОДЕ РЭ ИСЗ» (ТГИЮ.416243.004ДЗ)
ТГИЮ.416243.004ДЗ
УТВЕРЖДАЮ

ГОСУДАРСТВЕННАЯ СИСТЕМА ОБЕСПЕЧЕНИЯ ЕДИНСТВА ИЗМЕРЕНИЙ
ИЗМЕРИТЕЛЬ СКОРОСТИ ЗВУКА В МОРСКОЙ ВОДЕ РЭ ИСЗ
Методика поверки
ТГИЮ.416243.004ДЗ
Мытищи, 2005 г.
Общие указания-
1.1 Настоящая методика поверки распространяется на измеритель скорости звука в морской воде РЭ ИСЗ (далее - измеритель РЭ ИСЗ), предназначенный для измерений мгновенных значений скорости звука в морской воде и применяемый в качестве рабочего эталона 2 разряда для поверки (градуировки) первичных измерительных преобразователей скорости звука (аппаратура «Алтын») при температурах морской воды от О °C до 35 °C и гидростатических давлениях от 0,101 до 6,08 МПа.
Методика устанавливает объем и последовательность операций при первичной и периодической поверках измерителя РЭ ИСЗ.
Операции поверки-
2.1 При выполнении поверки измерителя РЭ ИСЗ должны быть выполнены операции.
приведенные в табл. 1. Таблица 1
Наименование операций |
Номер пункта методики |
Проведение операции при | |
первичной поверке |
периодической поверке | ||
1 Внешний осмотр |
8.1 |
да |
да |
2 Опробование |
8.2 |
да |
да |
3 Проверка основных электрических параметров измерителя РЭ ИСЗ. |
8.3 |
да |
нет |
4 Определение метрологических характеристик. |
8.4 |
да |
да |
4.1 Определение погрешности измерений скорости звука в дистиллированной воде при атмосферном давлении и температуре (20±2) °C. |
8.4.1 |
да |
нет |
4.2 Определение погрешности измерений скорости звука в дистиллированной воде с удельной плотностью раствора от 1,020 до 1,040 кг/м3 при атмосферном давлении и температуре (20±2) °C. |
8.4.2 |
да |
нет |
4.3 Определение погрешности измерений скорости звука в дистиллированной воде при избыточном давлении от 0 до 6,08 МПа и температуре (20±2)°C. |
8.4.3 |
да |
нет |
4.4 Определение погрешности измерений скорости звука в дистиллированной воде при избыточном давлении от 0 до 6,08 МПа и температуре (0-35) °C. |
8.4.4 |
да |
да |
4.5 Определения годовой нестабильности измерителя РЭ ИСЗ. |
8.4.5 |
нет |
да |
3 Средства поверки
-
3.1 Для проведения поверки измерителя РЭ ИСЗ должны быть применены средства измерений, перечень которых представлен в табл. 2.
-
3.2 Все средства измерений, применяемые для проверки должны быть исправны и иметь свидетельство о поверке.
Таблица 2
Номер пункта методики поверки |
Наименование и тип основного или вспомогательного средства поверки, метрологические и основные технические характеристики средства поверки |
8.4.1- 8.4.4 |
Военный эталон единицы скорости звука в морской воде ВЭ-47, диапазон измерений скорости звука (1403 - 1600) м/с, НСП ±0,08 м/с, СКО 0,05 м/с. |
8.2.1, 8.3.1- 8.4.3, 8.4.1 -8.4.4 |
Источник питания постоянного тока Б5-47, напряжение постоянного тока (0,01- 29,9) В, максимальная сила тока 2,99 А. |
8.2.1, 8.3.1 |
Прибор электроизмерительный многофункциональный Ц4353, диапазон измерений постоянного тока (0,06 - 1500) мА, погрешность ±1,5%. |
8.3.3, 8.4.1-8.4.4 |
Частотомер электронно-счетный вычислительный 43-64, диапазон измерений интервалов времени (0 - 100) с, разрешение 0,1 нс. |
8.2.1, 8.3.2 |
Осциллограф универсальный С1-83, погрешность измерений амплитуды сигнала ±5 %. |
-
4.1 К выполнению операций поверки измерителя РЭ ИСЗ допускаются специалисты, имеющие право самостоятельного проведения поверочных работ на средствах измерений радиотехнических и гидроакустических величин.
-
4.2 Проведение операций поверки неквалифицированным и неподготовленным лицам запрещается.
-
5.1 При выполнении операций поверки должны соблюдаться требования техники безопасности, регламентированные:
-
• ГОСТ 12.1.030-81 «Электробезопасность. Защитное заземление, зануление»;
-
• Правилами безопасности при эксплуатации электроустановок потребителей;
-
• Действующими инструкциями по технике безопасности на конкретных рабочих местах.
-
5.2 Все операции, предусмотренные настоящей методикой , должны быть экологически безопасны.
-
6.1 При выполнении поверки измерителя РЭ ИСЗ должны соблюдаться следующие условия:
-
• температура окружающего воздуха (20±5) °C;
-
• относительная влажность воздуха (65±15) %;
-
• атмосферное давление (100±4) кПа;
-
• напряжение питающей электросети (220±22) В;
-
• частота питающей электросети (50±1) Гц.
-
7.1 Подготовка измерителя РЭ ИСЗ к поверке должна осуществляться в полном соответствии с подразделом 1.5 «Подготовка к работе» руководства по эксплуатации ТГИЮ.416430.001РЭ1.
-
7.2 Подготовка к работе средств поверки, перечисленных в табл. 2, проводить в соответствии с руководствами по их эксплуатации.
Средства измерений, применяемые при поверке, должны быть включены заранее и
4 прогреты в течение времени не менее 1 часа.
-
8 Проведение поверки
-
8.1.1 При внешнем осмотре измерителя РЭ ИСЗ необходимо убедиться:
-
• в соответствии комплектности, указанной в разделе 2 паспорта
ТГИЮ.416243.004ПС;
-
• в отсутствии вмятин и трещин на корпусе, нарушений лакокрасочных, гальванических покрытий;
-
• в отсутствии механических повреждений контрольного разъема.
-
8.1.2 Результаты внешнего осмотра считаются положительными, если требования п.
8.1.1. выполнены.
8.2 Опробование-
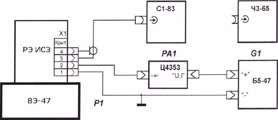
8.2.1 При выполнении опробования измерителя РЭ ИСЗ собрать схему, приве
денную на рис. 1.
PS1 PF1

Рис.1
Протереть этиловым спиртом преобразователь и рефлектор акустической базы измерителя.
Установить тумблер СЕТЬ источника питания в исходное состояние "ОТКЛ". Выставить переключателем "V" источника питания напряжение плюс 15 В, переключатель комбинированного прибора РА1 установить в режим измерения постоянного тока, предел измерения (О ...300) мА и подать на измеритель напряжение питания плюс 15 В.
Опустить измеритель в емкость с водой и проверить с помощью осциллографа наличие прямоугольных сигналов на его выходе. Вынуть измеритель из емкости с водой и проверить с помощью осциллографа отсутствие прямоугольных сигналов на его выходе . Результаты опробования по п. 8.2.1. считаются положительными, если при погружении измерителя в воду на его выходе появляется сигнал в виде прямоугольных импульсов.
8.3 Проверка основных электрических параметров измерителя РЭ ИСЗ-
8.3.1 Проверку тока потребления измерителя РЭ ИСЗ произвести в следующей последовательности:
-
- установить переключателем "V" источника питания G1 напряжение плюс 15 В;
-
- переключатель комбинированного прибора РА1 установить в режим измерения постоянного тока (0 - 300) мА;
-
- тумблер СЕТЬ источника питания G1 установить в положение ВКЛ.;
-
- измерить комбинированным прибором РА1 ток, потребляемый РЭ ИСЗ.
Результат проверки считать удовлетворительным, если ток потребления не превышает 300 мА.
-
8.3.2 Проверку амплитуды выходного импульсного сигнала (Uw) измерителя РЭ ИСЗ выполнить путем помещения измерителя в воду и измерения осциллографом PS1 амплитуды Uw-
Если амплитуда выходного импульсного сигнала находится в пределах от 2,3 до 5,0 В, то результаты проверки по 8.3.2 считать удовлетворительными.
-
8.3.3 Для проверки частоты следования импульсов выходного импульсного сигнала вместо осциллографа PS1 подключить частотомер PF1. Измерить частоту следования импульсов выходного импульсного сигнала.
Результаты проверки по 8.3.3 считать удовлетворительными, если частота следования импульсов выходного импульсного сигнала находится в пределах от 9 до 11 Гц.
8.4 Определение метрологических характеристик-
8.4.1 Определение погрешности измерений скорости звука в дистиллированной воде при атмосферном давлении и температуре (20±2) °C .
Проверку номинальной функции преобразования РЭ ИСЗ скорости звука в длительность импульса и определение погрешности измерений скорости звука Ao(W) в дистиллированной воде при атмосферном давлении для одного значения температуры в диапазоне (20±2) °C выполнить в следующей последовательности:
-
- установить РЭ ИСЗ в рабочую камеру атмосферного давления установки Р1 при температуре 18,4 °C;
-
- установкой Р1 измерить скорость звука в воде W3T ;
-
- на частотомере PF1 установить множитель “МЕТКИ ВРЕМЕНИ” в положение “1 нс” и измерить длительность импульса tw выходного сигнала ;
-
- вычислить скорость звука WBOcnp, измеренную РЭ ИСЗ, по формуле:
где к,р - коэффициент функции преобразования (паспорт ТГИЮ.416243.004ПС ), мкс-(м/с);
-
- рассчитать погрешность измерений скорости звука в воде A0(Wcp) по формуле:
Результаты расчетов занести в таблицу И1 (Приложение).
Результаты поверки считать удовлетворительными, если значение погрешности измерений скорости звука в воде Ao(W) не превышает ± 0,25 м/с.
-
8.4.2 Определение погрешности измерений скорости звука в воде с удельной плотностью раствора от 1,020 до 1,040 кг/м3 при атмосферном давлении и температуре (20±2) °C.
Произвести операции поверки следующим путем:
-
- установить измеритель РЭ ИСЗ в рабочую камеру атмосферного давления установки Р1, заполненную водой с удельной плотностью 1,020 кг/м3 (раствор поваренной соли в дистиллированной воде);
-
- установкой Р1 измерить скорость звука в воде W3T при температуре 18,4 °C ;
- на частотомере PF 1 установить множитель “МЕТКИ ВРЕМЕНИ” в положение “1 нс” и измерить длительность импульса iw выходного сигнала ;
-
- вычислить скорость звука WBOCnp, измеренную РЭ ИСЗ, по формуле (1);
-
- повторить предыдущие операции при воспроизведении скорости звука в воде с удельной плотностью 1,040 кг/м3;
-
- вычислить поправочные коэффициенты по формулам:
=W3mCp -Wgocnpcp’
Wgocnp max W3m lnax
-
(4)
-
(5)
2S И/восяршах-И/этср-К15
= и/ocnp - K2S X (l/y80cnp - и/эт CP-K]S)-K.S,
где W3T.cp - скорость звука, измеренная установкой Pl в воде с удельной плотностью 1,020 кг/м3;
Wnocnp.cp - скорость звука, измеренная РЭ ИСЗ в воде с удельной плотностью 1,020 кг/м ; W3T.max - скорость звука, измеренная установкой Р1 в воде с удельной плотностью 1,040 кг/м3;
WD0Cnp max - скорость звука, измеренная РЭ ИСЗ в воде с удельной плотностью 1,040 кг/м3;
- подставить в формулу (5) значение скорости звука, измеренное РЭ ИСЗ в дистиллированной воде при проверке по методике п.8.4.1.
Результаты поверки по 8.4.2 занести в таблицу П2 (Приложение).
Результаты поверки по п. 8.4.2 считать удовлетворительными, если значение скорости звука Ws равно значению (W3T ±0,01) м/с.
-
8.4.3 Определение погрешности измерения скорости звука в дистиллированной воде при избыточном давлении от 0 до 6,08 МПа и температуре (20±2) °C .
Операции поверки произвести в следующей последовательности:
-
- установить РЭ ИСЗ в рабочую камеру избыточного давления установки Р1;
-
- установкой Р1 измерить скорость звука в воде W3T при температуре 18,4 °C;
-
- на частотомере PF1 установить множитель “МЕТКИ ВРЕМЕНИ” в положение “1 нс” и измерить длительность импульса tw выходного сигнала ;
-
- вычислить скорость звука WBOCnp, измеренную РЭ ИСЗ, по формуле (1);
-
- вычислить погрешность измерений скорости звука в воде Ao(W) по формуле (2);
-
- повторить предыдущие операции при воспроизведении скорости звука в рабочей камере избыточного давления установки Р1 при давлениях 0,49 (5); 0,98 (10); 1,47 (15); 1,96 (20); 2,94 (30); 3,92 (40); 4,91 (50); 6,08 (62) МПа (кг/см2);
-
- вычислить поправочные коэффициенты по формулам:
К'Р = ^этср - Швоспрср > м/с (6)
К2Р
И/ -И/ -К воспр max эт max
И/ -И/ -К
воспр.max эт.ср и/Р = и/еоспр-/<2Рх(и/вослр

-
(7)
-
(8)
МПа ;
МПа;
где W3TCp - скорость звука, измеренная установкой Р1 при избыточном давлении 2,94
WB0Cnp.cp - скорость звука, измеренная РЭ ИСЗ при избыточном давлении 2,94 МПа ;
^Эт.тах — скорость звука, измеренная установкой Р1 при избыточном давлении 6,08 W воспр,max — скорость звука, измеренная РЭ ИСЗ при избыточном давлении 6,08 МПа ;
- подставить в формулу (8) значение скорости звука, измеренное РЭ ИСЗ при атмосферном давлении.
Результаты поверки по 8.4.3 записать в таблицу ПЗ (Приложение).
Результаты поверки по п. 8.4.3 считать удовлетворительными, если значение скорости звука Wp равно значению (W3T ±0,01) м/с.
-
8.4.4 Определение погрешности измерения скорости звука в дистиллированной воде при избыточном давлении от 0 до 6,08 МПа и температуре (0 - 35) °C.
Процедуру поверки выполнить следующим образом:
-
- установить измеритель РЭ ИСЗ в рабочую камеру атмосферного давления установки Р1, заполненную дистиллированной водой;
-
- установкой Р1 измерить скорость звука в воде W3T при температуре 0 °C;
-
- на частотомере PF1 установить множитель “МЕТКИ ВРЕМЕНИ” в положение “1 нс” и измерить длительность импульса tw выходного сигнала измерителя РЭ ИСЗ;
-
- вычислить скорость звука WB0Cnp, измеренную РЭ ИСЗ, по формуле (1);
-
- вычислить погрешность измерений скорости звука в воде Ao(W) по формуле (2);
-
- повторить предыдущие операции при воспроизведении скорости звука в дистиллированной воде при температурах плюс 5,0; 10,0; 15,0; 25,0; 30,0 и 35,0 °C;
-
- вычислить погрешность измерений скорости звука в воде Ao(W) для каждой из указанных температур по формуле (2);
-
- установить измеритель РЭ ИСЗ в рабочую камеру атмосферного давления установки Р1, заполненную водой с удельной плотностью 1,040 кг/м3;
-
- установкой Р1 измерить скорость звука в воде W3T при температуре 0 °C;
-
- измерить частотомером PF1 длительность импульса Tw выходного сигнала измерителя РЭ ИСЗ;
-
- вычислить скорость звука WBOCnp, измеренную РЭ ИСЗ, по формуле (1);
-
- повторить операции для подготовленной воды при воспроизведении скорости звука при температурах 0; 5,0; 10,0; 15,0; 25,0; 30,0 и 35,0 °C;
-
- вычислить погрешность измерений скорости звука в воде Ao(W) для каждой из указанных значений температур по формуле (2);
-
- установить измеритель РЭ ИСЗ в рабочую камеру избыточного давления установки Р1, заполненную водой с удельной плотностью 1,040 кг/м?;
-
- установкой Р1 измерить скорость звука в воде W3T при температуре 0 °C и давлении 0,49 МПа (5 кг/см2);
-
- измерить частотомером PF1 длительность импульса т\у выходного сигнала РЭ ИСЗ;
-
- вычислить скорость звука WB0Cnp, измеренную РЭ ИСЗ, по формуле (1);
-
- вычислить погрешность измерений скорости звука в воде Ao(W) по формуле (2);
-
- повторить операции для подготовленного состава воды при воспроизведении скорости звука в рабочей камере избыточного давления установки Р1 при давлениях 0,98 (10); 1,47 (15); 1,96 (20); 2,94 (30); 3,92 (40); 4,91 (50); 6,08 (62) МПа (кг/см2);
установкой Р1 измерить скорость звука в воде W3T при температуре 35 °C и давлении 0,49 (5) МПа (кг/см2);
-
- измерить частотомером PF1 длительность импульса Tw выходного сигнала РЭ ИСЗ;
-
- вычислить скорость звука WBOcnp, измеренную РЭ ИСЗ, по формуле (1);
-
- вычислить погрешность измерения скорости звука в воде Ao(W) по формуле (2);
-
- повторить операции при воспроизведении скорости звука в рабочей камере избыточного давления установки Р1 при давлениях 0,98 (10); 1,47 (15); 1,96 (20); 2,94 (30); 3,92 (40); 4,91 (50); 6,08 (62) МПа (кг/см2);
Результаты измерений записать в таблицу П4 ( Приложение).
Результаты поверки считать удовлетворительными, если значения погрешности измерений скорости звука не превышают ± 0,5 м/с.
-
8.4.5 Определение годовой нестабильности измерителя РЭ ИСЗ.
Вычислить предел годовой нестабильности по формуле:
v0 =AOi(W) - Aoi-i(W), (И)
где Aoi(W) - погрешность измерителя РЭ ИСЗ, определенная при текущей поверке;
Aoi-i(W) - погрешность измерителя РЭ ИСЗ, определенная при предыдущей поверке. Полученный результат занести в таблицу Г15 (Приложение).
Результат поверки считать удовлетворительным, если годовая нестабильность не превышает 0,25 м/с.
9 Оформление результатов поверки-
8.1 При положительных результатах поверки на измеритель РЭ ИСЗ выдается свидетельство установленной формы.
8.2. На оборотной стороне свидетельства записываются результаты поверки.
8.3 В случае отрицательных результатов поверки применение измерителя РЭ ИСЗ запрещается и на него выдается извещение о непригодности его к применению с указанием причин.
От 32 ГНИИИ МО РФ
Начальник отдела
От ОАО "Дальприбор" Главный конструктор^
ПРОТОКОЛОпределение метрологических характеристик измерителя РЭ ИСЗ
(Подраздел 8.4 Методики поверки)
1 Общие сведения-
1.1 Поверка проводилась__
место проведения год, месяц, число
-
1.2 Поверка подвергнут РЭ ИСЗ за N2___. Дата изготовления:__________________
Приложение
Форма протокола поверки
год, месяц, число
-
1.3 Результаты определения (контроля) метрологических характеристик приведены в таблицах П1-П5
-
1.4 Перечень эталонных, вспомогательных средств измерений и оборудования, используемых при проведении по-
веркм, приведён в таблице 1
-
2 Условия поверки:
-
• температура окружающего воздуха - °C;
-
• относительная влажность воздуха - %;
-
• атмосферное давление - кПа (мм рт. ст.);
-
• напряжение питающей электросети - В;
-
• частота питающей электросети- Гц.
-
3 Выводы
-
Поверитель
личная подпись расшифровка подписи год, месяц, число
Таблица П1
Температура воды, ° С |
Tw. МКС |
Weocnp-» М’С |
эт? М’С |
AO(W) , м-с 1 |
Поверитель
личная подпись
расшифровка подписи
год, месяц, число
Таблица П2
Удельная плотность раствора поваренной соли в дистиллированной воде, kt'm’j |
Температура раствора, ° С |
Tw, мкс |
^Увоспр? М-С |
М*С |
Kis, м-с’1 |
K2S |
W3T cp.Sj М'С’1 |
1,020 | |||||||
1,040 |
Поверитель
личная подпись
расшифровка подписи
Г ГЛ П Г I
ТГИЮ.416243.004ДЗ
Таблица ПЗ
Избыточное давление, кгс*см’2 |
Температура воды, ° С |
Туу. мкс |
^'eocn/j- М*С |
эль М*С |
/lo(W) , м*с' 1 |
Kip, м’С |
К2Р |
WjT.cp.p, м-с’1 |
5 | ||||||||
10 | ||||||||
15 | ||||||||
20 | ||||||||
30 | ||||||||
40 | ||||||||
50 | ||||||||
62 |
Поверитель
личная подпись
расшифровка подписи
ТГИЮ.416243.004ДЗ
Таблица П4
При атмосферном давлении в диапазоне температур
Температура дистиллированной воды, ° С |
0,1 |
5 |
10 |
15 |
25 |
30 |
35 |
T\v. мкс | |||||||
Weocnp? М’С | |||||||
М’С | |||||||
AO,(W) , м-с'1 |
Температура раствора воды, ° С |
-4 |
0 |
5 |
10 |
15 |
25 |
30 |
35 |
Tw, мкс | ||||||||
^воспрч М’С | ||||||||
Wjm? М’С | ||||||||
AO,(W) , м-с1 |
ТГИЮ.416243.004ДЗ
Таблица П4
Избыточное давление, кгс-см'2, при температуре 0 ° С |
5 |
10 |
15 |
20 |
30 |
40 |
50 |
62 |
Tw, мкс | ||||||||
Weocnp? М*С | ||||||||
М*С | ||||||||
Zto,(W) , м-с' |
Избыточное давление, кгс-см'2, при температуре 35 ° С |
5 |
10 |
15 |
20 |
30 |
40 |
50 |
62 |
Tw, МКС | ||||||||
Weocnp? М"С | ||||||||
эль М*С | ||||||||
AO,(TV) , м-с'1 |
Поверитель
личная подпись
расшифровка подписи
гол месяц число
ТГИЮ.416243.004ДЗ
чО
Таблица П5
Результаты определения предела годовой нестабильности РЭ ИСЗ №________,
AOl(W), м-с'1 |
А о,-1 (W)/, м-с'1 |
v0, м-с’1 |
Поверитель
личная подпись
год, месяц, число
расшифровка подписи
ТГИЮ.416243.004ДЗ