Методика поверки «ДАТЧИКИ ТЕМПЕРАТУРЫ ТППТ,ТПРТ,ТПВР,ТППТ Ех, ТПРТ Ех» (Г.р 62293-15 )
УТВЕРЖДАЮ
УТВЕРЖДАЮ
Зам. директора - руководитель службы НТР ООО «ПК «ТЕСЕЙ»
ВтА. Каржавин
«#7 » && 2015 г
Заместитель директора
ФГУП

В.Н. Яншин
С 2015 г.
Методика поверки
г.Москва
2015г.
1 ВведениеНастоящая методика поверки распространяется на датчики температуры ТППТ, ТПРТ, ТПВР, ТППТ Ех, ТПРТ Ех (далее по тексту - ДТ, выпускаемые ООО «ПК «ТЕСЕЙ» и устанавливает методику и последовательность проведения первичной и периодических поверок.
Поверка датчиков температуры ТППТ, ТПРТ, ТППТ Ех, ТПРТ Ех без измерительного преобразователя проводится по ГОСТ 8.338 «ГСП. Преобразователи термоэлектрические. Методика поверки» либо согласно пункта 4.1 настоящей методики.
Интервал между поверками - в соответствии с таблицей 1.
Таблица 1
|
Группа условий эксплуатации |
Интервал между поверками (ИМП) |
|
II |
2 года |
|
III |
1 год |
|
IV |
Первичная поверка до ввода в эксплуатацию |
Соответствие диапазона измерений и групп условий эксплуатации для датчиков температуры ТППТ, ТПРТ, ТПВР, ТППТ Ех, ТПРТ Ех приведено в таблице 2.
Т аблица 2
|
Тип датчика температуры |
Диапазон измерений1, °C |
Группа условий эксплуатации | |
|
от |
до | ||
|
ТППТ ТППТ Ех |
0 |
1100 |
II |
|
св. 1100 |
1200 |
III | |
|
св. 1200 |
1300 | ||
|
св. 1300 |
1600 |
IV | |
|
ТПРТ ТПРТ Ех |
600 |
1200 |
II |
|
св. 1200 |
1400 |
III | |
|
св. 1400 |
1600 | ||
|
св. 1600 |
1800 |
IV | |
|
ТПВР |
600 |
1800 |
IV |
Модификации и схема обозначения датчиков температуры приведены в приложении А.
Номинальная статическая характеристика (НСХ) датчиков температуры ТППТ, ТПРТ, ТПВР, ТППТ Ех, ТПРТ Ех - в соответствии с ГОСТ Р 8.585-2001, а ТПВР (тип С) -в соответствии с ASTM Е230/Е23ОМ-1 lei. НСХ ТПВР (тип С) приведена в приложении Б.
Датчик температуры (ДТ) состоит из двух конструктивно связанных элементов -первичного преобразователя (ПП) - преобразователя термоэлектрического и измерительного преобразователя (преобразователя сигнала от ПП в унифицированный или цифровой сигнал (ИП)).
Настоящая методика предусматривает совместную (комплектную) поверку и раздельную (отдельно первичного преобразователя и ИП) поверку ДТ.
-
2 Операции поверки
При проведении первичной и периодической поверки должны выполняться операции, указанные в таблице 3.
Таблица 3
|
Наименование операции |
Номер пункта МП |
Обязательность проведения операции при | ||
|
первичной поверке |
периодической поверке | |||
|
раздельная |
комплектная |
раздельная | ||
|
1 Внешний осмотр |
6.1 |
да |
да |
да |
|
2 Проверка электрического |
6.2 |
да |
да |
да |
|
сопротивления изоляции ДТ | ||||
|
3 Определение погрешности ДТ при комплектной поверке |
6.3 |
нет |
да |
нет |
|
4 Определение погрешности ДТ при раздельной поверке |
6.4 | |||
|
4.1 Определение погрешности первичного преобразователя |
6.4.1 |
да |
нет |
да |
|
4.2 Определение погрешности ИП |
6.4.2 |
да |
нет |
да |
|
4.3 Определение погрешности внутренней автоматической компенсации температуры холодных концов термопары |
6.4.3 |
да |
нет |
да |
3 Средства поверки
При проведении поверки применяют средства измерений, указанные в таблице 4. Таблица 4
|
Наименование средств измерений и оборудования |
Характеристики |
|
1 Термостаты переливные прецизионные ТПП-1 |
Диапазон от минус 75 до плюс 300 °C, нестабильность поддержания температуры не более ± 0,01 °C |
|
2 Термостат с флюидизированной средой FB-08 |
Диапазон от 50 до 700 °C, нестабильность поддержания температуры не более ± 0,08 °C |
|
3 Горизонтальная трубчатая печь МТП-2М-50-500 |
Диапазон от 100 до 1200 °C, нестабильность поддержания температуры не более ±0,1 °С/мин |
|
4 Высокотемпературная печь ВТП 1600-1 |
Диапазон воспроизводимых температур от 300 до 1600 °C, нестабильность поддержания температуры не более ± 0,4 °С/мин |
|
5 Эталонные термометры сопротивления ПТСВ, ЭТС 100 |
Диапазон измеряемой температуры от - 200 до + 660 °C, 3 разряд, согласно ГОСТ 8.558 -2009 |
|
6 Преобразователь термоэлектрический эталонный ТППО |
Диапазон измеряемой температуры от 300 до 1200 °C, 2 разряд, согласно ГОСТ 8.558 - 2009 |
|
7 Преобразователь термоэлектрический платинородий платинородиевый эталонный ПРО |
Диапазон измеряемой температуры от 600 до 1600 °C, 2 разряд, согласно ГОСТ 8.558 - 2009 |
|
8 Измерители температуры многоканальные прецизионные МИТ 8 |
At = ± (0,004 + 10'5-t) °C - для термопреобразователей сопротивления, At = ± 0,15 °C - для термопар |
|
9 Калибратор - измеритель унифицированных сигналов эталонный ИКСУ-2012 |
Пределы допускаемой основной погрешности измерений: AI = ± (10-4 1+1) мкА, AU = ± (7 10-5 ■ |U| + 3) мкВ воспроизведения: AU = ± (710-5 • |U| + 3) мкВ, AR = ± 0,025 Ом |
|
10 Источник питания постоянного тока |
Диапазон напряжений от 0 до 30 В |
|
11 Сосуд Дьюара с жидким азотом |
Неравномерность распределения температуры не более ± 0,01 °C |
|
12 Мегаомметр Ф4102/1 |
Диапазон измерений от 0 до 2000 МОм, КТ 1,5 |
|
13 HART коммуникатор |
Комплекс с поддержкой протоколов HART, PROFIBUS-PA, FOUNDATION Fieldbus |
|
14 USB-модем PR 5909 |
Модем для настройки параметров |
Примечания:
з
-
1 Все средства измерений, применяемые при поверке, должны иметь действующие свидетельства о поверке.
-
2 Допускается применение других средств измерений с метрологическими характеристиками, не хуже указанных, и разрешенных к применению в Российской Федерации.
При проведении поверки необходимо соблюдать:
-
- требования безопасности, которые предусматривают «Правила технической эксплуатации электроустановок потребителей» и «Межотраслевые правила по охране труда (правила безопасности) при эксплуатации электроустановок» ПОТ РМ-016-2001;
-
- указания по технике безопасности, приведенные в эксплуатационной документации на эталонные средства измерений;
-
- указания по технике безопасности, приведенные в руководстве по эксплуатации поверяемого СИ.
К проведению поверки допускаются лица, ознакомленные с руководством по эксплуатации поверяемого СИ и прошедшие инструктаж по технике безопасности.
5 Условия поверки и подготовка к нейПри проведении поверки должны соблюдаться следующие условия:
-
- температура окружающего воздуха, °C от 15 до 25;
-
- относительная влажность окружающего воздуха, % от 30 до 80;
-
- атмосферное давление, кПа от 86 до 106,7;
-
- напряжение питания, В 24 ± 2.
-
6.1 Внешний осмотр
Датчики температуры предоставляются на поверку в чистом виде с четко читаемой маркировкой и заводским номером, в комплекте с датчиками предоставляется паспорт и руководство по эксплуатации.
При внешнем осмотре проверяется:
-
- соответствие маркировки ДТ эксплуатационной документации на них;
-
- отсутствие внешних повреждений, которые могут повлиять на метрологические характеристики ДТ.
ДТ, не отвечающие перечисленным выше требованиям, дальнейшей поверке не подлежат.
-
6.2 Проверка электрического сопротивления изоляции ДТ
Проверку электрического сопротивления изоляции между электрическими цепями и корпусом производить мегомметром с рабочим напряжением 500 В - для ДТ взрывозащищенного исполнения (ЕХ) и 100 В - для ДТ общепромышленного исполнения.
Отсчет показаний провести по истечении 1 мин после приложения напряжения между соединенными вместе контактами испытуемой цепи и корпусом.
Электрическое сопротивление изоляции токоведущих входных и выходных цепей ДТ относительно корпуса должно быть не менее 100 МОм, при температуре окружающего воздуха (25 ± 10) °C и относительной влажности от 30 до 80 %.
-
6.3 Определение погрешности ДТ при комплектной поверке
-
6.3.1 Поверка ДТ для температур от 0 до плюс 1800 °C проводятся в переливных термостатах, термостате с флюидизированной средой или в печах. При этом выбор средства поверки - в соответствии с требованиями п.6.3.2.
-
6.3.2 ДТ с диаметром защитной арматуры более 10 мм необходимо вынуть из защитной арматуры перед проведением поверки. При проведении поверки ДТ необходимо соблюсти условия, указанные в таблице 5, а также указания по минимальной глубине погружения, приведённые в РЭ используемых оборудования и СИ.
-
Таблица 5
|
Длина погружаемой части Ьпогр |
Длина непогруженной части | |
|
Печь |
> 15 • d <30 • d |
< 2 ■ Lnorp |
|
>30 • d |
Без ограничений | |
|
Жидкостный термостат Термостат с флюидизированной средой |
> 10 d <20 • d |
< 2 ■ Lnorp |
|
>20 • d |
Без ограничений |
d - наружный диаметр погружаемой части ДТ
-
6.3.3 Поверку ДТ ТППТ, ТПРТ, ТПВР, ТППТ Ех, ТПРТ Ех выполнять не менее чем при четырех значениях температуры, равноотстоящих друг от друга и перекрывающих диапазон измерений ДТ.
Согласно рекомендациям, ГОСТ 8.338-2002 допускается ограничивать значение верхней поверяемой точки величинами:
-
- ТППТ, ТППТ Ех - 1200 °C;
-
- ТПРТ, ТПРТ Ех - 1500 °C,
а также согласно требованиям использования высокотемпературной печи
ВТП 1600-1:
-ТПВР - 1600 °C.
Допускается проводить поверку при трёх значениях температуры, если диапазон измерений не превышает 600 °C.
-
6.3.4 Значение температуры Т„ соответствующее измеренному аналоговому выходному сигналу Гвых рассчитывается по формуле 1.
Г — I
Т — 1 вых 1 m*n . (т —Т I Т ор /14
1 i т __ г ’ V max 1 min / 1 min ’ \1)
max 1 min
где Гвых - результат измерений тока, соответствующий измеряемой температуре, мА; ZminJ Zmax ~ нижний и верхний пределы диапазона преобразования выходного тока, мА; Tmin; Tmax - нижний и верхний пределы диапазона преобразования ИП, °C.
-
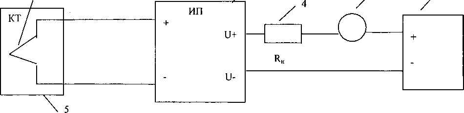
6.3.5 Схемы подключения ДТ представлена на рисунках 1,2.
1.2
1.1
2
3
Рисунок 1 - Схема подключения ДТ ТППТ, ТПРТ, ТПВР, ТППТ Ех, ТПРТ Ех
-
1.1 - Измерительный преобразователь (ИП);
-
1.2 - Первичный преобразователь датчика температуры;
-
2 - Мультиметр;
-
3 - Источник питания постоянного тока;
-
4 - Сопротивление нагрузки R„= от 0,1 до RHarp = (ипИтания- 7,2)/0,23;
-
5 - Термостат (калибратор, печь).

Рисунок 2 - Схема подключения ДТ с цифровым выходным сигналом.
-
6.3.6 Определение погрешности измерений температуры проводится следующим образом.
А) Поверка в термостате
Подготовить термостат к работе согласно его руководству по эксплуатации (РЭ). Установить в термостате значение температуры, соответствующее контрольной точке. Поместить эталонный термометр в термостат, согласно руководству по эксплуатации на эталонный термометр. Первичный преобразователь ДТ установить в термостат в вертикальном положении. После выхода термостата на заданный температурный режим и достижении стабильного состояния, поверяемого (4^) ДТ и эталонного (/эот) термометра зафиксировать их показания. Провести пять отсчетов показаний в каждой контрольной точке и за результат измерений принять среднеарифметическое значение.
Вычислить погрешность измерений по формуле 2 п.б.З.б.В.
Б) Поверка в печи
Подготовить печь к работе согласно ее РЭ. Поместить эталонное средство измерений (СИ) и первичный преобразователь ДТ в рабочую зону печи, таким образом, чтобы чувствительные элементы эталонного СИ и первичного преобразователя поверяемого ДТ находились на одном уровне рабочей зоны печи. Установить в печи значение температуры, соответствующее контрольной точке. После выхода печи на заданный температурный режим и достижении стабильного состояния ДТ и
эталонного СИ (t3m) зафиксировать их показания. Провести пять отсчетов показаний в каждой контрольной точке и за результат измерений принять среднеарифметическое значение.
Примечание: Термоэлектроды ТПВР, находящиеся в рабочей зоне печи, защищены корундовым или лейкосапфировым чехлом, который заполнен инертным газом аргон.
Вычислить погрешность измерений по формуле 2 п.б.З.б.В.
В) Обработка результатов измерений
Вычислить погрешность измерений по формуле 2.
Дд7 ^изм ~ Ст, С (2)
Результаты поверки считаются положительными, если погрешность измерений, рассчитанная по формуле 2, в каждой точке не превышает значений, указанных в таблице 7. При невыполнении этого условия допускает проводить настройку общего сдвига ИП, согласно указаний в Руководстве по эксплуатации. После настройки необходимо повторить выполнение операций поверки.
Таблица 6 - Метрологические характеристики ДТ ТППТ, ТПРТ, ТПВР, ТППТ Ех, ТПРТ Ех с выходным сигналом постоянного тока и (или) цифровым сигналом по протоколам HART, PROFIBUS-PA, FOUNDATION Fieldbus.
|
Тип датчика температуры |
Вид выходного сигнала и условное обозначение точности датчика температуры с ИП согласно приложению А |
Диапазон измерений tn, °C |
Пределы допускаемой основной погрешности ,°с |
|
ТППТ ТППТ Ех |
НЗО. 1-30. РЗО, W30 |
от 100 до 650 |
4 2,0 °C |
|
01 650 до 1600 |
± 0,3 % ■ /я | ||
|
Н15, F15, Р15 |
от 100 до 1000 |
± 1,5 ?С | |
|
от 1000 до 1600 |
± 0,15 % • tn | ||
|
Т40 |
от 100 до 650 |
± 2,5 °C | |
|
от 650 до 1600 |
± 0,4 % • tn | ||
|
Т25 |
от 100 до 900 |
± 2,3 °C | |
|
от 900 до 1600 |
± 0,25 % • tn | ||
|
ТПРТ |
НбО, F60. Р60, W60 . |
от 100 до 700 |
14,5°С -А •- |
|
ТПРТ Ех |
от 700 до 1800 |
± 0,6 % • /„ | |
|
ИЗО, F30, РЗО, W30 |
от 100 до 700 |
= 2,0 °C | |
|
от 700 до 1800 |
± 0,3 % • /„ | ||
|
Т60 |
от 100 до 750 |
± 4,5 °C | |
|
от 750 до 1800 |
± 0,6 % • 1„ | ||
|
Т40 |
от 100 до 650 |
± 2,5 °C | |
|
от 650 до 1800 |
± 0,4 % • tn | ||
|
ТПВР |
Н100, F100, Р100 |
от 100 до 700 |
± 7,0 °C |
|
от 700 до 1800 |
± 1,0 % • tn | ||
|
тюо |
от 100 до 1000 |
± 10,0 °C | |
|
от 1000 до 1800 |
± 1,0 % • tn |
Примечания: а) где
tn tmax tmirn

(1)
tmax И tmin верхний и нижний пределы диапазона измерений (указан в паспорте и приводится на шильдике датчика).
6.4 Определение погрешности ДТ при раздельной поверке
6.4.1 Определение погрешности первичного преобразователя
Перед началом поверки необходимо выполнить требования п.6.3.1 и п.6.3.2.
Поверку ПП ТППТ, ТПРТ, ТПВР, ТППТ Ех, ТПРТ Ех выполнять не менее чем при четырех значениях температуры, равноотстоящих друг от друга и перекрывающих диапазон измерений ДТ. Допускается определять ТЭДС КТ при трёх значениях температуры, если диапазон измерений не превышает 600 °C.
Согласно рекомендациям ГОСТ 8.338-2002 допускается ограничивать значение верхней поверяемой точки величинами:
-
- ТППТ, ТППТ Ех - 1200 °C;
-
- ТПРТ, ТПРТ Ех - 1500 °C;
а также согласно требованиям использования высокотемпературной печи ВТП 1600-1: -ТПВР-1600 °C.
Формула расчета и схемы подключения - по п.6.3.4 и п.6.3.5.
Методы измерений - по п. 6.3.6.
Результаты поверки считаются положительными, если погрешность измерений, рассчитанная по формуле 2, в каждой точке не превышает значений, указанных в таблице 7.
Таблица 7 - Метрологические характеристики кабельного преобразователя
термоэлектрического ТППТ, ТПРТ, ТПВР, ТППТ Ех, ТПРТ Ех, ТПВР Ех.
|
Тип датчика температуры |
Условное обозначение НСХ |
Диапазон измерений1, °C |
Класс попуска пегшичного преобразователя |
Пределы допускаемых отклонений ТЭДС от НСХ, °C | |
|
от |
до | ||||
|
ТППТ ТППТ Ех |
S, R |
0 |
+1100 |
1 |
± 1,0 |
|
+ 1100 |
+ 1600 |
±(1,0+ 0,003 (Л 1100) | |||
|
0 |
+ 600 |
2 |
± 1,5 | ||
|
+ 600 |
+ 1600 |
± 0,0025 t | |||
|
ТПРТ ТПРТ Ех |
В |
+ 600 |
+ 1800 |
2 |
± 0,0025 t |
|
+ 600 |
+ 800 |
3 |
±4,0 | ||
|
+ 800 |
+ 1800 |
± 0,005 t | |||
|
ТПВР |
С |
600 |
1800 |
3 |
± 0,011 |
|
А-1, А-2, А-3 |
1000 |
1800 |
2 |
± 0,005 t | |
|
1000 |
1800 |
3 |
± 0,0071 | ||
|
1 - Указаны предельные значения, конкретный диапазон, в зависимости от конструктивной модификации и наличия ИП, указан в паспорте и приводится на шильдике датчика. | |||||
-
6.4.2 Определение основной погрешности ИП
Основную абсолютную погрешность ИП определить методом сравнения измеренного и расчетного значений выходного сигнала в точках, соответствующих 0, 50, 100 % диапазона измерительного преобразователя.
ИП подключить к калибратору сигналов, согласно технической документации.
Для ИП, настроенных на использование с КТ, отключить внутреннюю автоматическую компенсацию температуры свободных (холодных) концов термопары (АКТС), используя персональный компьютер и программное обеспечение (ПО) для ИП.
ПО PREset, для управления всеми видами используемых ИП, можно скачать с сайта производителя www.tesey.com.
Модели ИП с HART протоколом могут быть настроены любым HART коммуникатором, либо через HART-модем HART совместимым ПО, например PACTWARE.
Допускается проводить поверку ИП, настроенных на использование с КТ, без отключения АКТС. В этом случае необходимо расположить термометр сопротивления класса АА вблизи клемм ИП и фиксировать температуру клемм.
С помощью калибратора сигналов на вход ИП подать сигнал в мВ либо в Ом, соответствующий расчётному сигналу 0, 50, 100 % диапазона преобразования ИП, одновременно измеряя и записывая выходной токовый сигнал. В случае работы без отключения АКТС, подаваемый сигнал уменьшают на пересчитанную в мВ величину температуры клемм ИП.
Значение температуры, соответствующее измеренному аналоговому выходному сигналу Гвых рассчитывают по формуле 1.
Результаты поверки считаются положительными, если погрешность измерений, рассчитанная по формуле 2, в каждой точке не превышает значений, в случае отключенной АКТС, указанных в таблице 8.
Таблица 8 - Метрологические характеристики измерительного преобразователя (ИП), в зависимости от вида выходного сигнала и условного обозначения точности датчиков
|
температуры ТППТ, ТПРТ, ТПВР, ТППТ Ех, |
ГПРТ Ех | |
|
Условное обозначение точности датчика температуры согласно приложению А |
Диапазон измерений tn, °C |
Пределы допускаемой основной погрешности Аип, °C |
|
Т100, Т60, Т40, Т25 |
от 100 до 1800 |
±2,0 |
|
Н100, F100, Р100, Н60, F60, Р60, W60, ИЗО, F30, РЗО, W30, Н15, F15, Р15 |
от 100 до 1800 |
±1,0 |
При условии поверки с включенной АКТС, погрешность измерений ИП, рассчитанная по формуле 2 должна быть не более значений, указанных в таблице 9. Таблица 9
|
Условное обозначение точности датчика температуры с ИП согласно приложения А |
Диапазон измерений tn, °C |
Пределы допускаемой основной погрешности Аип, °C |
|
Т100, Т60, Т40, Т25 |
от 100 до 1800 |
±2,9 |
|
Н100, F100, Р100, Н60, F60, Р60, W60, ИЗО, F30, РЗО, W30, Н15, F15, Р15 |
от 100 до 1800 |
± 1,6 |
-
6.4.3 Определение погрешности внутренней автоматической компенсации температуры холодных концов КТ
Выполняется в случае определения основной погрешности ИП с отключённой АКТС.
Включить внутреннюю автоматическую компенсацию температуры свободных (холодных) концов термопары, используя персональный компьютер и программное обеспечение для ИП.
Подключить эталонный термометр сопротивления к измерителю температуры (для определения Тэт), а ИП - к калибратору, согласно технической документации.
Поместить ИП и эталонный термометр в пассивный термостат.
С помощью калибратора на вход ИП подать 0 мВ и измерить выходной токовый сигнал.
По формуле 1 вычислить температуру ИП 7^.
Абсолютную погрешность внутренней автоматической компенсации температуры свободных (холодных) концов рассчитать по формуле:
^КОМП Tj Тэт (3)
Результаты поверки считаются положительными, если погрешность автоматической компенсации температуры холодных концов не превышает значений, указанных в таблице 10.
Таблица 10 - Пределы допускаемой абсолютной погрешности внутренней автоматической компенсации температуры свободных (холодных) концов термопары ЛКОмп ИП ДТ ТППТ, ТПРТ, ТПВР, ТППТ Ех, ТПРТ Ех.
|
Вид выходного сигнала и условное обозначение точности датчика температуры с ИП согласно приложению А |
Пределы допускаемой погрешности ДКОМп, °C |
|
Т25, Т40, Т60, Т100, Н100, F100, Р100, Н60, F60, Р60, W60, ИЗО, F30, РЗО, W30, Н15, F15, Р15 |
± 0,5 °C |
Датчики температуры, прошедшие поверку с положительным результатом, признаются годными и допускаются к применению. На них оформляется свидетельство о поверке в соответствии с ПР 50.2.006, с указанием диапазона измерений. Интервал до следующей поверки указывается в соответствии с требованиями таблиц 1 -?
При отрицательных результатах поверки, в соответствии с
оформляется извещение о непригодности.
Зам. директора ООО «ПК «ТЕСЕЙ»

Начальник лаборатории ФГУП «ВНИИМС»



1
|
№ поля |
Описание поля |
Код поля |
Расшифровка | |
|
1 |
Тип датчика |
ТППТ, ТПРТ, ТПВР, ТППТ Ех, ТПРТ Ех |
Термопреобразователь, тип | |
|
2 |
НСХ первичного преобразователя (ПП) |
Не заполнено |
nn(S) по ГОСТ Р 8.5852001 |
ТППТ |
|
R |
ПП(И) по ГОСТ Р 8.5852001 | |||
|
Не заполнено |
ПР(В) по ГОСТ Р 8.5852001 |
ТПРТ | ||
|
Не заполнено |
TnnCnoASTM Е230 |
ТПВР | ||
|
Al, А2, АЗ |
ВР(А-1), ВР(А-2), ВР(А-3) по ГОСТ Р 8.585-2001 | |||
|
3 |
Конструктивная модификация |
Согласно руководства по эксплуатации (РЭ) | ||
|
4 |
Кабельный ввод | |||
|
5 |
Узел коммутации | |||
|
6 |
Диаметр термоэлектродов | |||
|
7 |
Класс допуска ПП |
1,2,3 |
Согласно таблицы 3 | |
|
8 |
Вид выходного сигнала |
Не заполняется |
Сигнал ТЭДС в соответствие с НСХ | |
|
"т |
4 - 20 мА | |||
|
И |
Г 4 -20 мА + HART | |||
|
р |
Profibus | |||
|
F |
Fieldbus | |||
|
W |
Wireless HART | |||
|
9 |
Условное обозначение точности датчика температуры с ИП |
15-100 |
Согласно таблицы 4 | |
|
10 |
Исполнение рабочего спая ПП |
И, О |
Изолированный спай | |
|
Открытый спай только для 01.01 | ||||
|
11 |
Количество ПП в одном изделии |
Не заполнено |
Один первичный преобразователь | |
|
N |
N первичных преобразователей | |||
|
12 |
Материал наружной оболочки |
Согласно РЭ | ||
|
13 |
Наружный диаметр рабочей части d, мм | |||
|
14 |
Монтажная длина датчика, мм | |||
|
15 |
Вспомогательный размер, мм | |||
|
16 |
Характерный геометрический параметр | |||
Приложение Б.
Номинальная статическая характеристика (НСХ) датчиков температуры ТПВР в соответствии с ASTM Е230/Е230М-1 lei.
Значения ТЭДС для термопары типа С (вольфрам -5 % рений / вольфрам - 26 %рений)
|
ТЭДС в мВ при температуре свободного конца 0 °C | |||||||||||
|
Темп-ра рабочего конца, °C |
0 |
1 |
2 |
3 |
4 |
5 |
6 |
7 |
8 |
9 |
10 |
|
600 |
10,609 |
10,628 |
10,648 |
10,667 |
10,687 |
10,706 |
10,726 |
10,746 |
10,765 |
10,785 |
10,80- |
|
610 |
10,804 |
10,824 |
10,843 |
10,863 |
10,882 |
10,902 |
10,921 |
10,941 |
10,960 |
10,980 |
10,99' |
|
620 |
10,999 |
11,019 |
11,038 |
11,058 |
11,077 |
11,097 |
11,117 |
11,136 |
11,156 |
11,175 |
11,19 |
|
630 |
11,195 |
11,214 |
11,234 |
11,253 |
11,273 |
11,292 |
11,312 |
11,331 |
11,351 |
11,370 |
11,39' |
|
640 |
11,390 |
11,409 |
11,429 |
11,448 |
11,468 |
11,487 |
11,507 |
11,526 |
11,546 |
11,565 |
11,58. |
|
650 |
11,585 |
11,604 |
11,624 |
11,643 |
11,663 |
11,682 |
11,702 |
11,721 |
11,741 |
11,760 |
ll,78i |
|
660 |
11,780 |
11,799 |
11,818 |
11,838 |
11,857 |
11,877 |
11,896 |
11,916 |
11,935 |
11,955 |
11,97- |
|
670 |
11,974 |
11,994 |
12,013 |
12,033 |
12,052 |
12,072 |
12,091 |
12,111 |
12,130 |
12,150 |
12,16' |
|
680 |
12,169 |
12,189 |
12,208 |
12,228 |
12,247 |
12,267 |
12,286 |
12,306 |
12,325 |
12,344 |
12,36- |
|
690 |
12,364 |
12,383 |
12,403 |
12,422 |
12,442 |
12,461 |
12,481 |
12,500 |
12,520 |
12,539 |
12,55' |
|
700 |
12,559 |
12,578 |
12,597 |
12,617 |
12,636 |
12,656 |
12,675 |
12,695 |
12,714 |
12,734 |
12,75: |
|
710 |
12,753 |
12,772 |
12,792 |
12,811 |
12,831 |
12,850 |
12,870 |
12,889 |
12,908 |
12,928 |
12,94 |
|
720 |
12,947 |
12,967 |
12,986 |
13,006 |
13,025 |
13,044 |
13,064 |
13,083 |
13,103 |
13,122 |
13,14 |
|
730 |
13,141 |
13,161 |
13,180 |
13,200 |
13,219 |
13,238 |
13,258 |
13,277 |
13,297 |
13,316 |
13,33. |
|
740 |
13,335 |
13,355 |
13,374 |
13,393 |
13,413 |
13,432 |
13,452 |
13,471 |
13,490 |
13,510 |
13,52' |
|
750 |
13,529 |
13,548 |
13,568 |
13,587 |
13,606 |
13,626 |
13,645 |
13,665 |
13,684 |
13,703 |
13,72: |
|
760 |
13,723 |
13,742 |
13,761 |
13,781 |
13,800 |
13,819 |
13,839 |
13,858 |
13,877 |
13,896 |
13,9Ъ |
|
770 |
13,916 |
13,935 |
13,954 |
13,974 |
13,993 |
14,012 |
14,032 |
14,051 |
14,070 |
14,089 |
14,10' |
|
780 |
14,109 |
14,128 |
14,147 |
14,167 |
14,186 |
14,205 |
14,224 |
14,244 |
14,263 |
14,282 |
14,30 |
|
790 |
14,301 |
14,321 |
14,340 |
14,359 |
14,378 |
14,398 |
14,417 |
14,436 |
14,455 |
14,475 |
14,49- |
|
800 |
14,494 |
14,513 |
14,532 |
14,551 |
14,571 |
14,590 |
14,609 |
14,628 |
14,647 |
14,667 |
14,68i |
|
810 |
14,686 |
14,705 |
14,724 |
14,743 |
14,763 |
14,782 |
14,801 |
14,820 |
14,839 |
14,858 |
14,87. |
|
820 |
14,878 |
14,897 |
14,916 |
14,935 |
14,954 |
14,973 |
14,993 |
15,012 |
15,031 |
15,050 |
15,06' |
|
830 |
15,069 |
15,088 |
15,107 |
15,126 |
15,146 |
15,165 |
15,184 |
15,203 |
15,222 |
15,241 |
15,26i |
|
840 |
15,260 |
15,279 |
15,298 |
15,317 |
15,336 |
15,356 |
15,375 |
15,394 |
15,413 |
15,432 |
15,45 |
|
850 |
15,451 |
15,470 |
15,489 |
15,508 |
15,527 |
15,546 |
15,565 |
15,584 |
15,603 |
15,622 |
15,64 |
|
860 |
15,641 |
15,660 |
15,679 |
15,698 |
15,717 |
15,736 |
15,755 |
15,774 |
15,793 |
15,812 |
15,83 |
|
870 |
15,831 |
15,850 |
15,869 |
15,888 |
15,907 |
15,926 |
15,945 |
15,964 |
15,983 |
16,002 |
16,02 |
|
880 |
16,021 |
16,040 |
16,058 |
16,077 |
16,096 |
16,115 |
16,134 |
16,153 |
16,172 |
16,191 |
16,2И |
|
890 |
16,210 |
16,229 |
16,248 |
16,266 |
16,285 |
16,304 |
16,323 |
16,342 |
16,361 |
16,380 |
16,39- |
|
900 |
16,398 |
16,417 |
16,436 |
16,455 |
16,474 |
16,493 |
16,511 |
16,530 |
16,549 |
16,568 |
16,58 |
|
910 |
16,587 |
16,606 |
16,624 |
16,643 |
16,662 |
16,681 |
16,699 |
16,718 |
16,737 |
16,756 |
16,77. |
|
920 |
16,775 |
16,793 |
16,812 |
16,831 |
16,850 |
16,868 |
16,887 |
16,906 |
16,924 |
16,943 |
16,96: |
|
930 |
16,962 |
16,981 |
16,999 |
17,018 |
17,037 |
17,055 |
17,074 |
17,093 |
17,111 |
17,130 |
17,14' |
|
940 |
17,149 |
17,167 |
17,186 |
17,205 |
17,223 |
17,242 |
17,261 |
17,279 |
17,298 |
17,317 |
17,33 |
|
950 |
17,335 |
17,354 |
17,373 |
17,391 |
17,410 |
17,428 |
17,447 |
17,465 |
17,484 |
17,503 |
17,52 |
|
960 |
17,521 |
17,540 |
17,558 |
17,577 |
17,595 |
17,614 |
17,633 |
17,651 |
17,670 |
17,688 |
17,70 |
|
970 |
17,707 |
17,725 |
17,744 |
17,762 |
17,781 |
17,799 |
17,818 |
17,836 |
17,855 |
17,873 |
17,89 |
ТППТ
Приложение А
Модификации и схема обозначения датчиков температуры
______ТППТ, ТПРТ, ТПВР, ТППТ Ех ТПРТ Ех
1 н х —[77] |—И—[7]—[7| / [7| /1 х |
4 5 6 7 8 9 1011 12 13 14 15 16
R хх.хх — X
2 3
ЭДС в мВ при температуре свободного конца О °C
|
Темп-ра рабочего конца, °C |
0 |
1 |
2 |
3 |
4 |
5 |
6 |
7 |
8 |
9 |
10 |
|
980 |
17,892 |
17,910 |
17,929 |
17,947 |
17,966 |
17,984 |
18,002 |
18,021 |
18,039 |
18,058 |
18,07' |
|
990 |
18,076 |
18,095 |
18,113 |
18,131 |
18,150 |
18,168 |
18,187 |
18,205 |
18,223 |
18,242 |
18,26' |
|
1000 |
18,260 |
18,279 |
18,297 |
18,315 |
18,334 |
18,352 |
18,370 |
18,389 |
18,407 |
18,425 |
18,44- |
|
1010 |
18,444 |
18,462 |
18,480 |
18,499 |
18,517 |
18,535 |
18,553 |
18,572 |
18,590 |
18,608 |
18,62 |
|
1020 |
18,627 |
18,645 |
18,663 |
18,681 |
18,700 |
18,718 |
18,736 |
18,754 |
18,773 |
18,791 |
18,80' |
|
1030 |
18,809 |
18,827 |
18,845 |
18,864 |
18,882 |
18,900 |
18,918 |
18,936 |
18,955 |
18,973 |
18,99 |
|
1040 |
18,991 |
19,009 |
19,027 |
19,045 |
19,064 |
19,082 |
19,100 |
19,118 |
19,136 |
19,154 |
19,17 |
|
1050 |
19,172 |
19,190 |
19,208 |
19,227 |
19,245 |
19,263 |
19,281 |
19,299 |
19,317 |
19,335 |
19,35. |
|
1060 |
19,353 |
19,371 |
19,389 |
19,407 |
19,425 |
19,443 |
19,461 |
19,479 |
19,497 |
19,515 |
19,53: |
|
1070 |
19,533 |
19,551 |
19,569 |
19,587 |
19,605 |
19,623 |
19,641 |
19,659 |
19,677 |
19,695 |
19,71: |
|
1080 |
19,713 |
19,731 |
19,749 |
19,767 |
19,785 |
19,803 |
19,821 |
19,839 |
19,856 |
19,874 |
19,89: |
|
1090 |
19,892 |
19,910 |
19,928 |
19,946 |
19,964 |
19,982 |
19,999 |
20,017 |
20,035 |
20,053 |
20,07 |
|
1100 |
20,071 |
20,089 |
20,106 |
20,124 |
20,142 |
20,160 |
20,178 |
20,195 |
20,213 |
20,231 |
20,24' |
|
1110 |
20,249 |
20,267 |
20,284 |
20,302 |
20,320 |
20,338 |
20,355 |
20,373 |
20,391 |
20,409 |
20,42' |
|
1120 |
20,426 |
20,444 |
20,462 |
20,479 |
20,497 |
20,515 |
20,532 |
20,550 |
20,568 |
20,585 |
20,60: |
|
ИЗО |
20,603 |
20,621 |
20,638 |
20,656 |
20,674 |
20,691 |
20,709 |
20,727 |
20,744 |
20,762 |
20,77' |
|
1140 |
20,779 |
20,797 |
20,815 |
20,832 |
20,850 |
20,867 |
20,885 |
20,902 |
20,920 |
20,938 |
20,95 |
|
1150 |
20,955 |
20,973 |
20,990 |
21,008 |
21,025 |
21,043 |
21,060 |
21,078 |
21,095 |
21,113 |
21,13' |
|
1160 |
21,130 |
21,148 |
21,165 |
21,183 |
21,200 |
21,218 |
21,235 |
21,253 |
21,270 |
21,287 |
21,30. |
|
1170 |
21,305 |
21,322 |
21,340 |
21,357 |
21,375 |
21,392 |
21,409 |
21,427 |
21,444 |
21,461 |
21,47' |
|
1180 |
21,479 |
21,496 |
21,514 |
21,531 |
21,548 |
21,566 |
21,583 |
21,600 |
21,618 |
21,635 |
21,65: |
|
1190 |
21,652 |
21,670 |
21,687 |
21,704 |
21,721 |
21,739 |
21,756 |
21,773 |
21,790 |
21,808 |
21,82. |
|
1200 |
21,825 |
21,842 |
21,859 |
21,877 |
21,894 |
21,911 |
21,928 |
21,946 |
21,963 |
21,980 |
21,99 |
|
1210 |
21,997 |
22,014 |
22,032 |
22,049 |
22,066 |
22,083 |
22,100 |
22,117 |
22,135 |
22,152 |
22,16' |
|
1220 |
22,169 |
22,186 |
22,203 |
22,220 |
22,237 |
22,254 |
22,271 |
22,289 |
22,306 |
22,323 |
22,34' |
|
1230 |
22,340 |
22,357 |
22,374 |
22,391 |
22,408 |
22,425 |
22,442 |
22,459 |
22,476 |
22,493 |
22,51' |
|
1240 |
22,510 |
22,527 |
22,544 |
22,561 |
22,578 |
22,595 |
22,612 |
22,629 |
22,646 |
22,663 |
22,68i |
|
1250 |
22,680 |
22,697 |
22,714 |
22,731 |
22,748 |
22,765 |
22,782 |
22,799 |
22,815 |
22,832 |
22,84' |
|
1260 |
22,849 |
22,866 |
22,883 |
22,900 |
22,917 |
22,934 |
22,950 |
22,967 |
22,984 |
23,001 |
23,01 |
|
1270 |
23,018 |
23,035 |
23,052 |
23,068 |
23,085 |
23,102 |
23,119 |
23,136 |
23,152 |
23,169 |
23,18' |
|
1280 |
23,186 |
23,203 |
23,219 |
23,236 |
23,253 |
23,270 |
23,286 |
23,303 |
23,320 |
23,337 |
23,35: |
|
1290 |
23,353 |
23,370 |
23,387 |
23,403 |
23,420 |
23,437 |
23,453 |
23,470 |
23,487 |
23,503 |
23,52' |
|
1300 |
23,520 |
23,537 |
23,553 |
23,570 |
23,587 |
23,603 |
23,620 |
23,636 |
23,653 |
23,670 |
23,68' |
|
1310 |
23,686 |
23,703 |
23,719 |
23,736 |
23,753 |
23,769 |
23,786 |
23,802 |
23,819 |
23,835 |
23,85: |
|
1320 |
23,852 |
23,868 |
23,885 |
23,901 |
23,918 |
23,934 |
23,951 |
23,967 |
23,984 |
24,000 |
24,01 |
|
1330 |
24,017 |
24,033 |
24,050 |
24,066 |
24,083 |
24,099 |
24,116 |
24,132 |
24,148 |
24,165 |
24,18 |
|
1340 |
24,181 |
24,198 |
24,214 |
24,230 |
24,247 |
24,263 |
24,280 |
24,296 |
24,312 |
24,329 |
24,34 |
|
1350 |
24,345 |
24,361 |
24,378 |
24,394 |
24,410 |
24,427 |
24,443 |
24,459 |
24,476 |
24,492 |
24,50 |
|
1360 |
24,508 |
24,524 |
24,541 |
24,557 |
24,573 |
24,590 |
24,606 |
24,622 |
24,638 |
24,655 |
24,67 |
|
1370 |
24,671 |
24,687 |
24,703 |
24,719 |
24,736 |
24,752 |
24,768 |
24,784 |
24,800 |
24,817 |
24,83 |
|
1380 |
24,833 |
24,849 |
24,865 |
24,881 |
24,897 |
24,913 |
24,930 |
24,946 |
24,962 |
24,978 |
24,99- |
|
1390 |
24,994 |
25,010 |
25,026 |
25,042 |
25,058 |
25,075 |
25,091 |
25,107 |
25,123 |
25,139 |
25,15 |
|
1400 |
25,155 |
25,171 |
25,187 |
25,203 |
25,219 |
25,235 |
25,251 |
25,267 |
25,283 |
25,299 |
25,31 |
|
ТЭДС в мВ при температуре свободного конца 0 °C | |||||||||||
|
Темп-ра рабочего конца, °C |
0 |
1 |
2 |
3 |
4 |
5 |
6 |
7 |
8 |
9 |
10 |
|
1410 |
25,315 |
25,331 |
25,347 |
25,363 |
25,379 |
25,395 |
25,411 |
25,427 |
25,443 |
25,459 |
25,47. |
|
1420 |
25,475 |
25,490 |
25,506 |
25,522 |
25,538 |
25,554 |
25,570 |
25,586 |
25,602 |
25,618 |
25,63: |
|
1430 |
25,633 |
25,649 |
25,665 |
25,681 |
25,697 |
25,713 |
25,729 |
25,744 |
25,760 |
25,776 |
25,79: |
|
1440 |
25,792 |
25,808 |
25,823 |
25,839 |
25,855 |
25,871 |
25,886 |
25,902 |
25,918 |
25,934 |
25,94' |
|
1450 |
25,949 |
25,965 |
25,981 |
25,997 |
26,012 |
26,028 |
26,044 |
26,060 |
26,075 |
26,091 |
26,10 |
|
1460 |
26,107 |
26,122 |
26,138 |
26,154 |
26,169 |
26,185 |
26,201 |
26,216 |
26,232 |
26,248 |
26,26: |
|
1470 |
26,263 |
26,279 |
26,294 |
26,310 |
26,326 |
26,341 |
26,357 |
26,372 |
26,388 |
26,403 |
26,41' |
|
1480 |
26,419 |
26,435 |
26,450 |
26,466 |
26,481 |
26,497 |
26,512 |
26,528 |
26,543 |
26,559 |
26,57. |
|
1490 |
26,574 |
26,590 |
26,605 |
26,621 |
26,636 |
26,652 |
26,667 |
26,683 |
26,698 |
26,714 |
26,72' |
|
1500 |
26,729 |
26,744 |
26,760 |
26,775 |
26,791 |
26,806 |
26,822 |
26,837 |
26,852 |
26,868 |
26,88: |
|
1510 |
26,883 |
26,899 |
26,914 |
26,929 |
26,945 |
26,960 |
26,975 |
26,991 |
27,006 |
27,021 |
27,03 |
|
1520 |
27,037 |
27,052 |
27,067 |
27,083 |
27,098 |
27,113 |
27,128 |
27,144 |
27,159 |
27,174 |
27,19i |
|
1530 |
27,190 |
27,205 |
27,220 |
27,235 |
27,250 |
27,266 |
27,281 |
27,296 |
27,311 |
27,327 |
27,34: |
|
1540 |
27,342 |
27,357 |
27,372 |
27,387 |
27,403 |
27,418 |
27,433 |
27,448 |
27,463 |
27,478 |
27,49: |
|
1550 |
27,493 |
27,509 |
27,524 |
27,539 |
27,554 |
27,569 |
27,584 |
27,599 |
27,614 |
27,629 |
27,64: |
|
1560 |
27,645 |
27,660 |
27,675 |
27,690 |
27,705 |
27,720 |
27,735 |
27,750 |
27,765 |
27,780 |
27,79: |
|
1570 |
27,795 |
27,810 |
27,825 |
27,840 |
27,855 |
27,870 |
27,885 |
27,900 |
27,915 |
27,930 |
27,94. |
|
1580 |
27,945 |
27,960 |
27,975 |
27,990 |
28,005 |
28,020 |
28,034 |
28,049 |
28,064 |
28,079 |
28,09. |
|
1590 |
28,094 |
28,109 |
28,124 |
28,139 |
28,154 |
28,169 |
28,183 |
28,198 |
28,213 |
28,228 |
28,24: |
|
1600 |
28,243 |
28,258 |
28,272 |
28,287 |
28,302 |
28,317 |
28,332 |
28,346 |
28,361 |
28,376 |
28,39 |
|
1610 |
28,391 |
28,406 |
28,420 |
28,435 |
28,450 |
28,465 |
28,479 |
28,494 |
28,509 |
28,524 |
28,53: |
|
1620 |
28,538 |
28,553 |
28,568 |
28,582 |
28,597 |
28,612 |
28,626 |
28,641 |
28,656 |
28,670 |
28,68 |
|
1630 |
28,685 |
28,700 |
28,714 |
28,729 |
28,744 |
28,758 |
28,773 |
28,787 |
28,802 |
28,817 |
28,83 |
|
1640 |
28,831 |
28,846 |
28,860 |
28,875 |
28,890 |
28,904 |
28,919 |
28,933 |
28,948 |
28,962 |
28,97 |
|
1650 |
28,977 |
28,991 |
29,006 |
29,020 |
29,035 |
29,049 |
29,064 |
29,078 |
29,093 |
29,107 |
29,12: |
|
1660 |
29,122 |
29,136 |
29,151 |
29,165 |
29,180 |
29,194 |
29,209 |
29,223 |
29,237 |
29,252 |
29,26< |
|
1670 |
29,266 |
29,281 |
29,295 |
29,309 |
29,324 |
29,338 |
29,353 |
29,367 |
29,381 |
29,396 |
29,411 |
|
1680 |
29,410 |
29,424 |
29,439 |
29,453 |
29,467 |
29,482 |
29,496 |
29,510 |
29,525 |
29,539 |
29,55: |
|
1690 |
29,553 |
29,567 |
29,582 |
29,596 |
29,610 |
29,625 |
29,639 |
29,653 |
29,667 |
29,681 |
29,69' |
|
1700 |
29,696 |
29,710 |
29,724 |
29,738 |
29,753 |
29,767 |
29,781 |
29,795 |
29,809 |
29,823 |
29,83: |
|
1710 |
29,838 |
29,852 |
29,866 |
29,880 |
29,894 |
29,908 |
29,922 |
29,937 |
29,951 |
29,965 |
29,97' |
|
1720 |
29,979 |
29,993 |
30,007 |
30,021 |
30,035 |
30,049 |
30,063 |
30,077 |
30,091 |
30,106 |
30,12i |
|
1730 |
30,120 |
30,134 |
30,148 |
30,162 |
30,176 |
30,190 |
30,204 |
30,218 |
30,232 |
30,246 |
30,26 |
|
1740 |
30,260 |
30,274 |
30,288 |
30,302 |
30,315 |
30,329 |
30,343 |
30,357 |
30,371 |
30,385 |
30,39' |
|
1750 |
30,399 |
30,413 |
30,427 |
30,441 |
30,455 |
30,469 |
30,482 |
30,496 |
30,510 |
30,524 |
30,53 |
|
1760 |
30,538 |
30,552 |
30,565 |
30,579 |
30,593 |
30,607 |
30,621 |
30,635 |
30,648 |
30,662 |
30,67 |
|
1770 |
30,676 |
30,690 |
30,704 |
30,717 |
30,731 |
30,745 |
30,759 |
30,772 |
30,786 |
30,800 |
30,81 |
|
1780 |
30,813 |
30,827 |
30,841 |
30,855 |
30,868 |
30,882 |
30,896 |
30,909 |
30,923 |
30,937 |
30,95 |
|
1790 |
30,950 |
30,964 |
30,978 |
30,991 |
31,005 |
31,019 |
31,032 |
31,046 |
31,059 |
31,073 |
31,08 |
1800 31,087
15
