Методика поверки «Анализаторы плотности DMA 4200М фирмы «ANTON PAAR GmbH», Австрия» (Код не указан!)
УТВЕРЖДАЮ
ВРИО генерального директора

Анализаторы плотности DMA 4200М фирмы «ANTON PAAR GmbH», Австрия
Методика поверки
Москва
2016
Настоящая методика поверки распространяется на анализаторы плотности DMA 4200М фирмы «Anton Paar GmbH», Австрия (далее - анализаторы), предназначенные для измерения плотности жидкостей и газов и устанавливает методику их первичной и периодической поверок.
Метод поверки основан на непосредственном сличении показаний датчика плотности и эталонного СИ для измерений плотностей жидкостей и рассчитанных значений плотностей газов.
Интервал между поверками - 1 год.
1 ОПЕРАЦИИ ПОВЕРКИПри проведении поверки выполняют следующие операции:
-
1.1 Внешний осмотр (п.6.1);
-
1.2 Опробование (п.6.2)
-
1.3 Подтверждение соответствия характеристик ПО при первичной поверке (п. 6.3);
-
1.3 Определение метрологических характеристик (п. 6.4).
При проведении поверки применяют следующие основные и вспомогательные средства поверки:
-
2.1 Поверка анализаторов в режиме измерений плотности жидкости.
-
2.1.1. стандартные образцы плотности жидкости РЭП-1 (ГСО 8579-2004), РЭП-5 (ГСО 8583-2004), РЭП-7 (ГСО 8585-2004) (пределы допускаемой погрешности ± 5-10'5 г/см3);
-
-
2.2 Поверка анализаторов в режиме измерений плотности сжиженных углеводородов.
-
2.2.1 Стандартные образцы плотности сжиженных углеводородов ГСО 10209-2013, ГСО 10210-2013, ГСО 10211-2013;
-
2.2.2 Преобразователь давления эталонный типа ПДЭ-020, пределы допускаемой основной погрешности 0,05 %, диапазон измерений от 0,0 МПа до 2,5 МПа;
-
2.3 Поверка анализаторов в режиме измерений плотности газов.
-
2.3.1 Азот газообразный особой чистоты по ГОСТ 9293-74, содержание основного компонента 99,999% в баллоне под давлением не менее 0,3 МПа;
-
2.3.2 Аргон газообразный высокой чистоты по ТУ 2114-005-05798345-2009 содержание основного компонента 99,998% в баллоне под давлением не менее 0,3 МПа;
-
2.3.3 Преобразователь давления эталонный типа ПДЭ-020, пределы допускаемой основной погрешности 0,02 %, диапазон измерений от 0,0 кПа до 600 кПа;
-
-
2.4 Вспомогательные средства и материалы:
-
-
- вакуумный насос;
-
- барометр анероидный типа М98 по ГОСТ 23696-79;
-
- психрометр бытовой типа БП-1;
-
- дистиллированная вода по ГОСТ 6709-72
-
- ацетон по ГОСТ 2603-79;
-
- уайт-спирит по ГОСТ 3134-78;
-
- бумага фильтровальная по ГОСТ 12026-76;
-
- баллон с азотом 40 дм3.
-
2.5 Все средства измерений, применяемые при поверке должны иметь действующие свидетельства о поверке или оттиски поверительных клейм.
-
2.6 Допускается применять вновь разработанные или находящиеся в обращении другие средства измерений, удовлетворяющие по точности требованиям настоящей методики.
-
3.1. Процесс проведения поверки относится к вредным условиям труда.
-
3.2. Помещение, в котором проводится поверка, должно быть оборудовано приточновытяжной вентиляцией и вытяжным шкафом.
-
3.3. Должны быть соблюдены требования безопасности по ГОСТ 12.3.019-80 «Система стандартов безопасности труда. Испытания и измерения электрические. Общие требования безопасности»
При проведении поверки должны соблюдаться следующие условия:
|
- температура окружающего воздуха, °C |
20 ±5 |
|
- относительная влажность, % |
65 ± 15 |
|
- атмосферное давление, кПа |
101,3 ±4,0 |
|
- напряжение питания, В |
230 ± 23 |
|
- частота питания переменного тока, Гц |
50 ±0,5 |
Внешние электрические и магнитные поля должны отсутствовать или находиться в пределах, не влияющих на работу прибора.
5 ПОДГОТОВКА К ПОВЕРКЕПеред проведением поверки выполнить следующие работы:
-
1) Включить вентиляцию помещения, где проводится поверка анализаторов.
-
2) Подготовить средства поверки в соответствии с требованиями эксплуатационной документации.
-
3) Промыть измерительную ячейку и подготовить поверяемый анализатор к проведению измерений согласно требованиям Руководства по эксплуатации на него.
-
6.1 Внешний осмотр.
При проведении внешнего осмотра установить:
-
- соответствие комплектности и маркировки анализатора требованиям технической документации;
-
- отсутствие на анализаторе механических повреждений и дефектов покрытий, ухудшающих его внешний вид и мешающих работе;
-
6.2 Опробование.
При опробовании анализатора проверить исправность электрической схемы и общее функционирование в соответствии с Руководством по эксплуатации.
-
6.3 Подтверждение соответствия программного обеспечения
Идентификацию встроенного ПО анализаторов проводят при первичной поверке. Необходимо в основном рабочем окне программы нажать клавишу [Menu], затем выбрать вкладку «Servise», далее вкладку «System Information». В открывшейся таблице в строке «Instrument software» будет отображаться версия программного обеспечения. Версия ПО должна быть не ниже 2-хх.хххх.ххх
-
6.4 Определение метрологических характеристик.
-
6.4.1 Первичную и периодическую поверку анализаторов, применяемых для измерений плотности нефти и нефтепродуктов в диапазоне плотности 0,65-1,80 г\см3 проводят с применением стандартных образцов плотности жидкости РЭП-1 (ГСО 8579-2004), РЭП-5 (ГСО 85832004), РЭП-7 (ГСО 8585-2004) при температуре (20,00 ±0,01) °C по методике п.п. 6.4.1.1 -6.4.1.6.
-
6.4.1.1 Измерения плотности поверочной жидкости анализатором провести в следующей последовательности.
-
6.4.1.2 Задать температуру измерений (20,00 ±0,01) °C, выполняя действия согласно Руководства по эксплуатации на анализатор.
-
6.4.1.3 Заполнить измерительную ячейку анализатора первым образцом поверочной жидкости, действуя в соответствии с Руководством по эксплуатации.
-
6.4.1.4 Выполнить измерения плотности поверочной жидкости анализатором, действуя в соответствии с Руководством по эксплуатации.
-
6.4.1.5 Записать показания анализатора в протокол поверки (форма протокола приведена в приложении), слить жидкость и промыть измерительную ячейку, следуя указаниям Руководства по эксплуатации.
-
6.4.1.6 Повторить операции по п.п. 6.4.1.1 - 6.4.1.5 для 2-й и 3-й поверочной жидкости.
-
6.4.2 Первичную и периодическую поверку анализаторов, применяемых для измерений плотности сжиженных углеводородных газов и нефтепродуктов в диапазоне плотности 0,50-0,65 г\см3 проводят с применением стандартных образцов плотности сжиженных углеводородов ГСО-СУГ по методике п.п. 6.4.2.1-6.4.2.9
-
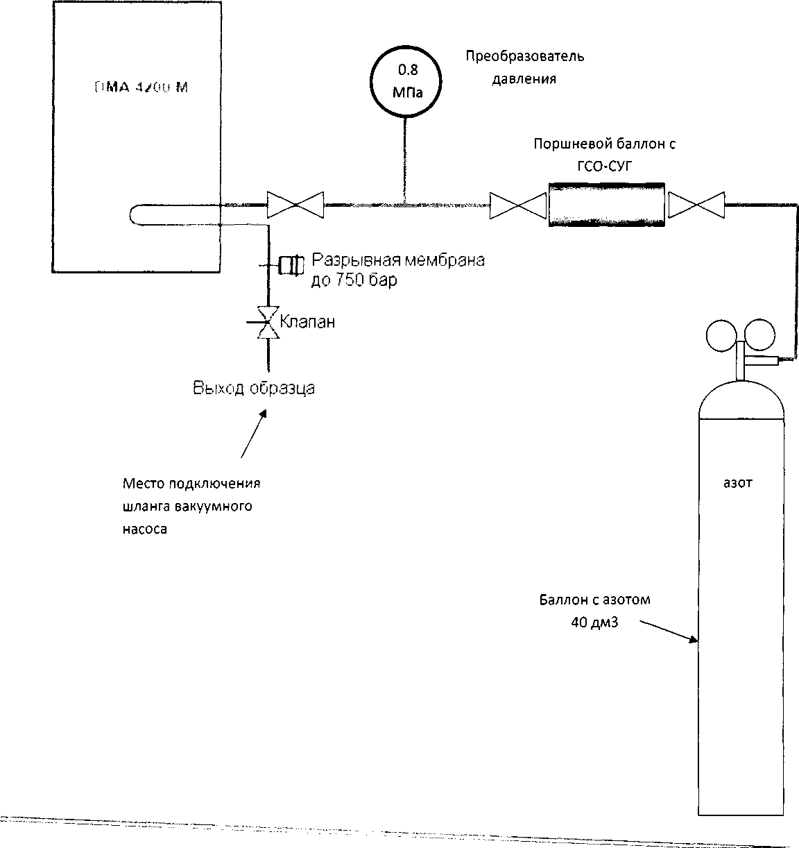
6.4.2.1 Внутренняя полость измерительной ячейки анализатора должна быть предварительно промыта растворителем и высушена. На входной и выходной фитинги измерительной ячейки анализатора устанавливают запорные краны. Выполняют подключения выходного крана секции для ГСО-СУГ поршневого баллона постоянного давления с первым стандартным образцом плотности сжиженных углеводородов ГСО 10209-2013 к запорному крану входного фитинга чувствительного элемента анализатора плотности посредством гибкой трубки из нержавеющей стали, диаметром 3 мм. В линию подачи ГСО-СУГ должен быть включен преобразователь давления. К крану выходного фиттинга чувствительного элемента подключают гибкий вакуумный шланг вакуумного насоса. Подключают подающие трубопроводы редуктора баллона с сжатым азотом к газовому клапану поршневого баллона с ГСО плотности. Схема подключения оборудования приведена в Приложении 1.
-
6.4.2.2 Открывают входной и выходной краны измерительной ячейки анализатора плотности и выполняют вакуумирование внутренних полостей чувствительного элемента и подводящих трубопроводов. Закрывают выходной кран чувствительного элемента.
-
6.4.2.3 Задают на редукторе баллона с азотом давление выходящего газа, соответствующее значению давления аттестации из паспорта на ГСО-СУГ. Открывают выпускной клапан секции для ГСО поршневого баллона и заполняют жидкой фазой ГСО-СУГ внутренние полости подводящих трубопроводов и измерительную ячейку анализатора плотности. Контроль полноты заполнения производят плавно приоткрыв запорный кран выводящего трубопровода измерительной ячейки. При этом через кран должна выходить жидкая фаза ГСО-СУГ.
ВНИМАНИЕ! Заполнение и выпуск газа из измерительной ячейки анализатора должен выполняться только в вытяжном шкафу при включенной вытяжной вентиляции.
ВНИМАНИЕ! Пары ГСО-СУГ чрезвычайно огнеопасны, вдыхание паров может принести вред здоровью. Пары могут самовоспламениться.
После заполнения полостей закрыть все клапаны.
-
6.4.2.4 Задать температуру измерений (20,00 ± 0,01) °C, выполняя действия согласно Руководства по эксплуатации на анализатор.
-
6.4.2.5 Перед проведением измерений выдержать анализатор с заполненной жидкой фазой ГСО-СУГ измерительной ячейкой не менее 30 мин. для стабилизации температуры.
-
6.4.2.6 После выдержки зафиксировать показания давления газа по данным преобразователя давления (эталонного манометра), давление ГСО-СУГ не должно отличаться от значения давления аттестации, указанного в паспорте на ГСО-СУГ более чем на ± 0,01 МПа, в противном случае установить необходимое значение давления ГСО-СУГ посредством регулировочного винта редуктора баллона с азотом. Зафиксировать фактические давления, значения температуры и плотности ГСО-СУГ по показаниям поверяемого анализатора плотности. Занести результаты измерений в протокол поверки по форме Приложения 2.
-
6.4.2.7 Удалить ГСО-СУГ из полостей измерительной ячейки анализатора плотности и подводящих трубопроводов. Удаление ГСО-СУГ возможно выполнить двумя способами:
-
- испарение газа через выпускной кран измерительной ячейки и дальнейшая утилизация;
-
- перелив жидкой фазы ГСО-СУГ обратно в секцию для ГСО поршневого баллона постоянного давления посредством понижения давления и охлаждения секции для инертного газа.
ВНИМАНИЕ! Заполнение и выпуск газа из измерительной ячейки анализатора должно выполняться только в вытяжном шкафу при включенной вытяжной вентиляции.
ВНИМАНИЕ! Пары ГСО-СУГ чрезвычайно огнеопасны, вдыхание паров может принести вред здоровью. Пары могут самовоспламениться.-
6.4.2.8 Повторное промывание измерительной ячейки анализатора плотности после удаления ГСО-СУГ не требуется.
-
6.4.2.9 Выполнить действия в соответствии с пунктами 5.4.2.2.-5.4.2.8 для ГСО 10210-2013 и ГСО 10211-2013.
-
6.4.3 Первичную и периодическую поверку анализаторов плотности DMA 4200М, применяемых для измерений плотности газов в диапазоне плотности 0,00075-0,0030 г\см3 и диапазоне избыточного давления 0,0-0,3 МПа проводят с применением газообразных Азота особой чистоты и Аргона высокой чистоты в баллонах под давлением по методике п.п. 6.4.3.1-6.4.3.6
-
6.4.3.1 Внутренняя полость измерительной ячейки анализатора должна быть предварительно промыта растворителем и высушена. На входной и выходной фитинги измерительной ячейки анализатора устанавливают запорные краны. Выполняют подключение баллона с газообразным Азотом под давлением к запорному крану входного фитинга измерительной ячейки анализатора плотности посредством гибкой трубки из нержавеющей стали, диаметром 3 мм. В линию подачи газа должен быть включен преобразователь давления. К крану выходного фиттинга измерительной ячейки подключают гибкий вакуумный шланг вакуумного насоса. Схема подключения оборудования приведена в Приложении 3.
-
6.4.3.2 Открывают входной и выходной краны измерительной ячейки анализатора плотности и выполняют вакуумирование внутренних полостей измерительной ячейки и подводящих трубопроводов. Закрывают выходной кран измерительной ячейки.
-
6.4.3.3 Открывают кран баллона с газом и заполняют азотом внутренние полости подводящих трубопроводов и измерительной ячейки анализатора плотности. Открывают выпускной кран измерительной ячейки и выполняют продувку азотом в в течении 10-15 с. Скорость выхода газа не должны приводить к обмерзанию выходного крана. Закрывают выпускной кран. Создают гидрозатвор, для чего надевают на выпускной кран измерительной ячейки резиновую трубку и опускают свободный конец трубки в стакан с водой на глубину 3-5 мм. Закрывают кран баллона с газом, входной кран измерительной ячейки и плавно открывают выходной кран. Избыточное давление газа из полости измерительной ячейки снижают до текущего атмосферного давления путем выпуска пузырьков газа через гидрозатвор.
-
6.4.3.4 Задать температуру измерений (20,00 ±0,01) °C, выполняя действия согласно Руководства по эксплуатации на анализатор.
-
6.4.3.5 Плавно открывая выходной вентиль баллона с газом доводят давление азота до значения 0,25=1=0,02 МПа. Выдерживают анализатор при заданной температуре не менее 30 минут для стабилизации температуры измерительной ячейки с газом. Фиксируют показания плотности и текущее давление газа по данным эталонного преобразователя давления, записывают в протокол поверки.
-
6.4.3.6 Выполняют действия по п.6.4.3.1-6.4.3.5 для аргона.
-
7.1 Абсолютную погрешность измерений плотности жидкости вычислить по формуле:
Ар — Ризм ~ Рат . (1)
где:
Ар - абсолютная погрешность измерений плотности, г/см3;
рат - значение плотности поверочной жидкости по данным паспорта на стандартный об
разец;
Ризм - результат измерений плотности поверочной жидкости поверяемым анализатором, г/см3.
Анализатор считается годным, если значения абсолютной погрешности измерений плотности во всех точках находятся в пределах ± 2-10’4 г/см3.
-
7.2 Значения абсолютной погрешности измерений плотности сжиженных газов, определенные как разность между показаниями плотности поверяемого анализатора и аттестованными значениями плотности ГСО-СУГ, должны находиться в пределах ± (0,0003 + 0,001-ДР) г/см , где ДР — абсолютная погрешность преобразователя давления, МПа.
-
7.3 Действительные значения плотностей Азота и Аргона рассчитывают по формуле:
рг= l,165*(P+Pam/)*293,15/(0,101325*(7"+273,15)*Z/0,9997) (2)
где:
рг - плотность чистого газа, г/см3;
Р - давление газа (показания измерительного преобразователя избыточного давления), МПа;
Ратм ~ атмосферное давление (показания барометра), МПа;
Т - температура газа (показания термометра термостата), °C;
Z - фактор сжимаемости газа при температуре Т и давлении Р (значения факторов сжимаемости азота и аргона приведены в приложении 2).
-
7.4 Значения относительной погрешности измерений плотности газа, определенные как разность между показаниями плотности поверяемого анализатора и рассчитанных по формуле (2) значений плотности газообразных азота и аргона, должны находиться в пределах ± (2,0 + (0,1-Др)/рг), % где Др — абсолютная погрешность преобразователя давления, МПа.
-
8.1 Результаты поверки оформляются протоколом (форма протокола приведена в Приложении 1), который хранится в организации, проводившей поверку.
-
8.2 Анализатор, удовлетворяющий требованиям настоящей методики, признают годным к применению и на него выдают свидетельство о поверке установленной формы.
-
8.3 При отрицательных результатах поверки процедуру поверки следует повторить. Если повторные результаты поверки окажутся неудовлетворительными, то на поверяемый анализатор выдается извещение о непригодности с указанием причин.
Главный научный сотрудник АО «НИЦПВ», доктор физ.-мат. наук, профессор
М.Н.Филиппов
Приложение 1
(Рекомендуемое) ПРОТОКОЛ№_____
Поверки анализатора плотности DMA 4200М
Наименование
Назначение_________________________________________________________
Номер________________________________________________________
Тип__________________________________________________________
Дата выпуска________________________________________________________
Представлен ___________________________________________________________
Место проведения поверки __________________________________________
Условия поверки:
-
- температура окружающего воздуха, °C
-
- относительная влажность, %
-
- атмосферное давление, кПа
Методика поверки: «Анализаторы плотности DMA 4200М фирмы « ANTON PAAR
GmbH», Австрия» Методика поверки.
Сведения о средствах поверки:
- номера свидетельств о поверке, аттестатах СИ.
Результаты внешнего осмотра:_________________________________________
Подтверждение соответствия программного обеспечения:___________________
Результаты измерений
|
Поверочная жидкость |
Значение плотности поверочной жидкости (из паспорта ГСО) г/см3 |
Плотность поверочной жидкости по данным анализатора г/см3 |
Абсолютная погрешность при измерении плотности г/см3 |
|
1 | |||
|
2 | |||
|
3 |
Вывод: значения абсолютной погрешности измерений плотности не превышают г/см3?
Заключение: По результатам поверки анализатор плотности DMA 4200М, заводской номер ___________, фирмы «Anton Paar GmbH», Австрия, признан годным негодным (не нужное зачеркнуть) к эксплуатации.
(Должность, подпись, И.О. Фамилия лица, проводившего поверку)
Дата проведения поверки "___"________________201_ г.
Приложение 2
Значения фактора сжимаемости азота (N2)
|
Т(К) | |||
|
280 |
300 |
350 | |
|
Р(МПа)аЬ5 | |||
|
од |
0,99963 |
0,99982 |
1,00012 |
|
0,2 |
0,99926 |
0,99965 |
1,00025 |
|
0,4 |
0,99890 |
0,99948 |
1,00038 |
|
0,4 |
0,99855 |
0,99931 |
1,00051 |
|
0,5 |
0,99820 |
0,99915 |
1,00065 |
|
0,6 |
0,997,85 |
0,99900 |
1,00079 |
|
0,7 |
0,99751 |
0,99885 |
1,00093 |
|
0,8 |
0,99718 |
0,99870 |
1,00107 |
|
0,9 |
0,99685 |
0,99856 |
1,00122 |
|
1,0 |
0,99653 |
0,99842 |
1,00137 |
|
2,0 |
0,99357 |
0,99728 |
1,00304 |
|
3,0 |
0,99115 |
0,99659 |
1,00500 |
|
4,0 |
0,98929 |
0,99636 |
1,00725 |
|
5,0 |
0,98802 |
0,99661 |
1,00980 |
|
6,0 |
0,98734 |
0,99734 |
1,01029 |
|
7,0 |
0,98728 |
0,99856 |
1,02435 |
|
8,0 |
0,98783 |
1,00027 |
1,02859 |
11
Приложение 3
Схема подключения анализатора плотности при поверке в диапазоне 0,50-0,65 г/см3

12
