Методика поверки «Измерители наведенного напряжения ИНН-15» (МП КПЭП 392.000.000)
СОГЛАСОВАНО
УТВЕРЖДАЮ
Директор ООО «Электроприбор»

Заместитель директора по производственной метрологии ФГУП

201^ г.
Н.В. Иванникова
Измерители наведенного напряжения ИНН-15
МЕТОДИКА ПОВЕРКИ
КПЭП 392.000.000 МП
Л/ (ЬЧ 'З (ог. Москва
2016
Содержание
Настоящая методика распространяется на измерители наведенного напряжения ИНН-15 (далее - измерители), выпускаемые ООО «Электроприбор», г. Краснодар, и устанавливает методы и средства первичной и периодической поверок.
На испытания представляют один измеритель, укомплектованный в соответствии с руководством по эксплуатации, и комплект следующей технической и нормативной документации:
-
- руководство по эксплуатации РЭ;
-
- методика поверки КПЭП 301.000.000 МП;
Межповерочный интервал - 1 год.
1 ОПЕРАЦИИ ПОВЕРКИ-
1.1 При проведении поверки приборов должны быть выполнены операции, приведенные в таблице 1.
Таблица 1 - Операции поверки
Наименование операции |
Номер пункта методики поверки |
Проведение операции при | |
первичной поверке |
периодической поверке | ||
1 |
2 |
3 |
4 |
1 Внешний осмотр |
7.1 |
Да |
Да |
2 Опробование |
7.2 |
Да |
Нет |
3 Проверка входного сопротивления постоянному току |
7.3 |
Да |
Да |
4 Проверка метрологических характеристик 4.1 Проверка пределов допускаемой абсолютной погрешности измерений среднеквадратических значений напряжения переменного тока синусоидальной формы номинальной частотой 50 Гц |
7.4 7.4.1 |
2 СРЕДСТВА ПОВЕРКИ
-
2.1 При проведении поверки приборов должны быть применены основные и вспомогательные средства, указанные в таблице 2.
Таблица 2- Средства поверки
Наименование и тип средства поверки |
Метрологические характеристики |
Калибратор универсальный 9100 |
г.р. № 25985-09 |
Вольтметр амплитудный ВА-3.1 |
г.р.№48113-11 |
Трансформатор напряжения измерительный эталонный NVRD |
г.р. №56003-13 |
Источник высокого напряжения ИВН-500 из состава ГЭТ175-2009 |
Диапазон воспроизведения высокого испытательного напряжения переменного тока промышленной частоты в диапазоне от 0,6 до 500 кВ (ампл.) |
Мультиметр цифровой DT-9959 |
госреестр№ 56774-14 |
Термометр ртутный стеклянный лабораторный ТЛ-4 |
Диапазон измерения температуры (0 -50) °С,ПГ ±0,1 °C |
Барометр-анероид метеорологический БАММ-1 |
Диапазон измерения атмосферного давления (80 - 106) кПа, ПГ ± 0,2 кПа |
Психрометр М-34М |
Диапазон измерения относительной влажности воздуха (10 - 100) %, ПГ ±6 % |
Примечания:
1 Вместо указанных в таблице 2 эталонных и вспомогательных средств поверки, разрешается применять другие аналогичные измерительные приборы, обеспечивающие измерение соответствующих параметров с требуемой точностью.
-
2 Все средства измерений должны быть исправны, поверены и иметь свидетельства (отметки в формулярах или паспортах) о поверке.
-
3 Все источники питания должны быть аттестованы и иметь действующие аттестаты
-
4 Периодическую поверку измерителей допускается проводить для меньшего числа величин или на меньшем числе поддиапазонов измерений на основании письменного заявления владельца СИ, оформленного в произвольной форме.
-
3.1 К проведению поверки допускают лиц, аттестованных в качестве поверителей средств измерений электрических величин.
-
3.2 Поверитель должен пройти инструктаж по технике безопасности и иметь действующее удостоверение на право работы в электроустановках с квалификационной группой по электробезопасности не ниже III.
-
4.1 При проведении поверки необходимо соблюдать требования безопасности, регламентируемые Межотраслевыми правилами по охране труда (правила безопасности) ПОТ Р М-016-2001 РД 153-34.0-03.150-00, а также требования безопасности, приведенные в руководствах по эксплуатации на применяемое оборудование.
-
4.2 Средства поверки должны быть заземлены гибким медным проводом сечением не менее 4 мм2. Подсоединение зажимов защитного заземления к контуру заземления должно осуществляться ранее других соединений. Отсоединение заземления при разборке измерительной схемы должно производиться после всех отсоединений.
-
4.3 Помещения, предназначенные для поверки, должны удовлетворять требованиям пожарной безопасности по ГОСТ 12.1.004.
-
4.4 Должны быть проведены технические и организационные мероприятия по обеспечению безопасности проводимых работ в соответствии с действующими положениями ГОСТ 12.2.007.0-75 и ГОСТ 12.2.007.3-75.
При проведении поверки должны соблюдаться следующие условия: температура окружающей среды, °C
15-25;
84 - 106;
30 - 80;
атмосферное давление, кПа относительная влажность воздуха, %
6 ПОДГОТОВКА К ПОВЕРКЕ-
6.1 Средства поверки подготавливают к работе согласно указаниям, приведенным в соответствующих эксплуатационных документах.
-
6.2 До проведения поверки поверителю надлежит ознакомиться с эксплуатационной документацией на измеритель и входящих в комплект компонентов.
При проведении внешнего осмотра должно быть установлено соответствие поверяемого измерителя следующим требованиям:
-
- комплектность должна соответствовать данным, приведенным в эксплуатационной документации;
-
- все органы коммутации должны обеспечивать надежность фиксации во всех позициях;
-
- все разъемы, клеммы и измерительные провода не должны иметь повреждений, следов окисления и загрязнений;
-
- маркировка и функциональные надписи должны читаться и восприниматься однозначно;
-
- наружные поверхности корпуса, лицевая панель, разъемы, соединительные кабели и органы управления не должны иметь механических повреждений и деформаций, могущих повлиять на работоспособность измерителя;
При несоответствии по вышеперечисленным позициям измеритель бракуется и поверка прекращается.
7.2 ОпробованиеОпробование измерителя заключается в проверке функционирования индикаторов. Проверку проводят следующим образом: нажимая кнопку «Тест», визуально проверяют наличие следующей индикации:
-
- на 0,5 с включается индикатор "кВ";
-
- на 0,5 с включаются все сегменты 3-х разрядного дисплея;
-
- в течение 1 с отображается напряжение внутреннего источника питания;
-
- отображается служебная константа (используется только для настройки);
-
- отображается "0";
-
- включается индикатор "кВ";
-
- включаются все сегменты дисплея;
-
- напряжение источника находится в пределах от 2.4 В до 3,2 В.
-
- не более чем через 8 сек после нажатия кнопки "Тест" на дисплее отображается "0".
При невыполнении вышеуказанных требований поверка прекращается и измеритель бракуется.
-
7.3 Проверка входного сопротивления постоянному току
-
- подключают мультиметр к измерителю в соответствии с рисунком 1.
Результаты поверки считаются удовлетворительными, если измеренное значение сопротивления постоянному току находится в пределах от 0,45 до 0,55 МОм.
7.3.2 С высоковольтным щупом-
- подключают мультиметр к измерителю в соответствии с рисунком 2.
Результаты поверки считаются удовлетворительными, если измеренное значение сопротивления постоянному току находится в пределах от 12,78 до 15,62 МОм
При невыполнении вышеуказанных требований поверка прекращается и измеритель бракуется.
-
7.4 Определение метрологических характеристик
-
7.4.1 Проверку пределов допускаемой абсолютной погрешности измерений среднеквадратических значений напряжения переменного тока синусоидальной формы номинальной частотой 50 Гц проводят в следующей последовательности:
-
-
- изучают РЭ на поверяемый измеритель и эталонный прибор (калибратор универсальный 9100);
-
- подключают калибратор к измерителю в соответствии с рисунком 1;
Рисунок 1. Схема для проверки метрологических характеристик измерителя без высоковольтного щупа в режиме «до 500 В»
-
- включают измеритель и калибратор;
-
- задают поочередно посредством калибратора при номинальной частоте 50 Гц следующие значения напряжения переменного тока: 0,1; 1; 10; 100; 300; 500 В и фиксируют соответствующие показания измерителя;
-
- выключают измеритель и калибратор согласно их РЭ;
-
- рассчитывают абсолютную погрешность измерений среднеквадратических значений напряжения переменного тока по формуле (1):
A = (1)
где: Ua - значение напряжения переменного тока, подаваемое с калибратора, В; иизм - показание поверяемого измерителя, В.
-
- рассчитывают пределы допускаемой абсолютной погрешности измерений среднеквадратических значений напряжения переменного тока по формуле (2)
±(0,03 иизм+0,002 UK) (2)
где иизм - измеряемое значение напряжения,
UK-конечное значение поддиапазона измерений напряжения (9,99 В; 99,9 В; 500 В).
Результаты поверки считаются удовлетворительными, если погрешность измерений среднеквадратических значений напряжения переменного тока в каждой проверяемой точке находится в пределах, рассчитанных по формуле (2).
При невыполнении вышеуказанных требований поверка прекращается и измеритель бракуется.
4.6.1.2. С высоковольтным щупом-
- изучают РЭ на поверяемый измеритель и эталонный прибор (калибратор универсальный 9100);
-
- подключают калибратор к измерителю (с предварительно подсоединенным высоковольтным щупом) в соответствии с рисунком 2;
Рисунок 2. Схема для проверки метрологических характеристик измерителя с высоковольтным щупом в режиме «до 15 кВ» до 1000 В
-
- включают измеритель и калибратор;
-
- задают поочередно посредством калибратора при номинальной частоте 50 Гц следующие значения напряжения переменного тока: 200; 800; 1000 В и фиксируют соответствующие показания измерителя;
выключают измеритель и калибратор согласно их РЭ;
собирают схему (с предварительно подсоединенным высоковольтным щупом) в
соответствии с рисунком 3;
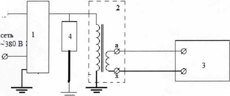
0

-
1- ИВН-500
-
2- Эталонный трансформатор
-
3- Эталонный вольтметр
-
4- Испытываемый измеритель
Рисунок 3. Схема для проверки метрологических характеристик измерителя с высоковольтным щупом в режиме «до 15 кВ» от 1000 В до 15000 В
- с помощью ручки регулирования напряжения на лицевой панели пульта управления устанавливают на поверяемом измерителе поочередно следующие значения напряжения: (3,00±0.02) кВ. (5,00±0.02) кВ. (10,0±0,2) кВ, (15,0±0,2) кВ и фиксируют соответствующие показания измерителя и эталонного вольтметра;
I |
выключают измеритель и эталонные СИ согласно их РЭ; рассчитывают абсолютную погрешность измерений среднеквадратических значений |
напряжения переменного тока по формуле (1);
- рассчитывают пределы допускаемой абсолютной погрешности измерений среднеквадратических значений напряжения переменного тока по формуле (2) где UmM - измеряемое значение напряжения.
UK-конечное значение поддиапазона измерений напряжения (999 В; 9,9 кВ; 15,0 кВ).
Результаты поверки считаются удовлетворительными, если погрешность измерений среднеквадратических значений напряжения переменного тока в каждой проверяемой точке находится в пределах, рассчитанных по формуле (2).
При невыполнении вышеуказанных требований поверка прекращается и измеритель бракуется.
8 ОФОРМЛЕНИЕ РЕЗУЛЬТАТОВ ПОВЕРКИ-
8.1 Положительные результаты поверки удостоверяются знаком поверки (знак поверки наносится на верхнюю часть лицевой панели прибора) и свидетельством о поверке согласно Приказу Минпромторга России №1815 от 2 июля 2015 г. "Об утверждении порядка проведения поверки средств измерений, требования к знаку поверки и содержанию свидетельства о поверке".
-
8.2 При отрицательных результатах свидетельство о поверке аннулируется и выписывается извещение о непригодности к применению.
Ведущий инженер отдела 206.1
ФГУП «ВНИИМС»
Начальник отдела 206.1
ФГУП «ВНИИМС»

Е.Б. Селиванова
В.В. Киселев
9