Руководство по эксплуатации «УСТАНОВКА ДЛЯ РЕГУЛИРОВКИ И ПОВЕРКИ СЧЕТЧИКОВ ЭЛЕКТРИЧЕСКОЙ ЭНЕРГИИ ЦУ6800 » (2.763.004 ТО)
ОКП 42 2271
Группа П38
УСТАНОВКА ДЛЯ РЕГУЛИРОВКИ И ПОВЕРКИ
СЧЕТЧИКОВ ЭЛЕКТРИЧЕСКОЙ ЭНЕРГИИ ЦУ6800
Техническое описание и инструкция по эксплуатации 2.763.004 ТО
1999
СОДЕРЖАНИЕ
Приложение 1. Схемы электрические принципиальные установки
Приложение 2. Описание информации индикаторов
стенда
Приложение 3. Таблицы прожига микросхем
ВВЕДЕНИЕ
-
1.1. Настоящее техническое описание и инструкция по эксплуатации предназначена для изучения установки для регулировки и поверки счетчиков электрической энергии ЦУ6800 и содержит описание ее принципа действия, а также технические характеристики и другие сведения, необходимые для обеспечения полного использования ее технических возможностей.
-
1.2. В настоящем техническом описании и инструкции по эксплуатации приняты следующие обозначения и сокращения:
Установки исполнений ЦУ6800 - установки исполнений ЦУ6800/1, ЦУ6800/2, ЦУ6800/3, ЦУ6800/4, ЦУ6800/5; ЦУ6800/1-Р, ЦУ6800/2-Р, ЦУ6800/3-Р, ЦУ6800/4-Р, ЦУ6800/5-Р;
Установки исполнений ЦУ6800И - установки исполнений ЦУ6800И/1, ЦУ6800И/2, ЦУ6800И/3, ЦУ6800И/4, ЦУ6800И/5, ЦУ6800И/1-Р; ЦУ6800И/2-Р, ЦУ6800И/3-Р, ЦУ6800И/4-Р, ЦУ6800И/5-Р;
АЦП - аналого-цифровой преобразователь;
БА - буфер адреса;
БАЦП - блок аналого-цифрового преобразователя;
ББ - буферный блок;
ББ АЦП - блок буферов АЦП;
БГР - блок гальванической развязки;
БК - блок комбинированный;
БКР - блок компараторов;
БМ - блок мультиплексора;
БОИ - блок обработки информации;
БП - блок питания;
БПМ - блок памяти;
БПР - блок прерываний;
БТ - блок таймера;
БУ - буферное устройство;
БУ АЦП - блок управления АЦП;
БУС - буферный усилитель;
ВФ - входной формирователь;
ВЧ - вычислитель ;
ГТИ - генератор тактовых импульсов;
ДА - дешифратор адреса;
ИОН - источник опорного напряжения;
ИРПС - интерфейс радиальный последовательный ;
Плата - плата измерения токов и напряжений;
МП - микропроцессор;
НП - набор переключателей;
ОЗУ - оперативное запоминающее устройство;
ПЗУ - постоянное запоминающее устройство;
ПКП - программируемый контроллер прерываний;
РПП - регистр последовательного приближения;
РПУ - регулировочно-переключающее устройство.
СК - системный контролер;
УСАПП - универсальный синхронно-асинхронный приемопередатчик;
ФГ - фотоголовка (423141.005-04);
ЦАП - цифро-аналоговый преобразователь;
PWO - счетчик образцовый (счетчик трехфазный ЦЭ6806);
PWX - поверяемый счетчик активной энергии;
РVаrх - поверяемый счетчик реактивной энергии.
-
1.3. Все сведения, приведенные в настоящем техническом описании и инструкции по эксплуатации для установок исполнений ЦУ6800 и ЦУ6800И, распространяется и на установки исполнений ЦУ6800-Р и ЦУ6800И-Р соответственно, если иное не оговорено особо.
-
1.4. Установки ЦУ6800-Р, ЦУ6800И-Р имеют в своем составе блок гальванической развязки, позволяющий проводить испытания однофазных счетчиков с внутренней связью последовательной и параллельной цепей.
-
1.5. В настоящем техническом описании и инструкции по эксплуатации децимальные номера деталей, узлов, блоков, принадлежностей и ЗИП приведены в сокращенном виде - только цифровая часть номера.
-
2. НАЗНАЧЕНИЕ
-
2.1. Установка для регулировки и поверки счетчиков электрической энергии ЦУ6800 (в дальнейшем - установка) предназначена для регулировки и поверки однофазных и трехфазных счетчиков активной энергии, трехфазных счетчиков реактивной энергии, индукционных по ГОСТ 6570-96 и электронных по ГОСТ 26035-83, ГОСТ 30207-94, ГОСТ Р 52320-2005 методом образцового счетчика по ГОСТ 8.259-2004 и для поверки ваттметров и варметров.
-
Совместно с дополнительными образцовыми приборами установки могут также использоваться в схемах поверки амперметров и вольтметров.
-
2.2. Нормальными условиями эксплуатации являются:
температура окружающего воздуха, ° С (20 ± 2);
относительная влажность окружающего воздуха, % 30 - 80;
атмосферное давление, кРа (mm Hg) 84 - 106,7 (630 - 800).
-
3. ТЕХНИЧЕСКИЕ ДАННЫЕ
-
3.1. Основные параметры и размеры
-
3.1.1. Исполнения установок, их обозначения и состав приведены в табл.3.1.
-
3.1.2. Номинальные значения выходных величин фазных напряжений и токов, диапазоны их регулирования соответствуют значениям, приведенным в табл.3.2, 3.3, 3.4.
-
3.1.3. Потребляемая мощность установки не превышает 3000 V*A.
-
-
Мощность, потребляемая стендом, по токовой цепи без нагрузки в каждой фазе не превышает 200 V*А при значении тока 100 А.
Максимальная выходная мощность по цепям напряжения и тока соответствует значениям, приведенным в табл.3.2, 3.3, 3.4.
-
3.1.4. Установка имеет возможность автоматизированной поверки счетчиков.
-
3.1.5. Установка обеспечивает возможность обмена информацией с персональным компьютером (ПК) по каналу интерфейса RS-232.
-
3.1.6. Масса пульта управления не более 310 кд.
Масса стенда не более 65 кд.
Масса блока тока не более 30,2 кд.
Масса блока напряжения не более 30,2 кд..
Масса блока гальванической развязки не более 20 кд.
-
3.1.7. Габаритные размеры не более: пульта управления, mm стенда, mm блока тока, mm
705*1140*1165;
557*1430*1450;
290*440*462;
290*440*462.
153х250х360.
блока напряжения, mm
блока гальванической развязки, mm
Таблица 3.1
Условное обозначение установки |
Исполнение |
Обозначение |
Состав установки |
Код ОКП | ||||||||||
Стенд ДЖЦ5.176.004- |
Пульт управления |
Блок тока |
Блок напряжения |
Блок гальванической |
развязки | |||||||||
01 |
02 |
03 |
04 |
05 | ||||||||||
ЦУ6800/1 |
общепромышленное |
ДЖЦ2.763.004 |
1 |
- |
- |
1 |
42 2271 0277 | |||||||
ЦУ6800/1 Э |
экспортное |
ДЖЦ2.763.004-01 |
- |
1 |
- |
- |
1 |
42 2271 0278 | ||||||
ЦУ6800/1 04.1 |
тропическое |
ДЖЦ2.763.004-02 |
- |
1 |
- |
1 |
42 2271 0279 | |||||||
ЦУ6800/2 |
общепромышленное |
ДЖЦ2.763.004-03 |
1 |
- |
1 |
1 |
42 2271 0137 | |||||||
ЦУ6800/2 Э |
экспортное |
ДЖЦ2.763.004-04 |
- |
1 |
- |
- |
1 |
1 |
42 2271 0138 | |||||
ЦУ6800/2 04.1 |
тропическое |
ДЖЦ2.763.004-05 |
- |
1 |
- |
1 |
1 |
42 2271 0139 | ||||||
ЦУ6800/3 |
общепромышленное |
ДЖЦ2.763.004-06 |
1 |
- |
2 |
- |
1 |
42 2271 0140 | ||||||
ЦУ6800/3 Э |
экспортное |
ДЖЦ2.763.004-07 |
- |
1 |
- |
- |
2 |
- |
1 |
42 2271 0141 | ||||
ЦУ6800/3 04.1 |
тропическое |
ДЖЦ2.763.004-08 |
- |
1 |
- |
2 |
1 |
42 2271 0142 | ||||||
ЦУ6800/4 |
общепромышленное |
ДЖЦ2.763.004-09 |
1 |
- |
3 |
- |
1 |
42 2271 0143 | ||||||
ЦУ6800/4 Э |
экспортное |
ДЖЦ2.763.004-10 |
- |
1 |
- |
- |
3 |
- |
1 |
42 2271 0144 | ||||
ЦУ6800/4 04.1 |
тропическое |
ДЖЦ2.763.004-11 |
- |
1 |
- |
3 |
1 |
42 2271 0145 | ||||||
ЦУ6800/5 |
общепромышленное |
ДЖЦ2.763.004-12 |
1 |
- |
4 |
- |
1 |
42 2271 0146 | ||||||
ЦУ6800/5 Э |
экспортное |
ДЖЦ2.763.004-13 |
- |
1 |
- |
- |
4 |
- |
1 |
42 2271 0147 | ||||
ЦУ6800/5 04.1 |
тропическое |
ДЖЦ2.763.004-14 |
- |
1 |
- |
4 |
1 |
42 2271 0148 |
Продолжение таблицы 3.1
Условное обозначение установки |
Исполнение |
Обозначение |
Состав установки |
Код ОКП | ||||||||||
Стенд ДЖЦ5.176.004- |
Пульт управления |
Блок тока |
Блок напряжения |
Блок гальванической |
развязки | |||||||||
01 |
02 |
03 |
04 |
05 | ||||||||||
ЦУ6800И/1 |
общепромышленное |
ДЖЦ2.763.004-15 |
1 |
- |
- |
- |
1 |
1 |
1 |
42 2271 | ||||
ЦУ6800И/1 Э |
экспортное |
ДЖЦ2.763.004-16 |
- |
1 |
- |
- |
1 |
1 |
1 |
42 2271 | ||||
ЦУ6800И/1 04.1 |
тропическое |
ДЖЦ2.763.004-17 |
- |
- |
1 |
- |
1 |
1 |
1 |
42 2271 | ||||
ЦУ6800И/2 |
общепромышленное |
ДЖЦ2.763.004-18 |
1 |
- |
- |
1 |
1 |
1 |
1 |
42 2271 | ||||
ЦУ6800И/2 Э |
экспортное |
ДЖЦ2.763.004-19 |
- |
1 |
- |
- |
1 |
1 |
1 |
1 |
42 2271 | |||
ЦУ6800И/2 04.1 |
тропическое |
ДЖЦ2.763.004-20 |
- |
- |
1 |
- |
1 |
1 |
1 |
1 |
42 2271 | |||
ЦУ6800И/3 |
общепромышленное |
ДЖЦ2.763.004-21 |
1 |
- |
- |
2 |
- |
1 |
1 |
1 |
42 2271 | |||
ЦУ6800И/3 Э |
экспортное |
ДЖЦ2.763.004-22 |
- |
1 |
- |
- |
2 |
- |
1 |
1 |
1 |
42 2271 | ||
ЦУ6800И/3 04.1 |
тропическое |
ДЖЦ2.763.004-23 |
- |
- |
1 |
- |
2 |
1 |
1 |
1 |
42 2271 | |||
ЦУ6800И/4 |
общепромышленное |
ДЖЦ2.763.004-24 |
1 |
- |
- |
3 |
- |
1 |
1 |
1 |
42 2271 | |||
ЦУ6800И/4 Э |
экспортное |
ДЖЦ2.763.004-25 |
- |
1 |
- |
- |
3 |
- |
1 |
1 |
1 |
42 2271 | ||
ЦУ6800И/4 04.1 |
тропическое |
ДЖЦ2.763.004-26 |
- |
- |
1 |
- |
3 |
1 |
1 |
1 |
42 2271 | |||
ЦУ6800И/5 |
общепромышленное |
ДЖЦ2.763.004-27 |
1 |
- |
- |
4 |
- |
1 |
1 |
1 |
42 2271 | |||
ЦУ6800И/5 Э |
экспортное |
ДЖЦ2.763.004-28 |
- |
1 |
- |
- |
4 |
- |
1 |
1 |
1 |
42 2271 | ||
ЦУ6800И/5 04.1 |
тропическое |
ДЖЦ2.763.004-29 |
- |
- |
1 |
- |
4 |
1 |
1 |
1 |
42 2271 |
Продолжение таблицы 3.1
Условное обозначение установки |
Исполнение |
Обозначение |
Состав установки |
Код ОКП | ||||||||||
Стенд ДЖЦ5.176.004- |
Пульт управления |
Блок тока |
Блок напряжения |
Блок гальванической |
развязки | |||||||||
06 |
07 |
08 |
03 |
04 |
05 | |||||||||
ЦУ6800/1-Р |
общепромышленное |
ДЖЦ2.763.004-30 |
1 |
- |
- |
1 |
1 |
42 2271 | ||||||
ЦУ6800/1-Р Э |
экспортное |
ДЖЦ2.763.004-31 |
1 |
- |
- |
1 |
1 |
42 2271 | ||||||
ЦУ6800/1-Р 04.1 |
тропическое |
ДЖЦ2.763.004-32 |
1 |
- |
- |
1 |
1 |
42 2271 | ||||||
ЦУ6800/2-Р |
общепромышленное |
ДЖЦ2.763.004-33 |
1 |
1 |
1 |
1 |
42 2271 | |||||||
ЦУ6800/2-Р Э |
экспортное |
ДЖЦ2.763.004-34 |
1 |
- |
1 |
1 |
1 |
42 2271 | ||||||
ЦУ6800/2 -Р 04.1 |
тропическое |
ДЖЦ2.763.004-35 |
1 |
- |
1 |
1 |
1 |
42 2271 | ||||||
ЦУ6800/3-Р |
общепромышленное |
ДЖЦ2.763.004-36 |
1 |
2 |
- |
1 |
1 |
42 2271 | ||||||
ЦУ6800/3-Р Э |
экспортное |
ДЖЦ2.763.004-37 |
1 |
- |
2 |
- |
1 |
1 |
42 2271 | |||||
ЦУ6800/3 -Р 04.1 |
тропическое |
ДЖЦ2.763.004-38 |
1 |
- |
2 |
1 |
1 |
42 2271 | ||||||
ЦУ6800/4-Р |
общепромышленное |
ДЖЦ2.763.004-39 |
1 |
3 |
- |
1 |
1 |
42 2271 | ||||||
ЦУ6800/4-Р Э |
экспортное |
ДЖЦ2.763.004-40 |
1 |
- |
3 |
- |
1 |
1 |
42 2271 | |||||
ЦУ6800/4 -Р 04.1 |
тропическое |
ДЖЦ2.763.004-41 |
1 |
- |
3 |
1 |
1 |
42 2271 | ||||||
ЦУ6800/5-Р |
общепромышленное |
ДЖЦ2.763.004-42 |
1 |
4 |
- |
1 |
1 |
42 2271 | ||||||
ЦУ6800/5-Р Э |
экспортное |
ДЖЦ2.763.004-43 |
1 |
- |
4 |
- |
1 |
1 |
42 2271 | |||||
ЦУ6800/5-Р 04.1 |
тропическое |
ДЖЦ2.763.004-44 |
1 |
- |
- |
4 |
1 |
1 |
42 2271 |
Продолжение таблицы 3.1
Условное обозначение установки |
Исполнение |
Обозначение |
Состав установки |
Код ОКП | ||||||||||
Стенд ДЖЦ5.176.004- |
Пульт управления |
Блок тока |
Блок напряжения |
Блок гальванической |
развязки | |||||||||
06 |
07 |
08 |
03 |
04 |
05 | |||||||||
ЦУ6800И/1-Р |
общепромышленное |
ДЖЦ2.763.004-45 |
1 |
- |
- |
- |
1 |
1 |
1 |
1 |
42 2271 | |||
ЦУ6800И/1-Р Э |
экспортное |
ДЖЦ2.763.004-46 |
1 |
- |
- |
- |
1 |
1 |
1 |
1 |
42 2271 | |||
ЦУ6800И/1-Р 04.1 |
тропическое |
ДЖЦ2.763.004-47 |
1 |
- |
1 |
- |
1 |
1 |
1 |
1 |
42 2271 | |||
ЦУ6800И/2-Р |
общепромышленное |
ДЖЦ2.763.004-48 |
1 |
- |
1 |
1 |
1 |
1 |
1 |
42 2271 | ||||
ЦУ6800И/2-Р Э |
экспортное |
ДЖЦ2.763.004-49 |
1 |
- |
- |
1 |
1 |
1 |
1 |
1 |
42 2271 | |||
ЦУ6800И/2-Р 04.1 |
тропическое |
ДЖЦ2.763.004-50 |
1 |
- |
- |
1 |
1 |
1 |
1 |
1 |
42 2271 | |||
ЦУ6800И/3-Р |
общепромышленное |
ДЖЦ2.763.004-51 |
1 |
2 |
1 |
1 |
1 |
1 |
42 2271 | |||||
ЦУ6800И/3-Р Э |
экспортное |
ДЖЦ2.763.004-52 |
1 |
- |
2 |
1 |
1 |
1 |
1 |
42 2271 | ||||
ЦУ6800И/3-Р 04.1 |
тропическое |
ДЖЦ2.763.004-53 |
1 |
- |
2 |
1 |
1 |
1 |
1 |
42 2271 | ||||
ЦУ6800И/4-Р |
общепромышленное |
ДЖЦ2.763.004-54 |
1 |
3 |
1 |
1 |
1 |
1 |
42 2271 | |||||
ЦУ6800И/4-Р Э |
экспортное |
ДЖЦ2.763.004-55 |
1 |
- |
3 |
1 |
1 |
1 |
1 |
42 2271 | ||||
ЦУ6800И/4 -Р 04.1 |
тропическое |
ДЖЦ2.763.004-56 |
1 |
- |
3 |
1 |
1 |
1 |
1 |
42 2271 | ||||
ЦУ6800И/5-Р |
общепромышленное |
ДЖЦ2.763.004-57 |
1 |
4 |
- |
1 |
1 |
1 |
1 |
42 2271 | ||||
ЦУ6800И/5-Р Э |
экспортное |
ДЖЦ2.763.004-58 |
1 |
- |
4 |
- |
1 |
1 |
1 |
42 2271 | ||||
ЦУ6800И/5 -Р 04.1 |
тропическое |
ДЖЦ2.763.004-59 |
1 |
- |
4 |
1 |
1 |
1 |
1 |
42 2271 |
Примечания:
-
1. Установки исполнений ЦУ6800/1, ЦУ6800/2, ЦУ6800/3, ЦУ6800/4, ЦУ6800/5 в дальнейшем - установки исполнений ЦУ6800.
Установки исполнений ЦУ6800И/1, ЦУ6800И/2, ЦУ6800И/3, ЦУ6800И/4, ЦУ6800И/5 в дальнейшем - ус тановки исполнений ЦУ6800И.
Установки исполнений ЦУ6800/1-Р, ЦУ6800/2-Р, ЦУ6800/3-Р, ЦУ6800/4-Р, ЦУ6800/5-Р в дальнейшем - ус тановки исполнений ЦУ6800-Р.
Установки исполнений ЦУ6800И/1-Р, ЦУ6800И/2-Р, ЦУ6800И/3-Р, ЦУ6800И/4-Р, ЦУ6800И/5-Р в дальнейшем - установки исполнений ЦУ6800И-Р.
-
2. Блок гальванической развязки обеспечивает гальваническую развязку выходной цепи напряжения не более чем на трех стендах по каждому из поверочных мест при поверке однофазных счетчиков с внутренней связью между последовательными и параллельными цепями.
-
3. Блок гальванической развязки входи т в состав стендов:
ДЖЦ5.176.004-06, ДЖЦ6.176.004-07, ДЖЦ5.176.004-08.
Таблица 3.2
Условное обозначение установки |
Номинальное значение фазных напряжений, В |
Диапазон регулирования напряжения, В |
Максимальная выходная мощность на фазу, !}• А | |||
при нестабилизи-рованном выходном напряжении |
при стабилизированном выходном напряжении |
при нестабилизи-рованном выходном напряжении |
при стабилизированном выходном напряжении в диапазоне частот, Гц | |||
50 - 100 |
200 - 1000 | |||||
ЦУ6800/1; ЦУ6800/1-Р; |
57,7 |
от 40 до 75 |
- | |||
ЦУ6800/2; ЦУ6800/2-Р; |
127 |
св. 75 до 160 |
- |
200 |
- |
- |
ЦУ6800/3; ЦУ6800/3-Р; |
220 |
св. 130 до 280 |
- | |||
ЦУ6800/4; ЦУ6800/4-Р; ЦУ6800/5; ЦУ6800/5-Р |
380 |
св.220 до 420 |
- | |||
ЦУ6800И/1; ЦУ6800И/1-Р; |
57,7 |
от 40 до 75 |
от 13 до 75 | |||
ЦУ6800И/2; ЦУ6800И/2-Р; |
127 |
св. 75 до 160 |
св. 75 до 160 |
200 |
25 |
17,5 |
ЦУ6800И/3; ЦУ6800И/3-Р; |
220 |
св. 130 до 280 |
св. 130 до 280 | |||
ЦУ6800И/4; ЦУ6800И/4-Р; ЦУ6800И/5; ЦУ6800И/5-Р |
380 |
св.220 до 420 |
св. 220 до 420 |
Примечания:
-
1. Выходная мощность нормируется для номинальных значений напряжения.
-
2. Нестабилизированные выходные напряжения формируются пультом управления. Частота равна частоте сети питания.
-
3. Стабилизированные выходные напряжения формируются блоками напряжения.
-
4. При поверке на установках исполнений ЦУ6800-Р и ЦУ6800И-Р однофазных счетчиков активной энергии и ваттметров с внутренней связью между последовательными и параллельными цепями потребляемая каждым прибором мощность не превышает 12 В^А. При этом разность между потребляемой каждым прибором мощностью и средним значением не превышает 3 В^А.
Таблица 3.3
Условное обозначение установки |
Номинальное значение выход ных фаз ных то ков, А |
Диапазон регулирования тока, А, при поверке счетчиков |
Максимальная выходная мощность на фазу, В • А | |||||
активной энергии |
реактивной энергии |
при нестабили-зированном выходном токе |
при стабилизированном выходном токе в диапазоне частот, Гц | |||||
при нестабили-зированном выходном токе |
при стабилизированном выходном токе |
при нестабили-зированном выходном токе |
при стабилизированном выходном токе | |||||
(50 - 100) |
(200 - 1000) | |||||||
ЦУ6800/1; ЦУ6800/1-Р |
0,5 |
от 0,005 до 0,6 |
- |
от 0,005 до 0,346 |
- |
15 |
- |
- |
ЦУ6800/2; ЦУ6800/2-Р |
1,0 |
св. 0,1 до 1,2 |
- |
св. 0,100 до 0,693 |
- |
40 |
- |
- |
ЦУ6800/3; ЦУ6800/3-Р |
2,5 |
св. 0,25 до 2,8 |
- |
св. 0,250 до 1,617 |
- |
120 |
- |
- |
ЦУ6800/4; ЦУ6800/4-Р |
5,0 |
св. 0,5 до 6,0 |
- |
св. 0,500 до 3,460 |
- |
250 |
- |
- |
ЦУ6800/5 ЦУ6800/5-Р |
10,0 |
св. 1,0 до 12,0 |
- |
св. 1,000 до 6,930 |
- |
160 |
- |
- |
Продолжение табл. 3.3
Условное обозначение установки |
Номинальное значение выходных фазных токов, А |
Диапазон регулирования тока, А, при поверке счетчиков |
Максимальная выходная мощность на фазу, В •А | |||||
активной энергии |
реактивной энергии |
при нестаби-лизирован-ном выходном токе |
при стабилизированном выходном токе в диапазоне частот, Гц | |||||
при неста-били-зированном выходном токе |
при стабили-зи-рованном выходном токе |
при неста-били-зированном выходном токе |
при стаби-лизированном выходном токе | |||||
(50 - 100) |
(200 - 1000) | |||||||
ЦУ6800И/1; |
0,5 |
от 0,005 до |
от 0,005 до |
от 0,005 до |
от 0,005 до |
15 |
8,0 |
6,0 |
ЦУ6800И/1-Р |
0,6 |
0,6 |
0,346 |
0,346 | ||||
ЦУ6800И/2; |
1,0 |
св. 0,1 до 1,2 |
св. 0,1 до 1,2 |
св. 0,100 до |
св. 0,100 до |
40 |
15,0 |
10,0 |
ЦУ6800И/2-Р |
0,693 |
0,693 | ||||||
ЦУ6800И/3; |
2,5 |
св. 0,25 до |
св. 0,25 до |
св. 0,250 до |
св. 0,250 до |
120 |
10,0 |
8,0 |
ЦУ6800И/3-Р |
2,8 |
2,8 |
1,617 |
1,617 | ||||
ЦУ6800И/4; |
5,0 |
св. 0,5 до 6,0 |
св. 0,5 до 6,0 |
св. 0,500 до |
св. 0,500 до |
250 |
10,0 |
8,0 |
ЦУ6800И/4-Р |
3,460 |
3,460 | ||||||
ЦУ6800И/5; |
10,0 |
св. 1,0 до |
св. 1,0 до |
св. 1,000 до |
св. 1,000 до |
160 |
20,0 |
15,0 |
ЦУ6800И/5-Р |
12,0 |
10,0 |
6,930 |
6,930 |
Примечания:
1. Нестабилизированный выходной ток формируется пультом управления установки. Частота тока равна
частоте сети питания.
-
2. Стабилизированный выходной ток формируется блоком тока.
-
3. Выходная мощность нормируется для номинальных значений выходных фазных токов.
-
4. Выходная мощность при стабилизированном выходном токе нормируется для установок исполнений ЦУ6800И/3, ЦУ6800И/4 и ЦУ6800И/5 при двух подключенных по цепям тока стендах
. Таблица 3.4
Условное обо-значе-ние установки |
Номинальное значение выходных фазных токов, А |
Диапазон регулирования нестабилизирован-ного тока, А, при поверке счетчиков |
Максимальная выходная мощность на фазу, В • А при количестве подключенных стендов, равном | |||||
активной энергии |
реактивной энергии |
1 |
2 |
3 |
4 |
5 | ||
ЦУ6800/1; |
20 |
св. 2,00 до 24,00 |
св. 2,00 до 13,86 |
160 |
- |
- | ||
ЦУ6800/1-Р |
50 |
св. 5,00 до 60,00 |
св. 5,00 до 34,60 |
250 |
- |
- | ||
ЦУ6800И/1 ЦУ6800И/1-Р |
100 |
св. 10,00 до 120,00 |
св. 10,00 до 69,38 |
200 |
- |
- | ||
ЦУ6800/2; |
20 |
св. 2,00 до 24,00 |
св. 2,00 до 13,86 |
160 |
150 |
- | ||
ЦУ6800/2-Р; |
50 |
св. 5,00 до 60,00 |
св. 5,00 до 34,60 |
250 |
200 |
- | ||
ЦУ6800И/2 ЦУ6800И/2-Р |
100 |
св. 10,00 до 120,00 |
св. 10,00 до 69,38 |
200 |
- |
- | ||
ЦУ6800/3; |
20 |
св. 2,00 до 24,00 |
св. 2,00 до 13,86 |
160 |
150 |
140 | ||
ЦУ6800/3-Р; |
50 |
св. 5,00 до 60,00 |
св. 5,00 до 34,60 |
250 |
200 |
150 | ||
ЦУ6800И/3 ЦУ6800И/3-Р |
100 |
св. 10,00 до 120,00 |
св. 10,00 до 69,38 |
200 |
- |
- | ||
ЦУ6800/4; |
20 |
св. 2,00 до 24,00 |
св. 2,00 до 13,86 |
160 |
150 |
140 |
130 | |
ЦУ6800/4-Р; |
50 |
св. 5,00 до 60,00 |
св. 5,00 до 34,60 |
250 |
200 |
150 |
100 | |
ЦУ6800И/4 ЦУ6800И/4-Р |
100 |
св. 10,00 до 120,00 |
св. 10,00 до 69,38 |
200 |
- |
- |
- | |
ЦУ6800/5; |
20 |
св. 2,00 до 24,00 |
св. 2,00 до 13,86 |
160 |
150 |
140 |
130 |
120 |
ЦУ6800/5-Р; |
50 |
св. 5,00 до 60,00 |
св. 5,00 до 34,60 |
250 |
200 |
150 |
100 |
50 |
ЦУ6800И/5 ЦУ6800И/5-Р |
100 |
св. 10,00 до 120,00 |
св. 10,00 до 69,38 |
200 |
- |
- |
- |
- |
Примечания:
-
1. Выходная мощность нормируется для номинальных значений выходных фазных токов.
-
2. Нестабилизированный ток формируется пультом управления установки.
-
3.2. Характеристики
-
3.2.1. Основная относительная погрешность измерения напряжения контрольными вольтметрами установки в диапазоне от 40 до 420 V при частоте от 47,5 до 52,5 Hz (от 57 до 63 Hz) не превышает ± 0,5 %.
-
-
1.3.2. Основная относительная погрешность 3^ в процентах, измерения силы тока контрольными амперметрами в диапазоне от 0,005 до 120 А при частоте от 47,5 до 52,5 Hz (от 57 до 63 Hz) не превышает предела допускаемого значе-
ния, определяемого по формуле:


•>
(3.1)
где Xk
- предел измерения тока (0,5; 1,0; 2,5; 5,0; 10,0; 20,0; 50,0; 100,0), А.
Х - текущее значение тока, А.
-
3.2.3. Пределы допускаемых значений основной относительной погрешности измерения энергии и мощности при номинальных фазных напряжениях 57,7; 127; 220 V (100; 220; 380 V линейного напряжения) и в диапазонах частот (47,5 - 52,5) Hz или (57 - 63) Hz не более значений, указанных в табл. 3.5.
При поверке на установках исполнений ЦУ6800-Р и ЦУ6800И-Р однофазных счетчиков активной энергии и ваттметров с внутренней связью между по-
следовательными и параллельными цепями установка допускает проведение измерений по любому из задействованных поверочных мест. При этом нагрузка задействованных поверочных мест удовлетворяет требованиям примечания 4 к таблице 3.2.
-
3.2.4. Дополнительная погрешность измерения тока и напряжения контрольными амперметрами и вольтметрами энергии и мощности при изменении температуры окружающей среды в диапазоне рабочих температур от 10 до 35°С не превышает 0,12% на каждые 10°С изменения температуры.
-
3.2.5. Дискретность регулировки нестабилизированных выходных напряжений установок всех исполнений не более 1 % от установленного значения напряжения. Дискретность регулировки стабилизированных выходных напряжений установок исполнения ЦУ6800И не более 0,1 % от установленного значения напряжения.
Таблица 3.5
Диапазон измерения тока, А |
Поверяемые средства |
Пределы допускаемой основной относительной погрешности, % | ||||||||
при симметричной нагрузке |
при несимметричной нагрузке | |||||||||
0,05 - 120 |
Счетчики активной энергии и ваттметры трехфазные |
± |
0,20+0,15(1- |
cos^) |
± |
'0,25+0,15(1- |
DOS^) | |||
0,05 - 120 |
Счетчики активной энергии и ваттметры однофазные |
± |
0,20+0,20(l- |
cos^) |
] |
± |
0,20+0,20(1- |
cos^) | ||
0,05 - 70 |
Счетчики реактивной энергии и варметры трехфазные |
± |
0,20+0,15(l- |
cos^) |
± |
0,25+0,15(1- |
-cos^ |
5 | ||
0,01 - 0,05 |
Счетчики активной и реактивной энергии трехфазные, ваттметры, варметры |
± |
С0,05 / 0,25+0,15 1 { X } |
± |
0,30-II-2H 0,05 1 . X , |
< / |
Примечания.
1. Х - текущее значение тока, А
2. Предел допускаемого значения основной относительной погрешности измерения энергии и мощности нормируется для следующих значений информа-
тивных параметров выходных сигналов:
- коэффициент мощности (активной и реактивной) 0,5(инд.) - 1,0 - 0,5(емк.) и минус 0,5(инд.) - минус 1,0 - минус 0,5(емк.).
- сила тока от 0,01 до 120 А;
- номинальные значения напряжений 3 • 100, 100/V3V; 3^220, 220/73V;
3^380, 380/V3v.

При этом нагрузка задействованных поверочных мест должна удовле-
творять требованиям примечания 4 к таблице 3.2.
-
3. Диапазон изменения коэффициента мощности оговоренный в примечании 2, достигается в установках исполнений ЦУ6800 при использовании внешнего фазорегулятора или внешнего источника напряжения и тока с регулируемым углом сдвига фаз и в установках исполнений ЦУ6800И при стабилизированном выходном напряжении. Установки исполнений ЦУ6800И при нестабилизирован-ном выходном напряжении и установки исполнений ЦУ6800 без дополнительного оборудования обеспечивают коэффициент мощности в соответствии с п. 3.2.7.
-
3.2.6. Дискретность регулировки нестабилизированных выходных токов установок всех исполнений должна быть не более 1 % от установленного значения в диапазоне регулирования от 0,5 до 120 А и 5 мА при силе тока менее 0,5 А. Дискретность регулировки стабилизированных выходных токов установок исполнения ЦУ6800И не более 0,2 % от установленного значения тока.
-
3.2.7. Номинальные значения устанавливаемого коэффициента мощности установок всех исполнений при нестабилизированных выходных напряжениях и токах 1; 0,8 (емк.); 0,5( инд.).
-
3.2.8. Диапазон изменения угла сдвига фаз между выходным напряжением и током при стабилизированном выходном напряжении установок исполнения ЦУ6800И составляет ± 180 ° при плавности регулировки не хуже 0,01 рад.
-
3.2.9. Коэффициент небаланса стабилизированных междуфазных и фазных напряжений, стабилизированных фазных выходных токов установок исполнений ЦУ6800И не более 2 %. При этом отклонение углов сдвига фаз между вы-
ходными стабилизированными токами и соответствующими стабилизированными фазными напряжениями не отличаются друг от друга более, чем на 2 °.
-
3.2.10. Устанавливаемые номинальные значения частот выходных стабилизированных сигналов установок исполнений ЦУ6800И соответствуют значениям 50, 100, 200, 400, 500, 1000 Hz. Диапазон плавной регулировки частоты должен быть не менее ± 25 % для каждого номинального значения частоты. При значении частоты, соответствующей частоте сети питания предусмотрена возможность синхронизации частот.
-
3.2.11. Форма кривой выходных стабилизированных сигналов установок исполнений ЦУ6800И должна быть синусоидальная с коэффициентом нелинейных искажений не более 2 %.
-
3.2.12. Нестабильность установленных значений стабилизированных выходных сигналов установок исполнений ЦУ6800И в режиме синхронизации и для частот 100, 200, 400, 500 и 1000 Hz в нормальных условиях применения не более ± 0,1 % за 5 min. В области частот (37,5 - 62,5) Hz нестабильность не превышает ± 0,5 %. Изменение выходных стабилизированных сигналов не превышает 0,1 % при изменении напряжения сети питания на каждые 10 %.
-
3.2.13. Время установления рабочего режима не более 1 h.
-
3.2.14. Допустимая продолжительность непрерывной работы установки 8 h при соблюдении правил технического обслуживания и эксплуатации, изложенных в эксплуатационной документации. Время перерыва 2 h. Время установления рабочего режима не входит в продолжительность непрерывной работы.
-
1.3.15. Установки в транспортной таре устойчивы к воздействию температуры окружающего воздуха от минус 50 до 50 °С, воздействию относительной влажности окружающего воздуха 100 % при температуре 20 ° С и атмосферного давления от 84 до 106,7 kPa (630 - 800 mm Hg).
Критерием отказа установок является несоответствие требованиям пп. 3.1.2, 3.2.1. 3.2.2, 3.2.3.
Таблица 3.6
Условное обозначение установки |
Средняя наработка на отказ, h, не менее |
ЦУ6800/1; ЦУ6800/1 Э; ЦУ6800/1 04.1 ЦУ6800/1-Р; ЦУ6800/1-Р Э; ЦУ6800/1-Р 04.1 |
5000 |
ЦУ6800И/1; ЦУ6800И/1 Э; ЦУ6800И/1 04.1 ЦУ6800И/1-Р; ЦУ6800И/1-Р Э; ЦУ6800И/1-Р 04.1 |
5000 |
ЦУ6800/2; ЦУ6800/2 Э; ЦУ6800/2 04.1 ЦУ6800/2-Р; ЦУ6800/2-Р Э; ЦУ6800/2-Р 04.1 |
5000 |
ЦУ6800И/2; ЦУ6800И/2 Э; ЦУ6800И/2 04.1 ЦУ6800И/2-Р; ЦУ6800И/2-Р Э; ЦУ6800И/2-Р 04.1 |
5000 |
ЦУ6800/3; ЦУ6800/3 Э; ЦУ6800/3 04.1 ЦУ6800/3-Р; ЦУ6800/3-Р Э; ЦУ6800/3-Р 04.1 |
3500 |
ЦУ6800И/3; ЦУ6800И/3 Э; ЦУ6800И/3 04.1 ЦУ6800И/3-Р; ЦУ6800И/3-Р Э; ЦУ6800И/3-Р 04.1 |
3500 |
ЦУ6800/4; ЦУ6800/4 Э; ЦУ6800/4 04.1 ЦУ6800/4-Р; ЦУ6800/4-Р Э; ЦУ6800/4-Р 04.1 |
3000 |
ЦУ6800И/4; ЦУ6800И/4 Э; ЦУ6800И/4 04.1 ЦУ6800И/4-Р; ЦУ6800И/4-Р Э; ЦУ6800И/4-Р 04.1 |
3000 |
ЦУ6800/5; ЦУ6800/5 Э; ЦУ6800/5 04.1 ЦУ6800/5-Р; ЦУ6800/5-Р Э; ЦУ6800/5-Р 04.1 |
2500 |
ЦУ6800И/5; ЦУ6800И/5 Э; ЦУ6800И/5 04.1 ЦУ6800И/5-Р; ЦУ6800И/5-Р Э; ЦУ6800И/5-Р 04.1 |
2500 |
1.3.18. Среднее время восстановления работоспособного состояния установок 48 h.
1.3.19. Средний срок службы до списания 10 лет.
-
4. СОСТАВ УСТАНОВКИ И КОМПЛЕКТНОСТЬ
-
4.1. Состав установки приведен в табл.4.1.
-
4.2. Комплект поставки установки соответствует табл.4.1.
-
Таблица 4.1
Обозначение |
Наименование и условное обозначение |
Количество на исполнение |
Приме чание |
ЦУ6800/1...ЦУ6800/5; ЦУ6800И/1...ЦУ6800И/5 ЦУ6800/1-Р...ЦУ6800/5-Р; ЦУ6800И/1-Р...ЦУ6800И/5-Р | |||
Согласно табл.3.1 |
Установка для регулировки и поверки счетчиков электрической энергии ЦУ6800 (одно из исполнений) |
1 шт. | |
ДЖЦ2.763.004 ВЭ |
Ведомость эксплуатационных документов |
1 экз. | |
Комплект эксплуатационных документов согласно ДЖЦ2.763.004 ВЭ |
1 комплект | ||
ДЖЦ2.763.004 И3.2 |
Методика поверки |
1 экз. | |
ДЖЦ2.763.004 РС* |
Руководство по среднему ремонту |
1 экз. | |
ДЖЦ2.763.004 Д7 |
Программа обмена информацией установки ЦУ6800 с ПК |
1 шт. | |
ИНЕС.671111.104 ЭТ |
Этикетка |
3 шт. | |
ИНЕС.442293.009 И |
Инструкция по эксплуатации фотоголовки ИНЕС.423141.005 |
1 экз. | |
Комплект запасных частей, инструмента и принадлежностей согласно приложению 1 формуляра |
1 комплект |
Примечание. * - поставка по отдельному заказу.
18к
-
5. УКАЗАНИЕ МЕР БЕЗОПАСНОСТИ
-
5.3. Помещение, предназначенное для эксплуатации установки, должно быть оборудовано шиной защитного заземления и удовлетворять требованиям противопожарной безопасности.
-
5.4. Перед началом работы проверить надежность подключения внешних шин защитного заземления к зажимам защитного заземления установки.
-
5.5. Подключение и отключение поверяемых приборов проводить, только при отключенных выходных напряжениях и выходных токах. Контроль отключения токов и напряжений проводить с помощью контрольных амперметров и вольтметров, расположенных на передней панели пульта управления установки.
-
5.6. При включенной установке работать только с органами управления, расположенными на передних панелях.
Любую коммутацию (изменение схем включения образцового счетчика, изменение выходных сигналов с нестабилизированных, на стабилизированные и обратно, подключение и отключение БГР и др.) производить только после выключения питания входящих в комплект блоков и установки.
-
5.7. В процессе устранения неисправностей и настройки воспрещается проводить смену деталей, узлов и блоков под напряжением.
Воспрещается оставлять без надзора установку под напряжением.
-
5.8. Лица, допущенные к работе, должны проходить ежегодно проверку знаний по технике безопасности.
-
5.9. Электрическая изоляция между потенциальными и токовыми цепями установки, подходящими к поверяемым счетчикам, а также между указанными цепями и корпусом установки в нормальных условиях (п.2.2) выдерживает в течение 1 min напряжение переменного тока практически синусоидальной формы, частотой 50 Hz, среднеквадратическое значение которого равно 2 kV.
-
5.10. Электрическая изоляция между фазными цепями сетевого кабеля питания и корпусом установки выдерживает в течение 1 min напряжение переменного тока практически синусоидальной формы, частотой 50 Hz, среднекварда-тическое значение которого равно 1,5 kV.
-
5.11. Электрическое сопротивление изоляции в нормальных условиях (п.2.2) между силовыми цепями и корпусом установки составляет не менее
20 МО .
-
5.12. Электрическое сопротивление защитного заземления между зажи-
мом и корпусом установки составляет не более 0,5 О .
-
5.13. Ток утечки не более 0,7 mA (пиковое значение).
-
6. УСТРОЙСТВО И РАБОТА УСТАНОВКИ
-
6.1. Конструкция установки
-
6.1.1. Конструктивно установки исполнений ЦУ6800/1, ЦУ6800/2, ЦУ6800/3, ЦУ6800/4 и ЦУ6800/5 (в дальнейшем - установки исполнений ЦУ6800), ЦУ6800/1-Р, ЦУ6800/2-Р, ЦУ6800/3-Р, ЦУ6800/4-Р и ЦУ6800/5-Р (в дальнейшем -установки исполнений ЦУ6800-Р) состоят из пульта управления и стендов. Количество стендов, входящих в установку, определяется ее исполнением (см. табл.3.1).
-
-
Конструкция пульта управления установок исполнения ЦУ6800 приведена на рис.6.1. Корпус пульта управления состоит из сварных деталей основания, станины, стола, панели и крышки. Основание, станина, стол, панель, крышка соединены между собой винтовыми соединениями.
Корпус сзади имеет съемную дверь с вентиляционными отверстиями.
В верхней части пульта управления расположены автотрансформаторы, трансформаторы, модули измерения тока и напряжения и индикации.
В средней части пульта управления (столе) расположено коммутирующее устройство для выбора пределов измерения, переключатель фаз образцового счетчика и контактные зажимы для подключения образцового и поверяемого приборов при использовании установки в схемах поверки амперметров и вольтметров. Левая часть стола выполнена под установку счетчика образцового, позволяющая свободно установить счетчик в вертикальное положение в момент переключения зажимов. В правой части стола расположены разъемы и контактные зажимы для подключения пульта управления к стенду.
В нижней части пульта управления (станине) расположены трансформаторы в количестве 12 штук и трансформаторы тока масштабирующие в количестве 3 штук.
В левой станине закреплены два разъема для подключения стабилизированных источников трехфазного питания и разъем для подключения внешнего фазорегулятора. На боковой поверхности левой части станины расположены сетевой выключатель и разъемы сетевого напряжения. На боковой поверхности правой части станины расположены выключатели U1, U2, U3. Выключатели обеспечивают раздельное отключение измерительных цепей напряжения.
Передняя панель пульта управления приведена на рис.6.2.
-
6.1.2. Конструктивно установки исполнений ЦУ6800И/1, ЦУ6800И/2, ЦУ6800И/3, ЦУ6800И/4 и ЦУ6800И/5 (в дальнейшем - установки исполнений ЦУ6800И), установки исполнений ЦУ6800И/1-Р, ЦУ6800И/2-Р, ЦУ6800И/3-Р, ЦУ6800И/4-Р и ЦУ6800И/5-Р (в дальнейшем - установки исполнений ЦУ6800И-Р) состоят из пульта управления, блоков напряжения и тока и стендов. Количество стендов, входящих в установку, определяется ее исполнением (см. табл.3.1).
Конструктивно пульт управления установок исполнения ЦУ6800И аналогичен пульту управления установок исполнения ЦУ6800, но дополнен рамой для размещения блоков напряжения и тока. Рама размещена на верхней крышке пульта управления.
Конструкция пульта управления установок исполнений ЦУ6800И приведена на рис.6.3.
-
6.1.3. Конструкция стенда
Конструктивно стенд установок исполнения ЦУ6800 и ЦУ6800И выполнен передвижной рамой со столешницей.
На раме размещены шесть поворотных панелей с контактирующими устройствами и фотоголовками (ФГ) и три блока обработки информации (БОИ).
В столешнице расположены блок комбинированный (БК), кабели с разъемами и контактные зажимы для электрического соединения стенда с пультом управления и стенда со стендом.
Поворотная панель поворачивается на угол ± 30 ° с фиксацией через 30 ° .
Поворотная панель состоит из панели, механизмов подвески и перемещения счетчика, коммутатора, рассчитанного на подключение однофазных и трехфазных счетчиков, ФГ и механизма ее перемещения.
На лицевой стороне поворотной панели (рис.6.4) расположены гнезда для подключения поверяемого счетчика.
Высота стенда регулируется установкой или снятием опоры ИНЕС.301322.008.

Рис. 6.2
Блок напряжения
Блок тока

Рис. 6.3

На лицевой панели БОИ (рис.6.5), рассчитанной для обслуживания двух счетчиков, расположены:
две ручки НАСТРОЙКА ФГ, с соответствующей световой индикацией, расположенной над ними;
два разъема ФГ для подключения фотоголовки или импульсных выходов (телеметрии) поверяемых счетчиков;
цифровой индикатор;
две кнопки СБРОС.
Внутри БОИ расположена плата. На кожухе БОИ имеется разъем для связи с

На лицевой панели БК (рис.6.6) расположены:
кнопки СБРОС, АКТ , ТЕСТ, СЕТЬ;
|РЕАКТ
номерные переключатели ПОСТОЯННАЯ ПОВЕРЯЕМОГО СЧЕТЧИКА, N, КОЛИЧЕСТВО ОБОРОТОВ для набора постоянной поверяемого счетчика и количества оборотов.
Внутри БК расположены блок вычисления и блок питания (БП). Связь между функциональными блоками осуществляется жгутами, расположенными внутри рамы и столешницы.
На боковой панели стенда исполнений ДЖЦ5.176.004; -01; -02 расположен разъем RS-232, стендов исполнений ДЖЦ5.176.004-03; -04; -05 - закрытое крышкой отверстие для набора адреса стенда.
Параметры постоянной
поверяемого счетчика | ||
КНАТ | ||
N |
Количество | |
оборотов | ||
О |
О О О- |
СБРОС АКТ ТЕСТ СЕТЬ Г РЕАКТ
Рис. 6.6
-
6.1.4. Стенды установок исполнений ЦУ6800-Р, ЦУ6800И-Р, состоят из стенда и закрепляемого под столешницей ближнего к пульту управления стенда блока гальванической развязки.
Конструктивно стенды установок исполнений ЦУ6800-Р и ЦУ6800И-Р аналогичны стендам установок ЦУ6800 и ЦУ6800И.
-
6.2. Принцип действия
-
6.2.1. Принцип действия установки заключается в следующем: питание последовательных и параллельных цепей поверяемых приборов осуществляется изолированными, но синхронизированными друг с другом источниками тока и напряжения. Показания поверяемых приборов сравниваются с показаниями образцового счетчика с помощью вычислительной части установки. Динамический диапазон образцового счетчика по току расширяется с помощью масштабирующих трансформаторов тока.
-
Выходные нестабилизированные сигналы установок всех исполнений формируются с помощью трансформаторов и автотрансформаторов (в том числе регулируемых). Выходные стабилизированные сигналы установок исполнений ЦУ6800И и ЦУ6800И-Р формируются с помощью стабилизированных трехфазных источников тока и напряжения (блок тока и блок напряжения).
Гальваническая развязка параллельных цепей в однофазном режиме осуществляется блоком гальванической развязки.
Схема электрическая принципиальная установки приведена в приложении 1 на рис.1.
Структурная схема установок всех исполнений при нестабилизированных выходных сигналах приведена на рис.6.7.
Структурная схема установки при нестабилизированных выходных сигналах
Блок гальванической развязки
Пульт |
Стенд |
Стенд |
Стенд |
Стенд |
Стенд | |||||
управления |
1 |
— |
— |
— |
— | |||||
-1 1 |
2 |
3 |
4 |
5 |
I I I
I
I I I
I
I I I
I
I I I
I
Рис.6.7
Структурная схема установок исполнений ЦУ6800И, ЦУ6800И-Р
при стабилизированных выходных сигналах

Рис.6.8
Переключение установок исполнений ЦУ6800И, ЦУ6800И-Р в режим работы со стабилизированными выходными сигналами производится путем подключения к пульту управления блоков напряжения и токов. Для установок исполнений ЦУ6800И/3, ЦУ6800И/4, ЦУ6800И/5, ЦУ6800И/3-Р, ЦУ6800И/4-Р, ЦУ6800И/5-Р дополнительно к этому необходимо оставить подключенными по цепям тока не более двух стендов путем установки вилки штепсельной 6.605.007 на первый или второй стенд и отключением цепей тока остальных стендов.
Подключение блоков напряжения и тока производится с помощью кабелей, входящих в комплект ЗИП установки, к разъемам “НАПРЯЖЕНИЕ” и “ТОК” после снятия заглушек. При этом часть пульта управления, предназначенная для формирования выходных нестабилизированных напряжений и выходных нестабилизирован-ных токов до 10 А исключается из работы и выходными являются выходные стабилизированные сигналы блоков напряжения и тока. При переключении коммутирующих
переключателей “ДИАПАЗОН ТОКА”, на пределы 20, 50 и 100 А выходным становится нестабилизированный ток, формируемый пультом управления.
-
6.2.2. Пульт управления предназначен для получения требуемых нестаби-лизированных выходных сигналов, а также для измерения токов, напряжений, мощности и энергии. Структурная схема пульта управления приведена на рис.6.9.
Пульт управления содержит регулировочно-переключающие устройства (РПУ), модуль измерения токов и напряжения (Плата), счетчик образцовый (PWo)
Структурная схема пульта управления

220/380 V
Рис.6.9
-
6.2.3. Структурная схема стенда приведена на рис.6.10.
На каждое рабочее место, предназначенное для подключения поверяемых счетчиков (PWX) приходят напряжения и токи с пульта управления. Каждый оборот диска РWХ при подключенной ФГ воспринимается ею и преобразуется в импульсную последовательность. При поверке электронных счетчиков их телеметрические выходы подключаются к БОИ непосредственно. В БОИ импульсы усиливаются и формируются для дальнейшей обработки их в БК, на который приходит с РWО сигнал с частотой, пропорциональной мощности, подаваемой на РWХ. В БК происходит вычисление погрешности Р W Х и индикации ее на цифровом табло БОИ.
При поверке однофазных счетчиков с внутренней связью последовательной и параллельной цепей для гальванической развязки параллельных цепей на поверочных местах, к стенду подключен БГР.
Структурная схема стенда

I I
I I
I I
U - - ---------- 1
Рис.6.10
7. УСТРОЙСТВО И РАБОТА СОСТАВНЫХ ЧАСТЕЙ УСТАНОВКИ
-
7.1. Работа составных частей пульта управления
-
7.1.1. РПУ
Работа РПУ поясняется схемой электрической принципиальной в приложении 1 на рис.6.
Напряжение питания сети через сетевую вилку Х1 подается на выключатель SF1, осуществляющий включение всего пульта управления.
Каждая цепь напряжения выполнена по одной и той же схеме и включает развязывающий трансформатор Т1 (Т2, Т3), автотрансформатор Т8 (Т9, Т10), обеспечивающий плавную регулировку выходного фазного напряжения, трансформатор Т14 (Т15, Т16), секционированный для получения различных номинальных значений напряжения. Трансформатор Т13 является датчиком тока перегрузки по цепи напряжения.
Переключателями S1...S3 устанавливают требуемый коэффициент мощности - 1; 0,8(емк.); 0,5(инд.).
С помощью переключателя S4 включаются цепи напряжения. Трансформаторы Т4, Т6, Т11 предназначены для согласования уровней входных напряжений измерительных цепей с выходными фазными напряжениями пульта управления.
Переключателем S5 устанавливают предел номинальных значений выходных фазных напряжений.
Каждая цепь тока выполнена по одной и той же схеме и включает автотрансформатор Т20 (Т21, Т22), обеспечивающий плавную регулировку выходного тока, трансформатор Т17 (Т18, Т19), секционированной для получения необходимых значений тока при разных нагрузках.
Трансформатор Т23 (Т24, Т25) является преобразователем напряжение-ток. Трансформатор тока Т26 (Т27, Т28) предназначен для масштабного преобразования тока в цепи тока.
Трансформаторы Т5, Т7, Т12 предназначены для формирования входного напряжения платы, пропорционального входному току.
Цепи нестабилизированного тока разных фаз изолированы друг от друга и от цепи напряжения. При работе с конкретным типом поверяемых приборов допускается соединения цепей тока между собой и с цепью напряжения в соответствии с указаниями нормативно-технической документации на этот тип приборов (см. примечание 3 к п. 9.2).
Переключатели S6, S7 обеспечивают регулировку угла сдвига фаз между током и напряжением.
Переключатель S8 обеспечивает ступенчатую регулировку выходного тока.
Выключение цепи тока осуществляется штеккером Х5 (Х6, Х7). Переключение пределов измеряемого тока осуществляется штеккером Х32 (Х33, Х34), Одновременно с включением пределов измеряемого тока штеккером Х32 включается один из переключателей S9...S15, что обеспечивает определение этого предела платой.
Через разъемы Х35, Х40, контактные зажимы Х73...Х76 осуществляется соединение пульта управления и стендов.
Переключатель S16 обеспечивает переключение фаз образцового счетчика при изменении схемы поверки однофазных и трехфазных счетчиков.
Счетчик образцовый подключается к зажимам Х45-Х57, Х77-Х79 через разъемы Х36, Х38 подключаются блоки тока и напряжения в установках исполнений ЦУ6800И. Через разъем Х59 можно подключить внешний фазовращатель.
При подключении блока напряжения к разъему Х38 после снятия заглушки “НАПРЯЖЕНИЕ” выход части пульта управления, служащей для формирования выходных нестабилизированных напряжений отключается от цепей измерения напряжения и параллельных цепей поверяемых счетчиков.
Выходные сигналы блока напряжения при этом подаются на вход масштабирующих трансформаторов Т4, Т6, Т11, на параллельные цепи образцового и поверяемых счетчиков. Переключение пределов измерения напряжения переключателем “НАПРЯЖЕНИЕ ФАЗНОЕ, V” пульта управления и изменение уровня выходного сигнала блока напряжения органами его управления (переключателем “ВЫХОДНОЕ НАПРЯЖЕНИЕ ФАЗНОЕ, V” и ручкой “^”) производится независимо друг от друга, что необходимо учитывать при работе.
При подключении блока тока к разъему Х36 после снятия заглушки “ТОК” выход части пульта управления, служащей для формирования выходных нестабилизированных токов силой от 0,005 до 12 А (номинальные значения пределов 0,5; 1,0; 2,5; 5,0; 10,0 А) отключается от цепей измерения тока и последовательных цепей поверяемых счетчиков. Выходные сигналы блока тока при этом подаются на первичные обмотки масштабирующих трансформаторов тока Т26, Т27, Т28 и на последовательные цепи поверяемых счетчиков. Переключение пределов измерения тока коммутирующими переключателями “ДИАПАЗОН ТОКА I1”, “ДИАПАЗОН ТОКА I2”, “ДИАПАЗОН ТОКА I3” пульта управления и изменение уровня выходного сигнала блока тока органами его управления (переключателем “ВЫХОДНОЙ ТОК, А” и ручкой “^^“) производится независимо друг от друга.
При включении пределов выходного тока 20, 50 или 100 А выход блока тока отключается от установки и питание цепей тока производится нестабили-зированным током.
На розетки Х41...Х44 поступает переменное напряжение 220 V.
-
7.1.2. Плата
Плата предназначена для измерения по трем каналам напряжения и тока с номинальной частотой 50 Нг или 60 Нг. Работа платы поясняется схемой электрической принципиальной в приложении 1 на рис.7. Источник питания платы подключается на прямую к фазе А кабеля сетевого установки ЦУ6800. Включение питания платы производится отдельным выключателем СЕТЬ, расположенным рядом с индикатором напряжения.
-
7.1.3. БП
Работа БП поясняется схемой электрической принципиальной в приложении 1 на рис.9.
БП представляет собой источник питания с понижающим трансформатором на входе.
Напряжение, снимаемое с вторичных обмоток трансформатора Т1 выпрямляется и поступает на сглаживающие фильтры. Выходные напряжения БП стабилизированы интегральными стабилизаторами. .
7.2. Работа составных частей стенда
7.2.1. Схема электрическая принципиальная стенда приведена в приложении 1 на рис.10.
7.2.2. ФГ ИНЕС.423141.005-04
ФГ представляет собой конструктивный узел, содержащий источник и приемники видимого спектра излучения. Сигнал излучается диодом, а отраженный от диска счетчика сигнал принимается фототранзистором и поступает на БОИ.
-
7.2.3. БОИ
Работа БОИ поясняется схемой электрической принципиальной, приведенной в приложении 1 на рис.12.
-
7.2.4. БК
БК предназначен для приема информации с поверяемых счетчиков и пульта управления, арифметической и логической обработки ее и выдачи результатов поверки на табло, а также для задания режимов поверки.
Схема электрическая принципиальная БК представлена в приложении 1 на рис.13.
БК состоит из следующих узлов;
набора переключателей (НП);
БП;
вычислителя (ВЧ);
НП предназначен для задания следующих режимов:
установки в исходное состояние (переключатель S1 СБРОС); тестирования ВЧ (переключатель S3 ТЕСТ);
задания вида электрической энергии: активной или реактивной (переключатель S4);
задания количества оборотов поверяемых счетчиков (переключатель S5); задания постоянной поверяемых счетчиков (переключатели S6 ,S7).
ВЧ предназначен для приема и преобразования входных сигналов, логической и арифметической обработки информации и выдачи результатов вычисления на внешние устройства.
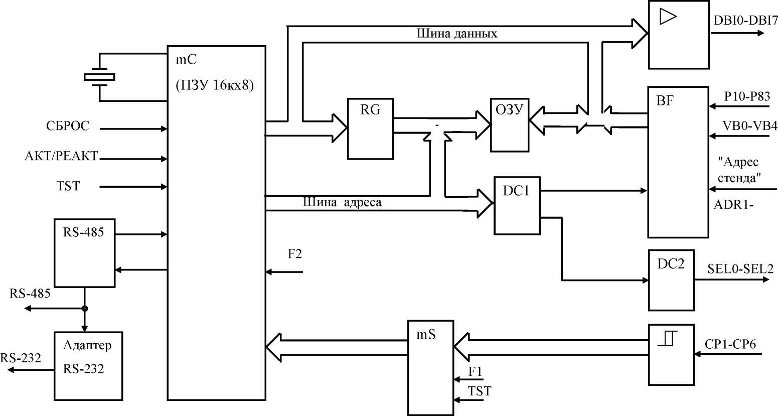
Работа ВЧ поясняется схемой электрической принципиальной, приведенной в приложении 1 на рис.14 и структурной схемой, представленной на рис.7.3.
ВЧ состоит из следующих узлов:
mC - микроконтроллера;
RG- регистра адреса;
ОЗУ - оперативного запоминающего устройства;
DC1, DC2 - дешифраторов адреса;
BF - буферных формирователей;
> - усилителя;
Л - триггерных формирователей;
RS485 - блока интерфейса RS485
адаптера - RS-232.
mC (D14) - предназначен для управления передачей данных формирования управляющих сигналов, обработки сигналов образцового и поверяемых счетчиков, арифметической и логической обработки информации, поступающей в ВЧ.
В состав mC входит ПЗУ объемом 16 к х 8 для хранения кода программ, матрица программируемых счетчиков (настроенная для фиксации по обоим фронтам) для измерения частоты поверяемых счетчиков (с 1 по 5).
2.763.004 ТО

Адаптер RS-232 входит в состав вычислителя стенда № 1
Рис. 7.3
Для измерения частоты 6-го счетчика используется вход INTO. При этом формирование импульсов по обоим фронтам выполняется с помощью микросхемы D12. Частота образцового счетчика измеряется с помощью второго таймера. Порты Р3.3, Р1.0 настроены на прием сигналов TST и A/R соответственно, а Р3.4 построен на вывод - для формирования сигнала, переключающего ВЧ для работы с ПК.
ОЗУ (D19) используется для увеличения объема внутренней оперативной памяти.
Младший разряд адреса А0-А7 фиксируется регистром RG (D16). Разряды А8 - А13 формируются самим тС.
Для формирования управляющих сигналов из шины адреса используется дешифратор DC1 (D20), а для внешних сигналов SEL0-SEL12 - дешифратор DC2 (D10). После усиления (D18) эти сигналы поступают на выход ВЧ.
Сигналы шины данных усиливаются буферным формирователем D17.
Буферные формирователи D4-D7 предназначены для приема входных сигналов Р10-Р83, а D11 - для приема сигнала пределов U и I и кода адреса стенда, набираемого джамперами Х4, Х5.
На триггерах Шмитта D2, D3 собраны формирователи сигналов с образцового и поверяемых счетчиков, а на микросхеме D1 - схема блокировки сигналов СБРОС и ТЕСТ при совместной работе с ПК.
Мультиплексоры D8 и D9 служат для подачи тестовой частоты (F1 от образцового счетчика) вместо частоты от поверяемых счетчиков в режиме ТЕСТ.
Интерфейс RS485 организован с помощью микросхемы D13 и сигналов тС, RXD, TXD и сигналом управления направлением передачи - RTS. Линия связи RS+ , RS- объединяет все вычислители установки.
Для связи с ПК используется адаптер RS485 и интерфейс RS-232 выполненный на микросхемах D21, D23, который монтируется в одном из вычислителей установки (стенд №1).
Оптроны и преобразователь DC/DC (D23) предназначены для гальванической развязки сигналов интерфейса.
-
7.3. Работа блоков напряжения и тока
-
7.3.1. Работа блоков напряжения и тока, входящих в состав установок исполнений ЦУ6800И, поясняется в эксплуатационной документации на названные блоки.
ВНИМАНИЕ! При работе с блоком напряжения включать три фазы. Включение одной или двух фаз не допускается.
-
7.4. Блок гальванической развязки
-
7.4.1. БГР предназначен для изоляции параллельных цепей одновременно испытуемых однофазных счетчиков с внутренней гальванической связью параллельной и последовательной цепи (с шунтом в цепи тока).
Схема электрическая принципиальная приведена в приложении 1 (на рисунке ).
БГР представляет собой многообмоточный трансформатор с калиброванными между собой вторичными обмотками.
-
7.4.2. Входное напряжение третьей фазы с пульта управления через разъем Х1 «Стенд 1» подается на первичную обмотку трансформатора. Со вторичных обмоток изолированные напряжения подаются на рабочие места по третьей фазе трех стендов через разъемы Х1, Х2, Х3 соответственно.
БГР подключается к стендам вместо заглушки «БГР» ( см. стенд схема электрическая принципиальная).
БГР крепится на ближайшем к ПУ стенде и подключается к нему разъемом Х1 «Стенд 1». Разъем Х2 «Стенд 2» и Х3 «Стенд 3» подключаются соответственно ко второму и третьему стенду соответственно, если они присутствуют в данном исполнении.
Переключателями S1 «Стенд» и S2 «Место» выбираются стенд и рабочее место, по которому осуществляется контроль напряжения и мощности.
При работе без БГР заглушка «БГР» соединяет параллельно цепи напряжения стенда по третьей фазе.
8. МОНТАЖ УСТАНОВКИ
-
8.1. Распаковывание, монтаж и запуск установки на месте эксплуатации производится представителями предприятия-изготовителя или представителями уполномоченных на то специализированных организаций по отдельному договору с отметкой в соответствующем разделе формуляра. В случае распаковывания, монтажа или запуска установки потребителем самостоятельно или силами сторонних организаций, не уполномоченных на проведение данной работы, предприятие-изготовитель снимает с себя гарантийные обязательства.
-
8.2. При распаковывании выполните следующие операции:
проверьте комплектность установки на соответствие изложенному в формуляре;
произведите расконсервацию установки (вскройте ящики, разрежьте чехлы, освободите составные части от креплений и стружки или бумаги, срежьте мешки с силикагелем). Рекомендуемое расположение установки приведено на рис. 8.1 а.
-
8.3. Монтаж установок исполнений ЦУ6800/1, ЦУ6800/2, ЦУ6800/3, ЦУ6800/4, ЦУ6800/5.
-
8.3.1. Произведите внешний осмотр установки.
-
8.3.2. Проверьте комплектность установки и выдержите ее в рабочих условиях в течение 2 h.
-
8.3.3. Отвернув винты, снимите задние стенки для доступа в монтажный отсек пульта управления.
-
8.3.4. Установите на своем рабочем месте счетчик образцовый, трансформаторы тока (см. рис.6.1) и произведите необходимые соединения согласно принципиальной схемы, приведенной в приложении 1 на рис.6.
Примечание. Образцовый счетчик должен быть включен на пределе измерения тока 1 А.
-
8.3.5. Закрепите задние стенки на пульте управления.
-
8.3.6. Соедините пульт со стендами согласно принципиальной схемы приведенной в приложении 1 на рис.1.
Рекомендуемое расположение установки
ЦУ6800/1 - ЦУ6800/5 и ЦУ6800И/1 - ЦУ6800И/5

800
Рис. 8.1 а
-
8.3.7. Ознакомьтесь с расположением органов управления и регулирования.
8.3.8. Соедините зажимы
пульта управления, образцового счет-
чика и стендов с защитным заземлением.
-
8.3.9. Ручки U1, U2, U3, I1, I2, I3, переключатель
ТОК ГРУБО установите в крайнее левое положение.
-
8.3.10. Убедитесь, что сетевой выключатель установки находится в положении “0”.
-
8.3.11. Переключатели COS ф, SIN ф, МНОЖИТЕЛЬ установите в положение “1”, переключатель РЕЖИМ РАБОТЫ - в положение "ОТКЛ", переключатель "Pwo UAUBUC" - в положение "3Ф".
Замкните штеккерами 5.289.011, входящими в комплект ЗИП, гнезда "ВКЛ" коммутирующих переключателей ДИАПАЗОН ТОКА I1, ДИАПАЗОН ТОКА I2, ДИАПАЗОН ТОКА I3 на пульте управления.
На рабочих местах стенда замкните штеккерами 5.289.011, входящими в комплект ЗИП, гнезда "I1", "I2", "I3" каждого места подключения поверяемого счетчика.
Проверьте наличие и надежность фиксации положения заглушек "ТОК", "НАПРЯЖЕНИЕ" и "Вход U1U2U3 ", расположенных под столешницей пульта управления и заглушки "БГР", расположенной с правого бока на каждом стенде.
-
8.3.12. Включите сетевую вилку установки в сеть 220/380 V. Порядок чередования фаз в сети 220/380 V-должен быть прямым.
-
8.3.13. Включите вилку сетевого питания образцового счетчика в розетку
"220 V, 50 Hz", расположенную на пульте управления. Зажимы ± и образцово
го счетчика заземлить.
-
8.3.14. Нажмите кнопку Р1 в счетчике образцовом.
-
8.3.15. Для обеспечения устойчивой работы фотосчитывающих устройств обеспечьте следующие условия:
дневной свет должен быть рассеянным и не давать бликов, для чего на окнах должны быть шторы, желательно расположение окон с северной стороны;
та;
обслуживающему персоналу работать в темной одежде;
освещенность рабочей зоны во время работы фотосчитывающих устройств ИНЕС.423141.005-04 не должна превышать 20 лк.
Для стационарного размещения стендов установите 4 регулируемые опоры комплекта ЗИП. Для изменения высоты установки установите в полозья стенда опору, а затем закрепите опоры из ЗИП.
-
8.4. Монтаж установок исполнений ЦУ6800И/1, ЦУ6800И/2, ЦУ6800И/3, ЦУ6800И/4, ЦУ6800И/5.
-
8.4.1. Произведите внешний осмотр пульта управления, стендов и блоков напряжения и тока.
-
8.4.2. Проверьте комплектность установки и выдержите ее в рабочих условиях в течение 2 h.
-
8.4.3. Отвернув винты, снимите задние стенки для доступа в монтажный отсек пульта управления.
-
8.4.4. На крышке пульта управления в соответствие с рис.6.3 закрепите рамы для фиксации положения блоков напряжения и тока.
Установите на свои рабочие места образцовый счетчик, трансформаторы тока, частотомер С300-М1, блоки напряжения и тока. Образцовый счетчик и частотомер должны быть закреплены с помощью крепежа, входящего в комплект поставки.
Зажимы ± и образцового счетчика заземлить.
Произведите необходимые соединения согласно принципиальной схемы, приведенной в приложении 1 на рис.6.
Примечание. Образцовый счетчик должен быть включен на пределе измерения тока 1 А.
-
8.4.5. Закрепите задние стенки на пульте управления.
-
8.4.6. Соедините пульт со стендами согласно принципиальной схеме, приведенной в приложении 1 на рис.1.
-
8.4.7. Ознакомьтесь с расположением органов управления и регулирования пульта управления, стендов, образцового счетчика, блоков напряжения и тока.
-
8.4.8. Соедините зажимы защитного заземления пульта управления, стендов, образцового счетчика, блоков напряжения и тока с шиной защитного заземления.
-
8.4.9. Ручки плавной регулировки выходного напряжения и тока на пульте управления и блоков напряжения и тока установите в крайнее левое положение.
Переключатель ТОК ГРУБО пульта управления установите в крайнее левое положение, переключатель НАПРЯЖЕНИЕ ФАЗНОЕ, V - в положение “57”, коммутирующие переключатели ДИАПАЗОН ТОКА I1, ДИАПАЗОН ТОКА I2, ДИАПАЗОН ТОКА I3 - в положение “5”.
Переключатель ВЫХОДНОЕ НАПРЯЖЕНИЕ ФАЗНОЕ, V блока напряжения установите в положение “70”, переключатель ВЫХОДНОЙ ТОК, А блока тока - в положение “5”.
Проконтролируйте положение переключателей ВКЛЮЧЕНИЕ ФАЗ 1, 2, 3 блоков напряжения и тока. Они должны быть отжаты.
Переключатели ЧАСТОТА, Hz блоков напряжения и тока установите в положение “50”, ручки плавной регулировки частоты “^^” установите в среднее положение.
-
8.4.10. Убедитесь, что сетевой выключатель установки находится в положении “0”.
-
8.4.11. Переключатели СОS ф , SIN ф , МНОЖИТЕЛЬ установите в положение “1”, переключатель РЕЖИМ РАБОТЫ - в положение “ОТКЛ”.
Замкните штеккерами 5.282.011 гнезда “ВКЛ” коммутирующих переключателей ДИАПАЗОН ТОКА I1, ДИАПАЗОН ТОКА I2, ДИАПАЗОН ТОКА I3.
На всех рабочих местах всех стендов замкните штеккерами 5.282.011 гнезда “I1”, “I2”, “I3”.
-
8.4.12. Если планируется работа установки в режиме нестабилизированных сигналов, то далее выполните следующее:
проверьте наличие и надежность фиксации положения заглушек “НАПРЯЖЕНИЕ”, “ТОК” и “Х59”, расположенных под столешницей пульта управления и заглушки "БГР", расположенной с правого бока на каждом стенде;
включите вилку сетевого питания установки в сеть 220/380 V (порядок чередования фаз в сети должен быть прямым);
включите вилку сетевого питания образцового счетчика в розетку “220 V,
50 Hz”, расположенную на пульте управления;
нажмите кнопку “Р1” образцового счетчика.
-
8.4.13. Если планируется работа установки в режиме стабилизированных напряжений и токов, то после операций по п.8.4.11 выполните следующее:
соберите схему соединений, приведенную на рис.8.1;
нажмите кнопку “СОВМЕСТНАЯ РАБОТА” на задней панели блока тока;
нажмите кнопку “Р1” на передней панели образцового счетчика;
включите вилку сетевого питания установки в сеть 220/380 V (порядок чередования фаз должен быть прямым).
-
8.4.14. При подготовке к поверке индукционных счетчиков выполните рекомендации, оговоренные в п.8.3.15.
-
8.4.15. При работе установки совместно с ПК соедините интерфейсным кабелем SCF12 разъем "RS-232" вычислителя стенда с соответствующим разъемом ПК, откройте на вычислителях стендов крышки под надписью "Адрес стенда" и двумя джамперами наберите номер стенда, считая первым стенд с разъемом "RS-232". При этом каждый джампер установите под номером на панели, соответствующим номеру стенда.
-
8.5. Монтаж установок исполнений ЦУ6800-Р и ЦУ6800И-Р
-
8.5.1. Проведите монтаж установок согласно пп. 8.3 или 8.4 соответственно. На ближайшем к пульту управления стенде справа под столешницей установите и закрепите блок гальванической развязки. Соедините зажиМ^^ БГР с защитным заземлением.
Кабелями из ЗИП соедините БГР со стендами согласно схеме, приведенной на рис. 8.2 (для исполнений с одним и двумя стендами неиспользуемые выходы БГР оставить свободными).
При работе без БГР на разъем стенда «БГР» должна быть установлена заглушка «БГР».

Рисунок 8.2
9. ПОДГОТОВКА К РАБОТЕ
-
9.1. При подготовке к работе, регулировке и поверке индукционных счетчиков необходимо на диске счетчика черной краской восстановить метку.
-
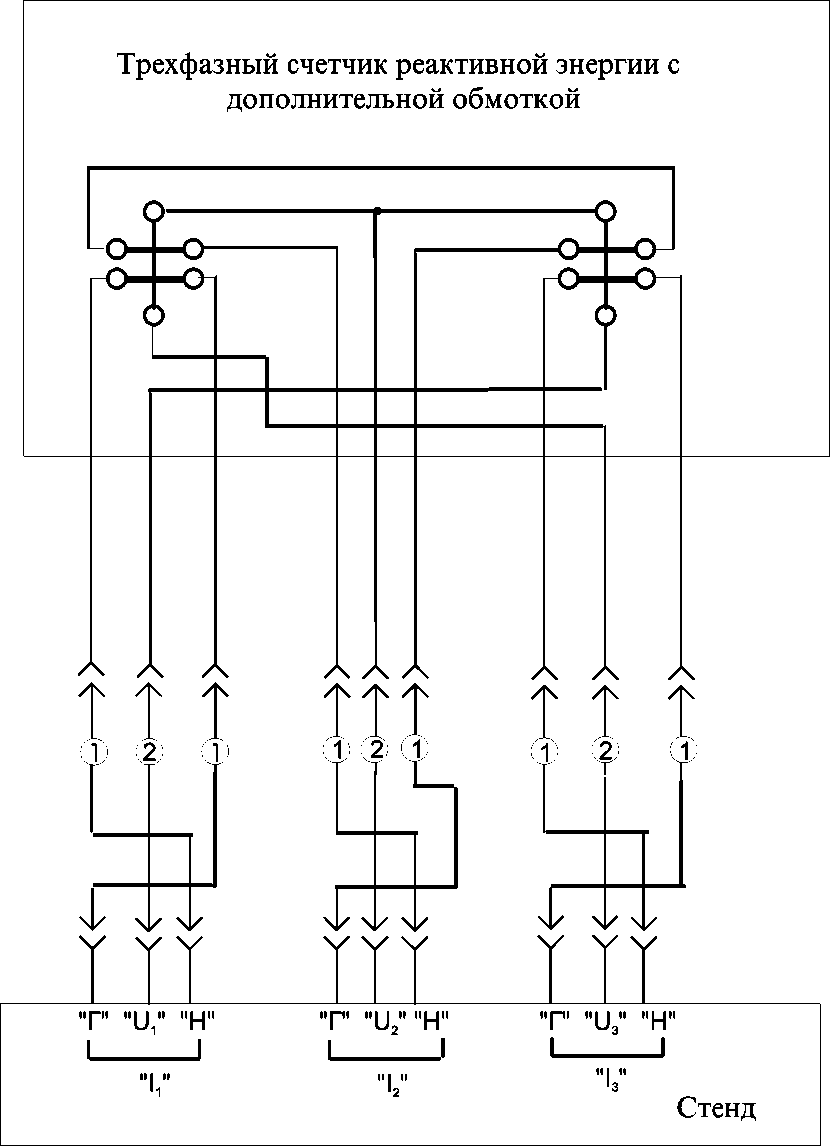
9.2. Установите поверяемый счетчик на стенд и подключите его. Схемы соединений поверяемых счетчиков со стендами установки приведены на рис.9.1(а - л) и рис.9.2(а - д).
Примечания.
-
1. С помощью контактодержателя 6.624.002 возможно подключать трехфазные счетчики, имеющие следующий порядок входных цепей при виде спереди слева направо:
-
1 контакт - генераторный последовательной цепи фазы 1;
-
2 контакт - потенциальный параллельной цепи фазы 1;
-
3 контакт - нагрузочный последовательной цепи фазы 1;
-
4 контакт - генераторный последовательной цепи фазы 2;
-
5 контакт - потенциальный параллельной цепи фазы 2;
-
6 контакт - нагрузочный последовательной цепи фазы 2;
-
7 контакт - генераторный последовательной цепи фазы 3;
-
8 контакт - потенциальный параллельной цепи фазы 3;
-
9 контакт - нагрузочный последовательной цепи фазы 3;
-
10 контакт - общий (для трех фаз) провод параллельных цепей. Контактодержатель 6.624.002 имеет по бокам пластины 8.610.065 и
8.610.065-01, на которых керненными точками нанесена маркировка «•», «••», «•••».
Эта маркировка соответствует определенным расстояниям от цоколя счетчика до поверхности винтов (либо площадок), расположенных на колодке счетчика.
Для счетчиков изготовленных «ЗИП» Энергомера», необходимо на кон-тактодержателе 6.624.002 разворачивать пластины, устанавливая маркировку в зависимости от типа колодок.
Колодки для счетчиков с максимальным током до 10 А:
.301591.025 (L=25,5 mm) положение «••»,
.301591.029 ((L=29,1 mm) положение «•»,
Колодки для счетчиков с максимальным током выше 10 А:
.301591.026 (L=32,6 mm) положение «•••»,
.301591.030 (L=33 mm) положение «•••».
Счетчики однофазные:
.301591.032 (L=32,5 mm) положение «•••» .
L - расстояние от цоколя счетчика до поверхности винтов.
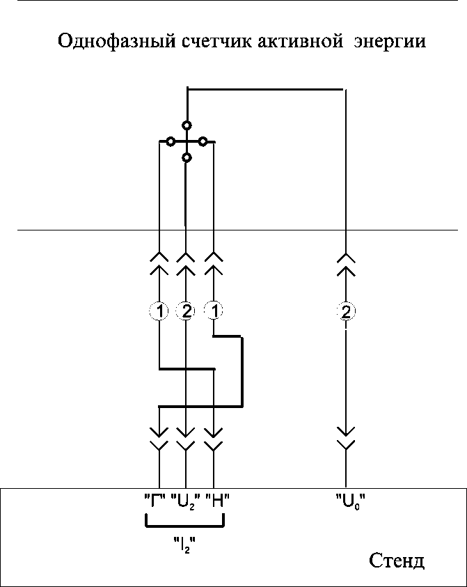
-
2. С помощью контактодержателя 6.624.003 возможно подключать однофазные индукционные счетчики, имеющие следующий порядок входных цепей при виде спереди слева направо:
-
1 контакт - генераторный последовательной цепи;
-
2 контакт - потенциальный параллельной цепи;
-
3 контакт - нагрузочный последовательной цепи;
-
4 контакт - общий провод параллельной цепи.
С помощью контактодержателя 6.624.003-01 возможно подключать электронные счетчики ЦЭ6807, ЦЭ6807В.
-
3. Выходные цепи тока установки изолированы друг от друга и от цепи напряжения. Для обеспечения режима, соответствующего режиму при работе счетчиков в реальной сети в соответствии с нормативно-технической документацией на конкретный тип счетчика допускается:
при нестабилизированных выходных токах соединять все фазы цепи тока в одной точке и с нейтралью или с любым фазным проводом выходной цепи напряжения (например, при поверке трансформаторных счетчиков);
при нестабилизированных входных выходных токах соединять в одной точке цепь тока каждой фазы с фазным проводом соответствующей фазы цепи напряжения (например, при поверке счетчиков непосредственного включения, трех- и однофазных);
при стабилизированных выходных токах соединять в одной (любой) точке цепь тока с цепью напряжения.
Схемы соединений для подключения поверяемых счетчиков с помощью контактодержателей и универсальных проводов из комплекта ЗИП к установкам исполнения ЦУ6800, без применения дополнительного оборудования при положительном направлении потока энергии;
всех исполнений с применением внешнего фазорегулятора при нестабили-зированном выходном напряжении при положительном и отрицательном направлениях потока энергии;
всех исполнений с применением внешнего источника напряжения и тока с регулируемым на ± 180° углом сдвига фаз при положительном и отрицательном направлениях потока энергии;
исполнения ЦУ6800И, ЦУ6800И-Р при стабилизированном выходном напряжении при положительном и отрицательном направлениях потока энергии.

Рис.9.1а

-
1 - провод 6.640.144;
-
2 - провод 6.640.248;
-
3 - провод 6.640.248-02
Рис.9.1б

Рис.9.1в

1-провод 6.640.144;
2 - провод 6.640.248;
Рис.9.1г

Рис. 9.1.д

Рис.9.1е
1-провод 6.640.144;
2 - провод 6.640.248;

Рис.9.2ж

1-провод 6.640.144;
2 - провод 6.640.248;
Рис.9.1з

Рис.9.1и
Однофазный счетчик активной энергии | ||||
г | ||||
/К /К /К

II
I______________________________I
III II *2
-
1 - провод 6.640.144;
-
2 - провод 6.640.248
Рис.9.1к
Стенд
Счетчик ЦЭ6807 или ЦЭ6807В | ||||||||||
3 |
4 |
5 |
6 | |||||||
1 |
2 |
3 |
. А / |

/ |
\ / |
\ / |
\ / |
\/ |
I3 U3 I30 U0 Стенд |
1 - контактодержатель 6.624.003-01
Рис. 9.1 л
Схемы соединений для подключения счетчиков к установкам всех исполнений без применения дополнительного оборудования при нестабилизированном выходном напряжении при отрицательном направлении потока энергии с помощью универсальных проводников из комплекта ЗИП.

1-провод 6.640.144;
-
2 - провод 6.640.248;
-
3 - провод 6.640.248-02
Рис.9.2а

1-провод 6.640.144;
2 - провод 6.640.248
Рис.9.2б

-
1 - провод 6.640.144;
-
2 - провод 6.640.248
Рис.9.2в

1-провод 6.640.144;
2 - провод 6.640.248

-
1 - провод 6.640.144;
-
2 - провод 6.640.248
9.3. При подключении к потенциальным и токовым цепям индукционных однофазных счетчиков (С0...С0У) используется четырехконтактный сменный контактодержатель 6.624.003 при выполнении условий оговоренных в пп.9.2, 10.1.6.
При подключении к потенциальным и токовым цепям индукционных и электронных трехфазных счетчиков (СА3 - И670М, СА3У - И670М, СА4 - И672М, СА4У - И672М, СР4 - И673М, СА3 - И681, СА3У - И681, СА3 -И682, СА3У - И682, СА3 - И689, СА3У - И689, Ф68700, ЦЭ6811) используется десятиконтактный сменный контактодержатель 6.624.002 при выполнении условий оговоренных в пп.9.2, 10.1.6.
При регулировке и поверке счетчиков, для подключения к датчикам импульсов используются кабели .685621.102, 685621.102-01, 685621.102-02, входящие в комплект ЗИП.
Напряжение холостого хода импульсных входов установки 5В ± 5%, ток короткого замыкания (8-16) мА. Сопротивление выходной цепи датчика в состоянии «замкнуто» не должно превышать 200 Ом, в состоянии «разомкнуто» не должно быть менее 50 кОм.
Схемы подключения приведены на рисунках 9.3, 9.4, 9.4.12, 9.4.2.
Схема подключения к основному передающему устройству поверяемого счетчика с оптоэлектронным ключом

Рис. 9.3
Схема подключения к основному передающему устройству поверяемого счетчика с контактами реле

Рис. 9.4
Схема подключения к основному передающему устройству поверяемого счетчика с активным выходом (выход микросхем ТТЛ, КМОП)

Стенд ЦУ6800 Поверяемый счетчик
Рис. 9.4.1
Схема подключения к основному передающему устройству поверяемого счетчика с выходом «открытый» коллектор
Кабель

ИНЕС.685621.102-02
Стенд ЦУ6800
Поверяемый счетчик
Рис.9.4.2 (расположены вблизи задней панели образцового счетчика) с зажимами «А», «В», «С» предела 1 А образцового счетчика.
Включение обмотки 2,5 А при силе выходного тока установки менее 0,025 А - соединением зажимов "I1(2,5 А)"; "I2(2,5 А)"; "I3(2,3 А)" пульта с теми же зажимами образцового счетчика.
Примечание. Особенности подключения счетчиков ЦЭ6807Б исполнений ИНЕС.411152.038.02, ИНЕС.411152.038.03.
Проверка счетчиков может проводиться по двум вариантам:
1. С использованием контактодержателей ДЖЦ6.624.002.
2. С использованием проводов ДЖЦ6.640.144, ДЖЦ6.640.249, ДЖЦ6.640.249-06.
При использовании контактодержателя ДЖЦ6.624.002 предварительно полностью выкручивается винт М3х25 из контакта 2 колодки ИНЕС.301591.039.
Счетчик устанавливается на измерительную цепь фазы «С» и зажимается контактодержателем ДЖЦ6.624.002. При этом счетчик не навешивается за петлю крепления, а держится за счет контактодержателя. Это допустимо, т.к. вес счетчика не превышает 400 г.
Контроль при токе 50 А (60 А) должен проводиться за время не более 5 мин.
При использовании проводов из комплекта ЗИП также выкручивается винт М3х25 из контакта 2 колодки ИНЕС.301591.039
Счетчик навешивается за петлю крепления на стенд. Провода зажимаются в колодку ИНЕС.301591.039 и подключаются к стенду ЦУ6800. Провод ДЖЦ6.640.249-06, имеющий на конце зажим типа «крокодил», подключается к контакту 2 колодки ИНЕС.301591.039. При этом одна губка вставляется в отверстие, а другая зацепляется за край колодки.
Пульт I1
управления I2
I3
I10
I20
I30
U1
U2
U3
U0
fi С-
f2 ->
Общий О-
А ЦЭ6806
В
С
Общий А
Общий В
Общий С
О Ua
о Ub
О Uc
Общий
• fi

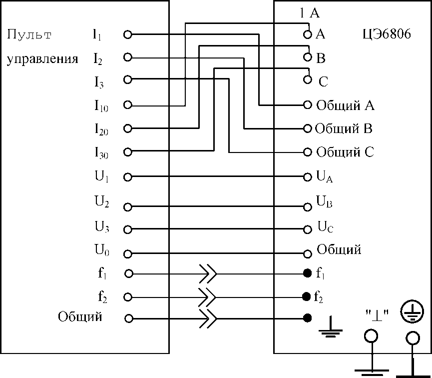
для установок всех исполнений при нестабилизированном напряжении и использовании внешнего фазорегулятора;
для установок исполнений ЦУ6800, ЦУ6800-Р при использовании внешнего источника напряжения и тока с регулируемым на ± 180° углом сдвига фаз

Пульт
Общий
I1
U1
U2
U3
U0
I3
I10
I20
I30
управления I2

Общий А
Общий В
Общий С
О Ua
Общий
о иВ
О Ue
f2
»
»
»
1 А
А ЦЭ6806
В
С
-
* fl
-
• fj
для установок всех исполнений при нестабилизированном напряжении и использовании внешнего фазорегулятора;
для установок исполнений ЦУ6800, ЦУ6800-Р при использовании внешнего источника напряжения и тока с регулируемым на ± 180° углом сдвига фаз
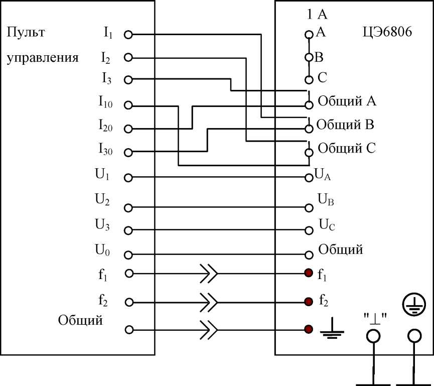
Пульт
управления
I1
I2
I3
I10
I20
I30
U1
U2
U3
U0
fi О
f2 О
Общий О

А ЦЭ6806
С
Общий А
Общий В о
Общий С
Ub
Ue
Общий
fi

Пульт
I1
управления
I2
I3
I10
I20
I30
U1
U2
U3
U0
fi °
f2
Общий &
i А
А ЦЭ6806
В
С
Общий А
Общий В
Общий С
ОИа
■оИв
О Ue
Общий
-Ofi
"°f2 I "±" @
о одля установок всех исполнений при нестабилизированном напряжении и использовании внешнего фазорегулятора;
для установок исполнения ЦУ6800, ЦУ6800-Р при использовании внешнего источника напряжения и тока с регулируемым на ± 180° углом сдвига фаз
Пульт I1
управления I2
I
I3
I10
I20
I30
U1
А ЦЭ6806
В
С
Общий А
Общий В
Общий С
U2
U3
U0
fi О
-о иВ
О Ue
Общий
О fi
f2 О
Общий
Рис. 9.i0
О f2
Схема включения PWo для поверки трехфазных четырехпроводных счетчиков реактивной энергии и трехфазных счетчиков реактивной энергии с дополнительной обмоткой при положительном направлении потока энергии
Пульт
Общий
I1
I10
I20
I30
U1
U2
U3
U0
f1
f2
управления I2
I3

В
С
Общий А
Общий В
Общий С
ПА
Ub
Ue
Общий f1 f2
А ЦЭ6806
»
»

для установок всех исполнений при нестабилизированном напряжении и использовании внешнего фазорегулятора;
для установок исполнений ЦУ6800, ЦУ6800-Р при использовании внешнего источника напряжения и тока с регулируемым на ± 180° углом сдвига фаз

Рис. 9.12
-
9.6. Установить необходимые пределы регулирования по току штеккера-ми на панелях коммутирующих переключателей ДИАПАЗОН ТОКА I1, ДИАПАЗОН ТОКА I2, ДИАПАЗОН ТОКА I3.
При этом в гнездо коммутирующего переключателя ДИАПАЗОН ТОКА I1 должен быть вставлен штеккер 5.280.004 (удлиненный для замыкания микропереключателей, расположенных в глубине за замыкаемыми силовыми цепями), в гнезда коммутирующих переключателей ДИАПАЗОН ТОКА I2, ДИАПАЗОН ТОКА I3 - штеккеры 5.282.011.
Примечание. В случае, если требуемое значение силы тока возможно установить при нескольких положениях коммутирующих переключателей ДИАПАЗОН ТОКА, необходимо выбирать тот предел, на котором требуемое значение наиболее близко к номинальному значению предела (см.табл.3.3, 3.4).
-
9.7. Определить значения параметров для ввода в установку переключателями ПАРАМЕТРЫ ПОСТОЯННОЙ ПОВЕРЯЕМОГО СЧЕТЧИКА: коэффициента КНАТ, пропорционального мантиссе постоянной поверяемого счетчика (в дальнейшем - коэффициент постоянной поверяемого счетчика) и дополнительного порядка N постоянной поверяемого счетчика. (N - может принимать значения от 0 до 9).
Значения названных параметров определить с помощью одной из формул, приведенных в таблице 9.1. Формулу для расчета выбрать в зависимости от номинального значения силы тока включенной вторичной обмотки масштабирующих трансформаторов тока (1 или 2,5 А) и вида представления постоянной поверяемого счетчика, указанной в эксплуатационной документации на него и на его щитке.
При определении параметров постоянной поверяемого счетчика необходимо порядок N выбирать так, чтобы погрешность при округлении значения постоянной (если это необходимо) была минимальной.
Таблица 9.1
Маркировка на щитке поверяемого счетчика |
Формулы для определения коэффициента и дополнительного порядка постоянной поверяемого счетчика при номинальном токе образцового счетчика равном | |
1 А |
2,5 А | |
1 kW*h = А оборотов диска 1 kW*h = А импульсов оборотов диска С = А ....................... kW*h | ||
импульсов С = А ....................... kW*h 1 kVar*h = А оборотов диска 1 kVar*h = А импульсов оборотов диска С = А ....................... RVar*h |
К = А • 10N-6 |
К = 2,5 • А • 10N-6 |
импульсов С = А ....................... i<Var*h | ||
1 оборот = В кW*h 1 импульс = В кW*h кW*h С = В ---------------- оборот кW*h С = В ------------ импульс 1 оборот = В i<Var*h 1 импульс = В i<Var*h i<Var*h С = В --------------- |
10N-6 К = В |
„ 2.5 • 10N- К =------- В |
оборот kVar*h С = В -------------- импульс |
-
9.8. Пример расчета:
А = 1750; К = А •10N - 6= 1750 • 10 6 - 6; N = 6.
А = 1,750; К= А .10N - 6= 1,750 • 108-6 = 1,75. 10 2= 175; N = 8.
А = 1750000; К = А • 10N - 6= 1750000 • 102-6 = 1750000 • 10 -4 = 175; N = 2.
-
9.9. Переключателями КОЛИЧЕСТВО ОБОРОТОВ, расположенными в стендах, установить необходимое число оборотов для индукционных счетчиков или число импульсов - для электронных.
В положении “00” переключателей КОЛИЧЕСТВО ОБОРОТОВ производится автоматический выбор числа импульсов или оборотов. В случае, если выбранное число оборотов превышает 254, то на индикаторном табло стенда появляется сообщение “111111111”.
10. ПОРЯДОК РАБОТЫ
-
10.1. При работе на установке необходимо учитывать нижеследующие требования и рекомендации.
-
10.1.1. Операции подключения и отключения поверяемых приборов следует производить только после снятия напряжений и токов.
Выходные нестабилизированные напряжения отключаются переключателем РЕЖИМ РАБОТЫ пульта управления. Выходные стабилизированные напряжения отключаются кнопками ВКЛЮЧЕНИЕ ФАЗ 1, 2, 3 блока напряжения. Выходные нестабилизированные токи отключаются переключателем ТОК ГРУБО или штеккерами ВКЛ коммутирующих переключателей ДИАПАЗОН ТОКА I1 , ДИАПАЗОН ТОКА I2 , ДИАПАЗОН ТОКА I3 , пульта управления. Выходные стабилизированные токи отключаются кнопками ВКЛЮЧЕНИЕ ФАЗ 1, 2, 3 блока тока.
-
10.1.2. Подключение поверяемых приборов во избежание перегрузок их входных цепей (особенно цепей напряжения) рекомендуется производить после регулировки уровней выходных сигналов установки.
-
10.1.3. Переключение пределов выходного тока блока тока во избежание перегрузок цепей тока поверяемых приборов и срабатывания защиты установки от импульсных перегрузок рекомендуется производить при отжатых кнопках ВКЛЮЧЕНИЕ ФАЗ 1, 2, 3 блока тока.
-
10.1.4. Допустимое количество одновременно подключаемых к установке счетчиков необходимо определить исходя из потребляемой их параллельными и последовательными цепями мощности, выходной мощной установки и количества подключенных к пульту управления стендов (см. табл. 3.2, 3.3, и 3.4).
-
10.1.5. Время работы установки при силе тока 100 А не должно превышать 10 min. После этого необходим перерыв продолжительностью не менее 20 min, во время которого сила тока не превышает 20 А.
-
10.1.7. Для счетчиков с оригинальными колодками (при невозможности использования контактодержателей 6.624.002, 6.624.003) или при работе на токах, превышающих 20 А используются универсальные провода 6.640.144, 6.640.248-02, 6.640.248-04, входящие в комплект ЗИП.
-
10.1.8. При поверке варметров и счетчиков реактивной энергии необходимо учитывать то, что максимально возможный для данного положения переключателей ДИАПАЗОН ТОКА ток в 73 раз меньше, чем при регулировке и поверке ваттметров и счетчиков активной энергии (см.табл.3.3 и 3.4). Это необходимо учитывать и строго выполнять. В противном случае образцовый счетчик установки подвергается перегрузкам (сила тока через его последовательные цепи превышает допустимое значение).
-
10.1.9. Описание информации индикаторов стендов приведено в прило-
жении 2. Кнопка
СБРОС на пульте используется для установки МИТН
при сбое в программе.
-
10.2. Порядок работы на установках исполнений ЦУ6800, ЦУ6800-Р и на установках ЦУ6800И, ЦУ6800И-Р при нестабилизированных выходных напряжениях и токах.
-
10.2.1. Выполните операции по подготовке к работе, оговоренные в предыдущем разделе.
-
10.2.2. Проконтролируйте положение переключателя НАПРЯЖЕНИЕ ФАЗНОЕ, V пульта управлении и переключателя диапазонов измерения напряжения образцового счетчика. Переключатель пульта управления должен быть установлен в положение, соответствующее фазному напряже-
нию поверяемого счетчика, переключатель образцового счетчика в положение, соответствующее линейному (междуфазному) напряжению поверяемого счетчика.
Проконтролируйте положение переключателя ТОК, ГРУБО пульта управления, включенные коммутирующими переключателями ДИАПАЗОН ТОКА I1 , ДИАПАЗОН ТОКА I2 , ДИАПАЗОН ТОКА I3 пределы измерений по току и включенную вторичную обмотку масштабирующих трансформаторов тока (1 или 2,5 А). Переключатель ТОК, ГРУБО должен находиться в крайнем левом положении. Предел измерения тока, включенный коммутирующими переключателями ДИАПАЗОН ТОКА I1 , ДИАПАЗОН ТОКА I2 , ДИАПАЗОН ТОКА I3 должен соответствовать требуемому значению силы тока.
Примечания:
1. В случае, если требуемое значение силы тока возможно установить при нескольких положениях коммутирующих переключателей ДИАПАЗОН ТОКА, рекомендуется выбирать тот предел, на котором требуемое значение наиболее близко к номинальному значению предела (см. табл. 3.3 и 3.4).
2. При работе на установке во всех случаях положения переключателей ДИАПАЗОН ТОКА I1 , ДИАПАЗОН ТОКА I2 , ДИАПАЗОН ТОКА I3 по всем трем фазам всегда должно быть одинаковым.
Вторичную обмотку масштабирующих трансформаторов тока (1 или 2,5 А) выбирать в соответствии с п. 9.5.
-
10.2.3. Предварительно установите переключателями COSф, SIN^ МНОЖИТЕЛЬ, необходимый коэффициент мощности в соответствии с табл. 10.1.
Для более точной установки фазового сдвига используются переключатели ф, ГРУБО , ф, ТОЧНО.
Коэффициент мощности, равный 1, устанавливают, добиваясь максимально возможных показателей образцового счетчика.
Коэффициент мощности равный 0,8 или 0,5 более точно устанавливают, получая соответственно 80 % или 50 % от показаний образцового счетчика при коэффициенте мощности, равном 1 с помощью переключателей ф, ГРУБО , ф, ТОЧНО, контролируя и при необходимости регулируя ток каждой фазы.
Таблица 10.1
Коэффициент мощности |
Положение переключателей | |||
COS ф |
SIN ф |
МНОЖИТЕЛЬ |
РЕЖИМ РАБОТЫ | |
cos ф = 1,0 |
1 |
1 |
1 |
АКТ |
cos ф = 0,8 (С) |
1 |
1 |
0,8 |
АКТ |
cos ф = 0,5(L) |
0,5 |
1 |
1 |
АКТ |
sin ф = 1,0 |
1 |
1 |
1 |
РЕАКТ |
sin ф = 0,5(L) |
1 |
0,5 |
1 |
РЕАКТ |
-
10.2.4. Включите питание установки, образцового счетчика и установите переключатель РЕЖИМ РАБОТЫ в положение, соответствующее типу поверяемого счетчика (положение АКТ при регулировке и поверке счетчиков активной энергии, положение РЕАКТ - при регулировке и поверке счетчиков реактивной энергии).
-
10.2.5. По показаниям контрольных вольтметров установите требуемые фазные напряжения, вращая ручки регулировки напряжений.
-
10.2.6. Отключите ненужные фазы цепей тока, вынув штеккера из гнезд ВКЛ коммутирующих переключателей ДИАПАЗОН ТОКА I1 , ДИАПАЗОН ТОКА I2 , ДИАПАЗОН ТОКА I3 .
-
10.2.7. Вращая ручки регулировок тока по контрольным амперметрам установить требуемую силу тока.
-
10.2.8. При регулировке и поверке индукционных счетчиков соедините с помощью разъема кабель фотоголовки с розеткой ФГ. При регулировке и поверке электронных счетчиков подключите его датчик импульсов с помощью кабелей, входящих в комплект ЗИП к розетке ФГ.
-
10.2.9. Регулируя при помощи механизма передвижения положение ФГ перед лицевой панелью поверяемого счетчика и регулируя ручками НАСТРОЙКА ФГ чувствительность ФГ, получите устойчивое считывание оборотов диска, определяемое по сигналу светодиода, расположенного на корпусе ФГ. Чувствительность ФГ регулировать резистором расположенном на корпусе ФГ.
При подключении к розетке ФГ датчика импульсов электронного счетчика регулировкой ручки НАСТРОЙКА ФГ добиться устойчивого восприятия импульсов по сигналу светодиода.
При большой частоте следования импульсов поверяемого электронного счетчика, когда визуально невозможно зафиксировать включение и выключение светодиода, необходимо уменьшить выходной ток до уровня, при котором включение и выключение светодиода становятся явно различимыми и после этого выполните регулировку ручкой НАСТРОЙКА ФГ.
-
10.2.10. После выполнения всех вышеперечисленных операций на индикаторных табло стендов должны отображаться значения погрешностей счетчиков.
-
10.3. Порядок работы на установках исполнений ЦУ6800И, ЦУ6800И-Р при стабилизированных напряжениях и токах.
-
10.3.1. Подключите выходы блоков напряжения и тока к разъемам НАПРЯЖЕНИЕ и ТОК соответственно в соответствии со схемой соединений, приведенной на рис.8.1. Заглушки НАПРЯЖЕНИЕ и ТОК при этом должны быть сняты.
-
10.3.2. Выполните операции по монтажу и подготовке к работе, оговоренные в разделах 8 и 9.
-
10.3.3. Проконтролируйте положения переключателей пульта управления, образцового счетчика и включенную вторичную обмотку масштабирующих трансформаторов тока (1 или 2,5 А) по п.10.2.2.
-
-
В соответствии с паспортами на блоки напряжения и тока выберите необходимые диапазоны выходных напряжений и токов и установите их с помощью переключателей ВЫХОДНОЕ НАПРЯЖЕНИЕ ФАЗНОЕ, V, ВЫХОДНОЙ ТОК, А соответственно.
Примечание. При работе установок исполнений ЦУ6800И в режиме выходных стабилизированных напряжений и токов следует иметь в виду, что переключение пределов измерения контрольных вольтметров, амперметров производится независимо от уровня выходных сигналов блоков напряжения и тока. Это необходимо учитывать и не допускать перегрузки контрольных приборов. Допустимые диапазоны измерений для каждого из пределов приведены в табл. 3.2, 3.3, 3.4.
-
10.3.4. Включите питание установки, блоков напряжения и тока, образцового счетчика. Переключатель ЧАСТОТА, Hz блока напряжения должен быть в положении “50”.
-
10.3.5. Нажмите кнопки в ВКЛЮЧЕНИЕ ФАЗ 1, 2, 3 блока напряжения и по показаниям частотомера С300-М1 установите нужную частоту в пределах (50 ± 0,5) Гц ручкой плавной регулировки частоты Проконтролируйте
состояние кнопки СОВМЕСТНАЯ РАБОТА. Она должна быть нажата.
По показаниям контрольных вольтметров установите требуемые значения напряжения ручкой плавной регулировки выходного напряжения “ ” блока
напряжения.
Если необходима работа в режиме синхронизации, то при наличии в составе установки блоков напряжения 423146.006-03(-04,-05) и блока тока 423146.005-03 (-04, -05) достаточно установить переключатель ЧАСТОТА, Нг в положение СИНХР.
При наличии в составе установки блока напряжения 423146.006 (-01, -02) и блока тока 423146.005 (-01, -02) режим синхронизации выходных сигналов с частотой тока сети питания включается следующим образом:
-по показаниям частотомера С 300-М 1 установите частоту выходных сигналов равной частоте тока сети питания;
- выключите выходные напряжения кнопками ВКЛЮЧЕНИЕ ФАЗ 1, 2, 3 и установите переключатель ЧАСТОТА , Н z в положение СИНХР;
- нажмите кнопки ВКЛЮЧЕНИЕ ФАЗ 1, 2, 3 блока напряжения;
- по показаниям контрольных вольтметров и частотомера С 300-М 1 убедитесь в отсутствии биений выходных напряжений (кратковременная нестабильность выходного напряжения блока напряжения в режиме синхронизации не должна превышать нормируемого в п.3.2.12 значения).
-
10.3.6. Нажмите кнопки ВКЛЮЧЕНИЕ ФАЗ блока тока, необходимые для работы. По показаниям контрольных амперметров установите требуемую силу тока.
-
10.3.7. Вращая оси регуляторов фазового сдвига блока напряжения, добиться максимальных показаний образцового счетчика (при номинальных значениях напряжения и тока в трехфазном режиме показания образцового счетчика должны быть около 3300 ед.) Зафиксируйте показания.
-
10.3.8. Вращая оси регуляторов фазового сдвига блока напряжения, установите требуемое значение коэффициента мощности по показаниям образцового счетчика. При этом необходимо учитывать, что показания образцового счетчика, зафиксированные при выполнении операций по п.10.3.7, соответствуют коэффициенту мощности, равному 1.
-
10.3.9. Выполните операции по пп.10.2.8, 10.2.9.
-
10.3.10. После выполнения всех вышеизложенных операций на индикаторных табло стендов отображаются значения погрешностей счетчиков.
-
10.4. Порядок работы на установках исполнений ЦУ6800И , ЦУ6800И - Р при стабилизированных напряжениях и нестабилизированных токах.
Данный режим работы (при стабилизированных напряжениях и нестаби-лизированных токах) необходим в случаях:
когда требуется сила тока более 10 А;
когда недостаточна выходная мощность блока тока, нормируемая в табл.3.3, 3.4 для питания последовательных цепей поверяемых счетчиков.
-
10.4.1. Подключите выход блока напряжения к разъему НАПРЯЖЕНИЕ, расположенному под столешницей пульта управления, предваритель
но сняв заглушку НАПРЯЖЕНИЕ. Заглушка ТОК должна быть подключена к одноименному разъему.
-
10.4.2. Выполните операции по пп.10.3.2, 10.3.3 в части, касающейся пульта управления, стендов, образцового счетчика и блока напряжения.
-
10.4.3. Включите питание установки, блока напряжения, образцового счетчика. Переключатель ЧАСТОТА Hz блока напряжения должен быть установлен в положение “50”. Выполните операции по п.10.3.5. В соответствии с методикой, приведенной в п.10.3.5 включите блок напряжения в режим синхронизации.
-
10.4.4. Отключите ненужные фазы цепей тока, вынув штеккера из гнезд ВКЛ коммутирующих переключателей ДИАПАЗОН ТОКА I1, ДИАПАЗОН ТОКА I2, ДИАПАЗОН ТОКА I3. Переключателем ТОК ГРУБО и ручками плавной регулировки частоты установите по показаниям контрольных амперметров требуемую силу тока.
-
10.4.5. Выполните операции по пп.10.3.7...10.3.9.
-
10.4.6. После выполнения вышеизложенных операций на индикаторных табло стендов должны отображаться значения погрешностей счетчиков.
-
10.5. Отсутствие самохода у счетчика проверяют по ГОСТ 8.259-77 или техническим условиям на эти счетчики, отключив выходной ток установки в соответствии с п.10.1.1 и разорвав цепи тока по всем трем фазам на одном из рабочих мест.
-
10.6. Проверку правильности работы счетного механизма счетчиков проводят по ГОСТ 8.259-77 или техническим условиям на эти счетчики, измеряя энергию счетчиком образцовым в соответствии с документацией, распространяющейся на него. Положение штеккеров на коммутирующих переключателях ДИАПАЗОН ТОКА I1, ДИАПАЗОН ТОКА I2, ДИАПАЗОН ТОКА I3 выбирают таким образом, чтобы за заданный интервал времени не произошло переполнение индикатора образцового счетчика установки.
-
10.7. Поверку ваттметров, варметров производят, подключая их к рабочим местам на стендах помощью универсальных проводов и кабелей, входящих в комплект ЗИП установки. Установки исполнений ЦУ6800И, ЦУ6800И-Р при этом должны работать в режиме стабилизированных выходных напряжений и токов. К установкам исполнений ЦУ6800, ЦУ6800-Р при этом должны быть подключены стабилизированные источники напряжения и тока в соответствии с п.10.9. Нестабильность мощности стабилизированного источника не должна превышать 0,1 % за время снятия показаний.
Активную выходную мощность установки Р в W определите по формуле (10.1):
Iy
Р = Рос. • /, (10.1)
1 в.
где РО . С . - активная мощность, измеренная образцовым счетчиком уста-
новки и определяемая по его показаниям в соответствии с эксплуатационной
документацией на него, W;
1У - включенный предел измерения тока установки (положение переключателей ДИАПАЗОН ТОКА I1, ДИАПАЗОН ТОКА I2, ДИАПАЗОН ТОКА I3), А;
IB - номинальное значение силы тока включенной вторичной обмотки
масштабирующих трансформаторов тока (1 или 2,5 А), А.
Реактивную выходную мощность установки Q в Var определите по формуле (10.2):
1y 1
(10.2)
Q=Рос ' ~в • с ’
где - коэффициент, выраженный Var
7з w-
10.8. Применение установок в схемах поверки амперметров и вольтметров производится следующим образом:
установки исполнений ЦУ6800И, ЦУ6800И-Р включите в режим стабилизированных выходных напряжений при поверке вольтметров или в режим стабилизированных выходных токов при поверке амперметров, к установке исполнений ЦУ6800 необходимо подключите стабилизированный источник выходных напряжений и токов в соответствии с п.10.9 (нестабильность выходного сигнала источника не должна превышать допустимую по методике поверки величину за время снятия показаний);
подключите внешний образцовый амперметр или вольтметр (класс точности 0,2, например Д5090 или Д5082) к зажимам “РАо” или “PVo” соответственно расположенным на пульте управления;
поверяемый прибор подключите к зажимам “РАх” или “PVx”;
изменяя выходной сигнал установки в требуемых пределах произвести поверку прибора в соответствии с нормативно-технической документацией на него.
-
10.9. Подключение внешних источников стабилизированного напряжения и тока.
-
10.9.1. Подключение внешних источников производите к разъемам НАПРЯЖЕНИЕ И ТОК, расположенным под столешницей пульта управления. Схема соединений приведена на рис.10.1. Выходное фазное напряжение источника не должно превышать 420 V, выходной ток не должен превышать 12 А, частота выходных сигналов при измерении мощности и энергии должна быть от 49,5 до 50,5 Нг (от 59,4 до 60,6 Нг).
-
Выходы подключаемых источников трехфазного напряжения и тока должны быть изолированы друг от друга. Подключаемые источники должны соответствовать требованиям ГОСТ 26035-83, ГОСТ 30207-94 и ГОСТ 8.259-77.
Примечание. При проверке индукционных трехпроводных счетчиков активной и реактивной энергии на установках исполнений ЦУ6800И при стабилизированных напряжениях и токах контроль и установку выходного напряжения проводить после нажатия всех кнопок ВКЛЮЧЕНИЕ ФАЗ 1,2,3.
-
10.10. Подключение внешнего фазорегулятора
-
10.10.1. Для обеспечения возможности плавного изменения коэффициента мощности при нестабилизированном выходном напряжении к разъему “Х59” пульта управления установки возможно подключите внешний фазорегулятор.
Выходная цепь фазорегулятора должна быть соединена “звездой”. Выходные фазные напряжения не должны превышать 242 V. В случае, если выходная цепь фазорегулятора соединена “треугольником”, возможно подключение его к установке через разделительные трансформаторы необходимой мощности для формирования четырехпроводной цепи. Фазные напряжения, подаваемые на разъем “Х59” пульта управления не должны превышать 242 V. Порядок чередования фаз должен быть прямым.
-
10.10.2. Схема соединений при подключении внешнего фазорегулятора приведена на рис.10.2.
-
10.11. Порядок работы на установках исполнений ЦУ6800-Р и ЦУ6800И- Р с блоком гальванической развязки
-
10.11.1. Выполните операции по монтажу и подготовке к работе, оговоренные в разделе 8.
-
10.11.2. Подключите БГР к стендам согласно схеме соединений, приведенной на рис. 8.2, заглушки "БГР" при этом должны быть сняты.
-
10.11.3. Проконтролируйте положения переключателей пульта управления, образцового счетчика.
-
Примечание. При подключенном БГР установка предназначена для работы в однофазном режиме с информационными сигналами напряжения и тока фазы С (UC и IC соответственно). Номинальное напряжение измерительной цепи 220 В.
Работа в трехфазных цепях при этом не рекомендуется.
-
10.11.4. Переключателями БГР "Стенд" и "Место" выбирается рабочее место параллельно которому подключаются образцовый счетчик установки и контрольный измеритель напряжения.
Если загружены не все рабочие места или используются не все выходы БГР, то переключателями "Стенд" и "Место" должно быть выбрано загруженное рабочее место.
380/220 V, 50 Hz 380/220 V, 50 Hz
Рис.10.2
-
11. ВОЗМОЖНЫЕ НЕИСПРАВНОСТИ И СПОСОБЫ ИХ УСТРАНЕНИЯ
11.1 Перечень наиболее возможных неисправностей и способы их устранения для установок исполнения ЦУ6800, ЦУ6800-Р и установок исполнения ЦУ6800И, ЦУ6800И-Р при нестабилизированных выходных сигналах приведен в табл.11.1, для установок исполнения ЦУ6800И, ЦУ6800И-Р при стабилизированных выходных сигналах в табл.11.2. Перечень наиболее возможных неисправностей и способы их устранения блоков напряжения и тока приведен в эксплуатационной документации на блоки.
Таблица 11.1
№№ п/п |
Внешнее проявление неисправности |
Возможная причина |
Способ устранения неисправности |
1. |
При включении выходного напряжения переключателем РЕЖИМ РАБОТЫ происходит отключение питания установки |
1. Перегрузка по цепи напряжения. 2. Короткое замыкание в нагрузке |
1. Проконтролировать уровень напряжения и установить его допустимым для нагрузки. 2. Устранить причину перегрузки или короткого замыкания |
2. |
При включении выходного тока переключателем ТОК ГРУБО происходит отключение питания установки |
Перегрузка по цепи тока (сила тока превышает допустимое для включенного предела значение) |
Ручки плавной регулировки тока установить в крайнее левое положение, включить ток переключателем ТОК ГРУБО и установить силу тока, допустимую для включенного предела |
№№ п/п |
Внешнее проявление неисправности |
Возможная причина |
Способ устранения неисправности |
3. |
При силе тока, превышающей 70 А происходит разогрев контактов разъемов в цепях тока |
1. Продолжительность работы превышает допустимую. 2. Загрязнение контактов разъемов цепи тока. 3. Не до упора вставлены вилки в розетки по цепям тока |
1. Уменьшить силу тока до значения менее 20 А, выдержать паузу не менее 20 min. 2. Промыть контакты разъемов цепи тока спиртом этиловым. 3. Вставить вилки в розетки до упора |
4. |
При включении выходного тока переключателем ТОК ГРУБО и вращении ручек регулировки тока ток в одной или нескольких фазах отсутствует |
1. Разрыв цепи нагрузки. 2. Ослабление или отсутствие контакта на зажимах измерительных трансформаторов тока |
1. Найти и устранить разрыв цепи тока. 2. При отключенной установке снять заднюю стенку и проверить надежность подключения внутреннего монтажа установки к зажимам измерительных трансформаторов тока |
№№ п/п |
Внешнее проявление неисправности |
Возможная причина |
Способ устранения неисправности |
5. |
Погрешность поверяемого счетчика существенно изменяется при перестановке его с одного рабочего места на другое |
Замыкание стружкой, снятой со штырей 5.082.011 ламелей в гнездах “I1” или “I2” или “I3” на данных рабочих местах |
Пластиной из диэлектрического материала прочистить зазор между ламелями в гнездах “I1”, “I2” и “I3” на данных рабочих местах |
Таблица 11.2
№№ п/п |
Внешнее проявление неисправности |
Возможная причина |
Способ устранения неисправности |
1. |
При переключении пределов по току блока тока происходит отключение питания установки |
Импульсная перегрузка в цепи тока |
Переключение пределов по току блока тока производить при отжатых кнопках ВКЛЮЧЕНИЕ ФАЗ 1, 2, 3 |
2. |
При нажатии кнопок ВКЛЮЧЕНИЕ ФАЗ блока тока происходит отключение питания установки |
|
|
№№ п/п |
Внешнее проявление неисправности |
Возможная причина |
Способ устранения неисправности |
3. |
При нажатии кнопок ВКЛЮЧЕНИЕ ФАЗ через интервал времени от 1 до 10 s светодиод над кнопкой начинает периодически включаться и выключаться и отсутствует ток в данной фазе |
1. Разрыв цепи тока по данной фазе. 2. Сопротивление нагрузки превышает допустимое значение |
1. Обнаружить и устранить разрыв цепи тока. 2. Проверить качество контактов по цепи тока и потребляемую поверяемыми счетчиками мощность по цепи тока. Устранить несоответствие |
4. |
Нестабильные показания контрольных вольтметров, амперметров и образцового счетчика установки в режиме синхронизации с частотой сети питания |
Биения выходных сигналов |
Провести регулировку блока напряжения для ввода его в режим синхронизации с частотой сети питания по методике, изложенной в п.10.3.5 настоящего технического описания и инструкции по эксплуатации |
5. |
При включении питания блока напряжения или тока не включается светодиод над кнопкой и не работает вентилятор блока |
Выход из строя вставки плавкой |
Заменить вставку плавкую |
-
12. ТЕХНИЧЕСКОЕ ОБСЛУЖИВАНИЕ
-
12.1. Ежедневное техническое обслуживание заключается в систематическом наблюдении за работой установки и ее составных частей.
-
12.2. Техническое обслуживание счетчика трехфазного, блоков напряжения и тока производится в соответствии с эксплуатационной документацией на них.
-
12.3. Через каждые 1000 h работы с контактной дорожки автотрансформаторов необходимо удалять отходы контактного материала волосяной щеткой.
-
12.4. Через каждые 200 h работы для обеспечения электрического контакта необходимо производить смазку контактов сменных контактодержателей смазкой PASTE 100 Hs «Компания Астра Эль» или PASTE 10 Hs CRAMOLIM. Уменьшение трения токоведущих частей должно обеспечиваться применением смазки силиконовой SI-10 ОАО «Химпром» г. Волгоград.
-
Ежегодно проводить чистку и обработку печатных плат переключателей ПП10-1Ме, ПП10-2Ме, ПП10-5Ме в БК. Для этого произвести снятие переключателей, не нарушая монтажа кабеля, разобрать переключатели, почистить школьным цветным ластиком рабочую поверхность печатной платы и обработать смазочной композицией 6СФК-180-05 Расход смазочной композиции 0,01 л на 1 обработку всех переключателей.
-
12.5. Ежегодно производить смазку трущихся, не работающих как электрический контакт, поверхностей механизмов стендов смазкой ЦИАТИМ или техническим вазелином.
-
12.6. Ежегодно производить 4 раза промывку разъемных контактов цепей тока стендов, пульта управления и вилки штепсельной спиртом марки А ГОСТ 17299-89. Норма расхода спирта: на одну промывку 1 пульта установки ЦУ6800 составляет 0,040 л, на одну промывку стенда установки ЦУ6800 составляет 0,010 л.
-
12.7. Контролировать что на каждом поверочном месте обеспечивается определенное расстояние между плоскостью торцов контактов контактодержа-теля и плоскостью передней панели поверочного места при крайнем правом положении прижимного рычага. Этим обеспечиваются оптимальные условия для обеспечения электрического контакта по цепям напряжения и тока для наиболее распространенных в обращении счетчиков электрической энергии.
Перед началом работы необходимо проконтролировать правильность взаимного положения плоскости торцов контактов контактодержателей и передней панели поверочных мест следующим образом:
- из комплекта ЗИП стенда извлечь контактодержатель ИНЕС.303659.013 и установить его на любом поверочном месте в соответствии с рисунком 11, при этом контактодержатель необходимо устанавливать по рисунку с учетом маркировки точками («• • »), расположенной на боковой пластине, так, как показано на рисунке;
- рычаг повернуть вправо до упора (отклонение от крайнего положения недопустимо);
- измерительным инструментом измерить расстояние между плоскостью торцов контактов контактодержателей и плоскостью передней панели поверочного места (при этом контакт, по которому контролируется расстояние, необходимо отклонить от передней панели, не прилагая усилия, для выбора люфта);
- в случае, если измеренное расстояние отличается от требуемого (20,8±0,3 мм), то необходимо ослабить два винта, расположенных на верхней стороне рамы поверочного места и, захватив рукой боковые пластины контакто-держателя, переместить его вместе с основанием на требуемое расстояние;
- затянуть винты;
- выполнить вышеизложенные операции для всех поверочных мест всех стендов.
Примечания:
1 Внимание! Затягивание винтов, фиксирующих положение основания контактодержателей, производить без применения инструмента. При чрезмерном усилии возможно повреждение пластмассовых деталей внутри поверочного места.
2 В процессе работы возможно возникновение ситуации, при которой для получения надежного контакта необходимо изменить взаимное расположение плоскости передней панели поверочного места (к ней прижимается тыльная сторона корпуса испытуемого счетчика при подключении его контактодержателем) и плоскости торцов контактов контактодержателей. Это возможно выполнить по вышеизложенной методике, изменив оговоренное расстояние.
Винт для регулировки взаимного положения плоскости передней

Рисунок 11
-
12.8. Периодическая поверка счетчика трехфазного производится в соответствии с технической документацией на него.
Периодическая поверка установки в процессе эксплуатации производится один раз в три года в соответствии с инструкцией по поверке, входящей в комплект поставки.
Поверка установки после ремонта производится в соответствии с инструкцией по поверке после проведения ремонта, влияющего на метрологические характеристики.
-
13. ПРАВИЛА ХРАНЕНИЯ И ТРАНСПОРТИРОВАНИЯ
-
13.1. Установка до введения в эксплуатацию должна храниться на складе в упаковке предприятия- изготовителя при температуре окружающего воздуха от 5 до 50 ° С и относительной влажности 80 % при температуре 25 ° С и атмосферном давлении 84 - 106,7 кРа (630 - 800 mm Hg). Распаковывание установки должно быть произведено представителями предприятия-изготовителя или представителями специализированных организаций, уполномоченными на выполнение пуско-наладочных работ перед монтажом и запуском.
-
13.2. Установка должна транспортироваться в крытых железнодорожных вагонах, перевозиться автомобильным транспортом с защитой от дождя и снега, а также транспортироваться в герметизированных отапливаемых отсеках самолетов в соответствии с правилами перевозок, действующими на каждом виде транспорта.
-
13.3. Условия хранения установок в складских помещениях потребителя (поставщика) в транспортной таре по ГОСТ 22261-82.
-
Примечание. Предельные условия транспортирования установки соответствуют условиям Л (легкие) для средств измерений 1-4 групп по ГОСТ 2226194.
Характеристики условий транспортирования:
перевозки железнодорожным транспортом без перегрузок;
перевозки автомобильным транспортом без перегрузок: по дорогам с асфальтовым и бетонным покрытиями (дороги 1-категории) на расстояние до 200 км, по булыжным (дороги 2 и 3-й категории) и грунтовым дорогам на расстояние до 50 км со скоростью до 40 км/ч;
перевозки различными видами транспорта: воздушным, железнодорожным транспортом в сочетании их между собой и с автомобильным транспортом, отнесенным к настоящим условиям, с общим числом перегрузок не более 2.