Методика поверки «Методика поверки вычислителя тепловой энергии ВТЭ-1» (МП 4218-021-18151455-2010)
УТВЕРЖДАЮ
Руководитель ГЦИ СИ
Заместитель Генерального директора ФГУ «Ростест-Москва»

МП 4218-021-18151455-2010
2010 г.
Настоящая методика поверки распространяется на вычислитель тепловой энергии ВТЭ-1 (далее - тепловычислитель), каждый из которых соответствует техническим требованиям на них, и устанавливает методы и средства их первичной и периодической поверок.
1 Операции и средства поверкиПри проведении поверки должны выполняться следующие операции, указанные в таблице 1.
Таблица 1
№ п/п |
Операции поверки |
Пункт поверки |
Эталонные средства и вспомогательное оборудование |
1 |
Внешний осмотр |
4.1 | |
2 |
Опробование |
4.2 | |
3 |
Определение метрологических характеристик |
4.3 |
-Магазин сопротивлений типа Р 4831, кт 0,02/2-10'6; - Многофункциональный калибратор MC5-R, относительная погрешность воспроизведения последовательности импульсов ±0,01%; относительная погрешность воспроизведения тока не более ± 0,02 %. |
Эталонные средства, используемые для поверки, должны быть поверены государственной метрологической службой и иметь действующие свидетельства о поверке или оттиски доверительных клейм. Допускается применять другие СИ, обеспечивающие необходимую точность и пределы измерения.
2 Условия проведения поверкиПри проведении поверки должны соблюдаться следующие условия:
Температура окружающего воздуха, °C......................... 20 ± 5
Относительная влажность, %..................................... 30-80
Атмосферное давление, кПа....................................... 84 - 106
3 Подготовка к поверкеПеред проведением поверки должны быть выполнены следующие подготовительные работы:
- подготовить к работе средства измерений согласно с технической документацией данные средства измерений;
для ВТЭ-1 К:
-
- собрать схему в соответствии с приложением А;
-
- установить конфигурацию тепловычислителя согласно таблице 2. Установка пара
метров производится в соответствии с РЭ на ВТЭ-1 К. ”аблица 2
Параметры |
Возможные значения и индикация на приборе |
1 Вес импульса счетчиков воды и электричества |
Вход счетчика воды 1 100 л/имп Вход счетчика воды 2 100 л/имп Вход счетчика воды 3 100 л/имп Вход счетчика электроэнергии 1000 имп/кВтч |
Параметры |
Возможные значения и индикация на приборе |
2 Наличие двух тарифов на электроэнергию |
0 (пе г) |
3 Время начала действия первого тарифа Время начала действия второго тарифа. |
Не имеет значения Не имеет значения |
4 Тип системы’ |
1 |
5 Температура холодной воды (для схем 3 и 4) |
5 |
6 Необходимость ограничения расчета объема горячей воды в зависимости от температуры |
1 (есть) |
7 Температура горячей воды (если необходимость ограничения - 1) |
45 °C |
8 Способ индикации количества теплоносителя (м3 или тонн) |
м3или т |
-
- собрать схему в соответствии с приложением Б;
-
- установить конфигурацию тепловычислителя согласно табл. 3. Значения приведены для обеих систем (одинаковы). Установка параметров производится с ПК при установленном в положение «Оп» переключателя J4.
Таблица 3
Параметры |
Возможные значения и индикация на приборе |
1 Вес импульса счетчиков воды |
Вход счетчика воды 1 100 л/имп Вход счетчика воды 2 100 л/имп Вход счетчика воды 3 100 л/имп |
2 Тип системы |
1 |
3 Температура холодной воды (для схем 3 и 4) |
5 |
4 Способ индикации количества теплоносителя (м? или тонн) |
м3 или г |
-
4.1 Внешний осмотр
При внешнем осмотре приборов должно быть установлено:
-
- соответствие комплектности требованиям эксплуатационной документации на прибор;
-
- состояние корпуса;
-
- отсутствие механических повреждений, влияющих на его работоспособность;
-
- отсутствие дефектов, препятствующих чтению надписей и маркировки.
-
4.2 Опробование
Проверяется правильность индикации установленных параметров (параметры, установленные в п. 3), а также дата, время, серийный номер тепловычислителя.
При нажатии правой кнопки - каждое нажатие вызывает следующую индикацию (таблица 4 для модификации К; таблица 5 - для модификации П )
Таблица 4 Индикация ВТЭ-1К по правой кнопке
№ п/п для ВТЭ-1К1/2 |
п/п для ГЭ-1КЗ |
№ п/п для ВТЭ-1К1/2-М |
Параметр |
Единицы измерения |
Изображение в цифровых знакоместах; (_) - незначащие знакоместа | |
% |
са | |||||
1 |
1 |
1 |
Тепловая энергия (нарастающим итогом) |
Гкал |
888888.88 | |
2 |
2 |
2 |
Температура в подающем трубопроводе |
°C |
П 888.88 | |
3 |
3 |
о 3 |
Температура в обратном трубопроводе * |
°C |
О 888.88 | |
4 |
4 |
4 |
Разность температур * |
°C |
Р 888.88 | |
5 |
5 |
- |
Температура горячей воды |
°C |
Г 888.88 | |
6 |
6 |
5 |
Объем первого расходомера |
mj |
888888.88 | |
7 |
7 |
6 |
Объем второго расходомера |
3 м |
888888.88 | |
8 |
- |
7 |
Объем третьего расходомера |
3г-м |
888888.88 | |
9 |
- |
- |
Электрическая энергия 1 (тариф 1) |
КВтч, |
888888.88 | |
10 |
- |
- |
Электрическая энергия 2 (тариф 2) ** |
КВтч |
888888.88 | |
- |
8 |
- |
Разница объемов по третьему и четвертому счетчику воды |
м’’ |
888888.88 | |
11 |
9 |
8 |
Код ошибки |
Error |
Err 888 | |
- |
9 |
п<0> - Серийный или сетевой номер при подключенном протоколе ModBus RTU |
- |
П8-88888 |
Примечания: * - отсутствует для тупиковой системы ГВС;
** -если установлен двухтарифный режим индикации электроэнергии.
Таблица 5 Индикация ВТЭ-1П по правой кнопке
Модификации П14 |
Модификации П15 |
Параметр |
Единицы измерения |
Изображение в цифровых знакоместах (-) - незначащие знакоместа |
1 |
1 |
Тепловая энергия нарастающим итогом (первая система) |
Гкал |
888888.88 |
2 |
2 |
Объем по первому расходомеру (первая система) |
з м |
8888888.8 |
3 |
3 |
Объем по второму расходомеру (первая система) |
з м |
8888888.8 |
4 |
4 |
Объем по третьему расходомеру (первая система) |
М? |
8888888.8 |
5 |
5 |
Время работы узла учета при наличии ошибки, когда нс вычисляется тепловая энергия (см. коды ошибок), первая система |
ч |
НЕ _ 88888 |
6 |
6 |
Код ошибки системы (первая система) |
Err |
Errl 888 |
7 |
- |
Тепловая энергия нарастающим итогом (вторая система) |
Гкал |
888888.88 |
8 |
Объем по первому расходомеру (вторая система) |
м3 |
8888888.8 | |
9 |
- |
Объем по второму расходомеру (вторая система) |
м3 |
8888888.8 |
10 |
- |
Объем по третьему расходомеру (вторая система) |
м |
8888888.8 |
11 |
Время работы узла учета при наличии ошибки, когда не вычисляется тепловая энергия (см. коды ошибок), вторая система |
ч |
НЕ _ 88888 | |
12 |
- |
Код ошибки системы (вторая система) |
Err |
Егг2 888 |
13 |
7 |
Печать за отчетный период по первой системе * |
- |
ПЕЧ 1 |
14 |
8 |
Печать суточного отчета за (X) последних дней по первой системе * |
- |
ПЕЧ____2 |
15 |
9 |
Печать часового отчета за сутки (X) дней назад по первой системе * |
- |
ПЕЧ____3 |
Модификации П14 |
Модификации П15 |
Параметр |
Единицы измерения |
Изображение в цифровых знакоместах (-) - незначащие знакоместа |
16 |
- |
Печать за отчетный период по второй системе * |
- |
ПЕЧ 1 |
17 |
- |
Печать суточного отчета за (X) последних дней по второй системе * |
- |
ПЕЧ____2 |
18 |
- |
Печать часового отчета за (X) дней назад по второй системе * |
- |
ПЕЧ____3 |
19 |
10 |
Общее время работы узла учета |
ч |
Н 888888 |
20 |
11 |
Код ошибки тепловычислителя (аппаратная ошибка) |
Error |
Err 888 |
21 |
12 |
Дата |
- |
d ДД.ММ.ГГ |
22 |
13 |
Время |
- |
t чч.мм.сс |
23 |
14 |
п<0> - Серийный или сетевой номер при подключенном протоколе ModBus RTU |
- |
п8 _ 88888 |
Нажатие левой кнопки вызывает следующую индикацию (таблица 6 для модификации К; таблица 7 для модификации П).
Таблица 6 Индикация ВТЭ-1К по левой кнопке
№ п/п для ВТЭ- 1К1/2 |
№ п/п для ВТЭ- 1КЗ |
№ п/п для ВТЭ-1К1/2 -М |
Параметр |
Единицы измерения |
Изображение в цифровых знакоместах (_) - незначащие знакоместа |
1 |
- |
- |
Объем по третьему расходомеру (с учетом прекращения расчета при понижении температуры горячей воды) * |
м"’ |
8888888.8 |
2 |
1 |
1 |
Дата |
- |
1 ДД.ММ.ГГ |
3 |
2 |
2 |
Время |
- |
2 ЧЧ.ММ.СС |
4 |
э |
-э Э |
Заводской номер ** |
- |
3 88888 |
5 |
4 |
4 |
Расход по первому расходомеру, используемому для расчета тепловой энергии, вычисляется каждую минуту. Показывается для закрытых и обычных открытых систем |
м7ч |
4___88.88 |
6 |
5 |
5 |
Расход по второму расходомеру (обратный трубопровод), используемому для расчета тепла. Показывается только для обычной открытой системы. |
м7ч |
4___88.88 |
7 |
6 |
6 |
Вес импульса первого счетчика воды |
л/имп |
5 8888 |
8 |
7 |
7 |
Вес импульса второго счетчика воды |
л/имп |
5 8888 |
9 |
8 |
8 |
Вес импульса третьего счетчика воды |
л/имп |
5 8888 |
- |
9 |
- |
Вес импульса четвертого счетчика воды |
л/имп |
5 8888 |
10 |
- |
- |
Вес импульса электросчетчика |
КВтч |
5Е 8888 |
11 |
10 |
9 |
Время работы узла учета |
ч |
6 888888 |
12 |
11 |
10 |
Время работы узла учета при наличии ошибки, когда не вычисляется тепловая энергия |
ч |
6 .888888 |
13 |
- |
- |
Время начала действия первого тарифа на электроэнергию |
ч |
7___88.88 |
14 |
- |
- |
Время начала действия второго тарифа на электроэнергию |
ч |
7___88.88 |
15 |
12 |
11 |
Комплексный параметр: 7 и 8 знакоместо (слева-направо) - температура холодной воды для расчета тепловой энергии в открытых системах, 5 знакоместо - цифровое обозначение типа системы (см. опции программирова- |
- |
8___8 _ 88 |
ния) | |||||
16 |
- |
- |
Температура прекращения расчета горячей воды |
°C |
9 88 |
Примечания: * - если данная функция используется;
** - серийный номер устанавливается только на заводе-изготовителе
Таблица 7 Индикация ВТЭ-1П полевой кнопке
Модификации П14 |
Модификации П15 |
Параметр |
Спец символ |
Изображение в цифровых знакоместах (-) - незначащие знакоместа | |
1 |
1 |
Температура подающего трубопровода (первая система) |
°C |
П 1 |
888.88 |
2 |
2 |
Температура обратного трубопровода (первая система) |
°C |
0 1 . |
888.88 |
3 |
3 |
Разность температур (первая система) |
°C |
Р 1 |
888.88 |
4 |
4 |
Температура горячей воды (первая система) |
°C |
С 1 |
888.88 |
5 |
- |
Температура подающего трубопровода (вторая система) |
°C |
П2 |
888.88 |
6 |
- |
Температура обратного трубопровода (вторая система) |
°C |
О2 |
888.88 |
7 |
- |
Разность температур (вторая система) |
°C |
Р2 |
888.88 |
8 |
- |
Температура холодной воды (вторая система) |
°C |
с: 2 |
888.88 |
9 |
5 |
Расход по первому расходомеру (первая система) |
м3/ч |
FL |
88.88 |
10 |
6 |
Расход по второму расходомеру (первая система) |
м7ч |
FL |
88.88 |
11 |
7 |
Расход по третьему расходомеру (первая система) |
м‘7ч |
FL |
88.88 |
12 |
- |
Расход по первому расходомеру (вторая система) |
м’/ч |
FL |
88.88 |
13 |
- |
Расход по второму расходомеру (вторая система) |
м3/ч |
FL^ |
88.88 |
14 |
- |
Расход по третьему расходомеру (вторая система) |
м 7ч |
FL |
88.88 |
15 |
8 |
Давление 1, (первая система) * |
МПа |
Prl |
88.88 |
16 |
9 |
Давление 2, (первая система) * |
МПа |
Pr2 |
88.88 |
17 |
Давление 3, (вторая система) * |
МПа |
РгЗ |
88.88 | |
18 |
- |
Давление 4, (вторая система) * |
МПа |
Pr4 . |
88.88 |
19 |
10 |
Вес импульса первого счетчика воды (первая система) |
л/имп |
PL |
888.8 |
20 |
11 |
Вес импульса второго счетчика воды (первая система) |
л/имп |
PL |
888.8 |
21 |
12 |
Вес импульса третьего счетчика воды (первая система) |
л/имп |
PL |
888.8 |
22 |
- |
Вес импульса первого счетчика воды (вторая система) |
л/имп |
PL |
888.8 |
23 |
- |
Вес импульса второго счетчика воды (вторая система) |
л/имп |
Ж. |
888.8 |
24 |
- |
Вес импульса третьего счетчика воды (вторая система) |
л/имп |
PL |
888.8 |
25 |
13 |
Комплексный параметр: 3, 4 знакоместо (слева-направо) -цифровое обозначение типа системы в первой и второй системах, 5, 6 знакоместо - текущая температура холодной воды, 7 и 8 знакоместо - день отчетного периода для распечаток. |
- |
St 8.8.88.88 |
Примечания: * - если данная функция используется.
-
4.3 Определение метрологических характеристик ВТЭ-1К
-
4.3.1 Тепло вычислитель устанавливается в режим поверки - перемычка J4 в положение 1 (см. рис.1.). В этом режиме осуществляется индикация всех основных параметров, при этом индикация тепловой энергии осуществляется с большой точностью (7 знаков после за-
-
Рис.1. Расположение клеммных колодок и перемычек вычислителя ВТЭ-1 К
-
4.3.2 На магазинах сопротивлений 1 (прямой трубопровод) и 2 (обратный трубопровод), согласно приложению А, последовательно устанавливаются значения, соответствующие значениям температур, указанным в таблице 8.
-
4.3.3 Проверяется соответствие индицируемых тепло вычислителем температур в подающем и обратном трубопроводе установленным значениям. Абсолютная погрешность индикации температуры по каждому из каналов не должна превышать ± 0,3 °C.
-
4.3.4 С помощью кнопки Кн1 (см. рис. приложения А) на импульсные входы тепло-вычислителя подаются 10 импульсов (частота нажатия кнопки - примерно один раз в 1-2 секунды) и через 10-20 секунд по индикатору тепло вычислителя определяется количество рассчитанной тепловой энергии, а также значения объемов по трем входам для счетчиков воды и по входу для счетчика электроэнергии.
Расчетные величины для этих показаний приведены в таблице 8.
Таблица 8
At разность темпера-тур, °C |
Значение температур, °C |
Значение сопротивлении зада ваем ы х темпе р ату р, Ом |
Расчетное число тепловой энергии на 10 импульсов при 100 л/имп, Гкал |
Расчетное значение приращения показаний по входам счетчиков воды и электроэнергии | |||||
ti подающий |
t2 обратный |
подающий |
обратный | ||||||
1 |
2 |
А J |
4 | ||||||
3 |
33 |
30 |
* |
* |
0,0029787 |
0.01 кВтч | |||
70 |
120 |
50 |
* |
* |
0,066304 |
1 м3 |
1 м3 |
1 м3 | |
140 |
150 |
10 |
* |
* |
0,129192 |
* - см. приложение Д.
-
4.3.5 Относительная погрешность вычислений тепловой энергии 5В, %, определяется по формуле (1):
(Q -о }
3 = и -100: (1)
О
\ 7
Qu - измеряемое количество тепловой энергии, Гкал;
Qp- расчетное значение тепловой энергии в поверяемой точке в соответствии с таблицей 5, Гкал.
После этого на 1-2 секунды перемычка .14 переводится в положение 0, и затем снова в положение 1, при этом показания в режиме поверки обнуляются.
Относительная погрешность прибора при вычислении тепловой энергии не должна превышать:
-
- при 3 °C < At < 20 °C - ± 1 %;
-
- при 20 °C < At < 150 °C - ± 0,5 %.
-
4.3.6 После завершения определения метрологических характеристик перемычка J4 устанавливается в положение 0.
4.4 Проверка работоспособности канала измерения объема горячей воды, протекающей в системе ГВС, в зависимости от температуры теплоносителя.
По дисплею тепловычислителя фиксируется значение общего объема горячей воды (показание по третьему счетчику воды, вызываемое кнопкой (►)) и объема горячей воды с учетом прекращения счета при снижении ее температуры ниже запрограммированного значения (показание по кнопке вычислителя (А)).
На магазине сопротивлений 3 (см. рис. приложения А) устанавливаются величины сопротивлений (см. приложение Д), соответствующие значениям температур, указанным в таблице 9, затем для каждой установленной температуры с помощью кнопки Кп1 подаются
МП 4218-021-18151455-2010 10 импульсов и по дисплею фиксируется значение приращения общего объема горячей воды и объема с учетом температуры (необходимо учитывать, что частота обновления данных на индикаторе может составлять до 1 мин). При установленных параметрах вычислителя при температуре 40 °C увеличивается только значение общего объема горячей воды, а при температуре 55 °C - оба показания.
Таблица 9
Значение температур, °C |
Коэффициент преобразования, л/имп |
Расчетное приращение общего объема горячей воды, м3 |
Расчетное приращение объема горячей воды с учетом температуры, м3 |
40 |
100 |
1 |
0 |
55 |
100 |
1 |
1 |
4.5 Определение метрологических характеристик ВТЭ-1П.
-
4.5.1 Тепловычислитель устанавливается в режим поверки - переключатель J3 в положение Он (см. рис.2.). В этом режиме осуществляется индикация всех основных параметров, при этом индикация тепловой энергии осуществляется с большой точностью (7 знаков после запятой).
Плата вычислителя
Разъем соединительного шлейфа

модификаций с функцией реверса
а) базовая модификация (ВТЭ-1 Г1___)
Схема подключения 2х проводная
Схема подключения 4х проводная

б) модификация (ВТЭ-1 П___М)
Рис.2 Расположение клеммных колодок и перемычек вычислителя ВТЭ-1 П.
-
4.5.2 На магазинах сопротивлений 1 (прямой трубопровод 1-ой системы), 2 (обратный трубопровод 1-ой системы), 4 (прямой трубопровод 2-ой системы) и 5 (обратный трубопровод 2-ой системы) согласно приложению Б для обеих систем, последовательно устанавливаются значения, соответствующие значениям температур, указанным в таблице 8.
-
4.5.3 Проверяется соответствие индицируемых тепловычислителем температур в подающем и обратном трубопроводе установленным значениям. Абсолютная погрешность индикации температуры по каждому из каналов не должна превышать ± 0,3 °C.
-
4.5.4 С помощью кнопки SA 2 (см. рис. приложения Б) на импульсные входы тепло-вычислителя подаются 10 импульсов (частота нажатия кнопки - примерно один раз в 1-2 секунды) и через 10-20 секунд по индикатору тепловычислителя определяется количество рассчитанной тепловой энергии, а также значения объемов по трем входам для счетчиков воды.
-
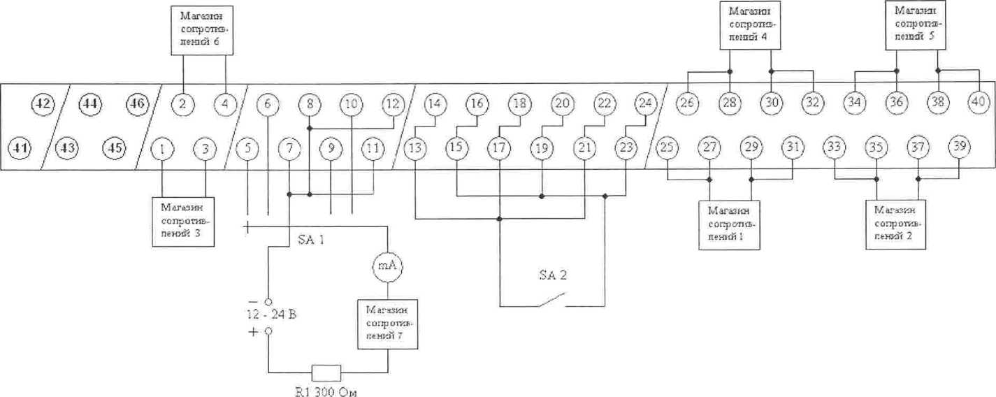
4.5.5 Для проверки датчиков давления на многофункциональном калибраторе MC-5R (или с помощью миллиамперметра с магазином сопротивления, как представлено на рисунке приложения Б) устанавливается значения силы тока, приведенные в табл. 10 и проверяется индицируемое тепловычислителем давление. При поверке датчиков давления используется источник постоянного, стабилизированного напряжения. С помощью SA 1 выбирается вход датчиков давления.
Расчетные величины для этих показаний, приведенные в табл. 10, одинаковы для 2-х систем (значения те же, что и для ВТЭ-1 К).
Таблица 10
Показания миллиамперметра, мА |
Показания вычислителя, МПа |
5 ± 0,05 |
0,096 -0,104 |
20 ± 0,05 |
1,596- 1,604 |
-
4.5.6 Относительная погрешность вычисления тепловой энергии определяется так же, как и для ВТЭ-1К (см. пункт 4.3.5).
-
4.5.7 Для проверки входа термометра горячей воды на магазине 3 - 1-ая система (магазине 6 - 2-ая система) устанавливается значение сопротивления (см. приложение Д) и проверяется индицируемая тепловычислителем температура, равная 50 °C ± 1 °C (величина справочная).
-
4.5.8 После определения метрологических характеристик перемычка J3 устанавливается в положение «Off».
-
5.1 При положительных результатах поверки на крепежный винт платы микропроцессора наносится поверительное клеймо в виде наклейки, препятствующих доступу внутрь прибора. Результаты поверки заносятся в паспорт и удостоверяются подписью поверителя и оттиском поверительиого клейма или оформляется свидетельство о поверке.
-
5.2 Рекомендованный интервал между поверками ВТЭ-1-4года.
-
5.3 Результаты поверки заносятся в протоколы (см. приложение В и Г), соответственно типу тепловычислителя.
-
5.4 При отрицательных результатах поверки прибор к применению недопускается.. Поверительные клейма гасятся и в паспорте делается соответствующая запись.
ЗАО «Тепломер» 141008, г. Мытищи, Московская обл., ул. Колпакова, д. 20. тел /факс: 583-97-50; 728-8017; 586-15-77.
ООО «ПроектСтройМонтаж»
141008 Московская область, г. Мытищи ул. Колпаков д. 26, нежилое помещение VIII
Электрическая схема подключения тепловычислителя ВТЭ-1К для поверки па имитационных устройствах

Электрическая схема подключения тепловычислителя ВТЭ-1 П1 для поверки па имитационных устройствах
А) Для вычислителей стандартного исполнения

А) Для вычислителей исполнения М

•Магазин
сопротивлений 6
Магазин
сопротивлений 5
Магазин
сопротивлений 4

сопротивлений 2
■Магазин
сопротивлений 3
SA 1
Тип:_______________ Заводской №___________________
Методика поверки: МП 4218-021-18151455-2010
Средства поверки:__________________________________
Дата «____»________________20____г.
Поверитель:
Подпись
Ф.И О
1 Определение относительной погрешности измеряемого значения тепловой энергии
Значение температур, °C (Ом) |
Действительное значение температур, °C |
А °C ^доп. |
Кол-во импульсов |
Расчетное значение тепловой энергии, Гкал |
Измеренное значение тепловой энергии, Гкал |
бизм, % |
бдогь % |
Объем по первому счетчику воды, 3 м |
Объем по второму счетчику воды, м3 |
Объем по третьему счетчику воды. м3 |
Кол-во электрич. Энергии. КВтч |
33,0 (564,15) 30,0 (558,35) |
±0,3 |
10 |
0.0029787 |
±1,0 | |||||||
120,0 (730,30) 50.0 (597.00) |
±0,3 |
10 |
0,066304 |
±0,5 | |||||||
150,0 (786,62) 10,0(519,51) |
±0,3 |
10 |
0,129192 |
±0,5 | |||||||
2 Проверка работоспособности канала измерения объема ГВС в зависимости от температуры теплоносителя
Значение температур, °C (Ом) |
Расчетное значение приращения общего объема горячей воды, м3 |
Расчетное значение приращения объема горячей воды с учетом температуры, м~’ |
Измеренное значение приращения общего объема горячей воды, м’ |
Измеренное значение приращения объема горячей воды с учетом температуры, м? |
40,0 (577,70) |
1 |
0 | ||
55,0 (606,60) |
1 |
1 |
Результат поверки:
Тип:_______________ Заводской №_____________________ Дата «____»______________20____г.
Методика поверки: МП 4218-021-18151455-2010
Средства поверки:___________________________________________________________________________
1 Определение относительной погрешности измеряемого значения тепловой энергии
Значение температур (сопротивлений), °C (Ом) |
Действительное значение температур, °C |
Адо л, °C |
Кол-во импульсов |
Расчетное значение тепловой энергии, Гкал |
Измеренное значение тепловой энергии, Гкал |
Физма % |
^ДОП5 % |
Объем по первому счетчику воды,мл |
Объем по второму счетчику воды, м'1 |
Объем по третьему счетчику воды, м3 | ||||||
1 сист. |
2сист. |
1СИСТ. |
2сист. |
1 СИСТ. |
2сист. |
1 сист. |
2сист. |
1СИСТ. |
2сист. |
1 сист. |
2сист. | |||||
33,0 (564,15) |
±0,3 |
10 |
0,0029787 |
±1,0 | ||||||||||||
30,0 (558,35) | ||||||||||||||||
120,0 (730,30) |
± 0.3 |
10 |
0,066304 |
±0,5 | ||||||||||||
50,0 (597.00) | ||||||||||||||||
150,0 (786,62) |
±0,3 |
10 |
0,129192 |
±0,5 | ||||||||||||
10,0 (519,51) |
2 Измерение давления
Расчетное значение давления (тока), МПа, (мА) |
Допуск. МПа |
Действительное значение давления. МПа | |||
Датчик Р| |
Датчик Р2 |
Датчик Р3 |
Датчик Р4 | ||
0,1 (5) |
± 0.004 | ||||
1,6 (20) |
±0,004 |
3 Измерение температуры ГВС
Значение температуры ГВС (R), °C, (Ом) |
Допуск. °C |
Действительное значение температур, °C | |
1 система (Г) |
2 система (t6) | ||
50,0 (597,00) |
± 1,0 |
Результат поверки:
Поверитель:_____
Подпись
/
Ф.И.О
ПРИЛОЖЕНИЕ Д
(справочное)
Значения сопротивлений тсрмопреобразовагелей разных типов вычислителей для различных температур
№ п/п |
Тип вычислителя тепловой энергии |
Температура, nC |
Значение сопротивления, £1 |
33,6 |
565,15 | ||
30,0 |
559,30 | ||
ВТЭ-1П 140 500П |
120.0 |
733,95 | |
1 |
ВТЭ-1П 141 500П |
50,0 |
598,50 |
ВТЭ-1П 15О5ООП |
150,0 |
791,15 | |
ВТЭ-1П 151 500П |
10,0 |
519,80 | |
40,0 |
578,90 | ||
55,0 |
608,25 | ||
33,0 |
564,15 | ||
ВТЭ-1П 140 Pt500 |
30,0 |
558,35 | |
ВТЭ-1П 141 Pt500 |
120,0 |
730,35 | |
2 |
ВТЭ-1П 150 Pt500 |
50,0 |
597,00 |
ВТЭ-1П 151 Pt500 |
150,0 |
786,65 | |
ВТЭ-1К1 |
10,0 |
519,50 | |
ВТЭ-1К2 |
40,0 |
577,70 | |
55,0 |
606,60 | ||
33,0 |
113,03 | ||
30,0 |
111,86 | ||
ВТЭ-1П 140 100П |
120,0 |
146,79 | |
3 |
ВТЭ-1Г1 141 100П |
50,0 |
119,70 |
ВТЭ-1П 150 100П |
150,0 |
158,23 | |
ВТЭ-1П 151 100П |
10,0 |
103,96 | |
40,0 |
115,78 | ||
55,0 |
121,65 | ||
33,0 |
1 12,83 | ||
30,0 |
111,67 | ||
ВТЭ-1П 140 Pt 100 |
120,0 |
146,07 | |
4 |
ВТЭ-1П 141 PtlOO |
50,0 |
119.40 |
ВТЭ-1П 150 PtlOO |
150,0 |
157.33 | |
ВТЭ-1П 151 PtlOO |
10,0 |
103,90 | |
40,0 |
115,54 | ||
55,0 |
121,32 |