Методика поверки «ИЗМЕРИТЕЛЬ ЧАСТИЧНЫХ РАЗРЯДОВ «КОРОНА-20» (МП ТЦПС.411188.022)


ИЗМЕРИТЕЛЬ ЧАСТИЧНЫХ РАЗРЯДОВ «КОРОНА-20 »
Методика поверки
ТЦПС.411188.022 МП
Новосибирск 2016 г.
СОДЕРЖАНИЕНастоящая методика поверки распространяется Измерители частичных разрядов «КОРОНА-20» (далее по тексту - ИЧР), выпускаемые по ТЦПС.411188.022 МП и устанавливает методику первичной и периодической поверки.
Методика соответствует требованиям РМГ 51-2002.
Межповерочный интервал 2 года
1 Операции поверки-
1.1 При проведении поверки должны быть выполнены операции, указанные в таблице 1.
Таблица 1
Номер
Проведение операции при
Наименование операции
пункта
первичной
периодической
поверке
поверке
1 Внешний осмотр
7.1
+
+
2 Проверка электрической прочности изоляции
7.2
+
-
3 Идентификация программного обеспечения СИ
7.3
+
+
4 Опробование
7.4
+
+
5 Определение метрологических характеристик
5.1 Определение диапазона рабочих частот
7.5.1
5.2 Определение подавления сигналов вне диапазона рабочих
7.5.2
+
+
5.3 Определение диапазона значений измеряемых зарядов
7.5.3
+
+
5.4 Определение погрешности измерения ЧР
7.5.4
+
+
5.5 Определение погрешности измерения токов ЧР
7.5.5
+
+
6 Оформление результатов поверки
+
+
Примечания: 1) знаком «+» указана необходимость поверки, знаком «-» отсутствие поверки 2) * допускается проводить до поверки. При предъявлении протокола испытаний повторные испытания по этой позиции не проводятся.
-
1.2 При получении отрицательных результатов при проведении любой операции поверка прекращается и измеритель бракуется
-
2.1 При проведении поверки должны применяться средства измерений, указанные в таблице 2
Таблица 2
|
Наименование операции |
Номер пункта методики |
Средства поверки, их используемые характеристики |
|
Проверка электрической прочности изоляции *) |
7.2 |
Универсальная пробойная установка УПУ-1М. Испытательное напряжение до 10 кВ, Погрешность установки напряжения не более 10 %. |
|
Опробование |
7.4 |
Генератор Г5-60 - амплитуда импульсов не менее 10 В, время нарастания импульсов не более 30 нс, длительность импульсов 10 мкс, частота импульсов (1 - 10)кГц, осциллограф типа TDS 210 - полоса частот 60 МГц, амплитуда измеряемых сигналов до 100 В, погрешность 3 %. |
|
4Определение диапазона рабочих частот |
7.5.1 |
Генератор сигналов Г4-158, диапазон частот 0,9-30 МГц, амплитуда до 2 В; осциллограф типа TDS 210 - полоса частот 60 МГц, амплитуда измеряемых сигналов до 100 В, погрешность 3 %. |
|
5 Определение подавления сигналов вне диапазона рабочих частот |
7.5.2 |
Генератор сигналов Г4-158, диапазон частот 0,1 - 40 МГц, амплитуда до 2 В; осциллограф типа TDS 210 - полоса частот 60 МГц, амплитуда измеряемых сигналов до 100 В, погрешность 3 %. |
|
6 Определение диапазона значений измеряемых зарядов |
7.5.3 |
Генератор Г5-60 - амплитуда импульсов не менее 10 В, время нарастания импульсов не более 30 нс, длительность импульсов 10 мкс, частота импульсов (1 - 10) кГц; осциллограф типа TDS 210 - полоса частот 60 МГц, амплитуда измеряемых сигналов до 100 В, погрешность 3 %. |
|
7 Определение погрешности измерения ЧР |
7.5.4 |
Генератор Г5-60 - амплитуда импульсов не менее 10 В, время нарастания импульсов не более 30 нс, длительность импульсов 10 мкс, частота импульсов (1 - 10) кГц; осциллограф типа TDS 210 - полоса частот 60 МГц, амплитуда измеряемых сигналов до 100 В, погрешность 3 %. |
|
Определение погрешности измерения токов ЧР |
7.5.5 |
Генератор Г5-60 - амплитуда импульсов не менее 10 В, время нарастания импульсов не более 30 нс, длительность импульсов 10 мкс, частота импульсов (1 - 10) кГц; осциллограф типа TDS 210 - полоса частот 60 МГц, амплитуда измеряемых сигналов до 100 В, погрешность 3 %. |
Примечание: допускается использовать другие средства измерений с указанной в таблице 2 точностью.
3 Требования к квалификации поверителей-
3.1 Проведение поверки должен осуществлять поверитель, аттестованный на право поверки электроизмерительных приборов.
-
4.1 При проведении поверки должны соблюдаться:
-
- "Правила технической эксплуатации электроустановок потребителей", М., издательство НЦЭНАС, 2003г.
-
- Правила по охране труда при эксплуатации электроустановок ПОТЭУ-2014.
-
4.2 К работе по поверке допускается персонал, имеющий квалификационную группу по электробезопасности не ниже III в соответствии с "Межотраслевыми правилами по охране труда при эксплуатации электроустановок" и изучившим настоящий документ.
-
5.1 Поверка проводится в нормальных условиях применения:
-
- температура окружающего воздуха (20 ± 10)° С;
-
- относительная влажность воздуха от 30 до 80 %;
-
- атмосферное давление от 84 до 106 кПа (от 630 до 795 мм рт.ст.);
-
- напряжение питающей сети , В 220 ± 4,4;
-
- частота питающей сети, Гц 50 ± 0,5.
-
6.1 Измерители частичных разрядов до начала поверки должны быть выдержаны в условиях, указанных в п.5, не менее 2 часов.
-
6.2 Перед проведением поверки необходимо изучить эксплуатационную документацию на Измеритель и поверочное оборудование и указания по технике безопасности.
-
7.1 Внешний осмотр
-
7.1.1 При внешнем осмотре устанавливается:
-
-
- наличие в паспорте ИЧР штампа предприятия-изготовителя;
-
- отсутствие на поверхности футляра, корпусов МИ и ноутбука механических повреждений;
-
- четкость и ясность надписей и обозначений;
-
- отсутствие видимых деформаций, следов грязи, следов окисления у соединителей кабелей.
ИЧР, имеющий один из перечисленных недостатков, бракуется.
-
7.2 Проверка электрической прочности изоляции
-
7.2.1 Проверку электрической прочности изоляции цепи питания 220 В проводят в соответствии с ГОСТ 22261 при действующем значении испытательного напряжения переменного тока 1500 В в течении Imhh между соединенными вместе контактами вилки питания 220 В и выступающими металлическими частями корпуса.
-
7.2.2 ИЧР не должен иметь пробоя изоляции испытуемых цепей. При наличии пробоя изоляции ИЧР бракуется.
-
-
7.3 Идентификация программного обеспечения
-
7.3.1 Пакет программных файлов должен быть установлен в одну общую папку с названием PdvUsb.
-
Выполнить независимую проверку значении хэш-фунцкии MD5, например при помощи утилиты md5summer (официальный сайт http://www.md5summer.org). Для этого выполнить следующую последовательность действий:
-
1) Скопировать утилиту md5summer в каталог с установленным ПО «Корона-20».
-
2) Запустить на выполнение утилиту md5 summer
-
3) В окне утилиты выбрать каталог с установленным ПО «Корона-20». В данном
случае «ПО».
<Й| MDSSum'ner
__
Please select the root folder:
i

Cepr 13
U S В PD V_H спытаний
Госты ПО
ДимРус
Док для Испыт
Документы для СНИИМ
Документы Корона для СНИИМ
Документы Корона от СНИИМ Идентиф ПО
Идентификаторы Идентификация
ПО
Испытатели сергфикагоры НТД
« Протоколы
, Протоколы 16
1
Рис Г рафики
РЭ К20
РЗ К20-1
Panrri П
Checksum type: MD5
I , __
Create sums | i Verify sums
-
4) Выбрать «Createsums»
И Creeze ‘ist of flies to я
,1.
Folders:
_. 40291.ini

Number of Items: 7
G:\000 ПСЛСерт 13\Идентиф nOU"IOW0291 .xml GAOOO ПСЮерт 13\Идентиф no\notAViewer.exe G:\000 ПСЮерт 13\Идентиф no\no\pdmon.udl G:\000 ПСЮерт 13\Идентиф nO\nOtPdv_USB.exe GAOOO ПС\Серт 13\Идентиф nOTIOtRtusbapi.dll G:\000 ПСЮерт 13Мдентиф no\no\Usb3000.rtd G:\000 ПСЮерт 1ЗМдентиф no\no\wrRtusbapi.dll
- [;^,к:.£1еаг.;Ш..........
Ajjd ] I Add recursively |
-
5) В новом окне отметить файлы для расчета хэш-функций.
-
6) Нажать клавиши «add» и «ОК»
-
7) Утилита открывает окно с результатами расчетов хэш-функций отмеченных файлов. В другом окне будет предложено дать имя файлу с хэш-функциями и определить место хранения этого файла. Это текстовый файл, при первичной поверке является эталонным для дальнейшего контроля сохранности ПО. Доступ к нему должен быть огра
ничен, твердая копия должна храниться в составе документов на Корона-20.
И MDSsarrs: Generating..
_
| File
Ц 40291. nd 0 AViewer. exe 0 pdmon.udl

fb64971Z5d80dZae63dla8bZ43d51e6e
0 Pdv_USB. exe
0 Rtusbapi.dll
j0Usb3OQO.rtd 0 wr Rtusbapi. dll
c8e4bbf09b23c7dea52de0499c9ffec2
00c51dfc66b55a87f5b92b5fe51476d6
81a99dc3302e8c932el2b33718bb7868
6clfc0ced57Z5bbcdb674ba3eacll77b
fbed7ec396de8d4da6cbdd314fd2ee74
e5706dd62b2f40417a5036cd5bf50f4d
Key
: 0 Unprocessed
0 OK/Done
0 Processing
S Error (0 so far)
Batch (7 of 7):

OSec
File Information
Path:
G:\000 ПС\Серт 13\ИденгиФ ПО\ПО\
Name: wrRtusbapidll
Size: 56,00 Kb

-
8) Полученные значения хэш-кода сличить визуально с контрольными значениями, указанными в паспорте Измерителя или произвести сравнение с эталонным файлом, поставляемом в комплекте ПО
-
7.4 Опробование
-
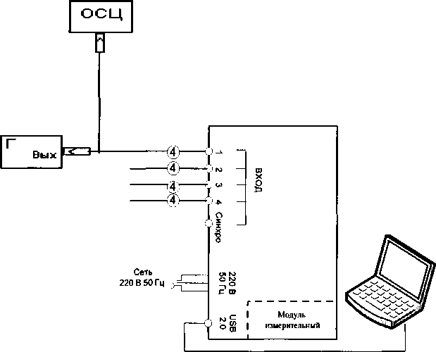
7.4.1 Собрать схему (рисунок 7.1) с применением градуировочного конденсатора Сг и импульсного трансформатора ТТ.
-


Г - генератор импульсов;
Сг - градуировочный конденсатор типа К10-17-М47 (33...75) пФ ± 5%,
ТТ -симметричный импульсный трансформатор с индуктивностью обмоток (25...50) мкГ;
ОСЦ - осциллограф;
4, 5 - кабели соединительные;
Рисунок 7.1 Основная схема проверки характеристик ИЧР
-
7.4.2 Установить режимы работы генератора:
-
- запуск автоматический;
-
- длительность импульса 35 мкс;
-
- период повторения импульсов 3,3 кГц;
-
- амплитуда импульса 5 В.
Проводить измерения имитируемых ЧР поочередным подключением выхода ТТ к каждому входу МИ (по всем четырем каналам).
-
7.4.3 Проанализировать визуально графики распределений N(q), q(R). При нормальном функционировании ИЧР и исправности всех кабельных соединений регистрируемые значения ЧР Q(R=0,5) по каждому каналу не должны различаться более, чем на 30 %. В противном случае ИЧР забраковывается.
-
7.5 Определение метрологических характеристик
-
7.5.1 Определение диапазона рабочих частот
-
7.5.1.1 Собрать схему согласно рисунка 7.2, предусматривающей подключение выхода генератора непосредственно ко входам измерителя.

-
-
Г - генератор Г4-158;
ОСЦ - осциллограф типа TDS 210;
4, 5 - кабели соединительные;
Рисунок 7.2 Схема проверки диапазона рабочих частот
-
7.5.1.2 Включить ИЧР.
-
7.5.1.3 Установить на выходе генератора синусоидальное напряжение амплитудой 25...30 мВ.
-
7.5.1.4 Изменяя частоту генератора от 900 кГц до 30 МГц и подключая выход генератора поочередно к входам МИ, измерять с помощью ИЧР отклики и заполнить табл.7 показаниями измеренного заряда q(R=0,5) при коэффициенте регулярности 0,5 (из главного окна Программы).
Таблица 7.1
|
Входы |
Показания ИЧР, пКл, на частотах, МГц |
Ss,75 |
0.5 S5.75 | |||||||
|
0,9 |
1 |
1,5 |
2 |
5,75 |
10 |
20 |
30 | |||
|
«1» | ||||||||||
|
«2» | ||||||||||
|
«3» | ||||||||||
|
«4» | ||||||||||
-
7.5.1.5 Результаты проверки считаются положительными, если в диапазоне частот от 1,5 до 10 МГц значения измеренного заряда в каждом канале составляют не менее 0,5 от значения в том же канале на частоте 5,75 МГц.
-
7.5.2 Определение подавления сигналов вне диапазона рабочих частот.
-
7.5.2.1 Установить на выходе генератора амплитуду синусоидального сигнала напряжением (1 - 2) В.
-
7.5.2.2 Изменяя частоту генератора от 0,1 МГц до 40 МГц, подключая выход генератора поочередно к входам измерителя, измерить измерителем ЧР отклик и заполнить табл. 7.2 показаниями измеренного заряда q(R=0,5) при коэффициенте регулярности 0,5.
Таблица 7.2
Входы
Показания ИЧР
0,1
0,5
0,9
1,5
«1»
«2»
«3»
«4»
, пКл, на частотах, МГц
5,75
10
20
30
40
-
7.5.2.3 Результаты проверки считаются положительными, если подавление сигналов на частотах от 0,1 до 0,9 МГц включительно составляет более 30 дБ, а на частотах от 30 МГц и выше - более 20 дБ.
-
-
7.5.3 Определение диапазона значений измеряемых ЧР
-
7.5.3.1 Определение диапазона значений измеряемых зарядов осуществляется по схеме рисунка 7.1, подключая по очереди выход ТТ к соответствующим входам ИЧР. При этом следует выполнить следующие операции:
-
-
1) Установить режим работы импульсного генератора: - запуск - автоматический;
-
- длительность импульса 35 мкс;
-
- период повторения импульсов 3,3 кГц.
-
2) Произвести градуировку схемы измерения в соответствии с п. 7.4 при величине градуировочного заряда Оград = (1-2) нКл. Величина имитируемого ЧР определяется как Оград = Аи х СГ; где Аи - амплитудное значение импульса напряжения на выходе генератора, Сг - емкость градуировочного конденсатора, через который протекает разрядный ток.
-
3) Изменяя амплитуду импульсов генератора Аи и соответствующий ей заряд Q, заполнить таблицу 8.3 показаниями ИЧР, содержащими измеренные значения заряда ql, q2, q3, q4 по каждому каналу при регулярности заряда R = 0, 5. Диапазон изменения Q от 5 пКл до 1 нКл.
Табл. 7.3
|
№ п/п |
Аи, В |
Q, нКл |
Показания ИЧР, н |
<л |
Примечания | ||
|
41 |
42 |
4з |
44 | ||||
-
7.5.3.2 Верхнее значение диапазона измеряемых ЧР определяют расчетным методом:
-
1) В главном окне Программы открывают вкладку «View/Осциллограммы» (рис.
8.4). Выбор сигналов для просмотра на графике осциллограмм производится установкой флага у соответствующих сигналов.
-
2) По осциллограмме проверяемого канала определяют амплитуду импульсов Аи [В], измеренную ИЧР.
-
3) Запас динамического диапазона К определяют по формуле:
К = (2, 8-Аи)/0,023, [дБ].
Рисунок 8.4 Окно осциллограмм сигналов
-
7.5.3.3 Результаты проверки диапазона измеряемых ЧР считаются положительными, если отклонение показаний ИЧР ql, q2, q3, q4 от соответствующего заряда Q не превышает значения (30 +l/q), где q - измеренный заряд, нКл, а значение запаса динамического диапазона К не менее 35 дБ для каждого канала.
-
7.5.4 Определение погрешности измерения ЧР
-
7.5.4.1 Проверку погрешности измерения ЧР производят при проверке диапазона значений измеряемых зарядов по таблице 8.3.
-
7.5.4.2 Результаты проверки погрешности измерения ЧР считаются положительными, если отклонение показаний ИЧР ql, q2, q3, q4 от соответствующего заряда Q не превышает значения (30 +l/q), где q - измеренный заряд, пК.
-
-
7.5.5 Определение погрешности измерения токов ЧР
-
7.5.5.1 Определение погрешности измеряемых токов производится по схеме рисунка 8.1 с применением расчетов в следующей последовательности:
-
-
1) Установить режим работы импульсного генератора:
-
- запуск - автоматический;
-
- длительность импульса 37 мкс;
-
- период повторения импульсов 1,973 кГц.
-
2) Произвести градуировку схемы измерения в соответствии с п. 7.4 при величине градуировочного заряда <3град = (0,9 - 1) нКл.
-
3) Сформировать испытательный заряд q = (0,5 - 1) нКл в соответствии с п.
7.5.3.1. При таких установках расчетный ток определяется формулой
I = q*f*2 7.1
-
4) Произвести измерение тока ЧР каждым каналом, поочередно подключая их к источнику сигнала. Результаты проверки считаются положительными, если отклонение измеренного тока ЧР I(R=0,5) от расчетного не превышает 30+l/I(R=0,5).
-
8.1.1 Результаты поверки оформляются в соответствии с правилами Пр 50.2.006.
-
8.1.2 Положительные результаты периодической поверки оформляют свидетельством о поверке, гасят клеймо предыдущей поверки и наносят оттиск поверительно-го клейма текущей поверки.
-
8.1.3 При отрицательных результатах поверки оформляют извещение о непригодности. Клеймо и свидетельство предыдущей поверки гасят.
14
