Методика поверки «Автоматизированная система измерения кабелей 3S-XLD» (Код не указан!)
СОГЛАСОВАНО
УТВЕРЖДАЮ
Генеральный директор
ЗАО «Полимет»
Заместитель генерального директора
по метрологии

Автоматизированная система измерения кабелей 3S-XLD
МЕТОДИКА ПОВЕРКИ г. Ростов-на-Дону 2016г.
ОБЩИЕ СВЕДЕНИЯНастоящая методика устанавливает методы и средства первичной и периодической поверки автоматизированной системы измерения кабелей 3S-XLD (далее - системы 3S-XLD или изделия), изготовленного DCM Industries Inc, США, находящегося в эксплуатации, а также после хранения и ремонта.
Межповерочный интервал- один год.
1 ОПЕРАЦИИ ПОВЕРКИ-
1.1 При проведении поверки должны быть выполнены следующие операции поверки, указанные в табл. 1.
Таблица 1
|
№ |
Наименование операции |
Пункт методики |
Проведение операции при | |
|
Первичной поверке |
Периодической поверке | |||
|
1 |
Внешний осмотр |
7.1 |
Да |
Да |
|
2 |
Опробование |
7.2 |
Да |
Да |
|
3 |
Проверка погрешности измерения электрического сопротивления металлического кабеля |
7.3 |
Да |
Да |
|
4 |
Проверка погрешности измерения коэффициента затухания металлического кабеля |
7.4 |
Да |
Да |
|
5 |
Проверка погрешности измерения переходного затухания на ближнем конце металлического кабеля |
7.5 |
Да |
Да |
-
2.1 При проведении поверки должны применяться средства поверки, указанные в таблице 2
Таблица 2
|
Номер пункта методики поверки |
Наименование и тип средства поверки, метрологические характеристики |
|
7.3 |
Цифровой измеритель L, С, R Е7-8 (Регистрационный № 4353-74); Генератор сигналов высокочастотный Г4-151 |
|
(Регистрационный № 8095-81); Вольтметр переменного тока диодный компенсационный ВЗ-49 (Регистрационный № 5477-76) | |
|
7.4 |
Цифровой измеритель L, С, R Е7-8 (Регистрационный № 4353-74); Генератор сигналов высокочастотный Г4-151 (Регистрационный № 8095-81); Вольтметр переменного тока диодный компенсационный ВЗ-49 (Регистрационный № 5477-76) |
|
7.5 |
Цифровой измеритель L, С, R Е7-8 (Регистрационный № 4353-74); Генератор сигналов высокочастотный Г4-151 (Регистрационный № 8095-81); Вольтметр переменного тока диодный компенсационный ВЗ-49 (Регистрационный № 5477-76) |
-
2.2 Допускается использовать другие средства поверки с аналогичными метрологическими характеристиками.
-
2.3 Средства поверки должны быть исправны, поверены и иметь свидетельства о поверке.
-
3.1 При поверке должны выполняться меры безопасности, указанные в руководствах и инструкциях по эксплуатации поверяемого анализатора и средств поверки.
-
4.1 При поверке должны выполняться меры безопасности, указанные в руководствах и инструкциях по эксплуатации поверяемого тестера и средств поверки.
-
5.1 При проведении поверки должны соблюдаться следующие условия:
-
- температура окружающей среды (20±5) °C;
-
- относительная влажность воздуха (65±15) %;
-
- атмосферное давление (100±8) кПа;
-
- напряжение сети питания (220±11) В;
-
- частота промышленной сети (50±0,5) Гц;
-
6.1 Перед проведением поверки следует проверить наличие эксплуатационной документации и срок действия свидетельств о поверке на средств поверки.
-
6.2 Включить средства поверки и прогреть их в течение времени, указанного в инструкции по эксплуатации.
-
7.1 Внешний осмотр.
-
7.1.1 Визуальным осмотром проверяют соответствие изделий технической документации в части комплектности, фиксации регулировочных элементов, маркировки, упаковки, а так же проверяется соответствие идентификационных признаков ПО указанным в описании типа. Также проверяют отсутствие видимых повреждений, целостность соединительных каблей, зажимов и разъемов.
-
-
7.2 Опробование
При опробовании необходимо проверить функционирование 3S-XLD. В соответствии с описанием режимов работы изделия в эксплуатационной документации, необходимо убедиться, что 3S-XLD корректно работает в каждом из режимов, все функции исправны и изделие готово к работе. Изделие должно адекватно реагировать на манипуляции оператора.
Если опробование покажет правильное функционирование системы 3S-XLD, приступают к следующим пунктам настоящей методики поверки.
-
7.3 Проверка погрешности измерения электрического сопротивления металлического кабеля
Для проверки погрешности измерения электрического сопротивления металлического кабеля необходимо выбрать не менее двух опытных образцов катушек двужильного кабеля.
-
7.3.1 Сначала определяют сопротивление каждой из жил катушек кабелей, пользуясь измерителем цифровым Е7-8. Получают «эталонное» значение сопротивления Rb
-
7.3.2 Затем измеряют сопротивление каждой из жил катушек кабелей испытуемой системой 3S-XLD пользуясь инструкцией в эксплуатационной документации. Получают «измеренное» значение сопротивления R2.
-
7.3.3 Определяют абсолютную погрешность измерения AR, сравнив значение сопротивления, измеренное при помощи Е7-8, со значением сопротивления, измеренное при помощи 3S-XLD.
AR-(R2-Ri), (1)
где AR значение абсолютной погрешности измерения сопротивления, Ом;
R] значение сопротивления, измеренное при помощи Е7-8, Ом;
R2 значение сопротивления, измеренное при помощи 3S-XLD, Ом.
-
7.3.4 Система 3S-XLD признается годной, если погрешность измерения сопротивления для всех пар не превышает значения AR= ±(0,01 R+0,04), где R - измеренное значение электрического сопротивления, Ом.
-
7.4 Проверка погрешности измерения коэффициента затухания металлического кабеля
Для проверки погрешности измерения коэффициента затухания металлического кабеля, необходимо выбрать кабель длиной (100 ± 1) м.
Коэффициент затухания измеряют по схеме, приведенной на рисунке 1. Коэффициент затухания а, дБ/100 м, определяют по формуле.
/Ро\ 100 fU0\ 100
а=1о1пУ—=20|пЫ~ (2)
где Po(Uo) - мощность (напряжение) сигнала на выходе генератора сигналов, Вт (В);
Pi(Ui) - мощность (напряжение) сигнала на входе приемника анализаторов цепей или измерительного приемника, Вт (В).
-
7.4.1 Сначала определяют коэффициент затухания контрольных катушек кабелей на испытуемой системе 3S-XLD.
Коэффициент затухания определяют для каждой пары на частоте 100 МГц: Аюо-н, совершая соответствующие операции, указанные в
эксплуатационной документации на испытуемую систему 3S-XLD.
-
7.4.2 Затем измеряют коэффициент затухания тех же пар жил опытных образцов катушек кабеля при помощи эталонного оборудования как отношение выходного уровня мощности Рвых генератора к входному уровню мощности Рвх системы по формуле:
КНА=(РВЫх/Рвх), (3)
-
7.4.3 Определяют абсолютную погрешность измерения коэффициента затухания, сравнив показания испытуемой системы с известными значениями, по формуле:
Да=(Киа - КНА), (4)
где, Аа - абсолютная погрешность измерении коэффициента затухания;
КИА -значение коэффициента затухания, измеренное испытуемой системой 3S-XLD;
К"Л -значение коэффициента затухания, измеренное при помощи эталонного оборудования.
-
1 - анализатор цепей или генератор сигналов (ГС); 2 - симметрирующий трансформатор; 3 - анализатор цепей или измерительный приемник (ИП); 4 -измеряемый кабель; Rc и К.ц - резисторы симметричной и несимметричной цепей соответственно; L - длина измеряемого кабеля; Ро (Uo) - мощность (напряжение) сигнала на выходе ГС; Р] (Ui) - мощность (напряжение) сигнала на входе ИП Рисунок 1 - Схема измерения коэффициента затухания
-
7.4.4 Система 3S-XLD считается годным, если погрешность измерения коэффициента затухания металлического кабеля, не превышает значения ±(0,2 - 3,0) дБ, для соответствующего значения контролируемого параметра.
7.5 Проверка погрешности измерения переходного затухания на ближнем конце металлического кабеля
Для проверки погрешности измерения переходного затухания на ближнем конце металлического кабеля, необходимо выбрать контрольный образец катушки четырех жильного кабеля длиной (100 ± 1) м.
-
7.5.1 Переходное затухание на ближнем конце между парами кабеля определяют по схеме, приведенной на рисунке 2.

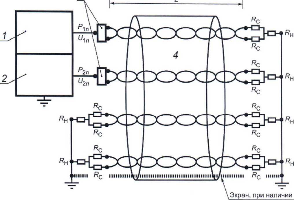
1 - анализатор цепей или генератор сигналов; 2 - анализатор цепей или измерительный приемник; 3 - симметрирующий трансформатор; 4 -измеряемый кабель; Rc и Rh - нагрузки симметричной и несимметричной цепей соответственно; Р]д (U^i) - мощность (напряжение) сигнала на ближнем конце влияющей пары; Р2л (игл) - мощность (напряжение) сигнала на ближнем конце подверженной влиянию пары
Рисунок 2 - Схема измерения переходного затухания на ближнем конце между парами кабеля
-
7.5.2 Переходное затухание на ближнем конце NEXT, дБ, определяют по формуле:
У1л
и2л
Ргл
Р2Л
£1 z2 где, Р,л (и1Л) - мощность (напряжение) сигнала на ближнем конце влияющей
NEXT = 10 lg
= 201g
+ 10 lg
(5)
пары;
Р2л (игл) - мощность (напряжение) сигнала на ближнем конце подверженной влиянию пары;
Z] и Z2 -номинальные волновые сопротивления влияющей и подверженной влиянию пары соответственно, Ом.
-
7.5.3 Для оценки погрешности определения переходного затухания на ближнем конце, необходимо значения, полученные при выполнении п.п. 7.5.1, 7.5.2 (взятые в качестве опорных значений), сравнить со результатами измерений переходного затухания на ближнем конце, полученные системой 3S-XLD. При работе с системой 3S-XLD, необходимо пользоваться инструкцией по эексплуатации на систему.
-
7.5.4 Система 3S-XLD считается годной, если погрешность измерения переходного затухания на ближнем конце металлического кабеля, не превышает значения ±0,5 дБ.
-
8.1 В случае положительного результата поверки, на систему
оформляется свидетельство о поверке.
-
8.2 В случае отрицательного результата поверки, на систему
оформляется извещение о непригодности, система не допускается к эксплуатации.
-
8.3 Формы документов, оформляемых по результатам поверки должны соответствовать положениям приказа Минпромторга № 1815 от 02.06.2015г.
Настоящая методика устанавливает методы и средства первичной и периодической поверки автоматизированной системы измерения кабелей 3S-XLD (далее - системы 3S-XLD или изделия) с заводским номером 5012-1004, изготовленной DCM Industries Inc, США, находящейся в эксплуатации, а также после хранения и ремонта.
Межповерочный интервал- один год.
1 ОПЕРАЦИИ ПОВЕРКИ-
1.1 При проведении поверки должны быть выполнены следующие операции поверки, указанные в табл. 1.
Таблица 1
|
№ |
Наименование операции |
Пункт методики |
Проведение операции при | |
|
Первичной поверке |
Периодической поверке | |||
|
1 |
Внешний осмотр |
7.1 |
Да |
Да |
|
2 |
Опробование |
7.2 |
Да |
Да |
|
3 |
Проверка погрешности измерения электрического сопротивления металлического кабеля |
7.3 |
Да |
Да |
|
4 |
Проверка погрешности измерения коэффициента затухания металлического кабеля |
7.4 |
Да |
Да |
|
5 |
Проверка погрешности измерения переходного затухания на ближнем конце металлического кабеля |
7.5 |
Да |
Да |
-
2.1 При проведении поверки должны применяться средства поверки, указанные в таблице 2
Таблица 2
|
Номер пункта методики поверки |
Наименование и тип средства поверки, метрологические характеристики |
|
7.3 |
Цифровой измеритель L, С, R Е7-8 (Регистрационный № 4353-74); |
|
Генератор сигналов высокочастотный Г4-151 (Регистрационный № 8095-81); Вольтметр переменного тока диодный компенсационный ВЗ-49 (Регистрационный № 5477-76) | |
|
7.4 |
Цифровой измеритель L, С, R Е7-8 (Регистрационный № 4353-74); Генератор сигналов высокочастотный Г4-151 (Регистрационный № 8095-81); Вольтметр переменного тока диодный компенсационный ВЗ-49 (Регистрационный № 5477-76) |
|
7.5 |
Цифровой измеритель L, С, R Е7-8 (Регистрационный № 4353-74); Генератор сигналов высокочастотный Г4-151 (Регистрационный № 8095-81); Вольтметр переменного тока диодный компенсационный ВЗ-49 (Регистрационный № 5477-76) |
-
2.2 Допускается использовать другие средства поверки с аналогичными метрологическими характеристиками.
-
2.3 Средства поверки должны быть исправны, поверены и иметь свидетельства о поверке.
-
3.1 При поверке должны выполняться меры безопасности, указанные в руководствах и инструкциях по эксплуатации поверяемого анализатора и средств поверки.
-
4.1 При поверке должны выполняться меры безопасности, указанные в руководствах и инструкциях по эксплуатации поверяемого тестера и средств поверки.
-
5.1 При проведении поверки должны соблюдаться следующие условия:
-
- температура окружающей среды (20±5) °C;
-
- относительная влажность воздуха (65±15) %;
-
- атмосферное давление (100±8) кПа;
-
- напряжение сети питания (220±11) В;
-
- частота промышленной сети (50±0,5) Гц;
-
6.1 Перед проведением поверки следует проверить наличие эксплуатационной документации и срок действия свидетельств о поверке на средств поверки.
-
6.2 Включить средства поверки и прогреть их в течение времени, указанного в инструкции по эксплуатации.
-
7.1 Внешний осмотр.
-
7.1.1 Визуальным осмотром проверяют соответствие изделий технической документации в части комплектности, фиксации регулировочных элементов, маркировки, упаковки, а так же проверяется соответствие идентификационных признаков ПО указанным в описании типа. Также проверяют отсутствие видимых повреждений, целостность соединительных каблей, зажимов и разъемов.
-
-
7.2 Опробование
При опробовании необходимо проверить функционирование 3S-XLD. В соответствии с описанием режимов работы изделия в эксплуатационной документации, необходимо убедиться, что 3S-XLD корректно работает в каждом из режимов, все функции исправны и изделие готово к работе. Изделие должно адекватно реагировать на манипуляции оператора.
Если опробование покажет правильное функционирование системы 3S-XLD, приступают к следующим пунктам настоящей методики поверки.
-
7.3 Проверка погрешности измерения электрического сопротивления металлического кабеля
Для проверки погрешности измерения электрического сопротивления металлического кабеля необходимо выбрать не менее двух опытных образцов катушек двужильного кабеля.
-
7.3.1 Сначала определяют сопротивление каждой из жил катушек кабелей, пользуясь измерителем цифровым Е7-8. Получают «эталонное» значение сопротивления Rj.
-
7.3.2 Затем измеряют сопротивление каждой из жил катушек кабелей испытуемой системой 3S-XLD пользуясь инструкцией в эксплуатационной документации. Получают «измеренное» значение сопротивления R2.
-
7.3.3 Определяют абсолютную погрешность измерения ЛИ, сравнив значение сопротивления, измеренное при помощи Е7-8, со значением сопротивления, измеренное при помощи 3S-XLD.
AR=(R2 —R|), (1)
где AR значение абсолютной погрешности измерения сопротивления, Ом;
Ri значение сопротивления, измеренное при помощи Е7-8, Ом;
R2 значение сопротивления, измеренное при помощи 3S-XLD, Ом.
-
7.3.4 Система 3S-XLD признается годной, если погрешность измерения сопротивления для всех пар не превышает значения AR= ±(0,01 -R+0,04), где R - измеренное значение электрического сопротивления, Ом.
-
7.4 Проверка погрешности измерения коэффициента затухания металлического кабеля
Для проверки погрешности измерения коэффициента затухания металлического кабеля, необходимо выбрать кабель длиной (100 ± 1) м.
Коэффициент затухания измеряют по схеме, приведенной на рисунке 1. Коэффициент затухания а, дБ/100 м, определяют по формуле.
/Ро\ 100 fU0\ 100
а=10|"й)—=201"6/г)— (2)
где Po(Uo) - мощность (напряжение) сигнала на выходе генератора сигналов, Вт (В);
Pi(Ui) - мощность (напряжение) сигнала на входе приемника анализаторов цепей или измерительного приемника, Вт (В).
-
7.4.1 Сначала определяют коэффициент затухания контрольных катушек кабелей на испытуемой системе 3S-XLD.
Коэффициент затухания определяют для каждой пары на частоте 100 МГц: Aioo-н, совершая соответствующие операции, указанные в
эксплуатационной документации на испытуемую систему 3S-XLD.
-
7.4.2 Затем измеряют коэффициент затухания тех же пар жил опытных образцов катушек кабеля при помощи эталонного оборудования как отношение выходного уровня мощности РВЬ|Х генератора к входному уровню мощности Рвх системы по формуле:
КНА=(РВЬ1Х/Рвх), (3)
-
7.4.3 Определяют абсолютную погрешность измерения коэффициента затухания, сравнив показания испытуемой системы с известными значениями, по формуле:
Ал=(Киа - КНА), (4)
где, Аа - абсолютная погрешность измерении коэффициента затухания;
К"А -значение коэффициента затухания, измеренное испытуемой системой 3S-XLD;
К"А -значение коэффициента затухания, измеренное при помощи
1 - анализатор цепей или генератор сигналов (ГС); 2 - симметрирующий трансформатор; 3 - анализатор цепей или измерительный приемник (ИП); 4 -измеряемый кабель; Rc и RH - резисторы симметричной и несимметричной цепей соответственно; L - длина измеряемого кабеля; Ро (Uo) - мощность (напряжение) сигнала на выходе ГС; Pi (Ui) - мощность (напряжение) сигнала на входе ИП Рисунок 1 - Схема измерения коэффициента затухания
-
7.4.4 Система 3S-XLD считается годным, если погрешность измерения коэффициента затухания металлического кабеля, не превышает значения ±(0,2 - 3,0) дБ, для соответствующего значения контролируемого параметра.
7.5 Проверка погрешности измерения переходного затухания на ближнем конце металлического кабеля
Для проверки погрешности измерения переходного затухания на ближнем конце металлического кабеля, необходимо выбрать контрольный образец катушки четырех жильного кабеля длиной (100 ± 1) м.
-
7.5.1 Переходное затухание на ближнем конце между парами кабеля определяют по схеме, приведенной на рисунке 2.

1 - анализатор цепей или генератор сигналов; 2 - анализатор цепей или измерительный приемник; 3 - симметрирующий трансформатор; 4 -измеряемый кабель; Rc и RfI - нагрузки симметричной и несимметричной цепей соответственно; Pui (Um) - мощность (напряжение) сигнала на ближнем конце влияющей пары; Р2Л (U2ji) - мощность (напряжение) сигнала на ближнем конце подверженной влиянию пары Рисунок 2 - Схема измерения переходного затухания на ближнем конце между парами кабеля
-
7.5.2 Переходное затухание на ближнем конце NEXT, дБ, определяют по формуле:
NEXT = 10 lg
Р1Л
Р2Л
= 201g
£1Л
^2Л
+ Ю lg
(5)
пары;
Р2л (Um) - мощность (напряжение) сигнала на ближнем конце подверженной влиянию пары;
Zt и Z2 - номинальные волновые сопротивления влияющей и подверженной влиянию пары соответственно, Ом.
-
7.5.3 Для оценки погрешности определения переходного затухания на ближнем конце, необходимо значения, полученные при выполнении п.п. 7.5.1, 7.5.2 (взятые в качестве опорных значений), сравнить со результатами измерений переходного затухания на ближнем конце, полученные системой 3S-XLD. При работе с системой 3S-XLD, необходимо пользоваться инструкцией по эексплуатации на систему.
-
7.5.4 Система 3S-XLD считается годной, если погрешность измерения переходного затухания на ближнем конце металлического кабеля, не превышает значения ±0,5 дБ.
-
8.1 В случае положительного результата поверки, на систему оформляется свидетельство о поверке.
-
8.2 В случае отрицательного результата поверки, на систему оформляется извещение о непригодности, система не допускается к эксплуатации.
-
8.3 Формы документов, оформляемых по результатам поверки должны соответствовать положениям приказа Минпромторга № 1815 от 02.06.2015г.
