Методика поверки «Блоки согласующие БС-16М АО "Вибро-прибор"» (ЖЯИУ.411521.003 МП)



Утверждаю
„х.„. nrvr,., op ФГУП
{.И. Менделеева»
It
fH- В. Гоголинский
2017 г.

- i’ ’»

4/ ’ •'>*?

БЛОКИ СОГЛАСУЮЩИЕ
БС-16М
И.о.руководителя лаборатории 2520
ФГУП «ВЫИИМ им .Д.И. Менделеева»
С )___________Козляковский А. А.
«____»_____________________2017 г.
Санкт- Петербург 2017 г.
СОДЕРЖАНИЕ
-
-
5.4 Определение метрологических характеристик
-
5.4.1 Определение номинального значения коэффициента
-
преобразования на базовой частоте
-
5.4.2 Определение отклонения действительного значения
коэффициента преобразования на базовой частоте от номинального значения
-
5.4.2.1 Определение действительного значения
коэффициента преобразования для каждого канала блока
-
5.4.3 Определение нелинейности амплитудной характеристики
-
5.4.4 Определение основной относительной погрешности
преобразования входного электрического заряда в выходной сигнал......
-
5.4.4.1 Определение неравномерности амплитудно-
частотной характеристики в диапазоне частот
-
5.4.4.2 Определение основной относительной погрешности
преобразования входного электрического заряда в выходной сигнал......
-
5.4.5 Определение относительного затухания амплитудно-
частотной характеристики встроенных фильтров за пределами рабочего диапазона частот
-
5.4.6 Определение основной относительной погрешности
выдачи сигналов «ПОВЫШЕННАЯ ВИБРАЦИЯ» и «ОПАСНАЯ ВИБРАЦИЯ»
Приложение А Схема подключения блока БС-16М при поверке по пп.5.3,5.4.2,5.4.3,5.4.5,5.4.6
Приложение Б Протокол поверки блока БС-16М
ВВЕДЕНИЕНастоящая методика поверки (МП) распространяется на блоки согласующие БС-16М (в дальнейшем - блоки согласующие) и устанавливает методику первичной и периодической поверок.
Интервал между поверками 3 года.
Блоки согласующие предназначены для измерения следующих физических величин вибрации:
-
- V, мм/с - амплитудное значение виброскорости;
-
- VCIC3, мм/с - среднее квадратическое значение (СКЗ) виброскорости;
-
- а, м/с2 - амплитудное значение виброускорения;
-
- аскз, м/с2 - среднее квадратическое значение (СКЗ) виброускорения.
Измерение физических величин вибрации осуществляется путем преобразования электрических зарядов от вибропреобразователей в пропорциональные выходные сигналы:
а) постоянное напряжение Ипост. (U);
б) постоянный ток Бюст. (I);
в) переменный ток 1перем. (L);
г) напряжение переменного тока UncpcM. (U~).
Блоки согласующие выпускаются по техническим условиям ЖЯИУ.411521.003 ТУ.
Поверка блоков согласующих производится юридическими лицами или индивидуальными предпринимателями, аккредитованными на право проведения поверки средств измерений.
Количество поверяемых каналов измерения и их технические характеристики определяются паспортом на поверяемые блоки согласующие.
Поверка проводится последовательно для всех каналов измерений.
Допускается проведение поверки отдельных каналов измерений в соответствии с заявлением владельца блоков согласующих, с указанием в свидетельстве о поверке информации об объеме проведенной поверки.


1.1 При проведении поверки блоков согласующих должны выполняться операции, указанные в таблице 1.
Таблица 1- Проводимые операции при первичной и периодической поверке
Наименование операции |
Номер пункта методики поверки |
Проведение операции при | |
первичной поверке |
периодической поверке | ||
1 Внешний осмотр |
5.1 |
Да |
Да |
2 Проверка электрического сопротивления изоляции |
5.2 |
Да |
Да |
3 Опробование |
5.3 |
Да |
Да |
3.1 Контроль исправности |
5.3.1 |
Да |
Да |
4 Определение метрологических характеристик |
5.4 |
Да |
Да |
4.1 Определение номинального значения коэффициента преобразования на базовой частоте |
5.4.1 |
Да |
Да |
4.2 Определение отклонения действительного значения коэффициента преобразования на базовой частоте от номинального значения |
5.4.2 |
Да |
Да |
4.3 Определение нелинейности амплитудной характеристики в диапазоне измерений |
5.4.3 |
Да |
Да |
4.4 Определение основной относительной погрешности преобразования входного электрического заряда в выходной сигнал |
5.4.4 |
Да |
Да |
4.4.1 Определение неравномерности амплитудно-частотной характеристики в диапазоне частот |
5.4.4.1 |
Да |
Да |
4.4.2 Определение основной относительной погрешности преобразования входного электрического заряда в выходной сигнал |
5.4.4.2 |
Да |
Да |
4.5 Определение относительного затухания амплитудно-частотной характеристики встроенных фильтров за пределами рабочего диапазона частот |
5.4.5 |
Да |
Да |
4.6 Определение основной относительной погрешности выдачи сигналов «ПОВЫШЕННАЯ ВИБРАЦИЯ» и «ОПАСНАЯ ВИБРАЦИЯ» |
5.4.6 |
Да |
Да |


2.1 При проведении поверки должны применяться средства поверки и оборудование, указанные в таблице 2 .
Таблица 2 - Средства поверки, применяемые при проведении поверки
Номер пункта методики поверки |
Наименование и тип основного или вспомогательного средства поверки |
Обозначение нормативного документа, регламентирующего технические требования и (или) метрологические и основные технические характеристики средства поверки |
5.4.1 - 5.4.6 |
Генератор сигналов специальной формы Г6-26 |
диапазон частот: от 0,001 до 10000 Гц, выходное напряжения: от 0,001 до 10 В, погрешность средства измерения ±2% от установленного по шкале генератора значения частоты (ЕХ2.211.019 ТУ) |
5.3; 5.4 |
Источник питания постоянного тока Б5-6003 ПРО |
диапазон выходного напряжения постоянного тока от 0 до 60 В, погрешность установки ± (0,5% + 0,1 В) (ПГПП.436237.010 ТУ) |
5.2 |
Мегаомметр Ф4101 |
номинальное выходное напряжение 100 В; 500 В, диапазон измерения сопротивления изоляции от 0 до 100 Мом (ТУ 25-04.2467-75) |
5.3, 5.4 |
Частотомер электронносчетный 43-63 |
Входное напряжение от 0,1 до 10 В Диапазон частот от 0,1 до 200-106 Гц По частоте (1*10'7± 1) Гц По периоду ±1,5*10'7 мс (ДЛИ2.721.007 ТУ) |
5.3; 5.4 |
Мультиметр цифровой 34401А |
Погрешность измерения
±(0,005%1изм.±0,010%1пред)*
±(0,002%иизм.±0,0006%ипред)
±(0,0015%иизм.±0,0004%ипред) Погрешность измерения
±(1,0%иизм.±0,03%ипред)
(5 -10) Гц ±(0,35%иизм.±0,03%ипред)
±(0,04%иизм.±0,02%ипред) |
Таблица 2 - продолжение
5.2-5.4 |
Т ермометр-гигрометр психрометрический ВИТ-2 |
Диапазон измерения температуры сухого термометра от +15 °C до +40 °C. Диапазон измерения относительной влажности в зависимости от температур: от 20% до 90% при температуре: от +26°С до +40°С. от 40% до 90% при температуре: от +23°С до +26°С. от 54% до 90% при температуре: от +20°С до +23 °C. Цена деления: 0,2 °C |
5.2-5.4 |
Барометр-анероид М-67 |
80 до 120 кПа (от 610 до 790 мм рт. ст.), погрешность измерения ±0,8 мм рт. ст. |
5.4 |
Осциллограф GOS-620 |
ПГ коэффициента отклонения ±3% полоса пропускания 0-20 МГц чувствительность прибора 1 мВ/дел. |
* где: 1пред. - верхнее значение установленного диапазона измерения в мА;
1изм. - действительное значение измеряемого тока в мА; ипред. - верхнее значение установленного диапазона измерения в вольтах; иизм. - действительное значение измеряемого напряжения в вольтах.
Примечание - Допускается применение средств поверки, не приведенных в таблице 2, но обеспечивающих определение метрологических характеристик поверяемых блоков согласующих с требуемой точностью.
-
2.2 Все вышеуказанные средства измерения должны иметь действующие свидетельства о поверке.
-
3.1 При проведении поверки должны соблюдаться требования, изложенные в ГОСТ 12.2.007.0-75 «Изделия электротехнические. Общие требования безопасности».
-
3.2 Средства поверки и поверяемые средства, а также вспомогательное оборудование должны иметь защитное заземление у рабочего места для предупреждения поражения электрическим током.
-
3.3 Проводить подключение средств поверки к поверяемому блоку согласующему допускается при выключенном напряжении питания.
-
4.1 При проведении поверки должны соблюдаться следующие условия:
а) температура окружающего воздуха, °C.......................................от 15 до 25;
б) относительная влажность воздуха, %.........................................от 30 до 80;
в) атмосферное давление, кПа ...................................................от 87до 107;
г) напряжение питания, В...............................................................220 ±11;
д) частота переменного тока сети питания, Гц...................................50 ± 0,5.
-
4.2 Перед проведением поверки должны быть выполнены следующие подготовительные работы:
а) включение и прогрев приборов в течение времени, указанного в эксплуатационной
документации на соответствующие средства измерения;
б) ознакомление с техническим обслуживанием БС-16М в руководстве по эксплуатации ЖЯИУ.411521 .ООЗРЭ;
в) проверка комплектности поверяемого блока согласующего по его паспорту;
г) подключение средств поверки к поверяемому блоку согласующему в соответствии со схемой, приведенной в приложении А к настоящей МП при выключенном источнике питания;
д) заземление корпусов блока согласующего и средств поверки на рабочем месте.
5. ПРОВЕДЕНИЕ ПОВЕРКИ 5.1 Внешний осмотрПри проведении внешнего осмотра блока согласующего проверяют :
а) наличие всех крепежных элементов;
б) целостность корпуса;
в) состояние покрытий;
г) состояние контактов соединителей или клемм (в зависимости от исполнения блока согласующего).
д) наличие контрольных пломб;
е) наличие эксплуатационной документации.
В случае, если внешний осмотр блока согласующего не соответствует требованиям, указанным в НТД, то блок согласующий считают неисправным и дальнейшую поверку не проводят до устранения выявленных дефектов. Если дефекты устранить невозможно, то блок согласующий признают непригодным к применению и на него выдается извещение о непригодности с указанием причин.
5.2 Проверка сопротивления изоляцииПроверка проводится мегаомметром Ф 4101 с напряжением 100 В.
Измеряют сопротивление изоляции между:
а) соединенными вместе контактами «+» и «-» соединителя «ВЫХОД» или клеммами
«+» и «-» клеммной колодки блока согласующего (в зависимости от исполнения) и корпусом блока;
б) контактом «ОБЩИЙ» соединителя «ВЫХОД» или соответствующей клеммой клеммной колодки блока согласующего и корпусом блока согласующего.
Отсчет показаний производится по истечении времени, за которое показания мегаомметра устанавливаются.
Если электрическое сопротивление изоляции меньше значения 20 МОм блок согласующий признается непригодным к применению и на него выдается извещение о непригодности с указанием причин.
5.3 ОпробованиеПодключают измерительные приборы, блок согласующий, источники питания в соответствии со схемой подключения, приведенной в приложении А к настоящей МП.
Включают измерительные приборы и источник питания (время прогрева - в соответствии с документацией на приборы).
С помощью мультиметра РЗ фиксируют уровень помех на выходе блока согласующего при отсутствии напряжения от генератора.
Подают напряжение от генератора на поверяемый канал блока согласующего.
Частота подаваемого напряжения не должна превышать 0,25 максимального значения рабочего диапазона частот поверяемого блока согласующего.
Плавно увеличивают напряжение до тех пор, пока сигнал на выходе блока согласующего не превысит уровень помех на 20 дБ (в 10 раз), что служит критерием работоспособности блока согласующего.
5.3.1 Контроль исправности.При наличие в блоке согласующем устройства встроенного контроля (устройство ВСК), опробование производится следующим образом:
Устанавливают кодовые переключатели «V» и «А» на лицевой панели источника питания G2 в положения «24,00» и «0,200» соответственно.
Подключают мультиметр РЗ к соединителю «ВЫХОД» блока согласующего или к соответствующим выходным клеммам через кабельный ввод (в зависимости от исполнения блока согласующего) в режиме, соответствующем типу выходного сигнала поверяемого канала блока согласующего. Подают на контакт соединителя «ВЫХОД» (либо на клемму клеммной колодки) блока согласующего сигнал «Вкл. ВСК», напряжением постоянного тока минус 24 В.
Измеряют выходной сигнал блока согласующего.
Значения измеренных выходных сигналов блока согласующего должны находиться в пределах (85 ± 8,5) % от номинального значения выходного сигнала, пропорционального верхней границе диапазона измерения.
Если измеренные значения выходного сигнала не соответствуют указанным пределам, блок согласующий признается непригодным к применению и на него выдается извещение о непригодности с указанием причин.
-
5.4 Определение метрологических характеристик
Базовая частота выбирается из ряда по ГОСТ Р8.669-2009 в зависимости от диапазона частот поверяемого блока согласующего.
Рассчитывают значение электрического заряда, (Q_max, пКл), задаваемое от генератора G1, по формулам (1) - (4) на базовой частоте feaa. и верхней границе диапазона измерения физической величины вибрации (в зависимости от исполнения):
- при измерении виброускорения
амплитудного значения: Q~max = атах - Кд (1)
СКЗ:
Q-тах ~ аСКЗтах ' 1,414 • Кд
(2)
где : Кд - коэффициент преобразования вибропреобразователя (ВИП), работающего совместно с блоком согласующим, мВ/(м*с'2);
Зтах - амплитудное значение виброускорения, измеряемого в месте установки ВИП, соответствующее верхней границе диапазона измерения, м/с2;
аскз.тах - среднее квадратическое значение виброускорения, измеряемого в месте установки ВИП, соответствующее верхней границе диапазона измерения, м/с2;
- при измерении виброскорости:
амплитудного значения: Q~max = 2л- • f6a3 • Vmax • 10“3 • Кд (3)
СКЗ:

(4)
где: л = 3,1416;
Кд - коэффициент преобразования ВИП, работающего совместно с блоком согласующим, мВ/(м*с'2);
Ббаз. - базовая частота входного сигнала, Гц;
Vmax - амплитудное значение виброскорости, измеряемой в месте установки ВИП, соответствующее верхней границе диапазона измерения, мм/с;
VcK3max - среднее квадратическое значение виброскорости, измеряемой в месте установки ВИП, соответствующее верхней границе диапазона измерения, мм/с;
Рассчитывают номинальное значение коэффициента преобразования на базовой частоте в зависимости от вида выходного сигнала по формулам (5) - (9), при этом, номинальное значение выходного сигнала и значение входного электрического заряда (Q~, пКл) берут в соответствии с верхней границей диапазона измерения физической величины вибрации (в зависимости от исполнения):
- по напряжению постоянного тока, Кином , мВ/пКл:
rr _ пост, max.
^Uhom. fi
z£~max
(5)
- по постоянному току в диапазоне (0,05 - 5,0) мА, , мА/пКл:
f
гл* _ * пост, max
fx
max
(6)
- по постоянному току в диапазоне (4,0 - 20) мА, К1ном , мА/пКл:
I -4 гл __ пост, max.
i^Ihom. f\
z£~max
(7)
где: 4 - значение выходного постоянного тока блока при отсутствии входного сигнала, мА;
- по переменному току (амплитудное значение), К^ном , мА/пКл:
1414-7
x, i ж i перем, max. ^Ihom. —
Q~max
(8)
- no напряжению переменного тока (амплитудное значение), Кцном , мВ/пКл:
^Uhom. ~
1414-t/
X, I X I тах

(9)
где: (2~тах - значение входного электрического заряда на базовой частоте и верхней
границе диапазона измерения физической величины вибрации (в зависимости от исполнения), пКл;

сигналов, соответствующих верхней границе диапазона измерения физической величины вибрации.
Подключают измерительные приборы, блок согласующий, источники питания в соответствии со схемой подключения, приведенной в приложении А настоящей МП.
Включают измерительные приборы и источник питания (время прогрева - в соответствии с РЭ на прибор).
Подключают мультиметр РЗ к соединителю «ВЫХОД» блока согласующего или к соответствующим выходным клеммам через кабельный ввод (в зависимости от исполнения блока согласующего) в режиме, соответствующем типу выходного сигнала поверяемого канала блока согласующего (см. схему подключения, приведенную в приложении А настоящей МП).
5.4.2.1 Определение действительного значения коэффициента преобразования для каждого канала блока согласующегоРассчитывают действительное значение коэффициента преобразования для каждого канала блока согласующего по формулам (10) - (14).
- по напряжению постоянного тока, КиаеЙСТВ тах , мВ/пКл:
пост.изм.max
(10)
max
- по постоянному току в диапазоне (0,05 - 5,0) мА, К*1деЙсп тах, мА/пКл:
пост .изм.max

(И)
max
- по постоянному току в диапазоне (4,0 - 20) мА, KIaeilcn ttWi, мА/пКл:
пост.изм.max

(12)
max
где: 4 - значение выходного постоянного тока блока при отсутствии входного сигнала, мА;
- по переменному току (амплитудное значение), К1дейсп тах, мА/пКл:
перем.изм.тах

(13)
max
где:
перем, изм. max

R
пере».изм.тж ~ измеренное значение падения напряжения переменного тока на резисторе
- по напряжению переменного тока (амплитудное значение), К^ЖЙСптах , мВ/пКл:
17*~
1 Udeucme. max
1,414 -U
перем.изм. max
Q~
max
(14)
Для этого измеряют мультиметром РЗ значение выходного сигнала на базовой частоте (Ббаз.) при выходном напряжении генератора (иген.тах, мВ), соответствующем верхней границы диапазона измерения физической величины вибрации (в зависимости от исполнения), рассчитывают по формуле (15).
ген. max
О -103 *5~тах
2-1,414-Сэке.
(15)
где: Q~max — значение входного электрического заряда на базовой частоте и верхней
границе диапазона измерения физической величины вибрации (в зависимости от исполнения), рассчитывают по формулам (1) - (4), пКл.
Рассчитывают отклонение действительного значения коэффициента
преобразования от номинального значения по формуле (16), %:
К — к о __ -^действ. *~ном.
100

где: Кном - номинальное значение коэффициента преобразования, рассчитанное
по формулам (5) - (9).
1^действ._ действительное значение коэффициента преобразования, рассчитанное по формулам (10) - (14) на верхней границе диапазона измерения при действительном измеренном выходном сигнале.
Если вычисленные значения отклонения действительного значения коэффициента преобразования от номинального значения выходят за пределы ±3,0 %, блок согласующий признается непригодным к применению и на него выдается извещение о непригодности с указанием причин.
5.4.3 Определение нелинейности амплитудной характеристики в диапазоне измеренийПроизводят подключение блока согласующего в соответствии с п. 5.4.2. настоящей МП.
Устанавливают от генератора G1 базовой частотой (Гбаз) по частотомеру Р2 не менее пяти значений выходного напряжения (игенд.) по мультиметру РЗ, соответствующих выбранным для поверки точкам в диапазоне измерений физической величины вибрации (не менее пяти значений, включая нижнюю и верхнюю границы диапазона).
Выходные напряжения генератора G1, эквивалентны входным электрическим зарядам (Qj), рассчитанным по формулам (17) - (20).
- при измерении виброускорения
амплитудного значения: = at ■ Кд
СКЗ: Q^=aCK3i-1,414(18)
где : |
Кд - коэффициент преобразования ВИП, работающего совместно с блоком согласующим, мВ/(м*с'2); а;- амплитудное значение виброускорения, измеряемого в месте установки ВИП, м/с2; acK3i - среднее квадратическое значение виброускорения, измеряемого в месте установки ВИП, м/с2; |
- при измерении виброскорости:
амплитудного значения: Q~t - 2л ■ /баз • Vt, ■ 10“3 • Кд
СКЗ: а^2^-/ба,-Ксю,-1,414-10-3-^
где: |
л = 3,1416; Кд - коэффициент преобразования ВИП, работающего совместно с блоком согласующим, мВ/(м*с'2); fgas. - базовая частота входного сигнала, Гц; V; - амплитудное значение виброскорости, измеряемой в месте установки ВИП, мм/с; VcK3i ~ среднее квадратическое значение виброскорости, измеряемой в месте установки ВИП, мм/с; |
Значения выходных напряжений генератора G1 (UreH.i, мВ), соответствующие входным электрическим зарядам (Q_,), рассчитывают по формуле (21), мВ:
где: |
U2eHi = б~'4° -т (21) генл 2-1,414-Сэке. Q~i - значение входного электрического заряда, пКл; Сэкв. = 1000 пФ - значение эквивалентной емкости на входе канала блока в схеме преобразователя входного электрического заряда; m - коэффициент деления. При каждом значении UreH.i измеряют мультиметром РЗ значение выходного сигнала. По результатам измерений на каждом значении входного электрического заряда Q~i |
рассчитывают коэффициент преобразования (Кдействл )по формулам (22) - (26) в зависимости от вида выходного сигнала:
- по напряжению постоянного тока, Кидейств ( , мВ/пКл:
-по |
If _ пост.измл ^идействЛ ~ q постоянному току в диапазоне (0,05 - 5,0) мА, K^eiiCTB j, мА/пКл: ЕЛ* _ ■* пост.измл /ООЧ Ideucme.i q ) |
- по постоянному току в диапазоне (4,0 - 20) мА, К^^,, f, мА/пКл:

(24)
где: 4 - значение выходного постоянного тока блока при отсутствии входного сигнала, мА;
- по переменному току (амплитудное значение), К~ ейств1, мА/пКл:
Ideucme.i
где:

перем, измл


(25)
AUnepeM измл - измеренное значение падения напряжения переменного тока на резисторе R = 1 кОм
-по напряжению переменного тока (амплитудное значение), Кддейств;, мВ/пКл:


(26)
где: Q~i - значение входного электрического заряда на базовой частоте соответствующее
выбранным для проверки точкам в диапазоне измерения физической величины вибрации (в зависимости от исполнения), пКл.
По результатам расчетов (Кдействл) рассчитывают среднее значение коэффициента преобразования на базовой частоте (Кср ) по формуле (27):
N

действл
ср.
(27)
где:
Кдейств. i - рассчитанное значение коэффициента преобразования на i-том
значении входного электрического заряда в диапазоне измерений;
N - количество значений входного электрического заряда в диапазоне измерений.
Рассчитывают нелинейность амплитудной характеристики (5нелл), во всем диапазоне измерений, по формуле (28), %:

действ л ^ср.
(28)
ср-
Если вычисленные значения нелинейности амплитудной характеристики выходят
за пределы:
-
- ± (0,01 + 0,001 Апр./А;). 100 % - в диапазоне амплитуд от Амин, до Апр./20 включительно;
-
- ± 3,0 % - в диапазоне амплитуд свыше Апр./20 до Апр,
где: Амин., Апр. - нижняя и верхняя граница диапазона измерения физической величины вибрации, соответственно;
А; - текущее значение измеряемой физической величины вибрации, блок согласующий признается непригодным к применению и на него выдается извещение о непригодности с указанием причин.
-
5.4.4 Определение основной относительной погрешности преобразования входного электрического заряда в выходной сигнал
Определяют неравномерность амплитудно-частотной характеристики в рабочем диапазоне частот измеряемой физической величины вибрации следующим образом:
Производят подключение блока согласующего в соответствии с п. 5.4.2.1 настоящей МП.
Устанавливают от генератора G1 на базовой частоте (feas), значение выходного напряжения (иген.баз.), эквивалентное действительному значению физической величины:
-
- Vдейств, не менее 10 мм/с при измерении виброскорости;
-
- Эдейств. не менее 10 м/с2 при измерении виброускорения.
где:
При этом значение (иген.баз.) рассчитывают по формуле (30), мВ:
^ген" 2-1,414-Сэке. (30)
Q~ - значение входного электрического заряда на базовой частоте, пКл;
Сэкв. = 1000 пФ - значение эквивалентной емкости на входе канала блока в схеме преобразователя входного электрического заряда;
m - коэффициент деления.
Значения входного электрического заряда (Q ), рассчитывается по формулам (31)-(34).
- при измерении виброускорения
амплитудного значения: Q~=a6a3-Kff
где: |
Кд - коэффициент преобразования ВИП, работающего совместно с блоком согласующим, мВ/(м*с‘2); абаз. - амплитудное значение виброускорения, измеряемого в месте установки ВИП на базовой частоте, м/с2; аскзбаз. - среднее квадратическое значение виброускорения, измеряемого в месте установки ВИП на базовой частоте, м/с2; |
- при измерении виброскорости:
амплитудного значения: Q = 2zr • f6a3 • V6a3 -103 • Кд
СКЗ: е-=2^4,.Т(Мв.-1,414.10-3.1д
где: л = 3,1416;
Кд - коэффициент преобразования ВИП, работающего совместно с блоком согласующим, мВ/(м*с'2);
Гбаз. - базовая частота входного сигнала, Гц;
Убаз. - амплитудное значение виброскорости, измеряемой в месте установки ВИП на базовой частоте, мм/с;
Ускзбаз. - среднее квадратическое значение виброскорости, измеряемой в месте установки ВИП на базовой частоте, мм/с;
Измеряют с помощью РЗ значение выходного сигнала на базовой частоте АВыХ.баз.
Устанавливают от генератора G1 последовательно не менее десяти значений частоты (fj), значением выходного напряжения (UreH.fi), эквивалентным действительному значению физической величины (виброускорения, виброскорости).
Значения частот выбирается из ряда по ГОСТ Р 8.669-2009.
При этом значения UreHfi рассчитывают по формуле (35), мВ:

------т
2-1,414-Сэке.
(35)
Значения входных электрических зарядов (Q я), рассчитывается по формулам (36) - (39).
- при измерении виброускорения
амплитудного значения:

(36)
СКЗ:

(37)
где : Кд - коэффициент преобразования ВИП, работающего совместно с блоком согласующим, мВ/(м*с'2);
ад - амплитудное значение виброускорения, измеряемого в месте установки ВИП, м/с2;
яскза - среднее квадратическое значение виброускорения, измеряемого в месте установки ВИП, м/с2;
- при измерении виброскорости:

СКЗ:
(38)

(39)
где: л = 3,1416;
Кд - коэффициент преобразования ВИП, работающего совместно с блоком согласующим, мВ/(м*с'2);
Гбаз. - базовая частота входного сигнала, Гц;
Уб - амплитудное значение виброскорости, измеряемой в месте установки ВИП, мм/с;
Ускзл - среднее квадратическое значение виброскорости, измеряемой в месте установки ВИП, мм/с;
Измеряют с помощью РЗ значение выходного сигнала АВЫх.а на каждой из установленных частот (f,).
Для каждого значении частоты (fj) определяют разность(Дй) измеренного (Авых.й ) и действительного (Авых.баз.) значений по формуле (40):
Дй = | Авых.й ■ Авь[х баз | (40)
и относительное отклонение (8 я, %) по формуле (41):
Дй
8fi=--^*100 (41)
А
вых. баз.
За неравномерность АЧХ блока согласующего в рабочем диапазоне частот
8 f принимают максимальное значение, вычисленное по формуле (42), % :
8f = (8й)тах (42)
-
5.4.4.2 Определение основной относительной погрешности преобразования входного электрического заряда в выходной сигнал
Рассчитывают для каждого канала блока основную относительную погрешность преобразования входного электрического заряда в выходной сигнал при доверительной вероятности 0,95, (Две), по формуле (43),%:
ДБС = 1,1л/Д2 + v2 (43)
где: Д = ^2ел + 8fi2 , % - максимальное значение основной относительной погрешности
преобразования в рабочих диапазонах амплитуд и частот измеряемых физических величин вибрации;
бнел. - максимальное значение нелинейности амплитудной характеристики, %, рассчитанное по методу п.5.4.3 настоящих ТУ;
8й - максимальное значение неравномерности амплитудно-частотной характеристики в диапазоне частот измеряемой физической величины вибрации, %, рассчитанное по методу п.5.4.4.1 настоящих ТУ.
v = 0,5 Д, % - нестабильность блока за время работы, %.
Результаты измерений и расчетов считаются положительными, если значения основной относительной погрешности преобразования электрического заряда в выходной сигнал не выходят за пределы:
-
- ± (0,05 + 0,001 Anp./Aj) • 100 % - в диапазоне амплитуд от Амин, до Апр./20 включительно;
-
- ± 7,0 % - в диапазоне амплитуд свыше Апр./20 до Апр,
где: Амин., Апр. - нижняя и верхняя граница диапазона измерения физической величины вибрации, соответственно;
Aj - текущее значение измеряемой физической величины вибрации.
Блок согласующий не соответствующий этому требованию признается непригодным к применению и на него выдается извещение о непригодности с указанием причин.
-
5.4.5 Определение относительного затухания амплитудно-частотной характеристики встроенных фильтров за пределами рабочего диапазона частот
Проверку проводят по ГОСТ Р 8.669-2009 в соответствии с приложением Б, одновременно с определением неравномерности амплитудно-частотной характеристики 17
в диапазоне частот измеряемой физической величины вибрации по методу п.5.4.4.1 настоящей МП. При этом показания входного сигнала на базовой частоте Ббаз. = 160 Гц оцениваются как по мультиметру Р1, так и по экрану осциллографа Р5.
Установка входного сигнала менее 3 Гц производится с помощью экрана осциллографа Р5, величиной равной величине входного сигнала на частоте 160 Гц.
По результатам измерений рассчитывают величину затухания амплитудно-частотной характеристики встроенных фильтров за пределами диапазона частот (Кзет.), дБ, по формулам (44)-(49):
-
- для выходного сигнала Inocm. - (4 - 20) мА
(44) ^пост.0,5Рн
где: Сост ри- значение выходного постоянного тока, измеренного на частоте, соответствующей нижнему пределу диапазона частот (Fh), мА;
InocT.o.sFH - значение выходного постоянного тока, измеренного на частоте затухания 0,5Fh, мА;
4 - значение выходного постоянного тока блока при отсутствии входного сигнала, мА;
К,,..=2018''“'>-~4 (45)
^nocT.2Fe
где: Inocr.FB - значение выходного постоянного тока, измеренного на частоте, соответствующей верхнему пределу диапазона частот (Fb), мА;
InocT.2FB - значение выходного постоянного тока, измеренного на частоте затухания 2Fb, мА;
4 - значение выходного постоянного тока блока при отсутствии входного сигнала, мА;
-
- для выходного сигнала переменного тока 1перем.
(46)
AU nocr.0,5FH
где: AUnepeM.FH - значение падения напряжения переменного тока на резисторе 1 кОм, на частоте, соответствующей нижнему пределу диапазона частот (Fh), мВ;
AUnepeM.o,5FH - значение падения напряжения переменного тока на резисторе 1 кОм, на частоте затухания 0,5Fh;
к», =2018^“^ (47)
AU nocT.2Fe
где: AUnepeM.Fe - значение падения напряжения переменного тока на резисторе 1 кОм, на частоте, соответствующей нижнему пределу диапазона частот (Fb), мВ;
AUnepeM.2FB - значение падения напряжения переменного тока на резисторе 1 кОм, на частоте затухания 2Fb, мВ;
-
- для остальных выходных сигналов
KM=20lg^- (48)
A0,5Fh
где: Арн - значение выходного сигнала, измеренного на частоте, соответствующей
нижнему пределу диапазона частот (Fh);
Aq 5fh - значение выходного сигнала, измеренного на частоте затухания 0,5Fh;
K„.,=201g-£b- (49)
A2FB
где: Арв - значение выходного сигнала, измеренного на частоте, соответствующей
верхнему пределу диапазона частот (Fb);
Ajfb - значение выходного сигнала, измеренного на частоте затухания 2Fb.
Результаты измерений считаются положительными, если вычисленные значения затухания амплитудно-частотной характеристики встроенных фильтров за пределами рабочего диапазона частот не менее 20 дБ/октаву.

Блок согласующий, не соответствующий этому требованию, признается непригодным к применению и на него выдается извещение о непригодности с указанием причин.
5.4.6 Определение основной относительной погрешности выдачи сигналов «ПОВЫШЕННАЯ ВИБРАЦИЯ» и «ОПАСНАЯ ВИБРАЦИЯ»Подключают измерительные приборы, блок, источник питания в соответствии со схемой подключения, приведенной в приложении А настоящей МП.
Включают измерительные приборы (время прогрева - в соответствии с РЭ на прибор) и источник питания.
Плавно увеличивают выходное напряжение (иген.)от генератора G1 по мультиметру Р1 на базовой частотой (Гбаз)-

В момент срабатывания реле и появления на соответствующих выходных контактах (ПВ2) «ПОВЫШЕННАЯ ВИБРАЦИЯ», а затем (ОВ2) «ОПАСНАЯ ВИБРАЦИЯ» сигналов напряжения постоянного тока 24 В фиксируют по мультиметру Р4 значение выходного сигнала блока согласующего, (Авых.пв,ов).
По результатам измерений рассчитывают для каждого канала блока согласующего основную относительную погрешность выдачи сигналов «ПОВЫШЕННАЯ ВИБРАЦИЯ» (Д пв) и «ОПАСНАЯ ВИБРАЦИЯ» (Дов) по формуле (50), % :
^■ПВ.ОВ ~ ±
(а — А Л
^еых.ПВ.ОВ ^норм. ПВ,ОВ
л
^норм. ПВ,ОВ
•100
(50)
где: Авых ин од - измеренные значения выходных сигналов блока согласующего в
момент выдачи сигналов ПВ, ОВ, мВ;
Анорм пвов - нормированные значения выходного сигнала (в зависимости от исполнения блока согласующего), соответствующие уровням сигналов (ПВ) «ПОВЫШЕННАЯ ВИБРАЦИЯ», (ОВ) «ОПАСНАЯ ВИБРАЦИЯ». АнормПВОВ, а также уровни ПВ, ОВ указываются в паспорте на блок согласующий;
Результаты измерений считаются положительными, если вычисленные значения основной относительной погрешности выдачи сигналов (Д пв) и (Дов) не превышают пределов основной относительной погрешности преобразования входного электрического заряда в выходной сигнал.
Блок согласующий, не соответствующий этому требованию, признается непригодным к применению и на него выдается извещение о непригодности с указанием причин..
6. ОФОРМЛЕНИЕ РЕЗУЛЬТАТОВ ПОВЕРКИ-
6.1 Результаты поверки заносятся в протокол (приложении Б).
-
6.2 При положительных результатах поверки оформляется свидетельство о поверке. Знак поверки наносится в раздел «поверка» паспорта и на свидетельство о поверке.
-
6.3 При отрицательных результатах поверки блок согласующий признается непригодным к применению и на него выдается извещение о непригодности с указанием причин.
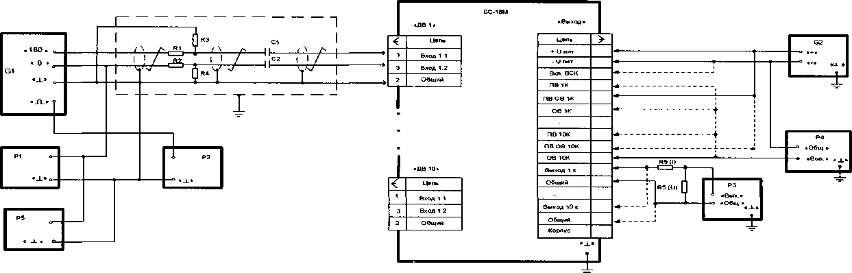
(обязательное)
СХЕМА ПОДКЛЮЧЕНИЯ БС-16М ПРИ ПОВЕРКЕ

G1 — Генератор сигналов специальной формы Г6-26
G2 — Источник питания постоянного тока Б5-6003
Р1, РЗ, Р4 - мультиметр Agilent 34401 А
Р5 - осциллогаф GOS-620
Р2 — частотомер электронно-счетный 43-63
С1, С2 - конденсатор К10-43а-МПО-2000 пФ i 1,0% m=1
R1, R2 = 0 Ом (перемычка)
R3, R4 не устанавливаются
т=10
R1, R2 -Резистор С2-29В-0.125-9.09 кОм ±0,05%- 1,0-Б R3, R4 - Резистор С2-29В-0,125-1,01 кОм ± 0,05%- 1,0 - Б m « 100
R1, R2-Резистор С2-29В-0,125-100 кОм ± 0,05% - 1,0-Б R3, R4 - Резистор С2-29В-0,125-1,01 кОм±0,05%- 1,0-Б
Значения резисторов R5(l), R5(U) В зависимости от вида выходного сигнала: Выходной постоянный ток (4-20) мА:
R5(l) — С2-ЗЗН-0,25-470 Ом±Ю%-А-Г-В, R5(U) не устанавливается
Выходной постоянный ток (0-5) мА:
R5(l) — С2-ЗЗН-0,25-2кОм±Ю%-А-Г-В, R5(U) не устанавливается
Выходной переменный ток (0-5) мА или (0-2,5) мА:
R5(l) — С2-29Н-0,125-2кОм±0,05%-А, R5(U) не устанавливается
Выходное напряжение постоянного тока (0-5) В или выходное напряжение переменного тока до 12В:
R5(l) = 0 Ом (перемычка), R5(U) - С2-ЗЗН-0,25-10,0 кОм ±10%-А-Г-В
Примечания: 1. В исполнениях блока, на корпусе которого вместо соединителей установлены кабельные вводы, подключение приборов осуществляется к клеммам блока при помощи кабельной линии связи.
-
2. Элементы С1.С2, R1-R4 должны быть смонтированы в металлическом, надежно заземленном корпусе.
-
3. Корпуса всех приборов должны быть соединены с зажимом -1- .
-
4. Нумерация контактов соединителя «Выходяприведена в РЭ на поверяемый БС.
-
5. Осциллограф Р5 используется при проверке относительного затухания АЧХ на частотах меньше 3 Гц.
ПРОТОКОЛ №_______
Поверки блока согласующего БС-16М-______ №__________
Дата поверки_________________________
Условия поверки :
температура окружающей среды, 0 С_____________
атмосферное давление, кПа______________________
относительная влажность, %______________________


Таблица Б.1 - Эталонные средства поверки
Наименование и НТД |
Тип |
Заводской номер |
Примечание |
Результаты поверки приведены в таблицах Б.2 - Б.6 настоящего приложения.
Таблица Б.2 - Внешний осмотр (п.5.1 методики поверки )
Проверка сопротивления изоляции (п.5.2 методики поверки)
Блок согласующий БС-16М- | ||
Внешний осмотр (соответствие) | ||
Сопротивление изоляции, МОм |
Измеренное |
Допускаемое |
не менее 20 |
Таблицы Б.З - Опробование (п.5.3 методики поверки)
Блок согласующий БС-16М- | ||||
Вид включения ВСК | ||||
Показания измерительного прибора на контактах соединителя ВЫХОД (на клемме) блока | ||||
Ка нал |
Контакт (Клемма) |
Измеряемый выходной сигнал |
Измеренное значение |
Допускаемое значение |
1 | ||||
2 | ||||
3 | ||||
4 | ||||
5 | ||||
6 | ||||
7 | ||||
8 | ||||
9 | ||||
10 |
Таблица Б.4 Определение метрологических характеристик (и.5.4 МП)
-
- Определение номинального значения коэффициента
преобразования на базовой частоте (п.5.4.1 МП).
-
- Определение отклонения действительного значения коэффициента преобразования на базовой частоте от номинального
значения (п.5.4.2 МП)
-
- Определение нелинейности амплитудной характеристики (п.5.4.3 МП)
Блок согласующий БС-16М-
Измеряемые физические величины вибрации (V . а)
(«мм/с». м/с2) (Ампл., СКЗ)
Значение измеряемого параметра
V, а (или Vскз, Эскз, )
Значения напряжения генератора, 1)ген.,мВ, (коэфф.дел)
()
()
(Э
()
Значение частоты, Гц
Ббаз.
Канал
Контакт (клемма)
Выходной сигнал, пропорциональный измеряемой физической величине вибрации, мВ или мА
1
2
3
4
5
6
7
8
9
10
Канал
Контакт (клемма)
Номинальное значение коэффициента преобразования, Кном., (п.5.4.1 МП)
Действительное значение коэффициента преобразования, Кдейств., (п.5.4.2 МП)
Отклонение действительного значения коэффициента преобразования от номиналь-ного значения, 8, %, (п.5.4.2 МП)
1
2
3
4
5
6
7
8
9
10
Канал
Контакт (клемма)
Нелинейность амплитудной характеристики, Знел.. %, (п.5.4.3 МП)
1
2
3
4
5
6
7
8
9
10


Таблица Б.5 Определение метрологических характеристике п.5.4 МП)
-
- Определение неравномерности амплитудно-частотной характеристики
в диапазоне частот (п.5.4.4.1 МП)
-
- Определение основной относительной погрешности преобразования входного электрического сигнала в выходной сигнал (п.5.4.4.2 МП)
-
- Определение относительного затухания амплитудно-частотной характеристики встроенных фильтров за пределами рабочего
Частота, Fi, Гц | |||||||||||
Значения напряжения генератора,UreH.i, мВ (коэфф.дел.) |
О |
О |
о |
() |
о |
о |
о |
( ) |
() |
() | |
Частота, Ббаз., Гц | |||||||||||
Канал |
Контакт (клемма) |
Неравномерность амплитудно-частотной характеристики в диапазоне частот у, %, (п.5.4.4.1 МП) | |||||||||
1 |
- |
- | |||||||||
2 | |||||||||||
3 | |||||||||||
4 | |||||||||||
5 | |||||||||||
6 | |||||||||||
7 | |||||||||||
8 | |||||||||||
9 | |||||||||||
10 | |||||||||||
Ка нал |
Контакт (клемма) |
Основная относительная погрешность пр электрического сигнала в вых< Две, %, (п.5.4.4.2 М |
>еобразования входного эдной сигнал 1П) | ||||||||
1 | |||||||||||
2 | |||||||||||
3 | |||||||||||
4 | |||||||||||
5 | |||||||||||
6 | |||||||||||
7 | |||||||||||
8 | |||||||||||
9 | |||||||||||
10 | |||||||||||
Ка нал |
Контакт (клемма) |
Относительное затухание амплитудно-частотной характеристики встроенных фильтров за пределами рабочего диапазона частот, Кзат., дБ, (п.5.4.5 МП) | |||||||||
1 | |||||||||||
2 | |||||||||||
3 | |||||||||||
4 | |||||||||||
5 | |||||||||||
6 | |||||||||||
7 | |||||||||||
8 | |||||||||||
9 | |||||||||||
10 |
диапазона частот (п.5.4.5 МП)


Таблица Б.6 Определение основной относительной погрешности выдачи сигналов
«ПОВЫШЕННАЯ ВИБРАЦИЯ» и «ОПАСНАЯ ВИБРАЦИЯ» (п.5.4.6
Частота, F6a3., Гц | |||
Канал |
Контакт (клемма) |
Значения напряжения генератора, иген.пв(ов), мВ (выходного сигнала блока, АВыХ.пв,ов) в момент выдачи сигналов ПВ, ОВ | |
ПОВЫШЕННАЯ ВИБРАЦИЯ |
ОПАСНАЯ ВИБРАЦИЯ | ||
1 | |||
2 | |||
3 | |||
4 | |||
5 | |||
6 | |||
7 | |||
8 | |||
9 | |||
10 | |||
Канал |
Контакт (клемма) |
* Определение основной относительной погрешности выдачи сигналов ПОВЫШЕННАЯ ВИБРАЦИЯ и ОПАСНАЯ ВИБРАЦИЯ ДПВ(ОВ) % (п.5.4.6 МП) | |
ПОВЫШЕННАЯ ВИБРАЦИЯ |
ОПАСНАЯ ВИБРАЦИЯ | ||
1 | |||
2 | |||
3 | |||
4 | |||
5 | |||
6 | |||
7 | |||
8 | |||
9 | |||
10 |
МП)
Заключение по результатам поверки:
Блок согласующий БС-16М-___ №_____________
(соответствует ТУ, не соответствует ТУ)
(пригоден для дальнейшей эксплуатации, не пригоден )
Поверку проводил:
(должность) (подпись) (расшифровка подписи)
ЛИСТ РЕГИСТРАЦИИ ИЗМЕНЕНИЙ
Изм. |
Номера листов (страниц) |
Всего листов (страниц) в докум. |
Номер докум. |
Входящий № сопрово-дительского документа и дата |
Поди. |
Дата | |||
измененных |
замененных |
новых |
изъятых | ||||||
27