Методика поверки «Трансформатор тока оптический эталонный ЭОТТ» (МП 31-262-2017)
ФЕДЕРАЛЬНОЕ ГОСУДАРСТВЕННОЕ УНИТАРНОЕ ПРЕДПРИЯТИЕ «УРАЛЬСКИЙ НАУЧНО-ИССЛЕДОВАТЕЛЬСКИЙ ИНСТИТУТ МЕТРОЛОГИИ» (ФГУП «УНИИМ»)
ГОСУДАРСТВЕННАЯ СИСТЕМА ОБЕСПЕЧЕНИЯ ЕДИНСТВА ИЗМЕРЕНИИ
Трансформатор тока оптический эталонный ЭОТТМетодика поверки
МП 31-262-2017Екатеринбург
2017
ПРЕДИСЛОВИЕРАЗРАБОТАНА ФГУП «Уральский научно-исследовательский институт метрологии (ФГУП «УНИИМ»),г. Екатеринбург, ООО «ЭЛЕКТРО», г. Санкт-Петербург
ИСПОЛНИТЕЛИ: Ю.ИДидик, А.М. Шабуров (ФГУП «УНИИМ»), А.С.Мокеев ООО «ЭЛЕКТРО»
УТВЕРЖДЕНА ФГУП «УНИИМ»22_ .03.2017 г.
ВВЕДЕНА ВПЕРВЫЕ
Настоящий документ не может быть полностью или частично воспроизведен, тиражирован и распространен без разрешения ФГУП «УНИИМ».
Содержание-
8 Проведение поверки
О О' О' О
-
8.1 Внешний осмотр
-
8.2 Опробование
8.3 Определение метрологических характеристик
9 Оформление результатов поверки
-
МЕТОДИКА ПОВЕРКИ
МП 31-262-2017
Дата введения: 2017-05-01
1 ОБЛАСТЬ ПРИМЕНЕНИЯНастоящая методика поверки распространяется на трансформатор тока оптический эталонный ЭОТТ (далее по тексту ЭОТТ), зав. №01, изготовленный предприятием ООО «ЭЛЕКТРО ПЛЮС», г. Санкт-Петербург, предназначенный для измерительного масштабного преобразования значения силы переменного тока частотой 50 Гц при электрических измерениях, поверке и калибровке трансформаторов тока, в том числе в качестве рабочего эталона по ГОСТ Р 8.859-2013, и устанавливает методы и средства его первичной и периодической поверок.
Рекомендуемый интервал между поверками - 1 год.
Допускается использование настоящей методики для поверки трансформаторов тока оптических с аналогичными характеристиками.
2 НОРМАТИВНЫЕ ССЫЛКИВ настоящей методике использованы ссылки на следующие документы и нормативноправовые акты:
ГОСТ 8.217-2003 ГСП. Трансформаторы тока. Методика поверки.
ГОСТ 12.2.007.0-75 ССБТ. Изделия электротехнические. Общие требования безопасности.
ГОСТ 12.2.007.3-75 ССБТ. Электротехнические устройства на напряжение свыше 1000 В. Требования безопасности.
ГОСТ 12.3.019-80 ССБТ. Испытания и измерения электрические. Общие требования безопасности.
Приказ Минпромторга России от 02 июля 2015 г. № 1815 «Об утверждении Порядка проведения поверки средств измерений, требования к знаку поверки и содержанию свидетельства о поверке».
Приказ Минтруда России от 24.07.2013 № 328н «Об утверждении Правил по охране труда при эксплуатации электроустановок»
3 ОПЕРАЦИИ ПОВЕРКИ-
3.1 При проведении поверки выполняют операции, указанные в таблице 1.
Таблица 1 - Операции поверки
|
Наименование операции |
Номер пункта методики поверки |
Проведение операции при | |
|
первичной поверке |
периодической поверке | ||
|
1 Внешний осмотр |
8.1 |
Да |
Да |
|
2 Опробование |
8.2 |
Да |
По необходимости |
|
3 Определение метрологических характеристик |
8.3 |
Да |
Да |
-
3.2 При получении отрицательного результата при выполнении той или иной операции поверку прекращают, ЭОТТ к применению не допускают и оформляют результаты поверки согласно 9.2.
4.1 При проведении поверки используют средства поверки, указанные в таблице 2. Таблица 2 - Средства поверки
|
Номер пункта методики |
Наименование и тип средства поверки, его метрологические и основные технические характеристики |
|
8.3 |
Рабочий эталон единиц коэффициента и угла масштабного преобразования синусоидального тока 1 разряда по ГОСТ Р 8.859-2013 (трансформаторы тока измерительные лабораторные ТТИ-5000.51 (Госреестр № 55278-13), ПГ ±0,01 % и ±0,6', и ТТИ-200 (Госреестр № 37898-08), 11Г ±0,01 % и ±Г, в каскадном включении; Термогигрометр CENTER-313 (Госреестр № 22129-09)., относительная влажность (10 - 100) %, ПГ=±2,5 %, температура (от минус 20 до 60) °C, ПГ=± 0,7 °C |
-
4.2 Для проведения поверки допускается применение других эталонов и средств поверки, не приведённых в таблице 2, при условии обеспечения ими необходимой точности измерений.
К проведению поверки допускают лиц, работающих в организации, аккредитованной на право поверки средств измерений данного вида, и прошедших обучение работе с ЭОТТ.
Поверитель должен пройти инструктаж по технике безопасности и иметь удостоверение на право работы на электроустановках с напряжением до 1000 В с группой допуска не ниже III, а также быть допущен к проведению работ с эталоном.
6 ТРЕБОВАНИЯ БЕЗОПАСНОСТИПри проведении поверки должны быть соблюдены требования ГОСТ 12.2.007.0-75, ГОСТ 12.3.019-80.
Должны быть обеспечены требования безопасности, указанные в эксплуатационных документах ЭОТТ и средств поверки, а также требования Приказа Минтруда России от 24.07.2013 № 328н «Об утверждении Правил по охране труда при эксплуатации электроустановок».
7 УСЛОВИЯ ПОВЕРКИ И ПОДГОТОВКА К НЕЙ-
7.1 При проведении поверки соблюдают следующие условия:
-
• температура окружающей среды, °C 15 25;
-
• относительная влажность воздуха, % 30 80;
-
• электропитание - однофазная сеть общего назначения (198.. .242) В, 50 Гц.
-
7.2 Перед проведением поверки ЭОТТ выдерживают в указанных внешних условиях не менее 30 минут.
-
7.3 Эталоны и средства поверки подготавливают к работе согласно указаниям, приведенным в соответствующих эксплуатационных документах.
-
7.4 Проверяют наличие действующих свидетельств об аттестации эталонов и свидетельств о поверке средств измерений.
-
8 ПРОВЕДЕНИЕ ПОВЕРКИ
-
8.1.1 При внешнем осмотре проверяют соответствие ЭОТТ следующим требованиям:
-
• отсутствие внешних повреждений, влияющих на функциональные или технические характеристики;
-
• легко читающиеся маркировка и надписи, относящиеся к местам присоединения;
-
• отсутствие узлов и деталей с ослабленным или неисправным креплением;
-
• исправность устройств для присоединения внешних электрических цепей.
-
8.1.2 Если при внешнем осмотре указанные в 8.1.1 требования не выполнены, поверку прекращают (см. 3.2).
-
8.2.1 При включении трансформатора необходимо проверить номер версии программного обеспечения.
-
8.2.2 Опробование ЭОТТ проводят путем его настройки в соответствии с указаниями, приведенными в руководстве по эксплуатации, и последующего измерения тока силой 20-25 % от установленного номинального тока.
Результаты считаются удовлетворительными при получении ожидаемого результата измерений и если номер версии ПО не ниже, чем 1.01.
-
8.2.3 При периодической поверке допускается операцию опробования отдельно не проводить, если в журнале эксплуатации ЭОТТ присутствует информация о его бесперебойной работе за период не менее пяти дней, предшествующих началу проведения поверки.
-
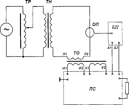
8.3.1 Токовые и угловые погрешности ЭОТТ определяют дифференциальным методом по ГОСТ 8.217 в соответствии с рисунком 1.

~ - сеть (генератор); ТР - регулирующее устройство (автотрансформатор); ТН-понижающий силовой трансформатор; ТО - эталонный трансформатор тока; БП - блок преобразовательный ЭОТТ; ОП - гибкий чувствительный элемент ЭОТТ; Л1, Л2 -контактные зажимы первичной обмотки; И1, И2 - контактные зажимы вторичной обмотки; KI, К2 - контактные зажимы дополнительной вторичной обмотки; Al, А2 -аналоговый выход ЭОТТ; Z - нагрузка; ПС - прибор сравнения токов КНТ-05
Рисунок 1 - Схема поверки (по схеме двухступенчатого трансформатора тока)
-
8.3.2 Значения относительной токовой погрешности (в процентах) поверяемого ЭОТТ и значения его абсолютной угловой погрешности (в минутах) принимают
равными значениям токовой и угловой погрешностей, отсчитываемых по показаниям прибора сравнения токов.
-
8.3.4 Погрешности определяют при значениях ампер-витков первичного тока, составляющих 5; 20; 100 и 120% от установленного при настройке ЭОТТ номинального первичного тока. Значения номинального первичного тока при проведении поверки ЭОТТ принимают равными 10, 15 и 30 кА.
Примечание - по заявке потребителя допускается проводить поверку при других значениях ампер-витков первичного тока и других значениях номинального тока, с обязательным указанием этих величин на оборотной стороне свидетельства о поверке ЭОТТ.
-
8.3.5 Результаты измерений при поверке заносят в протокол, рекомендуемая форма которого приведена в ГОСТ 8.217.
-
9.1 Положительные результаты поверки ЭОТТ оформляют свидетельством о поверке эталона по форме, установленной Приказом Минпромторга № 1815 от 02.07.2015 г. и нанесением знака поверки (клейма) на верхней панели преобразовательного блока ЭОТТ способом, исключающим возможность доступа внутрь корпуса без нарушения его целостности.
-
9.2 При несоответствии результатов поверки требованиям любого из пунктов настоящей методики ЭОТТ к дальнейшей эксплуатации не допускают, клеймо гасят и(или) выдают извещение о непригодности по форме, установленной Приказом Минпромторга № 1815 от 02.07.2015 г., с указанием причины непригодности.
Вед. научный сотрудник лаб. 262 ФГУП «УНИИМ^.—.И. Дидик
Вед. инженер лаб. 262 ФГУП «УНИИМ» . // // А.М. Шабуров
7
