Методика поверки «ГСИ. Сигнализаторы уровня многоточечные СИГМУР-2М» (МП 208-008-2016)
ВСЕРОССИЙСКИЙ НАУЧНО-ИССЛЕДОВАТЕЛЬСКИЙ ИНСТИТУТ МЕТРОЛОГИЧЕСКОЙ СЛУЖБЫ
(ФГУП "ВНИИМС")
УТВЕРЖДАЮ

метрологии "ВНИИМС"
В. Иванникова
// 2016 г.
Заместитель директора
Государственная система обеспечения единства измерений
Сигнализаторы уровня многоточечные СИГМУР-2М
Методика поверки
МП 208-008-2016 г. Москва
Настоящий документ распространяется на сигнализаторы уровня многоточечные СИГМУР-2М (далее - сигнализаторы) выпускаемых ОАО "Теплоприбор".
Методика устанавливает методику и последовательность первичной и периодической поверок, в том числе без демонтажа сигнализаторов с места эксплуатации.
Интервал между поверками - не более пяти лет.
1 Операции поверки1.1 При проведении первичной и периодической поверок выполняют операции, указанные в таблице 1.
Таблица 1
Наименование операции |
Номер пункта МП |
1 Внешний осмотр |
6.1 |
2 Опробование |
6.2 |
3 Проверка цифрового идентификатора ПО (контрольной суммы исполняемого кода метрологически значимой части) |
6.3 |
4 Определение абсолютной погрешности срабатывания сигнализатора методом сличения |
6.4 |
5 Определение абсолютной погрешности срабатывания сигнализатора бездемонтажным методом |
6.5 |
-
2.1 При проведении операций поверки применяют средства поверки, указанные в таблице 2.
Таблица 2
Наименование и тип средства поверки |
Основные характеристики |
Источник питания постоянного тока Б5-78/7 |
Диапазон измерений от 0 до 50 В, пределы допускаемой основной погрешности измерений ±3 % |
Установка уровнемерная НО-151 |
Диапазон измерений от 0 до 6000 мм, допускаемая основная абсолютная погрешность ±1,25 мм |
Мегаомметр М4100/1 |
Диапазон измерений от 0 до 2500 МОм, испытательное напряжение 100 В, класс точности 1,0 |
Барометр рабочий сетевой БРС-1М-3 |
Диапазон измерений абсолютного давления от 5 до 1100 гПа, предел допускаемой абсолютной погрешности ±20 Па |
Термометр ртутный стеклянный лабораторный ТЛ-4 |
Диапазон измерений от 0 до ±55 °C и от 50 до 105 °C, пределы допускаемой основной абсолютной погрешности измерений ±0,2 °C |
Термогигрометр Ива-6 |
Диапазон измерений: относительной влажности от 0 до 98 %, температуры от минус 40 до 60 °C, пределы допускае- |
2
Наименование и тип средства поверки |
Основные характеристики |
мой основной абсолютной погрешности измерений: относительной влажности ±2 %, температуры ±1 % | |
Калибратор портативный многофункциональный Метран 510-ПКМ |
Измерение напряжения постоянного тока от 1 до 11 В, предел допускаемой основной погрешности ±(0,15 %±0,55 мВ). Измерение силы постоянного тока от 0 до 22 мА, предел допускаемой основной погрешности ±(0,015 %+1 мкА). |
Технологическая ПЭВМ с установленным программным обеспечением "SIGMUR2M Link.exe" |
-
2.2 В процессе поверки могут быть использованы другие средства поверки, обеспечивающие поверку метрологических характеристик сигнализаторов с требуемой точностью.
-
2.3 Все средства поверки, указанные в настоящем разделе, должны быть поверены (аттестованы) органами метрологической службы и иметь действующие свидетельства о поверке (аттестации) или знак поверки.
-
3.1 По способу защиты человека от поражения электрическим током сигнализаторы относятся к классу 01 по ГОСТ 12.2.007.0-75.
-
3.2 При проведении поверки должны быть соблюдены требования безопасности, предусмотренные “Правилами технической эксплуатации электроустановок потребителей”, “Правилами техники безопасности при эксплуатации электроустановок потребителей”, а также требования, указанные в руководстве по эксплуатации на поверяемый сигнализатор, и требования по безопасности эксплуатации применяемых средств поверки, указанные в нормативной документации на эти средства.
-
4.1 При проведении поверки соблюдают следующие условия
температура окружающей среды (20 ± 5) °C; относительная влажность воздуха (65 ± 15) %; атмосферное давление от 630 до 800 мм рт.ст.; напряжение электропитания (27 ± 2,7) В;
внешние магнитные и электрические поля должны отсутствовать.
Допускается проведение поверки в рабочих условиях эксплуатации и в рабочем диапазоне изменений уровня.
-
4.2 Поверочная среда:
-
- дистиллированная вода по ГОСТ 6709-72 для сигнализаторов с первичными преобразователями Импульс-AMl и Импульс-АМ2;
-
- морская вода с солесодержанием от 1 до 40 г/л для сигнализаторов с первичными преобразователями Импульс-АМЗ.
При проведении операций поверки без демонтажа сигнализатора с места эксплуатации поверочной средой является измеряемая среда.
3
5 Подготовка к поверке-
5.1 Перед проведением поверки выполняют следующие подготовительные работы:
проверяют наличие действующих свидетельств (отметок) о поверке (метрологической аттестации) в паспортах (формулярах) используемых средств измерений;
проверяют наличие паспорта и руководства по эксплуатации на поверяемый сигнализатор;
проверяют соблюдение условий по разделу 4;
подготавливают к работе средства поверки в соответствии с руководствами по эксплуатации на них;
контролируют, что поблизости от места проведения работ по поверке не ведут сварочных и других работ, сопровождающихся высоким уровнем электромагнитных излучений или акустических шумов высокой частоты.
6 Проведение поверки-
6.1 Внешний осмотр
При проведении внешнего осмотра проверяют соответствие внешнего вида, состояния и комплектности сигнализатора паспорту РИЮУ.407731.003 ПС и руководству по эксплуатации РИЮУ.407731.003 РЭ.
Проверяют первичный и электронный преобразователи на отсутствие видимых повреждений и деформаций. Проверяют состояние лакокрасочных покрытий и четкость маркировки.
Проверяют состояние соединительных проводов и кабелей.
Проверяют наличие пломб на сигнализаторе.
Результаты внешнего осмотра считают положительными, если состояние и комплектность сигнализатора соответствует РИЮУ.407731.003 ПС и РИЮУ.407731.003 РЭ, а также отсутствуют механические повреждения, нарушения покрытий, соединительных проводов и кабелей.
-
6.2 Опробование
-
6.2.1 При проведении первичной поверки или периодической поверки сигнализатора, демонтированного с места эксплуатации, устанавливают первичный преобразователь сигнализатора в измерительный резервуар уровнемерной установки и подключают в соответствии с руководством по эксплуатации РИЮУ.407731.003 РЭ.
-
6.2.2 Подключают сигнализатор к технологической ПЭВМ с установленным технологическим программным обеспечением "SIGMUR2M_Link.exe" в соответствии с приложением Б, рисунок Б.1.
-
Внешний вид панели управления программы представлен на рисунке 1
4
Демонстрационная программа с отображением форматов запросов-ответов
Настройки Коды АЦП Калибровка ЦАП Настройки датчика
Настройки
Выбор СОМ порта СОМ1 £|
т Обновить
Выбор адреса источника |3
Выбор адреса приемника 2
Формат посылок
' Формат посылки передаваемой в уровнемер
Поле
Знач
Уровень

Старт байт рщр приемн [лдр источн[спец код ^Команда jcSL jcSH ^Стоп байт|стоп код
Коды АЦП J
Ответная посыпка уровнемера
Старт байгрдр приемн|ддр источн[спец код^Байт сост|Мл б ур Ст.5 ур,^|он|OhJohJOf-^OH^CSLSHjCTon байт^Стоп код
Поле
Знач
i Запрос !
Авто запрос [
Рисунок 1 - Внешний вид панели управления программы "SIGMUR2M_Link.exe"
В окне программы "Настройки", изображенной на рисунке 1, выбирают номер СОМ порта, адрес источника и адрес приемника. Нажимают левой кнопкой мыши кнопку "Автозапрос".
Для просмотра кодов АЦП выводимых программой нажимают кнопку "Коды АЦП", появляется всплывающее окно "Просмотр кодов АЦП", изображенное на рисунке 2.
Ц Просмотр кодов АЦП
№точ |
АЦП без зонд |АЦП с зонд |
{РазностьАЦП | % | |||
23 |
63 |
i 67 |
4 |
100 2 | |
22 |
60 |
66 |
6 |
95 7. | |
21 |
61 |
65 |
4 |
90 7. | |
20 |
62 |
68 |
6 |
85 7, | |
19 |
63 |
67 |
4 |
80 7. | |
18 |
60 |
67 |
7 |
1Ь7. | |
17 |
61 |
708 |
647 |
1Z7. | |
16 |
62 |
701 |
639 |
65 % | |
15 |
63 |
702 |
639 |
60 2 | | |
14 |
60 |
703 |
643 |
55 7. | | |
13 |
61 |
704 |
643 |
50 7. : | |
12 |
63 |
706 |
643 |
45 % | |
11 |
64 |
707 |
643 |
40% | |
10 |
61 |
708 |
647 |
35 % | |
9 |
62 |
709 |
647 |
30 £ | |
8 |
63 |
703 |
640 |
25 7. | |
7 |
64 |
704 |
640 |
20 7. | |
6 |
61 |
706 |
645 |
152 | |
5 |
62 |
707 |
645 |
12,52 | |
4 |
63 |
710 |
647 |
102 | |
3 |
64 |
713 |
649 |
7.5 2 | |
2 |
61 |
718 |
657 |
52 ! | |
1 |
62 |
731 |
669 |
2.5 2 , | |
Запросить значения АЦП i |
Очистить таблицу | ||||
Сохранить в Файл замеры с зондированием |
f f J | ||||
Ч |
Автозапрос |
........................... |
Выбор типа прибора AW |
» СИГМУР | |||
Выбор типа датчика | ||||
23 точки | ||||
14 точек | ||||
г 1( |
3 точек | |||
21 |
22 |
23 | ||
IN0 |
65 |
66 |
67 | |
17 |
18 |
19 |
20 | |
I N1 |
708 |
67 |
67 |
68 |
13 |
14 |
15 |
16 | |
IN2 |
704 |
703 |
702 |
701 |
9 |
10 |
11 |
12 | |
IN3 |
709... |
708 |
707 |
706 |
5 |
6 |
7 |
8 | |
1 N4 |
707 |
706 |
704 |
703 |
1 |
2 |
3 |
4 | |
IN5 |
731 |
718 |
713 |
710 |
Z0 |
Z1 |
Z2 |
Z3 |
’исунок 2 - Всплывающее окно "Просмотр кодов АЦП"
В данном окне выбирают прибор СИГМУР и тип датчика, далее нажимают кнопку "Запросить значение АЦП", в окнах соответствующих дискретным точкам появляется значения кодовых единиц АЦП.
Сливают воду из уровнемерной установки до полного осушения первичного преобразователя, в окне "Уровень" должно быть значение 0 %. Значения кодов АЦП для не залитого датчика должны находиться в пределах от 40 до 70 кодовых единиц.
Проводят опробование путем увеличения (уменьшения) уровня жидкости в измерительном резервуаре уровнемерной установки в интервале от 10 до 90 % верхнего предела рабочего диапазона.
При проведении периодической поверки без демонтажа сигнализатора с места эксплуатации, опробование проводят путем увеличения (уменьшения) уровня жидкости в технологическом резервуаре в интервале, обеспечиваемом технологическими возможностями оборудования.
Выходной сигнал с цифрового выхода контролируют по дисплею технологической ПЭВМ в меню "Настройка", с аналогового выхода - по калибратору-измерителю унифицированных сигналов. Номинальные значения выходных сигналов, соответствующие положению уровня жидкости, приведены в приложении А.
Значения кодов АЦП контролируют в меню "Коды АЦП".
При заполнении установки водой значения кодов АЦП увеличиваются в соответствующих значениям ячейках, и отображаются синим цветом
-
6.2.3 Проверяют обеспечение дистанционного контроля исправности. К цепям контроля подключают источник напряжения постоянного тока (27±2,7) В в соответствии со схемой, указанной в приложение Б, рисунок Б.2. При этом значения выходных сигналов сигнализатора должны соответствовать (50±1) % рабочего диапазона.
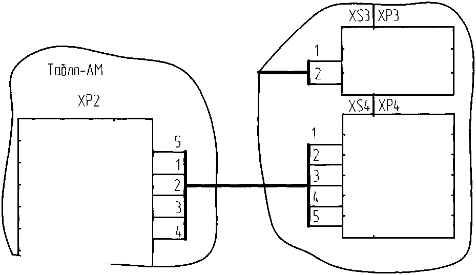
При наличии в комплекте сигнализатора прибора "Табло-AM" проверяют исправность его электронной схемы, приведенной в приложении Б, рисунок Б.З, нажатием кнопки "КОНТРОЛЬ", при этом на индикаторе прибора "Табло-AM" должно отобразиться "8.8.8.8".
-
6.2.4 Результаты опробования считают положительными, если при увеличении (уменьшении) уровня жидкости соответствующим образом изменялись показания сигнализатора, значения аналогового и цифрового выходных сигналов соответствуют друг другу, обеспечивается контроль исправности сигнализатора и исправности электронной схемы "Табло-АМ".
6.3 Проверка цифрового идентификатора ПО (контрольной суммы исполняемого кода метрологически значимой части).
Проверку цифрового идентификатора проводить следующим образом:
-
- подключить сигнализаторы к технологической ПЭВМ в соответствии с приложением Б в зависимости от исполнения сигнализаторов;
-
- включить источник питания;
-
- запустить программу «SIGMUR2M_Link.exe»;
-
- войти в меню "Настройки";
-
- нажать кнопку "Контрольная сумма";
-
- сравнить выданную "Контрольную сумму" с контрольной суммой указанной в паспорте.
Допускается использование другого ПО, работающего в соответствии с протоколом обмена данными (приложение К руководства по эксплуатации РИЮУ.407731.003 РЭ).
Результаты проверки считать положительными, если выданная программой контрольная сумма совпадает с контрольной суммой загрузочного программного модуля, указанной в паспорте сигнализаторов.
6
-
6.4 Определение абсолютной погрешности срабатывания методом сличения
Измерительный резервуар уровнемерной установки заполняют выше верхнего предела диапазона измерений сигнализатора (выше верхней дискретной точки) поверочной средой с температурой (20±10) °C при атмосферном давлении от 645 до 795 мм рт. ст.
Сигнализатор включают.
Снижают уровень поверочной среды в резервуаре уровнемерной установки. В момент изменения показаний калибратора-измерителя унифицированных сигналов, подключенного к аналоговому выходу сигнализатора, останавливают процесс снижения уровня и фиксируют значение уровня по уровнемерной установке и значения выходных сигналов аналогового и цифрового выходов.
Абсолютную погрешность срабатывания сигнализатора в дискретной точке 100 % определяют по формуле
А = ~ ^но.и ’ ( 1)
где LU3M - значение уровня по уровнемерной установке, мм;
LHOM - координата z-ой точки контроля первичного преобразователя (приложения Б, В, Г руководства по эксплуатации РИЮУ. 407731.003 РЭ).
Повторяют определение абсолютной погрешности срабатывания во всех дискретных точках.
Результаты поверки считают положительными, если абсолютная погрешность срабатывания сигнализатора во всех дискретных точках не превышает ±10 мм, значения выходных сигналов соответствуют номинальным значениям, приведенным в приложении А, с допускаемыми отклонениями аналоговых сигналов, указанных в таблице 3.
Таблица 3
Значение выходного сигнала |
Допускаемые отклонения | |
Аналоговый выход |
от 0 до 5 В |
±0,05 В |
от 0 до 10В |
±0,1 В | |
от 0 до 5 мА |
±0,05 мА | |
от 4 до 20 мА |
±0,16 мА |
-
6.5 Определение абсолютной погрешности срабатывания бездемонтажным методом
При периодической поверке на месте эксплуатации допускается определение абсолютной погрешности бездемонтажным методом проводить в рабочих условиях и в рабочем диапазоне изменений уровня.
Подключают сигнализатор к технологической ПЭВМ с установленным технологическим программным обеспечением "SIGMUR2M_Link.exe" по методике п. 6.2.2.
Проверку проводят путем уменьшения и увеличения уровня поверочной среды в пределах рабочего диапазона. При этом контролируют значения кодов АЦП и значения выходных сигналов с цифрового и аналогового выходов.
Т. к. погрешность сигнализатора не может превысить геометрических размеров пьезопреобразователей узлов дискретных точек, то изменение выходного сигнала при переходе уровня жидкости через дискретную точку гарантирует соответствие абсолютной погрешности заданным пределам для этой конкретной дискретной точки.
Неизменность значений выходных сигналов при переходе уровня жидкости через дискретную точку свидетельствует о неисправности сигнализатора.
Результаты поверки считают положительными, если при уменьшении уровня жидкости соответствующим образом изменялись показания сигнализатора, значения аналогового и цифрового выходных сигналов изменялись одновременно с задержкой относитель-7 но друг друга не более 1 с и соответствовали номинальным значениям, приведенным в приложении А, с допускаемыми отклонениями аналоговых сигналов, указанных в таблице 3.
7 Оформление результатов поверки-
7.1 Результаты поверки оформляют протоколом по форме, приведенной в приложении В.
-
7.2 Положительные результаты первичной поверки сигнализатора оформляют записью в Паспорте, удостоверенной подписью поверителя и нанесением знака поверки в соответствии с приказом Минпромторга России от 02 июля 2015 г. № 1815 "Об утверждении Порядка проведения поверки средств измерений, требования к знаку поверки и содержанию свидетельства о поверке".
-
7.3 Положительные результаты периодической поверки сигнализатора оформляют записью в Паспорте, удостоверенной подписью поверителя и нанесением знака поверки или выдают свидетельство о поверке по установленной форме в соответствии с приказом Минпромторга России от 02 июля 2015 г. № 1815 "Об утверждении Порядка проведения поверки средств измерений, требования к знаку поверки и содержанию свидетельства о поверке".
-
7.4 При отрицательных результатах поверки выписывается "Извещение о непригодности к применению" в соответствии с приказом Минпромторга России от 02 июля 2015 г. № 1815 "Об утверждении Порядка проведения поверки средств измерений, требования к знаку поверки и содержанию свидетельства о поверке", поверку прекращают. Сигнализатор бракуют.
Б. А. Иполитов
В. И. Никитин
Ю. Н. Грачев
Нач. отдела 208 ФГУП "ВНИИМС"
Нач. сектора отдела 208 ФГУП "ВНИИМС"
Инженер-конструктор
1 категории ОАО "Теплоприбор"
8
Приложение А(рекомендованное)
Номинальные значения выходных сигналов
Таблица А.1
Положение уровня |
Значение выходного сигнала |
Показания прибора Табло-AM, % | ||||||
Аналоговый выход |
Цифровой выход, % | |||||||
относительно дискретной точки |
относительно диапазона измерений, % |
от 0 до 5В |
от 0 до 10В |
от 0 до 5 мА |
от 4 до 20 мА | |||
для сигнализаторов на 10 точек контроля | ||||||||
ниже |
1 |
от 0 до 10 |
0 |
0 |
0 |
4,0 |
0 | |
между 1 и 2 |
от 10 до 20 |
0,5 |
1,0 |
0,5 |
5,6 |
10 | ||
то же |
2 и 3 |
от 20 до 30 |
1,0 |
2,0 |
1,0 |
7,2 |
20 | |
It |
3 и 4 |
от 30 до 40 |
1,5 |
3,0 |
1,5 |
8,8 |
30 | |
и |
4и5 |
от 40 до 50 |
2,0 |
4,0 |
2,0 |
10,4 |
40 | |
п |
5 и 6 |
от 50 до 60 |
2,5 |
5,0 |
2,5 |
12,0 |
50 | |
п |
би 7 |
от 60 до 70 |
3,0 |
6,0 |
3,0 |
13,6 |
60 | |
и |
7и 8 |
от 70 до 80 |
3,5 |
7,0 |
3,5 |
15,2 |
70 | |
Г1 |
8и9 |
от 80 до 90 |
4,0 |
8,0 |
4,0 |
16,8 |
80 | |
н |
9и 10 |
от 90 до 100 |
4,5 |
9,0 |
4,5 |
18,4 |
90 | |
выше |
10 |
от 100 до 101 |
5,0 |
10,0 |
5,0 |
20,0 |
100 | |
для сигнализаторов на |
14 точек контроля | |||||||
ниже |
1 |
от 0 до 5 |
0 |
0 |
0 |
4,0 |
0 |
- |
между 1 и 2 |
от 5 до 10 |
0,25 |
0,5 |
0,25 |
4,8 |
5 |
5 | |
то же |
2 и 3 |
от 10 до 15 |
0,5 |
1,0 |
0,5 |
5,6 |
10 |
10 |
и |
3 и 4 |
от 15 до 20 |
0,75 |
1,5 |
0,75 |
6,4 |
15 |
15 |
II |
4 и 5 |
от 20 до 25 |
1,0 |
2,0 |
1,0 |
7,2 |
20 |
20 |
II |
5 и 6 |
от 25 до 35 |
1,25 |
2,5 |
1,25 |
8,0 |
25 |
25 |
п |
би 7 |
от 35 до 50 |
1,75 |
3,5 |
1,75 |
9,6 |
35 |
35 |
п |
7и8 |
от 50 до 60 |
2,5 |
5,0 |
2,5 |
12,0 |
50 |
50 |
II |
8 и9 |
от 60 до 65 |
3,0 |
6,0 |
3,0 |
13,6 |
60 |
60 |
II |
9и 10 |
от 65 до 70 |
3,25 |
6,5 |
3,25 |
14,4 |
65 |
65 |
п |
10и 11 |
от 70 до 75 |
3,5 |
7,0 |
3,5 |
15,2 |
70 |
70 |
и |
11 и 12 |
от 75 до 80 |
3,75 |
7,5 |
3,75 |
16,0 |
75 |
75 |
п |
12и 13 |
от 80 до 90 |
4,0 |
8,0 |
4,0 |
16,8 |
80 |
80 |
п |
13 и 14 |
от 90 до 100 |
4,5 |
9,0 |
4,5 |
18,4 |
90 |
90 |
выше |
14 |
от 100 до 101 |
5,0 |
10,0 |
5,0 |
20,0 |
100 |
100 |
для сигнализаторов на 23 точки контроля | ||||||||
ниже |
1 |
от 0 до 2,5 |
0 |
0 |
0 |
4,0 |
0 |
- |
между 1 и 2 |
от 2,5 до 5 |
0,125 |
0,25 |
0,125 |
4,4 |
2,5 |
2,5 | |
то же |
2 и 3 |
от 5 до 7,5 |
0,25 |
0,5 |
0,25 |
4,8 |
5 |
5 |
II |
3 и4 |
от 7,5 до 10,0 |
0,375 |
0,75 |
0,375 |
5,2 |
7,5 |
7,5 |
и |
4и5 |
от 10 до 12,5 |
0,5 |
1,0 |
0,5 |
5,6 |
10 |
10 |
II |
5 и 6 |
от 12,5 до 15 |
0,625 |
1,25 |
0,625 |
6,0 |
12,5 |
12,5 |
11 |
6и7 |
от 15 до 20 |
0,75 |
1,5 |
0,75 |
6,4 |
15 |
15 |
II |
7и8 |
от 20 до 25 |
1,0 |
2,0 |
1,0 |
7,2 |
20 |
20 |
II |
8 и9 |
от 25 до 30 |
1,25 |
2,5 |
1,25 |
8,0 |
25 |
25 |
и |
9и 10 |
от 30 до 35 |
1,5 |
3,0 |
1,5’ |
8,8 |
30 |
30 |
9
Продолжение таблицы А.2
Положение уровня |
Значение выходного сигнала |
Показа- | ||||||
Аналоговый выход |
Циф-ровой выход, % | |||||||
относительно дискретной точки |
относительно диапазона измерений, % |
от 0 до 5В |
от 0 до 10В |
от 0 до 5 мА |
от 4 до 20 мА |
ния прибора Таб-ло-АМ, % | ||
п |
10 и И |
от 35 до 40 |
1,75 |
3,5 |
1,75 |
9,6 |
35 |
35 |
и |
И и 12 |
от 40 до 45 |
2,0 |
4,0 |
2,0 |
10,4 |
40 |
40 |
11 |
12и 13 |
от 45 до 50 |
0,25 |
4,5 |
2,25 |
11,2 |
45 |
45 |
11 |
13 и 14 |
от 50 до 55 |
2,5 |
5,0 |
2,5 |
12,0 |
50 |
50 |
11 |
14 и 15 |
от 55 до 60 |
5,25 |
5,5 |
5,25 |
12,8 |
55 |
55 |
11 |
15 и 16 |
от 60 до 65 |
3,0 |
6,0 |
3,0 |
13,6 |
60 |
60 |
11 |
16и 17 |
от 65 до 70 |
3,25 |
6,5 |
3,25 |
14,4 |
65 |
65 |
11 |
17 и 18 |
от 70 до 75 |
3,5 |
7,0 |
3,5 |
15,2 |
70 |
70 |
11 |
18 и 19 |
от 75 до 80 |
3,75 |
7,5 |
3,75 |
16,0 |
75 |
75 |
11 |
19 и 20 |
от 80 до 85 |
4,0 |
8,0 |
4,0 |
16,8 |
80 |
80 |
11 |
20 и 21 |
от 85 до 90 |
4,25 |
8,5 |
4,25 |
17,6 |
85 |
85 |
II |
21 и 22 |
от 90 до 95 |
4,5 |
9,0 |
4,5 |
18,4 |
90 |
90 |
II |
22 и 23 |
от 95 до 100 |
4,75 |
9,5 |
4,76 |
19,2 |
95 |
95 |
выше 23 |
от 100 до 101 |
5,0 |
10,0 |
5,0 |
20,0 |
100 |
100 |
Примечание - по цифровому выходу сигнализатор выдает значение измеренного уровня
как в процентах от диапазона измерений, так и в метрах.
Приложение Б
(обязательное)
Схемы подключения сигнализаторов уровня многоточечных Сигмур-2М
Перйичный преоброзойотель

6
Калибратор портотибный многофункциональный Метрон 51О-ПКМ

Технологическая
ПЭВМ
USB |
Преоброзойотель |
интерфейсо | |
RS485-USB |
Источник питония |
1 |
постоянного токо Б5-78/7 |
XS1 |
ХР1 |
Конт |
Цепь |
L |
Вхой 0 |
6 |
Вхой 0.1 |
3 |
Вхой 1 |
7 |
Вхой 1.1 |
4 |
Вхой 2 |
8 |
Вхой 2.1 |
5 |
Вхой 3 |
9 |
Вхой 3.1 |
20 |
Выхой 0 |
14 |
Выхой 0.1 |
19 |
Выхой 1 |
13 |
Выхой 1.1 |
18 |
Выхой 2 |
12 |
Выхой 2.1 |
1/ |
Выхой 3 |
11 |
Выхой 3.1 |
ХР2 |
XS2 |
Конт. |
Цепь |
1 |
Выхой + |
2 |
Выхой - |
3 |
Контроль - |
4 |
Контроль + |
5 |
RS-485 А |
6 |
RS-485 В |
7 |
Общий сигнальный |
XS3 |
ХРЗ |
Конт. |
Цепь |
1 |
+27В |
2 |
-27В |
Преобразователь электронный Пульс-АМ
Рисунок Б.1 - Схема подключения сигнализаторов Сигмур-2М при поверке
11

Рисунок Б.2 - Схема подключения сигнализаторов Сигмур-2М при проверке контроля исправности.
Остальное см. рисунок Б.1

Цепь |
Конт |
Общий |
1о |
RS-485 А |
1Ь |
RS-485 В |
1с |
+27 В |
2о |
01-27 В) |
2Ь |


Рисунок Б.З - Схема подключения при наличии прибора "Табло-AM"
Остальное см. рисунок Б.1
Приложение В (рекомендуемое)Форма протокола поверки сигнализатора уровня многоточечного СИГМУР-2М методом сличения
Поверяемое изделие Сигнализатор уровня многоточечный СИГМУР-2М, зав. №
Условия поверки:
температура окружающей среды________
относительная влажность воздуха________
атмосферное давление__________________
температура измеряемой среды__________
Внешний осмотр_____________________
Опробование________________________
Измеряемая среда__________
Результаты поверки на уровнемерной установке
Таблица В.1 - Результаты определения абсолютной погрешности сигнализаторов СИГМУР-2М
Номинальное положение дискретной точки, мм |
Значение уровня по уровнемерной установке, мм |
Абсолютная погрешность, мм |
Таблица В.2 - Результаты проверки выходных сигналов сигнализаторов СИГМУР-2М
Положение уровня |
Аналоговый выходной сигнал |
Цифровой выходной сигнал,% |
Показа ния прибора Таб-ло-АМ, % | |||
относительно дискретной точки |
относительно диапазона измерений, % |
Номинальное значение |
измеренное значение аналогового сигнала |
отклонения | ||
ниже 1 и 2 |
от 0 до 2,5 | |||||
между 1 и 2 |
от 2,5 до 5 | |||||
то же 2 и 3 |
от 5 до 7,5 | |||||
-"- 3 и 4 |
от 7,5 до 10,0 | |||||
-"- 4 и 5 |
от 10,0 до 12,5 | |||||
-"- 5 и 6 |
от 12,5 до 15,0 | |||||
-"- би 7 |
от 15,0 до 20,0 |
продолжение таблицы В.2
Положение уровня |
Аналоговый выходной сигнал |
Цифровой выходной сигнал,% |
Показания прибора Таб-ло-АМ, % | |||
относительно дискретной точки |
относительно диапазона измерений, % |
Номи нальное значение |
измеренное значение аналогового сигнала |
отклонения | ||
-"- 7 и 8 |
от 20,0 до 25,0 | |||||
-"- 8 и 9 |
от 25,0 до 30,0 | |||||
-"- 9 и 10 |
от 30,0 до 35,0 | |||||
-"- 10 и И |
от 35,0 до 40,0 | |||||
-"- 11 и 12 |
от 40,0 до 45,0 | |||||
-"- 12 и 13 |
от 45,0 до 50,0 | |||||
-"- 13 и 14 |
от 50,0 до 55,0 | |||||
-"- 14 и 15 |
от 55,0 до 60,0 | |||||
-"- 15 и 16 |
от 60,0 до 65,0 | |||||
-"- 16 и 17 |
от 65,0 до 70,0 | |||||
-"- 17 и 18 |
от 70,0 до 75,0 | |||||
-"- 18 и 19 |
от 75,0 до 80,0 | |||||
-"- 19 и 20 |
от 80,0 до 85,0 | |||||
-"- 20 и 21 |
от 85,0 до 90,0 | |||||
-"- 21 и 22 |
от 90,0 до 95,0 | |||||
-"- 22 и 23 |
от 95,0 до 100,0 | |||||
выше 23 |
от 100,0 до 101,0 |
Результаты поверки бездемонтажным методом
Таблица В.З
Значения выходных сигналов |
Отклонения выходных сигналов | |||
аналогового по МП 208-008-2016 |
измеренное значение аналогового сигнала |
цифрового |
аналогового |
цифрового |
Сигнализатор уровня многоточечный СИГМУР-2М________________________
(годен, не годен, указать причину)
Поверитель ____________ _____________________ "___"___________20___г.
Личная подпись Расшифровка подписи
15
МП 208-008-2016