Методика поверки «pH-МЕТР МАРК-904» (Код не указан!)
ВР72.00.000РЭ
ПРИЛОЖЕНИЕ А
(обязательное)
УТВЕРЖДАЮ
Главный метролог

ФБУ «Нижегородский ЦСМ»
П.А. Горбачев
* ’• 7i /
« /» ■ ■■■■-'■■ - 2016г.
/
рН-МЕТР
МАРК-904
Методика поверки
СОГЛАСОВАНО
Директор QOO «ВЗОР»

Е.В. Киселев
Гл. конструкт ООО « ВЗОР»

С' j А. К. Родионов
г. Нижний Новгород 2016 г.
А.1 Область применения
А. 1.1 Настоящая методика распространяется на pH-метр МАРК-904, предназначенный для измерения показателя активности ионов водорода (pH), температуры водных растворов, а также электродвижущей силы (ЭДС) и устанавливает методы и средства его первичной и периодической поверки.
Интервал между поверками - 1 год.
А.2 Используемые нормативные документы
РМГ 51-2002 Государственная система обеспечения единства измерений. Документы на методики поверки средств измерений. Основные положения.
ГОСТ 8.120-2014 Государственная система обеспечения единства измерений. Государственная поверочная схема для средств измерений pH.
Р 50.2.036-2004 Государственная система обеспечения единства измерений. pH-метры и иономеры. Методика поверки.
А.З Метрологические характеристики, проверяемые при поверке
Пределы допускаемой основной абсолютной погрешности pH-метра при измерении pH при температуре анализируемой среды (25,0 ± 0,2) °C и температуре окружающего воздуха (20 ± 5) °C должны быть, pH...................± 0,050.
Пределы допускаемой дополнительной абсолютной погрешности pH-метра при измерении pH, вызванной изменением температуры анализируемой среды в диапазоне температурной компенсации pH-метра в соответствии с таблицей А.3.1 (погрешность термокомпенсации pH-метра), должны быть, pH.........................................................................................±0,100.
Таблица А. 3.1 - Диапазон температурной компенсациирН-метра
Тип применяемых электродов |
Диапазон температурной компенсации рН-метра, °C |
Электрод стеклянный комбинированный ЭСК-10601/7(К80.7) |
от плюс 5 до плюс 50 |
Электрод стеклянный комбинированный ЭСК-10601/4(К80.7) | |
Электрод стеклянный комбинированный лабораторный ЭСКЛ-08М | |
Электрод стеклянный комбинированный лабораторный ЭСКЛ-08М.1 | |
Комбинированный pH-электрод с гелевым заполнением, тип 201020/51-18-04-22-120/837 | |
Электрод стеклянный ЭС-10601/7(К80.7) | |
Электрод стеклянный ЭС-10601/4(К80.7) | |
Электрод сравнения ЭСр-10101-3,0(К80.4) | |
Электрод сравнения ЭСр-10103-3,0(К80.4) | |
Электрод стеклянный лабораторный ЭСЛ-43-07СР |
от плюс 5 до плюс 40 |
Электрод вспомогательный лабораторный ЭВЛ-1М3.1 |
Пределы допускаемой основной абсолютной погрешности pH-метра при измерении температуры анализируемой среды при температуре окружающего воздуха (20 ± 5) °C должны быть, °C.................................................±0,3.
Пределы допускаемой основной абсолютной погрешности преобразователя при измерении ЭДС при температуре окружающего воздуха (20 ± 5) °C должны быть, мВ........................................................................±0,5.
А.4 Операции поверки
При проведении поверки должны быть выполнены операции, указанные в таблице А.4.1.
Таблица А. 4.1
Наименование операции |
Номера пп. методики поверки |
Необходимость проведения операции при | |
первичной поверке |
периодической поверке | ||
1 Внешний осмотр |
А.10.1 |
+ |
+ |
2 Опробование |
А.10.2 |
+ |
+ |
3 Определение основной абсолютной погрешности pH-метра при измерении _ |
А.10.3 |
+ |
+ |
4 Определение дополнительной погрешности pH-метра при измерении pH, вызванной изменением температуры анализируемой среды (погрешность температурной компенсации рН-метра) |
А.10.4 |
+ |
+ |
5 Определение основной абсолютной погрешности pH-метра при измерении температуры анализируемой среды |
А.10.5 |
+ |
+ |
6 Определение основной абсолютной погрешности преобразователя при измерении ЭДС |
А.10.6 |
+ |
+ |
Примечания
|
А.5 Средства поверки
Средства измерений, реактивы, материалы, применяемые при поверке, указаны в таблице А.5.1.
Таблица А. 6.1
Номер пункта методики поверки |
Наименование и тип основного или вспомогательного средства поверки; обозначение нормативного документа, регламентирующего технические требования и (или) метрологические и основные технические характеристики средства поверки |
А.8 |
Гигрометр психрометрический типа ВИТ-1 Диапазон измерений относительной влажности воздуха от 20 до 90 %. Абсолютная погрешность измерения ± 7 %. |
Продолжение таблицы А. 5.1
Номер пункта методики поверки |
Наименование и тип основного или вспомогательного средства поверки; обозначение нормативного документа, регламентирующего технические требования и (или) метрологические и основные технические характеристики средства поверки |
А.8 |
Барометр-анероид БАММ-1 ТУ-25-04-15-13-79. Диапазон измеряемого давления от 80 до 106 кПа. Предел допускаемой основной абсолютной погрешности ± 0,2 кПа. |
А.10.3, А.10.4 |
Буферные растворы - рабочие эталоны pH 2-го разряда по ГОСТ 8.120-2014, приготовленные из стандарт-титров по ГОСТ 8.135-2004, воспроизводящие значения pH: 1,65; 4,01; 9,18. Пределы допускаемой абсолютной погрешности воспроизведения ±0,01. |
А.10.6 |
Прибор для поверки вольтметров, дифференциальный вольтметр В1-12. Диапазон выходных калибровочных напряжений 1 10'7-1000 В. Предел допускаемой основной абсолютной погрешности на пределе 1 В: 2-1О'5[А± 1-10’6В, где UK - калибровочное напряжение, В. |
А.10.6 |
Имитатор электродной системы типа И-02. Диапазон выходного напряжения имитатора от 0 до ± 2011 мВ с дискретностью установки 0,1 мВ. |
А.10.3, А.10.4, А.10.5 |
Термометр лабораторный электронный ЛТ-300 Диапазон измерения от минус 50 до плюс 300 °C. Погрешность измерения ± 0,05 °C. |
А.10.3, А.10.4 |
Термостат жидкостный ТЖ-ТС-01/26. Диапазон регулирования температуры от плюс 10 до плюс 100 °C. Погрешность поддержания температуры ± 0,1 °C. |
А.9, А.10.3, А.10.4 |
Посуда мерная лабораторная стеклянная ГОСТ 1770-74 |
А.9, А.10.3, А.10.4 А.10.5 |
Вода дистиллированная ГОСТ 6709-72 (удельная электрическая проводимость не более 5 мкСм/см) |
Примечания
-
1 Допускается применение других средств измерений, не приведенных в перечне, но обеспечивающих определение метрологических характеристик с необходимой точностью.
-
2 Для измерений температуры допускается применение других средств измерений с погрешностью измерений не хуже ± 0,1 °C.
Средства измерений должны быть поверены и иметь действующие свидетельства о поверке или знаки поверки.
Испытательное оборудование должно иметь отметки, подтверждающие его годность в соответствии с требованиями их технической документации.
А.6 Требования к квалификации поверителя
К проведению поверки pH-метров допускаются лица, имеющие высшее или среднетехническое образование, опыт работы в области аналитической химии, ежегодно проходящие проверку знаний по технике безопасности, владеющие техникой потенциометрических измерений, изучившие настоящую методику поверки и аттестованные в качестве поверителя.
А.7 Требования безопасности
А.7.1 При проведении поверки соблюдают требования техники безопасности:
-
- при работе с химическими реактивами - по ГОСТ 12.1.007-76 и ГОСТ 12.4.021-75;
-
- при работе с электроустановками - по ГОСТ Р 12.1.019-2009 и ГОСТ 12.2.007.0-75.
А.7.2 Помещение, в котором осуществляется поверка, должно соответствовать требованиям пожарной безопасности по ГОСТ 12.1.004-91 и иметь средства пожаротушения по ГОСТ 12.4.009-83.
А.7.3 Исполнители должны быть проинструктированы о мерах безопасности, которые должны соблюдаться при работе с приборами, в соответствии с инструкциями, прилагаемыми к приборам. Обучение работающих лиц правилам безопасности труда должно проводиться по ГОСТ 12.0.004-90.
А.8 Условия проведения поверки
А.8.1 Поверка должна проводиться в следующих условиях:
-
- температура окружающего воздуха, °C...............................(20 ± 5);
-
- относительная влажность воздуха, %.............................от 30 до 80;
-
- атмосферное давление, кПа.................................от 84,0 до 106,7;
-
- питание оборудования............................от сети переменного тока
частотой (50,0 ± 0,5) Гц и напряжением (220 ± 4,4) В;
А.8.2 Вибрация, тряска, удары, влияющие на работу pH-метров, не допускаются.
А.9 Подготовка к поверке
А.9.1 Поверяемый pH-метр с электродами подготавливают к работе в соответствии с п. 2.3 РЭ.
А.9.2 Основное и вспомогательное оборудование, указанное в разделе А.5, подготавливают к работе в соответствии с требованиями нормативных документов и ЭД.
А.9.3 Буферные растворы - рабочие эталоны pH приготавливают, как указано в инструкциях на стандарт-титры для рН-метрии.
Примечание - Буферные растворы готовят непосредственно перед проведением измерений.
А. 10 Проведение поверки
А. 10.1 Внешний осмотр
При проведении внешнего осмотра проверяют визуально:
- комплектность рН-метра;
-
- целостность корпуса, электродов, соединительных кабелей, отсутствие механических повреждений, препятствующих нормальному функционированию рН-метра;
-
- чистоту и целостность соединителей и гнезд;
-
- четкость и правильность маркировки в соответствии с РЭ (обозначение pH-метра, товарный знак предприятия-изготовителя, заводской номер, обозначение кнопок, соединителей, гнезд).
pH-метр, имеющий дефекты, которые затрудняют эксплуатацию, бракуют и к дальнейшей проверке не допускают.
А. 10.2 Опробование
А. 10.2.1 Проверка функционирования pH-метра в различных режимах работы
Датчик температуры размещают на воздухе и включают рН-метр.
РЕЖИМ
На индикаторе отобразятся показания. Кнопкой « танавливают режимы измерений по pH, рН25 и ЭДС.
» поочередно ус
После переключения режимов работы и возвращения в начальный режим показания pH-метра должны восстанавливаться.
pH-метр, указанные режимы измерений которого установить не удалось, к дальнейшей поверке не допускают.
А. 10.2.2 Проверка соответствия программного обеспечения (ПО)
Проверяют соответствие ПО тому, которое было зафиксировано при испытаниях в целях утверждения типа рН-метра.
Для этого отключают pH-метр и включают его, удерживая кнопку « V V » до появления экрана, в верхней строке которого отображается идентификационное обозначение ПО, в нижней - цифровой идентификатор ПО.
Фиксируют идентификационное наименование ПО, оно должно соответствовать обозначению МАРК-904 V01.01.
Четыре последних цифры обозначают номер версии (идентификационный номер) ПО.
Фиксируют вычисленный цифровой идентификатор ПО (контрольную сумму исполняемого кода). Она должна соответствовать значению 23216.
Результат операции поверки pH-метра считают удовлетворительным, если pH-метр соответствует приведенным требованиям.
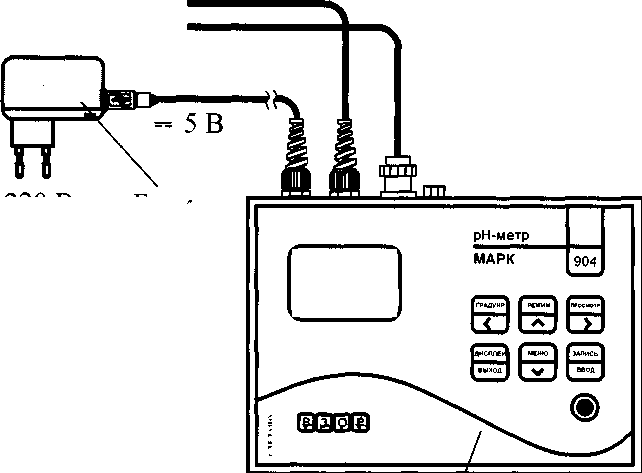
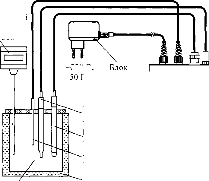
А. 10.3 Определение основной абсолютной погрешности pH-метра при измерении pH
А.10.3.1 Подготовка к измерениям
Собирают установку в соответствии с рисунком А. 10.1 для pH-метров с комбинированными электродами и в соответствии с рисунком А. 10.2 для pH-метров с раздельными электродами.
Устанавливают температуру, поддерживаемую термостатом, равной (25,0 ±0,2) °C.
Проводят градуировку pH-метра в соответствии с п. 2.3.3 РЭ по двум буферным растворам - рабочим эталонам pH, воспроизводящим значения pH 1,65 и pH 9,18 при температуре растворов (25,0 ± 0,2) °C.
А. 10.3.2 Проведение измерений
Проводят измерение pH одного из трех (с учетом преимущественного диапазона измерений при эксплуатации pH-метра) буферных растворов -рабочих эталонов pH по ГОСТ 8.134-2014, воспроизводящих значение pH 3,56; pH 4,01; pH 10,00 при температуре растворов (25,0 ± 0,2) °C.
Измерения повторяют не менее трех раз.
Термометр лабораторный электронный ЛТ-300
X—
ЕЮ
✓*

Датчик температуры Комбинированный электрод .Термостат
Сосуд жидкостный
с буферным раствором

-220 В, Блок
50 Гц питания

Блок
преобразовательный
Рисунок А. 10.1

220 В,
преобразовательный
Блок
преобразовательный
питания
Термометр лабораторный электронный ЛТ-300
Электрод сравнения Измерительный электрод Датчик температуры Термостат Сосуд жидкостный
с буферным раствором

Блок
Рисунок А. 10.2
А. 10.3.3 Обработка результатов измерений
Если максимальное расхождение результатов измерений pH не превышает значения 0,05 pH, находят среднеарифметическое рНизм ср измеренных значений pH для данного буферного раствора.
Рассчитывают основную абсолютную погрешность pH-метра при измерении pH ДорН, pH, по формуле:

(А.1)
гдерНэт - значение pH по ГОСТ 8.134-2014, воспроизводимое буферным раствором - рабочим эталоном pH при температуре 25 °C.
Результаты проверки считают удовлетворительными, если выполняется условие:
- 0,050 <\ор1{< 0,050.
А. 10.4 Определение дополнительной абсолютной погрешности рН-метра при измерении pH, вызванной изменением температуры анализируемой среды (погрешность термокомпенсации рН-метра)
А. 10.4.1 Подготовка к измерениям и используемая установка - в соответствии с п. А. 10.3.1.
А. 10.4.2 Проведение измерений
Устанавливают температуру, поддерживаемую термостатом, равной верхнему пределу диапазона температурной компенсации рН-метра -(50,0 ± 0,2) °C либо (40,0 ± 0,2) °C в зависимости от типа применяемых электродов в соответствии с таблицей А.3.1.
Проводят измерение pH одного из трех (с учетом преимущественного диапазона измерений при эксплуатации рН-метра) буферных растворов -рабочих эталонов pH, воспроизводящих значение pH 3,56; 4,01; 10,00 при температуре растворов (25,0 ± 0,2) °C, для температуры (50,0 ± 0,2) °C либо (40,0 ±0,2) °C.
Измерения повторяют не менее трех раз.
А. 10.4.3 Обработка результатов измерений
Если максимальное расхождение результатов измерений pH не превышает значения 0,1 pH, находят среднеарифметическое рН'изч измеренных значений pH для данного буферного раствора в данной температурной точке.
Рассчитывают дополнительную абсолютную погрешность pH-метра при измерении pH А(рН, pH, по формуле:

изм.ср
(А.2)
гдерНэт - значение pH по ГОСТ 8.134-2014, воспроизводимое буферным раствором - рабочим эталоном pH при температуре (50,0 ± 0,2) °C либо (40,0 ± 0,2) °C и приведенное в таблице Б.1.
Результаты проверки считают удовлетворительными, если выполняется условие:
- 0,100 <&tpH< 0,100.
А. 10.5 Определение основной абсолютной погрешности pH-метра при измерении температуры анализируемой среды
А. 10.5.1 Подготовка к измерениям
Собирают установку в соответствии с рисунком А. 10.3.
Термометр, лабораторный электронный ЛТ-300
Датчик
температуры
Вода
дистиллированная
Термостат
жидкостный
EZZZZ


Блок
Блок
преобразовательный
преобразовательный
Рисунок А. 10.3
А. 10.5.2 Проведение измерений
Устанавливают поочередно с помощью термостата температуру воды (0,0 + 0,5), (25 ± 5), (65 ± 5) °C, поддерживая ее с точностью ± 0,2 °C.
Примечание - Для проверки в точке с температурой (0,0 + 0,5) °C допускается использовать воду с тающим льдом.
Для каждого установленного термостатом значения температуры фиксируют показания pH-метра при измерении температуры tU3M, °C, и показания термометра ЛТ-300 4, °C.
А. 10.5.3 Обработка результатов измерений
Рассчитывают для каждого значения температуры основную абсолютную погрешность pH-метра при измерении температуры °C, по формуле
~ 1изм С' (А.З)
Результат проверки считают удовлетворительными, если для каждой установленной температуры выполняется условие:
~0,3<Дг<0,3.
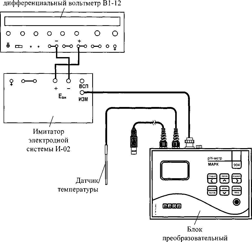
А. 10.6 Определение основной абсолютной погрешности преобразователя при измерении ЭДС
А. 10.6.1 Подготовка к измерениям
Собирают установку в соответствии с рисунком А.9.3.
Имитатор электродной системы применяют для удобства подключения преобразователя к источнику ЭДС.
А. 10.6.2 Проведение измерений
Определение основной абсолютной погрешности преобразователя при измерении ЭДС выполняют в точках, соответствующих минус 1000, минус 500, 0, 500, 1000 мВ.
Включают режим измерения ЭДС.
На вход преобразователя подают напряжение U, мВ, от прибора для поверки вольтметров, дифференциального вольтметра В1-12, равное минус 1000, минус 500, 0, 500, 1000 мВ.
Для каждой точки фиксируют показания рН-метра.
Прибор для поверки вольтметров,

Рисунок А.9.3
А.10.6.3 Обработка результатов измерений
Рассчитывают основную абсолютную погрешность преобразователя при измерении ЭДС Аоэдс, мВ, по формуле:
эдс = UU3M — U, (А.4)
где UUM1 - показания pH-метра, мВ.
Результат проверки считают удовлетворительными, если для всех точек выполняется условие:
- 0,5 < До эдс < 0,5.
А. 11 Оформление результатов поверки
А. 11.1 Результаты поверки оформляют в виде протокола произвольной формы.
А.11.2 Положительные результаты поверки удостоверяют знаком поверки и (или) свидетельством о поверке, и (или) записью в паспорте на pH-метр в соответствии с Приказом Минпромторга России от 02 июля 2015 г. № 1815. Знак поверки наносят на свидетельство о поверке и (или) паспорт, и на блок преобразовательный в виде наклейки или оттиска клейма.
А.11.3 Если по результатам поверки pH-метр признают непригодным к применению, свидетельство о поверке аннулируют и выписывают извещение о непригодности к применению в соответствии с Приказом Минпромторга России от 02 июля 2015 г. № 1815.
ПРИЛОЖЕНИЕ Б
(справочное)
Значения pH стандартных буферных растворов в зависимости от температуры
Таблица Б.1
Состав буферных растворов | ||||||
Температура, °C |
КН3(С2О4)2х х2Н2О Калий тетраоксалат 2-водный, (25,219 г/дм3) |
КНС4Н4С5 Калий гидротартрат насыщенный при 25 °C, (7,868 г/дм3) |
КС8Н5О4 Калий гидрофталат (10,120 г/дм3) |
КН2РО4+ +Na2HPO4 Калий дигидрофосфат (3,3880 г/дм3) +натрий моногидрофосфат (3,5330 г/дм3) |
Na2B4O7x хЮН2О Натрий тетраборат 10-водный (3,8064 г/дм3) |
Na2CO3+ +NaHCO3 Натрий углекислый (2,6428 г/дм3) +натрий углекислый кислый (2,0947 г/дм3) |
1,65 |
3,56 |
4,01 |
6,86 |
9,18 |
10,00 | |
0 |
- |
- |
4,000 |
6,961 |
9,475 |
10,273 |
5 |
- |
- |
3,998 |
6,935 |
9,409 |
10,212 |
10 |
1,638 |
- |
3,997 |
6,912 |
9,347 |
10,154 |
15 |
1,642 |
- |
3,998 |
6,891 |
9,288 |
10,098 |
20 |
1,644 |
- |
4,001 |
6,873 |
9,233 |
10,045 |
25 |
1,646 |
3,556 |
4,005 |
6,857 |
9,182 |
9,995 |
30 |
1,648 |
3,549 |
4,011 |
6,843 |
9,134 |
9,948 |
37 |
1,649 |
3,544 |
4,022 |
6,828 |
9,074 |
9,889 |
40 |
1,650 |
3,542 |
4,027 |
6,823 |
9,051 |
9,866 |
50 |
1,653 |
3,544 |
4,050 |
6,814 |
8,983 |
9,800 |
60 |
1,660 |
3,553 |
4,080 |
6,817 |
8,932 |
9,753 |
70 |
1,67 |
3,57 |
4,12 |
6,83 |
8,90 |
9,730 |
80 |
1,69 |
3,60 |
4,16 |
6,85 |
8,88 |
9,73 |
90 |
1,72 |
3,63 |
4,21 |
6,90 |
8,84 |
9,75 |
95 |
1,73 |
3,65 |
4,24 |
6,92 |
8,89 |
- |
ПРИЛОЖЕНИЕ В
(справочное)
Реализованная в pH-метре функция зависимости значения pH сильно разбавленных растворов щелочей и кислот от температуры анализируемой среды, рассчитанная на основании данных, приведенных в МУ 34-70-114-85.

70