Методика поверки «Анализаторы параметров качества электрической энергии PQM-700, PQM-701Z, PQM-701Zr, PQM-702 Производства фирмы "SONEL S.A.", Польша» (PQM-702-13 МП)
СОГЛАСОВАНО

Ништа
2014 г.
УТВЕРЖДАЮ
Заместитель директора

АНАЛИЗАТОРЫ ПАРАМЕТРОВ КАЧЕСТВА ЭЛЕКТРИЧЕСКОЙ ЭНЕРГИИ
PQM-700, PQM-701Z, PQM-701Zr, PQM-702
Производства фирмы «SONEL S.A.», Польша
МЕТОДИКА ПОВЕРКИ
PQM-702-13 МП
Москва
2014
Содержание
-
1 ОПЕРАЦИИ И СРЕДСТВА ПОВЕРКИ
4
7
7
7
7
7
8
8 и
8
9 и
9 и
-
2 ТРЕБОВАНИЯ К КВАЛИФИКАЦИИ ПОВЕРИТЕЛЕЙ
-
3 ТРЕБОВАНИЯ БЕЗОПАСНОСТИ
-
4 УСЛОВИЯ ПОВЕРКИ И ПОДГОТОВКА К НЕЙ
-
5 ПРОВЕДЕНИЕ ПОВЕРКИ
-
5.1 Внешний осмотр
-
-
5.4 Опробование
-
5.5 Проверка метрологических характеристик
-
5.5.1 Проверка абсолютной погрешности измерения напряжения постоянного переменного тока (среднеквадратическое значение, f = 40..70 Гц).
-
5.5.2 Проверка абсолютной погрешности измерения частоты переменного тока.
значения
-
5.5.3 Проверка абсолютной погрешности измерения среднеквадратического суммарного коэффициента гармонических составляющих напряжения.
значения (Только для
10 значения и
10 значения и (только для
12
-
5.5.4 Проверка абсолютной погрешности измерения среднеквадратического суммарного коэффициента интергармонических составляющих напряжения. PQM-702)
-
5.5.5 Проверка абсолютной погрешности измерения среднеквадратического суммарного коэффициента гармонических составляющих силы тока.
-
5.5.6 Проверка абсолютной погрешности измерения среднеквадратического суммарного коэффициента интергармонических составляющих силы тока. PQM-702)
-
5.5.7 Проверка абсолютной погрешности измерения силы постоянного и переменного тока (среднеквадратическое значение, f = 40..70 Гц) с использованием измерительных клещей. (Только при наличии измерительных клещей C-4, C-5, C-6, C-7, F-1, F-2, F-3 в комплекте анализатора) 12
-
5.5.8 Проверка абсолютной погрешности измерения активной, реактивной, полной мощности и абсолютной погрешности измерения коэффициента мощности, коэффициента сдвига фаз, угла сдвига фаз между напряжением и силой тока. (Только при наличии измерительных клещей C-4, C-5, C-6, C7, F-1, F-2, F-3 в комплекте анализатора) 13
-
5.5.9 Проверка абсолютной погрешности измерения активной, реактивной и полной энергии. (Только при наличии измерительных клещей C-4, C-5, C-6, C-7, F-1, F-2, F-3 в комплекте анализатора) 14
-
5.5.10 Проверка абсолютной погрешности измерения кратковременной и длительной дозы фликера. 16
-
5.5.11 Проверка абсолютной погрешности измерения коэффициента несимметрии напряжений по обратной и нулевой последовательности, угла сдвига фаз напряжений. 17
-
5.5.12 Проверка абсолютной погрешности измерения угла сдвига фаз силы токов. (Только при наличии измерительных клещей C-4, C-5, C-6, C-7, F-1, F-2, F-3 в комплекте анализатора) 17
-
5.5.13 Проверка абсолютной погрешности измерения длительности регистрируемых событий.
18
19
19
20
41
-
5.6 Подтверждение соответствия программного обеспечения
-
6 ОФОРМЛЕНИЕ РЕЗУЛЬТАТОВ ПОВЕРКИ ПРИЛОЖЕНИЕ А (Рекомендуемое) ПРИЛОЖЕНИЕ Б (Обязательное)
РАЗРАБОТАНА
ООО «СОНЭЛ»
ИСПОЛНИТЕЛИ
ТЕХНИЧЕСКИЙ ДЕПАРТАМЕНТ ООО "СОНЭЛ"
ПОДГОТОВЛЕНА
К УТВЕРЖДЕНИЮ
ФГУП «ВНИИМС»
Мл. научный сотрудник категории отдела 206.1 Казаков М.С.
УТВЕРЖДЕНА
ФГУП «ВНИИМС»
PQM-702-13 МП
Настоящая методика поверки распространяется на анализаторы параметров качества электрической энергии PQM-700, PQM-701Z, PQM-701Zr, PQM-702 (далее - анализаторы) и устанавливает методику их первичной и периодической поверок.
На первичную поверку следует предъявлять анализатор, принятый отделом технического контроля организации-изготовителя или уполномоченным на то представителем организации, до ввода в эксплуатацию и после ремонта.
На периодическую поверку следует предъявлять анализатор в процессе эксплуатации и хранения, который был подвергнут регламентным работам необходимого вида, и в эксплуатационных документах на который есть отметка о выполнении указанных работ.
Периодичность поверки в процессе эксплуатации и хранении устанавливается потребителем с учетом условий и интенсивности эксплуатации анализатор, но не реже одного раза в два года.
-
1 ОПЕРАЦИИ И СРЕДСТВА ПОВЕРКИ
-
1.1 При проведении поверки проводят операции, указанные в таблице 1 и должны использоваться средства поверки, указанные в таблице 2
-
Таблица 1 - Операции поверки
№ п/п |
Операции поверки |
№ п/п |
Необходимость проведения |
Затрагиваемые модификации PQM | ||||
Первичная поверка |
Периодическая поверка |
700 |
701Z |
701Zr |
702 | |||
1. |
5.1 |
ДА |
ДА |
ДА |
ДА |
ДА |
ДА | |
2. |
Проверка электрического сопротивления изоляции |
5.2 |
ДА |
ДА |
ДА |
ДА |
ДА |
ДА |
3. |
Проверка электрической прочности изоляции |
5.3 |
после ремонта |
НЕТ |
ДА |
ДА |
ДА |
ДА |
4. |
5.4 |
ДА |
ДА |
ДА |
ДА |
ДА |
ДА | |
5. |
5.5 |
ДА |
ДА |
ДА |
ДА |
ДА |
ДА | |
6. |
Проверка абсолютной погрешности измерения напряжения постоянного и переменного тока. |
5.5.1 |
ДА |
ДА |
ДА |
ДА |
ДА |
ДА |
7. |
Проверка абсолютной погрешности измерения частоты переменного тока. |
5.5.2 |
ДА |
ДА |
ДА |
ДА |
ДА |
ДА |
8. |
Проверка абсолютной погрешности измерения среднеквадратического значения и суммарного коэффициента гармонических составляющих напряжения. |
5.5.3 |
ДА |
ДА |
ДА |
ДА |
ДА |
ДА |
9. |
Проверка абсолютной погрешности измерения среднеквадратического значения и суммарного коэффициента интергармонических составляющих напряжения. |
5.5.4 |
ДА |
НЕТ |
НЕТ |
НЕТ |
НЕТ |
ДА |
10. |
Проверка абсолютной погрешности среднеквадратического значения и суммарного коэффи- |
5.5.5 |
ДА |
ДА |
ДА |
ДА |
ДА |
ДА |
-
1.2 При несоответствии характеристик поверяемых анализаторов установленным требованиям по любому из пунктов таблицы 1 их к дальнейшей поверке не допускают и последующие операции не проводят, за исключением оформления результатов по 6.2.
Таблица 2 - Средства поверки
Номер пункта методики поверки |
Наименование и тип основного или вспомогательного средства поверки; обозначение нормативного документа, регламентирующего технические требования и метрологические и основные технические характеристики средства поверки. | ||
Наименование воспроизводимой величины |
Диапазоны воспроизведения |
Погрешность | |
Калибратор универсальный Fluke 5520A с опцией POWER QUALITY | |||
5.5.1 |
Напряжение постоянного тока Выход «Normal» |
От -330 до 330 мВ От -3,3 до 3,3 В От -33 до 33 В От -330 до 330 В От -1020 до 1020 В |
A=±(20*10’6*U + 1 мкВ) A=±(11*10’6*U + 2 мкВ) A=±(12*10’6*U + 15 мкВ) A=±(18*10’6*U + 150 мкВ) A=±(18*10’6*U + 1500 мкВ) |
5.5.1 5.5.8 5.5.9 |
Напряжение переменного тока Выход «Normal» |
От 1 до 32,999 мВ 45 Гц...10 кГц От 33 до 329,999 мВ 45 Гц.10 кГц От 0,33 до 3,29999 В 45 Гц.10 кГц От 3,3 до 32,9999 В 45 Гц.10 кГц От 33 до 329,999 В 45 Гц.1 кГц От 330 до 1020 В 45 Гц...1кГц |
A=±(150*10’6*U + 6 мкВ) A=±(145*10’6*U + 8 мкВ) A=±(120*10’6*U + 25 мкВ) A=±(150*10’6*U + 200 мкВ) A=±(190*10’6*U + 2000 мкВ) A=±(300*10’6*U + 10000 мкВ) |
5.5.2 |
Частота |
0.01Гц...2МГц 29мкВ...1025В |
A=±(2.5*10-6*f + 5 мкГц) |
5.5.7 |
Сила постоянного тока Выход «Aux» |
От -32,9999.32,9999 мА От -329,999.329,999 мА От -1,09999.1,09999 А От -2,99999.2,99999 А От -10,9999.10,9999 А От -20,4999.20,4999 А |
A=±(100*10’6*I + 0,2 мкА) A=±(100*10’6*I + 2 мкА) A=±(200*10’6*I + 40 мкА) A=±(380*10’6*I + 40 мкА) A=±(500*10’6*I + 330 мкА) A=±(500*10’6*I + 330 мкА) |
|
Сила переменного тока Выход «Aux» |
От 3,3 до 32,9999 мА 45 Гц...1кГц От 33 до 329,999 мА 45 Гц.1кГц От 0,33 до 2,99999 А 45 Гц.1кГц От 3 до 10,9999 А 45.100 Гц От 11 до 20,4999 А 45.100 Гц |
A=±(0,04*10’2*I + 2 мкА) A=±(0,04*10’2*I + 20 мкА) A=±(0,05*10’2*I + 100 мкА) A=±(0,06*10’2*I + 2000 мкА) A=±(0,10*10’2*I + 2000 мкА) |
5.5.8 |
Фазовый угол между выходами “Normal” и “Aux” |
От 00 до 360.00 |
Д= ± 0,10 |
5.5.10 |
Доза фликера |
От 1 до 5 |
8 = ± 0,1 % |
5.5.13 |
Длительность регистрируемых событий |
От 0,01 с до 60 с |
Д= ± 0.001 с |
|
Токоизмерительная катушка из комплекта ЗИП к FLUKE 5520A FLUKE 5500A/COIL Кол-во витков го=50. Коэффициент трансформации Ктр=50.Кл.т. 0,01.1вх.тах=20 А, 1вых.тах=1000 А | ||
Калибратор переменного тока РЕСУРС-К2М | |||
5.5.3 5.5.5 |
Коэффициент n-й гармонической составляющей напряжения и силы тока |
От 0,05 до 30 |
Д= ± (0,01 + 0.005<K(n)) |
5.5.11 |
Коэффициент несимметрии |
От 0 % до 30 % |
Д= ± 0,1 % |
5.5.12 |
Угол сдвига фаз напряжений и силы токов |
От минус 1800 до 1800 |
Д= ± 0,03 % |
5.5.4 5.5.6 |
Коэффициент т-й интергармонической составляющей напряжения и силы тока |
От 0,05 до 30 |
Д= ± (0,01 + 0,005-Kigm)) |
Установка Для проверки электрической безопасности GPI 745 А | |||
|
Испытательное напряжение постоянного тока до 6000 В; диапазон измеряемых сопротивлений от 1 до 9999 МОм; пределы допускаемой погрешности измерений сопротивления ± 0.(kvR |
Примечание Допускается применять другие средства поверки, метрологические и технические характеристики которых не хуже приведенных в таблице 2.
-
2 ТРЕБОВАНИЯ К КВАЛИФИКАЦИИ ПОВЕРИТЕЛЕЙ
К поверке анализаторов допускают лиц, аттестованных на право поверки средств измерений электрических величин.
Поверитель должен пройти инструктаж по технике безопасности и иметь удостоверение на право работы на электроустановках с напряжением до 1000 В с группой допуска не ниже III.
-
3 ТРЕБОВАНИЯ БЕЗОПАСНОСТИ
При проведении поверки должны быть соблюдены требования ГОСТ 12.2.007.0-75, ГОСТ 12.2.007.3-75, ГОСТ 12.3.019-80, "Правил эксплуатации электроустановок потребителей" и "Правил техники безопасности при эксплуатации электроустановок потребителей".
Должны также быть обеспечены требования безопасности, указанные в эксплуатационных документах на средства поверки.
-
4 УСЛОВИЯ ПОВЕРКИ И ПОДГОТОВКА К НЕЙ
4.1. При проведении поверки должны соблюдаться следующие условия:
-
4.2 Средства поверки подготавливают к работе согласно указаниям, приведенным в соответствующих эксплуатационных документах.
-
4.3 До проведения поверки необходимо установить на персональный компьютер программное обеспечение “SONEL ANALYSIS”, предназначенное для управления анализатором. Прилагаемое программное обеспечение находится на компакт-диске из комплекта анализатора. Также его можно загрузить с сайта www.sonel.ru из раздела НАША БИБЛИОТЕКА - ПРОГРАММНОЕ ОБЕСПЕЧЕНИЕ.
-
4.4 После установки программного обеспечения, необходимо подключить анализатор к персональному компьютеру, с использованием кабеля USB или посредством беспроводного интерфейса OR-1, и запустить “ SONEL ANALYSIS ”. В главном меню программы необходимо выбрать “АНАЛИЗАТОР” - “КОНТРОЛЬ”, выделить строку с необходимым анализатором, и нажать ВЫБРАТЬ. В следующем диалоговом окне произвести ввод PIN- кода (по умолчанию -“000”). Сброс PIN-кода можно провести в соответствии с руководством по эксплуатации. После проведения данных действия анализатор полностью готов к проведению конфигурирования и измерений.
-
4.5 В пункте меню АНАЛИЗАТОР - КОНФИГУРАЦИЯ программы “ SONEL ANALYSIS ” нужно провести и сохранить следующие настройки для Точки измерений 1:
- тип сети - Звезда с N; номинальные напряжение сети - 220/380 В; частота сети - 50 Гц; тип клещей - не использовать; трансформаторы напряжения - откл; Напряжение N-PE - вкл.
После проведения первичных настроек ПО необходимо их передать в анализатор с использованием пункта ЭКСПОРТ.
При проведении внешнего осмотра должно быть установлено соответствие проверяемого анализатора следующим требованиям:
-
• комплектности анализаторов в соответствии с руководством по эксплуатации;
-
• не должно быть механических повреждений корпуса, лицевой панели, органов управления, все надписи на панелях должны быть четкими и ясными;
-
• все разъемы не должны иметь повреждений и должны быть чистыми.
При наличии дефектов поверяемые анализаторы бракуются и подлежат ремонту.
Проверку проводят в соответствии с п.10.2 ГОСТ Р 8.656-2009 «Государственная система обеспечения единства измерений. Средства измерений показателей качества электрической энергии. Методика поверки».
-
5.3 Проверка электрической прочности изоляции
Проверку проводят в соответствии с п.10.3 ГОСТ Р 8.656-2009 «Государственная система обеспечения единства измерений. Средства измерений показателей качества электрической энергии. Методика поверки».
-
5.4 Опробование
Проверяется работоспособность дисплея и клавиш управления; режимы, отображаемые на дисплее, при нажатии соответствующих клавиш, должны соответствовать руководству по эксплуатации.
-
5.5 Проверка метрологических характеристик
Проверку метрологических характеристик проводят в соответствии ГОСТ Р 8.656-2009 «Государственная система обеспечения единства измерений. Средства измерений показателей качества электрической энергии. Методика поверки» в следующей последовательности:
-
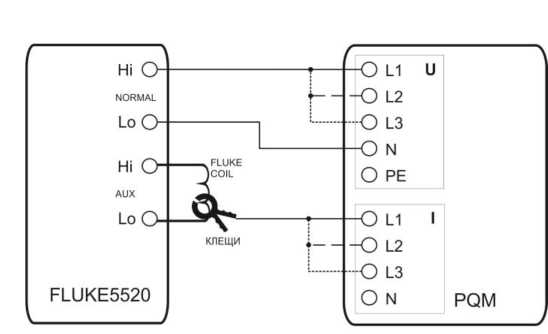
5.5.1 Проверка абсолютной погрешности измерения напряжения постоянного и переменного тока (среднеквадратическое значение, f = 40..70 Гц).
Поверяемый анализатор подключают к калибратору FLUKE 5520A в соответствии с рисунком 1. На калибраторе устанавливают значения в точках, в соответствии с таблицами А.1, А.2 Приложения А. Измерения анализатором производятся автоматически. Результаты измерений можно увидеть в разделе программы “АНАЛИЗАТОР” - “ИЗМЕРЕНИЯ В РЕАЛЬНОМ ВРЕМЕНИ” на вкладке “ИЗМЕРЕНИЯ”. Фиксируются показания поверяемого анализатора, и результат заносится в эти же таблицы. Полярность должна оказать положительное влияние на L1, L2, L3 и отрицательное на PE.
Абсолютную погрешность измерения определяют по формуле (1):
(1)
уст-Хизм
где Хуст - показания калибратора
Хизм - показания поверяемого анализатора.
Результаты поверки считают положительными, если полученные значения погрешностей не превышают нормируемых по данным таблиц А.1, А.2 Приложения А.
Hi О
О L1 и
NORMAL
Lo о
FLUKE5520

■О L3 ■О N
РЕ
О L1
О L2
О L3
О N
PQM
Рисунок 1 - Структурная схема определения абсолютной погрешности измерения напряжения постоянного и переменного тока, частоты переменного тока.
где PQM - поверяемый анализатор;
FLUKE 5520 - калибратор универсальный.
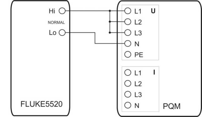
Поверяемый анализатор подключают к калибратору FLUKE 5520A (см. рисунок 1). На калибраторе устанавливают значения в точках, в соответствии с таблицей А.3 Приложения А. Измерения анализатором производятся автоматически. Результаты измерений можно увидеть в разделе программы “АНАЛИЗАТОР” - “ИЗМЕРЕНИЯ В РЕАЛЬНОМ ВРЕМЕНИ” на вкладке “Измерения”. При измерении частоты может понадобиться до 10 с для получения результата. Фиксируются показания поверяемого анализатора, и результат заносится в эту же таблицу.
Абсолютную погрешность измерения определяют по формуле (1).
Результаты поверки считают положительными, если полученные значения погрешностей не превышают нормируемых по данным таблицы А.3 Приложения А.
-
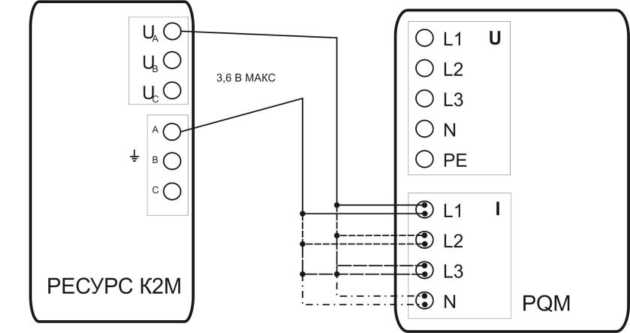
5.5.3 Проверка абсолютной погрешности измерения среднеквадратического значения и суммарного коэффициента гармонических составляющих напряжения.
Поверяемый анализатор подключают к калибратору РЕСУРС-К2М (см. рисунок 2). На калибраторе устанавливают значения в точках, в соответствии с таблицей А.4 Приложения А. Измерения анализатором производятся автоматически. Результаты измерений можно увидеть в разделе программы “АНАЛИЗАТОР” - “ИЗМЕРЕНИЯ В РЕАЛЬНОМ ВРЕМЕНИ” на вкладке “Гармоники” и вкладке “Измерения”. Фиксируются показания поверяемого анализатора, и результат заносится в эту же таблицу.

Рисунок 2 - Структурная схема определения абсолютной погрешности измерения среднеквадратического значения и суммарного коэффициента гармонических (интергармонических) составляющих напряжения.
где PQM - поверяемый анализатор;
РЕСУРС-К2М - калибратор переменного тока.
Абсолютную погрешность измерения среднеквадратического значения гармонических составляющих напряжения определяют по формуле (1).
Абсолютную погрешность измерения суммарного коэффициента гармонических составляющих напряжения определяют по формуле (2).
Л = • W0 - THDu изм (2)
VRMS Уст
где UH, h уст - установленное на калибраторе значение h-й гармоники напряжения;
URMS уст - установленное на калибраторе значение напряжения основной частоты;
THDU изм - показания поверяемого анализатора.
Результаты поверки считают положительными, если полученные значения погрешностей не превышают нормируемых по данным таблицы А.4 Приложения А.
-
5.5.4 Проверка абсолютной погрешности измерения среднеквадратического значения и суммарного коэффициента интергармонических составляющих напряжения. (Только для PQM-702)
Поверяемый анализатор подключают к калибратору РЕСУРС-К2М в соответствии с рисунком 2. На калибраторе устанавливают значения в точках, в соответствии с таблицей А.5 Приложения А. Измерения анализатором производятся автоматически. Результаты измерений можно увидеть в разделе программы “АНАЛИЗАТОР” - “ИЗМЕРЕНИЯ В РЕАЛЬНОМ ВРЕМЕНИ” на вкладке “Интергармоники”. Фиксируются показания поверяемого анализатора, и результат заносится в эту же таблицу.
Абсолютную погрешность измерения среднеквадратического значения интергармонических составляющих напряжения определяют по формуле (1).
Абсолютную погрешность измерения суммарного коэффициента интергармонических составляющих напряжения определяют по формуле (3).
Л = • 100 - TIDu изм (3)
VRMS Уст
где UC, i уст - установленное на калибраторе значение i-й интергармоники напряжения;
URMS уст - установленное на калибраторе значение напряжения основной частоты;
TIDU изм - показания поверяемого анализатора.
Результаты поверки считают положительными, если полученные значения погрешностей не превышают нормируемых по данным таблицы А.5 Приложения А.
-
5.5.5 Проверка абсолютной погрешности измерения среднеквадратического значения и суммарного коэффициента гармонических составляющих силы тока.
В программе “SONEL ANALYSIS” выбрать пункт меню “АНАЛИЗАТОР” - “КОНФИГУРАЦИЯ” и установить в нем Наименование точки измерения ServiceMode001 для Точки измерений 1. Установить тип клещей - “C4” и отметить “Ток нейтрали (N)” в Дополнительных измерениях. Так как измерения, проводимые с использованием токовых клещей, производятся за счет преобразования измеренного клещами значения силы тока в напряжение, и последующей его подачи на токовые разъемы анализатора, необходимо проверить характеристики канала измерения силы тока анализатора на основе напряжения. При выборе в конфигурации измерительных клещей C-4, коэффициент масштабирования токовых разъемов анализатора K = 1000 А/ 1 В. (Например, значение силы тока 500 А соответствует напряжению 0,5 В на токовых разъемах анализатора).
Поверяемый анализатор подключают к калибратору РЕСУРС К2М (см. рисунок 3). При этом токовые разъемы L2, L3, N поверяемого анализатора поочередно соединяются с потенциальными разъемами калибратора при фиксированном подключении токового разъема L1. Недопустимо одновременное подключение более двух разъемов, так как токовые входы анализатора имеют более низкое входное сопротивление, чем потенциальные разъемы. При соединении следует учесть соответствие необходимых к подключению контактов токовых разъемов поверяемого анализатора и разъемов калибратора. (см. рисунок 4)
Измерения анализатором производятся автоматически. Результаты измерений можно увидеть в разделе программы “АНАЛИЗАТОР” - “ИЗМЕРЕНИЯ В РЕАЛЬНОМ ВРЕМЕНИ” на
PQM-702-13 МП вкладке “Гармоники” и вкладке “Измерения”. Фиксируются показания поверяемого анализатора, и результат заносится в эту же таблицу.

Рисунок 3 - Структурная схема определения абсолютной погрешности измерения среднеквадратического значения и суммарного коэффициента гармонических (интергармонических) составляющих силы тока.
где PQM - поверяемый анализатор;
РЕСУРС-К2М - калибратор переменного тока.

▼ ▼
К входным потенциальным разъемам калибратора
Рисунок 4 - Структурная схема используемых контактов токовых разъемов поверяемого анализатора для подключения к калибратору.
Абсолютную погрешность измерения среднеквадратического значения гармонических составляющих силы тока определяют по формуле (4).
Л= UH, h уст • 1000 - IH, h изм (4)
где Uh, h уст - установленное на калибраторе значение h-й гармоники напряжения;
IH, h изм - показания поверяемого анализатора.
Абсолютную погрешность измерения суммарного коэффициента гармонических составляющих силы тока определяют по формуле (5).
Л = • 1О0 - THDi изм (5)
U RMS Уст
где Uh, h уст - установленное на калибраторе значение h-й гармоники напряжения;
URMS уст - установленное на калибраторе значение напряжения основной частоты.
THDI изм - показания поверяемого анализатора.
Результаты поверки считают положительными, если полученные значения погрешностей не превышают нормируемых по данным таблицы А.6 Приложения А.
-
5.5.6 Проверка абсолютной погрешности измерения среднеквадратического значения и суммарного коэффициента интергармонических составляющих силы тока. (только для
PQM-702)
Предварительно необходимо убедиться, что в программе “ SONEL ANALYSIS” проведены настройки, которые описаны в п.5.3.5.
Поверяемый анализатор подключают к калибратору РЕСУРС К2М (см. рисунок 3). На калибраторе устанавливают значения в точках, в соответствии с таблицей А.7 Приложения А. Измерения анализатором производятся автоматически. Результаты измерений можно увидеть в разделе программы “АНАЛИЗАТОР” - “ИЗМЕРЕНИЯ В РЕАЛЬНОМ ВРЕМЕНИ” на вкладке “Интергармоники”. Фиксируются показания поверяемого анализатора, и результат заносится в эту же таблицу.
Абсолютную погрешность измерения среднеквадратического значения интергармонических составляющих силы тока определяют по формуле (6).
(6)
Д= Uc, i уст • 1000 - Ic, i изм
где Uc, i уст - установленное на калибраторе значение i-й интергармоники напряжения;
IH, h изм - показания поверяемого анализатора.
Абсолютную погрешность измерения суммарного коэффициента интергармонических составляющих силы тока определяют по формуле (7).

(7)
где U q j уст - установленное на калибраторе значение i-й интергармоники напряжения;
URMS уст - установленное на калибраторе значение напряжения основной частоты.
TIDI изм - показания поверяемого анализатора.
Результаты поверки считают положительными, если полученные значения погрешностей не превышают нормируемых по данным таблицы А.7 Приложения А.
После завершения проведения поверки по этому пункту, необходимо в программе “ SONEL ANALYSIS”, изменить Наименование точки измерений для Точки измерений 1 c Ser-viceMode001 на любое другое произвольное.
-
5.5.7 Проверка абсолютной погрешности измерения силы постоянного и переменного тока (среднеквадратическое значение, f = 40..70 Гц) с использованием измерительных клещей. (Только при наличии измерительных клещей C-4, C-5, C-6, C-7, F-1, F-2, F-3 в комплекте анализатора)
Поверяемый анализатор подключают к калибратору FLUKE 5520A (см. рисунок 5). При этом измерительными клещами поочередно обхватывается токоизмерительная катушка FLUKE COIL подключенная к калибратору FLUKE 5520. Следует обратить внимание на корректный обхват (без смещения в стороны) измерительных клещей относительно токоизмерительной катушки.
—

КЛЕЩИ


Hi О
NORMAL
Lo О
Hi О-
AUX
Lo O-
FLUKE5520
_
Рисунок 5 - Структурная схема определения абсолютной погрешности измерения силы постоянного и переменного тока (c использованием клещей).
где PQM - поверяемый анализатор;
FLUKE 5520 - калибратор универсальный;
FLUKE COIL - токоизмерительная катушка из комплекта ЗИП к калибратору;
КЛЕЩИ - измерительные клещи (С-4, C-5, C-6, C-7, F-1, F-2, F-3).
На калибраторе устанавливают значения в точках, в соответствии с таблицами А.8, А.9 Приложения А. Измерения анализатором производятся автоматически. Результаты измерений можно увидеть в разделе программы “АНАЛИЗАТОР” - “ИЗМЕРЕНИЯ В РЕАЛЬНОМ ВРЕМЕНИ” на вкладке “Измерения”. Фиксируются показания поверяемого анализатора, и результат заносится в эти же таблицы.
Абсолютную погрешность измерения определяют по формуле (1).
Результаты поверки считают положительными, если полученные значения погрешностей не превышают нормируемых по данным таблиц А.8, А.9 Приложения А.
-
5.5.8 Проверка абсолютной погрешности измерения активной, реактивной, полной мощности и абсолютной погрешности измерения коэффициента мощности, коэффициента сдвига фаз, угла сдвига фаз между напряжением и силой тока. (Только при наличии измерительных клещей C-4, C-5, C-6, C7, F-1, F-2, F-3 в комплекте анализатора)
Поверяемый анализатор подключают к калибратору FLUKE 5520A (см. рисунок 6). При этом измерительными клещами поочередно обхватывается токоизмерительная катушка FLUKE COIL подключенная к калибратору FLUKE 5520 и поочередно подключается соответствующий канал измерения напряжения. Следует обратить внимание на корректный обхват (без смещения в стороны) измерительных клещей относительно токоизмерительной катушки.

Рисунок 6 - Структурная схема определения абсолютной погрешности измерения активной, реактивной, полной мощности (энергии) и абсолютной погрешности измерения коэффициента мощности, коэффициента сдвига фаз, угла сдвига фаз между напряжением и силой тока.
где PQM - поверяемый анализатор;
FLUKE 5520 - калибратор универсальный;
FLUKE COIL - токоизмерительная катушка из комплекта ЗИП к калибратору;
КЛЕЩИ - измерительные клещи (С-4, C-5, C-6, С-7, F-1, F-2, F-3).
На калибраторе устанавливают значения в точках, в соответствии с таблицами А.10, А.11, А.12, А.13, А.14 Приложения А. Измерения анализатором производятся автоматически. Результаты измерений можно увидеть в разделе программы “АНАЛИЗАТОР” - “ИЗМЕРЕНИЯ В РЕАЛЬНОМ ВРЕМЕНИ” на вкладке “Измерения” и вкладке “Диаграммы”. Фиксируются показания поверяемого анализатора, и результат заносится в эти же таблицы.
Абсолютную погрешность измерения активной мощности определяют по формуле (8).
UyCT
1уст
• COS фуст —
P
изм
(8)
где иуст — установленное на калибраторе значение напряжения;
1уст — установленное на калибраторе значение силы тока;
фуст - установленное на калибраторе значение угла между напряжением и силой тока;
Ризм — показания поверяемого анализатора при измерении активной мощности.
Абсолютную погрешность измерения реактивной мощности определяют по формуле (9).
Цуст
1уст
• sin фуст — Q
изм
(9)
где иуст — установленное на калибраторе значение напряжения;
1уст — установленное на калибраторе значение силы тока;
фуст — установленное на калибраторе значение угла между напряжением и силой тока;
— показания поверяемого анализатора при измерении реактивной мощности.
Абсолютную погрешность измерения полной мощности определяют по формуле (10).
Цуст
1уст
S
изм
(10)
где иуст — установленное на калибраторе значение напряжения;
1уст — установленное на калибраторе значение силы тока;
— показания поверяемого анализатора при измерении реактивной мощности.
Абсолютную погрешность измерения коэффициента мощности, коэффициента сдвига фаз, угла сдвига фаз между напряжением и силой тока определяют по формуле (1).
Результаты поверки считают положительными, если полученные значения погрешностей не превышают нормируемых по данным таблиц А.10, А.11, А.12, А.13, А.14 Приложения А.
-
5.5.9 Проверка абсолютной погрешности измерения активной, реактивной и полной энергии. (Только при наличии измерительных клещей C-4, C-5, C-6, C-7, F-1, F-2, F-3 в комплекте анализатора)
Предварительно, в пункте меню АНАЛИЗАТОР — КОНФИГУРАЦИЯ программы “ SONEL ANALYSIS ” нужно провести и сохранить следующие настройки для Точки измерений 1:
Группа “Включение и усреднение”:
-
- диапазон усреднения: 10 с;
-
- включение: согласно расписания. Группа “Тип клещей”:
-
- установить тип используемых клещей; Группа “Расписание регистраций”:
-
- Установить для Периода 1 необходимую Дату/Время Старта и Стопа, чтобы обеспечить работу анализатора в режиме регистратора в течение 12 минут. При установке временного диапазона следует выделить некоторый запас по времени для Старта регистрации, чтобы успеть произвести необходимые подключения и настройку калибратора.
Подраздел “Мощность и энергия”, вкладка “Энергия”:
-
- отметить галочками поля регистрации полной, активной и реактивной энергии.
После проведения настроек ПО необходимо их передать в анализатор с использованием пункта ЭКСПОРТ.
Поверяемый анализатор подключают к калибратору FLUKE 5520A (см. рисунок 6). При этом измерительными клещами поочередно обхватывается токоизмерительная катушка FLUKE COIL подключенная к калибратору FLUKE 5520 и поочередно подключается соответствующий канал измерения напряжения. Следует обратить внимание на корректный обхват (без смещения в стороны) измерительных клещей относительно токоизмерительной катушки.
На калибраторе устанавливают значения в точках, в соответствии с таблицами А.15, А.16, А.17, А.18, А.19 Приложения А. Поверяемый анализатор отключают от персонального компьютера и нажимают клавишу “START/STOP”. Данные действия необходимо провести до начала запрограммированного в анализатор времени начала регистрации. При этом на дисплее анализатора появится надпись TIME. При наступлении запрограммированного времени Старта, надпись сменится на LOGG. Необходимо дождаться окончания регистрации, когда на дисплее отобразится надпись LIVE. После этого необходимо подключить анализатор к персональному компьютеру, и в главном меню программы “SONEL ANALYSIS” выбрать АНАЛИЗАТОР -АНАЛИЗ, отметить Точку измерений 1 и нажать ИМПОРТ ДАННЫХ. Импортируемые результаты сохраняются в выбранный файл на персональном компьютере. В открывшемся окне нужно выбрать Точку измерений 1, нажать клавишу АНАЛИЗ ДАННЫХ. Результаты измерений можно увидеть в разделе ИЗМЕРЕНИЯ. Фиксируются показания поверяемого анализатора, и результат заносится в таблицы А.15, А.16, А.17, А.18, А.19 Приложения А.
Абсолютную погрешность измерения активной энергии определяют по формуле (11).
А 0,2 UyCT • !уст • cos фуст EP изм (1 1)
где UycT - установленное на калибраторе значение напряжения;
1уст - установленное на калибраторе значение силы тока;
Фуст - установленное на калибраторе значение угла между напряжением и силой тока;
EP изм - показания поверяемого анализатора при измерении активной энергии.
Абсолютную погрешность измерения реактивной энергии определяют по формуле (12).
А 0,2 Цуст 1уст
sin фуСТ - E
Q изм
(12)
где иуст - установленное на калибраторе значение напряжения;
1уст - установленное на калибраторе значение силы тока;
Фуст - установленное на калибраторе значение угла между напряжением и силой тока; EQ изм - показания поверяемого анализатора при измерении реактивной энергии.
Абсолютную погрешность измерения полной энергии определяют по формуле (13).
А = 0,2 • Цуст
1уст

изм
(13)
где Цуст - установленное на калибраторе значение напряжения;
1уст - установленное на калибраторе значение силы тока;
ES изм - показания поверяемого анализатора при измерении полной энергии.
Результаты поверки считают положительными, если полученные значения погрешностей не превышают нормируемых по данным таблиц А.15, А.16, А.17, А.18, А.19 Приложения А.
Предварительно, в пункте меню АНАЛИЗАТОР - КОНФИГУРАЦИЯ программы “ SONEL ANALYSIS ” нужно провести и сохранить следующие настройки для Точки измерений 1:
Группа “Включение и усреднение”:
-
- диапазон усреднения: 10 мин; включение: согласно расписания.
Подраздел “Напряжение”, вкладка “Дополнительные”:
-
- отметить галочками поля регистрации дозы фликера Pst и Plt.
Группа “Расписание регистраций”:
-
- Установить для Периода 1 необходимую Дату/Время Старта и Стопа, чтобы обеспечить работу анализатора в режиме регистратора как минимум в течение 10 минут для кратковременной дозы фликера и 120 минут для длительной дозы фликера. При установке временного диапазона следует выделить некоторый запас по времени для Старта регистрации, чтобы успеть произвести необходимые подключения и настройку калибратора. Также следует учесть, что старт измерения дозы фликера в анализаторе производится каждые 10 минут астрономического времени. Рекомендуется выбирать длительность измерений с учетом этого требования. Установка продолжительности измерения 20 минут для кратковременной дозы, и 130 минут для длительной дозы, гарантированно обеспечит получение результата измерения.
После проведения настроек ПО необходимо их передать в анализатор с использованием пункта ЭКСПОРТ.

Рисунок 7 - Структурная схема определения абсолютной погрешности измерения кратковременной и длительной дозы фликера, длительности регистрируемых событий.
где PQM - поверяемый анализатор;
FLUKE 5520 - калибратор универсальный.
Поверяемый анализатор подключают к калибратору FLUKE 5520A (см. рисунок 7). На калибраторе устанавливают значения в точках, в соответствии с таблицей А.20 Приложения А. Поверяемый анализатор отключают от персонального компьютера и нажимают клавишу “START/STOP”. Данные действия необходимо провести до начала запрограммированного в анализатор времени начала регистрации. При этом на дисплее анализатора появится надпись TIME. При наступлении запрограммированного времени Старта, надпись сменится на LOGG. Необходимо дождаться окончания регистрации, когда на дисплее отобразится надпись LIVE. После этого необходимо подключить анализатор к персональному компьютеру, и в главном меню программы “SONEL ANALYSIS” выбрать АНАЛИЗАТОР - АНАЛИЗ, отметить Точку измерений 1 и нажать ИМПОРТ ДАННЫХ. Импортируемые результаты сохраняются в выбранный файл на персональном компьютере. В открывшемся окне нужно выбрать Точку измерений 1, нажать клавишу АНАЛИЗ ДАННЫХ. Результаты измерений можно увидеть в разделе
PQM-702-13 МП ИЗМЕРЕНИЯ. Фиксируются показания поверяемого анализатора, и результат заносится в таблицу А.20 Приложения А.
Абсолютную погрешность измерения определяют по формуле (1).
Результаты поверки считают положительными, если полученные значения погрешностей не превышают нормируемых по данным таблицы А.20 Приложения А.
-
5.5.11 Проверка абсолютной погрешности измерения коэффициента несимметрии напряжений по обратной и нулевой последовательности, угла сдвига фаз напряжений.
Поверяемый анализатор подключают к калибратору РЕСУРС-К2М (см. рисунок 8). На калибраторе устанавливают значения в точках, в соответствии с таблицей А.21 Приложения А. Измерения анализатором производятся автоматически. Результаты измерений можно увидеть в разделе программы “АНАЛИЗАТОР” - “ИЗМЕРЕНИЯ В РЕАЛЬНОМ ВРЕМЕНИ” на вкладке “ИЗМЕРЕНИЯ”. Фиксируются показания поверяемого анализатора, и результат заносится в эту же таблицы.

Рисунок 8 - Структурная схема определения абсолютной погрешности измерения коэффициента несимметрии напряжений по обратной и прямой последовательности, угла сдвига фаз напряжений.
где PQM - поверяемый анализатор;
РЕСУРС-К2М - калибратор переменного тока.
Абсолютную погрешность измерения определяют по формуле (1):
Результаты поверки считают положительными, если полученные значения погрешностей не превышают нормируемых по данным таблицы А.21 Приложения А.
-
5.5.12 Проверка абсолютной погрешности измерения угла сдвига фаз силы токов. (Только при наличии измерительных клещей C-4, C-5, C-6, C-7, F-1, F-2, F-3 в комплекте анализатора)
Поверяемый анализатор подключают к калибратору РЕСУРС-К2М (см. рисунок 9). На калибраторе устанавливают значения в точках, в соответствии с таблицей А.22 Приложения А. Измерения анализатором производятся автоматически. Результаты измерений можно увидеть в разделе программы “АНАЛИЗАТОР” - “ИЗМЕРЕНИЯ В РЕАЛЬНОМ ВРЕМЕНИ” на вкладке “ИЗМЕРЕНИЯ”. Фиксируются показания поверяемого анализатора, и результат заносится в эту же таблицы.

где PQM - поверяемый анализатор;
РЕСУРС-К2М - калибратор переменного тока.
КЛЕЩИ - измерительные клещи C-4, C-5, C-6, С-7 или гибкие клещи F-1, F-2, F-3.
Абсолютную погрешность измерения определяют по формуле (1).
Результаты поверки считают положительными, если полученные значения погрешностей не превышают нормируемых по данным таблицы А.22 Приложения А.
Предварительно, в пункте меню АНАЛИЗАТОР - КОНФИГУРАЦИЯ программы “ SONEL ANALYSIS ” нужно провести и сохранить следующие настройки для Точки измерений 1:
Группа “Включение и усреднение”:
-
- диапазон усреднения: полупериод;
-
- включение: непосредственное.
Подраздел “Напряжение”, вкладка “Основные”:
-
- отметить галочкой поле: “Регистрация событий” в группе Фазное напряжение;
-
- установить значение 198 В для поля: провал.
После проведения настроек ПО необходимо их передать в анализатор с использованием пункта ЭКСПОРТ.
Поверяемый анализатор подключают к калибратору FLUKE 5520A (см. рисунок 7). На калибраторе устанавливают значения в точках, в соответствии с таблицей А.25 Приложения А. Поверяемый анализатор отключают от персонального компьютера и нажимают клавишу “START/STOP”. На калибраторе нажимают клавишу “OPR” и, после истечения установленной длительности, нажимают клавишу “START/STOP” на поверяемом анализаторе.
После этого необходимо подключить анализатор к персональному компьютеру, и в главном меню программы “SONEL ANALYSIS” выбрать АНАЛИЗАТОР - АНАЛИЗ, отметить Точку измерений 1 и нажать ИМПОРТ ДАННЫХ. Импортируемые результаты сохраняются в выбранный файл на персональном компьютере. В открывшемся окне нужно выбрать Точку измерений 1, нажать клавишу АНАЛИЗ ДАННЫХ. Результаты измерений можно увидеть в разделе СОБЫТИЯ. Фиксируются показания поверяемого анализатора, и результат заносится в таблицу А.23 Приложения А.
Абсолютную погрешность измерения определяют по формуле (1).
Результаты поверки считают положительными, если полученные значения погрешностей не превышают нормируемых по данным таблицы А.23 Приложения А.
5.6 Подтверждение соответствия программного обеспечения
Встроенное и внешнее программное обеспечение (далее по тексту - ПО) подтверждаются определением идентификационных наименований и версий ПО.
Для определения идентификационных наименований и номера версий встроенного ПО проверяют информацию, отображаемую на дисплее анализаторов при их включении. Для определения идентификационных наименований и номера версий внешнего ПО SONEL ANALYSIS проверяют информацию, отображаемую в разделе ПОМОЩЬ - О ПРОГРАММЕ.
Результат определения идентификационного наименования считают положительным, если идентификационное наименование и номер версии программного обеспечения соответствует данным, указанным в Приложении Б.
-
6 ОФОРМЛЕНИЕ РЕЗУЛЬТАТОВ ПОВЕРКИ
-
6.1 Положительные результаты поверки анализаторов оформляют свидетельством о поверке в соответствии с ПР 50.2.006-94.
-
6.2 При несоответствии результатов поверки требованиям любого из пунктов настоящей методики анализаторы к дальнейшей эксплуатации не допускают и выдают извещение о непригодности в соответствии с ПР 50.2.006-94. В извещении указывают причину непригодности и приводят указание о направлении анализаторов в ремонт или невозможности их дальнейшего использования.
-
ПРИЛОЖЕНИЕ А (Рекомендуемое)
Протокол результатов поверки анализаторов параметров качества электрической энергии PQM-700, PQM-701Z, PQM-701Zr, PQM-702.
Таблица А.1 Определение абсолютной погрешности измерения напряжения постоянного тока.
Поверяемые точки |
Значения измеряемой величины |
Предел допустимой погрешности Л |
Результаты поверки | |||||||||
№ |
Условия |
Уст. значение |
Udc L1-N |
Udc L2-N |
Udc L3-N |
Udc N-PE |
Погрешность Udc L1-N Д |
Погрешность Udc L2-N Д |
Погрешность Udc L3-N Д |
Погрешность Udc N-PE Д |
Заключение | |
Unom | ||||||||||||
В |
В |
В |
В |
В |
В |
В |
В |
В |
В |
В | ||
PQM-700 | ||||||||||||
1. |
110 |
100,00 |
± 0,55 | |||||||||
2. |
110 |
-100,00 |
± 0,55 | |||||||||
3. |
380 |
500,0 |
- |
± 1,9 |
- | |||||||
4. |
380 |
-500,0 |
- |
± 1,9 |
- | |||||||
5. |
690 |
1000,0 |
- |
± 3,45 |
- | |||||||
6. |
690 |
-1000,0 |
- |
± 3,45 |
- | |||||||
PQM-701Z, PQM-701Zr, PQM-702 | ||||||||||||
1. |
110 |
100,00 |
± 0,11 | |||||||||
2. |
110 |
-100,00 |
± 0,11 | |||||||||
3. |
380 |
500,0 |
- |
± 0,38 |
- | |||||||
4. |
380 |
-500,0 |
- |
± 0,38 |
- | |||||||
5. |
690 |
1000,0 |
- |
± 0,69 |
- | |||||||
6. |
690 |
-1000,0 |
- |
± 0,69 |
- |
Таблица А.2 Определение абсолютной погрешности измерения напряжения переменного тока. (TRUE RMS, f=40..70 Гц)
Поверяемые точки |
Значения измеряемой величины |
Предел допустимой погрешности Л |
Результаты поверки | ||||||||||
№ |
Условия |
Уст. значение |
U L1-N |
U L2-N |
U L3-N |
U N-PE |
Погрешность U L1-N А |
Погрешность U L2-N А |
Погрешность U L3-N А |
Погрешность U N-PE А |
Заключение | ||
Unom |
U |
f | |||||||||||
В |
В |
Гц |
В |
В |
В |
В |
В |
В |
В |
В |
В | ||
PQM-700 | |||||||||||||
1. |
110 |
20,00 |
50 |
± 0,55 | |||||||||
2. |
110 |
100,00 |
± 0,55 | ||||||||||
3. |
230 |
400,0 |
- |
± 1,10 |
- | ||||||||
4. |
690 |
750,0 |
- |
± 3,45 |
- | ||||||||
5. |
110 |
20,00 |
60 |
± 0,55 | |||||||||
6. |
110 |
100,00 |
± 0,55 | ||||||||||
7. |
230 |
400,0 |
- |
± 1,10 |
- | ||||||||
8. |
690 |
690,0 |
- |
± 3,45 |
- | ||||||||
PQM-701Z, PQM-701Zr, PQM-702 | |||||||||||||
1. |
110 |
20,00 |
50 |
± 0,11 | |||||||||
2. |
110 |
100,00 |
± 0,11 | ||||||||||
3. |
230 |
400,0 |
- |
± 0,22 |
- | ||||||||
4. |
690 |
750,0 |
- |
± 0,69 |
- | ||||||||
5. |
110 |
20,00 |
60 |
± 0,11 | |||||||||
6. |
110 |
100,00 |
± 0,11 | ||||||||||
7. |
230 |
400,0 |
- |
± 0,22 |
- | ||||||||
8. |
690 |
690,0 |
- |
± 0,69 |
- |
Таблица А.3 Определение абсолютной погрешности измерения частоты переменного тока.
Поверяемые точки |
Значения измеряемой величины |
Предел допустимой погрешности Л |
Результаты поверки | ||||
№ |
Условия |
Уст. значение |
f |
Погрешность f А |
Заключение | ||
f |
f |
U | |||||
Гц |
Гц |
В |
Гц |
Гц |
Гц | ||
PQM-700 | |||||||
1. |
50 |
45,00 |
100 |
± 0,05 | |||
2. |
50,00 |
± 0,05 | |||||
3. |
60,00 |
± 0,05 | |||||
4. |
60 |
60,00 |
100 |
± 0,05 | |||
5. |
70,00 |
± 0,05 | |||||
PQM-701Z, PQM-701Zr, PQM-702 | |||||||
1. |
50 |
45,00 |
100 |
± 0,01 | |||
2. |
50,00 |
± 0,01 | |||||
3. |
60,00 |
± 0,01 | |||||
4. |
60 |
60,00 |
100 |
± 0,01 | |||
5. |
70,00 |
± 0,01 |
Таблица А.4 Определение абсолютной погрешности измерения среднеквадратического значения и суммарного коэффициента гармонических составляющих напряжения. ( f = 50 Гц)
Поверяемые точки |
Значения изм. величины |
Предел допустимой погрешности Л |
Результаты поверки | ||||||||||
№ |
Условия |
Уст. значение |
UH,h L1 |
THD U L1 от осн. гарм. |
THD U L1 RMS |
UH,h L1 |
THD U L1 |
Погрешность UH,h L1 А |
Погрешность THD U L1 А от осн. гарм. |
Погрешность THD U L1 А RMS |
Заключение | ||
Unom |
URMS |
h |
UH,h | ||||||||||
В |
В |
- |
В |
В |
% |
% |
В |
% |
В |
% |
% | ||
1. |
100 |
100 |
2 |
5,000 |
± 0,250 |
± 0,250 | |||||||
2. |
20 |
5,000 |
± 0,250 |
± 0,250 | |||||||||
3. |
40 |
5,000 |
± 0,250 |
± 0,250 |
Продолжение таблицы А.4
Поверяемые точки |
Значения изм. величины |
Предел допустимой погрешности Л |
Результаты поверки | ||||||||||
№ |
Условия |
Уст. значение |
UH,h L2 |
THD U L2 от осн. гарм. |
THD U L3 RMS |
UH,h L2 |
THD U L2 |
Погрешность UH,h L2 А |
Погрешность THD U L2 А от осн. гарм. |
Погрешность THD U L2 А RMS |
Заключение | ||
Unom |
URMS |
h |
UH,h | ||||||||||
В |
В |
- |
В |
В |
% |
% |
В |
% |
В |
% |
% | ||
4. |
100 |
100 |
2 |
5,000 |
± 0,250 |
± 0,250 | |||||||
5. |
20 |
5,000 |
± 0,250 |
± 0,250 | |||||||||
6. |
40 |
5,000 |
± 0,250 |
± 0,250 | |||||||||
№ |
Условия |
Уст. значение |
UH,h L3 |
THD U L3 от осн. гарм. |
THD U L3 RMS |
UH,h L3 |
THD U L3 |
Погрешность UH,h L3 А |
Погрешность THD U L3 А от осн. гарм. |
Погрешность THD U L3 А RMS |
Заключение | ||
Unom |
URMS |
h |
UH,h | ||||||||||
В |
В |
- |
В |
В |
% |
% |
В |
% |
В |
% |
% | ||
7. |
100 |
100 |
2 |
5,000 |
± 0,250 |
± 0,250 | |||||||
8. |
20 |
5,000 |
± 0,250 |
± 0,250 | |||||||||
9. |
40 |
5,000 |
± 0,250 |
± 0,250 | |||||||||
№ |
Условия |
Уст. значение |
THD U N-PE от основной гармоники |
THD U N-PE RMS |
THD U N-PE |
Погрешность THD U N-PE А от основной гармоники |
Погрешность THD U N-PE А RMS |
Заключение | |||||
Unom |
URMS |
h |
UH,h | ||||||||||
В |
В |
- |
В |
% |
% |
% |
% |
% | |||||
10. |
100 |
100 |
2 |
5,000 |
± 0,250 | ||||||||
11. |
20 |
5,000 |
± 0,250 | ||||||||||
12. |
40 |
5,000 |
± 0,250 |
Поверяемые точки |
Значения изм. величины |
Предел допустимой погрешности Л |
Результаты поверки | ||||||||||
№ |
Условия |
Уст. значение |
Uc,i L1 |
TiD U L1 от осн. гарм. |
TiD U L1 RMS |
UC,i L1 |
TiD U L1 |
Погрешность Uc,i L1 Д |
Погрешность TiD U L1 Д от осн. гарм. |
Погрешность TID U L1 Д RMS |
Заключение | ||
Unom |
URMS |
i |
Uc,i | ||||||||||
В |
В |
- |
В |
В |
% |
% |
В |
% |
В |
% |
% | ||
1. |
100 |
100 |
2 |
5,000 |
± 0,250 |
± 0,250 | |||||||
2. |
20 |
5,000 |
± 0,250 |
± 0,250 | |||||||||
3. |
40 |
5,000 |
± 0,250 |
± 0,250 | |||||||||
№ |
Условия |
Уст. значение |
Uc,i L2 |
TiD U L2 от осн. гарм. |
TiD U L2 RMS |
Ucj L2 |
TiD U L2 |
Погрешность Uc,i L2 Д |
Погрешность TiD U L2 Д от осн. гарм. |
Погрешность TID U L2 Д RMS |
Заключение | ||
Unom |
URMS |
i |
Uc,i | ||||||||||
В |
В |
- |
В |
В |
% |
% |
В |
% |
В |
% |
% | ||
4. |
100 |
100 |
2 |
5,000 |
± 0,250 |
± 0,250 | |||||||
5. |
20 |
5,000 |
± 0,250 |
± 0,250 | |||||||||
6. |
40 |
5,000 |
± 0,250 |
± 0,250 | |||||||||
№ |
Условия |
Уст. значение |
Uc,i L2 |
TiD U L2 от осн. гарм. |
TiD U L2 RMS |
Ucj L2 |
TiD U L2 |
Погрешность Uc,i L2 Д |
Погрешность TiD U L2 Д от осн. гарм. |
Погрешность TID U L2 Д RMS |
Заключение | ||
Unom |
URMS |
i |
Uc,i | ||||||||||
В |
В |
- |
В |
В |
% |
% |
В |
% |
В |
% |
% | ||
7. |
100 |
100 |
2 |
5,000 |
± 0,250 |
± 0,250 | |||||||
8. |
20 |
5,000 |
± 0,250 |
± 0,250 | |||||||||
9. |
40 |
5,000 |
± 0,250 |
± 0,250 | |||||||||
№ |
Условия |
Уст. значение |
TID U N-PE от основной гармоники |
TID U N-PE RMS |
TID U N-PE |
Погрешность TID U N-PE Д от основной гармоники |
Погрешность TID U N-PE Д RMS |
Заключение | |||||
Unom |
URMS |
i |
Uc,i | ||||||||||
В |
В |
- |
В |
% |
% |
% |
% |
% | |||||
10. |
100 |
100 |
2 |
5,000 |
± 0,250 | ||||||||
11. |
20 |
5,000 |
± 0,250 | ||||||||||
12. |
40 |
5,000 |
± 0,250 |
Поверяемые точки |
Значения изм. величины |
Предел допустимой погрешности Л |
Результаты поверки | ||||||||||
№ |
Условия |
Уст. значение |
IH,h L1 |
THD I L1 от осн. гарм. |
THD I L1 RMS |
IH,h L1 |
THD I L1 |
Погрешность IH,h L1 Д |
Погрешность THD I L1 Д от осн. гарм. |
Погрешность THD I L1 Д RMS |
Заключение | ||
Inom |
URMS |
h |
UH,h | ||||||||||
A |
В |
- |
В |
А |
% |
% |
А |
% |
А |
% |
% | ||
1. |
1000 (1 В) |
0,50 |
2 |
0,10 |
± 5,00 |
± 1,00 | |||||||
2. |
20 |
0,10 |
± 5,00 |
± 1,00 | |||||||||
3. |
40 |
0,10 |
± 5,00 |
± 1,00 | |||||||||
№ |
Условия |
Уст. значение |
IH,h L2 |
THD I L2 от осн. гарм. |
THD I L2 RMS |
IH,h L2 |
THD I L2 |
Погрешность IH,h L2 Д |
Погрешность THD I L2 Д от осн. гарм. |
Погрешность THD I L2 Д RMS |
Заключение | ||
Inom |
URMS |
h |
UH,h | ||||||||||
A |
В |
- |
В |
А |
% |
% |
А |
% |
А |
% |
% | ||
4. |
1000 (1 В) |
0,50 |
2 |
0,10 |
± 5,00 |
± 1,00 | |||||||
5. |
20 |
0,10 |
± 5,00 |
± 1,00 | |||||||||
6. |
40 |
0,10 |
± 5,00 |
± 1,00 | |||||||||
№ |
Условия |
Уст. значение |
IH,h L3 |
THD I L3 от осн. гарм. |
THD I L3 RMS |
IH,h L3 |
THD I L3 |
Погрешность IH,h L3 Д |
Погрешность THD I L3 Д от осн. гарм. |
Погрешность THD I L3 Д RMS |
Заключение | ||
Inom |
URMS |
h |
UH,h | ||||||||||
A |
В |
- |
В |
А |
% |
% |
А |
% |
А |
% |
% | ||
7. |
1000 (1 В) |
0,50 |
2 |
0,10 |
± 5,00 |
± 1,00 | |||||||
8. |
20 |
0,10 |
± 5,00 |
± 1,00 | |||||||||
9. |
40 |
0,10 |
± 5,00 |
± 1,00 | |||||||||
№ |
Условия |
Уст. значение |
THD I N-PE от основной гармоники |
THD I N-PE RMS |
THD I N-PE |
Погрешность THD I N-PE Д от основной гармоники |
Погрешность THD I N-PE Д RMS |
Заключение | |||||
Inom |
URMS |
h |
UH,h | ||||||||||
A |
В |
- |
В |
% |
% |
% |
% |
% | |||||
10. |
1000 (1 В) |
0,50 |
2 |
0,10 |
± 1,00 | ||||||||
11. |
20 |
0,10 |
± 1,00 | ||||||||||
12. |
40 |
0,10 |
± 1,00 |
Поверяемые точки |
Значения изм. величины |
Предел допустимой погрешности Л |
Результаты поверки | |||||||||||||||
№ |
Условия |
Уст. значение |
I C,i L1 |
TID I L1 от осн. гарм. |
TID I L1 RMS |
I C,i L1 |
TID I L1 |
Погрешность I о,1 L1 Д |
Погрешность TID I L1 Д от осн. гарм. |
Погрешность TID I L1 Д RMS |
Заключение | |||||||
Inom |
URMS |
i |
и C,i | |||||||||||||||
A |
В |
- |
В |
А |
% |
% |
А |
% |
А |
% |
% | |||||||
1. |
1000 (1 В) |
0,50 |
2 |
0,10 |
± 5,00 |
± 1,00 | ||||||||||||
2. |
20 |
0,10 |
± 5,00 |
± 1,00 | ||||||||||||||
3. |
40 |
0,10 |
± 5,00 |
± 1,00 | ||||||||||||||
№ |
Условия |
Уст. значение |
I C,i L2 |
TID I L2 от осн. гарм. |
TID I L2 RMS |
I C,i L2 |
TID I L2 |
Погрешность I o,i L2 Д |
Погрешность TID I L2 Д от осн. гарм. |
Погрешность TID I L2 Д RMS |
Заключение | |||||||
Inom |
URMS |
i |
и C,i | |||||||||||||||
A |
В |
- |
В |
А |
% |
% |
А |
% |
А |
% |
% | |||||||
4. |
1000 (1 В) |
0,50 |
2 |
0,10 |
± 5,00 |
± 1,00 | ||||||||||||
5. |
20 |
0,10 |
± 5,00 |
± 1,00 | ||||||||||||||
6. |
40 |
0,10 |
± 5,00 |
± 1,00 | ||||||||||||||
№ |
Условия |
Уст. значение |
I C,i L3 |
TID I L3 от осн. гарм. |
TID I L3 RMS |
I C,i L3 |
TID I L3 |
Погрешность I o,i L3 Д |
Погрешность TID I L3 Д от осн. гарм. |
Погрешность TID I L3 Д RMS |
Заключение | |||||||
Inom |
URMS |
i |
и C,i | |||||||||||||||
A |
В |
- |
В |
А |
% |
% |
А |
% |
А |
% |
% | |||||||
7. |
1000 (1 В) |
0,50 |
2 |
0,10 |
± 5,00 |
± 1,00 | ||||||||||||
8. |
20 |
0,10 |
± 5,00 |
± 1,00 | ||||||||||||||
9. |
40 |
0,10 |
± 5,00 |
± 1,00 | ||||||||||||||
Поверяемые точки |
Значения изм. величины |
Предел допустимой погрешности Л |
Результаты поверки | |||||||||||||||
№ |
Условия |
Уст. значение |
TID I N-PE от основной гармоники |
TID I N-PE RMS |
TID I N-PE |
Погрешность TID I N-PE Д от основной гармоники |
Погрешность TID I N-PE Д RMS |
Заключение | ||||||||||
Inom |
URMS |
i |
и C,i | |||||||||||||||
A |
В |
- |
В |
% |
% |
% |
% |
% | ||||||||||
10. |
1000 (1 В) |
0,50 |
2 |
0,10 |
± 1,00 | |||||||||||||
11. |
20 |
0,10 |
± 1,00 | |||||||||||||||
12. |
40 |
0,10 |
± 1,00 |
Таблица А.8 Определение абсолютной погрешности измерения силы постоянного тока. (с использованием клещей С-5)
Поверяемые точки |
Значения измеряемой величины |
Предел допустимой погрешности Л |
Результаты поверки | |||||||||
№ |
Условия |
Уст. значение |
I L1 |
I L2 |
I L3 |
I N |
Погрешность I L1 Д |
Погрешность I L2 Д |
Погрешность I L3 Д |
Погрешность I N Д |
Заключение | |
А |
А |
А |
А |
А |
А |
А |
А |
А |
А |
А | ||
1. |
С-5 |
5,000 |
± 1,075 | |||||||||
2. |
50,00 |
± 1,75 | ||||||||||
3. |
100,00 |
± 2,50 | ||||||||||
4. |
500,0 |
± 12,5 | ||||||||||
5. |
1000,0 |
± 40,0 |
Таблица А.9 Определение абсолютной погрешности измерения силы переменного тока. (с использованием клещей С-4, C-5, C-6, C-7, F-1, F-2, F-3, TRUE RMS, f=40..70 Гц)
Поверяемые точки |
Значения измеряемой величины |
Предел допустимой погрешности Л |
Результаты поверки | ||||||||||
№ |
Условия |
Уст. значение |
I L1 |
I L2 |
I L3 |
I N |
Погрешность I L1 Д |
Погрешность I L2 Д |
Погрешность I L3 Д |
Погрешность I N Д |
Заключение | ||
А |
А |
Гц |
А |
А |
А |
А |
А |
А |
А |
А |
А | ||
1. |
С-4 |
5,000 |
50 |
± 0,250 | |||||||||
2. |
50,00 |
± 1,50 | |||||||||||
3. |
100,00 |
± 1,50 | |||||||||||
4. |
500,0 |
± 3,8 | |||||||||||
5. |
1000,0 |
± 7,5 | |||||||||||
6. |
5,000 |
60 |
± 0,250 | ||||||||||
7. |
50,00 |
± 1,50 | |||||||||||
8. |
100,00 |
± 1,50 | |||||||||||
9. |
500,0 |
± 3,8 | |||||||||||
10. |
1000,0 |
± 7,5 |
Продолжение таблицы А.9
Поверяемые точки |
Значения измеряемой величины |
Предел допустимой погрешности Л |
Результаты поверки | ||||||||||
№ |
Условия |
Уст. значение |
I L1 |
I L2 |
I L3 |
I N |
Погрешность I L1 А |
Погрешность I L2 А |
Погрешность I L3 А |
Погрешность I N А |
Заключение | ||
А |
А |
Гц |
А |
А |
А |
А |
А |
А |
А |
А |
А | ||
1. |
С-5 |
5,000 |
50 |
± 1,075 | |||||||||
2. |
50,00 |
± 1,75 | |||||||||||
3. |
100,00 |
± 2,50 | |||||||||||
4. |
500,0 |
± 12,5 | |||||||||||
5. |
1000,0 |
± 40,0 | |||||||||||
6. |
5,000 |
60 |
± 1,075 | ||||||||||
7. |
50,00 |
± 1,75 | |||||||||||
8. |
100,00 |
± 2,50 | |||||||||||
9. |
500,0 |
± 12,5 | |||||||||||
10. |
1000,0 |
± 40,0 | |||||||||||
1. |
С-6 |
0,0500 |
50 |
± 0,0025 | |||||||||
2. |
0,5000 |
± 0,0125 | |||||||||||
3. |
1,000 |
± 0,025 | |||||||||||
4. |
5,00 |
± 0,05 | |||||||||||
5. |
10,00 |
± 0,10 | |||||||||||
6. |
0,0500 |
60 |
± 0,0025 | ||||||||||
7. |
0,5000 |
± 0,0125 | |||||||||||
8. |
1,000 |
± 0,025 | |||||||||||
9. |
5,00 |
± 0,05 | |||||||||||
10. |
10,00 |
± 0,10 |
Продолжение таблицы А.9
Поверяемые точки |
Значения измеряемой величины |
Предел допустимой погрешности Л |
Результаты поверки | ||||||||||
№ |
Условия |
Уст. значение |
I L1 |
I L2 |
I L3 |
I N |
Погрешность I L1 Д |
Погрешность I L2 Д |
Погрешность I L3 Д |
Погрешность I N Д |
Заключение | ||
А |
А |
Гц |
А |
А |
А |
А |
А |
А |
А |
А |
А | ||
1. |
1,000 |
± 0,025 | |||||||||||
2. |
25,00 |
± 0,15 | |||||||||||
3. |
50,00 |
50 |
± 0,27 | ||||||||||
4. |
75,00 |
± 0,40 | |||||||||||
5. |
С-7 |
100,0 |
± 0.5 | ||||||||||
6. |
1,000 |
± 0,025 | |||||||||||
7. |
25,00 |
± 0,15 | |||||||||||
8. |
50,00 |
60 |
± 0,27 | ||||||||||
9. |
75,00 |
± 0,40 | |||||||||||
10. |
100,0 |
± 0.5 | |||||||||||
1. |
5,000 |
± 0,100 | |||||||||||
2. |
50,00 |
± 1,000 | |||||||||||
3. |
100,00 |
50 |
± 2,000 | ||||||||||
4. |
F-1 F-2 F-3 |
500,0 |
± 10,000 | ||||||||||
5. |
1000,0 |
± 20,000 | |||||||||||
6. |
5,000 |
± 0,100 | |||||||||||
7. |
50,00 |
± 1,000 | |||||||||||
8. |
100,00 |
60 |
± 2,000 | ||||||||||
9. |
500,0 |
± 10,000 | |||||||||||
10. |
1000,0 |
± 20,000 |
Поверяемые точки |
Значения измеряемой величины |
Предел допустимой погрешности Л |
Результаты поверки | ||||||||||||||||
№ |
U |
I |
PF |
S L1 |
P L1 |
Q1 L1 |
PF/COS L1 |
0ui L1 |
S L1 |
P L1 |
Q1 L1 |
PF/COS L1 |
0ui L1 |
S L1 Л |
P L1 Л |
Q1 L1 Л |
PF/COS L1 Л |
0ui L1 Л |
Заключение |
В |
А |
- |
кВА |
кВт |
кВАр |
- |
° |
кВА |
кВт |
кВАр |
- |
° |
кВА |
кВт |
кВАр |
- |
° | ||
1. |
100 |
100 |
1,000 |
± 0,15 |
± 0,15 |
± 0,15 |
± 0,03 |
±1,0 | |||||||||||
2. |
0,866 |
± 0,15 |
± 0,16 |
± 0,17 |
± 0,03 |
±1,0 | |||||||||||||
3. |
0,707 |
± 0,15 |
± 0,16 |
± 0,16 |
± 0,03 |
±1,0 | |||||||||||||
4. |
0,500 |
± 0,15 |
± 0,17 |
± 0,16 |
± 0,03 |
±1,0 | |||||||||||||
№ |
U |
I |
PF |
S L2 |
P L2 |
Q1 L2 |
PF/COS L2 |
0ui L2 |
S L2 |
P L2 |
Q1 L2 |
PF/COS L2 |
0ui L2 |
S L2 Л |
P L2 Л |
Q1 L2 Л |
PF/COS L2 Л |
0ui L2 Л |
Заключение |
В |
А |
- |
кВА |
кВт |
кВАр |
- |
° |
кВА |
кВт |
кВАр |
- |
° |
кВА |
кВт |
кВАр |
- |
° | ||
5. |
100 |
100 |
1,000 |
± 0,15 |
± 0,15 |
± 0,15 |
± 0,03 |
±1,0 | |||||||||||
6. |
0,866 |
± 0,15 |
± 0,16 |
± 0,17 |
± 0,03 |
±1,0 | |||||||||||||
7. |
0,707 |
± 0,15 |
± 0,16 |
± 0,16 |
± 0,03 |
±1,0 | |||||||||||||
8. |
0,500 |
± 0,15 |
± 0,17 |
± 0,16 |
± 0,03 |
±1,0 | |||||||||||||
№ |
U |
I |
PF |
S L3 |
P L3 |
Q1 L3 |
PF/COS L3 |
0ui L3 |
S L3 |
P L3 |
Q1 L3 |
PF/COS L3 |
0ui L3 |
S L3 Л |
P L3 Л |
Q1 L3 Л |
PF/COS L3 Л |
0ui L3 Л |
Заключение |
В |
А |
- |
кВА |
кВт |
кВАр |
- |
° |
кВА |
кВт |
кВАр |
- |
° |
кВА |
кВт |
кВАр |
- |
° | ||
9. |
100 |
100 |
1,000 |
± 0,15 |
± 0,15 |
± 0,15 |
± 0,03 |
±1,0 | |||||||||||
10. |
0,866 |
± 0,15 |
± 0,16 |
± 0,17 |
± 0,03 |
±1,0 | |||||||||||||
11. |
0,707 |
± 0,15 |
± 0,16 |
± 0,16 |
± 0,03 |
±1,0 | |||||||||||||
12. |
0,500 |
± 0,15 |
± 0,17 |
± 0,16 |
± 0,03 |
±1,0 |
Поверяемые точки |
Значения измеряемой величины |
Предел допустимой погрешности Л |
Результаты поверки | ||||||||||||||||
№ |
U |
I |
PF |
S L1 |
P L1 |
Q1 L1 |
PF/COS L1 |
0ui L1 |
S L1 |
P L1 |
Q1 L1 |
PF/COS L1 |
0ui L1 |
S L1 Л |
P L1 Л |
Q1 L1 Л |
PF/COS L1 Л |
0ui L1 Л |
Заключение |
В |
А |
- |
кВА |
кВт |
кВАр |
- |
° |
кВА |
кВт |
кВАр |
- |
° |
кВА |
кВт |
кВАр |
- |
° | ||
1. |
100 |
100 |
1,000 |
± 0,25 |
± 0,25 |
± 0,25 |
± 0,03 |
±1,0 | |||||||||||
2. |
0,866 |
± 0,25 |
± 0,23 |
± 0,20 |
± 0,03 |
±1,0 | |||||||||||||
3. |
0,707 |
± 0,25 |
± 0,22 |
± 0,22 |
± 0,03 |
±1,0 | |||||||||||||
4. |
0,500 |
± 0,25 |
± 0,20 |
± 0,23 |
± 0,03 |
±1,0 | |||||||||||||
№ |
U |
I |
PF |
S L2 |
P L2 |
Q1 L2 |
PF/COS L2 |
0ui L2 |
S L2 |
P L2 |
Q1 L2 |
PF/COS L2 |
0ui L2 |
S L2 Л |
P L2 Л |
Q1 L2 Л |
PF/COS L2 Л |
0ui L2 Л |
Заключение |
В |
А |
- |
кВА |
кВт |
кВАр |
- |
° |
кВА |
кВт |
кВАр |
- |
° |
кВА |
кВт |
кВАр |
- |
° | ||
5. |
100 |
100 |
1,000 |
± 0,25 |
± 0,25 |
± 0,25 |
± 0,03 |
±1,0 | |||||||||||
6. |
0,866 |
± 0,25 |
± 0,23 |
± 0,20 |
± 0,03 |
±1,0 | |||||||||||||
7. |
0,707 |
± 0,25 |
± 0,22 |
± 0,22 |
± 0,03 |
±1,0 | |||||||||||||
8. |
0,500 |
± 0,25 |
± 0,20 |
± 0,23 |
± 0,03 |
±1,0 | |||||||||||||
№ |
U |
I |
PF |
S L3 |
P L3 |
Q1 L3 |
PF/COS L3 |
0ui L3 |
S L3 |
P L3 |
Q1 L3 |
PF/COS L3 |
0ui L3 |
S L3 Л |
P L3 Л |
Q1 L3 Л |
PF/COS L3 Л |
0ui L3 Л |
Заключение |
В |
А |
- |
кВА |
кВт |
кВАр |
- |
° |
кВА |
кВт |
кВАр |
- |
° |
кВА |
кВт |
кВАр |
- |
° | ||
9. |
100 |
100 |
1,000 |
± 0,25 |
± 0,25 |
± 0,25 |
± 0,03 |
±1,0 | |||||||||||
10. |
0,866 |
± 0,25 |
± 0,23 |
± 0,20 |
± 0,03 |
±1,0 | |||||||||||||
11. |
0,707 |
± 0,25 |
± 0,22 |
± 0,22 |
± 0,03 |
±1,0 | |||||||||||||
12. |
0,500 |
± 0,25 |
± 0,20 |
± 0,23 |
± 0,03 |
±1,0 |
Поверяемые точки |
Значения измеряемой величины |
Предел допустимой погрешности Л |
Результаты поверки | ||||||||||||||||
№ |
U |
I |
PF |
S L1 |
P L1 |
Q1 L1 |
PF/COS L1 |
0ui L1 |
S L1 |
P L1 |
Q1 L1 |
PF/COS L1 |
0ui L1 |
S L1 Л |
P L1 Л |
Q1 L1 Л |
PF/COS L1 Л |
0ui L1 Л |
Заключение |
В |
А |
- |
ВА |
Вт |
ВАр |
- |
° |
ВА |
кВт |
ВАр |
- |
° |
ВА |
Вт |
ВАр |
- |
° | ||
1. |
100 |
10 |
1,000 |
± 10,0 |
± 10,1 |
± 10,0 |
± 0,03 |
±1,0 | |||||||||||
2. |
0,866 |
± 10,0 |
± 12,4 |
± 16,0 |
± 0,03 |
±1,0 | |||||||||||||
3. |
0,707 |
± 10,0 |
± 14,3 |
± 14,3 |
± 0,03 |
±1,0 | |||||||||||||
4. |
0,500 |
± 10,0 |
± 16,0 |
± 12,4 |
± 0,03 |
±1,0 | |||||||||||||
№ |
U |
I |
PF |
S L2 |
P L2 |
Q1 L2 |
PF/COS L2 |
0ui L2 |
S L2 |
P L2 |
Q1 L2 |
PF/COS L2 |
0ui L2 |
S L2 Л |
P L2 Л |
Q1 L2 Л |
PF/COS L2 Л |
0ui L2 Л |
Заключение |
В |
А |
- |
ВА |
Вт |
ВАр |
- |
° |
ВА |
Вт |
ВАр |
- |
° |
ВА |
Вт |
ВАр |
- |
° | ||
5. |
100 |
10 |
1,000 |
± 10,0 |
± 10,1 |
± 10,0 |
± 0,03 |
±1,0 | |||||||||||
6. |
0,866 |
± 10,0 |
± 12,4 |
± 16,0 |
± 0,03 |
±1,0 | |||||||||||||
7. |
0,707 |
± 10,0 |
± 14,3 |
± 14,3 |
± 0,03 |
±1,0 | |||||||||||||
8. |
0,500 |
± 10,0 |
± 16,0 |
± 12,4 |
± 0,03 |
±1,0 | |||||||||||||
№ |
U |
I |
PF |
S L3 |
P L3 |
Q1 L3 |
PF/COS L3 |
0ui L3 |
S L3 |
P L3 |
Q1 L3 |
PF/COS L3 |
0ui L3 |
S L3 Л |
P L3 Л |
Q1 L3 Л |
PF/COS L3 Л |
0ui L3 Л |
Заключение |
В |
А |
- |
ВА |
Вт |
ВАр |
- |
° |
ВА |
Вт |
ВАр |
- |
° |
ВА |
Вт |
ВАр |
- |
° | ||
9. |
100 |
10 |
1,000 |
± 10,0 |
± 10,1 |
± 10,0 |
± 0,03 |
±1,0 | |||||||||||
10. |
0,866 |
± 10,0 |
± 12,4 |
± 16,0 |
± 0,03 |
±1,0 | |||||||||||||
11. |
0,707 |
± 10,0 |
± 14,3 |
± 14,3 |
± 0,03 |
±1,0 | |||||||||||||
12. |
0,500 |
± 10,0 |
± 16,0 |
± 12,4 |
± 0,03 |
±1,0 |
Поверяемые точки |
Значения измеряемой величины |
Предел допустимой погрешности Л |
Результаты поверки | ||||||||||||||||
№ |
U |
I |
PF |
S L1 |
P L1 |
Q1 L1 |
PF/COS L1 |
0ui L1 |
S L1 |
P L1 |
Q1 L1 |
PF/COS L1 |
0ui L1 |
S L1 Л |
P L1 Л |
Q1 L1 Л |
PF/COS L1 Л |
0ui L1 Л |
Заключение |
В |
А |
- |
ВА |
Вт |
ВАр |
- |
° |
ВА |
кВт |
ВАр |
- |
° |
ВА |
Вт |
ВАр |
- |
° | ||
1. |
100 |
10 |
1,000 |
± 5.1 |
± 5.1 |
± 5.1 |
± 0,03 |
±1,0 | |||||||||||
2. |
0,866 |
± 5.1 |
± 9.9 |
± 15.4 |
± 0,03 |
±1,0 | |||||||||||||
3. |
0,707 |
± 5.1 |
± 13.0 |
± 13.0 |
± 0,03 |
±1,0 | |||||||||||||
4. |
0,500 |
± 5.1 |
± 15.4 |
± 9.9 |
± 0,03 |
±1,0 | |||||||||||||
№ |
U |
I |
PF |
S L2 |
P L2 |
Q1 L2 |
PF/COS L2 |
0ui L2 |
S L2 |
P L2 |
Q1 L2 |
PF/COS L2 |
0ui L2 |
S L2 Л |
P L2 Л |
Q1 L2 Л |
PF/COS L2 Л |
0ui L2 Л |
Заключение |
В |
А |
- |
ВА |
Вт |
ВАр |
- |
° |
ВА |
Вт |
ВАр |
- |
° |
ВА |
Вт |
ВАр |
- |
° | ||
5. |
100 |
10 |
1,000 |
± 5.1 |
± 5.1 |
± 5.1 |
± 0,03 |
±1,0 | |||||||||||
6. |
0,866 |
± 5.1 |
± 9.9 |
± 15.4 |
± 0,03 |
±1,0 | |||||||||||||
7. |
0,707 |
± 5.1 |
± 13.0 |
± 13.0 |
± 0,03 |
±1,0 | |||||||||||||
8. |
0,500 |
± 5.1 |
± 15.4 |
± 9.9 |
± 0,03 |
±1,0 | |||||||||||||
№ |
U |
I |
PF |
S L3 |
P L3 |
Q1 L3 |
PF/COS L3 |
0ui L3 |
S L3 |
P L3 |
Q1 L3 |
PF/COS L3 |
0ui L3 |
S L3 Л |
P L3 Л |
Q1 L3 Л |
PF/COS L3 Л |
0ui L3 Л |
Заключение |
В |
А |
- |
ВА |
Вт |
ВАр |
- |
° |
ВА |
Вт |
ВАр |
- |
° |
ВА |
Вт |
ВАр |
- |
° | ||
9. |
100 |
10 |
1,000 |
± 5.1 |
± 5.1 |
± 5.1 |
± 0,03 |
±1,0 | |||||||||||
10. |
0,866 |
± 5.1 |
± 9.9 |
± 15.4 |
± 0,03 |
±1,0 | |||||||||||||
11. |
0,707 |
± 5.1 |
± 13.0 |
± 13.0 |
± 0,03 |
±1,0 | |||||||||||||
12. |
0,500 |
± 5.1 |
± 15.4 |
± 9.9 |
± 0,03 |
±1,0 |
Таблица А.14 Определение абсолютной погрешности измерения активной, реактивной, полной мощности и абсолютной погрешности измерения коэффициента мощности, коэффициента сдвига фаз, угла сдвига фаз между напряжением и током. (f=50 Гц, для измерительных клещей F-1, F-2, F-3).
Поверяемые точки |
Значения измеряемой величины |
Предел допустимой погрешности Л |
Результаты поверки | ||||||||||||||||
№ |
U |
I |
PF |
S L1 |
P L1 |
Q1 L1 |
PF/COS L1 |
0ui L1 |
S L1 |
P L1 |
Q1 L1 |
PF/COS L1 |
0ui L1 |
S L1 Л |
P L1 Л |
Q1 L1 Л |
PF/COS L1 Л |
0ui L1 Л |
Заключение |
В |
А |
- |
кВА |
кВт |
кВАр |
- |
° |
кВА |
кВт |
кВАр |
- |
° |
кВА |
кВт |
кВАр |
- |
° | ||
1. |
100 |
100 |
1,000 |
± 0,20 |
± 0,20 |
± 0,20 |
± 0,03 |
±1,0 | |||||||||||
2. |
0,866 |
± 0,20 |
± 0,19 |
± 0,18 |
± 0,03 |
±1,0 | |||||||||||||
3. |
0,707 |
± 0,20 |
± 0,19 |
± 0,19 |
± 0,03 |
±1,0 | |||||||||||||
4. |
0,500 |
± 0,20 |
± 0,18 |
± 0,19 |
± 0,03 |
±1,0 | |||||||||||||
№ |
U |
I |
PF |
S L2 |
P L2 |
Q1 L2 |
PF/COS L2 |
0ui L2 |
S L2 |
P L2 |
Q1 L2 |
PF/COS L2 |
0ui L2 |
S L2 Л |
P L2 Л |
Q1 L2 Л |
PF/COS L2 Л |
0ui L2 Л |
Заключение |
В |
А |
- |
кВА |
кВт |
кВАр |
- |
° |
кВА |
кВт |
кВАр |
- |
° |
кВА |
кВт |
кВАр |
- |
° | ||
5. |
100 |
100 |
1,000 |
± 0,20 |
± 0,20 |
± 0,20 |
± 0,03 |
±1,0 | |||||||||||
6. |
0,866 |
± 0,20 |
± 0,19 |
± 0,18 |
± 0,03 |
±1,0 | |||||||||||||
7. |
0,707 |
± 0,20 |
± 0,19 |
± 0,19 |
± 0,03 |
±1,0 | |||||||||||||
8. |
0,500 |
± 0,20 |
± 0,18 |
± 0,19 |
± 0,03 |
±1,0 | |||||||||||||
№ |
U |
I |
PF |
S L3 |
P L3 |
Q1 L3 |
PF/COS L3 |
0ui L3 |
S L3 |
P L3 |
Q1 L3 |
PF/COS L3 |
0ui L3 |
S L3 Л |
P L3 Л |
Q1 L3 Л |
PF/COS L3 Л |
0ui L3 Л |
Заключение |
В |
А |
- |
кВА |
кВт |
кВАр |
- |
° |
кВА |
кВт |
кВАр |
- |
° |
кВА |
кВт |
кВАр |
- |
° | ||
9. |
100 |
100 |
1,000 |
± 0,20 |
± 0,20 |
± 0,20 |
± 0,03 |
±1,0 | |||||||||||
10. |
0,866 |
± 0,20 |
± 0,19 |
± 0,18 |
± 0,03 |
±1,0 | |||||||||||||
11. |
0,707 |
± 0,20 |
± 0,19 |
± 0,19 |
± 0,03 |
±1,0 | |||||||||||||
12. |
0,500 |
± 0,20 |
± 0,18 |
± 0,19 |
± 0,03 |
±1,0 |
Поверяемые точки |
Значения измеряемой величины |
Предел допустимой погрешности А |
Результаты поверки | ||||||||||
№ |
U |
I |
PF |
ES L1 |
EP+ L1 |
EQ+ L1 |
ES L1 |
EP+ L1 |
EQ+ L1 |
Погрешность ES L1 А |
Погрешность EP+ L1 А |
Погрешность EQ+ L1 А |
Заключение |
В |
А |
- |
ВАч |
ВТч |
ВАрч |
ВАч |
ВТч |
ВАрч |
ВАч |
ВТч |
ВАрч | ||
1. |
100 |
100 |
0,500 |
± 150 |
± 170 |
± 160 | |||||||
№ |
U |
I |
PF |
ES L2 |
EP+ L2 |
EQ+ L2 |
ES L2 |
EP+ L2 |
EQ+ L2 |
Погрешность ES L2 А |
Погрешность EP+ L2 А |
Погрешность EQ+ L2 А |
Заключение |
В |
А |
- |
ВАч |
ВТч |
ВАрч |
ВАч |
ВТч |
ВАрч |
ВАч |
ВТч |
ВАрч | ||
2. |
100 |
100 |
0,500 |
± 150 |
± 170 |
± 160 | |||||||
№ |
U |
I |
PF |
ES L3 |
EP+ L3 |
EQ+ L3 |
ES L3 |
EP+ L3 |
EQ+ L3 |
Погрешность ES L3 А |
Погрешность EP+ L3 А |
Погрешность EQ+ L3 А |
Заключение |
В |
А |
- |
ВАч |
ВТч |
ВАрч |
ВАч |
ВТч |
ВАрч |
ВАч |
ВТч |
ВАрч | ||
3. |
100 |
100 |
0,500 |
± 150 |
± 170 |
± 160 |
Таблица А.16 Определение абсолютной погрешности измерения активной, реактивной, полной энергии. (f=50 Гц, t=12 мин, для измерительных клещей C-5).
Поверяемые точки |
Значения измеряемой величины |
Предел допустимой погрешности А |
Результаты поверки | ||||||||||
№ |
U |
I |
PF |
ES L1 |
EP+ L1 |
EQ+ L1 |
ES L1 |
EP+ L1 |
EQ+ L1 |
Погрешность ES L1 А |
Погрешность EP+ L1 А |
Погрешность EQ+ L1 А |
Заключение |
В |
А |
- |
ВАч |
ВТч |
ВАрч |
ВАч |
ВТч |
ВАрч |
ВАч |
ВТч |
ВАрч | ||
1. |
100 |
100 |
0,500 |
± 250 |
± 200 |
± 230 | |||||||
№ |
U |
I |
PF |
ES L2 |
EP+ L2 |
EQ+ L2 |
ES L2 |
EP+ L2 |
EQ+ L2 |
Погрешность ES L2 А |
Погрешность EP+ L2 А |
Погрешность EQ+ L2 А |
Заключение |
В |
А |
- |
ВАч |
ВТч |
ВАрч |
ВАч |
ВТч |
ВАрч |
ВАч |
ВТч |
ВАрч | ||
2. |
100 |
100 |
0,500 |
± 250 |
± 200 |
± 230 | |||||||
№ |
U |
I |
PF |
ES L3 |
EP+ L3 |
EQ+ L3 |
ES L3 |
EP+ L3 |
EQ+ L3 |
Погрешность ES L3 А |
Погрешность EP+ L3 А |
Погрешность EQ+ L3 А |
Заключение |
В |
А |
- |
ВАч |
ВТч |
ВАрч |
ВАч |
ВТч |
ВАрч |
ВАч |
ВТч |
ВАрч | ||
3. |
100 |
100 |
0,500 |
± 250 |
± 200 |
± 230 |
Поверяемые точки |
Значения измеряемой величины |
Предел допустимой погрешности А |
Результаты поверки | ||||||||||
№ |
U |
I |
PF |
ES L1 |
EP+ L1 |
EQ+ L1 |
ES L1 |
EP+ L1 |
EQ+ L1 |
Погрешность ES L1 А |
Погрешность EP+ L1 А |
Погрешность EQ+ L1 А |
Заключение |
В |
А |
- |
ВАч |
ВТч |
ВАрч |
ВАч |
ВТч |
ВАрч |
ВАч |
ВТч |
ВАрч | ||
1. |
100 |
10 |
0,500 |
± 10,1 |
± 16,0 |
± 12,4 | |||||||
№ |
U |
I |
PF |
ES L2 |
EP+ L2 |
EQ+ L2 |
ES L2 |
EP+ L2 |
EQ+ L2 |
Погрешность ES L2 А |
Погрешность EP+ L2 А |
Погрешность EQ+ L2 А |
Заключение |
В |
А |
- |
ВАч |
ВТч |
ВАрч |
ВАч |
ВТч |
ВАрч |
ВАч |
ВТч |
ВАрч | ||
2. |
100 |
10 |
0,500 |
± 10,1 |
± 16,0 |
± 12,4 | |||||||
№ |
U |
I |
PF |
ES L3 |
EP+ L3 |
EQ+ L3 |
ES L3 |
EP+ L3 |
EQ+ L3 |
Погрешность ES L3 А |
Погрешность EP+ L3 А |
Погрешность EQ+ L3 А |
Заключение |
В |
А |
- |
ВАч |
ВТч |
ВАрч |
ВАч |
ВТч |
ВАрч |
ВАч |
ВТч |
ВАрч | ||
3. |
100 |
10 |
0,500 |
± 10,1 |
± 16,0 |
± 12,4 |
Таблица А.18 Определение абсолютной погрешности измерения активной, реактивной, полной энергии. (f=50 Гц, t=12 мин, для измерительных клещей C-7).
Поверяемые точки |
Значения измеряемой величины |
Предел допустимой погрешности А |
Результаты поверки | ||||||||||
№ |
U |
I |
PF |
ES L1 |
EP+ L1 |
EQ+ L1 |
ES L1 |
EP+ L1 |
EQ+ L1 |
Погрешность ES L1 А |
Погрешность EP+ L1 А |
Погрешность EQ+ L1 А |
Заключение |
В |
А |
- |
ВАч |
ВТч |
ВАрч |
ВАч |
ВТч |
ВАрч |
ВАч |
ВТч |
ВАрч | ||
1. |
100 |
10 |
0,500 |
± 5,1 |
± 15,4 |
± 9,9 | |||||||
№ |
U |
I |
PF |
ES L2 |
EP+ L2 |
EQ+ L2 |
ES L2 |
EP+ L2 |
EQ+ L2 |
Погрешность ES L2 А |
Погрешность EP+ L2 А |
Погрешность EQ+ L2 А |
Заключение |
В |
А |
- |
ВАч |
ВТч |
ВАрч |
ВАч |
ВТч |
ВАрч |
ВАч |
ВТч |
ВАрч | ||
2. |
100 |
10 |
0,500 |
± 5,1 |
± 15,4 |
± 9,9 | |||||||
№ |
U |
I |
PF |
ES L3 |
EP+ L3 |
EQ+ L3 |
ES L3 |
EP+ L3 |
EQ+ L3 |
Погрешность ES L3 А |
Погрешность EP+ L3 А |
Погрешность EQ+ L3 А |
Заключение |
В |
А |
- |
ВАч |
ВТч |
ВАрч |
ВАч |
ВТч |
ВАрч |
ВАч |
ВТч |
ВАрч | ||
3. |
100 |
10 |
0,500 |
± 5,1 |
± 15,4 |
± 9,9 |
Поверяемые точки |
Значения измеряемой величины |
Предел допустимой погрешности л |
Результаты поверки | ||||||||||
№ |
U |
I |
PF |
ES L1 |
EP+ L1 |
EQ+ L1 |
ES L1 |
EP+ L1 |
EQ+ L1 |
Погрешность ES L1 Д |
Погрешность EP+ L1 Д |
Погрешность EQ+ L1 Д |
Заключение |
В |
А |
- |
ВАч |
ВТч |
ВАрч |
ВАч |
ВТч |
ВАрч |
ВАч |
ВТч |
ВАрч | ||
1. |
100 |
100 |
0,500 |
± 200 |
± 180 |
± 190 | |||||||
№ |
U |
I |
PF |
ES L2 |
EP+ L2 |
EQ+ L2 |
ES L2 |
EP+ L2 |
EQ+ L2 |
Погрешность ES L2 Д |
Погрешность EP+ L2 Д |
Погрешность EQ+ L2 Д |
Заключение |
В |
А |
- |
ВАч |
ВТч |
ВАрч |
ВАч |
ВТч |
ВАрч |
ВАч |
ВТч |
ВАрч | ||
2. |
100 |
100 |
0,500 |
± 200 |
± 180 |
± 190 | |||||||
№ |
U |
I |
PF |
ES L3 |
EP+ L3 |
EQ+ L3 |
ES L3 |
EP+ L3 |
EQ+ L3 |
Погрешность ES L3 Д |
Погрешность EP+ L3 Д |
Погрешность EQ+ L3 Д |
Заключение |
В |
А |
- |
ВАч |
ВТч |
ВАрч |
ВАч |
ВТч |
ВАрч |
ВАч |
ВТч |
ВАрч | ||
3. |
100 |
100 |
0,500 |
± 200 |
± 180 |
± 190 |
Таблица А.20 Определение абсолютной погрешности измерения кратковременной и длительной дозы фликера (U=220 В, f=50 Гц) Настройки 5520A-PQ PQ ЛAMPL■ SET Л: TYPE: flicker; Pst values.
PQM-700
№ |
t |
AV/V |
Pst |
Pst L1 |
Pst L2 |
Pst L3 |
Pst |
Погрешность Pst L1 Д |
Погрешность Pst L2 Д |
Погрешность Pst L3Д |
Заключение |
мин |
% |
ед. |
ед. |
ед. |
ед. |
ед. |
ед. |
ед. |
ед. | ||
1. |
10 |
2,724 |
1,00 |
± 0,1 | |||||||
2. |
1,459 |
3,00 |
± 0,3 | ||||||||
3. |
0,402 |
5,00 |
± 0,5 | ||||||||
№ |
t |
AV/V |
Plt |
Plt L1 |
Plt L2 |
Plt L3 |
Plt |
Погрешность Plt L1 Д |
Погрешность Plt L2 Д |
Погрешность Plt L3Д |
Заключение |
мин |
% |
ед. |
ед. |
ед. |
ед. |
ед. |
ед. |
ед. |
ед. | ||
1. |
120 |
2,724 |
1,00 |
± 0,1 |
Продолжение таблицы А.20___________________________________
Настройки 5520A-PQ PQ AAMPL. SET A: TYPE: flicker; Pst values.
Поверяемые точки
Значения измеряемой величины
Предел допустимой погрешности A
Результаты поверки
PQM-701Z, PQM-701Zr, PQM-702
№ |
t |
AV/V |
Pst |
Pst L1 |
Pst L2 |
Pst L3 |
Pst |
Погрешность Pst L1 A |
Погрешность Pst L2 A |
Погрешность Pst L3A |
Заключение |
мин |
% |
ед. |
ед. |
ед. |
ед. |
ед. |
ед. |
ед. |
ед. | ||
1. |
10 |
2,724 |
1,00 |
± 0,05 | |||||||
2. |
1,459 |
3,00 |
± 0,15 | ||||||||
3. |
0,402 |
5,00 |
± 0,25 | ||||||||
№ |
t |
AV/V |
Plt |
Plt L1 |
Plt L2 |
Plt L3 |
Plt |
Погрешность Plt L1 A |
Погрешность Plt L2 A |
Погрешность Plt L3A |
Заключение |
мин |
% |
ед. |
ед. |
ед. |
ед. |
ед. |
ед. |
ед. |
ед. | ||
1. |
120 |
2,724 |
1,00 |
± 0,05 |
Таблица А.21 Определение абсолютной погрешности измерения коэффициента несимметрии напряжения по обратной и нулевой последовательности, угла сдвига
фаз между напряжением. (f=50 Гц)
Поверяемые точки |
Значения измеряемой величины |
Предел допустимой погрешности А |
Результаты поверки | ||||||||||
PQM-700 | |||||||||||||
№ |
U L1 |
U L2 |
U L3 |
K2U |
U2/U1 |
U0/U1 |
U2/U1 |
U0/U1 |
Погрешность U2/U1 А |
Погрешность U0/U1 А |
Заключение | ||
1. |
В |
В |
В |
% |
% |
% |
% |
% |
% |
% | |||
220 |
198 |
242 |
14,395 |
0,3 |
0,3 | ||||||||
Фи L1 |
Фи L2 |
Фи L3 |
K0U |
Фи L1 |
Фи L2 |
Фи L3 |
Фи |
Погрешность Фи L1 А |
Погрешность Фи L2 А |
Погрешность Фи L3 А |
Заключение | ||
о |
о |
о |
% |
о |
о |
о |
о |
О |
О |
О | |||
0 |
-110 |
100 |
18,940 |
1 |
Продолжение таблицы А.21
Поверяемые точки |
Значения измеряемой величины |
Предел допустимой погрешности А |
Результаты поверки | ||||||||||
2. |
U L1 |
U L2 |
U L3 |
K2U |
U2/U1 |
U0/U1 |
U2/U1 |
U0/U1 |
Погрешность U2/U1 А |
Погрешность U0/U1 А |
Заключение | ||
В |
В |
В |
% |
% |
% |
% |
% |
% |
% | ||||
220 |
187 |
253 |
8,660 |
0,3 |
0,3 | ||||||||
Фи L1 |
Фи L2 |
Фи L3 |
K0U |
Фи L1 |
Фи L2 |
Фи L3 |
Фи |
Погрешность Фи L1 А |
Погрешность Фи L2 А |
Погрешность Фи L3 А |
Заключение | ||
о |
о |
о |
% |
о |
о |
о |
о |
О |
О |
О | |||
0 |
-120 |
120 |
8,660 |
1 | |||||||||
PQM-701Z, PQM-701Zr, PQM-702 | |||||||||||||
№ |
U L1 |
U L2 |
U L3 |
K2U |
U2/U1 |
U0/U1 |
U2/U1 |
U0/U1 |
Погрешность U2/U1 А |
Погрешность U0/U1 А |
Заключение | ||
1. |
В |
В |
В |
% |
% |
% |
% |
% |
% |
% | |||
220 |
198 |
242 |
14,395 |
0,15 |
0,15 | ||||||||
Фи L1 |
Фи L2 |
Фи L3 |
K0U |
Фи L1 |
Фи L2 |
Фи L3 |
Фи |
Погрешность Фи L1 А |
Погрешность Фи L2 А |
Погрешность Фи L3 А |
Заключение | ||
о |
о |
о |
% |
о |
о |
о |
о |
О |
О |
О | |||
0 |
-110 |
100 |
18,940 |
1 | |||||||||
2. |
U L1 |
U L2 |
U L3 |
K2U |
U2/U1 |
U0/U1 |
U2/U1 |
U0/U1 |
Погрешность U2/U1 А |
Погрешность U0/U1 А |
Заключение | ||
В |
В |
В |
% |
% |
% |
% |
% |
% |
% | ||||
220 |
187 |
253 |
8,660 |
0,15 |
0,15 | ||||||||
Фи L1 |
Фи L2 |
Фи L3 |
K0U |
Фи L1 |
Фи L2 |
Фи L3 |
Фи |
Погрешность Фи L1 А |
Погрешность Фи L2 А |
Погрешность Фи L3 А |
Заключение | ||
о |
о |
о |
% |
о |
о |
о |
о |
О |
О |
О | |||
0 |
-120 |
120 |
8,660 |
1 |
Таблица А.22 Определение абсолютной погрешности измерения угла сдвига фаз между силой тока. (для измерительных клещей F-1, F-2, F-3, C-4, C-5, C-6, C-7; f=50 Гц)
Поверяемые точки |
Значения измеряемой величины |
Предел допустимой погрешности А |
Результаты поверки | ||||||||
№ |
Ф1 L1 |
Ф1 L2 |
Ф1 L3 |
Ф1 L1 |
Ф1 L2 |
Ф1 L3 |
Ф1 |
Погрешность Ф1 L1 А |
Погрешность Ф1 L2 А |
Погрешность Ф1 L3 А |
Заключение |
о |
о |
о |
о |
о |
о |
о |
О |
О |
О | ||
1. |
0 |
-110 |
100 |
1 | |||||||
2. |
0 |
-120 |
120 |
1 |
Таблица А.23 Определение абсолютной погрешности измерения длительности регистрируемых событий. (U = 220 В, f=50 Гц)
Настройки 5520A-PQ PQ AAMPL. SET А: TYPE: single; RUMP UP - 0s; AV/V = -15%; SET TRIGS: 2 s. | |||||||||
Поверяемые точки |
Значения измеряемой величины |
Предел допустимой погрешности Л |
Результаты поверки | ||||||
№ |
t (width) |
t L1-N |
t L2-N |
t L3-N |
Погрешность t L1-N А |
Погрешность t L2-N А |
Погрешность t L3-N А |
Заключение | |
c |
c |
c |
c |
c |
c |
c |
c | ||
1. |
0,10 |
0,02 | |||||||
2. |
10,00 |
0,02 | |||||||
3. |
60,00 |
0,02 |
ПРИЛОЖЕНИЕ Б (Обязательное)
Таблица Б-1 - Идентификационные данные программного обеспечения анализаторов параметров качества электрической энергии PQM-700,
PQM-701Z, PQM-701Zr, PQM-702
Модификация |
Наименование программного обеспечения |
Идентификационное наименование программного обеспечения |
Номер версии программного обеспечения |
Цифровой идентификатор программного обеспечения |
Алгоритм вычисления цифрового идентификатора программного обеспечения |
PQM-700 |
ПО для анализаторов PQM-700 |
PQM-700 |
v1.14 |
0x4202 |
CRC 16-CCITT (ZModem) |
PQM-701Z PQM-701Zr |
ПО для анализаторов PQM-701Z |
PQM-701Z |
v1.14 |
0x20F4 |
CRC 16-CCITT (ZModem) |
PQM-702 |
ПО для анализаторов PQM-702 |
PQM-702 |
v1.11 |
0x7A3D |
CRC 16-CCITT (ZModem) |
PQM-70X |
Прикладное ПО для анализаторов серии PQM |
«SONEL ANALYSIS» |
2.5 |
- |
- |
Уровень защиты программного обеспечения «А»
Поверяемые точки
Значения измеряемой величины
Предел допустимой погрешности л
Результаты поверки
41