Методика поверки «ГСИ. Счетчики импульсов проводные универсальные «СИПУ»» (МП ОЦСМ 014196-2017 )
УТВЕРЖДАЮ

А.В. Бессонов
директора по метрологии ФБУ «Омский ЦСМ»
Государственная система обеспечения единства измерений Счетчики импульсов проводные универсальные «СИПУ»
МЕТОДИКА ПОВЕРКИ
ОЦСМ 014196-2017 МП
г. Омск
2017 г.
Настоящая методика поверки распространяется на счетчики импульсов универсальные «СИПУ» (далее по тексту — счетчики) и устанавливает методику их первичной и периодической поверок.
Интервал между поверками - шесть лет.
1 Операции поверки
-
1.1 При проведении поверки должны выполняться операции, приведенные в таблице 1.
Таблица 1 - Операции поверки
Наименование операции |
Номер пункта методики поверки |
Внешний осмотр |
7.1 |
Проверка обработки входных сигналов, соответствующих спецификации NAMUR |
7.2* |
Идентификация программного обеспечения |
7.3 |
Определение относительной погрешности измерения количества импульсов |
7.4 |
* - операция проводится для исполнений счетчиков СИПУ 485.2N.B0, СИПУ 485.4N.B0, СИПУ 485.4N.B5, СИПУ 485.2N.D, СИПУ 485.4N.D, СИПУ 485.10N.D, СИПУ MB.2N.B0, СИПУ MB.4N.B0, СИПУ MB.4N.B5, СИПУ MB.2N.D, СИПУ MB.4N.D, СИПУ MB.10N.D |
-
1.2 Если при проведении той или иной операции поверки получен отрицательный результат, поверку прекращают, счетчик признается непригодным к дальнейшей эксплуатации, выдается извещение о непригодности, с указанием причин непригодности.
2 Средства поверки
-
2.1 При проведении поверки применяют основные и вспомогательные средства поверки, приведенные в таблице 2.
-
2.2 Все средства измерений должны быть исправны, поверены и иметь действующие свидетельства о поверке или оттиск поверительного клейма на приборе или в эксплуатационной документации.
-
2.3 Допускается применение аналогичных средств поверки, обеспечивающих определение метрологических характеристик счетчика с требуемой точностью.
3 Требования к квалификации поверителей
Поверку счетчиков осуществляют аккредитованные в соответствии с законодательством Российской Федерации об аккредитации в национальной системе аккредитации юридические лица и индивидуальные предприниматели. К проведению поверки допускаются лица, изучившие паспорт на счетчик СЭТ.469333.078 ПС, эксплуатационную документацию на средства их поверки и настоящую методику поверки.
Таблица 2 - Основные и вспомогательные средства поверки
Номер пункта методики поверки |
Наименование и тип основного или вспомогательного средства поверки; обозначение нормативного документа, регламентирующего основные технические требования и (или) метрологические и основные технические характеристики средства поверки |
7.4 |
Генератор импульсов Г5-82:
|
7.4 |
Частотомер электронно-счетный 43-63:
5-10'7±1 ед. счета |
7.2-7.4 |
Персональный компьютер с операционный системой MS Windows ХР и выше |
7.2-7.4 |
Преобразователь USB - RS485 СЭТ.469333.020-02 |
7.2-7.4 |
Преобразователь USB - М-Bus HD67024-B2 |
7.2, 7.4 |
Устройство коммутационное СЭТ.469333.084 |
7.2, 7.4 |
Источник питания постоянного тока Б5-44А:
|
7.1-7.4 |
Термометр по ГОСТ 28498-90:
|
7.1-7.4 |
Психрометр аспирационный МВ-4-М:
|
7.1-7.4 |
Барометр-анероид контрольный М-67:
|
* где Т - установленный период, мкс; t - установленная длительность импульсов, мкс; U - установленное значение амплитуды импульсов |
4 Требования безопасности
При проведении поверки необходимо соблюдать требования безопасности, предусмотренные «Правилами технической эксплуатации электроустановок потребителей» и ГОСТ 12.2.007.0-75 «ССБТ. Изделия электротехнические. Общие требования безопасности».
5 Условия поверки
При проведении поверки должны соблюдаться нормальные условия измерений:
-
- температура окружающего воздуха, °C (20±5);
-
- относительная влажность окружающего воздуха, % от 30 до 80;
-
- атмосферное давление, кПа (мм рт. ст.) от 84 до 106 (от 630 до 795);
-
- внешние электрические и магнитные поля, кроме Земного отсутствуют.
6 Подготовка к поверке
-
6.1 Потребитель, предъявляющий счетчик в поверку, должен предоставить паспорт на счетчик и настоящую методику поверки (по требованию организации, проводящей поверку).
-
6.2 Выдержать счетчик в помещении, где проводится поверка в нормальных условиях измерений, приведенных в разделе 5 настоящей методики, не менее двух часов.
-
6.3 Подготовить к работе основные и вспомогательные средства поверки в соответствии с требованиями их эксплуатационной документации.
-
7 Проведение поверки
7.1 Внешний осмотр
-
7.1.1 Внешним осмотром проверить:
-
- соответствие комплектности счетчика, приведенной в паспорте на счетчик;
-
- соответствие маркировки счетчика требованиям, приведенным в паспорте на счетчик;
-
- состояние корпусных деталей и разъемов.
-
7.1.2 Не допускаются к дальнейшей поверке счетчики, у которых при осмотре выявлены следующие несоответствия или дефекты:
-
- отсутствует паспорт на счетчик;
-
- комплектность счетчика не соответствует, приведенной в паспорте на счетчик;
-
- маркировка счетчика не соответствует требованиям, приведенным в паспорте на счетчик;
-
- отсутствуют или повреждены корпусные детали или разъемы;
-
- внутри корпуса счетчика имеются незакрепленные части.
7.2 Проверка обработки входных сигналов, соответствующих спецификации NAMUR
-
7.2.1 Собрать рабочее место согласно схеме соединений, приведенной в таблице 3. Пользуясь инструкцией по эксплуатации источника питания постоянного тока Б5-44А установить напряжение на его выходе равное 12 В.
Таблица 3
Исполнение счетчика |
Схема соединений |
СИПУ 485.2N.B0, СИПУ 485.4N.B0, СИПУ 485.4N.B5, СИПУ 485.2N.D, СИПУ 485.4N.D, СИПУ 485.10N.D |
А.5 |
СИПУ MB.2N.B0, СИПУ MB.4N.B0, СИПУ MB.4N.B5, СИПУ MB.2N.D, СИПУ MB.4N.D, СИПУ MB.10N.D |
А.6 |
-
7.2.2 На персональном компьютере запустить приложение WUPCTools, перевести четные каналы счетчика в режим счетных входов.
-
7.2.3 Переключатель на устройстве коммутационном СЭТ.469333.084 установить в положение «Обр.», нажать кнопку «Начать опрос приборов учета», расположенную в основном окне программы WUPCTools, после завершения опроса счетчика убедиться в наличии признака «Обрыв» в соответствующем столбце «Авария» таблицы основного окна программы.
-
7.2.4 Переключатель на устройстве коммутационном СЭТ.469333.084 установить в положение «КЗ».
-
7.2.5 После завершения очередного опроса счетчика убедиться в наличии признака «КЗ» в соответствующем столбце «Авария» таблицы основного окна программы.
-
7.2.6 Повторить операции 7.2.3-7.2.5 настоящей методики, последовательно подключая кабель КЗ к входам «2»...«16», в зависимости от исполнения счетчика, и анализируя состояние признака отображаемого в соответствующем столбце «Авария» таблицы основного окна программы при выполнении операций 7.2.3 и 7.2.5 настоящей методики.
-
7.2.7 Значение признака, считанное при выполнении операций 7.2.3 и 7.2.5 настоящей методики, соответствует положению переключателя на устройстве коммутационном СЭТ.469333.084.
7.3 Идентификация программного обеспечения
-
7.3.1 Собрать рабочее место согласно схеме соединений, приведенной в таблице 3. Пользуясь инструкцией по эксплуатации источника питания постоянного тока Б5-44А установить напряжение на его выходе равное 12 В
-
7.3.2 На персональном компьютере запустить приложение WUPCTools.
-
7.3.3 Нажать на кнопку «Запросить идентификатор ПО» и убедиться, что версия программного обеспечения соответствует приведенной в паспорте на счетчик.
7.4 Определение относительной погрешности измерения количества импульсов
-
7.4.1 Собрать рабочее место согласно схеме соединений, приведенной в таблице 4, подключив кабель К1 (или КЗ) к входу «1» счетчика и не подключая кабель К2 к выходу генератора импульсов Г5-82. Переключатель на устройстве коммутационном СЭТ.469333.084 установить в положение «Имп.». Пользуясь инструкцией по эксплуатации источника питания постоянного тока Б5-44А установить напряжение на его выходе равное 12 В.
Таблица 4
Исполнение счетчика |
Схема соединений |
СИПУ 485.2.В0, СИПУ 485.4.В0, СИПУ 485.4.В5, СИПУ 485.2.D, СИПУ 485.4.D, СИПУ 485.10.D, СИПУ 485.16.D |
А.1 |
СИПУ 485.2N.B0, СИПУ 485.4N.B0, СИПУ 485.4N.B5, СИПУ 485.2N.D, СИПУ 485.4N.D, СИПУ 485.10N.D |
А.2 |
СИПУ МВ.2.В0, СИПУ МВ.4.В0, СИПУ МВ.4.В5, СИПУ MB.2.D, СИПУ MB.4.D, СИПУ MB.10.D, СИПУ MB.16.D |
А.З |
СИПУ MB.2N.B0, СИПУ MB.4N.B0, СИПУ MB.4N.B5, СИПУ MB.2N.D, СИПУ MB.4N.D, СИПУ MB.10N.D |
А.4 |
-
7.4.2 Пользуясь инструкцией по эксплуатации генератора импульсов Г5-82 установить на его выходе период следования импульсов 32 мс, при длительности импульса 16 мс, для исполнений СИПУ ХХХ.Х.ХХ. или период следования импульсов 1000 мс, при длительности импульса 500 мс, для исполнений СИПУ XXX.XN.XX. Амплитуда импульса - 3,3 В. Подключить кабель К2 к выходу генератора.
-
7.4.3 Пользуясь инструкцией по эксплуатации частотомера электронно-счетного 43-63, перевести его в режим счета импульсов, установить переключатель «1:1 - 1:10» в положение «1:1», а переключатель «1 MQ - 50 Q» - в положение «1 MQ», сбросить показания кнопкой «ПУСК Ъ>.
-
7.4.4 На персональном компьютере запустить приложение WUPCTools, перевести четные каналы счетчика в режим потенциальных входов.
-
7.4.5 Нажать кнопку «Начать опрос приборов учета», расположенную в основном окне программы WUPCTools, после завершения опроса счетчика в соответствующем столбце «Текущее значение» таблицы основного окна программы, зафиксировать начальное значение количества импульсов, Унь переданное счетчиком.
-
7.4.6 Убедиться в отсутствии признака в соответствующем столбце «Авария» таблицы основного окна программы.
-
7.4.7 Нажатием кнопки «ВНУТР.» включить формирование импульсов на выходе генератора импульсов Г5-82.
-
7.4.8 После достижения показаний частотомера 5000, для исполнений СИПУ ХХХ.Х.ХХ, или 200, для исполнений СИПУ XXX.XN.XX, нажатием кнопки «ВНЕШ.» выключить формирование импульсов на выходе генератора импульсов Г5-82, зафиксировать показания частотомера электронно-счетного 43-63, N\.
-
7.4.9 Замкнуть между собой клеммы «2 +» и «2 -» счетчика.
-
7.4.10 После завершения очередного опроса счетчика, зафиксировать конечное значение количества импульсов, NK ь переданное счетчиком.
-
7.4.11 Убедиться в наличии признака в соответствующем столбце «Авария» таблицы основного окна программы.
-
7.4.12 Нажать кнопку «Завершить опрос приборов учета», расположенную в основном окне программы WUPCTools.
-
7.4.13 Разомкнуть клеммы «2 +» и «2 -» счетчика.
-
7.4.14 Определить относительную погрешность измерения количества импульсов по формуле:
(1)
где N\ - показания частотомера электронно-счетного 43-63;
Nh i - начальное значение количества импульсов, переданное счетчиком;
Л'К1 - конечное значение количества импульсов, переданное счетчиком.
-
7.4.15 Повторить операции 7.4.1-7.4.14 настоящей методики, последовательно подключая
кабель К1 (или КЗ) к входам «3», «5», ... «15» и замыкая и размыкая клеммы
«4+», «6+», ... «16+» с клеммами «4-», «6-», ... «16-», соответственно, в зависимости от исполнения счетчика, и определяя относительную погрешность измерения количества импульсов, d>j, по каждому входу счетчика.
-
7.4.16 При помощи приложения WUPCTools перевести четные каналы счетчика в режим счетных входов.
-
7.4.17 Повторить операции 7.4.1-7.4.3, 7.4.5, 7.4.7, 7.4.8, 7.4.10, 7.4.12 и 7.4.14 настоящей методики, последовательно подключая кабель К1 (или КЗ) к входам «4», «6», ... «16», в зависимости от исполнения счетчика, и определяя относительную погрешность измерения количества импульсов, по каждому входу счетчика.
-
7.4.18 Значение относительной погрешности измерения количества импульсов не должно превышать пределов, %:
- для исполнений СИПУ ХХХ.Х.ХХ
±0,1;
±0,5.
- для исполнений СИПУ XXX.XN.XX
8 Оформление результатов поверки
-
8.1 Результаты поверки оформляют протоколом поверки произвольной формы.
-
8.2 Положительные результаты первичной поверки оформляют оттиском поверительного клейма в паспорте на счетчик. Место нанесения знака поверки на счетчик приведено в приложении Б.
-
8.3 Положительные результаты периодической поверки оформляют свидетельством о поверке.
-
8.4 При отрицательных результатах первичной поверки счетчик считают непригодным и к эксплуатации не допускают.
-
8.4 При отрицательных результатах периодической поверки счетчик считают непригодным и к эксплуатации не допускают, свидетельство о поверке аннулируют, оттиск поверительного клейма гасят и выдают извещение о непригодности, с указанием причин непригодности.
Приложение А (обязательное)
Схемы соединений

Рисунок А.1 - Схема соединений для определения относительной погрешности измерения
количества импульсов для исполнений СИПУ 485.4.В5, СИПУ 485.2.ВО, СИПУ 485.4.В0,
СИПУ 485.2.D, СИПУ 485.4.D, СИПУ 485.10.D, СИПУ 485.16.D
Устройство коммутационное
СЭТ.469 333.084

Генератор Г5-82
Частотомер 43-63
USB
— USB
Преобразователь USB-RS485
Счетчик импульсов проводной универсагьный СИПУ
Канал А
О с |
Э О с |
о о |
и |
L1J |
11 |
ч---1---н -
14 15 16
Персональный компьютер

Источник питания Б5-44А
II |
II |
II II II | |||
о |
3 |
о |
3 |
РРР1 |
К2
К1
ch
О с |
) о с |
JOO |
11 |
111 |
L11 |
4- -
14
М-Bus
Счетчик импульсов гроводной универсальный СИПУ

(Э”
Канал А
Генератор Г5-82
Частотомер 43-63
Преобразователь USB-M-Bus
USB
Персональньй компьютер
USB
М-Bus

Рисунок А.З - Схема соединений для определения относительной погрешности измерения
количества импульсов для исполнений СИПУ МВ.4.В5, СИПУ МВ.2.В0, СИПУ МВ.4.В0,
СИПУ MB.2.D, СИПУ MB.4.D, СИПУ MB.10.D, СИПУ MB.16.D
Устройство коммутационное
СЭТ.469 333.084

Счетчик импульсов гр сводной универсальный СИЛУ
M-Bus
о с |
> о с |
3 0 0 |
и |
L1J |
111 |
&
Генератор Г5-82
-»—&
Канал А
Частотомер 43-63

0 0
+ -
Источник питания Б5-44А
Устройство коммутационное
СЭТ 469333.084

ив |
о |
о |
О с |
э о с |
> О 0 |
и |
L1J |
111 |
4- - 4- - +
1 2 3
о с |
> о с |
> О О |
и |
L1J |
L11 |
+--1— 4- -
14 15 16
Преобразователь USB-RS485
USB
Персональный компьютер
— US8
=7-15В RS485
4- - АВ
ЯД II
о
Счетчик импульсов проводной универсальный СИПУ
В А 1
щц о
Источник питания Б5-44А
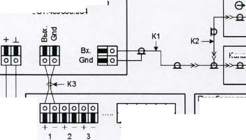
Рисунок А.5 - Схема соединений для проверки обработки входных сигналов, соответствующих спецификации NAMUR для исполнений СИПУ 485.4N.B5, СИПУ 485.2N.B0, СИПУ 485.4N.B0,
СИПУ 485.2N.D, СИПУ 485.4N.D, СИПУ 485.10N.D
Устройство коммутационное
СЭТ.469 333.084

о
о
о
о о
о
о
Преобразователь USB-M-Bus
Персональный компьютер
4- -
16
М-Bus

Счетчик импульсов гроводной универсальный СИПУ
I |
I |
о |
о |
М-Bus

USB
USB
Источник питания Б5-44А
Приложение Б
(обязательное)
Схемы пломбировки от несанкционированного доступа, обозначения места нанесения знака поверки



б) а - исполнения СИПУ ХХХ.2Х.В0 и СИПУ ХХХ.4Х.В0;
б - исполнения СИПУ ХХХ.4Х.В5;


а)

Место нанесения знака поверки (в виде наклейки)

Место нанесения знака поверки (в виде наклейки)
б)

Место нанесения знака поверки (в виде наклейки)
в)
а - исполнения СИПУ XXX.2X.D и СИПУ XXX.4X.D; б - исполнения СИПУ XXX.10X.D;
в - исполнения СИПУ XXX. 16.D
Рисунок Б.2 - Схема пломбировки счетчиков от несанкционированного доступа,
обозначения места нанесения знака поверки