Руководство по эксплуатации «Приборы щитовые цифровые электроизмерительные ЩП02П, ЩП72П, ЩП96П, ЩП120П ОАО "Электроприбор"» (0ПЧ.140.320)
(в части раздела 4 «Методика поверки») Заместитель директора
ФГУП «ВНИИМС»
службе
усенков
г.


еский директор
«Электроприбор»
. Долженков /3.0/. /6
ЩИТОВЫЕ ЦИФРОВЫЕ
ЭЛЕКТРОИЗМЕРИТЕЛЬНЫЕ
ЩП02П, ЩП72П, ЩП96П, ЩП120П

СОГЛАСОВАНО

Выполнил
т.н . Сукотнова
2016 г.

В.И. Ники I ин
2016 г.
Начальник МС
. Н. Никифоров
________2016 г.

Главный технолог
. Салова
<4 2016 г.
Нормоконтроль
А.Л. Федорова
/3 0/. 2016 г.
Литера А
2016 г.
СОДЕРЖАНИЕ
Приложение А (обязательное) Общий вид, габаритные и
Приложение Б (обязательное) Схема внешних подключений
Приложение В (обязательное) Схема структурная приборов
Приложение Г (обязательное) Протокол обмена данными по
Приложение Д (обязательное) Работа дискретных выходов
Приложение Е (обязательное) Значения входных сигналов,
допускаемые показания в контрольных точках при измерении и преобразовании входных сигналов......
0ПЧ.140.320
Данное руководство по эксплуатации предназначено для ознакомления с техническими характеристиками, устройством и принципом работы приборов щитовых цифровых электроизмерительных ЩП02П, ЩП72П, ЩП96П, ЩП120П (далее - приборы) в объеме, необходимом для эксплуатации.
-
1 ОПИСАНИЕ
-
1.1.1 Приборы предназначены для измерения и преобразования действующего значения силы тока, напряжения и частоты в однофазных электрических сетях и других цепях переменного тока в выходные унифицированные сигналы постоянного тока и передачи измеренных значений через последовательный цифровой интерфейс RS485. Приборы могут применяться в трехфазных электрических сетях для измерения и преобразования параметров одной фазы.
Приборы могут применяться в комплекте с первичными преобразователями для измерения неэлектрических величин, если диапазоны выходного электрического сигнала первичных преобразователей соответствуют диапазонам входного сигнала приборов.
-
1.1.2 Приборы применяются в энергетике и других областях промышленности для контроля электрических параметров.
Приборы могут применяться для работы на морских судах, предназначенных для эксплуатации в макроклиматических районах с умеренно-холодным морским климатом.
Приборы могут применяться для работы в составе технических средств атомных станций (ТС АС) в соответствии с классом безопасности 4 по ОПБ-88/97 НП-001-97.
Возможность обмена информацией по интерфейсу RS485, наличие выходных аналоговых сигналов постоянного тока и дискретных выходов позволяют использовать приборы в автоматизированных системах различного назначения. Поддерживаемые протоколы обмена данными по RS485: Modbus RTU, ГОСТ Р МЭК 60870-5-101-2006.
-
1.1.3 Приборы имеют гальваническую развязку по цепи питания и по входной и выходным цепям.
-
1.1.4 Приборы являются одноканальными однопредельными и имеют исполнения по габаритным размерам, диапазонам измерений, диапазонам показа-
0ПЧ.140.320 ний, напряжению питания, наличию дополнительного интерфейса, дискретным и аналоговым выходам, цвету индикаторов, классу точности, специсполнению.
-
1.1.5 Приборы имеют возможность программирования диапазона показаний, уровня контролируемых значений входных сигналов (уставок), оперативного изменения яркости свечения цифровых индикаторов.
-
1.1.6 Приборы не имеют подвижных частей и работоспособны при установке в любом положении к горизонту.
-
1.1.7 Приборы изготавливаются для эксплуатации в условиях умереннохолодного климата (климатическое исполнение УХЛ3.1 по ГОСТ 15150-69), по устойчивости к воздействию климатических факторов относятся к группе 4 по ГОСТ 22261-94 и предназначены для работы при температуре от минус 40 до плюс 70 °С и относительной влажности воздуха не более 95 % при температуре плюс 35 °С.
По устойчивости к механическим воздействиям приборы, предназначенные для эксплуатации в условиях умеренно-холодного климата, относятся к ударопрочным, группа 4 по ГОСТ 22261-94.
Приборы, предназначенные для эксплуатации на морских судах, по устойчивости к климатическим и механическим воздействиям соответствуют требованиям Российского морского регистра судоходства.
-
1.1.8 Приборы имеют корпус щитового крепления со степенью защиты со стороны передней панели IP50, для приборов, предназначенных для эксплуатации на морских судах, степень защиты IP52 по ГОСТ 14254-96.
-
1.1.9 Информация об исполнении прибора содержится в коде полного условного обозначения:
ЩПа - b1,b2 - с - d - e - f - g - h, где
ЩПа - тип прибора (по габаритам, мм):
ЩП02П - 96x48,
ЩП72П - 72x72,
ЩП96П - 96x96,
ЩП120П - 120x120;
0ПЧ.140.320 bl - условное обозначение диапазона измерений входного сигнала основного индикатора при непосредственном подключении, коэффициент трансформации при подключении через внешний трансформатор тока или напряжения.
По умолчанию диапазон частоты входного сигнала 45.65 Гц (при заказе не указывается).
При заказе прибора с диапазоном частоты входного сигнала 300.500 Гц только с основным индикатором указать в скобках в параметре b1 условное обозначение частоты - 400 Гц.
Примечание - При отличии диапазона показаний от диапазона измерений входного сигнала и от коэффициента трансформации дополнительно указать заказанный диапазон показаний в примечании к формуле заказа;
b2 - условное обозначение диапазона измерений частоты входного сигнала дополнительного индикатора, кроме прибора ЩП02П:
45.65 Гц - для диапазона 45.. .65 Гц,
400 Гц - для диапазона 300.500 Гц,
- при отсутствии не указывать;
c - условное обозначение напряжения питания (5ВН, 12ВН, 24ВН, 220ВУ, 230В);
d - наличие интерфейсов RS485: 1RS - один интерфейс, 2RS - два интерфейса;
e - условное обозначение аналоговых и дискретных выходов:
02 - два дискретных выхода без аналоговых выходов, 11 - один аналоговый и один дискретный выход, 12 - один аналоговый и два дискретных выхода, 20 - два аналоговых выхода без дискретных выходов, 22 -два аналоговых и два дискретных выхода, х - без аналоговых и дискретных выходов;
Примечание - после цифр в скобках указать условное обозначение аналогового выхода: А - 0...5 мА, В - 4...20 мА, С - 0...20 мА, АР - 0.2,5.5 мА, ВР - 4.12.20 мА, СР - 0.10.20 мА, при заказе двух аналоговых выходов указать через запятую;
f - цвет индикаторов: К - красный, З - зеленый, Ж - желтый;
g - класс точности: 0,2 или 0,5;
h - специальное исполнение: М - для эксплуатации на морских судах, А -для эксплуатации на АЭС (класс безопасности 4), в остальных случаях не указывать.
Возможные варианты параметров кода полного условного обозначения для каждого типа прибора приведены в таблице 1.
Таблица 1
Тип прибора ЩПа |
Параметр кода пол | ||
bl, b2 |
с |
d | |
ЩП02П |
bl |
+ |
1RS |
ЩП72П |
bl, b2 |
+ |
1RS |
ЩП96П |
bl, b2 |
+ |
1RS,2RS |
ЩП120П |
bl, b2 |
+ |
1RS,2RS |
* Для приборов со специсполнением класс т Примечания Знак «+» означает наличие всех возможных Знак «-» означает отсутствие параметра в ф Неиспользуемый параметр h не указываю |
пного условного обозначения | |||
e |
f |
g |
h* |
x, 12, 20, 22 |
+ |
+ |
+ |
X, 02, 11, 20 |
+ |
+ |
+ |
X, 12, 20, 22 |
+ |
+ |
+ |
x, 12, 20, 22 |
+ |
+ |
+ |
очности 0,5. вариантов параметра в формуле заказа, ормуле заказа. от. |
Пример записи обозначения приборов при их заказе:
- прибор ЩП120П, основной индикатор - диапазон измерений входного сигнала от 0 до 500 В, дополнительный индикатор - диапазон измерений частоты от 45 до 65 Гц, напряжение питания от 85 до 253 В переменного тока частотой 50 Гц или от 120 до 265 В постоянного тока, два интерфейса RS485, два аналоговых выхода 0...5 мА и 0...20 мА, два дискретных выхода, красный цвет индикаторов, класс точности 0,5, специсполнение М
ЩП120П-500В,45...65Гц -220ВУ - 2RS - 22(А,С) - К - 0,5 - М,
ТУ 25-7504.219-2012,
- прибор ЩП96П, коэффициент трансформации 10 кВ/100 В, напряжение питания от 85 до 253 В переменного тока частотой 50 Гц или от 120 до 265 В постоянного тока, два интерфейса RS485, один аналоговый выход 4.20 мА, два дискретных выхода, красный цвет индикаторов, класс точности 0,2,
ЩП96П - 10кВ/100В -220ВУ - 2RS - 12(В) - К - 0,2,
ТУ 25-7504.219-2012;
- прибор ЩП02П, диапазон измерений входного сигнала от 0 до 100 мА, напряжение питания 24 В постоянного тока нестабилизированное, один интерфейс RS485, без аналоговых и дискретных выходов, красный цвет индикаторов, класс точности 0,5, специсполнение А, диапазон показаний от минус 20 до плюс 50 м,
ЩП02П - 100мА - 24ВН - 1RS - х - К - 0,5 - А,
ТУ 25-7504.219-2012;
Примечание - диапазон показаний: минус 20...п.нос 50 м;
-
- прибор ЩП72П, коэффициент трансформации 2 кА/5 А, напряжение питания от 85 до 253 В переменного тока частотой 50 Гц или от 120 до 265 В постоянного тока, один интерфейс RS485, два аналоговых выхода 0.5 мА и 0.20 мА, без дискретных выходов, зеленый цвет индикаторов, класс точности 0,2
ЩП72П - 2кА/5А - 220ВУ - 1RS - 20(А,С) - З - 0,2,
ТУ 25-7504.219-2012;
-
- прибор ЩП120П, диапазон измерений входного сигнала от 0 до 250 В, диапазон измерений частоты от 300 до 500 Гц, напряжение питания от 85 до 253 В переменного тока частотой 50 Гц или от 120 до 265 В постоянного тока, два интерфейса RS485, два аналоговых выхода 0.5 мА и 0.20 мА, два дискретных выхода, красный цвет индикаторов, класс точности 0,5
ЩП120П - 250В(400Гц) - 220ВУ - 2RS - 22(А,С) - К - 0,5,
ТУ 25-7504.219-2012;
-
- прибор ЩП96П, основной индикатор - диапазон измерений входного сигнала от 0 до 250 В, дополнительный индикатор - диапазон измерений частоты от 300 до 500 Гц, напряжение питания от 85 до 253 В переменного тока частотой 50 Гц или от 120 до 265 В постоянного тока, один интерфейс RS485, без аналоговых и дискретных выходов, зеленый цвет индикаторов, класс точности 0,2
ЩП96П - 250В, 400Гц - 220ВУ - 1RS - х - З - 0,2,
ТУ 25-7504.219-2012.
1.2 Технические характеристики1.2.1 Габаритные размеры и масса приборов приведены в таблице 2. Габаритные размеры соответствуют ГОСТ 5944-91.
Таблица 2
Тип прибора (а*) |
Обозначение комплекта конструкторской документации |
Габаритные размеры**, мм, не более |
Масса, кг, не более |
Высота знака, мм, не менее |
ЩП02П |
3ПЧ.349.216 |
96x48x148 |
0,4 |
20 |
ЩП72П |
3ПЧ.349.213 |
72x72x103 |
0,2 |
14 |
ЩП96П |
3ПЧ.349.210 |
96x96x103 |
0,5 |
20 |
ЩП120П |
3ПЧ.349.207 |
120x120x103 |
0,5 |
20 |
* Параметр кода условного обозначения ЩПа - b1,b2 - с - d - e - f - g - h. ** Габаритные размеры указаны с учетом задней крышки. |
-
1.2.2 Цвет индикаторов, в соответствии с заказом, может быть красным, зеленым или желтым.
-
1.2.3 Приборы (кроме ЩП02П) могут иметь исполнение с дополнительным индикатором, на котором отображается частота входного сигнала.
-
1.2.4 Число десятичных разрядов - 4,0.
-
1.2.5 Класс точности:
-
- при измерении - 0,2 или 0,5;
-
- при преобразовании - 0,5.
Для приборов, имеющих специальное исполнение и предназначенных для эксплуатации на АЭС или на морских судах, класс точности - 0,5.
-
1.2.6 Приборы могут иметь диапазоны измерений входного сигнала с номинальным значением в пределах от 100 мВ до 750 В или от 2 мА до 5 А. Диапазон измерений допускается указывать в вольтах или милливольтах, амперах или миллиамперах (например: 1000 мА или 1 А, 75 мВ или 0,075 В). Примеры диапазонов измерений при непосредственном подключении приведены в таблице 3.
-
1.2.7 Приборы могут работать с внешним трансформатором напряжения с номинальным напряжением вторичной обмотки (U2) 100 В, 380 В.
Примеры возможных коэффициентов трансформации при подключении через трансформатор напряжения и соответствующих диапазонов показаний приведены в таблице 4.
Таблица 3 - Примеры диапазонов измерений при непосредственном подключении
Измеряемая величина |
Условное обозначение диапазона измерений (b1*, b2*), номинальное значение входного сигнала |
Нормируемый диапазон измерений ** |
Напряжение переменного тока |
100 мВ |
от 2 до 120 мВ |
150 мВ |
от 3 до 180 мВ | |
200 мВ |
от 4 до 240 мВ | |
250 мВ |
от 5 до 300 мВ | |
500 мВ |
от 10 до 600 мВ | |
1000 мВ |
от 20 до 1200 мВ | |
2000 мВ |
от 40 до 2400 мВ | |
1 В |
от 0,02 до 1,2 В | |
2 В |
от 0,04 до 2,4 В | |
5 В |
от 0,1 до 6 В | |
10 В |
от 0,2 до 12 В | |
20 В |
от 0,3 до 24 В | |
50 В |
от 1 до 60 В | |
100 В |
от 2 до 120 В | |
150 В |
от 3 до 180 В | |
200 В |
от 4 до 240 В | |
250 В |
от 5 до 300 В | |
380 В |
от 7,6 до 456 В | |
500 В |
от 10 до 600 В | |
750 В |
от 15 до 900 В | |
Сила переменного тока |
2 мА |
от 0,04 до 2,4 мА |
5 мА |
от 0,1 до 6 мА | |
10 мА |
от 0,2 до 12 мА | |
20 мА |
от 0,4 до 24 мА | |
50 мА |
от 1 до 60 мА | |
100 мА |
от 2 до 120 мА | |
200 мА |
от 4 до 240 мА | |
500 мА |
от 10 до 600 мА | |
1000 мА |
от 20 до 1200 мА | |
2000 мА |
от 40 до 2400 мА | |
1 А |
от 0,02 до 1,2 А | |
2 А |
от 0,04 до 2,4 А | |
5 А |
от 0,1 до 6 А | |
Частота напряжения переменного тока |
45...65 Гц |
от 45 до 65 Гц |
400 Гц |
от 300 до 500 Гц | |
* Параметр кода условного обозначения ЩПа - b1,b2 - с - d - e - f - g - h, где b1 - условное обозначение диапазона измерений напряжения или силы тока, b2 - условное обозначение диапазона измерений частоты. Номинальное значение входного сигнала является нормирующим значением при определении основной погрешности на диапазоне показаний, соответствующем диапазону измерений входного сигнала и соответствует значению параметра bl: ином.вх - для напряжения переменного тока, 1ном.вх - для силы переменного тока. ** Нормируемый диапазон измерений напряжения или силы тока от 2 до 120 % номинального значения входного сигнала (от 0,02^ином.вх до 1,2^ином.вх, от 0,02Лном.вх до 1,2-1ном.вх). Примечание - Диапазон показаний может быть любым в пределах от 0 до плюс 9999. |
Таблица 4
Коэффициент трансформации (b1*) |
Диапазон показаний ** |
Номинальное значение сигнала вторичной цепи трансформатора (U2 = ином.вх) |
380 В/100 В |
от 0 до 456,0 В (380 В) |
100 В, 380 В*** |
660 В/ U2 |
от 0 до 792,0 В (660 В) | |
3 кВ/ U2 |
от 0 до 3,600 кВ (3 кВ) | |
6 кВ/ U2 |
от 0 до 7,200 кВ (6 кВ) | |
10 кВ/ U2 |
от 0 до 12,00 кВ (10 кВ) | |
11 кВ/ U2 |
от 0 до 13,20 кВ (11 кВ) | |
15 кВ/ U2 |
от 0 до 18,00 кВ (15 кВ) | |
20 кВ/ U2 |
от 0 до 24,00 кВ (20 кВ) | |
35 кВ/ U2 |
от 0 до 42,00 кВ (35 кВ) | |
100 кВ/ U2 |
от 0 до 120,0 кВ (100 кВ) | |
110 кВ/ U2 |
от 0 до 132,0 кВ (110 кВ) | |
150 кВ/ U2 |
от 0 до 180,0 кВ (150 кВ) | |
220 кВ/ U2 |
от 0 до 264,0 кВ (220 кВ) | |
330 кВ/ U2 |
от 0 до 396,0 кВ (330 кВ) | |
400 кВ/ U2 |
от 0 до 480,0 кВ (400 кВ) | |
500 кВ/ U2 |
от 0 до 600,0 кВ (500 кВ) | |
750 кВ/ U2 |
от 0 до 900,0 кВ (750 кВ) | |
U2 - номинальное напряжение вторичной обмотки: 100 В или 380 В. * Параметр кода условного обозначения ЩПа - b1,b2 - с - d - e - f - g - h. ** Диапазон показаний от 0 до 120 % номинального значения сигнала первичной цепи трансформатора. В скобках даны нормирующие значения при определении основной приведенной погрешности (на заказанном диапазоне показаний). *** Нормируемый диапазон измерений от 2 до 120 % номинального значения сигнала вторичной цепи трансформатора ином.вх (от 2,0 до 120,0 В, от 7,6 до 456 В). Примечание - Диапазон показаний может быть любым в пределах от 0 до 9999. |
-
1.2.8 Приборы могут работать с внешним трансформатором тока с номинальным током вторичной обмотки (I2) 1 А и 5 А.
Примеры возможных коэффициентов трансформации при подключении через трансформатор тока и соответствующих диапазонов показаний приведены в таблице 5.
-
1.2.9 Нормальная область измерения частоты входных сигналов тока и напряжения от 45 до 65 Гц или от 300 до 500 Гц в зависимости от заказа.
Нормальная область преобразования частоты входных сигналов тока и напряжения от 45 до 55 Гц или от 300 до 500 Гц в зависимости от заказа.
Таблица 5
Коэффициент трансформации (b1*) |
Диапазон показаний ** |
Номинальное значение сигнала вторичной цепи трансформатора (1ном.вх) |
10 А/12 |
от 0 до 12,00 А (10 А) |
I2 = 1 А*** |
15 А/12 |
от 0 до 18,00 А (15 а) |
или |
20 А/12 |
от 0 до 24,00 А (20 А) |
I2 = 5 А*** |
30 А/12 |
от 0 до 36,00 А (30 а) | |
40 А/12 |
от 0 до 48,00 А (40 А) | |
50 А/12 |
от 0 до 60,0 А (50 А) | |
75 А/12 |
от 0 до 90,0 А (75 А) | |
80 А/12 |
от 0 до 96,0 А (80 а) | |
100 А/12 |
от 0 до 120,0 А (100 А) | |
150 А/12 |
от 0 до 180,0 А (150 А) | |
200 А/12 |
от 0 до 240,0 А (200 А) | |
300 А/12 |
от 0 до 360,0 А (300 а) | |
400 А/12 |
от 0 до 480,0 А (400 а) | |
500 А/12 |
от 0 до 600,0 А (500 А) | |
600 А/12 |
от 0 до 720,0 А (600 А) | |
750 А/12 |
от 0 до 900,0 А (750 а) | |
800 А/12 |
от 0 до 960,0 А (800 а) | |
1 кА/12 |
от 0 до 1,200 кА (1 кА) | |
1,2 кА/12 |
от 0 до 1,440 кА (1,2 кА) | |
1,5 кА/12 |
от 0 до 1,800 кА (1,5 кА) | |
2 кА/12 |
от 0 до 2,400 кА (2 кА) | |
3 кА/12 |
от 0 до 3,600 кА (3 кА) | |
4 кА/12 |
от 0 до 4,800 кА (4 кА) | |
5 кА/5 А |
от 0 до 6,000 кА (5 кА) | |
6 кА/5 А |
от 0 до 7,200 кА (6 кА) | |
8 кА/5 А |
от 0 до 9,600 кА (8 кА) | |
10 кА/5 А |
от 0 до 12,00 кА (10 кА) | |
12 кА/5 А |
от 0 до 14,40 кА (12 кА) | |
14 кА/5 А |
от 0 до 16,80 кА (14 кА) | |
16 кА/5 А |
от 0 до 19,20 кА (16 кА) | |
18 кА/5 А |
от 0 до 21,60 кА (18 кА) | |
20 кА/5 А |
от 0 до 24,00 кА (20 кА) | |
25 кА/5 А |
от 0 до 30,00 кА (25 кА) | |
28 кА/5 А |
от 0 до 33,60 кА (28 кА) | |
30 кА/5 А |
от 0 до 36,00 кА (30 кА) | |
32 кА/5 А |
от 0 до 38,40 кА (32 кА) | |
35 кА/5 А |
от 0 до 42,00 кА (35 кА) | |
40 кА/5 А |
от 0 до 48,00 кА (40 кА) |
I2 - номинальный ток вторичной обмотки: 1 А или 5 А.
* Параметр кода условного обозначения ЩПа - b1,b2 - с - d - e - f - g - h.
-
1.2.10 Диапазон показаний соответствует заказу.
Максимальный диапазон показаний при непосредственном подключении и при подключении через трансформатор тока или трансформатор напряжения от 0 до 9999.
В приборах предусмотрена возможность изменения диапазона показаний в процессе эксплуатации.
-
1.2.11 Напряжение питания приборов соответствует значениям, приведенным в таблице 6.
Таблица 6
Условное обозначение напряжения питания (c*) |
Напряжение питания |
5ВН |
(5 +4/-0,5) В постоянного тока |
12ВН |
(12 +6/-3) В постоянного тока |
24ВН |
(24 +12/-6) В постоянного тока |
220ВУ |
от 85 до 253 В переменного тока частотой (50 ± 0,5) Гц или от 120 до 265 В постоянного тока |
230В |
от 85 до 253 В переменного тока частотой (50 ± 0,5) Гц |
* Параметр кода условного обозначения ЩПа - b1,b2 - с - d - e - f - g - h. |
Приборы с напряжением питания c = 12ВН и c = 24ВН выдерживают неправильное подключение полярности напряжения питания.
-
1.2.12 Приборы (кроме ЩП72П) обеспечивают резервирование питания для исполнений с напряжением питания (12 +6/-3) В и (24 +12/-6) В (c = 12ВН и c = 24ВН, где c - параметр кода условного обозначения, см. таблицу 6).
-
1.2.13 Входное сопротивление при измерении напряжения переменного тока не менее (1-0,005) МОм.
-
1.2.14 Напряжение нагрузки при измерении силы переменного тока величиной, равной верхнему пределу измерения:
-
- (200 ± 20) мВ для приборов с пределом измерения 2 мА, 20 мА, 200 мА;
-
- (100 ± 10) мВ для приборов с пределом измерения 5 мА, 10 мА, 50 мА, 100 мА;
-
- не более 30 мВ для приборов с пределом измерения 500 мА, 1000 мА, 2000 мА, 1 А, 2 А, 5 А.
** Диапазон показаний от 0 до 120 % номинального значения сигнала первичной цепи трансформатора. В скобках даны нормирующие значения при определении основной приведенной погрешности (на заказанном диапазоне показаний).
*** Нормируемый диапазон измерений от 2 до 120 % номинального значения сигнала вторичной цепи трансформатора 1ном.вх (от 0,02 до 1,2 А для 1ном.вх = 1 А, от 0,1 до 6 А для 1ном.вх = 5 А).
Примечание - Диапазон показаний может быть любым в пределах от 0 до 9999.
0ПЧ.140.320
-
1.2.15 Мощность, потребляемая прибором, соответствует значениям, приведенным в таблице 7.
Таблица 7
Условное обозначение напряжения питания (c*) |
Мощность потребления, В^А, не более | |||
ЩП02П |
ЩП72П |
ЩП96П |
ЩП120П | |
5ВН |
2,5 |
2,5 |
3,0 |
3,0 |
12ВН | ||||
24ВН | ||||
220ВУ |
6 |
6 |
6 |
6 |
230В | ||||
* Параметр кода условного обозначения ЩПа - b1,b2 - с - d - e - f - g - h. |
-
1.2.16 Время установления рабочего режима не более 30 мин.
-
1.2.17 Время измерения не более 0,2 с.
-
1.2.18 Приборы имеют исполнения с одним или двумя дискретными выходами с гальваническим разделением цепей друг от друга и от остальных цепей прибора, с коммутацией постоянного напряжения до 300 В и током до 100 мА или переменного напряжения до 200 В и током до 100 мА по каждому выходу в соответствии с таблицей 8.
Таблица 8
Параметр е* |
Исполнение |
02 |
Два дискретных выхода, аналоговые выходы отсутствуют (только для ЩП72П) |
11 |
Один аналоговый выход, один дискретный выход (только для ЩП72П) |
12 |
Один аналоговый выход, два дискретных выхода (кроме ЩП72П) |
20 |
Два аналоговых выхода |
22 |
Два аналоговых, два дискретных выхода (кроме ЩП72П) |
X |
Аналоговые и дискретные выходы отсутствуют |
* Параметр кода условного обозначения ЩПа - b1,b2 - с - d - e - f - g - h. |
Приборы имеют исполнения с одним или двумя аналоговыми выходами с гальваническим разделением цепей друг от друга и от остальных цепей прибора в соответствии с таблицей 8.
Диапазоны изменений выходного аналогового сигнала в соответствии с таблицей 9.
Таблица 9
Условное обозначение диапазона изменений выходного аналогового сигнала * |
Диапазон изменений выходного аналогового сигнала **, мА |
Нормирующее значение выходного аналогового сигнала, мА |
Диапазон изменения сопротивления нагрузки, кОм |
А |
от 0 до 5 |
5 |
от 0 до 2,5 |
В |
от 4 до 20 |
20 |
от 0 до 0,5 |
С |
от 0 до 20 |
20 |
от 0 до 0,5 |
АР |
0.2,5.5 |
5 |
от 0 до 2,5 |
ВР |
4.12.20 |
20 |
от 0 до 0,5 |
СР |
0.10.20 |
20 |
от 0 до 0,5 |
* В параметре e кода условного обозначения ЩПа - b1,b2 - с - d - e - f - g - h, указать в скобке после цифрового обозначения. ** Нормируемый диапазон изменений выходного аналогового сигнала от 0 до 120 % диапазона изменений (от 0 до 6 мА, от 4 до 24 мА, от 0 до 24 мА). |
Примечания
1 Для приборов с двумя аналоговыми выходами, измеряющих напряжение или силу тока входного сигнала без отображения частоты, каждый аналоговый выход соответствует напряжению или силе тока входного сигнала в соответствующих диапазонах изменения.
-
2 Для приборов с дополнительным индикатором, отображающим частоту входного сигнала и имеющим два аналоговых выхода, при заводской настройке первый аналоговый выход соответствует напряжению или силе тока входного сигнала, второй аналоговый выход соответствует частоте входного сигнала.
-
1.2.19 Время установления выходного аналогового сигнала при скачкообразном изменении входного напряжения и тока от нулевого значения до любого в пределах диапазона измерений не более 1,0 с.
-
1.2.20 Пульсация выходного аналогового сигнала на максимальной нагрузке не превышает:
-
- 90 мВ для устройств с диапазоном изменений выходного сигнала от 0 до 5 мА, 0.2,5.5 мА;
-
- 60 мВ для устройств с диапазоном изменений выходного сигнала от 4 до 20 мА, от 0 до 20 мА, 4.12.20 мА, 0.10.20 мА.
-
1.2.21 Приборы имеют интерфейс RS485 (d = 1RS, где d - параметр кода условного обозначения). Приборы ЩП96П, ЩП120П могут иметь исполнение с дополнительным интерфейсом RS485 (d = 2RS).
0ПЧ.140.320
В приборах устанавливаются сетевые адреса от 1 до 247 и скорость обмена: 4800, 9600, 19200, 38400, 115200 бит/с (115200 бит/с устанавливается только через программу-конфигуратор).
-
1.2.22 В приборах предусмотрена возможность программирования параметров с помощью встроенных кнопок или по интерфейсу RS485:
-
- диапазона показаний (пункт меню SCL);
-
- уровней срабатывания дискретных выходов (уставок) (пункты меню US1, US2);
-
- параметров интерфейсов (пункты меню In1, In2);
-
- выбор типа шкалы для отображения результатов измерения (пункт меню tS);
-
- калибровка (только по интерфейсу).
Приборы имеют режим просмотра установленных параметров, а также возможность установки необходимой яркости свечения индикаторов в режиме измерения.
Обозначения пунктов, подпунктов меню и их назначение для программирования параметров приведены в таблице 10.
-
1.2.23 Пределы допускаемой основной приведенной погрешности при измерении напряжения и силы переменного тока равны величинам, указанным в таблице 11. Нормирующее значение при определении основной погрешности измерения напряжения или силы тока принимается равным модулю разности верхнего и нижнего пределов диапазона показаний.
-
1.2.24 Пределы допускаемой абсолютной основной погрешности при измерении частоты входного сигнала от 20 до 120 % номинального значения входного сигнала в нормальных условиях применения равны величинам, указанным в таблице 11.
-
1.2.25 Пределы допускаемой основной приведенной погрешности преобразования напряжения и силы тока входных сигналов в выходные аналоговые сигналы в нормальных условиях применения в нормальной области частот (от 45 до 65 Гц), равны величинам, указанным в таблице 11.
Нормирующее значение выходного аналогового сигнала соответствует таблице 9.
Таблица 10
Пункт меню |
Подпункт меню |
Назначение пункта (подпункта) меню |
Порядок работы с кнопками на приборе | |
первый уровень |
второй уровень | |||
Режим программирования параметров | ||||
0000 |
Ввод пароля для входа в меню программирования параметров (от 0000 до 9999), Заводская настройка (далее ЗН) - 0 (вход без пароля). |
вход в пункт из режима измерения кнопкой «◄», вход для ввода пароля кнопкой «* », выход кнопкой «◄», выбор значения кнопками «▲», «▼», ввод кнопкой «* ». При правильно введенном пароле -переход в меню режима программирования, при неправильном - переход в режим измерения. | ||
tS |
Выбор типа шкалы диапазона показаний |
вход в подпункт кнопкой «* », выбор режима кнопками «▲», «▼ », отмена кнопкой «◄» | ||
0 - установка заказанного диапазона, ЗН;
щего диапазону входного сигнала;
го разрешения (9999) |
установка кнопкой «* » | |||
SCL |
Программирование диапазона показаний:
|
вход в пункт кнопкой «* », выбор значения знакоместа, положения десятичной точки, включение/ выключение индикатора подсветки приставки к единице измерения* кнопками «▲», «▼», установка каждого параметра кнопкой «* », отмена кнопкой «◄» * - выбор приставки в виде степени числа десять (100, 10-3, 103). 100 выключает индикатор. | ||
dISP |
Установка параметров работы индикации |
вход в пункт кнопкой «* », выбор подпункта кнопками « ▲ », « ▼ », отмена кнопкой «◄» | ||
dl.tn |
— |
Установка периода обновления индикации (от 0,1 до 25,5 с), ЗН - 1 с |
вход в подпункт кнопкой «* », выбор значения знакоместа, положения десятичной точки кнопками « ▲ », «▼ », установка кнопкой «* », отмена кнопкой « ◄» | |
dI.bn |
Установка гистерезиса по основной величине (ток или напряжение) (от 0,000 до 100 %), ЗН - 0 % | |||
dI.nL |
Установка зоны нечувствительности индикации (от 0,001 до 100 %), ЗН - 2 % | |||
dIAG |
Диагностика цифровых семисегментных и единичных индикаторов |
вход в подпункт кнопкой «* », автоматически проходит полная диагностика всех индикаторов, после завершения выход в подпункт, до завершения автоматической диагностики возможен выбор: полной диагностики кнопкой « ▲ », диагностики сегментов кнопкой « ▼ », диагностика единичных индикаторов кнопкой «* », отмена кнопкой « ◄ » |
Продолжение таблицы 10
Пункт меню |
Подпункт меню |
Назначение пункта (подпункта) меню |
Порядок работы с кнопками на приборе | |
первый уровень |
второй уровень | |||
VErS |
Проверка версии программного обеспечения |
вход в пункт кнопкой «* », выход кнопкой «◄» | ||
US1 (US2) |
Установка параметров дискретного выхода 1 (2) |
вход в пункт кнопкой «* », выбор подпункта кнопками « ▲ », « ▼ », отмена кнопкой «◄» | ||
US1.P (US2.P) |
Установка контролируемого сигнала |
вход в подпункт кнопкой «* », выбор режима кнопками «▲», «▼ », отмена кнопкой «◄» | ||
0 - установка контроля частоты; 1 - установка контроля напряжения (силы тока), ЗН |
установка кнопкой «* » | |||
USl.t (US2.t) |
Выбор режима работы 1-го (2-го) дискретного выхода |
вход в подпункт кнопкой «* », выбор режима кнопками «▲», «▼ », отмена кнопкой «◄» | ||
0 - выключение выхода К1 (К2), ЗН;
ния, включения при выходе из зоны уставки (d);
ния, включения при входе в зону уставки (d);
ния, включения при сигнале меньше уставки;
ния, включения при сигнале больше уставки; |
установка кнопкой «* » | |||
US1.L (US2.L) |
Установка уровня уставки для К1 (К2) (от 0 до 200 %), ЗН - 100 % |
вход в подпункт кнопкой «* », выбор значения знакоместа кнопками «▲», «▼», установка кнопкой «* », отмена кнопкой «◄» | ||
USl.d (US2.d) |
Установка зоны уставки (d) для К1 (К2) (от 0 до 100 %), ЗН - 0 % | |||
USl.b (US2.b) |
Установка зоны возврата (устраняет «дребезг» контактов) (от 0 до 2,0 %), ЗН - 0 % | |||
USl.n (US2.n) |
Установка мигания индикации, при срабатывании условия К1 (К2) |
вход в подпункт кнопкой «* », выбор режима кнопками «▲», «▼ », отмена кнопкой «◄» | ||
On |
Установка включения мигания |
установка кнопкой «* » | ||
OFF |
Установка выключения мигания |
Продолжение таблицы 10
Пункт меню |
Подпункт меню |
Назначение пункта (подпункта) меню |
Порядок работы с кнопками на приборе | |
первый уровень |
второй уровень | |||
In1 (In2) |
Установка параметров работы интерфейса (Inl - порт 1 основной интерфейс, In2 - порт 2 дополнительный интерфейс) |
вход в пункт кнопкой «* », выбор подпункта кнопками « ▲ », « ▼ », отмена кнопкой «◄» | ||
Inl.b (In2.b) |
Установка скорости обмена |
вход в подпункт кнопкой «* », выбор скорости кнопками «▲», «▼», отмена кнопкой «◄» | ||
4.8 |
Установка скорости 4800 бит/с |
установка кнопкой «* » | ||
9.6 |
Установка скорости 9600 бит/с, ЗН | |||
19.2 |
Установка скорости 19200 бит/с | |||
38.4 |
Установка скорости 38400 бит/с | |||
Inl.A (In2.A) |
Установка адреса прибора (порт 1 (порт 2)) (от 1 до 247), ЗН - l |
вход в подпункт кнопкой «* », выбор значения знакоместа кнопками «▲», «▼», установка кнопкой «* », отмена кнопкой «◄» | ||
Inl.P (In2.P) |
Установка контроля (бита паритета) |
вход в подпункт кнопкой «* », выбор режима кнопками «▲», «▼ », отмена кнопкой «◄» | ||
0 - установка отсутствия проверки, ЗН;
|
установка кнопкой «* » | |||
Inl.S (In2.S) |
Установка количества стоповых бит |
вход в подпункт кнопкой «* », выбор режима кнопками «▲», «▼ », отмена кнопкой «◄» | ||
0.5 |
Установка половины стоп-бита |
установка кнопкой «* » | ||
1 |
Установка одного стоп-бита | |||
1.5 |
Установка полутора стоп-бит | |||
2 |
Установка двух стоп-бит, ЗН | |||
In2.r |
Установка работы порта 2 |
вход в подпункт кнопкой «* », выбор режима кнопками «▲», «▼ », отмена кнопкой «◄» | ||
0 - установка в режим ведомого устройства, ЗН;
чи в регистр |
установка кнопкой «* » | |||
In2.t |
Установка периода циклической передачи (порт 2) (от 0,1 до 25,5 с), ЗН - 0,5 с |
вход в подпункт кнопкой «* », выбор значения знакоместа кнопками «▲», «▼», установка кнопкой «* », отмена кнопкой «◄» |
Продолжение таблицы 10
Пункт меню |
Подпункт меню |
Назначение |
Порядок работы с кнопками на приборе | |
первый уровень |
второй уровень |
пункта (подпункта) меню | ||
Режим просмотра параметров в режиме измерения | ||||
LO |
Индикация нижнего значения те- |
вход в пункт из режима измерения кнопкой « ▼ », автоматически поочередно высветится нижнее и верхнее | ||
0.000 |
кущей шкалы (пример 0.000) | |||
HI |
Индикация верхнего значения те- |
значения текущей шкалы, установленной в tS, далее автоматически выход в режим измерения | ||
5.000 |
кущей шкалы (пример 5.000) | |||
Режим просмотра параметров интерфейса в режиме измерения | ||||
9600 |
Проверка текущей скорости обмена (порт 1) (пример 9600) |
вход в пункт из режима измерения кнопкой « ▲ », автоматически поочередно высветится скорость, бит паритета, количество стоп-бит, теку- | ||
Р 2 |
Проверка бита паритета (порт 1) (пример 2) | |||
S 1 |
Проверка количества стоп-бит (порт 1) (пример 1) |
щий адрес порта 1, далее автоматически выход в режим измерения. Примечание - цифровые обозначения приведены в пункте меню In1. | ||
А 3 |
Проверка текущего адреса (порт 1) (пример 003) | |||
Режим изменения яркости индикации в режиме измерения | ||||
вход в пункт кнопкой «* », выбор яркости свечения индикаторов повторным нажатием кнопки «* », установк выбранной яркости происходит автоматически после прекращения нажатия кнопки «* » |
Таблица 11
Измерение, преобразование входных сигналов |
Класс точности (g*) |
Пределы допускаемой основной погрешности | |
приведенной, % |
абсолютной, Гц | ||
Измерение напряжения и |
0,2 |
±0,2 |
- |
силы переменного тока |
0,5 |
±0,5 |
- |
Измерение частоты от 45 до 65 Гц |
±0,01 | ||
от 300 до 500 Гц |
- |
- |
±0,1 |
Преобразование напряжения, силы, частоты переменного тока |
0,5 |
±0,5 |
- |
* Параметр кода условного обозначения ЩПа - b1,b2 - с - d - |
e - f - g - h. |
-
1.2.26 Пределы допускаемой основной приведенной погрешности преобразования частоты входного сигнала от 45 до 55 Гц или от 300 до 500 Гц (при
0ПЧ.140.320 уровне входного сигнала от 20 до 120 % номинального значения) в выходной аналоговый сигнал, равны величинам, указанным в таблице 11.
Нормирующее значение выходного аналогового сигнала соответствует таблице 9.
-
1.2.27 Основная погрешность прибора при изменении напряжения питания в пределах, указанных в таблице 6, не превышает пределов допускаемой основной погрешности, указанных в таблице 11.
-
1.2.28 Пределы допускаемой дополнительной погрешности, вызванной отклонением частоты входного сигнала от нижнего предела нормальной области частот на минус 10 % и от верхнего предела нормальной области частот на плюс 10 % не превышают 0,5 пределов допускаемой основной погрешности, указанной в таблице 11.
-
1.2.29 Пределы допускаемой дополнительной погрешности преобразования входных сигналов в выходные аналоговые сигналы в нормальных условиях применения, вызванной изменением сопротивления нагрузки в пределах, указанных в таблице 9, не превышают 0,5 пределов допускаемой основной погрешности, указанной в таблице 11.
-
1.2.30 Пределы допускаемой дополнительной погрешности, вызванной влиянием внешнего однородного постоянного или переменного магнитного поля, синусоидально изменяющегося во времени с частотой входного сигнала, с магнитной индукцией 0,5 мТл при самом неблагоприятном направлении и фазе магнитного поля, не превышают 0,5 пределов допускаемой основной погрешности, указанной в таблице 11.
-
1.2.31 Приборы являются тепло-, холодоустойчивыми. Пределы допускаемой дополнительной погрешности на каждые 10 °С, вызванной изменением температуры окружающего воздуха в интервале рабочих температур от нормальной (20 ± 5) °С до любой в пределах от минус 40 до плюс 70 °С, не превышают 0,5 пределов допускаемой основной погрешности.
-
1.2.32 Приборы являются влагоустойчивыми. Пределы допускаемой дополнительной погрешности при изменении относительной влажности от нормальной (30-80) % до 95 % при температуре 35 °С не превышают пределов допускаемой основной погрешности.
0ПЧ.140.320
-
1.2.33 Приборы при измерении выдерживают в течение 1 мин перегрузку по входному сигналу, равную 150 % от верхнего предела диапазона измерений.
-
1.2.34 При преобразовании входного сигнала в выходной аналоговый сигнал приборы в течение 2 ч выдерживают перегрузку входным сигналом, соответственно током и напряжением, равным 130 % от номинального значения диапазона измерений.
Выходное напряжение на зажимах аналогового выходного сигнала при перегрузке не превышает 30 В на максимальной нагрузке.
-
1.2.35 Приборы при преобразовании входного сигнала в выходной аналоговый сигнал выдерживают кратковременные перегрузки входным током и напряжением с кратностью от номинального значения сигнала в соответствии с таблицей 12.
Таблица 12
Наименование цепей приборов |
Кратность |
Число перегрузок |
Длительность каждой перегрузки, с |
Интервал между двумя перегрузками, с | |
тока |
напряжения | ||||
Последовательные цепи (тока) |
2 |
- |
10 |
10 |
10 |
7* |
- |
2 |
15 |
60 | |
10* |
- |
5 |
3 |
2,5 | |
20* |
- |
2 |
0,5 |
0,5 | |
Параллельные цепи (напряжения, частоты) |
- |
1,5 |
9 |
0,5 |
15 |
* Только для приборов с диапазоном измерений 0,5 А (500 мА), 1 А, 5 А.
-
1.2.36 Приборы при преобразовании входных сигналов в выходные аналоговые сигналы устойчивы:
-
- к длительному разрыву цепи нагрузки;
-
- к заземлению любого выходного зажима аналогового выхода.
Величина напряжения на разомкнутых выходных зажимах при этом не превышает 30 В.
При заземлении выходного зажима основная погрешность приборов не превышает пределов, указанных в таблице 11.
-
1.2.37 По устойчивости к механическим воздействиям приборы являются виброустойчивыми и вибропрочными, группа N1 по ГОСТ Р 52931-2008, т.е. устойчивы и прочны к воздействию синусоидальной вибрации в диапазоне частот от 10 до 55 Гц при амплитуде смещения 0,15 мм. Основная погрешность
0ПЧ.140.320 приборов при воздействии вибрации не превышает пределов допускаемой основной погрешности, указанных в таблице 11.
-
1.2.38 Приборы являются ударопрочными, т. е. сохраняют свои характеристики после воздействия 1000 ударов с ускорением 100 м/с2, частотой от 10 до 50 ударов в минуту и длительностью импульса 16 мс.
-
1.2.39 Изоляция электрических цепей, не имеющих гальванической связи, выдерживает в нормальных условиях в течение 1 мин действие испытательного напряжения практически синусоидальной формы частотой от 45 до 65 Гц с действующим значением:
1500 В - для приборов с рабочим напряжением цепей до 300 В;
2000 В - для приборов с рабочим напряжением цепей до 650 В;
3000 В - для приборов с рабочим напряжением цепей от 650 до 1000 В.
-
1.2.40 Электрическое сопротивление изоляции между цепями, не имеющими гальванической связи, в нормальных условиях не менее 40 МОм.
-
1.2.41 Приборы являются тепло-, холодо-, влагопрочными, т. е. сохраняют свои характеристики после воздействия на них температуры от минус 50 до плюс 70 °С и относительной влажности воздуха не более 95 % при температуре плюс 25 °С, соответствующих предельным условиям транспортирования.
-
1.2.42 Приборы в транспортной таре являются прочными к механикодинамическим нагрузкам: вибрации с амплитудой ускорения 49 м/с2 в диапазоне частот от 10 до 500 Гц.
-
1.2.43 По защищенности от воздействия твердых тел приборы соответствуют коду IP50 по ГОСТ 14254-96.
-
1.2.44 Требования по электромагнитной совместимости
-
1.2.44.1 Приборы удовлетворяют требованиям, предъявляемым по электромагнитной совместимости в соответствии с ГОСТ Р 51317.6.5-2006 для оборудования класса А. Помехоустойчивость приборов удовлетворяет критерию качества функционирования А по ГОСТ Р 51317.6.5-2006.
-
1.2.44.2 Уровень индустриальных помех при работе приборов не превышает значений, установленных ГОСТ 30805.22-2013 для оборудования класса A.
-
1.2.44.3 Приборы устойчивы к электростатическим разрядам по степени жесткости 3, по критерию качества функционирования А согласно ГОСТ 30804.4.2-2013.
0ПЧ.140.320
-
1.2.44.4 Приборы устойчивы к наносекундным импульсным помехам по степени жесткости 3 для цепей интерфейса, по степени жесткости 4 для цепей измерения, по критерию качества функционирования А согласно ГОСТ 30804.4.4-2013.
-
1.2.44.5 Приборы устойчивы к микросекундным импульсным помехам большой энергии по критерию качества функционирования А согласно ГОСТ Р 51317.4.5-99:
-
- по степени жесткости 3 при воздействии помехи по цепи питания («провод -провод»), по критерию качества функционирования А согласно ГОСТ Р 51317.4.5-99;
-
- по степени жесткости 2 при воздействии помехи по цепи питания («провод - земля»), по критерию качества функционирования А согласно ГОСТ Р 51317.4.5-99;
-
- по степени жесткости 3 при воздействии помехи по цепям интерфейса, сигнальным цепям и дискретным входам, по критерию качества функционирования А согласно ГОСТ Р 51317.4.5-99.
-
1.2.44.6 Приборы устойчивы к динамическим изменениям в цепях электропитания:
-
- при провалах напряжения 30 % от ином (1 период); 60 % от ином (50 периодов) по критерию качества функционирования А согласно ГОСТ 30804.4.11-2013;
-
- при прерывании напряжения 50 % от ином (1 период) по критерию качества функционирования А; 100 % от ином (50 периодов) по критерию качества функционирования В согласно ГОСТ 30804.4.11-2013.
-
1.2.44.7 Приборы устойчивы к воздействию радиочастотного электромагнитного поля по степени жесткости 3, по критерию качества функционирования А согласно ГОСТ 30804.4.3-2013.
-
1.2.44.8 Приборы устойчивы к кондуктивным помехам наведенным радиочастотными электромагнитными полями по степени жесткости 3, по критерию качества функционирования А согласно ГОСТ Р 51317.4.6-99.
-
1.2.44.9 Приборы устойчивы к колебательным затухающим помехам по степени жесткости 3, по критерию качества функционирования А согласно ГОСТ Р 51317.4.12-99.
-
1.2.44.10 Приборы устойчивы к кондуктивным помехам промышленной частоты по степени жесткости 4, по критерию качества функционирования А согласно ГОСТ Р 51317.4.16-2000.
0ПЧ.140.320
-
1.2.44.11 Приборы устойчивы к влиянию несинусоидальности напряжения (влияние гармоник) согласно ГОСТ Р 54149-2010.
-
1.2.45 Норма средней наработки на отказ приборов не менее 150000 ч в условиях эксплуатации.
-
1.2.46 Средний срок службы приборов не менее 30 лет.
-
1.2.47 Приборы относятся к восстанавливаемым, ремонтируемым изделиям. Среднее время восстановления работоспособного состояния приборов должно быть не более 3 ч.
-
1.3.1 Приборы устойчивы к отклонению напряжения и частоты от номинальных значений параметров питания, указанных в таблице 13.
Таблица 13
Параметр питания |
Отклонение от номинальных значений | ||
длительное, % |
кратковременное | ||
% |
время, с | ||
Напряжение (переменный ток) |
+ 6...- 10 |
± 20 |
1,5 |
Частота |
± 5 |
± 10 |
5 |
Напряжение (постоянный ток) |
± 10 |
10 |
циклические отклонения пульсации |
Основная погрешность приборов при отклонении напряжения и частоты питания не превышает пределов допускаемой основной погрешности, указанных в таблице 11.
Приборы, получающие питание от аккумуляторных батарей, надежно работают при отклонениях напряжения питания от плюс 30 до минус 25 % от номинального значения.
Трехкратное исчезновение питания в течение 5 мин продолжительностью по 30 с не оказывает влияния на работоспособность приборов.
-
1.3.2 Приборы по климатическим воздействиям являются:
- теплоустойчивыми при температуре плюс 55 °С, холодоустойчивыми при температуре минус 30 °С, пределы допускаемой дополнительной погрешности на каждые 10 °С, вызванной изменением температуры окружающего воздуха
0ПЧ.140.320 в интервале рабочих температур от нормальной (20 ± 5) °С до любой в пределах от минус 30 до плюс 55 °С, не превышают 0,5 пределов допускаемой основной погрешности;
-
- работоспособными при температуре плюс 70 °С (не вызывают повреждений систем автоматизации, их элементов и устройств);
-
- холодопрочными при температуре минус 50 °С.
-
1.3.3 Приборы являются влагоустойчивыми. Пределы допускаемой дополнительной погрешности при изменении относительной влажности от нормальной (30 - 80) % при температуре (20 ± 2) °С до (80 ± 3) % при температуре (40 ± 2) °С, а также до (95 ± 3) % при температуре (25 ± 2) °С не превышают пределов допускаемой основной погрешности.
-
1.3.4 Приборы являются вибропрочными при воздействии вибрации с частотами, указанными в таблице 14.
Таблица 14
Поддиапазон частот, Гц |
Длительные испытания |
Кратковременные испытания | ||
Амплитуда, мм |
Время, ч |
Амплитуда, мм |
Время, ч | |
2 - 8 |
1,4 |
450 |
2,5 |
9 |
8 - 16 |
0,7 |
220 |
1,3 |
4,5 |
16 - 31,5 |
0,35 |
110 |
0,7 |
2,2 |
31,5 - 63 |
0,2 |
55 |
0,35 |
1,1 |
63 - 80 |
0,12 |
25 |
0,2 |
0,5 |
-
1.3.5 Приборы являются виброустойчивыми при воздействии вибрации с частотами от 2 до 100 Гц, при частотах от 2 до 13,2 Гц - с амплитудой перемещений ± 1 мм и при частотах от 13,2 до 100 Гц - с ускорением 7 м/с2 (0,7 g).
-
1.3.6 Приборы являются ударопрочными при воздействии ударов поочередно в каждом из трех взаимно перпендикулярных направлений с ускорением не менее 70 м/с2 (7 g) и частотой от 40 до 80 ударов в минуту. Количество ударов должно быть не менее 1000. Удары должны быть равномерно распределены между испытаниями при различных положениях прибора.
Длительность действия ударного ускорения должна соответствовать требованиям, указанным в таблице 15.
Таблица 15
Значение низшей резонансной частоты прибора, Гц |
Длительность действия ударного ускорения, мс |
До 60 |
18 ± 5 |
60 - 100 |
11 ± 4 |
100 - 200 |
6 ± 2 |
200 - 500 |
3 ± 1 |
Примечание - если технические характеристики оборудования не обеспечивают требуемой длительности действия ударного ускорения, то допускается проведение испытаний с длительностью действия ударного ускорения, определяемой по формуле J = 3000/f, где J - длительность ударного ускорения (мс), f - низшая резонансная частота прибора, Гц. |
-
1.3.7 Приборы являются удароустойчивыми при воздействии ударов поочередно в каждом из трех взаимно перпендикулярных направлений с ускорением 50 м/с2 (5 g), длительностью от 10 до 15 мс, числом ударов в каждом направлении - 20, частота следования от 40 до 80 ударов в минуту.
-
1.3.8 Приборы устойчивы к воздействию соляного (морского) тумана.
-
1.3.9 Приборы устойчивы к нагреванию.
-
1.3.10 По защищенности от воздействия твердых тел приборы соответствуют степени защиты со стороны передней панели IP52 по ГОСТ 14254.
-
1.3.11 Уровни создаваемого электромагнитного поля радиопомех на расстоянии 3 м от приборов, размещаемых в машинных и других закрытых помещениях судна, не превышают следующих значений в указанных ниже диапазонах частот:
-
- от 150 кГц до 30 МГц - от 80 до 50 дБ (мкВ/м);
-
- от 30 до 100 МГц - от 60 до 54 дБ (мкВ/м);
-
- от 100 до 2000 МГц - 54 дБ (мкВ/м), за исключением диапазона от 156 до 165 МГц, где он устанавливается равным 24 дБ (мкВ/м).
Уровни напряжения радиопомех, создаваемых в цепях питания приборов, не превышают следующих значений в указанных диапазонах частот:
-
- от 10 до 150 кГц - от 120 до 69 дБ (мкВ/м);
-
- от 150 до 500 кГц - 79 дБ (мкВ/м);
-
- от 500 кГц до 30 МГц - 73 дБ (мкВ/м).
-
1.3.12 Приборы для обеспечения электромагнитной совместимости в части воздействия постоянного и переменного (50 Гц) магнитного поля соответ-
0ПЧ.140.320 ствуют классу 2 оборудования в соответствии с требованиями части XI Правил классификации и постройки морских судов (пункт 2.2.1).
-
1.3.13 Приборы обладают устойчивостью к электромагнитным помехам.
-
1.4.1 Приборы обеспечивают устойчивость к механическим воздействиям в соответствии с группой М38, сейсмостойкость 8 баллов по ГОСТ 17516.1-90.
Приборы относятся к I категории сейсмостойкости в соответствии с НП-031-01.
-
1.4.2 Приборы являются виброустойчивыми.
-
1.4.2.1 Приборы работоспособны при воздействии синусоидальной вибрации с параметрами, указанными в таблице 16 (сейсмическая нагрузка).
Таблица 16
Наименование параметра |
Значение параметра для диапазона частот, Гц | |||
от 2 до 10 |
от 10 до 15 |
от 15 до 30 |
от 30 до 100 | |
Шаг по частоте, Гц |
1,0 |
1,0 |
2,0 |
10,0 |
Ускорение, м/с2 (g) в горизонтальном направлении в вертикальном направлении |
5 (0,5) 3,5 (0,35) |
|
1,2 (0,12) 1,2 (0,12) |
1,2 (0,12) 1,2 (0,12) |
Время выдержки на каждой частоте, с |
60,0 |
-
1.4.2.2 Приборы работоспособны при воздействии по трем взаимноперпендикулярным осям синусоидальной вибрации в диапазоне частот от 0,5 до 100 Гц с ускорением 40 м/с2 (4 g) и временем воздействия не менее 80 с по каждой оси (эксплуатационная синусоидальная вибрация).
-
1.4.2.3 Пределы допускаемой дополнительной погрешности, вызванной воздействием вибрации, не превышают пределов допускаемой основной приведенной погрешности.
-
1.4.3 Приборы являются вибропрочными по трем взаимно
перпендикулярным осям при воздействии синусоидальной вибрации с параметрами (эксплуатационная синусоидальная вибрация):
- диапазон частот от 0,5 до 100 Гц,
-
- ускорение 80 м/с2 (8 g),
-
- время суммарного воздействия по трем осям не менее 6 ч.
-
1.4.4 Приборы являются ударопрочными по трем взаимно-перпендикулярным осям в шести направлениях при воздействии многократных ударов с параметрами (многократные удары, имитирующие транспортные нагрузки в составе оборудования АЭС):
-
- ускорение 140 м/с2 (14g),
-
- длительность импульса ускорения от 2 до 20 мс,
-
- суммарное количество ударов по шести направлениям не менее 6000 ± 10.
-
1.5.1 Конструкция
-
1.5.1.1 Конструктивно приборы выполнены в корпусе для щитового монтажа. Общий вид, габаритные и установочные размеры приведены в приложении А.
Корпус выполнен из пластмассы и состоит из основания, лицевой панели, передней рамки и задней защитной крышки.
Все компоненты расположены на четырех соединенных между собой печатных платах, которые вставляются со стороны передней панели в пластмассовый кожух по направляющим и крепятся со стороны передней панели двумя (четырьмя) винтами.
В углубление передней части основания корпуса устанавливается лицевая панель с прозрачным окном, через который просматриваются светодиодные цифровые индикаторы, предназначенные для отображения значений измеряемых параметров электрической сети, и маленькими окошками, через которые подсветкой единичными индикаторами отображается работа основного интерфейса, дискретных выходов, подсвечивается приставка к единице измерения.
На лицевой панели указаны все необходимые технические данные прибора и назначение кнопок управления режимами работы (см. рисунок А.1 приложения А).
0ПЧ.140.320 Передняя рамка крепится к основанию корпуса при помощи защелок и фиксирует лицевую панель.
Задняя прозрачная крышка предназначена для защиты токоведущих соединений и крепится к основанию корпуса винтами.
Приборы для установки на щите имеют комплект монтажных частей. Размеры выреза в щите приведены в приложении А.
-
1.5.1.2 Назначение элементов передней панели
На передней панели прибора расположены:
- четырехзначный семисегментный светодиодный индикатор, предназначенный для отображения значений измеряемого сигнала по измерительному каналу (напряжения или силы тока);
- четырехзначный семисегментный светодиодный индикатор, предназначенный для отображения значений частоты измеряемого сигнала по измерительному каналу (при наличии, в соответствии с заказом);
-
- единичные светодиодные индикаторы, отображающие работу интерфейса, состояние дискретных выходов, подсвечивающие приставку к единице измерения;
-
- четыре кнопки управления «◄», «▲», «▼», «* ».
Кнопки «◄», «▲», «▼», «♦ » служат для управления режимами работы и редактирования функциональных параметров прибора.
Функции кнопок в режиме измерения:
-
- кнопка «◄» предназначена для входа в режим программирования;
-
- кнопка « ▲» предназначена для вывода на цифровые индикаторы просматриваемых параметров скорости обмена по интерфейсу, бита паритета, количества стоп-бит, сетевого адреса;
-
- кнопка «▼» предназначена для вывода на цифровые индикаторы и просмотра установленного диапазона показаний;
-
- кнопка «♦ » предназначена для выбора и установки яркости свечения индикаторов (выбор повторным нажатием кнопки, установка выбранной яркости происходит автоматически после прекращения нажатия кнопки).
Функции кнопок в режиме редактирования параметров:
-
- кнопка «◄» предназначена для входа в режим и выхода из режима программирования, выхода из пунктов, подпунктов меню;
-
- кнопки « ▲ », « ▼» предназначены для выбора пунктов, подпунктов меню, выбора значения знакоместа, положения десятичной точки, выбора режимов;
-
- кнопка «* » предназначена для входа в пункты, подпункты меню, установки выбранного значения, режима.
-
1.5.1.3 Назначение элементов задней панели
На задней стенке основания расположены разъемы для подключения прибора к измерительной цепи, к цепи питания, выходным цепям и цепям интерфейсов.
При необходимости для согласования интерфейсной линии связи у прибора, который будет устанавливаться последним в линию, к контактам разъемов «В» и «R» интерфейса RS485 может быть подключена функциональная перемычка. При наличии перемычки подключен встроенный согласующий резистор.
-
1.5.1.4 Внешние соединения приборов
Подключение к прибору внешних устройств определяется назначением контактов разъемов на задней панели. Схемы подключения приведены в приложении Б.
Источник входного сигнала подключается к контактам «L», «N».
Контакты питания «L», «N» служат для подключения напряжения питания от 85 до 253 В переменного тока или от 120 до 265 В постоянного тока, контакты питания «+», «-» для подключения источников питания постоянного тока. Контакт «-t» - контакт рабочего заземления.
К контактам «А» и «В» интерфейсов RS485-1, RS485-2 подключаются соответственно линия А и линия В интерфейсной линии связи.
К контактам «D OUT 1», «D OUT 2» подключаются цепи нагрузки, коммутируемые контактами дискретных выходов.
К контактам «AN OUT 1», «AN OUT 2» подключаются цепи приемников измерительной информации в виде унифицированных сигналов постоянного тока.
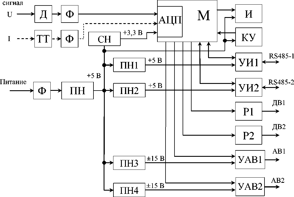
1.5.2 Принцип работы
Структурная схема приборов приведена на рисунке В.1 приложения В. Фильтры Ф защищают входной сигнал и напряжение питания прибора от кратковременных импульсных помех.
0ПЧ.140.320
У приборов, измеряющих напряжение силы тока делитель Д преобразует входной сигнал (напряжение) в напряжение, соответствующее рабочему диапазону аналого-цифрового преобразователя АЦП (от 0 до 100 мВ).
У приборов, измеряющих силу тока трансформатор тока ТТ совместно с образцовым сопротивлением преобразует входной сигнал (силу тока) в напряжение, соответствующее рабочему диапазону аналого-цифрового преобразователя АЦП (от 0 до 100 мВ).
Микроконтроллер обеспечивает:
-
- обработку кода АЦП, формирует цифровые значения в зависимости от вида шкалы и выводит информацию на цифровые индикаторы И;
-
- формирование сигналов для аналоговых выходов АВ1, АВ2, которые являются источниками унифицированных сигналов постоянного тока в соответствующих диапазонах изменений, пропорциональных значениям текущих измерений входного и отображаемого на индикаторах сигнала;
-
- формирование сигналов для дискретных выходов ДВ1, ДВ2 предназначенных для коммутации внешних цепей при выходе измеряемого сигнала за пределы контролируемых значений уставок;
-
- прием и передачу сигналов последовательного интерфейса через узел интерфейса УИ в соответствии с установленным сетевым адресом и скоростью обмена данными. Узел интерфейса УИ обеспечивает гальваническое разделение и сопряжение по уровням электрических сигналов микроконтроллера и интерфейсной линии связи;
-
- установку необходимых параметров при настройке диапазона показаний, уровней контролируемых значений входных сигналов (уставок), режимов работы дискретных выходов, интерфейса, калибровке по входному сигналу, калибровке выходных аналоговых сигналов.
Питание приборов, в зависимости от вида питающего напряжения, может быть от сети переменного (постоянного) тока высокого уровня (220ВУ, 230В) и постоянного тока низкого уровня (5ВН, 12ВН, 24ВН).
Преобразователь напряжения ПН обеспечивает гальваническую развязку по питанию и преобразует входное напряжение в стабилизированное напряжение 5 В, необходимое для питания микроконтроллера (через стабилизатор напряжения СН), индикаторов и преобразователей напряжения ПН1 - ПН4. При питающем
0ПЧ.140.320 напряжении высокого уровня ПН - универсальный преобразователь (АС/DC), работающий как от сети переменного, так и от сети постоянного тока, при питании от сети постоянного тока низкого уровня ПН - преобразователь (DC/DC).
Стабилизатор напряжения СН преобразует стабилизированное напряжение 5 В до необходимого уровня (+3,3 В) и обеспечивает питание измерительного узла.
Преобразователи напряжения ПН1 - ПН4 преобразуют стабилизированное напряжение 5 В до необходимых уровней и обеспечивают гальваническую развязку и питание: ПН1, ПН2 - узла интерфейсного канала, ПН3, ПН4 - аналоговых выходов.
1.6 Маркировка-
1.6.1 На передней панели прибора нанесено обозначение типа прибора, товарного знака завода-изготовителя, знака утверждения типа средств измерений, класса точности, рода тока, испытательного напряжения изоляции, единиц измеряемых величин, функций кнопок управления.
-
1.6.2 На приборе имеется этикетка, расположенная на задней панели, содержащая следующую информацию:
-
1) обозначение типа прибора;
-
2) класс точности;
-
3) обозначение переменного тока;
-
4) диапазоны измерений, частота входного сигнала;
-
5) диапазон показаний;
-
6) диапазоны выходных унифицированных сигналов постоянного тока;
-
7) обозначение напряжения питания;
-
8) товарный знак предприятия-изготовителя;
-
9) порядковый номер прибора по системе нумерации предприятия-изготовителя;
-
10) месяц и год изготовления;
-
11) знак утверждения типа средств измерений;
-
12) испытательное напряжение изоляции;
-
13) маркировка, определяющая назначение контактов для внешних соединений;
-
14) специсполнение (при наличии).
-
1.6.3 Приборы, прошедшие приемо-сдаточные испытания и первичную поверку предприятия-изготовителя, имеют клеймо поверителя и клеймо отдела технического контроля.
-
1.6.4 При изменении диапазона показаний прибора необходимо внести соответствующую отметку в паспорте, которая должна содержать установленный диапазон показаний (коэффициент трансформации), дату и подпись ответственного исполнителя. Откорректировать этикетку на задней панели прибора, лицевую панель при изменении единицы измерения, путем наклейки таблички с новым диапазоном показаний и единицей измерения.
-
2.1 Для контроля, регулирования (настройки), выполнения работ по техническому обслуживанию и текущему ремонту должны применяться следующие технические средства:
-
- установка для проверки электрической прочности изоляции с испытательным напряжением до 3 кВ синусоидальной формы, частотой 50 Гц, мощностью не менее 0,25 кВ-А;
-
- мегомметр с верхним пределом измерения не менее 100 МОм, номинальным напряжением 500 В;
-
- калибратор универсальный с диапазоном выходного напряжения переменного тока от 0 до 500 В, с диапазоном выходного переменного тока от 0 до 5 А и погрешностью по току и напряжению не более ± 0,04 % или ± 0,1 % (соответственно для проверки приборов класса 0,2 или 0,5);
-
- источник напряжения постоянного тока с диапазоном напряжения от 0 до 40 В;
-
- прибор комбинированный цифровой с диапазоном измерения напряжения постоянного тока от 0 до 100 В, силы постоянного тока от 0 до 20 мА и погрешностью измерения не более ± 0,1 %;
-
- магазин сопротивлений с диапазоном установки сопротивления от 0 до
1 МОм с классом точности не более 0,02.
Примечания
-
1 Вся контрольно-измерительная аппаратура должна быть аттестована и иметь документацию, подтверждающую ее готовность.
-
2 Допускается использовать другие средства для задания входных сигналов, если погрешность задания не превышает 1/5 предела основной погрешности прибора.
-
3 Допускается использовать образцовые средства с погрешностью задания сигналов, не превышающей 1/3 предела основной погрешности прибора, с введением контрольного допуска, равного 0,8 от предела основной погрешности прибора.
-
4 Рекомендуемые средства поверки:
-
- В качестве источника калиброванных напряжений и токов рекомендуется применять калибратор Н4-6, с погрешностью по напряжению переменного тока от ± 0,015 до ± 0,05 % в зависимости от диапазона; с погрешностью по силе переменного тока от ± 0,05 до 0,1 % в зависимости от диапазона, с погрешностью установки частоты не более 1 %.
-
- частотомер электронно-счетный GFC-8010H, пределы допускаемой основной погрешности ± 5Т0"6 %.
-
3 ИСПОЛЬЗОВАНИЕ ПО НАЗНАЧЕНИЮ
-
3.1.1 К работам по обслуживанию и эксплуатации приборов допускаются лица, ознакомленные с правилами техники безопасности, имеющие допуск для работы с электроустановками напряжением до 1000 В и изучившие настоящее руководство по эксплуатации.
-
3.1.2 При работе с приборами необходимо пользоваться только исправным инструментом и оборудованием.
-
3.1.3 Запрещается:
-
- эксплуатировать приборы в режимах, отличающихся от указанных в настоящем руководстве;
-
- производить внешние соединения, не отключив все напряжения, подаваемые на приборы.
-
3.1.4 При подключении питающего напряжения постоянного тока требуется соблюдать полярность подводящих проводов.
-
3.2.1 Прибор распаковать и убедиться в отсутствии механических повреждений, выдержать в нормальных условиях не менее 4 ч. Ознакомиться с паспортом на прибор и проверить комплектность.
-
3.2.2 Приступая к работе с прибором, необходимо внимательно изучить все разделы настоящего Руководства.
-
3.2.3 Установить прибор на щит. Крепление должно быть произведено тщательно, без перекосов.
-
3.2.4 Подключить внешние цепи в соответствии с назначением контактов соединительных разъемов в клеммы «под винт», одножильными проводами сечением до 4 мм2, многожильными до 2,5 мм2. При подключении напряжения питания постоянного тока от 100 до 265 В к контактам питания «L», «N» полярность любая.
Схемы внешних подключений приборов приведены на рисунках Б.1 -Б.4 приложения Б.
0ПЧ.140.320
При подключении измерительных и питающих цепей необходимо соблюдать меры безопасности, изложенные в подразделе 3.1 настоящего Руководства.
При прокладке измерительных линий следует выделять их в самостоятельную трассу (или несколько трасс) и располагать отдельно от силовых и других кабелей, создающих высокочастотные и импульсные помехи. Длина измерительных линий должна быть минимальной. Измерительные линии рекомендуется экранировать, экран подключать к заземлению. При заземлении необходимо обеспечить хороший контакт экрана с элементом заземления.
Питание к приборам рекомендуется подводить проводами минимальной длины. При питании приборов от сети переменного тока подключение цепей питания следует производить к линии, не связанной с питанием мощного силового оборудования. Напряжение питания, измеренное на контактах соединительного разъема прибора, должно соответствовать значению, указанному в таблице 5.
Рекомендуется устанавливать фильтры сетевых помех в линиях питания приборов, а контакты рабочего заземления приборов подключать к элементу заземления.
-
3.2.5 Подключение приборов к линии интерфейса RS485
Подключить провода линий А и В интерфейса RS485 в соответствии с назначением контактов.
Для прибора, который будет устанавливаться последним в линию, при необходимости подключить встроенный согласующий резистор, для чего необходимо установить перемычку между контактами RS485 «B» и «R».
Необходимые параметры интерфейса (сетевой адрес и скорость обмена) должны быть настроены до установки приборов на щит. На щите может быть проведен контроль установленных параметров в режиме просмотра.
3.3 Режимы работы-
3.3.1 Прибор может функционировать в одном из следующих режимов:
-
- измерения;
-
- настройки параметров;
-
- просмотра параметров;
-
- регулировки яркости индикации;
-
- калибровки;
-
- поверки.
0ПЧ.140.320
-
3.3.2 Режим измерения является основным эксплуатационным режимом, который установлен по умолчанию при включении питания.
В этом режиме прибор:
-
- измеряет текущее значение входных величин и отображает результат измерения на цифровых индикаторах, преобразует входной сигнал в выходные аналоговые сигналы;
-
- управляет внешними цепями устройств в соответствии с заданными параметрами работы дискретных выходов;
-
- передает запрашиваемую информацию по интерфейсным каналам.
-
3.3.3 Режимы поверки, просмотра параметров и регулирования яркости свечения индикаторов являются вспомогательными и позволяют отображать измеряемый входной сигнал в виде шкалы, соответствующей диапазону входного сигнала, в виде шкалы заказанного диапазона показаний, просматривать установленный диапазон показаний (верхнее и нижнее значения), параметры интерфейса и управлять свечением индикаторов.
-
3.3.4 Режимы настройки предназначены для редактирования программируемых параметров.
В этом режиме осуществляется настройка:
-
- диапазона показаний (пункт меню SCL);
-
- уровней срабатывания дискретных выходов (уставок) (пункт меню US1, US2);
-
- параметров интерфейсов (пункты меню In1, In2);
-
- выбор типа шкалы для отображения результатов измерения (пункт меню tS);
-
- калибровка (только по интерфейсу).
Обозначения пунктов, подпунктов меню и их назначение для настройки параметров, заводские настройки по умолчанию, порядок работы с кнопками приведены в таблице 10.
Для входа в режим программирования необходимо нажать кнопку «◄», ввести пароль с помощью кнопок «▲», «▼», нажать кнопку «* ». Для выхода из режима программирования нажать кнопку «◄».
Кнопками «▲», «▼» выбирают пункты, подпункты меню, значения знакоместа, положения десятичной точки, режимы работы дискретных выходов,
0ПЧ.140.320 интерфейсов. Кнопкой «* » входят в выбранные пункты, подпункты меню, устанавливают выбранные значения и режимы работы. Для перехода на верхний уровень из режима редактирования параметра, текущего подпункта, пункта меню нажимают кнопку «◄».
При входе в пункт, подпункт меню на цифровых индикаторах должно высветиться значение, установленное предприятием-изготовителем при выпуске или установленное ранее значение. Установка нового значения осуществляется кнопками «▲», «▼». По нажатию кнопки «* » запоминается новое (установленное) значение редактируемого параметра.
При установке числового значения любого выбранного параметра высвечивается значение параметра, активный знак мигает. Кнопками «▲», «▼» выбирают нужное числовое значение активного знака от 0 до 9 (или от 9 до 0), устанавливают заданное значение нажатием кнопки «* », автоматически происходит переход на следующий знак.
При установке положения десятичной точки кнопками «▲», «▼» выбирают нужное положение. Устанавливают заданное положение нажатием кнопки «* », после чего происходит автоматический возврат в подпункт меню. В режиме измерения точка на крайнем справа знакоместе не светится.
При программировании диапазона показаний в пункте меню «SCL» после ввода положения десятичной точки выбирают включение/выключение индикатора подсветки приставки к единице измерения. Выбор приставки в виде степени числа 10 (100, 10-3, 103), 100 выключает индикатор подсветки.
Ввод ошибочного значения выбранного параметра сопровождается кратковременным миганием индикаторов.
Для перехода на верхний уровень из режима редактирования параметра, текущего подпункта, пункта меню нажимают кнопку «◄».
3.4 Порядок работы-
3.4.1 Подать питание, на цифровых индикаторах поочередно высветятся версия программного обеспечения, настройки интерфейса далее значение близкое к нулю.
-
3.4.2 Выдержать прибор в течение времени установления рабочего режима (30 мин).
-
3.4.3 Подать входной сигнал на прибор.
-
3.4.4 На цифровых индикаторах должно отображаться значение, соответствующее входному сигналу.
-
3.5.1 Работа прибора по интерфейсу обуславливается аппаратными и программными средствами, применяемыми потребителем.
-
3.5.2 Линия связи интерфейса RS485 представляет собой витую пару проводов, которые могут находиться в общем экране. На одну линию связи может быть подключено до 31 прибора. Приборы подсоединяются к линии связи параллельно.
-
3.5.3 На каждом приборе устанавливается свой сетевой адрес (от 1 до 247) и скорость обмена данными (4800, 9600, 19200, 38400 или 115200 бит/с). Скорость обмена должна быть одинаковой и соответствовать установленной в линии.
-
3.5.4 При обмене информацией приборы являются ведомыми устройствами (SLAVE). В качестве ведущего устройства (MASTER) выступает промышленный контроллер, компьютер или аналогичное устройство, управляющее обменом данными в линии.
На ведущем устройстве должны быть установлены параметры линии интерфейса в соответствии с таблицей 17.
Таблица 17 - Параметры линии интерфейса
Параметр линии |
Значение |
Количество бит данных |
8 |
Контроль (проверка на четность) |
чет, нечет или нет (без проверки на четность) |
Количество стоповых бит |
0,5; 1; 1,5 или 2 |
Скорость передачи, бит/с |
4800, 9600, 19200, 38400, 115200 |
Обмен данными происходит по инициативе ведущего устройства, посылающего адресный запрос на прибор, с которым предполагается установить связь. Получив запрос, прибор сравнивает запрашиваемый адрес со своим адресом и при их совпадении выдает ответ.
Протокол обмена данными приведен в приложении Г.
-
3.5.5 Связь с компьютером может осуществляться либо через специальную плату, установленную в свободный слот системной шины компьютера, либо
0ПЧ.140.320 через последовательный порт RS232 с применением дополнительного устройства - преобразователя уровней напряжения сигналов последовательного порта RS232 в уровни напряжения сигналов интерфейса RS485.
3.6 Работа дискретных выходов-
3.6.1 Приборы могут иметь исполнение с одним или двумя дискретными выходами, которые работают независимо друг от друга. Настройка параметров возможна с помощью кнопок или через интерфейс.
Уставки L (US1.L и US2.L), гистерезис d (US1.d и US2.d), зона возврата b (US1.b и US2.b), логика работы дискретных выходов t (US1.t и US2.t) задаются для каждого дискретного выхода в режиме программирования параметров с помощью кнопок на передней панели прибора (пункты меню US1, US2).
-
3.6.2 Состояние дискретных выходов отображается включением соответствующего индикатора К (К1и К2).
Включение дискретного выхода при любой логике происходит при достижении входного сигнала (входной величиной) значения порога срабатывания в соответствии с диаграммами приложения Д. Срабатывание дискретного выхода сопровождается включением соответствующего единичного индикатора К1 или К2 на лицевой панели и миганием цифровых индикаторов, если включен режим мигания цифровых индикаторов.
Выключение при значении параметра t = 5, 6, 7, 8 происходит с запаздыванием по значению величины сигнала на величину зоны возврата b (зона возврата на диаграммах приложения Д не показана).
-
3.6.3 В зависимости от значения параметра t может быть следующая логика работы (см. рисунок Д.1 приложения Д):
-
- t = 0. Дискретный выход отключен, единичный индикатор К на лицевой панели выключен.
-
- t = 1. Дискретный выход включен, единичный индикатор К на лицевой панели включен, цифровые индикаторы мигают при включенном режиме мигания. Используется для проверки работы дискретных выходов или для того, чтобы дискретный выход всегда был во включенном состоянии независимо от величины входного сигнала.
-
- t = 2 (резерв).
-
- t = 3 (прямой гистерезис). Выход включается, когда измеренное значение менее (L-d), выключается, когда измеренное значение более (L+d) и т. д., осуществляя тем самым двухпозиционное регулирование по уставке L с гистерезисом ±d. Используется для сигнализации о том, что текущее измеренное значение меньше уставки L.
-
- t = 4 (обратный гистерезис). Выход включается, когда измеренное значение более (L+d), выключается, когда измеренное значение менее (L-d) и т. д. Используется для сигнализации о превышении текущего измеренного значения уставки L.
-
- t = 5 (логика U-образная). Используется для сигнализации о выходе контролируемой величины за заданные границы, при этом включение происходит, когда текущее значение меньше (L-d-b) или больше (L+d+b).
-
- t = 6 (логика П-образная). Используется для сигнализации о входе контролируемой величины в заданные границы, при этом включение происходит, когда текущее значение больше (L-d-b) и меньше (L+d+b).
-
- t = 7 (выключение при превышении уставки). Используется для сигнализации об уменьшении контролируемой величины ниже заданной границы, при этом включение происходит, когда текущее значение меньше L-b.
-
- t = 8 (включение при превышении уставки). Используется для сигнализации об увеличении контролируемой величины выше заданной границы, при этом включение происходит, когда текущее значение больше L+b.
-
3.7.1 Калибровка приборов проводится в случае выхода погрешности прибора за допустимые пределы или после ремонта.
Калибровка приборов должна проводиться метрологическими службами, аккредитованными на право проведения калибровочных работ.
Калибровку следует проводить при нормальных условиях:
-
- температура окружающего воздуха плюс (20 ± 5) °С;
-
- относительная влажность воздуха до 80 % при 25 °С;
-
- атмосферное давление от 84 до 106,7 кПа;
0ПЧ.140.320
- частота входного сигнала (50 ± 1) Гц или (400 ± 10) Гц в зависимости от исполнения прибора.
-
3.7.2 Перед началом калибровки провести подключения в соответствии со схемами, приведенными на рисунках Б.1 - Б.4 приложения Б. В качестве источника входного сигнала использовать источник калиброванных напряжений и токов (см. 2.1).
На прибор подать напряжение питания, выдержать приборы в течение времени установления рабочего режима (30 мин)
-
3.7.3 Запустить программу-конфигуратор ЩП02П, ЩП72П, ЩП96П, ЩП120П. Выполнить следующие действия:
-
1) На стартовой странице программы выбрать меню «Конфигурация» -будет считана и показана текущая конфигурация прибора.
-
2) Установить верные значения во всех полях на всех вкладках и записать их в прибор, нажав кнопку «Записать в прибор».
-
3) На стартовой странице программы выбрать меню «Калибровка» и вкладку «Вход».
-
4) Включить режим калибровки нажатием «Вкл.»
-
5) В поле «Добавить точку» ввести параметры уже поданного на вход прибора эталонного сигнала и нажать кнопку «ОК».
Примечание - Окно «Калибратор» предназначено для выбора подключенного через последовательный порт калибратора для автоматической установки компьютером эталонного сигнала. При выборе «нет» в этом пункте калибратором необходимо управлять вручную.
-
6) Добавить 2 - 10 других точек для напряжения или силы тока и 3 - 7 точек для частоты (равноотстоящих в диапазоне измерений от 2 до 120 % номинального значения).
Для точек калибровки напряжения или силы тока необходимо подавать сигнал частотой 47 Гц (440 Гц), для точек калибровки частоты - сигнал номинального значения напряжения или силы тока.
-
7) Для исправления нелинейных искажений при количестве точек калибровки больше четырех для всех параметров (силы тока, напряжения, частоты) выбрать степень корректирующего полинома больше двух (по умолчанию 2).
Примечание - данный пункт не является обязательным к исполнению.
-
8) Нажать кнопку «Применить».
-
9) При наличии аналоговых выходов перейти на вкладку «Аналоговые выходы» и выбрать номер калибруемого выхода. Последовательно ввести запрошенные программой значения тестовых токов с выбранного выхода и нажать кнопку «Готово».
-
10) Проверить работоспособность прибора на разных входных сигналах.
-
3.7.4 После калибровки необходимо провести внеочередную поверку прибора.
-
3.7.5 Калибровку приборов можно проводить с помощью программы-конфигуратора ЩП02П, ЩП72П, ЩП96П, ЩП120П, размещенной на сайте www.elpribor.ru в соответствии с описанием программы.
Г осударственная система обеспечения единства измерений
Данный раздел утверждается Федеральным Государственным Унитарным предприятием «Всероссийский научно-исследовательский институт метрологической службы» Федерального агентства по техническому регулированию и метрологии (ФГУП «ВНИИМС»).
Данный раздел предназначен для ознакомления с методикой и проведением поверки приборов с целью подтверждения соответствия установленным требованиям к основной приведенной погрешности.
Поверка приборов проводится в соответствии с требованиями приказа Министерства промышленности и торговли РФ от 2 июля 2015 г. №1815.
Интервал между поверками составляет 6 лет.
(Измененная редакция, Изм. № 1)
4.1 Операции поверкиПри поверке проводить следующие операции:
-
1) внешний осмотр;
-
2) проверка электрической прочности изоляции, сопротивления изоляции;
-
3) опробование (проверка работоспособности);
-
4) определение метрологических характеристик;
-
5) оформление результатов поверки.
При проведении поверки применять средства поверки, указанные в разделе 2 данного руководства.
4.3 Требования к квалификации поверителейПоверку должен выполнять поверитель, освоивший работу с прибором и образцовыми средствами измерений.
Персонал для поверки должен быть аттестован в соответствии с требованиями приказа Министерства промышленности и торговли РФ от 2 июля 2015 г. №1815.
0ПЧ.140.320
Перед началом работы поверитель должен изучить все разделы настоящего Руководства по эксплуатации, инструкции по эксплуатации рабочих эталонов и других технических средств, используемых при поверке, правила техники безопасности и строго их соблюдать.
-
4.3 (Измененная редакция, Изм. № 1)
Требования безопасности при проведении измерений по
ГОСТ 12.2.007.0-75 класс 0I.
4.5 Условия поверкиПоверку следует проводить при нормальных условиях:
-
- температура окружающего воздуха плюс (20 ± 5) ОС;
-
- относительная влажность воздуха до 80 % при 25 ОС;
-
- атмосферное давление от 84 до 106,7 кПа;
-
- положение прибора - любое;
-
- для приборов с напряжением питания переменного тока: частота питающей сети (50±0,5) Гц, форма кривой переменного напряжения питающей сети синусоидальная, с коэффициентом нелинейных искажений не более 5 %.
До проведения поверки приборы выдержать в нормальных условиях не менее 4 часов.
4.6 Проведение поверки-
4.6.1 Внешний осмотр
При внешнем осмотре проверяют:
-
- соответствие приборов требованиям эксплуатационной документации;
-
- соответствие комплектности, указанной в паспорте;
-
- отсутствие механических повреждений, влияющих на работу приборов.
-
4.6.2 Проверка электрической прочности изоляции
Электрическую прочность изоляции следует испытывать по ГОСТ 22261-94 на пробойной установке мощностью не менее 0,25 кВ^А на стороне высокого напряжения при отсутствии внешних соединений.
Испытательное напряжение повышать плавно, начиная с нуля или со значения, не превышающего номинальное рабочее напряжение цепи, до испыта-
0ПЧ.140.320 тельного со скоростью, допускающей возможность отсчета показаний вольтметра, но не менее 100 В/с.
Изоляцию выдерживают под действием испытательного напряжения в течение 1 мин, затем напряжение плавно снижают с такой же скоростью до нуля или до значения, не превышающего номинальное значение.
Испытательное напряжение с действующим значением, указанным в таблице 18, и частотой 50 Гц при проверке прочности изоляции прикладывать между соединенными вместе контактами испытываемых цепей.
Таблица 18
Тип прибора |
Испытываемые цепи |
Действующее значение испытательного напряжения |
Щ02П Щ72П Щ96П Щ120П |
питание - вход |
2000 В* 3000 В** |
питание - выходы | ||
питание - интерфейсы | ||
вход - выходы | ||
вход - интерфейсы | ||
интерфейс 1 - интерфейс 2 | ||
интерфейсы- выходы | ||
выход - выходы | ||
Примечание - Испытания проводить по пунктам, соответствующим исполнению прибора. * Для приборов с рабочим напряжением цепей до 650 В. ** Для приборов с рабочим напряжением цепей от 650 до 1000 В. |
Приборы, испытательное напряжение которых превышает 2 кВ, подвергают испытаниям электрической прочности полным напряжением не более двух раз. Последующие испытания проводят напряжением, составляющим 80 % полного испытательного напряжения.
Прибор считают выдержавшим проверку, если не произошло пробоя или перекрытия изоляции. Появление коронного разряда или шума при проверке не являются признаками неудовлетворительных результатов проверки.
-
4.6.3 Проверка сопротивления изоляции
Электрическое сопротивление изоляции цепей проверять по методике ГОСТ 22261-94 мегомметром с номинальным напряжением 500 В с погрешностью не более 30 % при отсутствии внешних соединений.
Электрическое сопротивление изоляции измерять между соединенными вместе контактами испытываемых цепей в соответствии с таблицей 18.
0ПЧ.140.320
Отсчет показаний проводить по истечении одной минуты после приложения напряжения, при котором проверяют сопротивление изоляции.
Прибор считают выдержавшим проверку, если выполняется установленные требования.
-
4.6.4 Опробование
Опробование приборов включает в себя проверку работоспособности.
Приборы подключить в соответствии со схемами, приведенными на рисунках Б.1 - Б.4 приложения Б. В качестве источника входного сигнала использовать источник калиброванных напряжений и токов (см. 2.1).
На прибор подать питание. Должны загореться цифровые индикаторы.
На прибор подать входной сигнал в диапазоне 0 - 100 % от верхнего значения диапазона измерений и проконтролировать показания цифровых индикаторов. Показания цифровых индикаторов должны соответствовать значению входного сигнала.
-
4.6.5 Подтверждение соответствия программного обеспечения
Номер версии программного обеспечения прибора определяется при считывании в программе-конфигураторе ЩП02П, ЩП72П, ЩП96П, ЩП120П.
Для этого необходимо:
а) подключить прибор к компьютеру по интерфейсу RS485;
б) при подключении, в программе конфигурирования нажать кнопку «Старт».
При успешном соединении с прибором в поле «Информация» автоматически определится номер версии программного обеспечения. Номер версии не должен быть меньше номера, указанного в Описании типа.
-
4.6.5 (Измененнаяредакция, Изм. № 1).
-
4.6.6 Определение метрологических характеристик (проверка основной погрешности)
-
4.6.6.1 Основную погрешность следует определять по схемам, приведенным на рисунках В.1 - В.4 приложения В, по истечении времени установления рабочего режима после включения, методом прямых или косвенных измерений.
Основную погрешность определять в условиях, указанных в 4.5.
Основную погрешность для приборов с непосредственным подключением определять на диапазоне показаний, соответствующем диапазону измере-
0ПЧ.140.320 ний входного сигнала. Порядок установки типа шкалы диапазона показаний указан в таблице 10.
Основную погрешность для приборов с подключением через трансформатор напряжения (тока) определять на заказанном диапазоне показаний и на диапазоне показаний, соответствующем диапазону измерений входного сигнала.
Примечание - для приборов, подключаемых через трансформатор тока или напряжения, диапазон первичной цепи трансформатора является заказанным диапазоном показаний, диапазон вторичной цепи трансформатора является диапазоном входного сигнала.
Основную и дополнительную погрешность для приборов с диапазоном показаний, отличающимся от диапазона измерений определять на заказанном диапазоне показаний и на диапазоне показаний, соответствующем диапазону измерений входного сигнала.
На прибор подавать входной сигнал, соответствующий контрольным точкам. Контрольные точки, значения входного сигнала и допускаемые значения в контрольных точках для проверки основой погрешности приведены в таблицах Е.1 - Е.4 приложения Е.
Примечание - В таблицах Е.1 - Е.4 приложения Е приведены расчетные значения допускаемых показаний прибора, при проверке учитывать установленное на приборе количество знаков после запятой.
В качестве источника входного сигнала использовать источник калиброванных напряжений и токов.
-
4.6.6.1 (Измененнаяредакция, Изм. № 1).
-
4.6.6.2 Определение основной погрешности прибора при измерении напряжения или силы переменного тока
1) Определение основной погрешности на диапазоне показаний, соответствующем диапазону измерений входного сигнала
Определение основной погрешности следует проводить методом прямых измерений во всех контрольных точках таблицы Е.1 приложения Е.
На прибор подавать входной сигнал с частотой (50 ± 1) Гц или (400 ± 10) Гц в зависимости от исполнения прибора.
(ВвеДен Дополнительно, Изм. № 1)
За выходной сигнал принимать показания цифровых индикаторов.
Расчет основной приведенной погрешности вести по формуле:
N - Ng
■ 100
(1)
где N - показание испытуемого прибора, соответствующее проверяемой точке;
Nx - эталонное значение входного сигнала (см. таблицу Е.1 приложения
Е);
Nk - нормирующее значение равное модулю разности верхнего и нижнего пределов диапазона показаний.
2) Определение основной погрешности на заказанном диапазоне показаний следует проводить во всех контрольных точках таблицы Е.1 приложения Е.
За выходной сигнал принимать показания цифровых индикаторов.
Расчет основной приведенной погрешности вести по формуле (1),
где N - показание испытуемого прибора, соответствующее проверяемой точке;
Nx - эталонное значение выходного сигнала,
Nk - нормирующее значение равное модулю разности верхнего и нижнего пределов диапазона показаний.
Прибор считают выдержавшим испытание, если его основная приведенная погрешность, рассчитанная по формуле (1) не превышает пределов допускаемой основной приведенной погрешности, указанных в таблице 11.
-
4.6.6.3 Определение основной погрешности прибора при преобразовании в выходной аналоговый сигнал напряжения или силы постоянного тока
Определение основной погрешности проводить методом прямых или косвенных измерений во всех контрольных точках таблицы Е.2 приложения Е.
За выходной сигнал принимать выходной аналоговый сигнал.
Расчет основной приведенной погрешности вести по формуле (1), где
N - действительное значение выходного аналогового сигнала, определенное по образцовому прибору, соответствующее проверяемой точке;
Nx - значение проверяемой отметки в единицах выходного сигнала (см. таблицу Е.2 приложения Е);
где Nk - нормирующее значение выходного аналогового сигнала (см. таблицу 9.
0ПЧ.140.320
Прибор считают выдержавшим испытание, если его основная приведенная погрешность, рассчитанная по формуле (1) не превышает пределов допускаемой основной приведенной погрешности, указанных в таблице 11.
-
4.6.6.4 Допускается проверять основную погрешность при измерении на процентной шкале.
Расчет с использованием процентной шкалы вести по формуле:
S = N - Nx , (2)
где N - показания испытуемого прибора, %;
Nx - значение проверяемой отметки для процентной шкалы, %.
-
4.6.6.5 Прибор считают выдержавшим испытание, если показания находятся в указанных допускаемых пределах и его основная приведенная погрешность, рассчитанная по формуле (1) или (2), не превышает пределов допускаемой основной приведенной погрешности, указанных в таблице 11.
-
4.6.6.6 Определение основной погрешности прибора при измерении частоты входного сигнала
С помощью генератора или источника калиброванных напряжений и токов задавать частоту в диапазоне измерений от 45 до 65 Гц (от 300 до 500 Гц), со значением, равным 20 и 100 % номинального значения входного сигнала.
Определение абсолютной основной погрешности при измерении частоты следует проводить во всех контрольных точках таблицы Е.3 приложения Е.
Значение абсолютной погрешности определяют по формуле:
Л = N - Nx , (3)
где N - показание прибора в проверяемой контрольной точке;
Nx - расчетное показание в проверяемой точке, для которой определяется погрешность (см. таблицу Е.3 приложения Е).
Прибор считают выдержавшим испытание, если его основная погрешность, рассчитанная по формуле (3), не превышает пределов допускаемой абсолютной основной погрешности, указанных в таблице 11.
-
4.6.6.7 Определение основной погрешности прибора при преобразовании частоты входного сигнала в выходной аналоговый сигнал
0ПЧ.140.320
С помощью генератора или источника калиброванных напряжений и токов задавать частоту в диапазоне измерения от 45 до 55 Гц (от 300 до 500 Гц), со значением, равным 20 и 100 % номинального значения входного сигнала.
Определение основной приведенной погрешности следует проводить методом прямых или косвенных измерений во всех контрольных точках таблицы Е.4 приложения Е. Основную приведенную погрешность определяют по формуле (1), где
N - действительное значение выходного аналогового сигнала, определенное по образцовому прибору, соответствующее проверяемой точке;
Nx - расчетное значение выходного аналогового сигнала, соответствующее проверяемой точке (см. таблицу Е.4 приложения Е);
Nk - нормирующее значение выходного аналогового сигнала (см. таблицу 9).
Прибор считают выдержавшим испытание, если его основная погрешность, не превышает пределов допускаемой основной приведенной погрешности, указанных в таблице 11.
4.6.6.6и 4.6.6.7 (ВвеДены Дополнительно, Изм. № 1)
4.7 Оформление результатов поверкиПри положительных результатах периодической поверки на корпус наносят знак поверки, в паспорте проводят запись о годности к применению.
При отрицательных результатах поверки необходимо провести калибровку и повторно выполнить проверку основной погрешности по 4.6.6.
При отрицательных результатах повторной поверки прибор в обращение не допускают и на него оформляют «Извещение о непригодности» в соответствии с приказом Министерства промышленности и торговли РФ от 2 июля 2015 г. №1815. При этом знак поверки подлежит погашению.
-
4.7 (Измененная реДакция, Изм. № 1)
-
5.1 Транспортирование приборов должно производиться в соответствии с ГОСТ 22261-94.
Значения климатических и механических воздействий на приборы при транспортировании должны находиться в пределах, указанных в 1.2.41 и 1.2.42.
Во время погрузочно-разгрузочных работ и транспортирования ящики не должны подвергаться резким ударам и воздействию атмосферных осадков.
Способ укладки ящиков на транспортирующее средство должен исключать их перемещение. При транспортировании самолетом приборы должны быть размещены в отапливаемых герметизированных отсеках.
-
5.2 При транспортировании приборов железнодорожным транспортом вид отправки - мелкая малотоннажная, тип подвижного состава - закрытый вагон или платформа с универсальным контейнером, загруженным до полной вместимости.
-
5.3 После транспортирования при отрицательной температуре окружающего воздуха приборы выдерживают упакованными в течение 6 часов в условиях хранения 1 ГОСТ 15150-69.
-
5.4 Хранить приборы у изготовителя и потребителя следует в закрытых складских помещениях на стеллажах в потребительской таре в соответствии с требованиями ГОСТ 22261-94 при температуре окружающего воздуха от плюс 5 до плюс 40 °С и относительной влажности воздуха не более 80 % при температуре плюс 25 °С.
Хранить приборы без упаковки следует при температуре окружающего воздуха от плюс 10 до плюс 35 °С и относительной влажности воздуха не более 80 % при температуре плюс 25 °С.
В помещениях для хранения содержание пыли, паров кислот и щелочей, агрессивных газов и других вредных примесей, вызывающих коррозию, не должно превышать содержание коррозионно-активных агентов для атмосферы типа I по ГОСТ 15150-69.
6 ГАРАНТИИ ИЗГОТОВИТЕЛЯ-
6.1 Гарантийный срок эксплуатации 36 месяцев со дня ввода прибора в эксплуатацию. Гарантийный срок хранения 12 месяцев с момента изготовления прибора.
-
6.2 Изготовитель гарантирует соответствие прибора требованиям технических условий ТУ 25-7504.219-2012 при соблюдении следующих правил:
-
- соответствие условий эксплуатации, хранения, транспортирования изложенным в настоящем руководстве;
-
- обслуживание прибора должно производиться в соответствии с требованиями настоящего руководства персоналом, прошедшим специальное обучение.
-
6.3 Потребитель лишается права на гарантийный ремонт:
-
- при несоблюдении потребителем требований 6.2;
-
- при нарушении сохранности гарантийных этикеток (пломб) предприятия-изготовителя.
-
7.1 При отказе в работе или неисправности прибора в период действия гарантийного срока потребителем должен быть составлен акт о необходимости ремонта и отправки прибора изготовителю.
-
7.2 Единичные отказы комплектующих изделий не являются причиной для предъявления штрафных санкций.
8.1 Прибор не представляет опасности для жизни, здоровья людей и окружающей среды после окончания срока эксплуатации и подлежит утилизации по технологии, принятой на предприятии, эксплуатирующем данное изделие.
Приложение А
(обязательное)
Общий вид, габаритные и установочные размеры приборов

д 10

Таблица А 1
Тип прибора |
Габаритные размеры |
Габаритные установочные размеры |
Вырез | |||||
Н |
н. |
L |
6 |
А1 |
А2 |
В1 |
В2 | |
ЩЛ120Л |
120 |
120 |
103 |
75.6 |
125 |
125 |
112'09 |
112‘°’9 |
ЩП96П |
96 |
96 |
103 |
75,6 |
100 |
100 |
Q2 ' ■ |
д2'08 |
1ЩТ72Л |
72 |
72 |
103 |
756 |
75 |
75 |
68"" |
68'" |
ЩП02П |
96 |
18 |
118 |
121,5 |
100 |
50 |
92' ? |
15*°'6 |
-
1 - тип прибора;
-
2 - передняя рамка;
-
3 - индикатор работы интерфейса;
-
4 - единица измерения;
-
5 - индикатор приставки к единице измерения;
-
6 - индикаторы работы дискретных выходов;
-
7 - диапазон показаний (коэффициент трансформации);
-
8 - класс точности;
-
9 - задняя защитная крышка;
-
10 - клеймо ОТК;
-
11 - клеймо поверителя;
-
12 - контакты подключения интерфейсов RS485;
-
13 - этикетка с информацией об исполнении прибора, с маркировкой контактов для под-
-
14 - контакты подключения входного сигнала;
-
15 - контакты дискретных выходов;
-
16 - контакты аналоговых выходов;
-
17 - диапазоны выходных аналоговых сигналов;
-
18 - контакт заземления;
-
19 - контакты подключения питания;
-
20 - тип прибора;
-
21 - номер прибора;
-
22 - дата выпуска;
-
23 - диапазон показаний;
-
24 - класс точности;
-
25 - специсполнение.
ключения входного сигнала, напряжения питания, интерфейсных каналов, маркировкой контактов разъема для подключения к аналоговым и дискретным выводам;
Примечания
-
1 На рисунке приведен пример прибора с индикацией частоты, дополнительным интерфейсом, двумя дискретными и двумя аналоговыми выходами. Наличие разъемов с соответствующими выходами, информация на этикетке зависят от исполнения прибора.
-
2 Вид сбоку приведен с задней защитной крышкой, вид сзади без защитной крышки.
-
3 Габаритные и установочные размеры в таблице А.1 приведены в миллиметрах
Приложение Б
(обязательное)
Схемы внешних подключений приборов
К приборам измерения и контроля


ЩП02П |
13 |
14 |
13 |
14 |
17 |
18 |
19 |
20 |
1.1 |
1.2 |
2.1 |
2.2 |
+ |
- |
+ |
- | |
D OUT 1 |
D OUT 2 |
AN OUT 1 |
AN OUT 2 |
Вход | |
L |
N |
1 |
2 |
RS485 |
Питание | ||||||
A |
B |
R |
GND |
x |
+ |
+ |
- |
5 |
6 |
7 |
8 |
9 |
10 |
11 |
12 |
Источник входного сигнала
+

RS485
ПИ
Источник питающего напряжения
RS232
I к ПЭВМ
а) для исполнений с параметром с = 5ВН, 12ВН, 24ВН
К приборам измерения и контроля


ЩП02П |
13 |
14 |
15 |
16 |
17 |
18 |
19 |
20 |
1.1 |
1.2 |
2.1 |
2.2 |
+ |
- |
+ |
- | |
D OUT 1 |
D OUT 2 |
AN OUT 1 |
AN OUT 2 |
Вход | |
L |
N |
1 |
2 |
RS485 |
Питание | ||||||
A |
B |
R |
GND |
x |
L |
N | |
5 |
6 |
7 |
8 |
9 |
10 |
11 |
12 |
Источник входного сигнала
RS485
ипит
ПИ
RS232
I кПЭВМ
ипит - напряжение питания от 85 до 253 В переменного тока частотой 50 Гц или от 120 до 265 В постоянного тока (220ВУ), напряжение питания от 85 до 253 В переменного тока частотой 50 Гц (230В).
б) для исполнений с параметром с = 220ВУ, 230В

а) для исполнений с параметром с = 5ВН, 12ВН, 24ВН
к ПЭВМ
ПИ
RS485
К приборам измерения и контроля
А > |
к > |
к А |
НЁНЦ- |
А
В
8 |
9 |
10 |
11 |
12 |
13 |
14 |
15 |
А |
В |
R |
GND |
+ |
- |
1.1 |
1.2 |
RS485 |
AN OUT 1 |
D OUT 1 |
ЩП72П
Вход | |
L |
N |
1 |
2 |
Питание | |||
L |
N |
x | |
5 |
6 |
7 |
Источник входного сигнала
UnUT
UnUT - напряжение питания от 85 до 253 В переменного тока частотой 50 Гц или от 120 до 265 В постоянного тока (220ВУ), напряжение питания от 85 до 253 В переменного тока частотой 50 Гц (230В).
б) для исполнений с параметром с = 220ВУ, 230В

а) для исполнений с параметром с = 5ВН, 12ВН, 24ВН

Unum - напряжение питания от 85 до 253 В переменного тока частотой 50 Гц или от 120 до 265 В постоянного тока (220ВУ), напряжение питания от 85 до 253 В переменного тока частотой 50 Гц (230В).
б) для исполнений с параметром с = 220ВУ, 230В
| к ПЭВМ
RS232
к ПЭВМ
RS232
ПИ
ПИ
К приборам измерения и контроля
RS485
RS485


А
А
В
В
9 |
10 |
11 |
12 |
13 |
14 |
15 |
16 |
17 |
18 |
19 |
20 |
21 |
22 |
23 |
24 |
25 |
А1 |
В1 |
R1 |
GND1 |
A2 |
B2 |
R2 |
GND2 |
1.1 |
1.2 |
2.1 |
2.2 |
+ |
- |
+ |
- | |
RS485-1 |
RS485-2 |
D OUT 1 |
D OUT 2 |
AN OUT 1 |
AN OUT 2 | |||||||||||
Вход |
ЩП120П |
Питание | ||||||||||||||
L |
N |
+ |
+ |
- |
X | |||||||||||
1 |
2 |
5 |
6 |
7 |
8 |
Источник входного сигнала
+

Источник питающего напряжения
а) для исполнений с параметром с = 5ВН, 12ВН, 24ВН
к ПЭВМ
к ПЭВМ
RS232
RS232
ПИ
ПИ
RS485
RS485
К приборам измерения и контроля
А
В

А
В


Rh2
9 |
10 |
11 |
12 |
13 |
14 |
15 |
16 |
17 |
18 |
19 |
20 |
21 |
22 |
23 |
24 |
25 |
А1 |
В1 |
R1 |
GND1 |
А2 |
B2 |
R2 |
GND2 |
1.1 |
1.2 |
2.1 |
2.2 |
+ |
- |
+ |
- | |
RS485-1 |
RS485-2 |
D OUT 1 |
D OUT 2 |
AN OUT 1 |
AN OUT 2 | |||||||||||
Вход |
ЩП120П |
Питание | ||||||||||||||
L |
N |
L |
N |
x | ||||||||||||
1 |
2 |
5 |
6 |
7 |
8 |

Источник входного сигнала
ипит
ипит - напряжение питания от 85 до 253 В переменного тока частотой 50 Гц или от 120 до 265 В постоянного тока (220ВУ), напряжение питания от 85 до 253 В переменного тока частотой 50 Гц (230В).
б) для исполнений с параметром с = 220ВУ, 230В
Приложение В
(обязательное)
Схема структурная приборов
Входной

Д - делитель;
Ф - фильтр;
ТТ - трансформатор тока;
СН - стабилизатор напряжения;
АЦП - аналого-цифровой преобразователь;
М - микроконтроллер;
ПН - преобразователь напряжения, устанавливается в зависимости от исполнения прибора; ПН1 - ПН4 - преобразователи напряжения;
И - индикаторы;
КУ - кнопки управления;
УИ1, УИ2 - узлы интерфейсов;
Р1, Р2 - оптоэлектронные реле дискретных выходов;
УАВ1, УАВ2 - узлы аналоговых выходов;
RS485-1, RS485-2 - линии интерфейсов;
ДВ1, ДВ2 - дискретные выходы;
АВ1, АВ2 - аналоговые выходы.
Примечания
-
1 Входной сигнал подается на АЦП у вольтметров через делитель и фильтр, у амперметров через трансформатор тока и фильтр.
-
2 Количество индикаторов, интерфейсов, дискретных и аналоговых выходов зависит от исполнения прибора.
-
3 Все выходные узлы имеют гальваническую развязку.
Рисунок В.1 - Схема структурная.
Приложение Г (обязательное)
Протокол обмена данными по интерфейсу
Прибор может работать в составе полевой сети на основе последовательного интерфейса RS-485 с протоколом Modbus RTU в качестве ведомого устройства.
Описание обмена данными по последовательному интерфейсу
Для огранизации обмена данными используются три уровня модели ISO/OSI:
-
• физический;
-
• канальный;
-
• прикладной.
Обмен данными на прикладном уровне может происходить по протоколам, описанным следующими стандартами:
-
• «MODBUS Application Protocol» (Modbus Organization, Inc.) версии 1.1b;
-
• ГОСТ Р МЭК 60870-5-101-2006.
Настройка на необходимый протокол передачи не требуется. Устройство определяет его автоматически по формату входящих кадров. Возможна поочередная работа по обеим протоколам без потерь данных.
Для представления значений некоторых чисел на прикладном уровне используются форматы стандарта IEEE 754-2008. Упоминаемые в этом разделе форматы чисел одинарной, двойной и двойной расширенной точности относятся к этому стандарту.
Далее в этом разделе описываются отличительные особенности прибора, не регламентированные вышеуказанными стандартами.
Г.1 ТЕРМИНЫ И ОПРЕДЕЛЕНИЯДесятичная точка — разделитель целой и дробной части числа. В некоторых культурах синонимом термина является запятая.
Среднеквадратическое значение — если не указано иначе, подразумевается более узкий смысл, чем в математике, а именно значение основной измеряемой величины.
0ПЧ.140.320
Прямой порядок машинных слов — такой порядок, при котором запись (передача, расположение и т.д.) многословной структуры начинается со старшего слова и заканчивается младшим. В этом случае старшее слово располагается в памяти по меньшему адресу. Частный случай машинного слова — байт.
Обратный порядок машинных слов — такой порядок, при котором запись (передача, расположение и т.д.) многословной структуры начинается с младшего слова и заканчивается старшим. В этом случае старшее слово располагается в памяти по большему адресу.
Основная величина — величина, которой уделяется наибольшее внимание при проектировании измерительной аппаратной и программной составляющих прибора (часто определяет полное наименование прибора: для амперметра - ток, для вольтметра - напряжение).
Г.2 РЕАЛИЗАЦИЯ ПРИКЛАДНОГО УРОВНЯ (Modbus)Данные в пространстве Modbus представлены структурами, описанными в таблице Г.1.
Таблица Г.1 - Структуры данных
Обозначение |
Количество регистров |
Описание |
F1032 |
2 |
Первый регистр содержит младшие 16 бит числа одинарной точности, второй - старшие |
F0123 |
2 |
Первый регистр содержит младшие 16 бит с инверсным порядком байт числа одинарной точности, второй - старшие |
F3210 |
2 |
Первый регистр содержит старшие 16 бит числа одинарной точности, второй - младшие |
Доступные величины пространства Modbus представлены в таблице Г.2.
Таблица Г.2 - Карта величин в пространстве Modbus
Адрес |
Структура |
Функция доступа |
Описание |
0x0012 |
F1032 |
4 |
Вторичный ток/напряжение |
0x0014 |
F1032 |
4 |
Частота |
0x0016 |
F1032 |
4 |
Первичный ток/напряжение |
0x0022 |
F0123 |
4 |
Вторичный ток/напряжение |
0x0024 |
F0123 |
4 |
Частота |
0x0026 |
F0123 |
4 |
Первичный ток/напряжение |
0x0032 |
F3210 |
4 |
Вторичный ток/напряжение |
0x0034 |
F3210 |
4 |
Частота |
0x0036 |
F3210 |
4 |
Первичный ток/напряжение |
Физический уровень. Устройство является контролируемой станцией (вторичный Slave). Допустимы следующие конфигурации сети:
• точка-точка;
• радиальная точка-точка;
• магистральная.
В обоих направлениях (управления и контроля) используются несимметричные цепи обмена V.24/V.28 на скоростях 1200 бит/с и более.
На канальном уровне реализована небалансная передача. Адресное поле канального уровня однобайтовое неструктурированное. Максимальная длина кадра в обоих направлениях - 255. Число повторений кадров - 3.
Специальное назначение ASDU к сообщениям класса 2 используется образом, описанным в таблице Г.3.
Таблица Г.3 - Специальное назначение ASDU к сообщениям класса 2
Идентификатор типа |
Причина передачи |
13 |
2,5 |
Общий адрес ASDU настраивается: 1 или 2 байта.
Адрес объекта информации настраивается: 1, 2 или 3 байта, неструктурированный.
Причина передачи настраивается: 1 или 2 байта.
Применяемые стандартные ASDU перечислены в таблице Г.4.
Таблица Г. 4 - Стандартные ASDU и назначенные им причины передачи
Номер |
Описание |
Обозначение |
Причины передачи1 |
13 |
Значение измеряемой величины, короткий формат с плавающей запятой |
M_ME_NC_1 |
2, 5 |
102 |
Команда чтения |
C RD NA 1 |
5 |
Реализованные основные прикладные функции:
-
- общий опрос станции;
-
- фоновое сканирование.
Доступные пользователю объекты информации представлены в таблице Г.5.
Таблица Г.5 - Карта объектов информации в пространстве ГОСТ Р МЭК 60870-5-101
Адрес |
Описание |
1 |
Частота |
2 |
Вторичный ток/напряжение |
3 |
Первичный ток/напряжение |
1Если не указано иначе, то в стандартном направлении.
Приложение Д
(обязятельное)
Работа дискретных выходов
Хвх |
k | ||||
L+d | |||||
L |
' 1 11 |
|\ 4- \ 1 X | |||
L-d |
/ 1 Z -x / 1 |
1 г |
------ | ||
л |
1 1 1 1 |
1 1-- 1 1 1 1 1 1 1 |
1 1 1 —1---► |
T, c
ДВ
Вкл
Выкл
ДВ
Вкл
Выкл
ДВ
Вкл
I
I
I
I
I I
I I
I
I I
I
I
I I I I I I I I I T I
I I
I I I I I I I
I I T I
I I x
I I I I I I I I I +
I I I I
I I
I
I
I
I
I
I
I
I
I
I
I
i
I
I
i
t = 4
I I I I I I I I I T I
I I
T, c
T, c
Выкл
T, c
ДВ
Вкл
I I
I
I
I I
I
I
I I
I
I
Выкл
ДВ
Вкл
I I
I
I
Выкл
ДВ
Вкл
Выкл
I I
I
I
I
I
I
I
I
I I I I I I I I X I
I I
I
I I I I I I I I X I
I I
I
T
I
I
I
I I
I
I
I
I
I
I
I
I
I
I
I
I
I
I
I
I
T, c
T, c
T, c
ДВ - дискретный выход,
L - уставка дискретного выхода.
Примечание - При t = 5, 6, 7, 8 выключение с учетом зоны возврата b.
Рисунок Д.1 - Логика работы дискретных выходов при t = 3, 4, 5, 6, 7, 8
Приложение Е(обязательное)
Значения входных сигналов, допускаемые показания в контрольных точках при измерении и преобразовании входных сигналов
Таблица Е.1 - Проверка основной погрешности при измерении напряжения и силы тока
Условное обозначение диапазона измерений (b1*), номинальное зна чение входного сигнала (Nk) |
Контроль ная точка |
Проверяемая отметка в % от номинального значения входного сигнала(х) |
Эталонное значение входного сигнала в единицах измеряемой величины (N) |
Допускаемые значения показаний прибора**, в единицах измеряемой величины (N) | |
класс точности 0,2 |
класс точности 0,5 | ||||
1 В, 1 А |
1 |
2 |
0,02 |
от 0,018 до 0,022 |
от 0,015 до 0,025 |
2 |
20 |
0,20 |
от 0,198 до 0,202 |
от 0,195 до 0,205 | |
3 |
40 |
0,40 |
от 0,398 до 0,402 |
от 0,395 до 0,405 | |
4 |
50 |
0,50 |
от 0,498 до 0,502 |
от 0,495 до 0,505 | |
5 |
60 |
0,60 |
от 0,598 до 0,602 |
от 0,595 до 0,605 | |
6 |
80 |
0,80 |
от 0,798 до 0,802 |
от 0,795 до 0,805 | |
7 |
100 |
1,00 |
от 0,998 до 1,002 |
от 0,995 до 1,005 | |
8 |
120 |
1,20 |
от 1,198 до 1,202 |
от 1,195 до 1,205 | |
2 В, 2 мА, 2 А |
1 |
2 |
0,04 |
от 0,036 до 0,044 |
от 0,03 до 0,05 |
2 |
20 |
0,40 |
от 0,396 до 0,404 |
от 0,39 до 0,41 | |
3 |
40 |
0,80 |
от 0,796 до 0,804 |
от 0,79 до 0,81 | |
4 |
50 |
1,00 |
от 0,996 до 1,004 |
от 0,99 до 1,01 | |
5 |
60 |
1,20 |
от 1,196 до 1,204 |
от 1,19 до 1,21 | |
6 |
80 |
1,60 |
от 1,596 до 1,604 |
от 1,59 до 1,61 | |
7 |
100 |
2,00 |
от 1,996 до 2,004 |
от 1,99 до 2,01 | |
8 |
120 |
2,40 |
от 2,396 до 2,404 |
от 2,39 до 2,41 | |
5 В, 5 мА, 5 А |
1 |
2 |
0,10 |
от 0,09 до 0,11 |
от 0,075 до 0,125 |
2 |
20 |
1,00 |
от 0,99 до 1,01 |
от 0,975 до 1,025 | |
3 |
40 |
2,00 |
от 1,99 до 2,01 |
от 1,975 до 2,025 | |
4 |
50 |
2,50 |
от 2,49 до 2,51 |
от 2,475 до 2,525 | |
5 |
60 |
3,00 |
от 2,99 до 3,01 |
от 2,975 до 3,025 | |
6 |
80 |
4,00 |
от 3,99 до 4,01 |
от 3,975 до 4,025 | |
7 |
100 |
5,00 |
от 4,99 до 5,01 |
от 4,975 до 5,025 | |
8 |
120 |
6,00 |
от 5,99 до 6,01 |
от 5,975 до 6,025 | |
10 В, 10 мА |
1 |
2 |
0,20 |
от 0,18 до 0,22 |
от 0,15 до 0,25 |
2 |
20 |
2,00 |
от 1,98 до 2,02 |
от 1,95 до 2,05 | |
3 |
40 |
4,00 |
от 3,98 до 4,02 |
от 3,95 до 4,05 | |
4 |
50 |
5,00 |
от 4,98 до 5,02 |
от 4,95 до 5,05 | |
5 |
60 |
6,00 |
от 5,98 до 6,02 |
от 5,95 до 6,05 | |
6 |
80 |
8,00 |
от 7,98 до 8,02 |
от 7,95 до 8,05 | |
7 |
100 |
10,00 |
от 9,98 до 10,02 |
от 9,95 до 10,05 | |
8 |
120 |
12,00 |
от 11,98 до 12,02 |
от 11,95 до 12,05 | |
20 В, 20 мА |
1 |
2 |
0,40 |
от 0,36 до 0,44 |
от 0,3 до 0,5 |
2 |
20 |
4,00 |
от 3,96 до 4,04 |
от 3,9 до 4,1 | |
3 |
40 |
8,00 |
от 7,96 до 8,04 |
от 7,9 до 8,1 | |
4 |
50 |
10,00 |
от 9,96 до 10,04 |
от 9,9 до 10,1 | |
5 |
60 |
12,00 |
от 11,96 до 12,04 |
от 11,9 до 12,1 | |
6 |
80 |
16,00 |
от 15,96 до 16,04 |
от 15,9 до 16,1 | |
7 |
100 |
20,00 |
от 19,96 до 20,04 |
от 19,9 до 20,1 | |
8 |
120 |
24,00 |
от 23,96 до 24,04 |
от 23,9 до 24,1 |
Продолжение таблицы Е.1
Условное обозначение диапазона измерений (b1*), номинальное зна чение входного сигнала (Nk) |
Контроль ная точка |
Проверяемая отметка в % от номинального значе ния входного сигнала(х) |
Эталонное значение входного сигнала в единицах измеряемой величины (N) |
Допускаемые значения показаний прибора**, в единицах измеряемой величины (N) | |
класс точности 0,2 |
класс точности 0,5 | ||||
50 В, 50 мА |
1 |
2 |
1,00 |
от 0,9 до 1,1 |
от 0,75 до 1,25 |
2 |
20 |
10,00 |
от 9,9 до 10,1 |
от 9,75 до 10,25 | |
3 |
40 |
20,00 |
от 19,9 до 20,1 |
от 19,75 до 20,25 | |
4 |
50 |
25,00 |
от 24,9 до 25,1 |
от 24,75 до 25,25 | |
5 |
60 |
30,00 |
от 29,9 до 30,1 |
от 29,75 до 30,25 | |
6 |
80 |
40,00 |
от 39,9 до 40,1 |
от 39,75 до 40,25 | |
7 |
100 |
50,00 |
от 49,9 до 50,1 |
от 49,75 до 50,25 | |
8 |
120 |
60,00 |
от 59,9 до 60,1 |
от 59,75 до 60,25 | |
100 мВ, 100 В, 100 мА |
1 |
2 |
2,00 |
от 1,8 до 2,2 |
от 1,5 до 2,5 |
2 |
20 |
20,00 |
от 19,8 до 20,2 |
от 19,5 до 20,5 | |
3 |
40 |
40,00 |
от 39,8 до 40,2 |
от 39,5 до 40,5 | |
4 |
50 |
50,00 |
от 49,8 до 50,2 |
от 49,5 до 50,5 | |
5 |
60 |
60,00 |
от 59,8 до 60,2 |
от 59,5 до 60,5 | |
6 |
80 |
80,00 |
от 79,8 до 80,2 |
от 79,5 до 80,5 | |
7 |
100 |
100,00 |
от 99,8 до 100,2 |
от 99,5 до 100,5 | |
8 |
120 |
120,00 |
от 119,8 до 120,2 |
от 119,5 до 120,5 | |
150 мВ 150 В |
1 |
2 |
3,00 |
от 2,7 до 3,3 |
от 2,25 до 3,75 |
2 |
20 |
30,00 |
от 29,7 до 30,3 |
от 29,25 до 30,75 | |
3 |
40 |
60,00 |
от 59,7 до 60,3 |
от 59,25 до 60,75 | |
4 |
50 |
75,00 |
от 74,7 до 75,3 |
от 74,25 до 75,75 | |
5 |
60 |
90,00 |
от 89,7 до 90,3 |
от 89,25 до 90,75 | |
6 |
80 |
120,00 |
от 119,7 до 120,3 |
от 119,25 до 120,75 | |
7 |
100 |
150,00 |
от 149,7 до 150,3 |
от 149,25 до 150,75 | |
8 |
120 |
180,00 |
от 179,7 до 180,3 |
от 179,25 до 180,75 | |
200 мВ, 200 В, 200 мА |
1 |
2 |
4,00 |
от 3,6 до 4,4 |
от 3 до 5 |
2 |
20 |
40,00 |
от 39,6 до 40,4 |
от 39 до 41 | |
3 |
40 |
80,00 |
от 79,6 до 80,4 |
от 79 до 81 | |
4 |
50 |
100,00 |
от 99,6 до 100,4 |
от 99 до 101 | |
5 |
60 |
120,00 |
от 119,6 до 120,4 |
от 119 до 121 | |
6 |
80 |
160,00 |
от 159,6 до 160,4 |
от 159 до 161 | |
7 |
100 |
200,00 |
от 199,6 до 200,4 |
от 199 до 201 | |
8 |
120 |
240,00 |
от 239,6 до 240,4 |
от 239 до 241 | |
250 мВ, 250 В |
1 |
2 |
5,00 |
от 4,5 до 5,5 |
от 3,75 до 6,25 |
2 |
20 |
50,00 |
от 49,5 до 50,5 |
от 48,75 до 51,25 | |
3 |
40 |
100,00 |
от 99,5 до 100,5 |
от 98,75 до 101,25 | |
4 |
50 |
125,00 |
от 124,5 до 125,5 |
от 123,75 до 126,25 | |
5 |
60 |
150,00 |
от 149,5 до 150,5 |
от 148,75 до 151,25 | |
6 |
80 |
200,00 |
от 199,5 до 200,5 |
от 198,75 до 201,25 | |
7 |
100 |
250,00 |
от 249,5 до 250,5 |
от 248,75 до 251,25 | |
8 |
120 |
300,00 |
от 299,5 до 300,5 |
от 298,75 до 301,25 |
Продолжение таблицы Е.1
Условное обозначение диапазона измерений (b1*), номинальное значение входного сигнала (Nk) |
Контроль-ная точка |
Проверяемая отметка в % от номиналь ного значения входного сигнала (х) |
Эталонное значение входного сигнала в единицах измеряемой величины (Nx) |
Допускаемые значения показаний прибора**, в единицах измеряемой величины (N) | |
класс точности 0,2 |
класс точности 0,5 | ||||
380 В |
1 |
2 |
7,60 |
от 6,8 до 8,4 |
от 5,6 до 9,6 |
2 |
20 |
76,00 |
от 75,2 до 76,8 |
от 74,0 до 78,0 | |
3 |
40 |
152,00 |
от 151,2 до 152,8 |
от 150,0 до 154,0 | |
4 |
50 |
190,00 |
от 189,2 до 190,8 |
от 188,0 до 192,0 | |
5 |
60 |
228,00 |
от 227,2 до 228,8 |
от 226,0 до 230,0 | |
6 |
80 |
304,00 |
от 303,2 до 304,8 |
от 302,0 до 306,0 | |
7 |
100 |
380,00 |
от 379,2 до 380,8 |
от 378,0 до 382,0 | |
8 |
120 |
456,00 |
от 455,2 до 456,8 |
от 454,0 до 458,0 | |
500 мВ, 500 В, 500 мА |
1 |
2 |
10,00 |
от 9 до 11 |
от 7,5 до 12,5 |
2 |
20 |
100,00 |
от 99 до 101 |
от 97,5 до 102,5 | |
3 |
40 |
200,00 |
от 199 до 201 |
от 197,5 до 202,5 | |
4 |
50 |
250,00 |
от 249 до 251 |
от 247,5 до 252,5 | |
5 |
60 |
300,00 |
от 299 до 301 |
от 297,5 до 302,5 | |
6 |
80 |
400,00 |
от 399 до 401 |
от 397,5 до 402,5 | |
7 |
100 |
500,00 |
от 499 до 501 |
от 497,5 до 502,5 | |
8 |
120 |
600,00 |
от 599 до 601 |
от 597,5 до 602,5 | |
750 В |
1 |
2 |
15,00 |
от 13,5 до 16,5 |
от 11,25 до 18,75 |
2 |
20 |
150,00 |
от 148,5 до 151,5 |
от 146,25 до 153,75 | |
3 |
40 |
300,00 |
от 298,5 до 301,5 |
от 296,25 до 303,75 | |
4 |
50 |
375,00 |
от 373,5 до 376,5 |
от 371,25 до 378,75 | |
5 |
60 |
450,00 |
от 448,5 до 451,5 |
от 446,25 до 453,75 | |
6 |
80 |
600,00 |
от 598,5 до 601,5 |
от 596,25 до 603,75 | |
7 |
100 |
750,00 |
от 748,5 до 751,5 |
от 746,25 до 753,75 | |
8 |
120 |
900,00 |
от 898,5 до 901,5 |
от 896,25 до 903,75 | |
1000 мВ, 1000 мА |
1 |
2 |
20,00 |
от 18 до 22 |
от 15 до 25 |
2 |
20 |
200,00 |
от 198 до 202 |
от 195 до 205 | |
3 |
40 |
400,00 |
от 398 до 402 |
от 395 до 405 | |
4 |
50 |
500,00 |
от 498 до 502 |
от 495 до 505 | |
5 |
60 |
600,00 |
от 598 до 602 |
от 595 до 605 | |
6 |
80 |
800,00 |
от 798 до 802 |
от 795 до 805 | |
7 |
100 |
1000,00 |
от 998 до 1002 |
от 995 до 1005 | |
8 |
120 |
1200,00 |
от 1198 до 1202 |
от 1195 до 1205 | |
2000 мВ, 2000 мА |
1 |
2 |
40,00 |
от 36 до 44 |
от 30 до 50 |
2 |
20 |
400,00 |
от 396 до 404 |
от 390 до 410 | |
3 |
40 |
800,00 |
от 796 до 804 |
от 790 до 810 | |
4 |
50 |
1000,00 |
от 996 до 1004 |
от 990 до 1010 | |
5 |
60 |
1200,00 |
от 1196 до 1204 |
от 1190 до 1210 | |
6 |
80 |
1600,00 |
от 1596 до 1604 |
от 1590 до 1610 | |
7 |
100 |
2000,00 |
от 1996 до 2004 |
от 1990 до 2010 | |
8 |
120 |
2400,00 |
от 2396 до 2404 |
от 2390 до 2410 |
Продолжение таблицы Е.1
пазону измерений входного сигнала.
Примечание - В таблице приведены расчетные значения допускаемых значений, при проверке приборов учитывать установленное на приборе количество знаков после запятой.
Условное обозначение диапазона измерений (b1*), номинальное значение входного сигнала (Nk) |
Контроль-ная точка |
Проверяемая отметка в % от номинального значения входного сигнала (х) |
Эталонное значение входного сигнала в единицах измеряемой величины (Nx) |
Допускаемые значения показаний прибора**, в единицах измеряемой величины (N) | |
класс точности 0,2 |
класс точности 0,5 | ||||
5000 мВ, 5000 мА |
1 |
2 |
100,00 |
от 90 до 110 |
от 75 до 125 |
2 |
20 |
1000,00 |
от 990 до 1010 |
от 975 до 1025 | |
3 |
40 |
2000,00 |
от 1990 до 2010 |
от 1975 до 2025 | |
4 |
50 |
2500,00 |
от 2490 до 2510 |
от 2475 до 2525 | |
5 |
60 |
3000,00 |
от 2990 до 3010 |
от 2975 до 3025 | |
6 |
80 |
4000,00 |
от 3990 до 4010 |
от 3975 до 4025 | |
7 |
100 |
5000,00 |
от 4990 до 5010 |
от 4975 до 5025 | |
8 |
120 |
6000,00 |
от 5990 до 6010 |
от 5975 до 6025 |
* Параметр кода условного обозначения ЩПа - b1,b2 - с - d - e - f - g - h.
** Для определения основной погрешности на диапазоне показаний, соответствующем диа-
Таблица Е.2 - Проверка основной погрешности при измерении частоты входного сигнала
Диапазон частот, Гц |
Контрольная точка |
Частота входного сигнала, Гц |
Допускаемые значения показания прибора, Гц, с допуском 0,8 от предела основной погрешности | |
расчетное значение |
с учетом округления | |||
от 45 до 65 |
1 |
45 |
от 44,992 до 45,008 |
от 44,99 до 45,01 |
2 |
48 |
от 47,992 до 48,008 |
от 47,99 до 48,01 | |
3 |
50 |
от 49,992 до 50,008 |
от 49,99 до 50,01 | |
4 |
52 |
от 51,992 до 52,008 |
от 51,99 до 52,01 | |
5 |
55 |
от 54,992 до 55,008 |
от 54,99 до 55,01 | |
6 |
60 |
от 59,992 до 60,008 |
от 59,99 до 60,01 | |
7 |
65 |
от 64,992 до 65,008 |
от 64,99 до 65,01 | |
от 300 до 500 |
1 |
300 |
от 299,92 до 300,08 |
от 299,9 до 300,1 |
2 |
350 |
от 349,92 до 350,08 |
от 349,9 до 350,1 | |
3 |
400 |
от 399,92 до 400,08 |
от 399,9 до 400,1 | |
4 |
450 |
от 449,92 до 450,08 |
от 449,9 до 450,1 | |
5 |
500 |
от 499,92 до 500,08 |
от 499,9 до 500,1 |
Примечание - При необходимости проверку проводить при любых значениях частоты в диапазоне, в зависимости от исполнения, от 45 до 65 Гц (допускаемая абсолютная погрешность ±0,01 Гц) или от 300 до 500 Гц (допускаемая абсолютная погрешность ±0,1 Гц).
Таблица Е.3 - Проверка основной погрешности при преобразовании напряжений и токов
Контроль-ная точка |
Проверяемая отметка в % от номинального входного сигнала (х) |
Расчетные значения выходного аналогового сигнала (Nx), мА |
Допускаемые значения выходного тока, мА, класс точности 0,5 (N) | ||||
от 0 до 5 мА |
от 0 до 20 мА |
от 4 до 20 мА |
от 0 до 5 мА, 0...2,5...5 мА |
от 0 до 20 мА, 0...10...20 мА |
от 4 до 20 мА, 4...12...20 мА | ||
1 |
2 |
0,1 |
0,4 |
4,32 |
от 0,075 до 0,125 |
от 0,3 до 0,5 |
от 4,22 до 4,42 |
2 |
20 |
1 |
4 |
7,2 |
от 0,975 до 1,025 |
от 3,9 до 4,1 |
от 7,1 до 7,3 |
3 |
40 |
2 |
8 |
10,4 |
от 1,975 до 2,025 |
от 7,9 до 8,1 |
от 10,3 до 10,5 |
4 |
50 |
2,5 |
10 |
12 |
от 2,475 до 2,525 |
от 9,9 до 10,1 |
от 11,9 до 12,1 |
5 |
60 |
3 |
12 |
13,6 |
от 2,975 до 3,025 |
от 11,9 до 12,1 |
от 13,5 до 13,7 |
6 |
80 |
4 |
16 |
16,8 |
от 3,975 до 4,025 |
от 15,9 до 16,1 |
от 16,7 до 16,9 |
7 |
100 |
5 |
20 |
20 |
от 4,975 до 5,025 |
от 19,9 до 20,1 |
от 19,9 до 20,1 |
8 |
120 |
6 |
24 |
23,2 |
от 5,975 до 6,025 |
от 23,9 до 24,1 |
от 23,1 до 23,3 |
Контроль-ная точка |
Проверяемая отметка в % от номинального входного сигнала (х) |
Расчетные значения напряжения на нагрузке (N) В |
Допускаемые значения напряжения на нагрузке, В, класс точности 0,5 (N) | ||||
от 0 до 5 мА |
от 0 до 20 мА |
от 4 до 20 мА |
от 0 до 5 мА, 0.2,5.5 мА 2,5 кОм |
от 0 до 20 мА, 0.10...20 мА 500 Ом |
от 4 до 20 мА, 4.12...20 мА 500 Ом | ||
1 |
2 |
0,25 |
0,2 |
2,16 |
от 0,1875 до 0,3125 |
от 0,15 до 0,25 |
от 2,11 до 2,21 |
2 |
20 |
2,5 |
2 |
3,6 |
от 2,4375 до 2,5625 |
от 1,95 до 2,05 |
от 3,55 до 3,65 |
3 |
40 |
5 |
4 |
5,2 |
от 4,9375 до 5,0625 |
от 3,95 до 4,05 |
от 5,15 до 5,25 |
4 |
50 |
6,25 |
5 |
6 |
от 6,1875 до 6,3125 |
от 4,95 до 5,05 |
от 5,95 до 6,05 |
5 |
60 |
7,5 |
6 |
6,8 |
от 7,4375 до 7,5625 |
от 5,95 до 6,05 |
от 6,75 до 6,85 |
6 |
80 |
10 |
8 |
8,4 |
от 9,9375 до 10,0625 |
от 7,95 до 8,05 |
от 8,35 до 8,45 |
7 |
100 |
12,5 |
10 |
10 |
от 12,4375 до 12,5625 |
от 9,95 до 10,05 |
от 9,95 до 10,05 |
8 |
120 |
15 |
12 |
11,6 |
от 14,9375 до 15,0625 |
от 11,95 до 12,05 |
от 11,55 до 11,65 |
Примечания
-
1 Расчетное значение выходного аналогового сигнала вычисляют по формуле:
Nx = (1кон — 1нач) -х:100+ 1нач,
-
2 Расчетное значение напряжения на нагрузке вычисляют по формуле:
Nx = ((1кон — 1нач) -х:100+1нач) R,
где х - значение проверяемой отметки, %,
1кон, 1нач - конечное и начальное значение диапазона аналогового выхода в мА, R - сопротивление нагрузки в кОм
Таблица Е.4 - Проверка основной погрешности при преобразовании частоты входного сигнала в выходной аналоговый сигнал
Диапазон частот, Гц |
Контрольная точка |
Проверяемая отметка, Гц (х) |
Расчетные значения выходного аналогового сигнала, мА |
Допускаемые значения выходного тока, мА, класс точности 0,5, с допуском 0,8 от предела основной погрешности (N) | ||||
от 0 до 5 мА |
от 0 до 20 мА |
от 4 до 20 мА |
от 0 до 5 мА, 0...2,5...5 мА |
от 0 до 20 мА, 0.10...20 мА |
от 4 до 20 мА, 4.12...20 мА | |||
от 45 до 55 |
1 |
45 |
0 |
0 |
4 |
от 0 до 0,02 |
от 0 до 0,08 |
от 3,92 до 4,08 |
2 |
48 |
1,5 |
6 |
8,8 |
от 1,48 до 1,52 |
от 5,92 до 6,08 |
от 8,72 до 8,88 | |
3 |
50 |
2,5 |
10 |
12 |
от 2,48 до 2,52 |
от 9,92 до 10,08 |
от 11,92 до 12,08 | |
4 |
52 |
3,5 |
14 |
15,2 |
от 3,48 до 3,52 |
от 13,92 до 14,08 |
от 15,12 до 15,28 | |
5 |
55 |
5 |
20 |
20 |
от 4,98 до 5,02 |
от 19,92 до 20,08 |
от 19,92 до 20,08 | |
от 300 до 500 |
1 |
300 |
0 |
0 |
4 |
от 0 до 0,02 |
от 0 до 0,08 |
от 3,92 до 4,08 |
2 |
350 |
1,25 |
5 |
8 |
от 1,23 до 1,27 |
от 4,92 до 5,08 |
от 7,92 до 8,08 | |
3 |
400 |
2,5 |
10 |
12 |
от 2,48 до 2,52 |
от 9,92 до 10,08 |
от 11,92 до 12,08 | |
4 |
450 |
3,75 |
15 |
16 |
от 3,73 до 3,77 |
от 14,92 до 15,08 |
от 15,92 до 16,08 | |
5 |
500 |
5 |
20 |
20 |
от 4,98 до 5,02 |
от 19,92 до 20,08 |
от 19,92 до 20,08 | |
Диапазон частот, Гц |
Контрольная точка |
Проверяемая отметка, Гц (х) |
Расчетные значения напряжения на нагрузке, В |
Допускаемые значения напряжения на нагрузке, В, класс точности 0,5, с допуском 0,8 от предела основной погрешности (N) | ||||
от 0 до 5 мА |
от 0 до 20 мА |
от 4 до 20 мА |
от 0 до 5 мА, 0.2,5.5 мА 2,5 кОм |
от 0 до 20 мА, 0.10...20 мА 500 Ом |
от 4 до 20 мА, 4.12...20 мА 500 Ом | |||
от 45 до 55 |
1 |
45 |
0 |
0 |
2 |
от 0 до 0,05 |
от 0 до 0,04 |
от 2 до 2,04 |
2 |
48 |
3,75 |
3 |
4,4 |
от 3,7 до 3,8 |
от 2,96 до 3,04 |
от 4,36 до 4,44 | |
3 |
50 |
6,25 |
5 |
6 |
от 6,2 до 6,3 |
от 4,96 до 5,04 |
от 5,96 до 6,04 | |
4 |
52 |
8,75 |
7 |
7,6 |
от 8,7 до 8,8 |
от 6,96 до 7,04 |
от 7,56 до 7,64 | |
5 |
55 |
12,5 |
10 |
10 |
от 12,45 до 12,55 |
от 9,96 до 10,04 |
от 9,96 до 10,04 | |
от 300 до 500 |
1 |
300 |
0 |
0 |
2 |
от 0 до 0,05 |
от 0 до 0,04 |
от 2 до 2,04 |
2 |
350 |
3,125 |
2,5 |
4 |
от 3,075 до 3,175 |
от 2,46 до 2,54 |
от 3,96 до 4,04 | |
3 |
400 |
6,25 |
5 |
6 |
от 6,2 до 6,3 |
от 4,96 до 5,04 |
от 5,96 до 6,04 | |
4 |
450 |
9,375 |
7,5 |
8 |
от 9,325 до 9,425 |
от 7,46 до 7,54 |
от 7,96 до 8,04 | |
5 |
500 |
12,5 |
10 |
10 |
от 12,45 до 12,55 |
от 9,96 до 10,04 |
от 9,96 до 10,04 |
Примечания
-
1 Расчетное значение выходного аналогового сигнала вычисляют по формуле:
Nx = (1кон — 1нач) -х:100+ 1нач,
-
2 Расчетное значение напряжения на нагрузке вычисляют по формуле:
Nx = ((1кон — 1нач) -х:100+1нач) R,
где х - значение проверяемой отметки, %,
1кон, 1нач - конечное и начальное значение диапазона аналогового выхода в мА, R - сопротивление нагрузки в кОм
ЛИСТ РЕГИСТРАЦИИ ИЗМЕНЕНИЙ | |||||||||
Изм. |
Номера листов (страниц) |
Всего листов (страниц) в докум. |
№ докум. |
Входящий № сопроводительного докум.и дата |
Подпись |
Дата | |||
измененных |
замененных |
новых |
аннулированных | ||||||
1 |
- |
86, 87 |
- |
- |
88 |
ПЧА 354-2012 |
18.01.13 | ||
2 |
- |
11, 20-23, 45, 50 |
- |
- |
88 |
ПЧА 59-2013 |
15.03.13 | ||
3 |
- |
7 |
- |
- |
88 |
ПЧА 259-2013 |
25.09.13 | ||
4 |
- |
51 |
- |
- |
88 |
ПЧА 260-2013 |
07.10.13 | ||
5 |
- |
2-4, 30-36, 44-49, 52, 57, 82, 86, 87 |
- |
- |
88 |
ПЧА 295-2013 |
28.11.13 | ||
6 |
- |
29 |
- |
- |
88 |
ПЧА 386-2013 |
18.12.13 | ||
7 |
- |
8, 85 |
- |
- |
88 |
ПЧА 126-2014 |
07.05.14 | ||
71