Руководство по эксплуатации «Мост одинарно-двойной Р3009» (3.454.019 ТО)
Ря ^'i И с ОГ№С~ С Не ^-с - /Чц
электроМераПО <Краснодарский ЗИП»
ОКП 422521

Техническое описание и инструкция по эксплуатации 3.454.019 ТО
Р3009Мост одинарнодвойной
I/ температура окружающего воздуха в продолах, указанных в табл. 1 графа 11;
2/ относительная влажность воздуха от 43 до 80 %;
3/ отсутствие вибрации, тряски, упарок, влияющих на работу моста;
4/ напряжение источника питания БИ моста или ток через измеряемое и образцовое сопротивления выбираются согласно табл.1, табл.ХО.
Перед проведением поверки должны быть выполнены следующие подготовительные работы;
I/ установите блок усилителя на кронштейн, закрепленный на капитальной стене;
2/ соедините между собой блоки АК и У посредством кабеля;
3/ подключите блок АК к зажимам "Г" блока БИ;
4/ заземлите блоки БИ, АК и У;
5/ каждый из соединительных проводников для включения измеряемого и образцового сопротивлений в схему БИ моста должен иметь сопротивление не более I0~3Q (входят в комплект);
6/ сопротивление входящей в комплект перемычки (С ), соединяющий токовые зажимы измеряемого и образцового сопротивлений (схема измерения МД-1 или МД-2) должно быть не более 10_3Я ;
7/ минимальное время выдержки прибора при нормальной температуре 2 h;
8/ мост должен быть предварительно подстроен (см.раздел 12).
6.3. Проведение поверки
6.3.1. Внешний осмотр
При проведении внешнего осмотра должно быть установлено соответствие моста следующим требованиям:
исправность контактных зажимов;
надежность закрепления отдельных частей моста; соответствие маркировки моста требованиям технических условий;
соответствие комплектности моста требованиям технических условий.
Мосты, находящиеся в эксплуатации или выпускаемые из ремонта, не подвергаются дальнейшей поверке, если при внешнем осмотре их будет обнаружен хотя бы один из следующих дефектов:
23
отсутствуют, расшатаны или повреждены наружные части (штепсели, зажимы);
неисправны рычажные переключатели;
штепсели не соответствуют штепсельным гнездам;
внутри моста находятся, обнаруживаемые на слух при наклонах прибора, посторонние предметы или незакрепленные части.
Таблица 5
Наименование операций |
Номера пунктов операции повеоки |
изтва поверки и их норматив-■ехнические характеристики |
I. Внешний осмотр | ||
БИ, АК, У |
6.3.1 |
Визуально |
2. Определение |
6.3.2.1 |
Тераомметр EK6-II или Е6-8. |
сопротивления изоля |
Рабочее напряжение 100-250 V, | |
ции БИ, АК, У |
погрешность измерения х 20 % | |
3.Проверка электри- |
6.3.2.2 |
СпецустаноЕка, дающая испыта- |
ческой прочности |
тельное напряжение 1,5 kV пере- | |
изоляции БИ,АК,У |
менного тока частоты 50 Hz | |
4. Проверка контак- |
6.3.2.3 |
Омметр M37I магнитоэлектричес- |
та наружных метал- |
кой системы. Модификация | |
лических частей с |
10/100 Q . Основная погрешность | |
корпусом БИ, АК, У 5. Определение основной погрешности |
± 1,5 % от длины рабочей части шкалы. Допускается использование другого прибора о параметрами не хуже указанных. | |
5.1. Поэлементная |
6.3.3.1 |
Мост Р39, или Р369 или Р3009. |
поверка |
Катушки электрического сопротивления, измерительные P33I I03, IO4, IO5 Q класса точности 0.0L Магазин сопротивления постоянного тока Р327 класса точности 0,01 или любой другой более высокого класса точности | |
5.2. Комплектная |
6.3,3.2 |
Катушки электрического оопро- |
поверка |
тивления измерительные P3I0 IO-3 Q , |
Наименование операций |
Номера пунктов операции поверки |
Средства поверки и их нормативно-технические характеристики |
класса точности 0,02; P3I0, I0~2 Q , класса точности 0,01; P32I, I Q и 0,10 класса точности 0,01;Р331 10^, I04 и I05 <5, класса точности 0,01; P40II, 10®О , класса точности 0,01; P402I, 10?Р , класса точности 0,01. Магазин сопротивления постоянного тока Р4043 10x10® Q, класса точности 0,1 или катушка сопротивления Р4085 класса 0,05. Имитатор электрического сопротивления I0~5 Q . Допустимая погрешность действительного значения эквивалентного сопротивления Нэ не более 0,01 % Допускается использовать другие приборы с параметрами не хуже указанных. |
-
6.3.2. Определение сопротивления и прочности изоляции
-
6.3.2.1. Сопротивление изоляции проверяется мегаомметром или тераомметром при напряжении 100-250 V.
Погрешность измерения сопротивления изоляции не должна превышать ± 20%. Отсчет показаний при измерении сопротивления изоляции должен производиться через I min или более после подачи напряжения на испытуемый мост.
Сопротивление изоляции соединительных проводов должно быть не менее, чем в 10 раз выше измеряемого сопротивления.
Сопротивление изоляции между половинами гнезд штепсельных переключателей MI и М2 (табл.2) должно определяться в режиме МО-2 (все декады на "нулях").
Сопротивление изоляции между всеми токоведущими частями и корпусом определяется между соединенными накоротко всеми зажимами моста (кроме зажима ” X- ") и зажимом " -X " •
Если сопротивление изоляции какого-либо из блоков моста ниже указанного, то дальнейшую проверку не производят.
-
6.3.2.2. Проверка электрической прочности изоляции БИ моста производится между всеми соединенными зажимами (кроме зажима « ") и корпусом моста.
Соединенные вместе зажимы подключают к высоковольтному выводу повышающего трансформатора, другой вывод которого подключают к корпусу.
Установку для испытания электрической прочности изоляции блоков моста включают в сеть напряжением 220 V, частотой 50 Hz после принятия необходимых мер по технике безопасности.
Затем при помощи регулирующего устройства испытательное напряжение изменяют от 100 V до заданного значения за время от 5 до 20 ей поддерживают его в течение I min. Снижение испытательного напряжения производится с той же скоростью, что и его повышение.
-
6.3.2.3. Проверку соединения зажима для заземления корпу са БИ, АК, У моста и всех наружных металлических частей (за исключением токоведущих) с корпусами блоков моста производят с помощью омметра .
Сопротивление между зажимами для заземления и корпусами блоков моста, а также между любыми наружными металлическими частями и зажимами для заземления не должно превышать I Q.
-
6.3.3. Определение метрологических параметров Определение основной погрешности БИ моста производится
после предварительной поэлементной подстройки путем комплектной и поэлементной поверок один раз в шесть месяцев.
-
6.3.3.1. Поэлементная поверка (подстройка).
Поэлементная поверка заключается в определении поправок к сопротивлениям плеч MI, М2 и плеча сравнения Н.
Для поэлементной поверки сопротивлений плеч моста используются средства поверки в соответствии с табл. 5.
Поверяемый прибор должен соответствовать установленным допускам при температуре (£ +1) °C, где f - температура, при которой он подстроен.
Допуск на подстройку устанавливается равным 0,2 допуска на поверку.
-
I) Поверка сопротивлений плеч MI и М2
Поверку сопротивлений производите на любом из указанных мостов методом замещения, для чего измерьте на мосте в соответствующей схеме измерения (МО-4 на Р39 и Р369 и М-4 на Р3009) ОМЭС 10 Q , введите поправку на нее в показание моста по формуле (4а):
Нн = В - Д , (4а)
где Йн - показание плеча сравнения моста, соответствующее номинальному значению ОМЭС;
R - показание плеча сравнения моста, соответствующее действительному значению ОМЭС;
д - поправка на ОМЭС, выраженная в единицах отсчета по плечу сравнения моста.
Пример: ОМЭС 10 Q имеет действительное значение 10,00036 0, следовательно, поправка на нее равна + 0,00036 Q . Пусть .для поверю используется мост Р369. Принимаем сопротивления плеч отношения Вв = I02 Й , Вс = 10“ Q , тогда номинально»® значению 0ЮС 10 2 в идеальном случае (при погрешности моста, равной нулю) будет соответствовать Вд = 10000 Й ,
Если значению Ж = 10 Q соответствует Пд » 10000 О , то значению поправки + 0,00036 й буж® соответствовать значе вяе Кд = 0,36 й 5 т.е,. Д = в 0,36 О .
и^аиъ при измерении данной 0®С на данной мосте пожучено значение Вд = 10000,52 Q s т.е. R (см.формуду) = 10000,52 Q «
Тогда йн = Я - 4 = 10000,52 ~ 0,36 = 10000,13 Q .
Установите в плече сравнения моста значение
10000Д6 Q .
Произведите измерение М1=0,01 ж М2=0,01 (10 Q ); затем измерьте в схеме МО-2 поочередно ОМЭС IO2 Q , М1=0Д и М2=0Д (КО Q ), ОМЭС IO3 Q , М1=1 л 142=1 (1000 2) и т.д., до ?Й=100, М2=100 включительно.
Измерение «1=1000 и M2=I000 (IMS?) производите без предварительного измерения ОМЭС I МО, т.к. любой из указан-пых мостов имеет достаточно высокий класс точности, исключающий необходимость учета поправки.
Подсчитайте полученные в результате измерений поправки по формуле (46):
S М = L02--& ■ %, (46)
Rh
где йи - показание плеча сравнения моста, соответствующее значению измеряемого сопротивления.
Вн - см. формулу (4а).
Подсчитанные поправки запишите в таблицу по форме табл.6.
Переключатель рода работы (ПРР) при поверке сопротивлений плеча М2 должен быть в положении МО-2, при поверке плеча MI -- в любом положении.
При поверке сопротивлений плеча MI и М2 штепсель должен быть установлен в гнездо, соответствующее поверяемому сопротивлению.
Измерения сопротивлений плеча MI производите с зажимов "2" и "ОТ", плеча М2 - с зажимов "3" и "П4".
.Зля подключения могут быть использованы достаточно гибкие нужной длины проводники (не калиброванные), но одни и те же, как для ОМЭС, так и для поверяемого моста.
Таблица б
Значение поверяемого сопротивления |
Подстроечные резисторы |
Поправка, $ | |||||
(Г М2 | |||||||
MI М2 |
Q |
MI |
М2 |
измеренная |
допустимая |
измеренная |
допустимая |
0,01 |
10 |
вз |
RII |
<Гмгт= |
0,02 |
5 M2j= |
0,03 |
0,1 |
100 |
Й8, В9 |
BI9.H20 |
Jmi?= |
0,003 |
5 M29= |
0,01 |
I |
1000 |
ВД6.В17 |
В27.Й28 |
Jmi,= |
0,003 |
Jm2,= |
0,005 |
10 |
10000 |
Й24.Й25 |
В34.В35 |
Jmi4= |
0,003 |
5m2,= |
0,005 |
100 |
100000 |
B3I.B32 |
В38.В39 |
5mi5= |
0,003 |
JM24= |
0.OO5 |
1000 |
L000000 |
- |
- |
5mi6= |
0,15 |
5m26= |
0,15 |
-
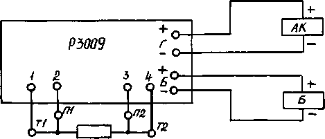
2) Поверка сопротивления BJ = 900 Q (B48-B5I) Установите ПРР в положение МД-1, M2=0,I, MI - в любое и измерьте сопротивление с зажимов "3" и "ПЗ" моста (рис.II).
Измерение это рекомендуется производить сразу после измерения М1=1 и М2=1, чтобы можно было воспользоваться полученной для измерения MI и М2 поправкой на мост.
Схема для поверки BJ = 900 Q

Рис. II.
Определите поправку £ Rd в процентах по формуле (4в):
S Bd = , (4в)
0,9
где S - полученная в результате данного измерения поправка; $М22 - поправка, полученная при поверке №2=0,1.
Резисторы грубой и точной подстройки В50 и B5I соответственно. Допуск при поверке 0,02%.
-
3) Поверка сопротивлений плвча сравнения В
Соберите схему рис.12.
Схема дай поверки плеча сравнения В

Вх - магазин сопротивлений
Рис.12
ПРР установите в положение МО-2.
Полярность подключения АК и Б должна быть такой, чтобы увеличение отсчета Вх при прямом направлении тока вызывало перемещение указателя по шкале в сторону "минуса".
При этом образуется одинарный мост, поправки для трех плеч которого известны (SMI и Sm2 см. в табл.6, магазин Р327 также должен иметь поправки ЯВх соответствующие значениям Вх, записанным в формуляре в соответствии с ГОСТ 23737-79).
При наличии магазина сопротивлений, поправки к показаниям которого не превышают 0,002% для I-Ш декад, он может быть использован без учета поправок, что упрощает поверку. Поверка 1,П и Ш декад должна производиться согласно табл.7. Поверка 1У,У и У1 декад должна производиться согласно табл.8.
Поверяемые декады условно обозначены;
I-A, П-В, Ш-С, 1У-Д, У-Е, У1-Р .
Индекс при условном обозначении декады означает число включенных ступеней: так Ад означает, что включено 3 ступени I декады, Д10 - десять ступеней 1У декады и т.д.
Пример: Производится поверка трех ступеней I декады
(Ад). Из табл.7 BXjH=30000 Q .
Пусть SMI3= + 0,0015%, S M24 = - 0,003%
Тогда S =$MI3 + <£М24 = 0,0015 - 0,003= - 0,0015%.
Предположим, что при достижении равновесия схемы на магазине Р327 получено значение Вх и= 30000,2 Q . Тогда $ В = I02- ^«и___SsaH )=IQ^~ ( 30000.2-30000) _
х’и н 30000
= 0,00067 %.
Допустим,что значению Вх н=30000 Я соответствует по формуляру на Р327 действительное значение В„ =30000,6 Q . А Отсюда <^ВХ л=102. (Н-х^~ ^»н ) =Ю2- (30000^ ^00_)=
н 30000
вх,н
= 0,002%
= 0,00067+0,002+0,0015=0,0042%
Пример дан для случая, когда напряжение при поверке не равно рекомендуемому.
ВНИМАНИЕ! Магазин Р327 в случае использования его при температуре,отличной от температуры его поверки, может являться источником погрешности. Он должен быть заключен в термостат или должен бить проверен при разных значениях температур и должен иметь поправки для этих температур.
При невозможности обеспечения требуемых условий (а» следовательно, при недостоверности поправок) рекомендуется использовать вместо магазина Р327 набор ОМЭС типа P33I, состоящий из трех штук по I04 Q и одной - IO5 Q . При этой для проверки работоспособности от четырех до девяти ступеней кавдой декады, рекомендуется использовать любой магазин сопротивлений, имеющий 9 ступеней по IO4 Q .
Поверка от четырех до девяти ступеней кавдой декады должна производиться лишь с целью выявления грубых дефектов путем включения соответствующих ступеней магазина сопротивлений и поверяемой декады и визуального наблюдения за отклонением ука зателя выходного прибора АК при его включении.
В отдельных случаях возможен выход сопротивлений плеч за пределы установленных допусков. Критерием годности такого при бора являются значения, полученные в результате подсчета по формулам (5) и (6):
для МО-2 8 М0-2= + £м2+сГв к 0,02??, (5)
для МД-2 <5ВД = ЙМ12 + £в Д 0,01 % (6)
Значения MI, М2 и 5 должны выбираться в соответствии с параметрами, рекомендуемыми табл.1 ТО для классов точности 0,02 в схеме МО-2 и для 0,01 - в схеме МД-2.
-
4) Поверка встроенного образцового сопротивления
5у = I Q (R44...R47).
Схема для поверки RW=I С
Соберите схему рис. 13

Рис. 13
ОМЭС = IO3 Q
ПРР установите в положение М-4, М1=100, М2=Ю0, 5=10000 О .
Подключение ОМЭС производите проводниками сопротивлением не более I MQ .
Определите (/* в процентах по формуле (7):
С
° ОМЭС
где омэс
- поправка
О М15 и
<Li5- <hI0
процентах,
на ОМЭС в
таблиц 6 и 7 соответст-
венно.
Переведите S* в деления шкалы
выходного прибора АК,
исходя из того, что при U = 10V и при включенной кнопке
ШУНТ АК, на пределе 0,5ju.V 7 дел при одном направлении тока составляет 0,001$. Отсчет в делениях по шкале, соответствующей S является " нулем" для подстраиваемого сопротивления R// в данном приборе. Допуск на поверку +0,005$ или + 3,5 делений на пределе 0,5 yUV (+3,5 делений на пределе 5/uV) по отношению к " нулю ".
Следует пошить, что при работе на пределе 5/tV поправка <$' должна быть переведена в деления, соответствующие данному пределу.
Резисторы грубой и точной подстройки соответственно R45 и 547.
-
5) Поверка замещающих сопротивлений
Установите ПРР поверяемого прибора на МД-2, к зажимам "ПЗ" и "+Г" подключите прибор, обеспечивающий измерение сопротивления от I02 до I04 Q с погрешностью не более 0,2$, от I04 до Ю8Р - с погрешностью не более 2$, и произведите поверку замещающих сопротивлений плеча сравнения. Данные для поверки приведены в табл. 9.
33
Таблица 7
Чувствительность о деле-v ние 0,0015 |
S |
юиэююююююющтт | |
S А А © А 1 |
со КЧ |
ОООкЧОООМ СМ СМ 1-1 СМ | |
8 |
£ о Е-< |
СМ 1-1 |
О to СМ (М О) со СО ^OOiajHOOCOCQHHN ЛфСО^НАЧОНННН |
8§ {={СО О ф Q |
грубо |
ы 1-4 |
Ю fr- ОО CD • ^8 8 о с- ggggaasa 1 1 1 1 |
1 S Е |
i |
О кЧ |
BBS B'S В 8 8 § 8 8 8 оооооооооооо 0000 0*0*000000 |
м 'л | |||
со | |||
* * |
г- | ||
вГ м Ф PS |
00 | ||
-f «? л л |
ю | ||
9 |
ОООООООООООО MkHk-lkHUMHlMOOOO k4 кЧ кЧ ы | ||
Я |
со |
кчмкчкчоооооооо ннчннннн | |
иГ |
СМ |
OOQOOOOQOOQO оооооооооооо оооооооооооо ОООООООООООО HCJCOOHNCOQHNCOO k4 k4 k4 | |
Доверяемое сопротивле ние |
ы |
ООО кчсмоьчнсмо1-чнсмсо1-ч C*40<5CQcqcq«oooo |

определяемое по формуле о Rxtf -10 (Х^— , где и tk^ — отсчёты в делениях шкалы при
прямом и обратном направлениях'тока.
При использовании магазина сопротивлений с погрешностью не более 0,002? отпадает необходимость в определении 5Вх,^ (графа 8) и вводе этого значения в формулу (графа 9).

Поверяемое сопротивление |
Rx,h, Q |
MI |
М2 |
Вх,и, Й |
5в - io2. Вх,н % |
Допуск, |
Рекомендуемое напряжение, V |
Чувствительность S, дел .на допуск |
I |
2 |
3 |
4 |
5 |
6 |
7 |
8 |
9 |
D1 |
10000 |
100 |
100 |
0,20 |
3,00 |
25 | ||
D2 |
20000 |
100 |
100 |
0,15 |
2,45 |
25 | ||
Г>3 |
30000 |
100 |
100 |
0,10 |
2,80 |
25 | ||
PI0 |
100000 |
100 |
100 |
0,П |
1,82 |
25 | ||
Е I |
1000 |
100 |
100 |
2,0 |
2,81 |
25 | ||
Е2 |
2000 |
100 |
100 |
1,5 |
1,91 |
25 | ||
Ез |
3000 |
100 |
100 |
1,0 |
1,95 |
25 | ||
ЕЮ |
10000 |
100 |
100 |
1,1 |
0,61 |
25 | ||
F I |
100 |
100 |
100 |
20 |
2,55 |
25 | ||
F2 |
200 |
100 |
100 |
15 |
1,74 |
25 | ||
F3 |
300 |
100 |
100 |
10 |
1,76 |
25 | ||
Fio |
1000 |
100 |
100 |
II |
0,55 |
25 |
Рекомендуемое напряжение обеспечивает указанную чувствительность на пределе 5ук/при включенной кнопке ШУНТ АК.
Примечание. При поверке в соответствии с указаниями примечания к табл. 7^В должно определяться по формуле S'R =
Таблица 9
Число включенных ступеней |
Номинальное значение сопротивления, Q | |||||
I декада |
II декада |
Ш декада |
1У декада |
У декада |
У1 декада | |
I |
1000,0 |
10000 |
100000 |
1000000 |
10000000 |
100000000 |
2 |
500,0 |
5000 |
50000 |
500000 |
5000000 |
50000000 |
3 |
333,3 |
3333 |
33330 |
333300 |
3330000 |
33300000 |
4 |
250,0 |
2500 |
25000 |
250000 |
2500000 |
25000000 |
5 |
200,0 |
2000 |
20000 |
200000 |
2000000 |
20000000 |
6 |
166,7 |
1667 |
16670 |
166700 |
1667000 |
16670000 |
7 |
142,8 |
1428 |
14280 |
142800 |
1428000 |
14280000 |
8 |
125,0 |
1250 |
12500 |
125000 |
1250000 |
12500000 |
9 |
III,I |
НИ |
ШЮ |
IIII00 |
ииооо |
пиоооо |
10 |
100,0 |
1000 |
10000 |
100000 |
1000000 |
10000000 |
Допуск для I и П декад - 1%, для Ш и 1У декад - 10 %, для У и У1 декад - 20 %.
-
6.3.3.2. Комплектная поверка
Комплектная поверка заключается в измерении на мосте катушек сопротивлений измерительных и магазинов сопротивлений согласно табл.10.
Основная погрешность измерения в процентах при комплектной поверке определяется по формуле (8):
S IL. = -100 (8)
Ryo
где о Нх - погрешность измерения,
йл\х) ~ величина измеряемого сопротивления, полученная при измерении на поверяемом мосте, й ;
Rvo ~ действительное значение измеряемого сопротивления, й .
Величина измеряемого сопротивления Ry(x) определяется в зависимости от схемы измерения по формулам (9-12):
Ry (х) = Ю^’Ау • М2 • R /Ш-I/,
Ry (х) = Ю^-Ау - MI • R /Ш-2/,
где А ы - число,равное действительному значению образцового сопротивления (Ry);
MI, М2 - числовые коэффициенты, отображающие постоянные плечи моста;
R - отсчет по декадам плеча сравнения, Q .
Измеряемое сопротивление Ry (х) = I0“® й (схвма Ш-1) имитируется схемой (рис.14), состоящей из катушки электрического сопротивления измерительной P3I0 класса 0,01 с номинальным значением IO-3 й , к потенциальным концам которой присоединяются катушки электрического сопротивления P33I (IO4 Q) класса 0,01 и последовательно соединенные P33I (100 О ) класса 0,01 и P32I (I й) класса 0,01.
Величина эквивалентного сопротивления имитатора йэ определяется из уравнения (13):
йэ « 10^(1 + IO^Rxa - 10^-<Trl+ I0"?JR2), (13)
где<УНхц , (TRI n<fR2 - отклонения от номинального значения катушек Rxu, RI и R2 в омах (рис.14)
37
Схема комплектной поверки моста с имитатором низкоомных сопротивлений
Р3009
ОтП/Пг Пл Л» О О 6 О о

Б - источник питания ;
S - выключатель ;
А - амперметр с соответствующим пределом измерений;
5Г - переключатель направления тока ;
Rp - регулировочное сопротивление;
Rjy - катушка P3I0 ( 10"®Q );
Bj - катушка P33I ( Ю4Р ) ;
R2 “ последовательно соединенные катушки сопротивлений P33I и P32I (100Q и IQ );
R^ - катушка P3I0 (I0"®Q );
-перемычка между токовыми зажимами Rxv и Ry с сопротивлением не более 10"4Р ;
Tj.Tg - токовые зажимы Нхи и Ry ;
ПрП2 - потенциальные зажимы Rxu и Ry ;
Zc - соединительные проводники сопротивлением не более I Ю"32 каждый.
Рис. 14
Плечо моста (М2) должно бить установлено равным 100 Я (М2 = 0,1).
При определении Rv(x) по формуле <9) в этом случае должно быть принято Av = IO-3, a MI = М2 = 0,1.
6.3.4. Обработка результатов наблюдений
6.3.4.1. Предел допускаемой основной погрешности БИ моста (в % от измеряемого сопротивления) не превышает установленных в табл.1 значений, если вычисление отклонения поверяемых сопротивлений от номинальных значений не превышают допустимых (табл.6, 7, 8, 1Дили установленных формулами (5) и (6)
Таблица 10
Схема измерения |
Измеряв мое сопротивление, Я |
Класс гоч-ности |
’Реко» зш |
«ендуе пенив |
мыв |
Питание моста |
Температура окружающего воздуха, °C | ||
Rv, 2 |
R Q |
MI |
М2 |
*А | |||||
МД-2 МД-1 М-4 МО-2 |
I I0"5 I Ю4 |
0,01 0,05 0,02 0,02 |
10 |
I02
I04 |
0,1 од I |
0,1 0,1 0,1 I |
1(10 Q) 1,5 |
0,1 15 |
2 t± 2 Z±2 |
Примечания: I. £ - температура, при которой подстроен мост.
-
2. При измерениях в режиме М-4 в цепь источника питания (I V) вводится добавочное сопротивление, величина которого указывается в скобках.
-
3. При измерении сопротивления Ю4 Q включить кнопку ШУНТ АК.
39
-
6.3.4.2. По результатам поэлементной поверки в случае необходимости могут бить вычислены поправки для промежуточных значений плеча сравнения БИ моста по формуле (14):
где - показания декад 1-У1 соответственно,
а Ли , сГВл/г , <Ге*«- , Мм - поправки к
номинальным сопротивлениям плеча сравнения (табл. II).
Например, если отсчет по декадам плеча сравнения составляет 178432, то = I» *2 = 7-'‘/3’ = 8’ V4 = 4>V5= 3’У*= 3 в формулу (14), определяющую поправку к R из табл. II, подставляют сГа1,^В?,(£с8,(УД^, л в этом с-’зучае форму
ла (14) примет вид формулы (15):
<Гн =
Лх+ io"1 <Г в7 + ю_2(Гс8+10“3с£о4+10'ЛГе3+10"5^
(15)
1,78432
Таблица II
Номинальное сопротивление, Р |
Допуск, % |
Поправка, полученная при поэлементной поверке или рассчитанная, % |
Постоянное плечо (MI) "0,01я (10 Q ) |
0,02 |
8 М1х |
"0,1" (IO2 Р ) |
0,003 |
<£mi2 |
" I " (I03 й ) |
0,003 | |
"10" (I04 Й ) |
0,003 |
«Гш, |
"100" (I05 я ) |
0,003 |
Jmi5 |
"1000" (I06 0 ) |
0,15 | |
Постоянное плечо (М2) "0,01" \ (10 й ) |
0,03 |
(8 М2Х |
Номинальное сопротивление, |
Допуск, % |
Поправка, полученная при поэлементной повес-кв или рассчитанная, % | |
Q | |||
"0,1" |
(IO2 Q ) |
0,01 | |
(IO3 Q ) |
0,005 |
(Лед | |
"10" |
(IO4 Q) |
0,005 |
Jm24 |
"100" |
(IO5 0 ) |
0,005 |
СГМ25 |
"1000" |
(10? 0 ) |
0,15 | |
Встроенное сопротивление | |||
Ry= I |
Q |
0,005 | |
Добавочное сопротивление | |||
Rd= 900 Q |
0,02 |
jRrf | |
Плечо сравнения | |||
(I .декада) | |||
(io?) Q |
0,005 |
<^I | |
"2" |
(IO3.^) Q |
0,005 | |
"3" |
(ia?s3) R |
0,005 | |
”4** |
(IO3^) Q |
0,005 |
8^2,5^№^5&зП5ХАг-<1^ |
"5" |
(IO3^) Q |
0,005 |
М5=0,б8Аз *0//38Лг |
"6" |
(I0?:6) Q |
0,005 | |
пум |
(IO3;?) 9 |
0,005 |
-ofiSAz -a, fiSAi |
"8" |
(IO3^) Q |
0,005 |
SAg-i,258A<o~o,z5SAi |
"9" |
(1С?:9) 9 |
0,005 |
8A9=1J8Aio-<I1i8Ai |
"10" |
(IO2) Q |
0,005 |
SA10 |
Плечо сравнения | |||
(2 декада) | |||
WJ'W |
(IO4) Q |
0,005 |
cfBj |
"2" |
(IO4^) Q |
0,005 |
<Tb2 |
"3" |
(IO4^) Q |
0,005 |
<<Вз |
(I04:4) Q |
0,005 | ||
"5" |
(IO4^) R |
0,005 |
Номинальное сопротивление, |
Допуск, % |
Поправка,полученная при поэлементной поверке или рассчитанная, % | |
Q | |||
"6" |
(1(Лб) Q |
0,005 |
~О, 128&i |
«г? И |
(I04:7) Q |
0,005 |
$В?=1,02SB-to"0,388/2"0,128в< |
”8" |
(Ю4:8) Q |
0,005 |
SBg= 1, 258Вю-о, zsSBi |
(Ю4:9) Я |
0,005 |
SBs" 1,1 о,118Bj | |
"10" |
(IO3) Q |
0,005 |
88 го |
Плечо |
сравнения (3 декада) (IO5) Q |
0,009 |
8 cx |
”2" |
(IO5^) Я |
0,009 |
S c2 |
"3" |
(I05:3) Я |
0,009 |
S c3 |
"4" |
(IO5^) Я |
0,009 |
"0,258^ |
"5" |
(Ю5:5) Я |
0,009 |
Sts=o, б8С^ *o, os 8Cz |
"6" |
(I05:6) Я |
0,009 |
8C6^628C0-o,58C5 - o, 1?SC< |
(IO5:?) Q |
0,009 |
8С7=Ш8С,0-о,з8£> -o, isSCj | |
П8П |
(105:8) Я |
0,009 |
8Cg-i,25SCfo~0,258^ |
"9” |
(I05:9)Q |
0,009 |
8С.а-1,18C/0 - 0,11 SCi |
"10й |
(IO4) Q |
0,009 |
^CI0 |
Плечо сравнения (4 декада) "I" (IO6) Q |
0,20 | ||
"2" |
(10^:2) Я |
0,15 |
5д2 |
"3" |
(Ю6:3) Я |
0,10 | |
"4" |
(IO6:4)Я |
0,07 | |
"5" |
(10^:5) Q |
0,12 |
oT)g-о,б8^ ^0,00^2 |
"6" |
(10^:6) Q |
0,11 |
<%)e =0,628^ ЧЗЗ&бг |
«|1^н |
(I06:7)Q |
0,11 | |
"8" |
(IO6:8) Q |
0,11 |
frhf o,s8fy >о,388Яз ЩКЗЪ/ |
"9" |
(ic£: 9)9 |
0,11 |
tyWfffyO,358fy '■0,238% |
Номинальное сопротивление, Q |
Допуск, % |
Поправка полученная при поэлементной поверке, или рассчитанная, % |
"Ю" CIO5) Q |
0,11 | |
Плечо сравнения | ||
(5 декада) | ||
"I" (I07) 0 |
2,0 |
Sej |
"2" (Ю7:2) Q |
1,5 |
Se2 |
"3" (I07:3) Q |
1,0 |
Se3 |
"4" (I07:4) Q |
0,7 |
Se4 |
"5" (Ю7:5) Q |
1,2 |
Se5=0,6Se3 + 0,4 Se2 |
"S" (I07:6) Й |
1,1 |
&E6=0,67<£e4 + 0,33 #E2 |
"7" (Ю7:7) Й |
1,1 |
Se^=0,57<Je4 + 0,43 5e3 |
"8" (I07:8) й |
1,1 |
8 Eq=0,5^+0,568E3 f 0JZ5E( |
"9" (I07:9) Q |
1,1 |
8Ед=0//$£г4338£3 ^,Z3S£, |
ПО" (IO6) Q |
1Д |
SFft=o^ ^3S£j '0,zSE2 |
Плечо сравнения | ||
( 6 декада) | ||
"I" СЮ8) й |
20 |
SFi |
"2" (108:2)й |
15 |
SFz |
"3" (I08:3) й |
10 |
SF, |
"4" (108:4) Р |
7 |
SFt |
Номинальное сопротивление, Й |
Допуск, % |
Поправка,полученная при поэлементной поверке, или рассчитанная, % |
"5" (108:5) Q |
12 |
SF5=o,&$F3 + о, 4^А2 |
”6" (I08:6) Q |
II |
2А6=0,67^/г4+0,ЗзГ/Г2 |
"7" (Ю8:7) О |
II |
^А7=0,57^А4+0,43^А2 |
"8" (108:8) Q |
II |
$Fg =0,588+0,38$F3 *0,128Fi |
"9" (Ю8:Э) Я |
II |
8>Fg =0,^8Fr0,338^ +0,238/} |
”10” (107) й |
II |
8F«fOfi$fyo,38F3 ^2SFz^i8Fi |
-
6.3.4.3. Результирующую наибольшую относительную погрешность (Srx) по результатам поэлементной поверки сопротивлений отдельных плеч при необходимости определяют по формулам, приведенным в табл. 12.
Таблица 12
Схема |
Погрешность моста, % |
МД - I |
Sbx = - ( Smi + Sb) |
МД - 2 |
Sbx = - ( Smi + Sb) |
M - 4 |
SBx = - (SBy-tSMI +Sb) |
MO - 2 |
Sbx = - (Smi + Sm2 +Sb) |
Значения поправок, подставляемых в формулы табл. 12, возьмите: Smi, 6М2 - из табл.6, S3, из табл.7, 8, II.