Методика поверки «Тепловычислители СПТ941 (мод. 941.10, 941.11)» (РАЖГ.421412.022 ПМ2)
И81ИМ
ЗАО
НАУЧНО-ПРОИЗВОДСТВЕННАЯ ФИРМА ЛОГИКА
ТЕПЛОВЫЧИСЛИТЕЛИ СПТ941 (мод. 941.10, 941.11) Методика поверки РАЖГ.421412.022 ПМ2
ЛОГИКА
ТЕХНОЛОГИЯ ПРОФЕССИОНАЛОВ
© ЗАО НПФ ЛОГИКА, 2010
РАЗРАБОТАНА: ЗАО НПФ ЛОГИКА (г. Санкт-Петербург)
СОГЛАСОВАНА: ГЦИ СИ ФГУП "ВНИИМС" (г. Москва)
Лист утверждения РАЖГ.421412.022 ПМ2 - ЛУ
РОССИЯ, 190020, г. Санкт-Петербург, наб. Обводного канала, 150 Тел./факс: (812) 2522940, 4452745; office@logika.spb.ru; www.logika.spb.ru
ВведениеНастоящая методика распространяется на тепловычислители СПТ941 (мод. 941.10, 941.11), изготавливаемые по техническим условиям ТУ 4217-050-23041473-2005.
Поверке подвергается каждый тепловычислитель при выпуске из производства, при эксплуатации и после ремонта. Периодичность поверки при эксплуатации - один раз в четыре года.
К поверке могут допускаться тепловычислители без установленной крышки монтажного отсека.
Методика ориентирована на автоматизированную поверку; поверитель должен обладать навыками работы на персональном компьютере. Допускается проводить поверку в "ручном" режиме.
1 Операции поверкиПри поверке выполняют внешний осмотр, опробование, проверку соответствия допускаемым пределам погрешности и подтверждение соответствия ПО.
2 Условия поверкиИспытания проводят при температуре окружающего воздуха от
18 до 28 °С и относительной влажности от 30 до 80 %.
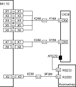
3 Средства поверкиПри поверке используются средства измерений и оборудование:
-
- стенд СКС6 (РАЖГ.441461.021) - 1 шт.;
-
- коннектор К164 (РАЖГ.685611.212, в комплекте СКС6) - 2 шт.
-
- коннектор К238 (РАЖГ.685611.287) - 1 шт.;
-
- коннектор К246 (РАЖГ.685611.295) - 1 шт.;
-
- коннектор К247 (РАЖГ.685611.296) - 1 шт.;
-
- коннектор К249 (РАЖГ.685611.298) - 1 шт.;
-
- кабель интерфейса RS232 9F9M - 1 шт.;
-
- компьютер с установленной ОС Win 98/XP - 1 шт.;
-
- программа ТЕХНОЛОГ (РАЖГ.00198-12) - 1 шт;
-
- адаптер АПС70 (РАЖГ.426477.031) - 1 шт.
При поверке следует соблюдать "Правила технической эксплуатации электроустановок потребителей" и "Правила техники безопасности при эксплуатации электроустановок потребителей".
5 Проведение поверки 5.1 Внешний осмотрПри внешнем осмотре проверяют наличие паспорта и сохранность (читаемость) маркировки на лицевой панели и внутри монтажного отсека.
5.2 ОпробованиеПри опробовании проверяют функционирование клавиатуры и табло. Перед этой и всеми последующими проверками переключатель защиты данных тепловычислителя должен быть установлен в нижнее положение, что соответствует отключенной защите.
В разделе меню НАСТР-БД вводят значение КИ=0 (если это не было сделано ранее), после чего для этого параметра сначала устанавливают, а затем снимают признак оперативного параметра. Чтобы установить (снять) признак необходимо удерживая клавишу Ф нажать клавишу ВВОД, при этом на табло должен появиться (исчезнуть) символ В ходе проверки убеждаются в соответствующем нажатиям клавиш перемещении по системе меню и читаемости информации на табло.
5.3 Проверка соответствия погрешности-
5.3.1 Проверки проводят по схемам, приведенным на рисунке 5.1. Проверка осуществляется под управлением программы ТЕХНОЛОГ, в виде последовательности тестов, в процессе прохождения которых на мониторе компьютера отображается ход выполнения операций.
Запускают на компьютере программу ТЕХНОЛОГ, и в ее настройках устанавливают профиль "СПТ941-поверка". Затем выбирают в панели инструментов команду "Выполнить выбранные тесты" (кнопка
), в результате чего начинается выполнение тестов. Если очередной тест закончен успешно, следующий запускается автоматически; при отрицательном результате очередного теста проверки по оставшимся
не проводятся.


Рисунок 5.1 - Схемы проверки
-
5.3.2 В тесте "Поверочная БД" осуществляется ввод настроечных па
раметров (поверочной базы данных), приведенных в таблице 5.1.
Таблица 5.1 - Поверочная база данных
|
Значения параметров в разделе (НАСТР-БД) | |||
|
ЕИ=0 |
C2=0,1 |
tk2=70 |
Qk=0 |
|
СП=1 |
Gв2=99999 |
Pk2=2 |
ПЛ=1 |
|
СР=01 |
Сн2=0 |
tk3=70 |
КД=1 |
|
ЧР=00 |
Gk2=0 |
Pk3=2 |
NT=0 |
|
TC=0 |
C3=0,1 |
txK=0 |
ИД=0 |
|
KG=0 |
Gв3=99999 |
Pxk=1 |
КИ=0 |
|
C1=0,1 |
Сн3=0 |
AM=0 |
ВМН=00-00 |
|
Gв1=99999 |
Gk3=0 |
Mk=0 |
ВМК=00-00 |
|
Сн1=0 |
tK1=120 |
НМ=0 |
ПС=0 |
|
Gk1=0 |
Pk1=2 |
AQ=0 |
ПМ=1 |
-
5.3.3 В тестах "Прямые измерения (срез 1)", "Прямые измерения (срез 2)" и "Прямые измерения (срез 3)" выполняется проверка соответствия погрешности измерения входных сигналов.
На стенде устанавливаются поочередно наборы значений сигналов согласно таблицам 5.2-5.4, и для каждого набора контролируются измеренные значения текущих параметров.
Через 15 с после установки сигналов или меньшего времени при установившихся измеренных значениях проверяется их соответствие допускаемым значениям согласно таблицам 5.2-5.4.
Таблица 5.2 - Тест "Прямые измерения (срез 1)"
|
Значения сигналов на стенде |
Параметр |
Диапазон допускаемых значений | |
|
G1 [м3/ч] |
219,70 |
.. 219,75 | |
|
F0=0,610351 Гц F1=19,53125 Гц R=141,2 Ом |
G2 [м3/ч] |
7030,55 |
.. 7031,95 |
|
G3 [м3/ч] |
219,70 |
.. 219,75 | |
|
t1 [°С] |
105,34 |
.. 105,54 | |
|
t2 [°С] |
105,34 |
.. 105,54 | |
|
dt [°С] |
-0,03 |
.. 0,03 | |
Таблица 5.3 - Тест "Прямые измерения (срез 2)"
|
Значения сигналов на стенде |
Параметр |
Диапазон допускаемых значений | |
|
G1 [м3/ч] |
7030,55 |
.. 7031,95 | |
|
F0=19,53125 Гц F1=0,610351 Гц R=110,4 Ом |
G2 [м3/ч] |
219,70 |
.. 219,75 |
|
G3 [м3/ч] |
7030,55 |
.. 7031,95 | |
|
t1 [°С] |
26,21 |
.. 26,41 | |
|
t2 [°С] |
26,21 |
.. 26,41 | |
|
dt [°С] |
-0,03 |
.. -0,03 | |
Таблица 5.4 - Тест "Прямые измерения (срез 3)"
|
Значения сигналов на стенде |
Параметр |
Диапазон допускаемых значений | |
|
G1 [м3/ч] |
3515,27 .. |
3515,98 | |
|
F0=9,765625 Гц F1=9,765625 Гц R=125,8 Ом |
G2 [м3/ч] |
3515,27 .. |
3515,98 |
|
G3 [м3/ч] |
3515,27 .. |
3515,98 | |
|
t1 [°С] |
65,54 .. |
65,74 | |
|
t2 [°С] |
65,54 .. |
65,74 | |
|
dt [°С] |
-0,03 .. |
0,03 | |
-
5.3.4 В тесте "Измерение времени" выполняется проверка соответствия погрешности измерения времени.
На стенде устанавливается значение сигнала F0=9,765625 Гц, и контролируется измеренное значение частоты на разъеме Х4. Через 20 с после установки сигнала или меньшего времени при установившемся измеренном значении проверяется его соответствие допускаемым значениям 9,7646...9,7666 Гц.
-
5.3.5 В тесте "Вычисления" выполняется проверка соответствия погрешности вычислений.
На стенде устанавливаются значения сигналов согласно таблице 5.5. В тепловычислителе выполняется команда СБРОС (очистка архивов), вводятся дата ДО=31-12-03, время ТО=00:00:00, и выполняется команда ПУСК (пуск счета). Далее запускается вывод пакета импульсов от стенда, и по окончании вывода в тепловычислитель вводится время ТО=23:59:59.
После смены даты, то есть когда Д=01-01-04, выбирается часовая архивная запись, датированная "01-01-04 00:00", и проверяется соответствие значений параметров, содержащихся в этой записи, приведенным в таблице 5.5 допускаемым значениям.
Таблица 5.5 - Тест " Вычисления"
|
Значения сигналов на стенде |
Параметр |
Диапазон допускаемых значений | |
|
t1 [°С] |
119,98 |
.. 120,02 | |
|
t2 [°С] |
69,99 |
.. 70,01 | |
|
dt [°С] |
49,99 |
.. 50,01 | |
|
N0=1024 N1=1024 R=51 Ом |
V1 [м3] |
102,38 |
.. 102,42 |
|
V2 [м3] |
102,38 |
.. 102,42 | |
|
V3 [м3] |
102,38 |
.. 102,42 | |
|
М1 [т] |
96,565 . |
. 96,603 | |
|
М2 [т] |
100,112. |
. 100,152 | |
|
М3 [т] |
96,565 . |
. 96,603 | |
|
Q [Гкал] |
11,614 . |
. 11,618 | |
-
5.3.6 В тесте "Защита" выполняется проверка защиты настроечных данных от изменений.
Устанавливают переключатель защиты данных тепловычислителя в верхнее или нижнее положение, руководствуясь указаниями на мониторе. При этом постоянно контролируется наличие (отсутствие) признака защиты.
Этим тестом завершаются проверки тепловычислителя, следующие два теста являются вспомогательными.
-
5.3.7 В тесте "Сброс архивов" выполняется команда тепловычисли-теля СБРОС, в тесте "Поставочная БД" - установка настроечных параметров в исходное состояние согласно таблице 5.6.
Таблица 5.6 - Поставочная база данных
|
Значения параметров в разделе (НАСТР-БД) | |||
|
ЕИ=0 |
C2=0,1 |
Pk2=2 |
КД=0 |
|
ТО=(тек. время) |
Gв2=99999 |
tk3=70 |
NT=0 |
|
ДО=(тек. дата) |
Сн2=0 |
Pk3=2 |
ИД=(зав. номер) |
|
СР=01 |
Gk2=0 |
txK=0 |
КИ=0 |
|
ЧР=00 |
C3=0,1 |
Pxk=1 |
ВМН=00-00 |
|
TC=0 |
Gв3=99999 |
AM=0 |
ВМК=00-00 |
|
KG=0 |
Сн3=0 |
Mk=0 |
ПС=0 |
|
C1=0,1 |
Gk3=0 |
НМ=0 |
ПМ=0 |
|
Gв1=99999 |
tK1=120 |
AQ=0 |
СП=99 |
|
Сн1=0 |
Pk1=2 |
Qk=0 | |
|
Gk1=0 |
tk2=70 |
ПЛ=1 | |
Контролируют в справочном разделе меню (?) номер версии и контрольную сумму программного обеспечения, которые должны совпадать с приведенными в паспорте тепловычислителя.
5.5 Оформление результатовРезультаты поверки оформляют записью в паспорте тепловычисли-теля с указанием результата и даты проведения. Запись удостоверяют подписью поверителя и, при положительных результатах поверки, оттиском поверительного клейма в паспорте и на пломбе, расположенной на задней стенке тепловычислителя. При необходимости распечатывают протокол поверки.
Расчетные значения параметров, при необходимости вычисления фактического значения погрешностей, определяют по функциям преобразования и вычислительным формулам, приведенным в приложении А.
Если поверка проводилась в "ручном" режиме, то по ее окончании, независимо от результата, выполняют сброс архивов. Рекомендуется также задать номер схемы потребления СП=99. Такие установки предотвратят преждевременный разряд батареи при транспортировании и хранении тепловычислителя.
Приложение АФункции преобразования и вычислительные формулы
А.1 Преобразование сигналов сопротивления, сответствующих температуре, и разности сигналов сопротивления, соответствующей разности температур, выполняется в соответствии с характеристиками термопреобразователей Pt100, 100П и 100М.
А.2 Преобразование импульсных сигналов, соответствующих расходу, выполняется в соответствии с формулой
G = 3600-C-F
(А.1)
где
G - объемный расход [м3/ч];
С - цена импульса входного сигнала [м3];
F - частота следования входных импульсов [Гц].
А.3 Вычисление объема, массы и тепловой энергии выполняется по формулам (для схемы потребления СП=1, принятой при поверке):
Vi = Ci-Ni
(А.2)
(А.3)
(А.4)
(А.5)
Mi = pi-Vi
М3 = Ml - М2 + p2-V3
Q = M1-(h1 - h2) + M3-(h2 - hx)
где
Vi, Mi, - объем [м3] и масса [т] воды в i-том трубопроводе; i={1; 2; 3};
Ci - цена импульса преобразователя расхода в i-том трубопро
воде [м3]; i={1; 2; 3};
Ni - количество импульсов, соответствующее объему воды в
i-том трубопроводе; i={1; 2; 3};
Pi - плотность [т/м3] воды в i-том трубопроводе; i={1; 2};
Q - тепловая энергия [ГДж, Гкал, МВуч|;
h1, h2 - энтальпия воды в первом и втором трубопроводах [ГДж/т, Гкал/т, МВуч/т|;
hx - энтальпия холодной воды [ГДж/т, Гкал/т, МВуч/т|.
