Методика поверки «Измерители показателей качества электрической энергии "Ресурс-UF2"» (БГТК.411722.009 МП)
УТВЕРЖДАЮ

ИЗМЕРИТЕЛИ ПОКАЗАТЕЛЕЙ КАЧЕСТВА ЭЛЕКТРИЧЕСКОЙ ЭНЕРГИИ «РЕСУРС-ПГ2»
Методика поверки
БГТК.411722,009 МП
Согласовано
Генеральный

СОГЛАСОВАНО

Директор

г. I 1енза
2012
Настоящая методика поверки распространяется на измерители показателей качества электрической энергии «Pecypc-UF2» (далее - прибор) и устанавливает методику их первичной и периодической поверок.
На первичную поверку следует предъявлять прибор, принятый отделом технического контроля организации-изготовителя или уполномоченным на то представителем организации, до ввода в эксплуатацию и после ремонта.
На периодическую поверку следует предъявлять прибор в процессе эксплуатации и хранения, который был подвергнут регламентным работам необходимого вида, и в эксплуатационных документах на который есть отметка о выполнении указанных работ.
Периодичность поверки в процессе эксплуатации и хранении устанавливается потребителем с учетом условий и интенсивности эксплуатации прибора, но не реже одного раза в два года.
Условные обозначения, применяемые в данном документе, приведены в приложении А.
1 Операции поверки-
1.1 При проведении поверки прибора должны быть выполнены операции, указанные в таблице 1.
Таблица 1
Наименование операции |
Номер пункта методики поверки |
Внешний осмотр |
7.1 |
Проверка электрического сопротивления изоляции |
7.2 |
Опробование |
7.3 |
Подтверждение соответствия программного обеспечения |
7.4 |
Проверка метрологических характеристик |
7.5 |
-
1.2 Последовательность проведения операций поверки обязательна.
-
1.3 При получении отрицательного результата в процессе выполнения любой из операций поверки прибор бракуют и его поверку прекращают.
-
2.1 При проведении поверки рекомендуется применять средства поверки, приведённые в таблице 2.
Таблица 2
Номер пункта документа по поверке |
Наименование и тип средства поверки; основные метрологические и технические характеристики средства поверки |
6 |
Термогигрометр ИВА-6, диапазон измерений температуры от 10 до 40 °С, абсолютная погрешность ± 0,3 °С; диапазон измерений относительной влажности воздуха от 0 до 90 %, абсолютная погрешность ± 3 % |
6 |
Барометр-анероид метеорологический БАММ-1, диапазон измерений давления от 80 до 106 кПа, пределы допускаемой абсолютной погрешности ± 0,2 кПа |
6 |
Прибор для измерений показателей качества электрической энергии «Ресурс-ПКЭ», диапазон измерений напряжения от 176 до 264 В, пределы допускаемой относительной погрешности ± 0,2 % |
Продолжение таблицы 2
Номер пункта документа по поверке |
Наименование и тип средства поверки; основные метрологические и технические характеристики средства поверки |
6 |
Прибор для измерений показателей качества электрической энергии «Ресурс-ПКЭ», диапазон измерений частоты от 45 до 55 Гц, абсолютная погрешность ± 0,02 Гц; диапазон измерений коэффициента искажения синусоидальности кривой напряжения от 0 до 10 %, пределы допускаемой абсолютной погрешности ± 0,1 % при Ки < 1 %, пределы допускаемой относительной погрешности ± 10 % при Ки > 1 % |
7.2 |
Установка для проверки электрической безопасности GPI 745 А, испытательное постоянное напряжение 500 В; диапазон измеряемых сопротивлений при напряжении 500 В от 1 до 9999 МОм; пределы допускаемой погрешности измерений сопротивления ± 0,05^R |
7.5 |
Калибратор переменного тока «Ресурс-К2М», диапазон воспроизведения напряжения от 0,0рином до 1,5-ином при ином равном 220 и 57,7 В, относительная погрешность ± (0,03 + 0,01-(|ином/и - 1|)) %; диапазон воспроизведения частоты от 42,5 до 57,5 Гц, абсолютная погрешность ± 0,003 Гц; диапазон воспроизведения коэффициента искажения синусоидальности кривой напряжения от 0,1 до 30 %, абсолютная погрешность ± ((0,015 + 0,005-Ки)-ином/и) %; диапазон воспроизведения коэффициентов несимметрии от 0 до 30 %, абсолютная погрешность ± 0,05 %; диапазон воспроизведения коэффициента n-ой гармонической составляющей напряжения от 0,05 до 30 %, абсолютная погрешность ± ((0,01 + 0,005-Ки(„))-ином/и) %; диапазон воспроизведения длительности провала напряжения и временного перенапряжения от 0,01 до 60 с, абсолютная погрешность ± 0,003 с; диапазон воспроизведения глубины провала напряжения от 10 до 100 %, абсолютная погрешность ± 0,06 %; диапазон воспроизведения коэффициента временного перенапряжения от 1,0 до 2,0, абсолютная погрешность ± 0,0006; диапазон воспроизведения кратковременной дозы фликера от 0,2 до 10, относительная погрешность ± 1,5 %; диапазон воспроизведения силы тока от 0,01 •Тном до 1,2-!ном при 1ном равном 1 А и 5 А, относительная погрешность ± ((0,03 + 0,003)-(|1ном/1 - 1|)) %; диапазон воспроизведения коэффициента искажения синусоидальности кривой тока от 1 до 100 %, абсолютная погрешность ± (0,03 + 0,01-Kj) %; диапазон воспроизведения коэффициента n-ой гармонической составляющей тока от 0,2 до 50 %, абсолютная погрешность ± (0,03 + 0,01 ■KI(n)) %; диапазон воспроизведения угла фазового сдвига между напряжениями основной частоты, напряжением и током основной частоты от - 180° до 180°, абсолютная погрешность ± 0,03°; диапазон воспроизведения угла фазового сдвига между n-ми гармоническими составляющими напряжения и тока от - 180° до 180°, абсолютная погрешность ± 1°; диапазон воспроизведения активной, реактивной, полной мощности от 0,01 ■Л'ном до 2,25^ном при Sном = ином^ном, относительная погрешность ± (0,05 + 0,002^(^ном/Р - 1|)) %, ± (0,1 + 0,005<^ном/£- 1|)) %, ± (0,1 + 0,005<^ном^- 1|)) % |
Продолжение таблицы 2
Номер пункта документа по поверке |
Наименование и тип средства поверки; основные метрологические и технические характеристики средства поверки |
7.5 |
Частотомер универсальный CNT-90, диапазон измерений периода сигналов от 0,5 до 5 с; диапазон измерений временных интервалов от 0 до 30 мс; пределы допускаемой относительной погрешности по частоте внутреннего опорного генератора ± 4,6-10-7 |
7.5 |
Радиочасы РЧ-011, формирование последовательности секундных и минутных импульсов, синхронизированных метками шкалы времени UTC (SU); погрешность не более ± 10 мс |
7.5 |
Согласующие катушки: количество витков 1, провод ПЭТВ-2 0,250 ТУ 16-502.003-82; количество витков 10, провод ПЭТВ-2 0,250 ТУ 16-502.003-82, внутренний диаметр 80 мм, наружный диаметр 100 мм, высота 10 мм; количество витков 20, провод ПЭТВ-2 0,250 ТУ 16-502.003-82, внутренний диаметр 80 мм, наружный диаметр 100 мм, высота 10 мм; количество витков 100, провод ПЭТВ-2 0,250 ТУ 16-502.003-82, внутренний диаметр 40 мм, наружный диаметр 80 мм, высота 45 мм |
7.4, 7.5 |
Компьютер IBM РС совместимый c интерфейсом RS-232, объём оперативного запоминающего устройства 64 Mb; объем накопителя HDD не менее 15 Гбайт; видеоплата с минимальным разрешением 800x600 (рекомендуется 1024x768); процессор класса Pentium и выше; дисковод CD-ROM; операционная система Windows 95/98/2000/XP/NT |
-
2.2 Допускается применение других средств поверки, обеспечивающих определение характеристик прибора с требуемой точностью.
-
2.3 Применяемые средства поверки должны быть исправны.
-
2.4 Средства измерений должны иметь действующие свидетельства о поверке. Испытательное оборудование должно быть аттестовано.
К проведению поверки допускают лиц, аттестованных в соответствии с ПР 50.2.012-94 качестве поверителей средств измерений электрических величин, имеющих удостоверение, подтверждающее право работы на установках с напряжением до 1000 В, с группой по электробезопасности не ниже III и изучивших настоящую методику поверки.
4 Требования безопасности-
4.1 При проведении поверки должны быть соблюдены требования безопасности, установленные ГОСТ 12.3.019-80, «Правилами техники безопасности, при эксплуатации электроустановок потребителей», «Межотраслевыми правилами по охране труда (правилами безопасности) при эксплуатации электроустановок». Соблюдают также требования безопасности, изложенные в эксплуатационных документах на прибор и применяемые средства поверки.
-
4.2 Средства поверки, которые подлежат заземлению, должны быть надежно заземлены. Подсоединение зажимов защитного заземления к контуру заземления должно производиться ранее других соединений, а отсоединение - после всех отсоединений.
При проведении поверки прибора должны соблюдаться следующие условия:
- нормальное значение температуры окружающего воздуха плюс 20 °С, допустимые отклонения от нормального значения ± 5 °С;
- нормальная область значений относительной влажности воздуха от 30 до 80 %;
- нормальная область значений атмосферного давления от 84 до 106 кПа (от 630 до 795 мм рт.ст.);
- нормальное значение частоты питающей сети 50 Гц, допустимые отклонения от нормального значения ± 0,5 Гц;
- нормальное значение напряжения питающей сети переменного тока 220 В, допустимые отклонения от нормального значения ± 4,4 В;
- коэффициент искажения синусоидальности напряжения питающей сети не более 5 %.
6 Подготовка к поверкеПеред проведением поверки выполняют следующие подготовительные работы:
- выдерживают прибор в условиях окружающей среды, указанных в разделе 5 настоящей методики поверки, не менее 2 ч, если он находился в климатических условиях, отличающихся от указанных в разделе 5.
- соединяют зажимы защитного заземления используемых средств поверки с контуром защитного заземления лаборатории.
- подготавливают к работе средства поверки в соответствии с эксплуатационной документацией на средства поверки;
- измеряют и заносят в протокол поверки результаты измерений температуры и влажности окружающего воздуха, атмосферного давления, а также частоты питающей сети, напряжения питающей сети и коэффициента искажения синусоидальности напряжения питающей сети.
-
7 Проведение поверки
-
7.1.1 При внешнем осмотре прибора должно быть установлено:
- соответствие комплектности перечню, указанному в паспорте прибора;
- соответствие заводского номера, указанного на приборе номеру, записанному в паспорте прибора;
- отсутствие механических повреждений, которые могут повлиять на работу прибора (повреждение корпуса, разъёмов, клемм, экрана);
- наличие чёткой маркировки;
- наличие предохранителей соответствующего типа и номинала.
-
7.1.2 Результаты внешнего осмотра заносят в протокол поверки.
-
7.2.1 Проверку сопротивления изоляции проводят с помощью установки для проверки электрической безопасности GPI 745 А при испытательном постоянном напряжении 500 В.
-
7.2.2 Сопротивление изоляции измеряют между следующими цепями:
- корпусом (зажимом для подключения защитного проводника) и соединёнными вме -сте измерительными входами;
- корпусом (зажимом для подключения защитного проводника) и соединёнными вме -сте цепями электропитания;
- соединенными вместе измерительными входами напряжения и соединенными вме -сте измерительными входами тока;
- соединенными вместе измерительными входами и соединенными вместе цепями электропитания;
- измерительными входами тока разных фаз;
- линиями интерфейса RS-232 и соединенными вместе измерительными цепями и цепями электропитания;
- линиями интерфейса RS-485 и соединенными вместе измерительными цепями и цепями электропитания.
-
7.2.3 Отсчёт результата измерений проводят не ранее, чем через 10 с после подачи испытательного напряжения.
-
7.2.4 Результаты проверки сопротивления изоляции считают положительными, если измеренное значение сопротивления изоляции не менее 20 МОм.
-
7.2.5 Результаты проверки электрического сопротивления изоляции заносят в протокол поверки.
-
7.3.1 Опробование проводят следующим образом:
-
1) подготавливают прибор к работе согласно руководству по эксплуатации;
-
2) подключают прибор к сети электропитания;
-
3) проверяют работу индикации включения питания (подсветки экрана), по экрану прибора проверяют результаты автоматического тестирования функциональных узлов и убеждаются в успешном завершении тестирования;
-
4) устанавливают с помощью клавиатуры прибора текущие значения времени и даты;
-
5) проверяют изменение показаний часов прибора;
-
6) переводят прибор в режим работы «Пуск»;
-
7) отключают питание прибора на время, равное 30 мин;
-
8) по истечении (30 ± 2) мин включают прибор и убеждаются в сохранности введённых исходных данных и непрерывной работе часов прибора.
-
7.3.2 Результаты опробования считают положительными, если:
- после подачи напряжения электропитания автоматическое тестирование функциональных узлов прибора завершено успешно, и на индикаторе прибора выводятся сообщения в соответствии с руководством по эксплуатации;
- прибор обеспечивает непрерывный отсчёт времени;
- время и дата на индикаторе прибора соответствуют текущим времени и дате после выполнения операции, приведённой в перечислении 8);
- режим работы прибора сохранился после выполнения операции, приведённой в перечислении 8).
-
7.3.3 Результаты опробования заносят в протокол поверки.
-
7.4.1 При подтверждении соответствия метрологически значимого программного обеспечения прибора выполняют следующие операции:
-
1) включают прибор;
-
2) нажимают клавишу «ft» или «- -», чтобы перейти к разделу меню «ПРОТОКОЛ»;
-
3) нажимают клавишу «SET», чтобы переместиться в раздел меню «ПРОТОКОЛ»;
-
4) нажимают клавишу «^» или «4^», чтобы перейти к просмотру номера версии и контрольной суммы программного обеспечения;
-
5) проверяют соответствие номера версии и контрольной суммы программного обеспечения, отображаемых на экране прибора, с указанными в паспорте и описании типа на прибор.
-
7.4.2 Результаты подтверждения соответствия программного обеспечения считают положительными, если номер версии и контрольная сумма программного обеспечения, отображаемые на экране прибора, совпадают с указанными в паспорте и описании типа на прибор.
-
7.4.3 Результаты подтверждения соответствия программного обеспечения заносят в протокол поверки.
-
7.5 Проверка метрологических характеристик
-
7.5.1.1 Проверку основных погрешностей измерений показателей качества электрической энергии, параметров напряжения, силы тока и углов фазового сдвига проводят с помощью калибратора переменного тока «Ресурс-К2М» (далее - калибратор переменного тока).
-
7.5.1.2 Проверку основных погрешностей измерений показателей качества электрической энергии, параметров напряжения, силы тока и углов фазового сдвига проводят следующим образом:
-
1) подключают прибор к калибратору переменного тока согласно схеме подключений, приведённой на рисунке Б.1 (приложение Б), для прибора модификации «Ресурс-ЦР2» и согласно схеме подключений, приведённой на рисунке Б.3 (приложение Б), для прибора модификаций «Ресурс-ЦР2С», «Ресурс-ЦР2М» и «Ресурс-ЦР2МВ»;
-
2) включают прибор и задают в приборе тип измерительного входа напряжения «ПРЯМОЙ», номинальное значение измеряемого фазного напряжения 220 В, измерительный вход тока «5 А», номинальное значение измеряемого тока 5 А и переводят прибор в режим работы «Пуск»;
-
3) выдерживают прибор и средства поверки во включенном состоянии в течение времени установления рабочего режима, указанного в их эксплуатационной документации;
-
4) подают на измерительные входы прибора с выходов калибратора переменного тока испытательный сигнал 1 с параметрами, приведёнными в таблице 3, для ином, равного 220/(220-73) В, и 1ном, равного 5 А;
Примечание - Из приведённых в таблице 1 значений параметров испытательного сигнала на калибраторе задают отклонения напряжений, отклонение частоты, углы фазового сдвига между фазными напряжениями основной частоты, коэффициенты n-ых гармонических составляющих фазных напряжений, углы фазового сдвига между n-ми гармоническими составляющими фазных напряжений, среднеквадратические значения силы тока основной частоты, углы фазового сдвига между напряжениями и токами основной частоты, коэффициенты n-ых гармонических составляющих токов, углы фазового сдвига между n-ми гармоническими составляющими напряжений и токов.
Остальные параметры воспроизводятся калибратором автоматически и приведены в качестве нормированных значений для расчёта погрешностей.
Таблица 3
Параметр |
Испытательный сигнал | ||||||
1 |
2 |
3 |
4 |
5 |
6 |
7 | |
5Ua, % |
0 |
-10,00 |
- 20,00 |
- 90,00 |
50,00 |
20,00 |
5,00 |
5Ub, % |
0 |
-10,00 |
- 20,00 |
- 90,00 |
50,00 |
20,00 |
5,00 |
5Uc, % |
0 |
-10,00 |
- 20,00 |
- 90,00 |
50,00 |
20,00 |
5,00 |
Продолжение таблицы 3
Характеристика |
Испытательный сигнал | ||||||
1 |
2 |
3 |
4 |
5 |
6 |
7 | |
dUy1’, % |
0 |
-10,00 |
- 20,00 |
- 90,00 |
50,00 |
20,00 |
5,00 |
§Uab, % |
0 |
-14,871 |
- 20,00 |
- 90,00 |
50,00 |
20,00 |
5,000 |
dUBc, % |
0 |
-10,000 |
- 20,00 |
- 90,00 |
50,00 |
20,00 |
- 16,970 |
dUcA, % |
0 |
-5,814 |
- 20,00 |
- 90,00 |
50,00 |
20,00 |
18,030 |
A . f, Гц |
0 |
- 7,5 |
1 |
0,2 |
- 0,2 |
- 1 |
7,5 |
f Гц |
50 |
42,5 |
51 |
50,2 |
49,8 |
49 |
57,5 |
Ua, В |
220,0002) |
206,7182) |
181,4082) |
22,0002) |
330,0002) |
264,0032) |
234,4172) |
57,7353) |
54,2493) |
47,6073) |
5,7743) |
86,6033) |
69,2833) |
61,5193) | |
Ub, В |
220,0002) |
206,7182) |
181,4082) |
22,0002) |
330,0002) |
264,0032) |
234,4172) |
57,7353) |
54,2493) |
47,6073) |
5,7743) |
86,6033) |
69,2833) |
61,5193) | |
Uc, В |
220,0002) |
206,7182) |
181,4082) |
22,0002) |
330,0002) |
264,0032) |
234,4172) |
57,7353) |
54,2493) |
47,6073) |
5,7743) |
86,6033) |
69,2833) |
61,5193) | |
Un1}, В |
220,0002) |
206,7182) |
181,4082) |
22,0002) |
330,0002) |
264,0032) |
234,4172) |
57,7353) |
54,2493) |
47,6073) |
5,7743) |
86,6033) |
69,2833) |
61,5193) | |
UAB, В |
381,0512) |
332,0812) |
311,1172) |
38,1052) |
571,5772) |
457,2652) |
404,7812) |
100,0003) |
87,1493) |
81,6473) |
10,0003) |
150,0003) |
120,0013) |
106,2273) | |
UBC В |
381,0512) |
353,9172) |
311,1172) |
38,1052) |
571,5772) |
457,2652) |
321,6022) |
100,0003) |
92,8793) |
81,6473) |
10,0003) |
150,0003) |
120,0013) |
84,3993) | |
UCA, В |
381,0512) |
368,9232) |
311,1172) |
38,1052) |
571,5772) |
457,2652) |
452,3152) |
100,0003) |
96,8173) |
81,6473) |
10,0003) |
150,0003) |
120,0013) |
118,7023) | |
5U(.) a, % |
0 |
6,037 |
17,542 |
90 |
0 |
0 |
0 |
5U(.)B, % |
0 |
6,037 |
17,542 |
90 |
0 |
0 |
0 |
5U(.) c, % |
0 |
6,037 |
17,542 |
90 |
0 |
0 |
0 |
5U(.) n1}, % |
0 |
6,037 |
17,542 |
90 |
0 |
0 |
0 |
dU(.)ab, % |
0 |
12,851 |
18,353 |
90 |
0 |
0 |
0 |
dU(-)ВС, % |
0 |
7,121 |
18,353 |
90 |
0 |
0 |
15,601 |
dU(.)ca, % |
0 |
3,183 |
18,353 |
90 |
0 |
0 |
0 |
5U(+) a, % |
0 |
0 |
0 |
0 |
50 |
20,001 |
6,553 |
5U(+) b, % |
0 |
0 |
0 |
0 |
50 |
20,001 |
6,553 |
5U(+) c, % |
0 |
0 |
0 |
0 |
50 |
20,001 |
6,553 |
5U(+) n1}, % |
0 |
0 |
0 |
0 |
50 |
20,001 |
6,553 |
dU(+)АВ-, % |
0 |
0 |
0 |
0 |
50 |
20,001 |
6,228 |
dU(+)bc, % |
0 |
0 |
0 |
0 |
50 |
20,001 |
0 |
dU(+) ca, % |
0 |
0 |
0 |
0 |
50 |
20,001 |
18,702 |
Ui, В |
381,0512) |
341,7862) |
304,8412) |
38,1052) |
571,5772) |
457,2612) |
385,0002) |
100,0003) |
89,6963) |
80,0003) |
10,0003) |
150,0003) |
120,0003) |
101,0373) | |
U2, В |
0 |
19,9272) 5,2293) |
0 |
0 |
0 |
0 |
76,9992) 20,2073) |
Uo, В |
0 |
11,5052) 3,0193) |
0 |
0 |
0 |
0 |
44,4562) 11,6673) |
фи ab |
120° |
110° |
120° |
120° |
120° |
120° |
120° |
фи bc |
120° |
120° |
120° |
120° |
120° |
120° |
86,443° |
фи ca |
120° |
130° |
120° |
120° |
120° |
120° |
153,557° |
K2U, % |
0 |
5,830 |
0 |
0 |
0 |
0 |
20,000 |
Kou, % |
0 |
5,830 |
0 |
0 |
0 |
0 |
20,000 |
Продолжение таблицы 3
Характеристика |
Испытательный сигнал | ||||||
1 |
2 |
3 |
4 |
5 |
6 |
7 | |
Ku(n) А, % |
Тип 1 по |
Тип 2 по |
Тип 3 по |
Тип 1 по |
Тип 1 по |
Тип 4 по |
Тип 5 по |
таблице 4 |
таблице 4 |
таблице 4 |
таблице 4 |
таблице 4 |
таблице 4 |
таблице 4 | |
Ku(n) B, % |
Тип 1 по |
Тип 2 по |
Тип 3 по |
Тип 1 по |
Тип 1 по |
Тип 4 по |
Тип 5 по |
таблице 4 |
таблице 4 |
таблице 4 |
таблице 4 |
таблице 4 |
таблице 4 |
таблице 4 | |
Ku(n) C, % |
Тип 1 по |
Тип 2 по |
Тип 3 по |
Тип 1 по |
Тип 1 по |
Тип 4 по |
Тип 5 по |
таблице 4 |
таблице 4 |
таблице 4 |
таблице 4 |
таблице 4 |
таблице 4 |
таблице 4 | |
Ku(n) N1"*, % |
Тип 1 по |
Тип 2 по |
Тип 3 по |
Тип 1 по |
Тип 1 по |
Тип 4 по |
Тип 5 по |
таблице 4 |
таблице 4 |
таблице 4 |
таблице 4 |
таблице 4 |
таблице 4 |
таблице 4 | |
Ku a, % |
0 |
30,000 |
24,980 |
0 |
0 |
0,500 |
17,265 |
Ku b, % |
0 |
30,000 |
24,980 |
0 |
0 |
0,500 |
17,265 |
Ku c, % |
0 |
30,000 |
24,980 |
0 |
0 |
0,500 |
17,265 |
Ku n1}, % |
0 |
30,000 |
24,980 |
0 |
0 |
0,500 |
17,265 |
Ku ab, % |
0 |
21,912 |
20,396 |
0 |
0 |
0,400 |
15,336 |
Ku bc, % |
0 |
25,495 |
20,396 |
0 |
0 |
0,400 |
18,232 |
Ku ca, % |
0 |
23,801 |
20,396 |
0 |
0 |
0,400 |
10,687 |
IA(1), A |
5,00004), 5), 6) |
2,50004) |
0,50004), 5) 0,10006) 0,10007) |
0,05004) 0,10005) |
6,00004), 5), 6) |
1,000004) 2,00005) |
0,50004), 5) 0,40006) 0,10007) |
1,00007) |
0,50005), 6), 7) |
0,30006) 0,01007) |
1,20007) |
4,90006) 0,200007) | |||
IB(1), A |
5,00004), 5), 6) |
2,50004) |
0,50004), 5) 0,10006) 0,10007) |
0,05004) 0,10005) |
6,00004), 5), 6) |
1,000004) 2,00005) |
0,50004), 5) 0,40006) 0,10007) |
1,00007) |
0,50005), 6), 7) |
0,30006) 0,01007) |
1,20007) |
4,90006) 0,200007) | |||
Ic(i), A |
5,00004), 5), 6) |
2,50004) |
0,50004), 5) 0,10006) 0,10007) |
0,05004) 0,10005) |
6,00004), 5), 6) |
1,000004) 2,00005) |
0,50004), 5) 0,40006) 0,10007) |
1,00007) |
0,50005), 6), 7) |
0,30006) 0,01007) |
1,20007) |
4,90006) 0,200007) | |||
1) |
5,00004), 5), 6) |
2,50004) |
0,50004), 5) 0,10006) 0,10007) |
0,05004) 0,10005) |
6,00004), 5), 6) |
1,000004) 2,00005) |
0,50004), 5) 0,40006) 0,10007) |
IN(1) , A |
1,00007) |
0,50005), 6), 7) |
0,30006) 0,01007) |
1,20007) |
4,90006) 0,200007) | ||
IA, A |
5,00004), 5), 6) |
3,53554) |
0,51544), 5) 0,30926) 0,10317) |
0,05004) 0,10005) |
6,00004), 5), 6) |
1,000054) 2,00015) |
0,54464), 5) 0,43576) 0,10897) |
1,00007) |
0,70715), 6), 7) |
0,30006) 0,01007) |
1,20007) |
4,90023) 0,200017) | |||
IB, A |
5,00004), 5), 6) |
3,53554) |
0,51544), 5) 0,30926) 0,10317) |
0,05004) 0,10005) |
6,00004), 5), 6) |
1,000054) 2,00015) |
0,54464), 5) 0,43576) 0,10897) |
1,00007) |
0,70715), 6), 7) |
0,30006) |
1,20007) |
4,90023) | |||
0,01007) |
0,200017) | ||||||
Ic, A |
5,00004), 5), 6) |
3,53554) |
0,51544), 5) 0,30926) 0,10317) |
0,05004) 0,10005) |
6,00004), 5), 6) |
1,000054) 2,00015) |
0,54464), 5) 0,43576) 0,10897) |
1,00007) |
0,70715), 6), 7) |
0,30006) |
1,20007) |
4,90023) | |||
0,01007) |
0,200017) | ||||||
IN1), A |
5,00004), 5), 6) |
3,53554) |
0,51544), 5) 0,30926) 0,10317) |
0,05004) 0,10005) |
6,00004), 5), 6) |
1,000054) 2,00015) |
0,54464), 5) 0,43576) 0,10897) |
1,00007) |
0,70715), 6), 7) |
0,30006) |
1,20007) |
4,90023) | |||
0,01007) |
0,200017) |
Продолжение таблицы 3
Характеристика |
Испытательный сигнал | ||||||
1 |
2 |
3 |
4 |
5 |
6 |
7 | |
I1, A |
5,00004), 5), 6) 1,00007) |
2,49154) 0,49835), 6), 7) |
0,50004), 5) 0,10006) 0,10007) |
0,05004) 0,10005) 0,30006) 0,01007) |
6,00004), 5), 6) 1,20007) |
1,000004) 2,00005) 4,90006) 0,200007) |
0,48114), 5) 0,09627) |
/2, A |
0 |
0,14534) 0,02915), 6), 7) |
0 |
0 |
0 |
0 |
0,09624), 5) 0,07706) 0,01927) |
Io, A |
0 |
0,14534) 0,02915)’ 6)> 7) |
0 |
0 |
0 |
0 |
0,09624), 5) 0,07706) 0,01927) |
tyUI A |
0° |
О О |
о о |
0° |
0° |
о о |
- 60° |
tyUI B |
0° |
о О |
О о |
0° |
0° |
1 О о |
- 60° |
tyUI C |
0° |
о О |
О о |
0° |
0° |
1 О о |
- 60° |
tyUI N' |
0° |
о О |
О о |
0° |
0° |
1 О о |
- 60° |
tyUI 1 |
0° |
о О |
О о |
0° |
0° |
1 О о |
- 60° |
tyUI 2 |
0° |
о О |
0° |
0° |
0° |
0° |
о о |
tyUI 0 |
0° |
о О |
0° |
0° |
0° |
0° |
О о |
Kn) А, % |
Тип 1 по таблице 6 |
Тип 2 по таблице 6 |
Тип 3 по таблице 6 |
Тип 1 по таблице 6 |
Тип 1 по таблице 6 |
Тип 4 по таблице 6 |
Тип 5 по таблице 6 |
KI(n) B, % |
Тип 1 по таблице 6 |
Тип 2 по таблице 6 |
Тип 3 по таблице 6 |
Тип 1 по таблице 6 |
Тип 1 по таблице 6 |
Тип 4 по таблице 6 |
Тип 5 по таблице 6 |
KI(n) C, % |
Тип 1 по таблице 6 |
Тип 2 по таблице 6 |
Тип 3 по таблице 6 |
Тип 1 по таблице 6 |
Тип 1 по таблице 6 |
Тип 4 по таблице 6 |
Тип 5 по таблице 6 |
KI(n) / - % |
Тип 1 по таблице 6 |
Тип 2 по таблице 6 |
Тип 3 по таблице 8 |
Тип 1 по таблице 6 |
Тип 1 по таблице 6 |
Тип 4 по таблице 6 |
Тип 5 по таблице 6 |
Ki a, % |
0 |
100,000 |
24,980 |
0 |
0 |
1,000 |
43,162 |
Ki b, % |
0 |
100,000 |
24,980 |
0 |
0 |
1,000 |
43,162 |
Ki c, % |
0 |
100,000 |
24,980 |
0 |
0 |
1,000 |
43,162 |
Ki n4 % |
0 |
100,000 |
24,980 |
0 |
0 |
1,000 |
43,162 |
Примечания
междуфазных напряжений приведены в таблице 5.
| |||||||
1) Проверка погрешностей измерений параметров по фазе N осуществляется у приборов, укомплектованных четырьмя токоизмерительными клещами.
|
Таблица 4
n |
Тип 1 |
Тип 2 |
Тип 3 |
Тип 4 |
Тип 5 | |||||
Ku(n), % |
фи(л), градус |
KU(n), % |
фи(л), градус |
KU(n), % |
фи(л), градус |
KU(n), % |
фи(л), градус |
Ku(n), % |
фи(л), градус | |
2 |
0 |
0 |
0 |
0 |
4 |
0 |
0,10 |
0 |
3,00 |
0° |
3 |
0 |
0 |
15 |
0 |
4 |
0 |
0,10 |
0 |
7,50 |
О О |
4 |
0 |
0 |
0 |
0 |
4 |
0 |
0,10 |
0 |
1,50 |
0° |
5 |
0 |
0 |
15 |
0 |
4 |
0 |
0,10 |
0 |
9,00 |
о о |
6 |
0 |
0 |
0 |
0 |
4 |
0 |
0,10 |
0 |
0,75 |
0° |
7 |
0 |
0 |
15 |
0 |
4 |
0 |
0,10 |
0 |
7,50 |
90° |
8 |
0 |
0 |
0 |
0 |
4 |
0 |
0,10 |
0 |
0,75 |
0° |
9 |
0 |
0 |
5 |
0 |
4 |
0 |
0,10 |
0 |
2,25 |
120° |
10 |
0 |
0 |
10 |
0 |
4 |
0 |
0,10 |
0 |
0,75 |
0° |
11 |
0 |
0 |
0 |
0 |
4 |
0 |
0,10 |
0 |
5,25 |
150° |
12 |
0 |
0 |
0 |
0 |
4 |
0 |
0,10 |
0 |
0,30 |
0° |
13 |
0 |
0 |
5 |
0 |
4 |
0 |
0,10 |
0 |
4,50 |
180° |
14 |
0 |
0 |
0 |
0 |
4 |
0 |
0 |
0 |
0,30 |
0 |
15 |
0 |
0 |
0 |
0 |
4 |
0 |
0,10 |
0 |
0,45 |
- 150° |
16 |
0 |
0 |
0 |
0 |
4 |
0 |
0 |
0 |
0,30 |
0° |
17 |
0 |
0 |
0 |
0 |
4 |
0 |
0,10 |
0 |
3,00 |
- 120° |
18 |
0 |
0 |
0 |
0 |
4 |
0 |
0 |
0 |
0,30 |
0° |
19 |
0 |
0 |
0 |
0 |
4 |
0 |
0,10 |
0 |
2,25 |
- 90° |
20 |
0 |
0 |
5 |
0 |
4 |
0 |
0 |
0 |
0,30 |
0° |
21 |
0 |
0 |
0 |
0 |
4 |
0 |
0,10 |
0 |
0,30 |
о о |
22 |
0 |
0 |
0 |
0 |
4 |
0 |
0 |
0 |
0,30 |
0° |
23 |
0 |
0 |
0 |
0 |
4 |
0 |
0,10 |
0 |
2,25 |
О О |
24 |
0 |
0 |
0 |
0 |
4 |
0 |
0 |
0 |
0,30 |
0° |
25 |
0 |
0 |
5 |
0 |
4 |
0 |
0,10 |
0 |
2,25 |
0° |
26 |
0 |
0 |
0 |
0 |
4 |
0 |
0 |
0 |
0,30 |
0° |
27 |
0 |
0 |
0 |
0 |
4 |
0 |
0,10 |
0 |
0,30 |
О О |
28 |
0 |
0 |
0 |
0 |
4 |
0 |
0 |
0 |
0,30 |
0° |
29 |
0 |
0 |
5 |
0 |
4 |
0 |
0,10 |
0 |
1,92 |
о о |
30 |
0 |
0 |
0,1 |
0 |
4 |
0 |
0 |
0 |
0,30 |
0° |
31 |
0 |
0 |
0 |
0 |
4 |
0 |
0,10 |
0 |
1,86 |
90° |
32 |
0 |
0 |
0 |
0 |
4 |
0 |
0 |
0 |
0,30 |
0° |
33 |
0 |
0 |
0 |
0 |
4 |
0 |
0,10 |
0 |
0,30 |
120° |
34 |
0 |
0 |
0 |
0 |
4 |
0 |
0 |
0 |
0,30 |
0° |
35 |
0 |
0 |
0 |
0 |
4 |
0 |
0,10 |
0 |
1,70 |
150° |
36 |
0 |
0 |
0 |
0 |
4 |
0 |
0 |
0 |
0,30 |
0° |
37 |
0 |
0 |
0 |
0 |
4 |
0 |
0,10 |
0 |
1,62 |
180° |
38 |
0 |
0 |
0 |
0 |
4 |
0 |
0 |
0 |
0,30 |
0° |
39 |
0 |
0 |
0 |
0 |
4 |
0 |
0,10 |
0 |
0,30 |
- 150° |
40 |
0 |
0 |
0,1 |
0 |
4 |
0 |
0 |
0 |
0,30 |
0° |
Таблица 5
n |
Испытательный сигнал | ||||||||
Тип 1 |
Тип 2 |
Тип 3 |
Тип 4 |
Тип 5 | |||||
KU(n) АВ, KU(n) ВС, KU(n) СА, % |
KU(n) АВ, % |
KU(n) ВС, % |
KU(n) СА, % |
KU(n) АВ, KU(n) ВС, KU(n) СА, % |
KU(n) АВ, KU(n) ВС, KU(n) СА, % |
KU(n) АВ, % |
KU(n) ВС, % |
KU(n) СА, % | |
2 |
0 |
0 |
0 |
0 |
4 |
0,100 |
3 |
4,372 |
1,372 |
3 |
0 |
4,739 |
0 |
4,284 |
0 |
0 |
0 |
8,431 |
5,931 |
4 |
0 |
0 |
0 |
0 |
4 |
0,100 |
1,500 |
0,271 |
1,229 |
5 |
0 |
18,242 |
15 |
9,493 |
4 |
0,100 |
9 |
7,745 |
3,744 |
6 |
0 |
0 |
0 |
0 |
0 |
0 |
0 |
1,076 |
0,757 |
7 |
0 |
7,739 |
15 |
16,488 |
4 |
0,100 |
7,500 |
9,231 |
0,343 |
8 |
0 |
0 |
0 |
0 |
4 |
0,100 |
0,750 |
0,269 |
0,741 |
9 |
0 |
4,316 |
0 |
3,901 |
0 |
0 |
0 |
1,593 |
1,120 |
10 |
0 |
2,120 |
10 |
10,368 |
4 |
0,100 |
0,750 |
1,043 |
0,571 |
11 |
0 |
0 |
0 |
0 |
4 |
0,100 |
5,250 |
6,923 |
4,441 |
12 |
0 |
0 |
0 |
0 |
0 |
0 |
0 |
0,159 |
0,112 |
13 |
0 |
0,532 |
5 |
4,519 |
4 |
0,100 |
4,500 |
2,449 |
4,576 |
14 |
0 |
0 |
0 |
0 |
4 |
0 |
0,300 |
0,397 |
0,027 |
15 |
0 |
0 |
0 |
0 |
0 |
0 |
0 |
0,624 |
0,439 |
16 |
0 |
0 |
0 |
0 |
4 |
0 |
0,300 |
0,209 |
0,161 |
17 |
0 |
0 |
0 |
0 |
4 |
0,100 |
3 |
1,116 |
2,188 |
18 |
0 |
0 |
0 |
0 |
0 |
0 |
0 |
0,371 |
0,261 |
19 |
0 |
0 |
0 |
0 |
4 |
0,100 |
2,250 |
3,223 |
0,745 |
20 |
0 |
2,088 |
5 |
3,546 |
4 |
0 |
0,3 |
0,255 |
0,307 |
21 |
0 |
0 |
0 |
0 |
0 |
0 |
0 |
0,058 |
0,041 |
22 |
0 |
0 |
0 |
0 |
4 |
0 |
0,300 |
0,340 |
0,288 |
23 |
0 |
0 |
0 |
0 |
4 |
0,100 |
2,250 |
3,277 |
1,296 |
24 |
0 |
0 |
0 |
0 |
0 |
0 |
0 |
0,297 |
0,209 |
25 |
0 |
5,532 |
5 |
0,481 |
4 |
0,100 |
2,250 |
0,031 |
2,012 |
26 |
0 |
0 |
0 |
0 |
4 |
0 |
0,300 |
0,303 |
0,086 |
27 |
0 |
0 |
0 |
0 |
0 |
0 |
0 |
0,437 |
0,308 |
28 |
0 |
0 |
0 |
0 |
4 |
0 |
0,300 |
0,335 |
0,055 |
29 |
0 |
2,580 |
5 |
5,496 |
4 |
0,100 |
1,920 |
0,321 |
1,810 |
30 |
0 |
0,061 |
0 |
0,055 |
0 |
0 |
0 |
0,261 |
0,184 |
31 |
0 |
0 |
0 |
0 |
4 |
0,100 |
1,860 |
2,674 |
1,232 |
32 |
0 |
0 |
0 |
0 |
4 |
0 |
0,300 |
0,367 |
0,275 |
33 |
0 |
0 |
0 |
0 |
0 |
0 |
0 |
0,104 |
0,073 |
34 |
0 |
0 |
0 |
0 |
4 |
0 |
0,300 |
0,216 |
0,308 |
35 |
0 |
0 |
0 |
0 |
4 |
0,100 |
1,700 |
2,371 |
0,385 |
36 |
0 |
0 |
0 |
0 |
0 |
0 |
0 |
0,394 |
0,277 |
37 |
0 |
0 |
0 |
0 |
4 |
0,100 |
1,620 |
0,840 |
1,052 |
38 |
0 |
0 |
0 |
0 |
4 |
0 |
0,300 |
0,167 |
0,188 |
39 |
0 |
0 |
0 |
0 |
0 |
0 |
0 |
0,399 |
0,281 |
40 |
0 |
0,078 |
0,100 |
0,109 |
4 |
0 |
0,300 |
0,415 |
0,060 |
Таблица 6
n |
Тип 1 |
Тип 2 |
Тип 3 |
Тип 4 |
Тип 5 | |||||
Kn- % |
фСТ(п), градус |
KI(n), % |
фш(п), градус |
KI(n), % |
фСТ(п), градус |
KI(n), % |
фи1(п)5 градус |
KI п - % |
фи1(п)5 градус | |
2 |
0 |
0 |
50 |
0° |
4 |
0° |
0,200 |
0° |
7,500 |
0° |
3 |
0 |
0 |
40 |
0° |
4 |
0° |
0,200 |
0° |
18,750 |
О О |
4 |
0 |
0 |
30 |
0° |
4 |
0° |
0,200 |
0° |
3,750 |
0° |
5 |
0 |
0 |
30 |
0° |
4 |
0° |
0,200 |
0° |
22,500 |
о о |
6 |
0 |
0 |
30 |
0° |
4 |
0° |
0,200 |
0° |
1,875 |
0° |
7 |
0 |
0 |
30 |
0° |
4 |
0° |
0,200 |
0° |
18,750 |
90° |
8 |
0 |
0 |
20 |
0° |
4 |
0° |
0,200 |
0° |
1,875 |
0° |
9 |
0 |
0 |
20 |
0° |
4 |
0° |
0,200 |
0° |
5,625 |
120° |
10 |
0 |
0 |
10 |
0° |
4 |
0° |
0,200 |
0° |
1,875 |
0° |
11 |
0 |
0 |
30 |
0° |
4 |
0° |
0,200 |
0° |
13,125 |
150° |
12 |
0 |
0 |
0 |
0° |
4 |
0° |
0,200 |
0° |
0,750 |
0° |
13 |
0 |
0 |
0 |
0° |
4 |
0° |
0,200 |
0° |
11,250 |
180° |
14 |
0 |
0 |
0 |
0° |
4 |
0° |
0 |
0° |
0,750 |
0° |
15 |
0 |
0 |
0 |
0° |
4 |
0° |
0,200 |
0° |
1,125 |
- 150° |
16 |
0 |
0 |
0 |
0° |
4 |
0° |
0 |
0° |
0,750 |
0° |
17 |
0 |
0 |
0 |
0° |
4 |
0° |
0,200 |
0° |
7,500 |
- 120° |
18 |
0 |
0 |
0 |
0° |
4 |
0° |
0 |
0° |
0,750 |
0° |
19 |
0 |
0 |
0 |
0° |
4 |
0° |
0,200 |
0° |
5,625 |
- 90° |
20 |
0 |
0 |
0 |
0° |
4 |
0° |
0 |
0° |
0,750 |
0° |
21 |
0 |
0 |
20 |
0° |
4 |
0° |
0,200 |
0° |
0,750 |
о о |
22 |
0 |
0 |
0 |
0° |
4 |
0° |
0 |
0° |
0,750 |
0° |
23 |
0 |
0 |
0 |
0° |
4 |
0° |
0,200 |
0° |
5,625 |
О О |
24 |
0 |
0 |
0 |
0° |
4 |
0° |
0 |
0° |
0,750 |
0° |
25 |
0 |
0 |
0 |
0° |
4 |
0° |
0,200 |
0° |
5,625 |
0° |
26 |
0 |
0 |
0 |
0° |
4 |
0° |
0 |
0° |
0,750 |
0° |
27 |
0 |
0 |
0 |
0° |
4 |
0° |
0,200 |
0° |
0,750 |
О О |
28 |
0 |
0 |
0 |
0° |
4 |
0° |
0 |
0° |
0,750 |
0° |
29 |
0 |
0 |
0 |
0° |
4 |
0° |
0,200 |
0° |
4,800 |
о о |
30 |
0 |
0 |
0 |
0° |
4 |
0° |
0 |
0° |
0,750 |
0° |
31 |
0 |
0 |
10 |
0° |
4 |
0° |
0,200 |
0° |
4,650 |
90° |
32 |
0 |
0 |
0 |
0° |
4 |
0° |
0 |
0° |
0,750 |
0° |
33 |
0 |
0 |
0 |
0° |
4 |
0° |
0,200 |
0° |
0,750 |
120° |
34 |
0 |
0 |
0 |
0° |
4 |
0° |
0 |
0° |
0,750 |
0° |
35 |
0 |
0 |
0 |
0° |
4 |
0° |
0,200 |
0° |
4,250 |
150° |
36 |
0 |
0 |
0 |
0° |
4 |
0° |
0 |
0° |
0,750 |
0° |
37 |
0 |
0 |
0 |
0° |
4 |
0° |
0,200 |
0° |
4,050 |
180° |
38 |
0 |
0 |
0 |
0° |
4 |
0° |
0 |
0° |
0,750 |
0° |
39 |
0 |
0 |
0 |
0° |
4 |
0° |
0,200 |
0° |
0,750 |
- 150° |
40 |
0 |
0 |
0 |
0° |
4 |
0° |
0 |
0° |
0,750 |
0° |
-
5) считывают с прибора результаты измерений всех параметров, при этом производят не менее пяти измерений всех параметров, за погрешность прибора принимают максимальное по модулю значение погрешности;
-
6) рассчитывают погрешности измерений прибора, в зависимости от способа нормирования погрешности, по формулам (1), (2), (3):
- абсолютную погрешность АХ, в единицах измеряемой величины:
АХ = X - Хо, где Х - показание прибора;
(1)
(2)
(3)
Хо - показание калибратора переменного тока;
- относительную погрешность бХ, %:
• 1оо;
- приведённую погрешность уХ, %:
Х-Хо
Y Х =------О • 100,
v
НоМ
где ХНоМ - номинальное значение измеряемого параметра;
-
7) результаты определения погрешностей заносят в протокол поверки;
-
8) выполняют действия, приведённые в перечислениях 4) - 6), для всех испытательных сигналов, приведённых в таблице 3;
-
9) задают в приборе пороговое значение провала напряжения, равное - 10,00 %, и пороговое значение перенапряжения, равное 10,00 %, и переводят прибор в режим работы «Пуск»;
-
10) подают на измерительные входы прибора с выходов калибратора переменного тока испытательный сигнал 1 с параметрами, приведёнными в таблице 3, для ином, равного 220/(220^/3) В;
-
11) поочерёдно устанавливают с помощью калибратора переменного тока испытательные сигналы 1 - 7 в соответствии с таблицей 7 (значения параметров провалов между-фазных напряжений и междуфазных перенапряжений приведены в качестве нормированных значений для расчёта погрешностей) и считывают с прибора результаты измерений параметров провалов и перенапряжений;
Таблица 7
Испытательный сигнал |
Параметр провала, перенапряжения |
Обозначение фазы или междуфазного напряжения | |||||
А |
В |
С |
АВ |
ВС |
СА | ||
1 |
бип, % |
11 |
11 |
11 |
11 |
11 |
11 |
Ata 1}, с |
10 |
10 |
10 |
10 |
10 |
10 | |
Количество |
2 |
2 |
2 |
2 |
2 |
2 | |
2 |
бип, % |
30 |
30 |
30 |
30 |
30 |
30 |
Ап Ч с |
1 |
1 |
1 |
1 |
1 |
1 | |
Количество |
5 |
5 |
5 |
5 |
5 |
5 |
Продолжение таблицы 7
Испытательный сигнал |
Параметр провала, перенапряжения |
Обозначение фазы или междуфазного напряжения | |||||
А |
В |
С |
АВ |
ВС |
СА | ||
бип, % |
50 |
50 |
50 |
50 |
50 |
50 | |
3 |
А^пЧ с |
0,04 |
0,04 |
0,04 |
0,04 |
0,04 |
0,04 |
Количество |
10 |
10 |
10 |
10 |
10 |
10 | |
бип, % |
99 |
100 |
100 |
99,423 |
100 |
99,423 | |
4 |
А^пЧ с |
59 |
59 |
59 |
59 |
59 |
59 |
Количество |
1 |
1 |
1 |
1 |
1 |
1 | |
Кпер U |
1,11 |
1,11 |
1,11 |
1,11 |
1,11 |
1,11 | |
5 |
А^ери , с |
1 |
1 |
1 |
1 |
1 |
1 |
Количество |
5 |
5 |
5 |
5 |
5 |
5 | |
Кпер U |
1,3 |
1,3 |
1,3 |
1,3 |
1,3 |
1,3 | |
6 |
А^ери \ с |
59 |
59 |
59 |
59 |
59 |
59 |
Количество |
1 |
1 |
1 |
1 |
1 |
1 | |
Кпер U |
1,4 |
1,4 |
1,4 |
1,4 |
1,4 |
1,4 | |
7 |
А^ери , с |
0,04 |
0,04 |
0,04 |
0,04 |
0,04 |
0,04 |
Количество |
10 |
10 |
10 |
10 |
10 |
10 | |
Примечание - Провалы напряжения и временные перенапряжения задают относительно номинальных значений фазного и междуфазного напряжений (параметр калибратора переменного тока «Ресурс-К2М» «Опорное напряжение» должен иметь значение «Номинальное»). | |||||||
1) Период повторения провалов напряжения и временных перенапряжений задают в два раза больше их длительности. Длительность и период повторения провалов напряжения и временных перенапряжений должны быть кратны периоду сигнала основной частоты (параметр калибратора переменного тока «Ресурс-К2М» «Привязка» должен иметь значение «к периоду»). |
-
12) рассчитывают погрешности измерений параметров провалов напряжения и перенапряжений по формуле (1);
-
13) результаты определения погрешностей заносят в протокол поверки;
-
14) подают на измерительные входы прибора с выходов калибратора переменного тока испытательный сигнал 1 с параметрами, приведёнными в таблице 3, для UH0M, равного 220/(220^/3) В;
-
15) устанавливают с помощью калибратора переменного тока испытательный сигнал со следующими параметрами:
-
- размах изменения напряжения (глубина провала) 1,46 %;
-
- число изменений в минуту 7 (период повторения провалов 17,14 с);
-
- длительность провалов 8,57 с;
-
- количество провалов 1000 шт;
-
- эквивалентное значение дозы фликера равно 1 (значения приведено в качестве нормированного значения для расчёта погрешностей);
-
16) через 30 мин считывают с прибора результаты измерений кратковременной дозы фликера за второй интервал времени 10 мин;
-
17) рассчитывают погрешность измерений кратковременной дозы фликера по формуле (2), принимая показание калибратора переменного тока (заданное значение кратковременной дозы фликера) равным 1;
-
18) подключают прибор к калибратору переменного тока согласно схеме подключений, приведённой на рисунке Б.2 (приложение Б), для прибора модификации «Pecypc-UF2» и согласно схеме подключений, приведённой на рисунке Б.4 (приложение Б), для прибора модификаций «Ресурс-ЦР2С», «Ресурс-ЦР2М» и «Ресурс-ЦР2МВ»;
-
19) задают в приборе тип измерительного входа напряжения «ТРАНСФ.», номинальное значение измеряемого фазного напряжения 57,7 В, измерительный вход тока «1 А», номинальное значение измеряемого тока 1 А и переводят прибор в режим работы «Пуск»;
-
20) выполняют действия, приведённые в перечислениях 4) - 17), для ином, равного (100А/3)/100 В, и 1ном, равного 1 А.
-
7.5.1.3 Результаты проверки погрешностей измерений показателей качества электрической энергии, параметров напряжения, силы тока и углов фазового сдвига считают положительными, если полученные значения погрешностей находятся в пределах, приведённых в таблице В.1 (приложение В).
-
7.5.1.4 Проверку основных погрешностей измерений параметров силы тока и углов фазового сдвига для прибора модификаций «Ресурс-1Т2М» и «:Ресурс-ЦР2МВ» с токоизмерительными клещами проводят следующим образом:
-
1) подключают прибор к калибратору переменного тока согласно схеме подключений, приведённой на рисунке Б.5 (приложение Б), параметры согласующих катушек приведены в таблице 8;
-
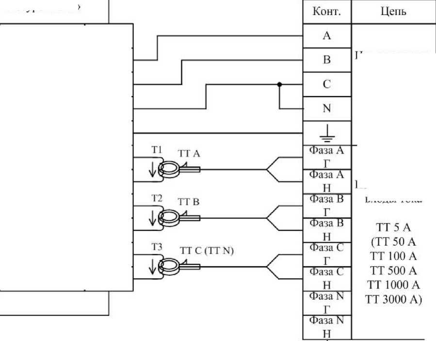
2) при комплектации прибора четырьмя токоизмерительными клещами токоизмерительные клещи фазы N подключают на согласующую катушку фазы C вместе с токоизмерительными клещами фазы C или проводят проверку сначала с токоизмерительными клещами фаз А, В, С, а затем с токоизмерительными клещами фаз А, В, N при подключении токоизмерительных клещей фазы N на согласующую катушку фазы C;
Таблица 8
Номинальное значение силы тока токоизмерительных клещей |
Количество витков проводника в согласующей катушке, шт. |
Измерительный вход тока прибора «Вход I» |
Первичный ток прибора, А |
5 А |
1 |
ТТ 5 А |
5 |
50 А |
10 |
ТТ 50 А |
5 |
100 А |
20 |
ТТ 100 А |
5 |
500 А |
100 |
ТТ 500 А |
5 |
1000 А |
100 |
ТТ 1000 А |
10 |
3000 А |
100 |
ТТ 3000 А |
30 |
-
3) задают в приборе измерительный вход тока прибора и первичный ток прибора в соответствии с таблицей 8;
-
4) если номинальное значение первичного тока токоизмерительных клещей 5 А, задают в приборе тип измерительного входа напряжения «ТРАНСФ.», номинальное значение измеряемого фазного напряжения 57,735 В, измерительный вход тока «ТТ 5 А» и первичный измерительный ток 5 А. Если номинальное значение первичного тока токоизмерительных клещей 50 А и более, задают в приборе тип измерительного входа напряжения «ПРЯМОЙ», номинальное значение измеряемого фазного напряжения 220 В, измерительный вход тока и первичный измерительный ток в соответствии с таблицей 8. Переводят прибор в режим работы «Пуск»;
-
5) выполняют проверку основных погрешностей измерений параметров силы тока и углов фазового сдвига в соответствии с 7.5.1.2 при всех номинальных значениях силы тока токоизмерительных клещей.
-
7.5.1.5 Результаты проверки погрешностей измерений параметров силы тока и углов фазового сдвига для прибора модификаций «Ресурс-ЦР2М» и «Ресурс-ЦР2МВ» с токоизмерительными клещами считают положительными, если полученные значения погрешностей находятся в пределах, приведённых в таблице В.1 (приложение В).
-
7.5.2.1 Проверку основной погрешности измерений электрической мощности проводят с помощью калибратора переменного тока «Ресурс-К2М». При проверке основной погрешности измерений полной электрической мощности в режиме измерений нагрузки измерительных трансформаторов тока для прибора модификации «Pecypc-UF2MB» применяют также катушку сопротивления с номинальным значением 0,01 Ом.
-
7.5.2.2 Проверку основной погрешности измерений электрической мощности проводят следующим образом:
-
1) подключают прибор к калибратору переменного тока согласно схеме подключений, приведённой на рисунке Б.1 (приложение Б), для прибора модификации «Ресурс-ЦР2» и согласно схеме подключений, приведённой на рисунке Б.3 (приложение Б), для прибора модификаций «Ресурс-ЦР2С», «Ресурс-ЦР2М» и «Ресурс-ЦР2МВ»;
-
2) задают в приборе тип измерительного входа напряжения «ПРЯМОЙ», номинальное значение измеряемого фазного напряжения 220 В, измерительный вход тока «5 А», номинальное значение измеряемого тока 5 А и переводят прибор в режим работы «Пуск»;
-
3) подают на измерительные входы прибора с выходов калибратора переменного тока испытательный сигнал 1 с параметрами, приведёнными в таблице 9, для ином, равного 220/(220^/3) В, и 1ном, равного 5 А, углы фазового сдвига между фазными напряжениями основной частоты задают равными 120°, частоту основного сигнала задают равной 50 Гц;
Таблица 9
Параметр |
Испытательный сигнал | ||||||
1 |
2 |
3 |
4 |
5 |
6 |
7 | |
Значения, |
задаваемые калибратором переменного тока | ||||||
Ua, Ub, Uc, Un, В |
176,000n |
176,000n |
176,000n |
220,000n |
264,000n |
264,000n |
264,000n |
46,1882) |
46,1882) |
46,1882) |
57,7352) |
69,2822) |
69,2822) |
69,2822) | |
Ia, Ib, |
0,05003) 0,10004) |
0,25003), 4) 2,00005) 0,05006) |
6,00003), 4), 5) |
0,05003) 0,10004) |
0,25003), 4) 2,00005) 0,05006) |
6,00003), 4), 5) |
0,05003) 0,10004) |
А |
0,30005) 0,01006) |
1,20006) |
0,30005) 0,01006) |
1,20006) |
0,30005) 0,01006) | ||
9uia, | |||||||
фЦГВ, |
- 30° |
60° |
- 150° |
0° |
- 120° |
90° |
0° |
tyUIC, | |||||||
9UI N | |||||||
Значения, измеряемые прибором при |
равном 220 В | ||||||
Pa, Pb, Pc, Pn, Вт |
7,6213) 15,2424) 45,7265) 1,5246) |
22,0003), 4) 176,0005) 4,4006) |
- 914,5233), 4), 5) - 228,6316) |
11,0003) 22,0004) 66,0005) 2,2006) |
- 6,6006) |
- |
13,2003) 26,4004) 79,2005) 2,6406) |
qa-, qb-, |
- 4,4003) - 8,8004) |
38,1053), 4) |
- 528,0003), 4), 5) |
- 57,1583), 4) |
1584,0003), 4), 5) | ||
Qc, QN, |
-26,4005) |
304,8415) |
- 132,0006) |
- |
- 457,2615) |
316,8006) |
- |
вар |
- 0,8806) |
7,6216) |
- 11,4326) |
Продолжение таблицы 9
Параметр |
Испытательный сигнал | ||||||
1 |
2 |
3 |
4 |
5 |
3 |
7 | |
SA? SB-> |
8,8003) 17,6004) |
44,0003), 4) 352,0005) 8,8003) |
1053,0003), 4), 5) |
11,0003) 22,0004) |
33,0003), 4) 528,0005) 13,2003) |
1584,0003), 4), 5) |
13,2003) 23,4004) |
Sc, Sn, В-А |
52,8005) 1,7606) |
234,0003) |
33,0005) 2,2003) |
313,8003) |
79,2005) 2,3403) | ||
Pabc, Вт |
22,8633) 45,7264) 137,1785) 4,5736) |
33,0003), 4) 528,0005) 13,2003) |
- 2743,5383), 4), 5) - 385,8923) |
33,0003) 33,0004) 198,0005) 3,3003) |
|
- |
39,3003) 79,2004) 237,3005) 7,9203) |
Qabc, вар |
- 79,2005) - 2,6406) |
114,3153), 4) 914,5235) 22,8333) |
- 1584,0003), 4), 5) - 393,0003) |
- |
-171,4733), 4) - 1371,7845) - 34,2953) |
4752,0003), 4), 5) 950,4003) |
- |
SABC |
26,4003) 52,8004) |
132,0003), 4) 1053,0005) 23,4003) |
3138,0003), 4), 5) |
33,0003) 33,0004) |
198,0003), 4) 1584,0005) 39,3003) |
4752,0003), 4), 5) |
39,3003) 79,2004) |
В-А |
158,4005) 5,2806) |
792,0003) |
198,0005) 3,3003) |
950,4003) |
237,3005) 7,9203) | ||
Значения, измеряемые прибором при ином, равном |
100Л/3 В | ||||||
Pa, Pb, |
2,0003) |
5,7743) |
- 240,0003) |
2,8873) |
- 8,3303) |
3,4343) | |
Pc, PN, Вт |
0,4006) |
1,1553) |
- 48,0003) |
0,5773) |
- 1,7323) |
0,3933) | |
QAi QB- Qc, QN, |
|
10,0003) 2,0003) |
|
- |
|
451,3923) 83,1383) |
- |
вар | |||||||
SA, S В, S c, SN, |
2,30933)) 0,4323) |
1 1 ,54733)) 2,3093) |
277,12833)) 55,4233) |
2,88733)) 0,5773) |
17,32133)) 3,4343) |
451,39233)) 83,1383) |
3,43433)) 0,3933) |
В-А | |||||||
PABC |
3,0003) |
17,3213) |
- 720,0003) |
8,3303) |
- 25,9813) |
10,3923) | |
Вт |
1,2003) |
3,4343) |
- 144,0003) |
1,7323) |
- 5,1933) |
2,0783) | |
Qabc-, |
- 3,4343) |
30,0003) |
- 415,3923) |
- 45,0003) |
1247,0733) | ||
вар |
- 0,3933) |
3,0003) |
- 83,1383) |
- 9,0003) |
249,4153) | ||
Sabc |
3,9283) |
34,3413) |
831,3843) |
8,3303) |
51,9323) |
1247,0733) |
10,3923) |
В-А |
0,4323) |
3,9283) |
133,2773) |
1,7323) |
10,3923) |
249,4153) |
2,0783) |
Примечания | |||||||
1 Проверка погрешностей измерений однофазных мощностей по фазе N осуществля- | |||||||
ется у приборов, укомплектованных четырьмя токоизмерительными клещами. | |||||||
2 Проверка погрешностей измерений трёхфазных мощностей осуществляется по фа- | |||||||
зам А, В и c. | |||||||
3 При проверке прибора с токоизмерительными клещами с |
номинальным значением | ||||||
измеряемой силы тока 1ном 50 А и более, задают номинальное значение фазно- | |||||||
го/междуфазного напряжения ином равным |
220/(220-n3) В, для остальных случаев задают | ||||||
номинальное значение фазного/междуфазного напряжения ином равным (100/n3)/100 В. | |||||||
1) |
При ином |
, равном 220 В. | |||||
2) |
При ином, равном 100/^3 В. | ||||||
3) |
При Iном, |
равном 5 А, 50 А, 100 А, 500 А. | |||||
4) |
При Iном, |
равном 1000 А. | |||||
5) |
При Iном, |
равном 3000 А. | |||||
6) |
При Iном, |
равном 1 А. |
-
4) считывают с прибора результаты измерений однофазных и трёхфазной активной, реактивной и полной мощностей, при этом производят не менее пяти измерений всех параметров, за погрешность прибора принимают максимальное по модулю значение погрешности;
-
5) рассчитывают погрешности измерений прибора, в зависимости от способа нормирования погрешности, по формулам (2) и (3);
-
6) результаты определения погрешностей заносят в протокол поверки;
7') выполняют действия, приведённые в перечислениях 3) - 6), для всех испытательных сигналов, приведённых в таблице 9;
-
8) подключают прибор к калибратору переменного тока согласно схеме подключений, приведённой на рисунке Б.2 (приложение Б), для прибора модификации «Ресурс-ЦР2» и согласно схеме подключений, приведённой на рисунке Б.4 (приложение Б), для прибора модификаций «Ресурс-ЦР2С», «Ресурс-ЦР2М» и «Ресурс-ЦР2МВ»;
-
9) задают в приборе тип измерительного входа напряжения «ТРАНСФ.», номинальное значение измеряемого фазного напряжения 57,7 В, измерительный вход тока «1 А», номинальное значение измеряемого тока 1 А и переводят прибор в режим работы «Пуск»;
-
10) выполняют действия, приведённые в перечислениях 3) - 7), для ином, равного (100Л/3)/100 В, и 1ном, равного 1 А.
-
7.5.2.3 Результаты проверки основной погрешности измерений электрической мощности считают положительными, если полученные значения погрешностей находятся в пределах, приведённых в таблице В.1 (приложение В).
-
7.5.2.4 Проверку основной погрешности измерений электрической мощности для прибора модификаций «Ресурс-ЦР2М» и «Ресурс-ЦР2МВ» с токоизмерительными клещами проводят следующим образом:
-
1) подключают прибор к калибратору переменного тока согласно схеме подключений, приведённой на рисунке Б.5 (приложение Б), параметры согласующих катушек и первичный ток, устанавливаемый в приборе, приведены в таблице 8;
-
2) при комплектации прибора четырьмя токоизмерительными клещами токоизмерительные клещи фазы N подключают на согласующую катушку фазы C вместе с токоизмерительными клещами фазы C или проводят проверку сначала с токоизмерительными клещами фаз А, В, С, а затем с токоизмерительными клещами фаз А, В, N при подключении токоизмерительных клещей фазы N на согласующую катушку фазы C;
-
3) задают в приборе измерительный вход тока прибора и первичный ток прибора в соответствии с таблицей 8;
-
4) если номинальное значение первичного тока токоизмерительных клещей 5 А, задают в приборе тип измерительного входа напряжения «ТРАНСФ.», номинальное значение измеряемого фазного напряжения 57,735 В, измерительный вход тока «ТТ 5 А» и первичный измерительный ток 5 А. Если номинальное значение первичного тока токоизмерительных клещей 50 А и более, задают в приборе тип измерительного входа напряжения «ПРЯМОЙ», номинальное значение измеряемого фазного напряжения 220 В, измерительный вход тока и первичный измерительный ток в соответствии с таблицей 8. Переводят прибор в режим работы «Пуск»;
-
5) выполняют проверку основной погрешности измерений электрической мощности в соответствии с 7.5.2.2 при всех номинальных значениях силы тока токоизмерительных клещей.
-
7.5.2.5 Результаты проверки основной погрешности измерений электрической мощности для прибора модификаций «Ресурс-ЦР2М» и «Ресурс-ЦР2МВ» с токоизмерительными клещами считают положительными, если полученные значения погрешностей находятся в пределах, приведённых в таблице В.1 (приложение В).
-
7.5.2.6 Проверку основной погрешности измерений полной электрической мощности в режиме измерений нагрузки измерительных трансформаторов тока для прибора модификации «Ресурс-ЦР2МВ» с токоизмерительными клещами КП15-5 проводят следующим образом:
-
1) подключают прибор к калибратору переменного тока согласно схеме подключений, приведённой на рисунке Б.6 (приложение Б), для измерительного входа напряжения фазы А и измерительного входа тока фазы В, параметры согласующей катушки приведены в таблице 8;
-
2) задают в приборе режим измерений нагрузки трансформаторов тока, переводят прибор в режим работы «Пуск»;
-
3) подают на измерительные входы прибора с выходов калибратора переменного тока испытательный сигнал 1 с параметрами, приведёнными в таблице 10, среднеквадратическое значение напряжения, равное 0,05 В, задают путём подачи силы тока равной 5 А на катушку сопротивления с номинальным значением 0,01 Ом, углы фазовых сдвигов между фазными напряжениями основной частоты и между напряжением и током основной частоты всех фаз задают равными 0°, частоту основного сигнала задают равной 50 Гц;
Таблица 10
Параметр |
Испытательный сигнал | |||||
1 |
2 |
3 |
4 |
5 |
6 | |
Значения, задаваемые калибратором переменного тока | ||||||
Диапазон напряжения |
- |
57,735 В |
57,735 В |
57,735 В |
57,735 В |
57,735 В |
Ua, Ub, Uc, Un, В |
0,05 |
1 |
1 |
5 |
10 |
10 |
Диапазон тока |
1 А |
1 А |
5 А |
5 А |
1 А |
5 А |
Ia, Ib, Ic, In, А |
0,25 |
0,25 |
6 |
5 |
0,25 |
6 |
tyUIA, tyUHB tyUIC tyUI N |
0° |
о о |
- 150° |
0° |
- 120° |
90° |
Значения, измеряемые прибором | ||||||
SA SB, SC SN В-А |
0,0125 |
0,250 |
6,000 |
24,999 |
2,500 |
60,002 |
-
4) считывают с прибора результаты измерений полной электрической мощности в режиме измерений нагрузки трансформаторов тока, при этом производят не менее пяти измерений всех параметров, за погрешность прибора принимают максимальное по модулю значение погрешности;
-
5) рассчитывают погрешности измерений прибора по формуле (2);
-
6) результаты определения погрешности заносят в протокол поверки;
7') выполняют действия, приведённые в перечислениях 3) - 6), для измерительного входа напряжения фазы В и измерительного входа тока фазы С, измерительного входа напряжения фазы С и измерительного входа тока фазы N, измерительного входа напряжения фазы N и измерительного входа тока фазы А;
-
8) подключают прибор к калибратору переменного тока согласно схеме подключений, приведённой на рисунке Б.7 (приложение Б), для измерительного входа напряжения фазы А и измерительного входа тока фазы В, параметры согласующих катушек и первичный ток, устанавливаемый в приборе, приведены в таблице 8;
-
9) подают на измерительные входы прибора с выходов калибратора переменного тока испытательный сигнал 2 с параметрами, приведёнными в таблице 10, частоту основного сигнала задают равной 50 Гц;
-
10) считывают с прибора результаты измерений полной электрической мощности в режиме измерений нагрузки трансформаторов тока, при этом производят не менее пяти измерений всех параметров, за погрешность прибора принимают максимальное по модулю значение погрешности;
-
11) рассчитывают погрешность измерений прибора по формуле (2);
-
12) результаты определения погрешности заносят в протокол поверки;
-
13) выполняют действия, приведённые в перечислениях 9) - 12), для испытательных сигналов 3 - 6, приведённых в таблице 10;
-
14) выполняют действия, приведённые в перечислениях 8) - 13), для для измерительного входа напряжения фазы В и измерительного входа тока фазы С, измерительного входа напряжения фазы С и измерительного входа тока фазы N, измерительного входа напряжения фазы N и измерительного входа тока фазы А.
-
7.5.2.7 Результаты проверки основной погрешности измерений полной электрической мощности в режиме измерений нагрузки измерительных трансформаторов тока для прибора модификации «Ресурс-ЦР2МВ» с токоизмерительными клещами КП15-5 считают положительными, если полученные погрешности находятся в пределах, приведённых в приложении В .
-
7.5.3.1 Проверку основной погрешности измерений интервала времени (хода часов) проводят с помощью частотомера универсального CNT-90 (далее - частотомер).
-
7.5.3.2 При проведении проверки используют выходной сигнал с разъёма интерфейса RS-232 прибора. Выходной сигнал формируется синхронно с изменением секунд внутренних часов прибора в режиме работы интерфейса RS-232 «ПРИЁМ GPS» и представляет собой последовательность прямоугольных импульсов положительной и отрицательной полярности со следующими параметрами:
-
- номинальное значение периода выходного сигнала составляет 1 с;
-
- напряжение выходного сигнала составляет 5 В.
-
7.5.3.3 Проверку основной погрешности измерений интервала времени (хода часов) проводят следующим образом:
-
1) включают частотомер и настраивают для работы в режиме измерений периода в канале А. Канал А настраивают следующим образом:
-
- положительный запускающий фронт - _Г;
-
- связь частотомера с прибором по постоянному току - DC;
-
- входное полное сопротивление 1 МОм - 1МО;
-
- положение аттенюатора - 10 х;
-
- запуск автоматический - Auto;
-
- фильтр включен - On;
-
2) подключают прибор к частотомеру согласно схеме подключений, приведённой на рисунке Б.8 (приложение Б);
-
3) переводят прибор в режим «СТОП» и задают в приборе режим работы интерфейса RS-232 «ПРИЁМ GPS»;
-
4) считывают с частотомера результаты измерений периода выходного сигнала с разъёма интерфейса RS-232 прибора, при этом производят не менее пяти измерений, за погрешность прибора принимают максимальное по модулю значение погрешности;
-
5) рассчитывают погрешность измерений интервала времени (хода часов) АТ, с/сутки, по формуле
АТ = 86400’(Т - Тном), (4)
где Т - показание частотомера, с;
Тном - номинальное значение периода выходного сигнала с разъёма интерфейса RS-232 прибора, с;
-
6) результаты определения погрешности заносят в протокол поверки.
-
7.5.3.4 Результаты проверки погрешности измерений интервала времени (хода часов) считают положительными, если рассчитанная погрешность находится в пределах, приведённых в приложении В.
-
7.5.4.1 Проверку погрешности измерений времени проводят с помощью радиочасов РЧ-011 (далее - радиочасы) и частотомера универсального CNT-90.
-
7.5.4.2 При проведении проверки используют выходной сигнал с разъёма интерфейса RS-232 прибора. Параметры выходного сигнала приведены в 7.5.3.2.
-
7.5.4.3 Проверку погрешности измерений времени проводят следующим образом:
-
1) включают радиочасы и дожидаются вхождения радиочасов в стационарный режим работы (через 20 минут с момента подключения питания и антенны при условии удовлетворительного приёма радиосигнала):
-
- светодиод «АВАРИЯ» должен быть погашен;
-
- светодиоды «СЕКУНДА» и «МИНУТА» должны иметь прерывистое свечение;
-
- на цифровом табло должен высвечиваться символ «V»;
-
2) включают частотомер и настраивают для работы в режиме измерений интервала времени А к В (Time Interval A to B). Каналы А и В настраивают следующим образом:
-
- положительный запускающий фронт -
-
- связь частотомера с прибором по постоянному току - DC;
-
- входное полное сопротивление 1 МОм - 1МО;
-
- положение аттенюатора - 10 х;
-
- запуск автоматический - Auto;
-
- фильтр включен - On;
-
3) подключают к прибору GPS-приёмник, входящий в комплект поставки прибора, согласно руководству по эксплуатации прибора;
-
4) переводят прибор в режим «СТОП» и задают в приборе режим работы интерфейса RS-232 «ПРИЁМ GPS»;
-
5) дожидаются выполнения синхронизации времени прибора с сигналами от GPS-приёмника и затем отключают GPS-приёмник от прибора;
-
6) убеждаются, что показания внутренних часов прибора и радиочасов совпадают, если данное условие не выполняется, результаты проверки считают отрицательными;
-
7) подключают прибор и радиочасы к частотомеру согласно схеме подключений, приведённой на рисунке Б.9 (приложение Б);
-
8) считывают с частотомера результаты измерений значения интервала времени между положительными фронтами импульсов, идущих от прибора и радиочасов АГ, при этом производят не менее пяти измерений, за погрешность прибора принимают максимальное по модулю значение погрешности.
-
7.5.4.4 Результаты проверки погрешности измерений времени считают положительными, если измеренное значение интервала времени между импульсами АТ не более 0,01 с.
-
8.1 Результаты поверки заносят в протокол поверки, рекомендуемая форма которого приведена в приложении Г.
-
8.2 При положительных результатах поверки выписывают свидетельство о поверке в соответствии с ПР 50.2.006-94, на прибор или на свидетельство о поверке наносят повери-тельное клеймо.
-
8.3 При отрицательных результатах поверки прибор не допускают к применению, оформляют извещение о непригодности в соответствии с ПР 50.2.006-94. Поверительное клеймо предыдущей поверки гасят, свидетельство о поверке аннулируют.
Приложение А
(справочное)
Условные обозначения
UH0M - номинальное значение напряжения
1ном - номинальное значение силы тока
8UA, bUB, bUC - отклонения фазных напряжений основной частоты от номинального значения (здесь и далее А, В, С, - обозначение фазы)
5UAB, bUBC, bUCA -отклонения междуфазных напряжений основной частоты от номинального значения (здесь и далее АВ, ВС, СА - обозначение междуфазного напряжения) 5U(.)а, 5U(.) В, 5U(.) С - отрицательные отклонения фазных напряжений от номинального значения
SU(.)АВ, 5U(.) ВС, 5U(.) СА - отрицательные отклонения междуфазных напряжений от
номинального значения
5U(+) А, 5U(+) В, 5U(+) С - положительные отклонения фазных напряжений от номиналь
ного значения
SU(+)АВ, bU(+)ВС, 5U(+) СА - положительные отклонения междуфазных напряжений от
номинального значения
UA, UB, UC - среднеквадратические значения фазных напряжений
UAB, UBC, UCA - среднеквадратические значения междуфазных напряжений
U1 - напряжение прямой последовательности трёхфазной системы междуфазных напряжений
K2U - коэффициент несимметрии напряжений по обратной последовательности
K0U - коэффициент несимметрии напряжений по нулевой последовательности
- отклонение частоты
f - значение частоты
фиАВ, фивс, фисА - углы сдвига фаз между фазными напряжениями
фи(я) - угол сдвига фаз между п-ой и первой гармоническими составляющими фазного
напряжения
KU - коэффициент искажения синусоидальности кривой напряжения
KUA, KUB, KUC - коэффициенты искажения синусоидальности кривой фазных напря
жений
КиАВ, KUBC, KUCA - коэффициенты искажения синусоидальности междуфазных напря
жений
Ки(п)А, Ки(п)В, Ku(n)C - коэффициенты п-ых гармонических составляющих фазных напряжений
Ки(П)АВ, Ки(П)ВС, Ки(П)СА - коэффициенты п-ых гармонических составляющих между-фазных напряжений
I(i)A, I(1)B, I(i)C, I(1)N - среднеквадратические значения силы тока основной частоты
Ia, IB, IC, IN - среднеквадратические значения силы тока
-
11 - сила тока прямой последовательности
-
12 - сила тока обратной последовательности
I0 - сила тока нулевой последовательности
фин, фи1В, фик, фит - угол фазового сдвига между напряжением и током основной
частоты
фицп) - угол фазового сдвига между п-ми гармоническими составляющими напряже
ния и тока
фи11 - угол фазового сдвига между напряжением прямой последовательности системы фазных напряжений и током прямой последовательности
фи12 - угол фазового сдвига между напряжением обратной последовательности системы фазных напряжений и током обратной последовательности
tyUI0 - угол фазового сдвига между напряжением нулевой последовательности системы фазных напряжений и током нулевой последовательности
KI - коэффициент искажения синусоидальности кривой тока
KIA, KIB, KIC, KIN - коэффициенты искажения синусоидальности кривой фазных токов
KI(n)A, KI(n)B, KI(n)C, KI(n)N - коэффициенты n-ых гармонических составляющих фазных токов
AtH - длительность провала напряжения
Л^ери - длительность временного перенапряжения
5 ип - глубина провала напряжения
Кпер и - коэффициент временного перенапряжения
Pst - кратковременная доза фликера
PABC - трёхфазная активная мощность
PA, PB, РС - однофазные активные мощности
QABC - трёхфазная реактивная мощность;
QA, QB, Qc - однофазные реактивные мощности;
SABC - трёхфазная полная мощность
SA, SB, Sc - полные однофазные мощности
Приложение Б
(обязательное)
Схемы подключений при проверке основных погрешностей прибора при измерении показателей качества электрической энергии, параметров напряжения, силы тока, углов фазового сдвига и мощности

Рисунок Б.1 - Схема подключений при проверке основных погрешностей прибора модификации «Pecypc-UF2» при номинальном значении измеряемого напряжения 220/380 В и номинальном значении измеряемого тока 5 А

Рисунок Б.2 - Схема подключений при проверке основных погрешностей прибора модификации «Pecypc-UF2» при номинальном значении измеряемого напряжения 57,7/100 В и номинальном значении измеряемого тока 1 А

Рисунок Б.3 - Схема подключений при проверке основных погрешностей прибора модификаций «Pecypc-UF2C», «Pecypc-UF2M» «Pecypc-UF2MB» при номинальном значении измеряемого напряжения 220/380 В и номинальном значении измеряемого тока 5 А

Рисунок Б.4 - Схема подключений при проверке основных погрешностей прибора модификаций «Pecypc-UF2C», «Pecypc-UF2M» «Pecypc-UF2MB» при номинальном значении измеряемого напряжения 57,7/100 В и номинальном значении измеряемого тока 1 А
Измеритель
«Ресурс U 1'2»
Калибратор переменного тока «Ресурс-К2М»

Цепь |
Конт. |
Напряжение |
иЛ |
ив | |
Uc | |
1 | |
Ток |
ц |
1 | |
ь | |
1 | |
к | |
1 |
Измерительные входы напряжения
Измерительные входы тока
Т1, Т2, Т3 - согласующие катушки;
ТТ А, ТТ В, ТТ С, ТТ N - токоизмерительные клещи, входящие в комплект поставки прибора
Рисунок Б.5 - Схема подключений при проверке основных погрешностей прибора модификаций «Ресурс-ЦР2С», «Ресурс-ЦР2М» «Ресурс-ЦР2МВ» с токоизмерительными клещами
Калибратор переменного тока «Ресурс К2М»

Цепь |
Конт. |
Ток |
1а |
X | |
ь | |
X | |
1с | |
1 |
Конт. |
Нан мен. |
Цепь |
Фаза А |
Входы напряжения 10 В | |
-£) |
Фаза В | |
-э© |
Фаза С | |
О |
Фаза N | |
1’ |
Фаза А |
Измерительные входы тока ТТ5 А |
н | ||
г |
Фаза В | |
н | ||
г |
Фаза С | |
н | ||
г |
ФазаИ | |
н |
R1 - катушка электрического сопротивления Р310;
Т1 - согласующие катушки;
ТТ А - токоизмерительные клещи, входящие в комплект поставки прибора;
Рисунок Б.6 - Схема подключений при проверке основной погрешности измерений полной мощности в режиме измерений нагрузки измерительных трансформаторов тока для прибора «Ресурс-ЦР2МВ» с токоизмерительными клещами типа КП15-5 (при задании среднеквадратического значения напряжения 0,05 В)

Рисунок Б.7 - Схема подключений при проверке основной погрешности измерений полной мощности в режиме измерений нагрузки измерительных трансформаторов тока для прибора «Pecypc-UF2MB» с токоизмерительными клещами типа КП15-5

Цепь |
Конт. |
DTK |
4 |
GND |
5 |
Конт. |
Цепь |
Канал А |
Рисунок Б.8 - Схема подключений при проверке основной погрешности измерений интервала времени (хода часов)

Цепь |
Конт. |
DTR |
4 |
GND |
5 |
Цепь |
Конт. |
1 СЕК |
о- |
Конт. |
Цепь |
-е |
Канал А |
Канал В |
Рисунок Б.9 - Схема подключений при проверке погрешности измерений времени
Приложение В
(обязательное)
Метрологические характеристики измерителей
показателей качества электрической энергии «Pecypc-UF2»
Номинальное значение измеряемого фазного/междуфазного напряжения UH0M:
-
- (100/73)/100 В;
-
- 220/(220-73) В.
Номинальное значение измеряемой силы тока 1ном определяется подключением измерительных входов тока (прямое или с помощью токоизмерительных клещей) и может составлять:
-
- 1 А (прямое);
-
- 5 А (прямое и с помощью токоизмерительных клещей);
-
- 50 А (с помощью токоизмерительных клещей);
-
- 100 А (с помощью токоизмерительных клещей);
-
- 500 А (с помощью токоизмерительных клещей);
-
- 1000 А (с помощью токоизмерительных клещей);
-
- 3000 А (с помощью токоизмерительных клещей).
Диапазоны измерений и пределы допускаемых основных погрешностей прибора приведены в таблице В.1.
Пределы допускаемых основных погрешностей приборов соответствуют значениям, приведенным в таблице В.1, если значения других параметров находятся в пределах влияющих величин, установленных в ГОСТ Р 51317.4.30-2008 (если не указано иное).
Измеряемые параметры, приведённые в таблице В.1, относятся к фазным и между-фазным напряжениям.
Таблица В.1
Измеряемый параметр |
Диапазон измерений |
Пределы допускаемой основной погрешности (абсолютной Л; относительной 5, %; приведённой у, %) |
Примечание |
Модификация |
1 Среднеквадратическое значение напряжения1) U, В |
от 0,01ином до 1,5ином |
± 0,1 (Y) |
Пределы допускаемой погрешности у относительно ином |
Ресурс-ЦР2, Ресурс-ЦР2С, Ресурс-ЦР2М, Ресурс-ЦР2МВ |
2 Установившееся отклонение напря-жения2) 5Uy, % |
от - 20 до 20 |
± 0,2 (А) |
- | |
3 Положительное отклонение напряжения 5U(+), % |
от 0 до 50 |
± 0,1 (А) |
- | |
4 Отрицательное отклонение напряжения 5U(), % |
от 0 до 90 |
± 0,1 (А) |
- | |
5 Частота f, Гц |
от 42,5 до 57,5 |
± 0,01 (А) |
- | |
6 Отклонение частоты А/, Гц |
от - 7,5 до 7,5 |
± 0,01 (А) |
- |
Измеряемый параметр |
Диапазон измерений |
Пределы допускаемой основной погрешности (абсолютной А; относительной 5, %; приведённой у, %) |
Примечание |
Модификация |
7 Коэффициент несимметрии напряжений по обратной последовательности K2U, % |
от 0 до 20 |
± 0,15 (А) |
- |
Ресурс-ЦР2, Ресурс-ЦР2С, Ресурс-ЦР2М, Ресурс-ЦР2МВ |
8 Коэффициент несимметрии напряжений по нулевой последовательности K0U, % |
от 0 до 20 |
± 0,15 (А) |
- | |
9 Коэффициент искажения синусоидальности кривой напряжения (суммарный коэффициент искажения синусоидальности напряжения) Ки, % |
от 0,5 до 30 |
± 0,05 (А) |
Ки < Цном/и(1) 0,8-ином<и<2,0-Гном | |
± 0,05ином/и(1) (А) |
Ки < ином/и(1) 0,1-ином<и<0,8-Гном | |||
± 5 (5) |
KU — Гном/Г(1) | |||
10 Коэффициент п-ой гармонической составляющей напряжения Ки(п), % |
от 0,1 до 30 2 < п < 10 |
± 0,05 (А) |
Ки(п) < Гном/Г(1) 0,8 - ином<и<2,0 - Гном | |
от 0,1 до 20 10 < п < 20 | ||||
от 0,1 до 10 20 < п < 30 | ||||
от 0,1 до 5 30 < п < 40 | ||||
от 0,1 до 30 2 < п < 10 |
± 0,05ином/и(1) (А) |
Ки(п) < Гном/Г(1) 0,1- Гном<и<0,8 - Гном | ||
от 0,1 до 20 10 < п < 20 | ||||
от 0,1 до 10 20 < п < 30 | ||||
от 0,1 до 5 30 < п < 40 | ||||
от 0,1 до 30 2 < п < 10 |
± 5 (5) |
KU(h) — Гном/Г(1) | ||
от 0,1 до 20 10 < п < 20 | ||||
от 0,1 до 10 20 < п < 30 | ||||
от 0,1 до 5 30 < п < 40 |
Измеряемый параметр |
Диапазон измерений |
Пределы допускаемой основной погрешности (абсолютной А; относительной 5, %; приведённой у, %) |
Примечание |
Модификация |
11 Длительность провала напряжения . \tN, c |
от 0,01 до 60 |
± 0,02 (А) |
- |
Ресурс-ЦР2, Ресурс-ЦР2С, Ресурс-ЦР2М, Ресурс-ЦР2МВ |
12 Глубина провала напряжения и % |
от 10 до 100 |
± 0,2 (А) |
- | |
13 Длительность временного перенапряжения AtnepU, с |
от 0,01 до 60 |
± 0,02 (А) |
- | |
14 Коэффициент временного перенапряжения Кпери, отн.ед. |
от 1,1 до 2,0 |
± 0,002 (А) |
- | |
15 Кратковременная доза фликера Pst, отн.ед. |
от 0,2 до 10 |
± 5 (5) |
- | |
16 Угол фазового сдвига между фазными напряжениями основной частоты фи |
от - 180° до 180° |
± 0,1° (А) |
0,8-ином<и<1,2-ином | |
17 Среднеквадрати ческое значение силы тока3) I, А |
от 0,01 *1ном до 1,2’-ном |
± 0,2 (5) |
0,05’1ном<1<1,2’1ном |
Ресурс-ЦР2С, Ресурс-ЦР2М, Ресурс-ЦР2МВ |
± 0,01 (Y) |
0,01’1ном<1<0,05’1ном Пределы допускаемой погрешности у относительно 1ном | |||
от 0,01 *1ном до 1,2’-ном |
± 0,2 (у) |
Пределы допускаемой погрешности у относительно 1ном |
Ресурс-ЦР2 | |
18 Среднеквадрати ческое значение силы тока прямой I1, обратной I2 и нулевой I0 последовательности, А |
от 0,01-Тном до 1,2’—ном |
± 0,2 (у) |
Пределы допускаемой погрешности y относительно 1ном |
Ресурс-ЦР2, Ресурс-ЦР2С, Ресурс-ЦР2М, Ресурс-ЦР2МВ |
19 Коэффициент искажения синусоидальности кривой тока (суммарный коэффициент искажения синусоидальности тока) Ki, % |
от 1 до 100 |
± 0,15 (А) |
0,01’1ном< I <1,2’1ном Ki < 3 |
Ресурс-ЦР2С, Ресурс-ЦР2М, Ресурс-ЦР2МВ |
± 5 (5) |
0,01’1ном< I <1,2’1ном Ki > 3 | |||
от 1 до 100 |
± 0,15 (А) |
0,1’-ном < I < 1,2’1ном Ki < 3 |
Ресурс-ЦР2 | |
± 5 (5) |
0,1’-ном < I < 1,2’1ном Ki > 3 |
Измеряемый параметр |
Диапазон измерений |
Пределы допускаемой основной погрешности (абсолютной А; относительной 5, %; приведённой у, %) |
Примечание |
Модификация |
20 Коэффициент n-ой гармонической составляющей тока Кцпу, % |
от 0,2 до 50 2 < n < 10 |
± 0,15 (А) |
0,01 Лом< I <1,2-1ном Ki(n) < 3 |
Ресурс-ЦР2С, Ресурс-ЦР2М, Ресурс-ЦР2МВ |
от 0,2 до 30 10 < n < 20 | ||||
от 0,2 до 20 20< n < 30 | ||||
от 0,2 до 10 30< n < 40 | ||||
от 0,2 до 50 2 < n < 10 |
± 5 (5) |
0,01-1ном< I <1,2-1ном KI(n) 3 | ||
от 0,2 до 30 10 < n < 20 | ||||
от 0,2 до 20 20< n < 30 | ||||
от 0,2 до 10 30< n < 40 | ||||
от 0,2 до 50 2 < n < 10 |
± 0,15 (А) |
0,1 Лом < I < 1,2Лом KI(n) < 3 |
Ресурс-ЦР2 | |
от 0,2 до 30 10 < n < 20 | ||||
от 0,2 до 20 20< n < 30 | ||||
от 0,2 до 10 30< n < 40 | ||||
от 0,2 до 50 2 < n < 10 |
± 5 (5) |
0,1 Лом < I < 1,2Лом KI(n) 3 | ||
от 0,2 до 30 10 < n < 20 | ||||
от 0,2 до 20 20< n < 30 | ||||
от 0,2 до 10 30< n < 40 |
Измеряемый параметр |
Диапазон измерений |
Пределы допускаемой основной погрешности (абсолютной А; относительной 5, %; приведённой у, %) |
Примечание |
Модификация |
21 Угол фазового сдвига между напряжением и то- 4) ком ’ |
от - 180° до 180° |
± 0,1°(А) |
0,05-1ном< I < 1,2-Лом 0,8-ином<и<1,2-ином |
Ресурс-ЦР2С, Ресурс-ЦР2М, Ресурс-ЦР2МВ |
± 0,5° (А) |
0,01-1ном<1<0,05-1ном 0,8-иНом<и<1,2-иНом | |||
± 5° (А) |
0,01-Лом< I < 1,2-Лом 0,01-ином<и<0,8-ином | |||
± 0,1°(А) |
0,5-1ном < I < 1,2-Лом 0,8-иНом<и<1,2-иНом |
Ресурс-ЦР2 | ||
± 0,3° (А) |
0,1-Лом < I < 0,5-1ном 0,8-ином<и<1,2-ином | |||
± 5° (А) |
0,01-!ном< I < 1,2-Лом 0,01-ином<и<0,8-ином | |||
22 Угол фазового сдвига между n-ми гармоническими составляющими напряжения и тока tyUI(n) |
от - 180° до 180° |
± 3° (А) |
0,05Л,ом< I < 1,2-Лом 0,8-ином<и<1,2-ином 5 % < KI(n) < 50 % 5 % < KU(n) < 30 % |
Ресурс-ЦР2С, Ресурс-ЦР2М, Ресурс-ЦР2МВ |
± 5° (А) |
0,05-Лом< I < 1,2-Лом 0,8-иНом<и<1,2-иНом 1 % < KI(n) < 5 % 1 % < KU(n) < 5 % | |||
± 15° (А) |
0,1-Лом < I < 1,2-Лом 0,8 - ином<и<1,2-Гном 0,4 % < KI(n) < 1 % 0,2 % < KU(n) < 1 % | |||
± 5° (А) |
0,1 - Лом < I < 1,2 - Лом 0,8 - Лном<Л<1,2-Гном 5 % < KI(n) < 50 % 5 % < Кил) < 30 % |
Ресурс-ЦР2 | ||
± 15° (А) |
0,2 - Лом < I < 1,2 - Лом 0,8 Гном<Г<1,2 Гном 1 % < KI(n) < 5 % 0,2 % < Ku(n) < 5 % | |||
23 Активная мощность Р |
- |
± 0,2 (y)5) |
0,05 -IH0M< I <1,2 - Лом 0,8 - Лном<Л<1,2-Гном |
Ресурс-ЦР2С, Ресурс-ЦР2М, Ресурс-ЦР2МВ |
± 0,4 (Y)5) |
0,01 -Лом<К0,05- Лом 0,8 - Лном<Л<1,2-Гном | |||
± 0,2 (Y)6) |
0,01 - Лом< I <1,2 - Лом 0,8 - Лном<Л<1,2-Гном |
Ресурс-ЦР2 |
Измеряемый параметр |
Диапазон измерений |
Пределы допускаемой основной погрешности (абсолютной А; относительной 5, %; приведённой у, %) |
Примечание |
Модификация |
24 Реактивная мощность Q |
- |
± 0,5 (y)5) |
0,05-/ном< I < 1,2-Лом 0,8-ином<и<1,2-ином |
Ресурс-ЦР2С, Ресурс-ЦР2М, Ресурс-ЦР2МВ |
± 1 (y)5) |
0,01-1ном<1<0,05-1ном 0,8-иНом<и<1,2-иНом | |||
± 0,5 (y)6) |
0,01-!ном< I < 1,2-Лом 0,8-ином<и<1,2-ином |
Ресурс-ЦР2 | ||
25 Полная мощность S |
- |
± 0,5 (5) |
0,05-Лом< I < 1,2-Лом 0,8-ином<и<1,2-ином |
Ресурс-ЦР2С, Ресурс-ЦР2М, Ресурс-ЦР2МВ |
± 1 (5) |
0,01-1ном<1<0,05-1ном 0,8-ином<и<1,2-ином | |||
± 4 (5) |
0,051ном< I <1,2-1ном 0,01-ином<и<0,8-ином | |||
± 1 (5)7) |
0,25 А < I < 6 А 0,05 В < U < 10 В |
Ресурс-ЦР2МВ для входа «10 В» | ||
± 0,5 (y)6) |
0,01-Лом< I < 1,2-Лом 0,8-ином<и<1,2-ином |
Ресурс-ЦР2 | ||
26 Активная энер-гия8) WP |
- |
± 0,2 (5) |
0,05-Лом< I < 1,2-Лом cos ф = 1 |
Ресурс-ЦР2С, Ресурс-ЦР2М, Ресурс-ЦР2МВ |
± 0,4 (5) |
0,01 -Лом</<0,05- Лом cos ф = 1 | |||
± 0,2 (5) |
0,1 • Лом < I < 1,2 • Лом cos ф = 0,5 | |||
± 0,4 (5) |
0,02 • Лом< I <0,1 • Лом cos ф = 0,5 | |||
± 0,4 (5) |
0,1 • Лом < I < 1,2 • Лом cos ф = 0,25 | |||
± 0,5 (5) |
0,05 -!ном< I <1,2 • Лом cos ф = 1 |
Ресурс-ЦР2 | ||
± 1 (5) |
0,01 ^</<0,05- Лом cos ф = 1 | |||
± 0,5 (5) |
0,1 • Лом < I < 1,2 • Лом cos ф = 0,5 | |||
± 1 (5) |
0,02 • Лом< I <0,1 • Лом cos ф = 0,5 | |||
± 1 (5) |
0,1 • Лом < I < 1,2 • Лом cos ф = 0,25 |
Измеряемый параметр |
Диапазон измерений |
Пределы допускаемой основной погрешности (абсолютной А; относительной 5, %; приведённой у, %) |
Примечание |
Модификация |
27 Реактивная энергия8) Wq |
- |
± 0,5 (5) |
0,05-/ном< I <1,2Лом sin ф = 1 |
Ресурс-ЦБ2С, Ресурс-ЦБ2М, Ресурс-ЦБ2МВ |
± 0,75 (5) |
0,01Лом<К0,05Лом sin ф = 1 | |||
± 0,5 (5) |
0,1 Лом < I < 1,2Лом sin ф = 0,5 | |||
± 0,75 (5) |
0,02Лом< I <0,1 Лом sin ф = 0,5 | |||
± 0,75 (5) |
0,1 Лом < I < 1,2Лом sin ф = 0,25 | |||
± 1 (5) |
0,05Лом< I <1,2Лом sin ф = 1 |
Ресурс-ЦБ2 | ||
± 1,5 (5) |
0,01Лом<К0,05Лом sin ф = 1 | |||
± 1 (5) |
0,1 Лом < I < 1,2Лом sin ф = 0,5 | |||
± 1,5 (5) |
0,02Лом< I <0,1 Лом sin ф = 0,5 | |||
± 1,5 (5) |
0,1 Лом < I < 1,2Лом sin ф = 0,25 | |||
28 Интервал времени (ход часов), с/сутки |
- |
± 1 |
Без устройства синхронизации времени (GPS-приёмник) |
Ресурс-ЦБ2, Ресурс-ЦБ2С, Ресурс-ЦБ2М, Ресурс-ЦБ2МВ |
29 Время, мс |
- |
± 20 |
При работе с устройством синхронизации времени (GPS-приёмник)^ |
Ресурс-ЦБ2, Ресурс-ЦБ2С, Ресурс-ЦБ2М, Ресурс-ЦБ2МВ |
Измеряемый параметр |
Диапазон измерений |
Пределы допускаемой основной погрешности (абсолютной А; относительной 5, %; приведённой у, %) |
Примечание |
Модификация |
Примечание - U(1) - среднеквадратическое значение напряжения основной частоты.
|
Пределы допускаемой дополнительной погрешности, возникающей при использовании токоизмерительных клещей, входящих в комплект поставки, при измерении параметров 17 и 18 таблицы В.1 составляют 0,5 пределов основной погрешности.
Пределы допускаемой дополнительной погрешности, возникающей при использовании токоизмерительных клещей, входящих в комплект поставки, при отклонении проводника от перпендикуляра к центру измерительного окна при измерении параметров 17 и 18 таблицы В.1 составляют 0,5 пределов основной погрешности.
Пределы допускаемой дополнительной погрешности, возникающей при использовании токоизмерительных клещей, входящих в комплект поставки, при измерении параметров 21-27 таблицы В.1 равны пределам основной погрешности.
Приложение Г (рекомендуемое) Протокол поверки
ПРОТОКОЛ ПОВЕРКИ
№ ________________ от «____» ________________ 20___ г .
Г.1 Измеритель показателей качества электрической энергии
«Pecypc-UF2______________________»
заводской номер______________________________________________________________
принадлежащий _______________________________________________________
наименование юридического (физического) лица
адрес юридического (физического) лица
Г.2 Поверен в соответствии с____________«Измерители показателей качества______
наименование и номер документа на методику поверки
электрической энергии «:Ресурс-ЦЕ2». Методика поверки. БГТК.411722.010 МП»
Г.3 Вид поверки____________________________________________________________
первичная, периодическая
Г.4 Средства поверки
Средства поверки, применяемые при проведении операций поверки, приведены в таб-
лице Г.1.
Таблица Г.1
Тип |
Заводской номер |
Номер свидетельства о поверки (аттестата) |
Срок действия свидетельства о поверки (аттестата) |
Г.5 Условия поверки
Температура окружающего воздуха, °С__________________________________________
Относительная влажность воздуха, % __________________________________________
Атмосферное давление, кПа ________________________________________
Частота питающей сети, Гц ________________________________________
Напряжение питающей сети, В ________________________________________
Коэффициент несинусоидальности
напряжения питающей сети, % ________________________________________
Г.6 Результаты поверки
Г.6.1 Внешний осмотр
Вывод: Измеритель показателей качества электрической энергии
«Ресурс-ЦЕ2______________» ______________________________________________________
Г.6.2 Проверка сопротивления изоляции
Результат измерения сопротивления изоляции: ______________________ МОм
Вывод: Измеритель «Ресурс-ЦР2 » |
показателей качества электрической энергии соответствует, не соответствует технической документации |
Г.6.3 Опробование Вывод: Измеритель «Ресурс-ЦР2 » |
показателей качества электрической энергии соответствует, не соответствует технической документации |
Г.6.4 Подтверждение соответствия программного обеспечения
Результаты подтверждения соответствия программного обеспечения приведены в таблице Г.2.
Вывод: Измеритель
«Ресурс-ЦР2______________»
Таблица Г.2
Наименование программного обеспечения |
Номер версии (идентификационный номер программного обеспечения) |
Цифровой идентификатор программного обеспечения (контрольная сумма исполняемого кода) |
Алгоритм вычисления цифрового идентификатора программного обеспечения |
показателей качества электрической энергии
соответствует, не соответствует технической документации
Г.6.5 Проверка метрологических характеристик
Г.6.5.1 Проверка основных погрешностей измерений показателей качества электрической энергии, параметров напряжения, силы тока и углов фазового сдвига
Максимальные погрешности измерений параметров напряжения, силы тока и углов фазового сдвига приведены в таблице Г.3.
Таблица Г.3
Номи нальное напряже ние/ток |
Характеристика |
Измеряемый параметр | |||||||||||||||
8Uy |
U |
8U(.) |
8U(+) |
фи |
А/ |
f |
K2U |
K0U |
KU(n) |
KU |
I |
фт |
KI(n) |
KI |
фи1(и) | ||
Погрешность | |||||||||||||||||
Пределы погрешности | |||||||||||||||||
Погрешность | |||||||||||||||||
Пределы погрешности | |||||||||||||||||
Погрешность | |||||||||||||||||
Пределы погрешности | |||||||||||||||||
Погрешность | |||||||||||||||||
Пределы погрешности | |||||||||||||||||
Погрешность | |||||||||||||||||
Пределы погрешности |
Вывод: Измеритель
«Pecypc-UF2______________»
показателей качества электрической энергии
соответствует, не соответствует технической документации
Максимальные погрешности измерений параметров провалов напряжения и перенапряжений приведены в таблице Г.4.
Таблица Г.4
Номинальное напряжение |
Характеристика |
Измеряемый параметр | |||
бГп |
At,, |
Кпер U |
А^ер U | ||
Погрешность | |||||
Пределы погрешности | |||||
Погрешность | |||||
Пределы погрешности |
Вывод: Измеритель
«Pecypc-UF2______________»
показателей качества электрической энергии
соответствует, не соответствует технической документации
Максимальные погрешности измерений кратковременной дозы фликера приведены в таблице Г.5.
Таблица Г.5
Номинальное напряжение |
Характеристика |
Измеряемый параметр Pst |
Погрешность | ||
Пределы погрешности |
Вывод: Измеритель
«Pecypc-UF2______________»
показателей качества электрической энергии
соответствует, не соответствует технической документации
Г.6.5.2 Проверка основной погрешности измерений электрической мощности
Максимальные погрешности измерений приведены в таблице Г.6.
Таблица Г.6
Номинальное напряжение/ток |
Характеристика |
Измеряемый параметр | ||
P |
Q |
S | ||
Погрешность | ||||
Пределы погрешности | ||||
Погрешность | ||||
Пределы погрешности | ||||
Погрешность | ||||
Пределы погрешности |
Вывод: Измеритель
«Pecypc-UF2______________»
показателей качества электрической энергии
соответствует, не соответствует технической документации
Г.6.5.3 Проверка основной погрешности измерений интервала времени (хода часов) Результаты определения основной погрешности измерений интервала времени (хода часов) приведены в таблице Г.7.
Таблица Г.7
Измеряемый параметр |
Погрешность |
Пределы погрешности |
Интервал времени (ход часов) |
Вывод: Измеритель показателей качества электрической энергии
«Pecypc-UF2______________» ______________________________________________________
соответствует, не соответствует технической документации Г.6.5.4 Проверка погрешности измерений времени
Результат измерений: АТ =
Вывод: Измеритель показателей качества электрической энергии
«Pecypc-UF2______________» ______________________________________________________
соответствует, не соответствует технической документации
Г.7 Вывод по результатам поверки: Измеритель показателей качества электриче
ской энергии «Pecypc-UF2______________» _________________________________
годен, негоден
«____» ________________ 20___ г.
Поверитель
личная подпись
расшифровка подписи
45
46
47
48