Методика поверки «Газоанализаторы стационарные ИГМ-11» (МП 112-221-2017)
Федеральное агентство по техническому регулированию и метрологии Федеральное государственное унитарное предприятие «Уральский научно-исследовательский институт метрологии» (ФГУП «УНИИМ»)
лменнои
А.М. Литвак
2017 г.
Согласован Генеральн ООО
директор Прибор»

Государственная система обеспечения единства измерений
Газоанализаторы стационарные ИГМ-11 Методика поверкиМП 112-221-2017
Екатеринбург
2017
СОДЕРЖАНИЕ
-
5 ТРЕБОВАНИЯ БЕЗОПАСНОСТИ И ТРЕБОВАНИЯ К КВАЛИФИКАЦИИ ПОВЕРИТЕЛЕЙ...5
-
6 УСЛОВИЯ ПОВЕРКИ
-
-
8.3 Проверка диапазона измерений и определение основной погрешности при измерении
|
Государственная система обеспечения единства измерений Газоанализаторы стационарные ИГМ-11 |
МП 112-221-2017 |
Дата введения «23» октября 2017 г.
1 ОБЛАСТЬ ПРИМЕНЕНИЯ-
1.1 Настоящий документ распространяется на газоанализаторы стационарные ИГМ-11 (далее - газоанализаторы) и устанавливает методику их первичной и периодической поверок.
-
1.2 Интервал между поверками для газоанализаторов - один год.
-
2.1 В настоящей методике использованы ссылки на следующие документы:
Приказ Минтруда России №328н от 24.07.2013 г. Об утверждении Правил по охране труда при эксплуатации электроустановок
Приказ Минпромторга России № 1815 от 02 июля 2015 г. Об утверждении порядка проведения поверки средств измерений, требований к знаку поверки и содержанию свидетельства о поверке
Федеральные нормы и правила в области промышленной безопасности «Правила промышленной безопасности опасных производственных объектов, на которых используется оборудование, работающее под избыточным давлением» (утверждены приказом Ростехнадзора № 116 от 25.03.2014 г.)
ГОСТ 8.578-2014 ГСП. Государственная поверочная схема для средств измерений содержания компонентов в газовых средах
ГОСТ 12.2.007.0-75 ССБТ. Изделия электротехнические. Общие требования безопасности
ГОСТ 12.1.005-88 ССБТ. Общие санитарно-гигиенические требования к воздуху рабочей зоны (с Изменением № 1).
ГОСТ 9293-74 Азот газообразный и жидкий. Технические условия
3 ОПЕРАЦИИ ПОВЕРКИ-
3.1 При проведении поверки должны быть выполнены операции, указанные в таблице 1.
Таблица 1 - Операции поверки
|
Наименование операции |
Пункт методики |
Проведение операций при поверке | |
|
первичной |
периодической | ||
|
1 Внешний осмотр |
8.1 |
+ |
+ |
|
2 Опробование |
8.2 |
+ |
+ |
|
3 Проверка диапазона измерений и определение основной погрешности при измерении объемной доли компонентов |
8.3 |
+ |
+ |
|
4 Определение вариации выходного сигнала |
8.4 |
+ |
+ |
Примечание. Знак «+» обозначает, что соответствующую операцию поверки проводят.
-
3.2 При получении отрицательных результатов на любой из операций, указанных в таблице 2, поверку прекращают, а далее выясняют и устраняют причины несоответствий и повторяют поверку по пунктам несоответствий.
-
3.3 В случае повторного выявления несоответствия установленным требованиям поверку прекращают, выдается извещение о непригодности.
-
4.1 При проведении поверки применяют следующие средства поверки:
-
- Рабочий эталон единицы содержания компонентов в газовых средах в диапазоне значений от Г10'6 до 10% по ГОСТ 8.578 (генератор газовых смесей ГГС модификация ГГС-К, регистрационный номер в Федеральном информационном фонде 45189-10);
-
- стандартные образцы - поверочные газовые смеси (ГСО-ПГС):
ГСО 10253-2013 (О2-азот), ГСО 10240-2013 (СО-азот), ГСО 10328-2013 (Н28-воздух), ГСО 10342-2013 (8О2-воздух), ГСО 10323-2013 (NO-воздух), ГСО 10331-2013 (ИОг-воздух), ГСО 10326-2013 (ТМНз-воздух), ГСО 10259-2013 (Н2-азот), ГСО 10376-2013 (HCN-воздух), ГСО 10337-2013 (СНзОН-воздух), ГСО 10338-2013 (С2Н6О-воздух), ГСО 10375-2013 (HF-азот);
-
- азот особой чистоты сорт 1, 2 по ГОСТ 9293 в баллоне под давлением;
-
- поверочный нулевой газ (ПНГ) - по ТУ 2114-008-53373468-2008 в баллонах под давлением;
РМ-А-0,063Г УЗ, верхняя граница диапазона измерений объемного расхода

0,063 м /ч, КТ 4 (регистрационный номер в Федеральном информационном фонде 19325-12).
-
- термогигрометр CENTER-ЗЮ. Диапазон измерений относительной влажности от 10 % до 100 %, погрешность ±2,5%; диапазон измерений температуры от минус 20 °C до плюс 60 °C, погрешность ±0,7 °C (регистрационный номер в Федеральном информационном фонде 22129-09);
-
- барометр-анероид метеорологический М-67. Диапазон (610-790) мм рт. ст., погрешность ± 0,8 мм рт. ст. (регистрационный номер в Федеральном информационном фонде 3744-73);
-
4.2 Эталоны должны иметь действующие свидетельства об аттестации, ГСО должны иметь действующие паспорта, средства измерений должны иметь действующие свидетельства о поверке.
-
4.3 Допускается применение аналогичных средств поверки, обеспечивающих определение метрологических характеристик поверяемых средств измерений с требуемой точностью.
-
5.1 При проведении поверки необходимо соблюдать требования ГОСТ 12.2.007.0-75, ГОСТ 12.1.005-88, Приказа Минтруда России от 24.07.2013 №328н и требования безопасности, установленные в документации на средства поверки, «Правила промышленной безопасности опасных производственных объектов, на которых используется оборудование, работающее под избыточным давлением».
-
5.2 К проведению поверки допускаются лица, изучившие руководство по эксплуатации на поверяемый газоанализатор, эксплуатационную документацию на средства поверки, настоящую методику поверки и работающих в качестве поверителей в организации аккредитованной на право поверки средств физико-химических измерений.
Поверку газоанализаторов проводят в следующих условиях:
20±5
70
от 98 до 104,6.
-
- температура окружающего воздуха, °C
-
- относительная влажность воздуха, %, не более
-
- атмосферное давление, кПа
-
7.1 Газоанализатор подготовить к работе в соответствии с руководством по эксплуатации.
-
7.2 Средства поверки подготовить к работе в соответствии с эксплуатационной документацией.
-
7.3 Поверку проводят с использованием генератора газовых смесей ГГС и ПГС, состав и характеристики которых приведены в Приложении А. Баллоны с ПГС должны быть выдержаны при температуре поверки в течение не менее 24 ч. Расход подаваемой ПГС должен быть (0,5 ±0,1) л/мин.
-
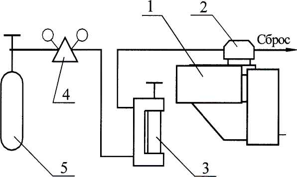
7.4 Собрать схему поверки газоанализатора, которая представлена на рисунке 1.

1- газоанализатор; 2 - насадка; 3 - ротаметр РМ-А-0,063; 4 - редуктор (регулятор расхода поверочной газовой смеси) ДПК 1,65; 5 - баллон с поверочной газовой смесью.
Рисунок 1 - Схема поверки газоанализатора
-
8 ПРОВЕДЕНИЕ ПОВЕРКИ
-
8.1.1 При внешнем осмотре проверить:
-
- соответствие комплектности эксплуатационной документации;
-
- соответствие маркировки требованиям, предусмотренным эксплуатационной документацией;
-
- отсутствие повреждений и дефектов, влияющих на работоспособность газоанализатора;
-
- наличие заводского номера;
-
- наличие свидетельства о предыдущей поверке (в случае периодической поверки).
-
8.1.2 Результаты внешнего осмотра считают положительными, если выполняются требования 8.1.1.
-
8.2.1 При опробовании проверить функционирование газоанализатора и идентификационные данные программного обеспечения.
-
8.2.2 Проверку функционирования газоанализатора проводить по отображению информации на ПК (вывод наименования модели газоанализатора, концентрации газа, сообщений о неисправности - коды ошибок и т.д.) в процессе тестирования при их включении в соответствии с Руководством по эксплуатации.
-
8.2.3 Проверку идентификационных данных программного обеспечения газоанализатора проводить сравнением номера версии (идентификационного номера) программного обеспечения на ПК с номером версии, указанным в таблице 2.
Таблица 2 - Идентификационные данные программного обеспечения
|
Идентификационные данные (признаки) |
Значение | |
|
Г азоанализатор стационарный |
Трансмиттер |
ПГ |
|
Идентификационное наименование ПО |
igmll led vl.llr.hex |
igmll pgo vl.64r.hex |
|
Номер версии (идентификационный номер) ПО |
Ver 1.64r |
Ver 1.64 |
|
Цифровой идентификатор ПО |
OxdOeb |
0x1 ЗАО |
|
Алгоритм вычисления контрольной суммы исполняемого кода |
CRC16CCITT |
CRC16CCITT |
|
Примечание - номер версии ПО должен быть не ниже указанного в таблице. Значение контрольной суммы, приведенное в таблице, относится только к файлу ПО версии, обозначенной в таблице версии. | ||
-
8.2.4 Результаты опробования считают положительными, если выполняются требования, указанные в 8.2.2, и идентификационные данные программного обеспечения газоанализатора соответствуют приведенным в таблице 2.
-
8.3.1 Собрать схему поверки, которая изображена на рисунке 1.
-
8.3.2 Определение основной погрешности и проверка диапазона измерений проводится при подаче ГСО-ПГС (далее-ПГС) в следующем порядке:
-
8.3.2.1 Подать на вход газоанализатора ПГС (Приложение А, соответственно поверяемому диапазону измерений и определяемому компоненту) в последовательности:
-
№№ 1-2-3-4-3-2-1-4 (для определяемых компонентов и диапазонов измерений, для которых в Приложении А указаны 4 точки поверки),
№№ 1-2-3-2-1-3 (для определяемых компонентов и диапазонов измерений, для которых в Приложении А указаны 3 точки поверки).
Время подачи каждой ПГС не менее утроенного То,9д-
-
8.3.2.2 Зафиксировать установившиеся показания газоанализатора при подаче каждой ПГС.
-
8.3.3 Значения основной абсолютной погрешности, До, % (млн’1), рассчитать в каждой поверяемой точке диапазона по формуле
&OJСу ~ COj’ (1)
где Су - i-показание газоанализатора в j-точке диапазона, % (млн’1);
Coj - значение объемной доли измеряемого компонента, соответствующее j-точке диапазона, указанное в паспорте на ГСО-ПГС, % (млн’1).
-
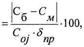
8.3.4 Значения основной относительной погрешности 50, %, рассчитать по формуле

•100.
(2)
-
8.3.5 Результаты поверки считать положительными, если рассчитанные значения основной погрешности не превышают пределов, указанных в Приложении Б настоящей методики.
-
8.4.1 Определение вариации выходного сигнала газоанализатора проводят одновременно с определением основной погрешности.
-
8.4.2 Значение вариации выходного сигнала определяют как разность между показаниями газоанализатора, полученными:
-
- в точке проверки 2 (ПГС № 2) - при поверке измерительных каналов газоанализаторов, для которых в Приложении А указаны 3 точки поверки);
-
- в точке проверки 3 (ПГС № 3) - при поверке измерительных каналов газоанализаторов, для которых в Приложении А указаны 4 точки поверки),
при подходе к точке проверки со стороны больших и меньших значений.
-
8.4.3 По результатам измерений значение вариации выходных сигналов (Нд) в долях от предела допускаемой основной абсолютной погрешности рассчитать по формуле

(3)
где Сб, См - результаты измерений определяемого компонента при подходе к точке проверки со стороны соответственно больших и меньших значений, % (млн'1);
Д„р - предел допускаемой основной абсолютной погрешности, % (млн'1).
-
8.4.4 По результатам измерений значение вариации выходных сигналов (На) в долях от предела допускаемой основной относительной погрешности рассчитать по формуле

(4)
где 8пр - предел допускаемой основной относительной погрешности, %.
-
8.4.5 Результаты поверки считать положительными, если рассчитанные значения вариации выходных сигналов в долях от предела допускаемой основной погрешности, указанного в приложении Б, не превышают 0,5.
-
9.1 Результаты заносят в протокол, форма которого приведена в приложении В.
-
9.2 При положительных результатах поверки газоанализатора признают пригодным к эксплуатации, оформляют свидетельство о поверке по форме приказа Минпромторга России № 1815 или в паспорте делают отметку с указанием даты поверки и подписи поверителя. Знак поверки наносится в паспорт и (или) свидетельство о поверке.
-
9.3 При отрицательных результатах поверки газоанализатор к применению не допускают, свидетельство о поверке аннулируют, выдают извещение о непригодности по форме приказа Минпромторга России № 1815 с указанием причин, делают соответствующую запись в паспорте.
М.Н.Лифинцева
Старший инженер ФГУП «УНИИМ»
Приложение А Характеристики поверочных газовых смесей (ПГС), утвержденных в качестве государственных стандартных образцов (ГСО), рекомендуемые при поверке газоанализаторов стационарных ИГМ-11
|
Определяемый компонент |
Диапазон измерений объемной доли определяемого компонента |
Номинальное значение объемной доли определяемого компонент! газовой смеси (ГС), предел допускаемого отклонения |
Погрешность аттестации |
Номер ГС по реестру ГСО или источник ГС | |||
|
ГС№1 |
ГС №2 |
ГС№3 |
ГС №4 | ||||
|
Кислород (О2) |
От 0 до 30 % |
азот |
- |
- |
- |
- |
О.ч., сорт 2-й по ГОСТ 9293-74 |
|
- |
15,0 % ± 5 % отн. |
- |
- |
±(-0,046Х + 1,523) % отн. |
ГСО 10253-2013 (кислород - азот) | ||
|
- |
- |
28,5 % ± 5 % отн. |
- |
±(-0,008Х + 0,76) % отн. | |||
|
Оксид углерода (СО) |
От 0 до 2000 млн1 |
ПНГ - воздух |
- |
- |
- |
- |
Марка А по ТУ 6-21-5-85 |
|
- |
0,0040 % ± 20% отн. |
0,1 %±20% отн. |
0,18% ±20% отн. |
±(-15,15Х +4,015) % отн. |
ГСО 10242-2013 | ||
|
Сероводород (H2S) |
От 0 до 100 млн1 |
ПНГ - воздух |
- |
- |
- |
- |
Марка Б по ТУ 6-21-5-82 |
|
- |
0,00075 % ± 30 % отн. |
- |
- |
±(-1111,1Х +5,11)% отн. |
ГСО 10329-2013 | ||
|
- |
- |
0,0045 % ± 2 0 % отн. |
0,0083 % ± 20 % отн. |
±(-15,15Х + 4,015) % отн. |
ГСО 10329-2013 | ||
|
Сероводород (H2S)* |
От 0 до 500 млн1 |
ПНГ - воздух |
- |
- |
- |
- |
Марка Б по ТУ 6-21-5-82 |
|
- |
0,001 % ± 20 % отн. |
0,025 % ± 20 % отн. |
0,045 % ± 20 % отн. |
±(-15,15Х +4,015)% отн. |
ГСО 10329-2013 | ||
|
Цианистый водород (HCN) * |
От 0 до 30 млн1 |
ПНГ - воздух |
- |
- |
- |
- |
Марка А по ТУ 6-21-5-85 |
|
- |
0,001 %± 15 % отн. |
0,0015 %± 15 % отн. |
0,0025 % ± 15 % отн. |
±7 % отн. |
Генератор ГГС исп. ГГС-Т, ГГС-КсГСО 10376-2013 (100 млн'1) | ||
|
Аммиак (NH3) |
От 0 до 100 млн1 |
ПНГ - воздух |
- |
- |
- |
- |
Марка Б по ТУ 6-21-5-85 |
|
- |
0,001 %± 30 % отн. |
- |
±(-1111.1Х+5.11) % отн. |
ГСО 10327-2013 | |||
|
- |
- |
0,005 % ± 20 % отн. |
0,008 % ± 20 % отн. |
±(-15,15Х + 4,015) % отн. | |||
|
Определяемый компонент |
Диапазон измерений объемной доли определяемого компонента |
Номинальное значение объемной доли определяемого компонент: газовой смеси (ГС), предел допускаемого отклонения |
Погрешность аттестации |
Номер ГС по реестру ГСО или источник ГС | |||
|
ГС№1 |
ГС №2 |
ГС№3 |
ГС №4 | ||||
|
Аммиак (NH3)* |
От 0 до 1000 млн1 |
ПНГ - воздух |
- |
- |
- |
- |
Марка Б по ТУ 6-21-5-85 |
|
- |
0,003 % ± 20 % отн. |
0,05 % ± 20 % отн. |
0,084 % ± 20 % отн. |
±(-15,15Х + 4,015) % отн. |
ГСО 10327-2013 | ||
|
Диоксид серы (SO2) |
От 0 до 20 млн’1 |
ПНГ - воздух |
- |
- |
- |
- |
Марка А по ТУ 6-21-5-85 |
|
- |
0,00025 %± 30 % отн. |
- |
- |
±(-1111,1Х + 5,11)% отн. |
ГСО 10342-2013 (диоксид серы - воздух) | ||
|
- |
- |
0,001 %± 20 % отн. |
0,00166 %± 20 % отн. |
4-15Д5Х +4,015)% отн. |
ГСО 10342-2013 (диоксид серы - воздух) | ||
|
Диоксид серы (SO2)* |
От 0 до 2000 млн’1 |
ПНГ - воздух |
- |
- |
- |
- |
Марка А по ТУ 6-21-5-85 |
|
0,005 % ± 20 % отн. |
0,1 %± 20 % отн. |
- |
±(-15,15X4- 4,015)% отн. |
ГСО 10342-2013 (диоксид серы - воздух) | |||
|
- |
- |
- |
0,181 %± 10% отн. |
±(-2.5X4-2.75) % отн. | |||
|
Оксид азота (NO) * |
От 0 до 250 млн’1 |
ПНГ - воздух |
- |
- |
- |
- |
Марка А по ТУ 6-21-5-85 |
|
- |
0,001 % ± 10 % отн. |
0,0125 %± 10 % отн. |
0,022 %± 10 % отн. |
±7 % отн. |
ГСО 10323-2013 (оксид азота - азот) | ||
|
Диоксид азота (NO2) |
От 0 до 30 млн’1 |
ПНГ - воздух |
- |
- |
- |
- |
Марка А по ТУ 6-21-5-85 |
|
- |
0,0001 %± 30 % отн. |
- |
- |
±(-1111,1Х + 5,11) % отн.. |
ГСО 10331-2013 (диоксид азота - воздух) | ||
|
- |
- |
0,0015 %± 20 % отн. |
0,0025 %± 20 % отн. |
±(-15,15Х + 4,015)%отн. | |||
|
Водород (Н2)* |
От 0 до 2 % |
ПНГ - воздух |
- |
- |
- |
- |
Марка Б по ТУ 6-21-5-82 |
|
- |
1,0 %± 5 % отн. |
1,9 % ± 5 % отн. |
- |
±1,5 % отн. |
ГСО 10325-2013 | ||
|
Метанол (СН3ОН) |
от 0 до 200 млн’1 |
ПНГ - воздух |
- |
- |
- |
- |
Марка Б по ТУ 6-21-5-82 |
|
- |
0,001 %± 10 % отн. |
0,01 %± 10 % отн |
0,017 %± 10 % отн |
(-15.15Х+4.015) % отн. |
ГСО 10337-2013 (метанол-воздух) | ||
|
Этанол (С2НбО) |
от 0 до 200 млн’1 |
ПНГ - воздух |
- |
- |
- |
- |
Марка Б по ТУ 6-21-5-82 |
|
- |
0,001 %± 10 % отн. |
- |
- |
4 % отн. |
ГСО 10338-2013 (метанол-воздух) | ||
Приложение Б
Диапазоны измерений объемной доли определяемого компонента и пределы допускаемой основной погрешности газоанализаторов стационарных ИГМ-11
|
Исполнение газоанализатора |
Определяемый компонент |
Диапазон показаний объемной доли определяемого компонента |
Диапазон измерений объемной доли определяемого компонента |
Пределы допускаемой основной погрешности | |
|
абсолютной |
относительной | ||||
|
ИГМ-11-01-Х |
кислород (Ог) |
от 0 до 30 % |
от 0 до 30 % |
±0,5 % |
- |
|
ИГМ-11-02-Х |
оксид углерода (СО) |
от 0 до 2000 млн'1 |
от 0 до 40 млн'1 включ. |
±4 млн'1 |
- |
|
св. 40 до 2000 млн'1 |
- |
±10% | |||
|
ИГМ-11-03-Х |
сероводород (H2S) |
от 0 до 100 млн'1 |
от 0 до 7,5 млн'1 включ. |
±1,5 млн'1 |
- |
|
св. 7,5 до 100 млн'1 |
- |
±20 % | |||
|
ИГМ-11-04-Х |
сероводород высоких концентраций |
от 0 до 500 млн'1 |
от 0 до 10 млн'1 включ. |
±2 млн'1 |
- |
|
св. 10 до 500 млн'1 |
- |
±20 % | |||
|
ИГМ-11-05-Х |
диоксид серы (SO2) |
от 0 до 20 млн'1 |
от 0 до 2,5 млн'1 включ. |
±0,5 млн'1 |
- |
|
св. 2,5 до 20 млн'1 |
- |
±20 % | |||
|
ИГМ-11-06-Х |
диоксид серы высоких концентраций |
от 0 до 2000 млн'1 |
от 0 до 10 млн'1 включ. |
±2 млн'1 | |
|
св. 10 до 2000 млн'1 |
- |
±20 % | |||
|
ИГМ-11-07-Х |
оксид азота(ГЮ) |
от 0 до 250 млн1 |
от 0 до 10 млн'1 включ. |
±2 млн'1 |
- |
|
св. 10 до 250 млн'1 |
- |
± 20 % | |||
|
ИГМ-11-08-Х |
диоксид азота (NO2) |
от 0 до 30 млн'1 |
от 0 до 1 млн'1 включ. |
±0,2 млн'1 |
- |
|
св. 1 до 10 млн'1 |
- |
± 20 % | |||
|
ИГМ-11-09-Х |
аммиак (NH3) |
от 0 до 100 млн'1 |
от 0 до 10 млн'1 включ. |
±2 млн'1 |
- |
|
св. 10 до 100 млн'1 |
- |
± 20 % | |||
|
ИГМ-11-10-Х |
аммиак высоких концентраций |
от 0 до 1000 млн 1 |
от 0 до 30 млн'1 включ. |
±6 млн'1 | |
|
св. 30 до 1000 млн'1 |
- |
±20 % | |||
|
ИГМ-11-11-Х |
водород (Нг) |
от 0 до 4 % |
от 0 до 2 % |
±0,1 % |
- |
|
ИГМ-11-12-Х |
цианистый водород (HCN) |
от 0 до 30 млн1 |
от 0 до 10 млн’1 включ. |
±2 млн'1 |
- |
|
св. 10 до 30 млн'1 |
- |
±20 % | |||
|
ИГМ-11-13-Х |
метанол (СН3ОН) |
от 0 до 200 млн'1 |
от 0 до 10 млн'1 включ. |
±2 млн'1 |
- |
|
св. 10 до 200 млн'1 |
- |
±20 % | |||
|
ИГМ-11-14-Х |
этанол (СгНбО) |
от 0 до 200 млн1 |
от 0 до 10 млн'1 включ. |
±2 млн'1 |
- |
|
св. 10 до 200 млн'1 |
±20 % | ||||
|
ИГМ-11-15-Х |
фтороводород (HF) |
от 0 до 10 млн 1 |
от 0 до 0,5 млн'1 включ. |
±0,1 млн'1 |
- |
|
св. 0,5 до 10 млн'1 |
- |
±20 % | |||
|
X - материал корпуса (А - алюминий; С - нержавеющая сталь) | |||||
(рекомендуемое)
ФОРМА ПРОТОКОЛА ПОВЕРКИПротокол № от
Поверки газоанализаторов стационарных ИГМ-11 в соответствии с документом МП 112-221-2017 «ГСП. Газоанализаторы стационарные ИГМ-11. Методика поверки»
Заводской номер:____________
Принадлежит:______________
Дата изготовления:___________
Средства поверки:___________
Условия поверки:___________
Результаты внешнего осмотра Результаты опробования
Таблица - Идентификационные данные программного обеспечения
|
Идентификационные данные (признаки) |
Значение |
|
Г азоанализатор |
ИГМ-11-Х-Х |
|
Идентификационное наименование ПО | |
|
Номер версии (идентификационный номер) ПО | |
|
Цифровой идентификатор ПО |
Проверка диапазона измерений и определение основной погрешности при измерении
объемной доли компонентов
|
№ПГС |
Концентрация определяемого компонента, % |
Показания газоанализатора, % |
Значение основной погрешности, % |
Пределы допускаемой основной погрешности, % |
|
1 | ||||
|
2 | ||||
|
3 | ||||
|
2 | ||||
|
1 | ||||
|
3 |
Определение вариации выходного сигнала
|
№ ПГС |
Концентрация определяемого компонента, % |
Показания газоанализатора, % |
Значение вариации выходного сигнала, % |
Пределы допускаемой вариации выходного сигнала, % | |
|
См |
сб | ||||
Заключение по результатам поверки:
На основании положительных результатов поверки выдано свидетельство о поверке №_________от_________20__г.
На основании отрицательных результатов поверки выдано извещение о непригодности №_________от________20___г.
Дата поверки_________________ Подпись поверителя___________________________
Организация, проводившая поверку_______________________________________________
12
