Методика поверки «Расходомеры ультразвуковые PIEZOSONIC» (МП 208-002-2021)
ФЕДЕРАЛЬНОЕ ГОСУДАРСТВЕННОЕ УНИТАРНОЕ ПРЕДПРИЯТИЕ "ВСЕРОССИЙСКИЙ НАУЧНО-ИССЛЕДОВАТЕЛЬСКИЙ ИНСТИТУТ МЕТРОЛОГИЧЕСКОЙ СЛУЖБЫ"
(ФГУП "ВНИИМС")

2021 г.
/
СОГЛАСОВАНО
еститель директора о производственной логии ФГУЕПВНИИМС» //
.В. Иванникова
Государственная система обеспечения единства измерений
Расходомеры ультразвуковые PIEZOSONIC
Методика поверки
МП 208-002-2021
Москва
2021 г.
Содержание
п/п |
Наименование |
стр |
1 |
Общие положения |
4 |
2 |
Перечень операций поверки средства измерений |
4 |
3 |
Требования к условиям проведения поверки |
6 |
4 |
Требования к специалистам, осуществляющим поверку |
6 |
5 |
Метрологические и технические требования к средствам поверки |
7 |
6 |
Требования по обеспечению безопасности проведения поверки |
9 |
7 |
Внешний осмотр |
9 |
8 |
Подготовка к поверке и опробование средства измерений |
9 |
8.1 |
Подготовка к поверке и опробование средства измерений при проливном методе |
9 |
8.2 |
Подготовка к поверке и опробование средства измерений при имитационном методе |
10 |
9 |
Проверка программного обеспечения средства измерений |
10 |
10 |
Определение метрологических характеристик средства измерений |
10 |
10.1 |
Определение метрологических характеристик при проливной поверке |
10 |
10.1.1 |
Определение относительной погрешности измерений объема и объемного расхода |
10 |
10.1.2 |
Определение относительной погрешности преобразования значения объемного расхода в частотный выходной сигнал |
12 |
10.1.3 |
Определение приведенной к верхнему пределу диапазона измерений погрешности преобразования значения объемного расхода в токовый выходной сигнал |
13 |
10.2 |
Определение метрологических характеристик имитационным методом |
14 |
10.2.1 |
Определение линейно-угловых параметров УПР |
14 |
10.2.1.1 |
Измерение внутреннего диаметра УПР |
14 |
10.2.1.2 |
Определение расстояния между ПЭП |
17 |
10.2.1.3 |
Определение угла наклона оси акустического канала к оси УПР |
19 |
10.2.1.4 |
Определение смещения % оси акустического канала относительно продольной оси симметрии УПР |
20 |
10.2.2 |
Определение коэффициента коррекции Ккорр |
23 |
10.2.2.1 |
Определение гидродинамического коэффициента Кг |
24 |
10.2.2.2 |
Определение коэффициента искажения акустической оси |
25 |
10.2.3 |
Запись метрологически значимых программируемых параметров в ЭБ |
25 |
10.2.4 |
Определение метрологических характеристик ЭБ |
26 |
10.2.4.1 |
Определение относительной погрешности ЭБ при измерении времени распространения ультразвуковых импульсов |
27 |
10.2.4.2 |
Определение относительной погрешности ЭБ при измерении объемного расхода |
27 |
10.2.4.3 |
Определение относительной погрешности ЭБ при измерении объема |
28 |
10.2.4.4 |
Определение относительной погрешности преобразования значения объемного расхода в частотный выходной сигнал |
28 28 |
10.2.4.5 |
Определение приведенной к верхнему пределу диапазона измерений погрешности преобразования значения объемного расхода в токовый выходной сигнал | |
И |
Подтверждение соответствия средства измерений метрологическим требованиям |
28 |
11.1 |
Подтверждение соответствия средства измерений метрологическим требованиям при проливной поверке |
28 |
11.2 |
Подтверждение соответствия средства измерений метрологическим требованиям при имитационной поверке |
29 |
12 |
Оформление результатов поверки |
30 |
ПРИЛОЖЕНИЕ А |
Схема подключений для определения погрешностей ЭБ расходомера |
31 |
ПРИЛОЖЕНИЕ Б |
Зависимость скорости распространения ультразвука в воде от температуры воды в диапазоне от 0 до 40 °C |
32 |
ПРИЛОЖЕНИЕ В |
Значения коэффициентов кинематической вязкости v для разных значений температуры воды |
33 |
ПРИЛОЖЕНИЕ Г |
Значения эквивалентной шероховатости трубопроводов |
34 |
ПРИЛОЖЕНИЕ Д |
График ЗаВИСИМОСТИ Krmin (Remin) |
35 |
ПРИЛОЖЕНИЕ Е |
Рекомендуемая форма протокола поверки проливным методом |
36 |
ПРИЛОЖЕНИЕ Ж |
Рекомендуемая форма протокола поверки имитационным методом |
37 |
-
1.1 Настоящий документ распространяется на расходомеры ультразвуковые PIEZOSONIC (далее - расходомеры) и устанавливает методы их первичной и периодической поверки проливным и имитационным методами.
-
1.2 Первичная поверка расходомеров, пьезоэлектрические преобразователи (далее -ПЭП) которых устанавливаются непосредственно в трубопровод, формируя собой ультразвуковой преобразователь расхода (далее - УПР), осуществляется имитационным способом и состоит из двух этапов: определение в лабораторных условиях метрологических характеристик электронного блока (далее — ЭБ) и определение в полевых условиях геометрических параметров УПР. Значения записываются в память ЭБ поверителем.
-
1.3 При периодической поверке расходомеров, ПЭП которых устанавливаются непосредственно в трубопровод, формируя собой УПР, применяется имитационный метод.
-
1.4 Первичная и периодическая поверка расходомеров с установленными в участок трубопровода ПЭП на заводе-изготовителе, которые поставляются и предъявляются на поверку в комплекте с ЭБ, осуществляется либо проливным, либо имитационным способами в лабораторных условиях и выполняется за один этап. Выбор способа поверки таких расходомеров определяется заказчиком.
-
1.5 Реализация данной методики обеспечивает метрологическую прослеживаемость расходомеров к Государственному первичному специальному эталону единиц массы и объема жидкости в потоке, массового и объемного расходов жидкости ГЭТ 63-2019, в соответствии с ГПС для средств измерений массы и объема жидкости в потоке жидкости и вместимости при статических измерениях, массового и объемного расходов жидкости для средств измерений, поверка которых осуществляется на воде, согласно Приказу Госстандарта от 07.02.2018 №256.
-
1.6 Интервал между поверками - 4 года.
-
2.1 При проведении поверки выполняют операции, указанные в таблице 1.
Таблица 1 - Перечень операций первичной и периодической поверок
№ п/п |
Наименование оцерации |
Номер пункта МП |
Обязательность проведения операций | ||||
первичная поверка |
периодическая поверка | ||||||
1-й этап |
2-й этап | ||||||
1* |
2** |
2 |
1 |
2 | |||
Проливной метод | |||||||
1 |
Внешний осмотр |
7 |
Да |
Нет |
Нет |
Да |
Нет |
2 |
Подготовка к поверке и опробование средства измерений |
8 |
Да |
Нет |
Нет |
Да |
Нет |
3 |
Проверка программного обеспечения средства измерений |
9 |
Да |
Нет |
Нет |
Да |
Нет |
4 |
Определение метрологических характеристик: - относительной погрешности измерения объема и объемного расхода; |
10 10.1.1 |
Да Да |
Нет Нет |
Нет Нет |
Да Да |
Нет Нет |
№ п/п |
Наименование операции |
Номер пункта МП |
Обязательность проведения операций | ||||
первичная поверка |
периодическая поверка | ||||||
1-й этап |
2-й этап | ||||||
Г |
2** |
2 |
1 |
2 | |||
- относительной погрешности ЭБ преобразования значения объемного расхода в частотный выход- |
10.1.2 |
Да |
Нет |
Нет |
Да |
Нет | |
ной сигнал; - приведенной к верхнему пределу диапазона измерений погрешности ЭБ преобразования значения объемного расхода в токовый выходной сигнал |
10.1.3 |
Да |
Нет |
Нет |
Да |
Нет | |
5 |
Подтверждение соответствия расходомера метрологическим требованиям при проливной поверке |
11.1 |
Да |
Нет |
Нет |
Да |
Нет |
6 |
Оформление результатов поверки |
12 |
Да |
Нет |
Нет |
Да |
Нет |
Имитационный метод | |||||||
1 |
Внешний осмотр |
7 |
Да |
Да |
Да |
Да |
Да |
2 |
Подготовка к поверке и опробование средства измерений |
8 |
Да |
Да |
Нет |
Да |
Да |
3 |
Проверка программного обеспечения средства измерений |
9 |
Да |
Да |
Нет |
Да |
Да |
4 |
Определение линейно-угловых параметров У ПР: - внутреннего диаметра; |
10.2.1.1 |
Да |
Нет |
Да |
Да |
Да |
|
10.2.1.2 |
Да |
Нет |
Да |
Да |
Да | |
канала к оси У ПР; - смещения оси акустического |
10.2.1.3 |
Да |
Нет |
Да |
Нет |
Нет | |
канала |
10.2.1.4 |
Да |
Нет |
Да |
Нет |
Нет | |
5 |
Определение коэффициента коррекции Ккорр |
10.2.2 |
Да |
Нет |
Да |
Да |
Да |
|
10.2.2.1 |
Да |
Нет |
Да |
Да |
Да | |
кажения акустической оси Кьа |
10.2.2.2 |
Да |
Нет |
Да |
Да |
Да | |
6 |
Запись метрологически значимых программируемых параметров в ЭБ расходомера |
10.2.3 |
Да |
Нет |
Да |
Да |
Да |
№ п/п |
Наименование операции |
Номер пункта МП |
Обязательность проведения операций | ||||
первичная поверка |
периодическая поверка | ||||||
1-й этап |
2-й этап | ||||||
1* |
2** |
2 |
1 |
2 | |||
7 |
Определение метрологических характеристик ЭБ: - относительной погрешности ЭБ |
10.2.4 |
Да |
Да |
Нет |
Да |
Да |
при измерении времени распространения ультразвуковых импульсов; - относительной погрешности ЭБ при измерении объемного расхо- |
10.2.4.1 |
Да |
Да |
Нет |
Да |
Да | |
да; |
10.2.4.2 |
Да |
Да |
Нет |
Да |
Да | |
|
10.2.4.3 |
Да |
Да |
Нет |
Да |
Да | |
ной сигнал; - приведенной к верхнему пре- |
10.2.4.4 |
Да |
Да |
Нет |
Да |
Да | |
делу диапазона измерений погрешности ЭБ преобразования значения объемного расхода в токовый выходной сигнал |
10.2.4.5 |
Да |
Да |
Нет |
Да |
Да | |
8 |
Подтверждение соответствия расходомера метрологическим требованиям при имитационной поверке |
11.2 |
Да |
Нет |
Да |
Да |
Да |
9 |
Оформление результатов поверки |
12 |
Да |
Нет |
Да |
Да |
Да |
- УПР с установленными в участок трубопровода ПЭП на заводе изготовителе ** - УПР формируемый комплектом ПЭП при установке непосредственно в трубопровод
3 Требования к условиям проведения поверки-
- температура окружающего воздуха от +15 до +25 °C;
-
- температура поверочной среды (при проливном методе) от +15 до +25 °C;
-
- относительная влажность воздуха от 30 до 80 % при температуре +25 °C (без конден-
\ сации влаги); ,
-
- атмосферное давление от 84,0 до 106,7 кПа (от 630 до 800 мм рт. ст.);
-
- длина прямолинейного участка трубопровода:
а) до расходомера не менее 10 Ду;
б) после расходомера не менее 5 Ду.
4 Требования к специалистам, осуществляющим поверкуПроведение поверки должен выполнять персонал, отвечающий требованиям, предъявляемым к поверителям средств измерений (СИ), знающий принцип действия используемых при проведении поверки эталонов и СИ, изучивший настоящую методику поверки, руководство по эксплуатации расходомера и прошедший инструктаж по технике безопасности.
5 Метрологические и технические требования к средствам поверки-
5.1 При проведении поверки применяют следующие средства измерений и вспомогательное оборудование, указанное в таблице 2.
Таблица 2 - Средства измерений и вспомогательное оборудование, применяемое при поверке
Номер пункта методики поверки |
Наименование и тип (условное обозначение) основного или вспомогательного средства поверки; обозначение нормативного документа, регламентирующего технические, и (или) метрологические и основные технические характеристики средства поверки |
Пример возможного средства поверки с указанием наименования, заводского обозначения, а при наличии - обозначения типа, модификации |
8.1, 10.1.1 |
Установка поверочная 2-го разряда в соответствии с ГПС, утвержденной приказом Росстандарта от 07.02.2018 г. №256, с диапазоном воспроизведения объемного расхода соответствующим диапазону измерений поверяемого расходомера, пределы допускаемой относительной погрешности измерений не более ±0,17 % |
Установка поверочная Эрмитаж (регистрационный номер 71416-18 в Федеральном информационном фонде по обеспечению единства измерений) |
10.2.1.1, 10.2.1.4 |
Средство измерений наружных и внутренних линейных размеров: диапазон измерений от 0 до 250 мм, цределы допускаемой абсолютной погрешности: ±0,05 мм |
Штангенциркуль ШЦ-250 (регистрационный номер 52058-12 в Федеральном информационном фонде по обеспечению единства измерений) |
10.2.1.1, 10.2.1.4, 10.2.4.1 |
Средство измерений длины в соответствии с ГОСТ 7502-98: диапазон измерений от 0 до 5 м. Пределы допускаемой абсолютной погрешности: ±(0,4 ±0,2 ■ L -1) мм. |
Рулетка измерительная металлическая Р5УЗК (регистрационный номер 35279-07 в Федеральном информационном фонде по обеспечению единства измерений) |
10.2.1.1 |
Средство измерений внутреннего диаметра в соответствии с ГОСТ 868-82 с диапазоном измерений соответствующим внутреннему диаметру поверяемого расходомера. Цена деления: 0,01 мм. Кл. 2. |
Нутромер индикаторный НИ (регистрационный номер 64498-16 в Федеральном информационном фонде по обеспечению единства измерений) |
10.2.1.1, 10.2.4.1 |
Средство измерений толщины материала. Диапазон измерений: от 0,9 до 50 мм. Пределы допускаемой абсолютной погрешности измерений толщины: ±(0,01 Н±0,02) мм. |
Толщиномер ультразвуковой электромагнитно-акустический А1270 (регистрационный номер 79531 -20 в Федеральном информационном фонде по обеспечению единства измерений) |
10.2.1.2 |
Средство измерений глубины отверстий. Диапазон измерений от 0 до 400 мм. Пределы допускаемой абсолютной погрешности измерений: ±0,05 мм |
Штангенглубиномер ШГ-400 (регистрационный номер 71121-18в Федеральном информационном фонде по обеспечению единства измерений) |
10.2.1.2 |
Средство измерений внутреннего диаметра. Диапазон измерений от 50 до 2500 мм. Цена деления: |
Нутромер микроскопический НМ (регистрационный номер |
0,01 мм. Пределы допускаемой абсолютной погрешности в зависимости от измеряемого размера от ±4 до ±40 мкм. |
35818-13в Федеральном информационном фонде по обеспечению единства измерений) | |
10.2.1.2 10.2.4.1 |
Средство измерений температуры. Диапазон измерений: от 0 до 50 °C. Цена деления: 0,1 °C. Пределы допускаемой абсолютной погрешности: ±0,3 °C |
Термометр ртутный стеклянный лабораторный (регистрационный номер 303-91 в Федеральном информационном фонде по обеспечению единства измерений) |
10.2.1.3 |
Средство измерений углов в соответствии с ГОСТ 5378-88. Диапазон измерений от 0° до 180° Пределы допускаемой абсолютной погрешности: ±2 угловых минуты. |
Угломер с нониусом (регистрационный номер 60452-15 в Федеральном информационном фонде по обеспечению единства измерений) |
10.2.1.3 |
Средство измерений отклонения от перпендикулярности в соответствии с ГОСТ 3749-77. Класс точности: 2. |
Угольник поверочный УП (регистрационный номер 70560-18 в Федеральном информационном фонде по обеспечению единства измерений) |
10.2.2.1 |
Средство измерений вязкости. Диапазон измерения вязкости: от 0,6 до 25 мм2/с. Пределы допускаемой относительной погрешности: ±0,3 |
Вискозиметры капиллярные стеклянные (регистрационный номер 54038-13 в Федеральном информационном фонде по обеспечению единства измерений) |
10.2.4.2, 10.2.4.3 |
Средство измерений времени. Диапазон измерение времени от 0 до 60 с; от 0 до 30 мин. Класс точности: 3. |
Секундомер механический СОПпр-2а-3-000 (регистрационный номер 11519-11 в Федеральном информационном фонде по обеспечению единства измерений) |
10.1.2, 10.2.4.4 |
Средство измерений частоты сигналов. Диапазон измерения частоты: от 0,1 до 2000 Гц. Пределы допускаемой относительной погрешности: ±(5-10’7+l/fH3M/Tc4) |
Частотомер электронносчетный 43-63/1 (регистрационный номер 9084-90 в Федеральном информационном фонде по обеспечению единства измерений) |
10.1.3, 10.2.4.5 |
Средство измерений силы постоянного тока. Диапазон измерения: от 0 до 25 мА. абсолютная погрешность измерения силы постоянного тока Д1 = ±17 мкА |
Мультиметр цифровой 34401А (регистрационный номер 54848-13 в Федеральном информационном фонде по обеспечению единства измерений) |
Разделы 8,10 |
Средство измерений температуры, влажности и атмосферного давления. Диапазон измерений температуры: от 0 до 60 °C. Диапазон измерений влажности: от 0 до 98 %. Диапазон измерений атмосферного давления: от 840 до 1066 гПа. Абсолютная погрешность измерений температуры: ±0,3 °C. Абсолютная погрешность измерений влажности: ±3 %. Абсолютная погрешность изме- |
Термогигрометр ИВА-6Н-Д (регистрационный номер 46434-11 в Федеральном информационном фонде по обеспечению единства измерений) |
рения атмосферного давления: ± 2,5 гПа. | ||
10.2.1.2, 10.2.4 |
Кювета технологическая |
- |
-
5.2 Допускается применение других аналогичных средств измерений, не приведенных в таблице 2, но обеспечивающих определение метрологических характеристик расходомеров с требуемой точностью.
-
5.3 Все средства измерений должны быть поверены, эталоны аттестованы.
-
6.1 При подключении расходомера к испытательному оборудованию необходимо соблюдать общие требования безопасности, установленные в документах ГОСТ 12.2.007.0-75, ГОСТ 12.3.019-80, "Правила эксплуатации электроустановок потребителей", "Правила охраны труда при эксплуатации электроустановок потребителей".
-
6.2 Монтаж и демонтаж электрических цепей расходомера и средств поверки должно проводиться только при отключенном питании всех устройств.
-
7.1 При внешнем осмотре проверяют соответствие расходомера следующим требованиям:
-
- комплектность и конфигурация расходомера соответствует паспорту и сведениям, содержащимся в меню расходомера «Сервис | О приборе»;
-
- маркировочные надписи четкие, серийные номера изделий, входящих в состав расходомера, соответствуют паспорту и сведениям, содержащимся в меню расходомера «Сервис | О приборе»;
-
- отсутствуют механические повреждения и деформации составных частей расходомера, препятствующие проведению поверки и эксплуатации.
-
7.2 При периодической поверке фиксируют наличие и целостность пломб, следы возможного несанкционированного проникновения к защищенным узлам расходомера.
-
8.1 Подготовка к поверке и опробование средства измерений при проливном методе.
Проливной метод применяется для расходомеров, предъявляемых к поверке в комплекте с УПР, которые возможно демонтировать с места эксплуатации и установить на поверочную установку.
Расходомер подготавливают к работе и устанавливают на расходомерную установку в соответствии с эксплуатационной документацией на установку и на расходомер. Средства поверки подготавливают к работе в соответствии с их эксплуатационными документами.
При отсутствии расхода в поверочной установке (закрытых задвижках) на индикаторе включенного расходомера должны быть нулевые показания по расходу.
Опробуют расходомер на поверочной установке путем увеличения или уменьшения расхода в пределах диапазона измерений.
-
8.2 Подготовка к поверке и опробование средства измерений при имитационном методе.
Расходомер подготавливают к работе в соответствии с его эксплуатационной документацией.
Входят в сервисное меню расходомера под паролем администратора («ADM»). Кнопками на лицевой панели ЭБ, производят следующие действия:
-
- в меню «Настройки ВПР | Выходные сигналы | Имитатор» перевести имитатор в состояние «ВКЛ»;
-
- последовательно по каждому каналу установить имитатором 2-3 значения расхода «Расх», находящихся в диапазоне измерений расходомера.
Проверка идентификационных данных программного обеспечения (ПО) осуществляется путем входа в меню расходомера «Сервис | О приборе» с помощью кнопок на лицевой панели электронного блока (далее - ЭБ) и сверки идентификационных данных с идентификационными данными ПО, приведенными в таблице 3.
Таблица 3 - Идентификационные данные ПО
Идентификационные данные (признаки) |
Значения |
Идентификационное наименование ПО |
PIEZOSONIC |
Номер версии (идентификационный номер) ПО, не ниже |
1.2 |
Цифровой идентификатор ПО (контрольная сумма исполняемого кода) |
0xD38B |
Данный пункт выполняется как при проливном методе, так и при имитационном методе поверки
-
10 Определение метрологических характеристик средства измерений
-
10.1 Определение метрологических характеристик при проливной поверке
-
Определение относительной погрешности измерения объема и объемного расхода проводят в трех контрольных точках расхода, согласно таблице 4.
Таблица 4 - Характеристики контрольных точек
Контрольная точка № |
Значение поверочного расхода |
Допуск на отклонение поверочного расхода, % |
Минимальное время проведения одного измерения, с |
1 |
Qmin |
+10 |
180 |
2 |
0,04Qmax |
±10 |
120 |
3 |
Qmax |
-10 |
60 |
где Qmin и Qmax - минимальный и максимальный измеряемый расход жидкости для поверяемого расходомера соответственно.
При невозможности воспроизведения на поверочной установке контрольной точки № 3, допускается принять этот поверочный расход равным максимальному расходу поверочной установки.
Для обеспечения требуемой точности при каждом измерении обеспечивают время измерения не менее приведенного в таблице 4 и (или) набор не менее 10000 импульсов.
Определение относительной погрешности при измерении объема проводят по частотно-импульсному выходу или по жидкокристаллическому индикатору (далее — ЖКИ) ЭБ.
Объем, измеренный расходомером, вычисляют по формуле 1 или 2:
И, = Р • N (1)
где Р - цена импульса расходомера (приведена в меню ЭБ расходомера), м3;
N - зафиксированное количество импульсов с поверяемого расходомера.
Vh = Kh-Vk (2)
где VH - объем в начале измерения, зафиксированный на ЖКИ, м ,
VK - объем в конце измерения, зафиксированный на ЖКИ, м3.
Измерение объема в каждой точке проводят не менее трех раз. В каждой контрольной точке погрешность определяют по формуле, %;

(3)
где Vu - значение объема по показаниям расходомера, м3;
V3 - значение объема по показаниям поверочной установки, м3.
Рассчитывают скорость v,(m/c) потока измеряемой жидкости в сечении УПР расходомера для каждого поверочного расхода где Ду - внутренний диаметр УПР, мм.
v — 353,68 ■
А
Ду2
(4)
Q3 - объемный расход по показаниям поверочной установки, м3/ч.
Рассчитывают пределы допускаемой относительной погрешности для каждого поверочного расхода для соответствующего диаметра и способа установки ПЭП по формулам таблицы 5.
Таблица 5 - Пределы допускаемой относительной погрешности при проливной поверке
Ду, мм (включительно) |
Способ установки ПЭП |
Пределы допускаемой относительной погрешности измерения расхода <5Q и объема <5у, % |
от 15 до 32 |
по оси трубопровода |
±(l,5+0,2/v) |
от 32 до 80 |
по диаметру |
±(l,2+0,2/v) |
от 100 до 1600 |
по диаметру |
±(l,0+0,2/v) |
от 50 до 80 |
по двум хордам |
±(0,7+0,2/v) |
от 100 до 1600 |
по двум хордам |
±(0,5+0,2/v) |
Подготовить к работе частотомер и подключить его к частотному выходу расходомера согласно схемы в Приложении А.
Кнопками на лицевой панели ЭБ, произвести следующие действия:
-
- в меню «Настройки ВПР [ Измерение | Расход» установить значения параметров:
Отс.низ # = 000000.0 м3/ч;
Отс.верх # = 120000.0 м3/ч;
-
- в меню «Настройки ВПР |Выходные сигналы |Частотный» установить значения параметров:
значение частоты Част # =2000 Гц,
значение объемного расхода Расх # в соответствии с таблицей 6. Для Ду свыше 300 мм и исполнений расходомеров без УПР установить Расх # = 3000 м3/ч.
Таблица 6 - Значения максимальных расходов в зависимости от Ду измерительного участка
Наименование характеристики |
Значение | ||||||||||||
Ду, мм |
15 |
20 |
25 |
32 |
40 |
50 |
65 |
80 |
100 |
150 |
200 |
250 |
300 |
Максимальный расход Qmax, М3/ч |
(3) |
(5) |
(7) |
31 (16) |
46,5 |
73 |
124 |
186 |
290 |
656 |
1164 |
1830 |
2640 |
В скобках указаны значения расходов для исполнения УПР с U-образными измерительными участками (далее - ИУ), без скобок указаны значения расходов для исполнений УПР с прямыми ИУ.
- в меню «Настройки ВПР | Выходные сигналы | Имитатор» перевести имитатор в состояние «ВКЛ» и последовательно установить значения параметра Расх # согласно таблице 7.
Таблица 7 - Определение относительной погрешности преобразования значения объемного расхода в выходной частотный сигнал
Контрольная точка Расх # |
Значение объемного расхода Q3 в контрольной точке по показаниям ЭБ, м3/ч |
Показания частотомера /вых > Гц |
Значение расхода Q/, м3/ч |
д/, % |
Qmax | ||||
0,5 Qmax | ||||
0,01 Qmax |
Занести в таблицу численные значения расходов Q3 в контрольных точках.
Зафиксировать для каждой их трех контрольных точек Q3 установившиеся показания частотомера /вых. Перевести показания частотомера /выхв объемный расход Qf по формуле:
„ _ Qmax ' /вых
~ 2000 ' 1 '
Вычислить значения относительной погрешности 5f преобразования значения объемно' го расхода в выходной частотный сигнал по формуле, %:
6f = Q* • 100. (6)
Восстановить в меню «Настройки ВПР» исходные значения параметров.
10.1.3 Определение приведенной к верхнему пределу диапазона измерений погрешности преобразования значения объемного расхода в токовый выходной сигналПодготовить к работе миллиамперметр и подключить его к токовому выходу расходомера согласно схеме в Приложении А.
Примечание: Настоящий пункт поверки рекомендуется совмещать с пунктом 10.1.2, подключая одновременно к соответствующим выходам ЭБ расходомера частотомер и миллиамперметр и снимая данные по частоте и току.
Кнопками на лицевой панели ЭБ, произвести следующие действия:
-
- в меню «Настройки ВПР | Измерение | Расход» установить значения параметров:
Отс.низ # = 000000.0 м3/ч;
Отс.верх # = 120000.0 м3/ч;
-
- в меню «Настройки ВПР | Выходные сигналы | Аналоговый» установить значения параметров:
максимальное значение объемного расхода Расх # в соответствии с таблицей 6. Для Ду свыше 300 мм и исполнений расходомеров без У ПР установить Расх # = 3000 м3/ч;
для параметра «Режим #» установить значение «АВС»;
-
- в меню «Настройки ВПР | Выходные сигналы | Имитатор» перевести имитатор в состояние «ВКЛ» и последовательно установить значения параметра «Расх #» согласно таблице 8.
Таблица 8 - Определение приведенной к верхнему пределу диапазона измерений погрешно-сти преобразования значения объемного расхода в выходной токовый сигнал 4—20 мА
Контрольная точка Расх # |
Значение объемного расхода Q3 в контрольной точке по показаниям ЭБ, м3/ч |
Показания миллиамперметра 4ых,мА |
Значение расхода Qi, м3/ч |
Г/,% |
Qmax | ||||
0,5Qmax | ||||
0,01 ’Qmax |
Занести в таблицу численные значения расходов Q3 в контрольных точках.
Зафиксировать для каждого их трех значений Q3 установившиеся показания миллиамперметра 1вых. Перевести показания миллиамперметра 1вых в объемный расход Qi по формуле:
& = (?)
Вычислить значения приведенной к верхнему пределу диапазона измерений погрешности у/ преобразования значения объемного расхода в выходной токовый сигнал по формуле, %:
Qi —
Yi = ■ ЮО. (8)
xmax
Восстановить в меню «Настройки ВПР» исходные значения параметров.
-
10.2 Определение метрологических характеристик имитационным методом
К линейно-угловым параметрам УПР относятся:
-
- внутренний диаметр;
-
- расстояние между торцами ПЭП;
-
- угол наклона оси акустического канала;
-
- смещение оси акустического канала.
Внутренний диаметр Ду проточной части фланцевого УПР заводского изготовления измеряют нутромером или штангенциркулем. Измерения проводят по двум взаимноперпендикулярным направлениям I-I и II-II (рисунок 1).

Рисунок 1 — Направления измерения внутреннего диаметра

Измерения нутромером проводят по 2-м направлениям в плоскости Ш-Ш (рисунок 2), нормальной к оси трубы и проходящей примерно через середину луча (лучей). Для различных диаметров труб применяют нутромеры с соответствующим диапазоном измерений и комплект сменных измерительных стержней.

Рисунок 2 — Измерение внутреннего диаметра с помощью нутромера
По каждому направлению выполняют не менее к=7 измерений. Вычисляют средние арифметические значения диаметров по направлениям I-I, П-П и осредненное значение Ду для измерительного участка трубы
Измерения штангенциркулем проводят также по направлениям I-I и П-П, но со стороны каждого фланца в плоскостях ПГ-ПГ и Ш”-Ш” (рисунок 3).

Рисунок 3 — Измерение внутреннего диаметра с помощью штангенциркуля
По каждому направлению с каждой стороны выполняют не менее к=7 измерений. Определяют значения диаметров со стороны левого фланца в плоскости ПГ-ПГ
ДИГ‘=^Д^’;
(1
2)
(1
3)
1=1
i=l
Определяют значения диаметров со стороны правого фланца в плоскости Ш”-Ш”
(14)
1=1
(15)
i=l
Вычисляют среднее арифметическое значение диаметра по направлению I-I
Ду< = |(Ду?ев + ДуГ)-
(16)
Вычисляют среднее арифметическое значение диаметра по направлению П-П
ДУи = |(Ду"в + Ду??).
По формуле (11) находят осредненное значение Ду для измерительного участка УПР.
Для найденных с помощью любого из указанных измерительных инструментов значений ДУ/> ДУ// проверяют выполнение условия
1ДУ/-ДУп1<0,02-Ду. (18)Измерение внутреннего диаметра измерительного участка для случая монтажа ПЭП на имеющемся трубопроводе проводят путем измерения внешнего диаметра трубы и толщины стенки. Участок трубопровода в зоне измерений очищают.
Для определения внешнего диаметра выполняют рулеткой замеры длины окружности трубы в двух нормальных к оси трубы сечениях ПГ-ПГ и Ш”-Ш” (рисунок 4), в каждом сечении не менее к=5 раз.

Рисунок 4 — Измерение внутреннего диаметра с помощью рулетки и толщиномера
Вычисляют среднее значение длины окружности по формуле
(19)
Вычисляют значение наружного диаметра по формуле
(20)
D наР п '
Толщину стенки трубы Ht измеряют ультразвуковым толщиномером посередине между сечениями ПГ-ПГ и Ш”-Ш” (рисунок 4) в 4-х точках пересечения двух взаимноперпендикулярных прямых I-I и П-П (рисунок 1) со стенками трубы. Вычисляют среднее значение толщины стенки
(21)
1=1
Вычисляют внутренний диаметр измерительного участка трубы
Ду = Янар -2-Я
и заносят значение Ду в протокол измерений.
Примечание - На реальном трубопроводе после изготовления отверстий под приварку держателей ПЭП (но до их приварки) и обработки краев отверстий от заусенцев и подтеков от расплава металла, допускается измерять толщину стенки трубы с помощью микрометра или толщиномера, конструкция которых позволяет завести неподвижную часть измерительной скобы внутрь проделанных отверстий. При этом в каждом отверстии под приварку держателей ПЭП проводят 2 измерения: в точке «до» и «после» отверстия относительно направления движения потока. Результатом является среднее арифметическое значение этих измерений.
10.2.1.2 Определение расстояния меаду ПЭПБазовое расстояние между ПЭП определяют одним из способов: путем прямых геометрических измерений расстояния либо косвенными путем через измерения времени пролета ультразвукового сигнала между ПЭП.
Определение расстояния между ПЭП геометрическими измерениями проводят с помощью микрометрического нутромера, если имеется доступ к внутренней полости УПР, либо штангенглубиномера и измерительной штанги известной длины Lui. Длина штанги Ьш измеряется с точностью не хуже ±0,01 мм.
Нутромером (со сменными удлинителями для измерений в конкретном диапазоне) выполняют прямое измерение расстояния между двумя установленными ПЭП. Измерения делаются не менее 5 раз и вычисляют среднее арифметическое значение. Полученное значение Lc заносят в протокол измерений.
Штангенглубиномер используют при отсутствии возможности применения нутромера. В один из держателей устанавливают ПЭП с прокладкой.
Если длина штанги штангенглубиномера позволяет выполнить измерение расстояния Lhi от торца приваренного держателя до торца установленного с другой стороны ПЭП, то измерительную штангу не применяют (рисунок 5,а).

Рисунок 5 — Измерение расстояния между ПЭП с помощью штангенглубиномера

Снимают показания штангенглубиномера Lni, Lh2- Измерения выполняют не менее к=7 раз для каждого размера. Вычисляют средние значения по формулам
к
к

(23)
Расстояние между ПЭП вычисляют по формуле
Lc Ltfcpi LpjCp2 Lnsn +

(24)
где Ьпэп - расстояние между торцом ПЭП и его посадочной плоскостью, которая соприкасается с прокладкой, измеренное с точностью не хуже ±0,01 мм;
Lnp - толщина прокладки, измеренная с точностью не хуже ±0,01 мм.
Полученное значение Lc заносят в протокол измерений.
Если расстояние Ьщ от торца приваренного держателя до торца установленного с другой стороны ПЭП больше шкалы штанги штангенглубиномера, то применяют приспособление - измерительную штангу с удлинителями (рисунок 5,6).
Со стороны второго держателя вставляют измерительную цилиндрическую штангу с установленным штангенглубиномером. При необходимости используют удлинители. Выдвигают штангу штангенглубиномера до касания ее торцом кольцевого выступа держателя под прокладку ПЭП и фиксируют винтом.
Снимают показания штангенглубиномера Lu. Измерения выполняют не менее к=7 раз. Перед каждым измерением ослабляют фиксирующий винт, уменьшают вылет штанги штангенглубиномера, и поворачивают измерительную цилиндрическую штангу со штангенглубиномером вокруг оси. Вычисляют среднее значение по формуле
к

(25)
i=i
Расстояние между ПЭП вычисляют по формуле
Lc = Lui - Lucp - Lnan + Lnp,
(26)
где Ln3n - расстояние между торцом ПЭП и его посадочной плоскостью, которая соприкасается с прокладкой, измеренное с точностью не хуже ±0,01 мм;
Lnp - толщина прокладки, измеренная с точностью не хуже ±0,01 мм.
Полученное значение Lc заносят в протокол измерений.
При определении расстояния менаду ПЭП через время пролета ультразвукового сигнала менаду ПЭП используют ЭБ, успешно прошедший поверку по пункту 10.2.4 настоящей методики. УПР или участок трубопровода с установленными ПЭП заполняют водой так, чтобы излучающие торцевые поверхности ПЭП полностью находились в воде и дожидаются успокоения движения воды («стоячая» вода). С целью минимизации погрешности измерения используют дистиллированную воду или воду с минимальным содержанием растворенных примесей.
Измеряют температуру воды лабораторным термометром. С помощью ЭБ измеряют время прохождения ультразвукового сигнала от одного ПЭП к другому и обратно считывают с индикатора расходомера значение tcp. Вычисляют расстояние Lc = с ■ tcp, где с - скорость звука в воде при измеренной температуре по справочной таблице Приложения Б.
Измерение температуры воды, вычисление tcp и расстояния Lc повторяют не менее к=5 раз. Вычисляют среднее значение расстояния между ПЭП по формуле
к
ic=IStci- <27)
1=1
Для 2-хордового исполнения расходомера указанные измерения и вычисления выполняют по отдельности для каждой хорды.
Полученное значение Lc для каждого канала заносят в протокол измерений.
10.2.1.3 Определение угла наклона оси акустического канала к оси УПРУгол наклона оси акустического канала а к продольной оси УПР измеряют с помощью штанги, угломера с нониусом и поверочного угольника.
В отверстие одного из держателей ПЭП устанавливают штангу 1 (рисунок 6). Положение штанги в отверстиях держателей центрируют втулкой 2 с оправкой 3. Измерительные грани угломера 4 прикладывают через поверочный угольник 5 к штанге 1 и через плиту 6 к образующей цилиндра трубы 7.
Примечание - Приваренные к трубе фланцы могут затруднять измерения углов указанным выше способом. В этом случае допускается измерение углов наклона относительно внутренней поверхности трубы, а также измерение как острых углов наклона а, так и смежных с ними углов (п-а), что учитывается в дальнейших вычислениях.

Рисунок 6 — Измерение угла наклона оси акустического канала к оси УПР
Измерения проводят не менее к=5 раз с каждой стороны луча. Вычисляют среднее арифметическое значения угла наклона а.
1 i k
^=k^ait’ ^=kS“2i;
(28)
-
(29)
-
(30)
i=l i=l
1 a = 2 fai + a2).
При этом должно выполняться условие
|ах - а2| < 10'.
Полученное значение угла наклона а заносят в протокол измерений.
10.2.1.4 Определение смещения х оси акустического канала относительно продольной оси симметрии УПРСмещение оси акустического канала определяют одним из способов: измерениями с помощью штангенциркуля и двух измерительных штанг равной длины либо измерениями с помощью рулетки длин дуг между образующими цилиндрической поверхности трубы, проходящими через центры отверстий приваренных держателей. По возможности следует применять первый способ.
Толщины стенок трубы ha и hb в диаметрально противоположных точках А и В, лежащих в плоскости, нормальной к плоскости УЗ-лучей (рисунок 7), находят путем измерений ультразвуковым толщиномером. Для проточной части фланцевого УПР заводского изготовления из бесшовных труб из коррозионно-стойкой стали по ГОСТ 9941-81 разнотолщинно-стью стенок пренебрегают, считая ha = 1у>.

Рисунок 7 — Определение смещения % оси акустического канала для исполнения расходомера с одним диаметральным лучом с помощью штангенциркуля

Для исполнения расходомера с одним диаметральным лучом одну штангу пропускают через отверстия держателей ПЭП, обеспечивая скользящую посадку, другую размещают на наружной поверхности трубы так, чтобы на точку касания приходилась середина длины штанги. Концы штанг фиксируют стяжками на равном расстоянии (рисунок 7).
Измеряют не менее к=5 раз расстояния ai и аг между штангами с каждой стороны штанг (рисунок 7,а) и находят среднее значение
(31)
Вычисляют среднее арифметическое для полученных значений ai и аг а==—(а1+ а2).
b'=U>'' Ь2^Ь21.
(33)
Вычисляют среднее арифметическое для полученных значений bi и Ь2
ь = |(ьх + Ь2).(34)
Смещение х определяют по формуле
|(а-Ла)-(Ь-Ль)|
(35)
Проверяют выполнение условия х — 0*02 • Ду.
Полученное значение смещения х заносят в протокол измерений.
При использовании рулетки замеряют длину окружности L, проходящую через точки А и В и длины дуг L]=AKB и L2=AMB (рисунок 8). Проверяют выполнение условия Li+L2=L.

Рисунок 8 — Определение смещения х оси акустического канала для исполнения расходомера с одним диаметральным лучом с помощью рулетки
Смещение х определяют по формуле
IL1-LJ
Проверяют выполнение условия х 0,02 • Ду .
Полученное значение смещения х заносят в протокол измерений.
Для исполнения расходомера с 2-мя хордами одну штангу пропускают через отверстия держателей ПЭП (скользящая посадка), принадлежащих одному акустическому каналу, например, расположенному: ближе к точке А (рисунок 9,а), другую размещают на наружной поверхности трубы так, чтобы на точку касания А приходилась середина длины штанги. Концы штанг фиксируют стяжками на равном расстоянии.

Рисунок 9 — Определение смещения % оси акустического канала для исполнения расходомера с 2-мя хордами

Измеряют не менее к=5 раз расстояния ai и аг между штангами с каждой штанг и находят среднее значение
1 1 к ai=k2an; a2=rSa2E i=l i=l
Вычисляют среднее арифметическое для полученных значений ai и аг
1 а — — (ах + а2).
стороны
(37)
(38)
b>~k£bu: ь1 = к1\'
(39)
ь = | (bl + b2) .
(40)
Смещение оси первого акустического канала Xi определяют по формуле
|(a-ha)-(b-hb)|
Проверяют выполнение условия
Полученное значение смещения оси первого акустического канала Xi заносят в протокол измерений.
Переставляют штангу из отверстий держателей первой пары ПЭП в отверстия держателей другой пары ПЭП, расположенных со стороны точки В (рисунок 9,6). Проводят анало-
гичные измерения и вычисляют смещение оси второго акустического канала Хг- Проверяют выполнение условия (42) для Хг-
Полученное значение смещения оси второго акустического канала Хг заносят в протокол измерений.
При использовании рулетки замеряют длину окружности L, проходящую через точки А и В и длины дуг Li=CKD и L2=CMD (рисунок 10).

Рисунок 10 — Определение смещений х осей акустических каналов для исполнения расходомера с 2-мя хордами с помощью рулетки
Проверяют выполнение условия Li+L2=L и L = тг • Ду. Из геометрических построений находят смещение Хг

-
(43)
-
(44)
-
(45)
Проверяют выполнение условия (42) для Xi- Полученное значение смещения оси первого акустического канала Xi заносят в протокол измерений.
Смещение Хг находят, аналогичным способом. Проверяют выполнение условия
L= L3+L4 и L = тг ■ Ду. При этом длины дуг L3=EMF и L4=EKF (рисунок 10).

cos

(46)
Проверяют выполнение условия (42) для Хг- Полученное значение смещения оси второго акустического канала Хг заносят в протокол измерений.
10.2.2 Определение коэффициента коррекции КкоррКоэффициент коррекции для варианта имитационной поверки определяется расчетным путем отдельно для каждого акустического канала по формуле
1 1
Ккорр — — ■ tg а ■ — ,
Кг
где Кг - гидродинамический коэффициент, представляющий собой отношение скорости жидкости, осредненной по акустическому каналу расходомера, к средней скорости жидкости в поперечном сечении УПР;
а - угол наклона оси акустического канала к продольной оси УПР;
KLa — коэффициент искажения акустической оси, характеризующий отклонение оси акустического канала от своего идеального положения из-за погрешностей расположения держателей ПЭП на УПР.
10.2.2.1 Определение гидродинамического коэффициента К/Гидродинамический коэффициент вычисляется для каждого акустического канала.
Для варианта расположения акустического канала «по хорде» принимают Кг= 1,0.
Для варианта расположения акустического канала «по диаметру» для УПР заводского изготовления величину 1/Кг выбирают по таблице 9.
Таблица 9 - Значения 1/Кг для УПР заводского изготовления «по диаметру»
Ду, мм |
32 |
40 |
50 |
65 |
80 |
100 |
150 |
200 |
250 |
300 |
1/Кг |
0,9278 |
0,9292 |
0,9306 |
0,9320 |
0,9334 |
0,9354 |
0,9383 |
0,9400 |
0,9407 |
0,9410 |
Для варианта расположения акустического канала «по диаметру», формируемого врезкой ПЭП на имеющемся трубопроводе, гидродинамический коэффициент находят по формуле
К _ *г min Кр тах (48)
где Кг min - значение гидродинамического коэффициента, при минимальном значении числа Рейнольдса Re min;
Кипах - значение гидродинамического коэффициента, при максимальном значении числа Рейнольдса Кетах;
Числа Рейнольдса находят по формулам где Q min , Q max - минимальное и максимальное значения расходов при работе расходомера; у min, Утах - минимальное и максимальное значения кинематической вязкости измеряемой среды.
R^min ~
4 ' Qmin
R^max
7Т ■ Ду ' V w max
4 ‘ Qmax

min
-
(49)
-
(50)
Для воды предельные значения кинематической вязкости берутся из таблицы Приложения В. Значения кинематической вязкости для других жидкостей измеряют вискозиметром.
Значение гидродинамического коэффициента Кг max вычисляют по формуле
КГтах = 1,01 + 0,38 ■ VI,
(51)
(52)
где X - коэффициент гидравлического трения, вычисляемый по формуле
/ 68 кэ \
Л= °Д1‘ 6?^+ 1000-Ду )
где кэ - значение эквивалентной шероховатости трубопровода, определяемое по таблице из Приложения Г.
Значение гидродинамического коэффициента Кгтт определяют по значению коэффициента гидравлического трения X и числу Рейнольдса Remin из графика в Приложении Д.
Итоговые средние значения Кп и Кг2 по каждому акустическому каналу для варианта расположения акустического канала «по диаметру», формируемого врезкой ПЭП на имеющемся трубопроводе, вычисляют по формуле (48).
10.2.2.2 Определение коэффициента искажения акустической оси KLaКоэффициент искажения вычисляется по каждой используемой акустической оси. Для варианта расположения акустического канала «по диаметру» для УПР заводского изготовления, при выполнении условия х 0,02 ■ Ду принимают

Для варианта расположения акустического канала «по хорде» при выполнении условия
(42) пункта 10.2.1.4 принимают
т?-= 1,1547.
В остальных случаях коэффициент искажения акустической оси расходомера вычисляют по формуле

(53)
где % - смещение оси акустического канала относительно продольной оси симметрии УПР; Ду - внутренний диаметр УПР.
По формуле (47) вычисляют значения коэффициентов коррекции Ккорр1 и Ккорр2 по каждой используемой акустической оси и результаты заносят в протокол.
10.2.3 Запись метрологически значимых программируемых параметров в ЭБВойти в сервисное меню расходомера под паролем администратора («ADM»). Проверить в меню «О приборе» соответствие записанной конфигурации с конфигурацией поверяемого расходомера. При необходимости, установить фактическую конфигурацию.
В меню «Настройки УПР» по каждому имеющемуся каналу записать параметры в соответствии с таблицей 10.
Таблица 10 - Список метрологически значимых программируемых параметров
№ п/п |
Обозначение в меню |
Обозначение в МП |
Описание |
Размер мерность |
Пример записи |
1 |
Ду |
Ду |
Диаметр проточной части УПР |
м |
0,1518 |
2 |
Qmin |
Qmin |
Минимальное значение измеряемого расхода |
м3/ч |
1,87 |
3 |
Qmax |
Qmax |
Максимальное значение измеряемого расхода |
м3/ч |
290,0 |
4 |
Длина кабеля |
- |
Средняя длина кабеля РК от парных ПЭП до клеммника ВПР |
м |
050 |
5 |
База |
Lc |
Расстояние между излучающими торцами парных ПЭП (длина акустического канала) |
м |
0,2250 |
6 |
Проекция |
L flow |
Проекция длины активной части акустического канала La на ось УПР * |
м |
0,1677 |
7 |
Угол |
a |
Угол наклона оси акустического канала к оси УПР |
О ' |
45,20 |
8 |
Смещение X |
X |
Смещение оси акустического канала |
ММ |
+2,15 |
9 |
Ккорр |
Ккорр |
Коэффициент коррекции |
- |
1,123 |
10 |
dTO |
dTO |
Разность времен пролета УЗ импульса между парой ПЭП в прямом и обратном направлении на стоячей воде** |
НС |
+0001,123 |
* La = Ду/sin a; Lfiow = LA - cos а = Ду/tg а; ** Параметр dTO определяется и запоминается автоматически после выполнения процедуры «Установка нуля» для каждой пары ПЭП. Процедура запускается нажатием кнопки «ВВОД» из меню «Настройки УПР | dTO», либо из меню Настройки | ВПР | Измерение | Расход | Установка нуля». |
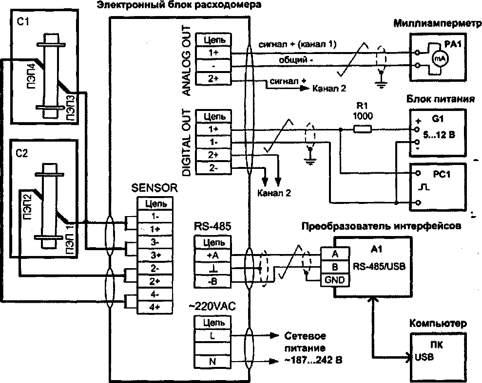
Схема подключений средств поверки, испытательного и вспомогательного оборудования к ЭБ для определения его метрологических характеристик приведены в Приложении А.
Определение погрешности ЭБ выполняют последовательно по каждому каналу, производя последовательное подключение к входам SENSOR парных ПЭП, установленных на одной кювете, и электроизмерительного оборудования к выходам DIGITAL OUT и ANALOG OUT.
Установить пару ПЭП в технологическую кювету и измерить расстояние Lc между их излучающими торцами. Допускается использовать УПР с установленными ПЭП и измеренным расстоянием Lc. Заполнить кювету либо УПР дистиллированной водой. Дождаться успокоения воды и выхода пузырьков воздуха. Присоединить ПЭП к выходным клеммам ЭБ, включить питание ЭБ расходомера.
10.2.4.1 Определение относительной погрешности ЭБ при измерении времени распространения ультразвуковых импульсовИзмерить длины используемых кабелей от клеммника ЭБ до разъемов ПЭП. Записать в память расходомера полусумму полученных значений длин через сервисное меню «Настройки УПР# | Длина кабеля», где символ # - номер канала.
Выполнить процедуру автоматической установки нуля последовательно по каждому каналу через сервисное меню «Настройки УПР# | dTO#». По окончании процедуры, длящейся около 50 с, считать полученное значение dTO#. Проверить выполнение условия dTO# < 0,2 мкс. При выполнении данного условия нажать кнопку «ENTER» на лицевой панели для сохранения значения dTO# и продолжить поверку.
Измерить температуру воды лабораторным термометром.
Определить по таблице Приложения Б скорость звука С, соответствующую полученному значению температуры Т. Для определения значений С, лежащих между табличными значениями Т, допускается линейная аппроксимация С(Т).
Определить расчетное (эталонное) время распространения ультразвуковых импульсов по формуле
tpa„=3- (54)
В меню «Настройки ВПР | Измерение | Служебные» считать значения среднего времени распространения ультразвуковых импульсов t#cp.
Вычислить относительную погрешность ЭБ при измерении времени распространения ультразвуковых импульсов по каждому каналу по формуле, %:
в, = t,cp ~ tpa" ■ 100. (55)
^расч
10.2.4.2 Определение относительной погрешности ЭБ при измерении объемного расходаУстановить через сервисное меню «Настройки УПР# | dTO#» величину смещения нуля dT# (в нс), равную сумме: 5-Ду#, где Ду# в миллиметрах, и значения dTO#, полученного в пункте 10.2.4.1.
Установить коэффициенте коррекции Ккорр# =1.
Спустя 30.. .45 секунд снять с ЖКИ показания расходомера QU3M по объемному расходу. Вычислить расчетное (эталонное) значение объемного расхода Q3 (в м3/ч) по формуле
Q3 =
тг-Ду2
4
At-С2
2 ’ Lfiow
■ 3600,
(56)
Вычислить относительную погрешность ЭБ при измерении объемного расхода по формуле, %:

Qh3m Qb Q,
■ 100.
(57)
Использовать настройки ЭБ из предыдущего пункта при измерении объемного расхода. С помощью кнопок управления просмотром вывести на ЖКИ показания расходомера по объему V.
В момент смены на ЖКИ цифры младшего разряда значения накопленного объема запустить секундомер и зафиксировать начальное значение объема Vh- По истечении интервала времени не менее 5 минут в момент очередной смены на ЖКИ цифры младшего разряда значения накопленного объема остановить секундомер и зафиксировать конечное значение объема Кд- и показания секундомера Т, с.
Рассчитать значение эталонного объемного расхода Q3 по формуле (56). Вычислить значение расчетного эталонного объема Иэпо формуле, м3:
(58)
3600
Вычислить относительную погрешность ЭБ при измерении объема по формуле, %: S„ = ~ V' ■ 100. (59)
где VU3M=VK-VH (вм3).
10.2.4.4 Определение относительной погрешности преобразования значения объемного расхода в частотный выходной сигналОпределение относительной погрешности преобразования значения объемного расхода в частотный выходной сигнал для варианта имитационного метода поверки проводится по п. 10.1.2 настоящей методики поверки.
10.2.4.5 Определение приведенной к верхнему пределу диапазона измерений погрешности преобразования значения объемного расхода в токовый выходной сигналОпределение приведенной к верхнему пределу диапазона измерений погрешности преобразования значения объемного расхода в токовый выходной сигнал для варианта имитационного метода поверки проводится по п. 10.1.3 настоящей методики поверки.
-
11 Подтверждение соответствия средства измерений метрологическим требовани
ям
11.1 Подтверждение соответствия средства измерений метрологическим требованиям при проливной поверкеРасходомер соответствует предъявляемым к нему метрологическим требованиям при выполнении следующих условий:
-
- комплектность и конфигурация расходомера соответствуют паспорту и сведениям в меню расходомера, маркировка соответствует эксплуатационной документации и сведениям в меню расходомера, отсутствуют механические повреждения, пломбы целые при проведении периодической поверки;
-
- при увеличении или уменьшении расхода соответствующим образом изменялись показания на дисплее расходомера;
-
- если идентификационные данные ПО на индикаторе расходомера совпадают со значениями, указанными в таблице 3;
-
- если все полученные значения относительной погрешности измерений объема <5 у не превышают значения допускаемой погрешности, указанной в таблице 5. При положительном результате поверки по измерению объема, расходомер признают годным для измерений объемного расхода;
-
- если все полученные значения относительной погрешности преобразования значения объемного расхода в выходной частотный сигнал 5f по каждому частотному выходному каналу не превышают ±0,05 %;
-
- если все полученные значения приведенной к верхнему пределу диапазона измерений погрешности преобразования значения объемного расхода в выходной токовый сигнал у/ по каждому токовому выходному каналу не превышают ±0,5 %.
Расходомер соответствует предъявляемым к нему метрологическим требованиям при выполнении следующих условий:
-
- комплектность и конфигурация расходомера соответствуют паспорту и сведениям в меню расходомера, маркировка соответствует эксплуатационной документации и сведениям в меню расходомера, отсутствуют механические повреждения, пломбы целые при проведении периодической поверки;
-
- если показания по расходу на индикаторе соответствует значениям расхода «Расх» имитатора и происходит увеличение накопленного значения объема в сумматоре по каждому каналу;
-
- если идентификационные данные ПО на индикаторе расходомера совпадают со значениями, указанными в таблице 3;
-
- при определении линейно-угловых параметров УПР выполняются условия, обозначенные в п.п. 10.2.1.1; 10.2.1.3: 10.2.1.4;
-
- все значения полученные в ходе выполнения п.п. 10.2.1 и 10.2.2 успешно записаны в ЭБ расходомера;
-
- относительная погрешность ЭБ при измерении времени распространения ультразвуковых импульсов по каждому каналу не превышает ±0,3 %;
-
- относительная погрешность ЭБ при измерении объемного расхода по каждому каналу не превышает ±0,35 %;
-
- относительная погрешность ЭБ при измерении объема по каждому каналу не превышает ±0,35 %;
-
- если все полученные значения относительной погрешности преобразования значения объемного расхода в выходной частотный сигнал 8f по каждому частотному выходному каналу не превышают ±0,05 %;
-
- если все полученные значения приведенной к верхнему пределу диапазона измерений погрешности преобразования значения объемного расхода в выходной токовый сигнал у/ по каждому токовому выходному каналу не превышают ±0,5 %.
-
12.1 Результаты поверки оформляются протоколом, рекомендуемая форма которого приведена в Приложениях Е и Ж.
-
12.2 Сведения о результатах поверки расходомера передаются в Федеральный информационный фонд по обеспечению единства измерений в соответствии с приказом Минпромторга России от 31.07.2020 г. № 2510 «Об утверждении порядка проведения поверки средств измерений, требований к знаку поверки и содержанию свидетельства о поверке».
-
12.3 При положительных результатах поверки расходомера по заявлению владельца средства измерений или лица, предоставившего средство измерений на поверку, выдается свидетельство о поверке, оформленное в соответствии с приказом Минпромторга России от 31.07.2020 г. № 2510 «Об утверждении порядка проведения поверки средств измерений, требований к знаку поверки и содержанию свидетельства о поверке», или делается соответствующая запись с нанесением знака поверки, заверяемая подписью поверителя в паспорте расходомера в соответствующем разделе. Также знак поверки наносится поверх одного из винтов крепления лицевой панели ЭБ согласно описания типа в виде наклейки или оттиска поверительного клейма методом давления на мастику в пломбировочной чашке.
-
12.4 При отрицательных результатах поверки, расходомер к эксплуатации не допускается. По заявлению владельца средства измерений или лица, предоставившего средство измерений на поверку, выдается извещение о непригодности, оформленное в соответствии с приказом Минпромторга России от 31.07.2020 г. № 2510 «Об утверждении порядка проведения поверки средств измерений, требований к знаку поверки и содержанию свидетельства о поверке».
Б.А. Иполитов
Д.П. Ломакин
К.Р. Заргарьян
Начальник отдела 208
ФГУП "ВНИИМС"
Ведущий инженер отдела 208
ФГУП "ВНИИМС"
Технический директор
ООО "Пьезус"
ПРИЛОЖЕНИЕ А
Схема подключений для определения погрешностей ЭБ расходомера

Частотомер
ПЭП1 ... ПЭП4 - пьезоэлектрические преобразователи;
С1, С2 - кювета технологическая или УПР;
G1 - стабилизированный блок питания =12 В (выходной ток до 100 мА); РА1 - миллиамперметр с диапазоном измерений 4-20 мА;
РС1 - частотомер с диапазоном измерений 0-2000 Гц;
А1 - преобразователь интерфейсов RS-485/USB;
ПК - персональный компьютер.
ПРИЛОЖЕНИЕ Б
Зависимость скорости распространения ультразвука в воде от температуры в диапазоне от 0 до 40 °C
Т, °C |
0,0 |
0,1 |
0,2 |
0,3 |
0,4 |
0,5 |
0,6 |
0,7 |
0,8 |
0,9 |
0 |
1 402,388 |
1 402,891 |
1 403,393 |
1 403,894 |
1 404,394 |
1 404,893 |
1 405,390 |
1 405,886 |
1 406,382 |
1 406,876 |
1 |
1 407,369 |
1 407,860 |
1 408,351 |
1 408,840 |
1 409,329 |
1 409,816 |
1 410,302 |
1 410,787 |
1 411,271 |
1411,753 |
2 |
1 412,235 |
1412,715 |
1413,195 |
1 413,673 |
1 414,150 |
1 414,626 |
1 415,101 |
1 415,574 |
1 416,047 |
1 416,518 |
3 |
1 416,989 |
1 417,458 |
1 417,926 |
1 418,393 |
1 418,859 |
1 419,324 |
1 419,788 |
1 420,251 |
1 420,712 |
1 421,173 |
4 |
1 421,632 |
1 422,091 |
1 422,548 |
1 423,004 |
1 423,459 |
1 423,914 |
1 424,366 |
1 424,818 |
1 425,269 |
1 425,719 |
5 |
1 426,168 |
1 426,615 |
1 427,062 |
1 427,507 |
1 427,952 |
1 428,395 |
1 428,837 |
1 429,279 |
1 429,719 |
1 430,158 |
6 |
1 430,596 |
1 431,033 |
1 431,469 |
1 431,904 |
1 432,338 |
1 432,771 |
1 433,203 |
1 433,634 |
1 434,063 |
1 434,492 |
7 |
1 434,920 |
1 435,347 |
1 435,772 |
1 436,197 |
1 436,620 |
1 437,043 |
1 437,465 |
1 437,885 |
1 438,305 |
1 438,723 |
8 |
1 439,141 |
1 439,557 |
1 439,973 |
1 440,387 |
1 440,800 |
1 441,213 |
1 441,624 |
1 442,035 |
1 442,444 |
1 442,853 |
9 |
1 443,260 |
1 443,667 |
1 444,072 |
1 444,476 |
1 444,880 |
1 445,282 |
1 445,684 |
1 446,084 |
1 446,484 |
1 446,882 |
10 |
1 447,280 |
1 447,677 |
1 448,072 |
1 448,467 |
1 448,860 |
1 449,253 |
1 449,645 |
1 450,036 |
1 450,425 |
1 450,814 |
11 |
1 451,202 |
1 451,589 |
1 451,975 |
1 452,360 |
1 452,744 |
1 453,127 |
1 453,509 |
1 453,890 |
1 454,270 |
1 454,649 |
12 |
1 455,028 |
1 455,405 |
1 455,781 |
1 456,157 |
1 456,531 |
1 456,905 |
1 457,278 |
1 457,649 |
1 458,020 |
1 458,390 |
13 |
1 458,759 |
1 459,127 |
1 459,494 |
1 459,860 |
1 460,225 |
1 460,590 |
1 460,953 |
1 461,315 |
1 461,677 |
1 462,037 |
14 |
1 462,397 |
1 462,756 |
1 463,114 |
1 463,471 |
1 463,827 |
1 464,182 |
1 464,536 |
1 464,889 |
1 465,242 |
1 465,593 |
15 |
1 465,944 |
1 466,294 |
1 466,642 |
1 466,990 |
1 467,337 |
1 467,683 |
1 468,029 |
1 468,373 |
1 468,716 |
1 469,059 |
16 |
1 469,401 |
1 469,742 |
1 470,081 |
1 470,420 |
1 470,759 |
1 471,096 |
1 471,432 |
1 471,768 |
1 472,102 |
1 472,436 |
17 |
1 472,769 |
1 473,101 |
1 473,432 |
1 473,763 |
1 474,092 |
1 474,421 |
1 474,748 |
1 475,075 |
1 475,401 |
1 475,726 |
18 |
1 476,051 |
1 476,374 |
1 476,697 |
1 477,018 |
1 477,339 |
1 477,659 |
1 477,978 |
1 478,297 |
1 478,614 |
1 478,931 |
19 |
1 479,247 |
1 479,562 |
1 479,876 |
1 480,189 |
1 480,501 |
1 480,813 |
1 481,124 |
1 481,434 |
1 481,743 |
1 482,051 |
20 |
1 482,359 |
1 482,665 |
1 482,971 |
1 483,276 |
1 483,580 |
1 483,883 |
1 484,186 |
1 484,488 |
1 484,788 |
1 485,089 |
21 |
1 485,388 |
1 485,686 |
1 485,984 |
1 486,281 |
1 486,577 |
1 486,872 |
1 487,166 |
1 487,460 |
1 487,753 |
1 488,044 |
22 |
1 488,336 |
1 488,626 |
1 488,916 |
1 489,204 |
1 489,492 |
1 489,780 |
1 490,066 |
1 490,351 |
1 490,636 |
1 490,920 |
23 |
1 491,204 |
1 491,486 |
1 491,768 |
1 492,048 |
1 492,329 |
1 492,608 |
1 492,886 |
1 493,164 |
1 493,441 |
1 493,717 |
24 |
1 493,993 |
1 494,267 |
1 494,541 |
1 494,814 |
1 495,087 |
1 495,358 |
1 495,629 |
1 495,899 |
1 496,168 |
1 496,437 |
25 |
1 496,704 |
1 496,971 |
1 497,238 |
1 497,503 |
1 497,768 |
1 498,032 |
1 498,295 |
1 498,557 |
1 498,819 |
1 499,080 |
26 |
1 499,340 |
1 499,599 |
1 499,858 |
1 500,116 |
1 500,373 |
1 500,630 |
1 500,885 |
1 501,140 |
1 501,395 |
1 501,648 |
27 |
1 501,901 |
1 502,153 |
1 502,404 |
1 502,654 |
1 502,904 |
1 503,153 |
1 503,402 |
1 503,649 |
1 503,896 |
1 504,142 |
28 |
1 504,388 |
1 504,632 |
1 504,876 |
1 505,119 |
1 505,362 |
1 505,604 |
1 505,845 |
1 506,085 |
1 506,325 |
1 506,564 |
29 |
1 506,802 |
1 507,039 |
1 507,276 |
1 507,512 |
1 507,748 |
1 507,982 |
1 508,216 |
1 508,449 |
1 508,682 |
1 508,914 |
30 |
1 509,145 |
1 509,375 |
1 509,605 |
1 509,834 |
1 510,062 |
1 510,290 |
1 510,517 |
1 510,743 |
1 510,968 |
1 511,193 |
31 |
1 511,417 |
1 511,641 |
1 511,863 |
1 512,086 |
1 512,307 |
1 512,528 |
1 512,748 |
1 512,967 |
1 513,185 |
1 513,403 |
32 |
1 513,621 |
1 513,837 |
1 514,053 |
1 514,268 |
1 514,483 |
1 514,697 |
1 514,910 |
1 515,122 |
1 515,334 |
1 515,545 |
33 |
1 515,756 |
1 515,966 |
1 516,175 |
1 516,383 |
1 516,591 |
1 516,798 |
1 517,005 |
1 517,211 |
1 517,416 |
1 517,620 |
34 |
1 517,824 |
1 518,027 |
1 518,230 |
1 518,432 |
1 518,633 |
1 518,833 |
1 519,033 |
1 519,232 |
1 519,431 |
1 519,629 |
35 |
1 519,826 |
1 520,023 |
1 520,219 |
1 520,414 |
1 520,609 |
1 520,803 |
1 520,996 |
1 521,189 |
1 521,381 |
1 521,572 |
36 |
1 521,763 |
1 521,953 |
1 522,143 |
1 522,332 |
1 522,520 |
1 522,708 |
1 522,895 |
1 523,081 |
1 523,267 |
1 523,452 |
37 |
1 523,636 |
1 523,820 |
1 524,003 |
1 524,186 |
1 524,368 |
1 524,549 |
1 524,730 |
1 524,910 |
1 525,089 |
1 525,268 |
38 |
1 525,446 |
1 525,624 |
1 525,800 |
1 525,977 |
1 526,152 |
1 526,328 |
1 526,502 |
1 526,676 |
1 526,849 |
1 527,022 |
39 |
1 527,194 |
1 527,365 |
1 527,536 |
1 527,706 |
1 527,876 |
1 528,045 |
1 528,213 |
1 528,381 |
1 528,548 |
1 528,714 |
40 |
1 528,880 |
1 529,046 |
1 529,210 |
1 529,374 |
1 529,538 |
1 529,701 |
1 529,863 |
1 530,025 |
1 530,186 |
1 530,346 |
ПРИЛОЖЕНИЕ В
Значения коэффициентов кинематической вязкости V для разных значений температуры воды
при t,°C | ||||||||||
0 |
1 |
2 |
3 |
4 |
5 |
6 |
7 |
8 |
9 | |
0 |
1,793 |
1,732 |
1,675 |
1,621 |
1,569 |
1,520 |
1,474 |
1,429 |
1,387 |
1,347 |
10 |
1,308 |
1,272 |
1,237 |
1,203 |
1,171 |
1,1401 |
1,1107 |
1,0825 |
1,0554 |
1,0294 |
20 |
1.0045 |
0,9905 |
0,9574 |
0,9353 |
0,9139 |
0,8934 |
0,8736 |
0,8545 |
0,8361 |
0,8184 |
30 |
0,8012 |
0,7847 |
0,7687 |
0,7533 |
0,7383 |
0,7239 |
0,7099 |
0,6964 |
0,6833 |
0,6706 |
40 |
0,6583 |
0.6464 |
0,6348 |
0,6236 |
0,6127 |
0,6022 |
0,5919 |
0,5820 |
0,5723 |
0,5629 |
50 |
0,5537 |
0,5449 |
0,5362 |
0,5278 |
0,5196 |
0,5116 |
0,5039 |
0,4963 |
0,4890 |
0,4818 |
60 |
0,4748 |
0,4680. |
0,4613 |
0,4549 |
0,4485 |
0,4424 |
0,4363 |
0,4305 |
0,4247 |
0,4191 |
70 |
0,4137 |
0,4083 |
0,4031 |
0,3980 |
0,3930 |
0,3881 |
0,3833 |
0,3787 |
0,3741 |
0,3691 |
80 |
0,3653 |
0,3610 |
0,3568 |
0,3527 |
0,3487 |
0,3448 |
0,3410 |
0,3372 |
0,3335 |
0,3299 |
90 |
0.3284 |
0,3229 |
0,3195 |
0,3162 |
0,3129 |
0,3097 |
0,3065 |
0,3035 |
0,3004 |
0,2975 |
100 |
0,2945 |
0,2917 |
0,2889 |
0,2861 |
0,2834 |
0,2808 |
0,2782 |
0,2756 |
0,2731 |
0,2706 |
110 |
0,2682 |
0,2658 |
0,2635 |
0,2612 |
0,2589 |
0,2567 |
0,2545 |
0,2524 |
0,2503 |
0,2482 |
120 |
0,2462 |
0,2442 |
0,2422 |
0,2403 |
0,2384 |
0,2365 |
0.2347 |
0,2328 |
0,2311 |
0.2293 |
130 |
0,2276 |
0,2259 |
0,2242 |
0,2225 |
0,2209 |
0,2193 |
0,2177 |
0,2162 |
0,2147 |
0,2132 |
140 |
0,2117 |
0,2102 |
0,2088 |
0,2074 |
0,2060 |
0.2046 |
0,2033 |
0,2019 |
0,2006 |
0,1993 |
150 |
0,1981 |
ПРИЛОЖЕНИЕ Г
Значения эквивалентной шероховатости трубопроводов
Вид трубопровода, материал |
Состояние, условия эксплуатации |
Кэ |
Цельнотянутые стальные |
Новые |
0,02- 0,1 |
Теплофикационные перегретого пара и водяные при наличии де-аэоации и химочистки |
0,12 | |
Пароводяные, насыщенного пара и водяных теплопроводов при незначительных утечках и деаэрации подпитки |
0,20 | |
Водяные системы отопления |
0,20 | |
Водопроводные в эксплуатации |
1.2-1,5 | |
Умеренно коррозированные |
0.4 | |
После нескольких лет эксплуатации в различных условиях |
0,15-1,0 | |
Водяные теплопроводы без деаэрации и химочистки подпитки |
1.0 | |
Цельносварные стальные |
Новые и старые в хорошем состоянии |
0,04- 0,1 |
Вывшие в эксплуатации с равномерной коррозией |
0,15 | |
Стальные оцинкованные |
Новые с чистой оцинковкой |
0,07-0,1 |
Обычная оцинковка |
0,1-0,15 |
ПРИЛОЖЕНИЕ Д
График зависимости Krmin (Remin)К Гмин Х= 0,045
0,040
0,035
0,030
0,025
0.020
0,015
0,010

5-1011 10* 2-104 5И0‘ 10s 2-Ю1 5-10* 10* 2-10* 5-10* 1Q’ 2‘10’ 5-Ют JO* ReMun
ПРИЛОЖЕНИЕ Е Рекомендуемая форма протокола поверки проливным методом
Протокол поверки
№_________от "_____"____________20___г.
Наименование, тип |
Расходомер ультразвуковой PIEZOSONIC | |||
Per. номер в ФИФ ОЕИ | ||||
Наименование методики поверки |
ГСИ. Расходомеры ультразвуковые PIEZOSONIC Методика поверки МП 208-002-2021 | |||
Серийный заводской номер |
Дата изготовления: | |||
Диаметр (Ду) УПР 1 |
Диаметр (Ду) УПР 2 | |||
Средства поверки | ||||
Условия поверки |
Темпеоатура окружающего воздуха ,°С; температура воды ,°С; влажность воздуха %; атмосферное давление мм рт. ст. |
Результаты поверки по пунктам методики:
Заключение:____________
Заключение:____________
Заключение:____________
7 Внешний осмотр
-
8.1 Подготовка к поверке и опробование
9 Проверка программного обеспечения
-
10.1 Определение метрологических характеристик при проливной поверке
10.1.1 Определение относительной погрешности измерения объема и объемного расхода Заключение:_________
Таблица 1 - Определение относительной погрешности измерения объема и объемного расхода
№ изм. |
Расход Q, м3/ч |
Объем, измеренный расходомером vo, М3 |
Объем, измеренный поверочной установкой V3, м3 |
Относительная погрешность % |
Пределы допускаемой относительной погрешности, % |
10.1.2 Определение относительной погрешности преобразования значения объемного расхода в частотный выходной сигнал Заключение:____________
Таблица 2 - Определение относительной погрешности преобразования значения объемного расхода в частотный выходной сигнал
Контрольная точка расхода |
Значение объемного расхода Q3 в контрольной точке по показаниям ЭБ, м3/ч |
Показания частотомера /вых ’ |
Значение расхода Qf, м3/ч |
Относительная погрешность ё/,% |
Пределы допускаемой относительной погрешности, % |
Qmax | |||||
0,5Qmax | |||||
0,01 Qmax |
г- |
10.1.3 Определение приведенной к верхнему пределу диапазона измерений погрешности преобразования значения объемного расхода в токовый выходной сигнал Заключение:_____________
Таблица 3 - Определение приведенной к верхнему пределу диапазона измерений погрешности преобразования значения объемного расхода в токовый выходной сигнал
Контрольная точка расхода |
Значение объемного расхода Q3 в контрольной точке по показаниям ЭБ, м3/ч |
Показания миллиамперметра /вых, мА |
Значение расхода Qi, м3/ч |
Приведенная к верхнему пределу диапазона измерений погрешность У/, % |
Пределы допускаемой приведенной погрешности, % |
Qmax | |||||
0,5Qmax | |||||
0,01 Qmax |
Результат проверки:_________________________(годен/негоден)
Поверитель: ______________________________(ФИО), _______________(подпись),_______(дата)
ПРИЛОЖЕНИЕ Ж Рекомендуемая форма протокола поверки имитационным методом
Протокол поверки
№_________от "_____"____________20___г.
Наименование, тип |
Расходомер ультразвуковой PIEZOSONIC | |||
Per. номер в ФИФ ОЕИ | ||||
Наименование методики поверки |
ГСП. Расходомеры ультразвуковые PIEZOSONIC. Методика поверки МП 208-002-2021 | |||
Серийный заводской номер |
Дата изготовления: | |||
Диаметр (Ду) УПР 1 |
Диаметр (Ду) УПР 2 | |||
Средства поверки | ||||
Условия Поверки |
температура ,°С; влажность %; атмосферное давление мм рт. ст. |
Результаты поверки по пунктам методики:
7 Внешний осмотр Заключение:____________
-
8.1 Подготовка к поверке и опробование Заключение:____________
9 Проверка программного обеспечения Заключение:____________
10.2 Определение метрологических характеристик имитационным методом
10.2.1 Определение линейно-угловых параметров УПР Таблица 1 - Определение линейно-угловых параметров УПР
Пункт МП |
Наименование операции |
Обозначение параметра |
Значение |
‘10.2.1.1 |
Измерение внутреннего диаметра УПР1, м |
ДУ1 | |
Измерение внутреннего диаметра УПР2,м |
ДУ2 | ||
10.2.1.2 |
Определение расстояния между ПЭП1,3, м |
Lei | |
Определение расстояния между ПЭП2,4, м |
Lei | ||
10.2.1.3 |
Определение угла наклона оси акустического канала 1 к оси УПР, •; |
ai | |
Определение угла наклона оси акустического канала 2 к оси УПР, V |
а2 | ||
10.2.1.4 |
Определение смещения оси акустического канала 1 относительно продольной оси симметрии УПР, м |
Xi | |
Определение смещения оси акустического канала 2 относительно продольной оси симметрии УПР, м |
Х2 | ||
10.2.2 |
Определение коэффициента коррекции по акустическому каналу 1 |
^корр1 | |
Определение коэффициента коррекции по акустическому каналу 2 |
Ккорр2 | ||
10.2.2.1 |
Определение гидродинамического коэффициента по акустическому каналу 1 |
кп | |
Определение гидродинамического коэффициента по акустическому каналу 2 |
Кг2 | ||
10.2.2.2 |
Определение коэффициента искажения акустической оси 1 |
Kbal | |
Определение коэффициента искажения акустической оси 2 |
Klu! |
10.2.4 Определение метрологических характеристик ЭБ
-
10.2.4.1 Определение относительной погрешности ЭБ при измерении времени распространения ультразвуковых импульсов Заключение:__________
Таблица 2 - Определение относительной погрешности ЭБ при измерении времени распространения ультразвуко
вых импульсов
№ изм. |
Время распространения ультразвуковых импульсов вычисленное ЭБ t#Cp, с |
Расчетное время распространения ультразвуковых импульсов tpac4, с |
Относительная погрешность 6t, % |
Пределы допускаемой относительной погрешности, % |
10.2.4.2 Определение относительной погрешности ЭБ при измерении объемного расхода Заключение:________
Таблица 3 - Определение относительной погрешности ЭБ при измерении объемного расхода
№ изм. |
Показания объемного расхода индицируемые на ЭБ QU3M, м3/ч |
Расчетное значение объемного расхода Q3, м3/ч |
Относительная погрешность 6t, % |
Пределы допускаемой относительной погрешности, % |
10.2.4.3 Определение относительной погрешности ЭБ при измерении объема Заключение:_________
Таблица 4 - Определение относительной погрешности ЭБ при измерении объема
№ изм. |
Показания объема вычисленные по ЖКИ ЭБ Уюн, м3 |
Расчетное значение объема Иэ,м3 |
Относительная погрешность 5t, % |
Пределы допускаемой относительной погрешности, % |
10.2.4.4 Определение относительной погрешности преобразования значения объемного расхода в частотный выходной сигнал Заключение:____________
Таблица 5 - Определение относительной погрешности преобразования значения объемного расхода в частотный выходной сигнал
Контрольная точка расхода |
Значение объемного расхода Q, в контрольной точке по показаниям ЭБ, м3/ч |
Показания частотомера/вых, Гц |
Значение расхода Qf, м3/ч |
Относительная погрешность ёр % |
Пределы допускаемой относительной погрешности, % |
Qmax | |||||
0,5’Qmax | |||||
0,01 Qmax |
10.2.4.5 Определение приведенной к верхнему пределу диапазона измерений погрешности преобразования значения объемного расхода в токовый выходной сигнал Заключение:_____________
Таблица 6 - Определение приведенной к верхнему пределу диапазона измерений погрешности преобразования значения объемного расхода в токовый выходной сигнал
Контрольная точка ; расхода |
Значение объемного расхода Q, в контрольной точке по показаниям ЭБ, м3/ч |
Показания миллиамперметра ^вых, МА |
Значение расхода Qi, м3/ч |
Приведенная к верхнему пределу диапазона измерений погрешность//, % |
Пределы допускаемой приведенной погрешности, % |
Qmax | |||||
0,5Qmax | |||||
0,01 Qmex |
Результат проверки:_________________________(годен/негоден)
Поверитель: ______________________________(ФИО), _______________(подпись),_______(дата)