Методика поверки «ДАТЧИК УГЛА ПОВОРОТА Л178» (ЦАКТ.402131.001 И4)
^СОГЛАСОВАНО
УТВЕРЖДАЮ
Генеральный директор

^ьр^^ЦТензенского центра стан^артйэ^ии и метрологии

.Г. Катышкин
ДАТЧИК УГЛА ПОВОРОТА
Л178
Инструкция по поверке
ЦАКТ.402131.001 И4
Начальник СКВ УПД
ОАО ’’Электромеханика”


Б.В.Зайцев
99
7ШГ |
жштаг —- | ||
Инв. № подл. |
ПгСдп. и дата |Взам. инв. № |
Инв.№ дубл. |
Подп. и дата |
ЦАКТ.402131.001
1 Общие сведения
1.1 Настоящая
инструкция по поверке устанавливает методы и средства поворота типа Л178 (далее- Л178), предназначенного для поворота колесной пары локомотивов в дискретные которые используются в измерительных системах,.
поверки датчика угла преобразования угла электрические сигналы,
контролирующих скорость и ускорение, пройденный путь, направление движения. Датчик устанавливается на буксы подвижного состава, эксплуатируемого на скоростях движения до 300 км/ч.
-
1.2 Поверку следует проводить в соответствии с правилами по метрологии ПР 50.2.006-94.
Первичная поверка проводится при выпуске из производства и после ремонта, периодическая - в процессе эксплуатации Л178, но не реже одного раза в 2 года.
-
2 Операции поверки
-
2.1 При проведении поверки должны быть выполнены операции, указанные в таблице I.
-
Таблица 1

Изм.| Л Разраб. Пров, Зав, отд. Н,контр.
Наименование операций |
Номер пункта инструкции по поверке |
Обязательность проведения операций при поверке | |
первичной |
периодической | ||
Внешний осмотр |
6.1 |
4- |
+ |
Проверка электрического со- |
6.2 |
+ |
- |
противления изоляции | |||
Проверка электрической проч- |
6.3 |
4- |
- |
ности изоляции |
№ до кум. Николаев Куцак Антокольский Бажанова

ЦАКТ.402131.001 И4
Датчик угла поворота
Л178
Лит.



Инструкция по поверке
Инв, № подл. |
ПЬдп. и дата |
Взам. инв.№ |
Пнв.Кэ дубл. |
Поди, и дата |
Продолжение таблицы I
Наименование операций |
Номер- пункта г инструкции по поверке |
Обязательность проведения операций при поверке | |
первичной |
периодической | ||
Проверка метрологических характеристик Л178 Оформление результатов аттестации поверки |
6.4 7 |
+ |
+ |
-
3 Средства поверки
3.1. При проведении поверки должны применяться средства измерения, указанные в таблице 2.
Таблица 2
Номер пункта инструкции по поверке |
Наименование образцового средства измерений, вспомогательного" средства поверки, номер документа, регламентирующего технические требования к средству, метрологические и основные технические характеристики. |
6.2 |
Мегаомметр типа М4101/3; класс точности 1,0 ГОСТ 23706-93 |
‘ 6.3 |
Устройство для испытания постоянным и переменным напряжениями WPT4.4/10G.PT6/12/5 |
6.4 |
Установка поверки и диагностики комплексов УПДК АМВ2.768.000-01 |
6.4.1 |
Адаптер Л178СК МФИЛ4688.369.002 |
Осциллограф С1-93 | |
Примечание - Допускается применять другие вновь разработанные или | |
существующие средства измерений, прошедшие поверку и удовлетворяющие по | |
точности требованиям настоящей инструкции. |
Ц АКТ. 402131.001 И4 |
Лист 3 | |||||||
Изм. |
Л |
№ доДум. |
Цйдп. |
Дата | ||||
| | ||||||||
Инв. № подл. |
П&ш. и дата |
Взам. инв..Уз |
Инв.№ дубл. j Подп. и дата |
-
4 Условия аоверки
-
4.1 При проведении поверки должны быть соблюдены следующие условия:
-
-
- температура окружающей среды - (20 ±5)°С;
относительная влажность окружающего воздуха от 45 до 80
-
- атмосферное давление от 84 до 106.7 кПа (от 630, до 800 мм рт.ст.); напряжение питания, В: Л178/1 - от 35 до 75, Л178СК - 5+0,25.
Л178/1 -24- от 17 до 34.
-
5 Требования безопасности
-
5.1 При проведении поверки Л178 должны быть соблюдены требования безопасности, установленные ГОСТ 12.2.007.0-75, ГОСТ Р 50377-92 (МЭК950-86), требования паспорта АМВ2.781 .ОООПС, руководства по эксплуатации АМВ2.781.000-01 РЭ, руководства по эксплуатации ЦАКТ.402131.001 РЭ.
-
5.2 К работе с Л178 могут быть допущены лица, прошедшие обучение, инструктаж и аттестацию по общепринятым правилам безопасности обращения с установками на напряжение до 1000 В.
-
-
6 Проведение поверки
-
6.1 Внешний осмотр
-
6.1.1 Внешний осмотр проводят визуально.
-
6.1.2 При внешнем осмотре должно быть установлено:
-
-
- соответствие Л178 конструкторской документации, ТУ 32ЦТ 2089-89; ТУ32-ПД1.ЦТ 2089-99;
отсутствие механических повреждений, влияющих на правильность его функционирования и метрологические характеристики.
-
6.1.3 Л178, не удовлетворяющий требованиям 6.1.2 настоящей инструкций, не подлежит аттестации до устранения неисправностей или несоответствий. После их .устранения внешний осмотр проводят в полном объеме.
—
j... . I
ПАКТ. 402131.001 И4
Лист
4
Изм.
Л :№докум.
$6дп.
Дата
i |
Инв. № подл.
Пбдп. и дата
Взам. инв.№ ■ Инв.ЛЬдубл. | Подп. и дата
-
6.2 Проверка электрического сопротивления изоляции
-
6.2.1 Проверить сам мегаомметр следует сначала с разомкнутыми концами (должен показывать бесконечность), затем с замкнутыми концами (должен показывать нуль).
-
Электрическое сопротивление изоляции проверяют мегаомметром на 500В, между закороченными контактами 1, 2, Л178, между закороченными
контактами 1-8 разъема XS Л178/1, Л178/1-24, Л178СК и корпусом датчика (бол'т крепления крышки).
Электрическое сопротивление изоляции должно быть не менее 1 МОм.
-
6.3 Проверка электрической прочности изоляции
-
6.3.1 Электрическую прочность изоляции проводить в тех же точках, что в
-
-
6.2.1 с помощью устройства для испытания постоянным и переменным напряжением.
Плавно повышать выходное напряжение в течение 5-10 секунд от 0 до 500В. Выдержать испытательное напряжение в течение (60±5) секунд, после чего плавно уменьшить напряжение до нуля и отключить устройство для испытания постоянным и переменным напряжением от сети и от Л178.
-
6.3.2 Л178 считается выдержавшим проверку, если за время испытания не произошло пробоя изоляции.
-
6.4 Проверка метрологических характеристик Л178
-
6.4.1 При проверке Л178 следует проверять метрологические характеристики:
-
угол поворота вала, соответствующий N периодам выходного сигнала, угол поворота вала, соответствующий импульсу (паузе) выходного сигнала датчика;
- угол поворота вала, соответствующий интервалу между фронтами импульсов разных каналов.
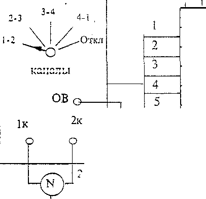
При этом необходимо использовать "Установку поверки и диагностики комплексов УПДК" и адаптер Л178СК.
-
6.4.2 Установить Л178 на УПДК согласно настоящей инструкции и в соответствии с рисунком 1 для Л178/1, или рисунком 2 для Л178/1-24, или рисунком 3
—
ПАКТ 4071 31.001 И4
Лист
Изм.
Л
№докум.
ЙЬдп. 'Дата
5
...
Инв. Ко подл.
Пс
5дп. и дата
Взам. инв.К°
Инв.Ко дубл.
Подп. и дата
для Л178СК. Установить напряжение питания датчика согласно 4.1 настоящей инструкции.

2 канал 1 канал

V -(Злит
N- осциллограф двухканальный типа С1-93
Рисунок '1- Схема подключения датчиков Л178/1
упдк
АМВ2.781.000-01 I
ч |
Цепь | |
1 |
Вых-1 |
1 |
4 |
Вых.2 |
4 |
3 |
-Un нт |
3 |
5 |
+ипит |
5 |
9/10 |
Корпус |
9/10 |

УК ДУЛ
2 канал

! канал
-игшт
ХР1 - вилка ОНЦ-РГ-01М0/22-ВЗ
ХР2, ХРЗ - наконечник 04 мм
XS2-розетка 2РМ22КПН10Г1А1
БП - блок питания Б5-49
N - осциллограф двухканальный липа С1-93
-» |
Цепь |
I |
Вых.1 |
4 |
Вых.2 |
9/10 |
Корпус |
АМВ2.768.000-01
з ХР2
7~ХРЗ

Рисунок 2- Схема подключения датчиков Л178/1-24
Йзм. |
Л" |
№ докум. |
$Ьдп. |
Дата | |
УШ | |||||
Йнв. № подл. |
Псдп. и дата |
Взам. инв.№
ЦАКТ. 402131.001 И4
Лист
6
И нв.дубл.
Поди, и дата
ХР
Датчик
Л178СК XS
Цепь | |
+5В |
9 |
ОБ | |
Дат 1 j 1 | |
Дат 2 |
2 |
Дат 3 |
4 |
Дат 4 |
7 |
Корпус |
10 |
ЦАКТ.402131.001
1
1 канал
•Адаптер Л178СК

каналы
2 канал
УПДК
"ХР4" ”XS12"
Цепь | ||
1 |
Вых. 1 |
1 |
4 |
Вых. 2 |
4 |
3 |
-ипит |
3 |
3 |
+ЦПИТ |
5 |
9/10 |
Корпус |
9/10 |
УПДУП
АМВ2.768.000-01
Адаптер Л178СК МФИЛ.468369.002
N- осциллограф двухканальный типа С1-93
Рисунок 3- Схема подключения датчиков Л178СК
-
6.4.3 Выбрать на УПДК режим поверки Л178.
-
6.4.4 Ввести направление движения "Вперед", скорость 300 км/ч, что соответствует частоте вращения 2122 об/мин, и выполнить измерение.
-
6.4.5 Повторить 6.4.4 для направления движения "Вперед" при значениях скоростей 50км/ч, 150км/ч, а также для направления движения "Назад" при значении скорости 150 км/ч.
-
6.4.6 Для Л178СК провести измерения по 6.4.4, 6.4.5 в положениях переключателя адаптера Л178СК "Каналы" 1-2, 2-3, 3-4, 4-1.
-
6.4.7 Для Л178, Л178/1, Л178/1-24 отпечатать протокол поверки.
-
6.4.8 Для Л178СК отпечатать протоколы поверки для каждого положения переключателя КАНАЛЫ.
-
6.4.9 Л178 ( Л178/1, Л178/1-24 и Л178СК ) считается годным к применению, если:
- угол между соседними фронтами двух выходных последовательностей составляет (2,14 ± 1,20)°;
ЦАКТ.402131.001 |
И4 1Ли.ст | ||||||
Изм, |
. Л ' |
До докум. |
ДЕодп. |
Дата |
7 | ||
овд. ж | |||||||
Инв. № подл. |
Подп. и дата |
Взам. инв,№ [ Инв.№ дубл, |
Подп. и дата |
-
- угол, соответствующий импульсу (паузе) для каждой из выходных после-
»■> довательностей составляет (4,28+1,20)°;
-
- угол поворота вала, соответствующий N периодам выходного сигнала составляет N х (8,57±3,00)°,
-
7 Оформление результатов поверки
' 7.1 Положительные результаты поверки оформляют клеймением Л178 и отметкой в разделе "СВИДЕТЕЛЬСТВО О ПРИЕМКЕ" паспорта или формуляра. При результатах поверки, не удовлетворяющих требованиям настоящей инструк-цииповерки, Л178 признают негодным к применению. Об этом делают соответствующую запись в паспорте или формуляре, клеймо предыдущей поверки погашают.
ЦАКТ.402131.001 И4 |
Лист 8 | ||||||||
Изм, |
Л . |
№докум. |
Йодп. |
Дата | |||||
Инв. № подл. |
Пбдп. и дата |
Взам. инв.№ |
Инв.№ дубл. |
Поди, и дата |
Лист регистрации изменений
Изм. |
Номера листов (страниц) |
Всего листов (страниц) в докум. |
№ до кум. |
Входящий № сопроводительного до-кум. и дата |
Поди. |
Дата /2 | |||
изме нен ных |
замененных |
новых |
аннулированных | ||||||
& |
-39 |
ЦАКТ.402131.001 И4 |
Лист 9 | ||||||||
Изм. |
. л |
№ докум. |
/Йодп. |
Дата | |||||
Инв. № подл. |
подп. и дата |
Взам. инв.№ |
Инв,№ дубя. |
Подп. и дата |
Формат А4