Методика поверки «Прибор энергетика многофункциональный для измерений электроэнергетических величин "ПЭМ-02"» (МС2.725.001 МП)
СОГЛАСОВАНО руководителя ГЦИ СИ
-

ександров
008 г.
$ е м/Д.И.Мендиляева"
ПРИБОР ЭНЕРГЕТИКА МНОГОФУНКЦИОНАЛЬНЫЙ
ДЛЯ ИЗМЕРЕНИЙ ЭЛЕКТРОЭНЕРГЕТИЧЕСКИХ ВЕЛИЧИН
«ПЭМ - 02»Методика поверки
МСИ.725.021 Ш1
Рук. лаб.Электро.энереетлдиГЦИ С И

г. Санкт-Петербург 2008 г.
СОДЕРЖАНИЕ
ПРИЛОЖЕНИЕ А СХЕМЫ ПОДКЛЮЧЕНИЯ «ПЭМ-02» ДЛЯ ОПРЕДЕЛЕНИЯ
ПРИЛОЖЕНИЕ Б РАМКИ ДЛЯ ПОДКЛЮЧЕНИЯ «ПЭМ-02» К ТОКОВЫМ ЦЕПЯМ
ПРИЛОЖЕНИЕ В ФОРМЫ ОТЧЕТОВ ПРИ ПОВЕРКЕ «ПЭМ-02»
Настоящая методика предназначена для проведения первичной и периодической поверок прибора энергетика многофункционального для измерения электроэнергетических величин «ПЭМ-02» (далее - Прибор ПЭМ-02).
Настоящая методика устанавливает объем, условия поверки, методы и средства поверки Прибора ПЭМ-02 и порядок оформления результатов поверки.
Методика распространяется на вновь изготавливаемые, выпускаемые из ремонта и находящиеся в эксплуатации Приборы ПЭМ-02.
Периодичность поверки в процессе эксплуатации и хранении устанавливается не реже одного раза в 4 года.
1. Операции поверкиПри проведении поверки должны быть выполнены операции, указанные в таблице 1. 1.
Таблица 1.1
Наименование операции |
Номер пункта методики поверки |
Первичная поверка |
Периодическая поверка |
Внешний осмотр |
6. 1 |
+ |
+ |
Определение электрического сопротивления изоляции |
6. 2 |
+ |
+ |
Опробование |
6. 3 |
+ |
+ |
Определение основных метрологических характеристик |
6. 4 |
+ |
+ |
Определение мощности потребляемой от питающей сети |
6. 5 |
+ |
- |
-
2.1 При проведении поверки рекомендуется применять средства и вспомогательное оборудование, указанные в таблице 2.1.
Таблица 2.1
Наименование средств поверки |
Основные технические характеристики |
Пункты методики поверки |
Установка поверочная универсальная «УППУ-МЭ 3.1» |
Номинальные напряжения фазные 60В - 220 В. Номинальные токи 0,05 А - 50А. Основная погрешность при измерении тока, напряжения, активной и реактивной мощности не хуже 0.1 %. Абсолютные погрешности установки ПКЭ: Af = 0.003Гц, Дфи = ± 0.01°, Дфи1 = ± 0.01°. |
6.4.4 6.4.1 - 6.4.3, 6.4.5 - 6.4.8 |
Мегомметр Ф4101 |
Диапазон измерений 0-20 ГОм. Относительная погрешность ± 2.5 %. |
6.2 |
Ампервольтметр В7-42 |
Диапазон измерения напряжения 2мВ - 1000В, диапазон измерения тока 0.01мА - 2000мА. Погрешность измерения постоянного напряжения Зи= 0.4%, погрешность измерения переменного напряжения Зи~ 1.0%, погрешность измерения постоянного тока 5I= 0.2%, погрешность измерения переменного тока 5I~ 1.0%. |
6.5 |
-
2.2 Все используемые средства поверки должны быть исправны и иметь действующие свидетельства о поверке.
-
2.3 Работа с эталонными средствами измерений должна производиться в соответствии с их эксплуатационной документацией.
-
2.4 Допускается применение иных средств и вспомогательного оборудования, обеспечивающих требуемые метрологические характеристики и диапазоны измерений.
-
3.1 При поверке Прибора ПЭМ-02 должны быть соблюдены требования безопасности ГОСТ 12.3.019, ГОСТ 22261, ГОСТ 24855, "Правил технической эксплуатации электроустановок потребителей" и «Межведомственными Правилами охраны труда (ТБ) при эксплуатации электроустановок», М, "Энергоатомиздат", 2001 г., а также меры безопасности, изложенные в руководстве по эксплуатации Прибора ПЭМ-02 и другого применяемого оборудования.
-
3.2 Лица, допускаемые к поверке Прибора ПЭМ-02, должны иметь квалификационную группу по электробезопасности не ниже III и быть официально аттестованы в качестве поверителей.
-
3.3 Перед поверкой средства измерений, которые подлежат заземлению, должны быть надежно заземлены. Подсоединение зажимов защитного заземления к контуру заземления должно производиться ранее других соединений, а отсоединение - после всех отсоединений.
При проведении поверки Прибора ЭМ 3.1 должны соблюдаться следующие условия:
- температура окружающего воздуха, °С |
20 ± 5 оС; |
- относительная влажность воздуха, % - атмосферное давление, кПа (мм рт. ст.) |
30 - 80; 84 - 106 (630 - 795); |
- частота питающей сети, Гц |
50 ± 0.5; |
- напряжение питающей сети переменного тока, В - коэффициент искажения синусоидальности |
220 ± 5 %; |
напряжения питающей сети, % |
не более 5. |
Перед проведением поверки необходимо выполнить следующие операции:
- выдержать Прибор ПЭМ-02 в условиях окружающей среды, указанных в п.4, не менее 1ч, если он находился в климатических условиях, отличающихся от указанных в п.4;
- соединить зажимы заземления используемых средств поверки с контуром заземления;
- подключить Прибор ПЭМ-02 и средства поверки к сети переменного тока 220В, 50 Гц, включить и дать им прогреться в течение времени, указанного в технической документации на них.
6. Проведение поверки-
6.1 Внешний осмотр
При внешнем осмотре Прибора ПЭМ-02 проверяется комплект поставки, маркировка, отсутствие механических повреждений.
-
6.1.1 Комплект поставки должен соответствовать эксплуатационной документации. Комплектность эксплуатационных документов должна соответствовать перечням, указанным в руководстве по эксплуатации.
-
6.1.2 Маркировка должна быть четкой и содержать:
- изображение знака государственного реестра по ПР50.2.009;
- изображение знака соответствия;
- наименование Прибора ПЭМ-02;
- наименование и товарный знак предприятия- изготовителя;
- номер Прибора ПЭМ-02 по системе нумерации предприятия- изготовителя (номер Прибора ПЭМ-02, указанного на маркировочной планке должен соответствовать номеру, указанному в эксплуатационной документации);
- дату изготовления;
- вид и номинальное напряжение питания;
- символ двойной и усиленной изоляции по ГОСТ Р 51350 ( класс II).
-
6.1.3 Прибор ПЭМ-02 не должен иметь механических повреждений, которые могут повлиять на его работу (повреждение корпуса, соединителей, кабелей, дисплея, клавиатуры, индикаторов и других изделий в соответствии с комплектом поставки).

НПП МАРС-ЭНЕРГО
-
6.2 Проверка электрического сопротивления изоляции
Проверка сопротивления изоляции проводится мегомметром Ф4101 с рабочим напряжением 1500 В между следующими цепями:
- соединенными между собой контактами вилки блока питания и корпусом блока питания;
-
- соединенными между собой приборными входами «UA ; UB ; Uc ; UN» и корпусом Прибора ПЭМ-02 ( Прибор ПЭМ-02 предварительно оборачивают фольгой ).
Отсчёт результата измерения производится не ранее, чем через 30 с после подачи испытательного напряжения.
Прибор ПЭМ-02 считается выдержавшим поверку, если значение сопротивления изоляции не менее 20 МОм..
-
6.3 Опробование
При опробовании Прибора ПЭМ-02 проверяется его функционирование в части управления прибором со встроенной клавиатуры и отображения измеряемых прибором значений на буквенно-цифровом дисплее.
Проверка функционирования Прибора ПЭМ-02 проводится следующим образом:
-
- произведите подготовку Прибора ПЭМ-02 к работе согласно руководству по эксплуатации;
-
- включите Прибор ПЭМ-02, через 1 - 5 секунд после включения питания должны завершиться процедуры самотестирования Прибора ПЭМ-02 и инициализации, на буквенноцифровом дисплее индицируется наименование изготовителя, тип Прибора ПЭМ-02 и версия программного обеспечения;
-
- в верхней строке буквенно-цифрового дисплея должна постоянно отображаться схема подключения;
-
- проверьте возможность индикации параметров сети и показателей качества электрической энергии, указанных в руководстве по эксплуатации;
-
- установите режим «Связь с ПЭВМ» согласно руководству по эксплуатации, проверьте интерфейс связи (только для ПЭМ-02И).
Результаты поверки считаются положительным, если Прибор ПЭМ-02 функционирует согласно руководству по эксплуатации (МС2.725.001 МП).
-
6.4 Определение основных метрологических характеристик
При поверке Прибора ПЭМ-02 определяются метрологические характеристики:
-
- основная приведенная погрешность измерения действующего значения напряжения;
-
- основная приведенная погрешность измерения действующего значения тока;
- основная приведенная погрешность измерения действующего значения полной мощности;
- основная приведенная погрешность измерения активной мощности;
- основная приведенная погрешность измерения реактивной мощности;
- основная абсолютная погрешность измерения коэффициента мощности;
- основная абсолютная погрешность измерения частоты сети;
- основная погрешность измерения углов между первыми гармониками фазных напряжений и токов.
Для характеристик, у которых нормируются абсолютные погрешности Дх, вычисляются значения погрешностей, по формуле: Дх =Х-Х0,
где Х0 - заданное значение характеристики;
X - измеренное значение характеристики;
Для характеристик у которых нормируются приведенные погрешности ХХ, вычисляются значения погрешностей, в процентах, по формуле: ХХ=(Х- Хо)/Хном -100;
где Хном - номинальное значение характеристики.
6.4.1 Определение основной приведенной погрешности измерения действующего значения напряжения (Хи).
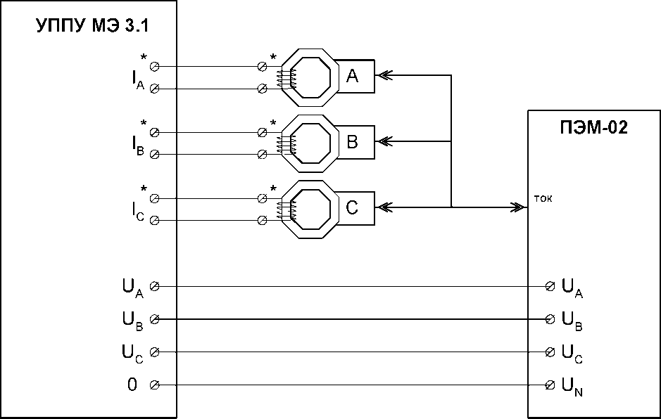
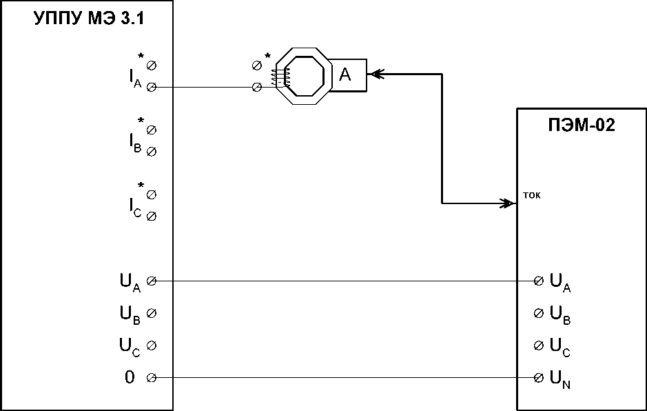
Определение погрешности (Хи) проводится с помощью установки поверочной универсальной «УППУ-МЭ 3.1» (далее по тексту- установка). Для проведения измерений Прибор ПЭМ-02 подключается к установке согласно рисунку А3 приложения А. Измерения проводятся при значениях напряжения, указанных в таблице 6.1 в соответствии с эксплуатационной документацией на установку. Погрешность (Хи) определяется для каждого из трех каналов измерения напряжения Прибора ПЭМ-02.
Таблица 6.1
Значения испытательных сигналов |
Предел допускаемой основной погрешности | |||
иф; В |
I, % от 1ном |
Хи, % |
Х1, % |
Xs, % |
300 |
100 |
± 0,5 |
± 1,0 |
± 2,0 |
250 |
50 |
± 0,5 |
± 1,0 |
± 2,0 |
150 |
10 |
± 0,5 |
± 1,0 |
± 2,0 |
100 |
5 |
± 0,5 |
± 1,0 |
± 2,0 |
Результаты поверки считаются положительными, если значения основной погрешности Хи не превышают пределов допускаемых погрешностей, приведенных в таблице 6.1.
Для поверки точки 300 В подайте на ПЭМ 02 межфазное напряжение установки.

НПП МАРС-ЭНЕРГО
-
6.4.2 Определение основной приведенной погрешности измерения действующего значения тока (Xi).
Определение погрешности (Xi) проводится с помощью установки. Для проведения измерений Прибор ПЭМ-02 подключается к установке согласно рисунку А3 приложения А. Измерения проводятся при значениях тока, указанных в таблице 6.1 в соответствии с эксплуатационной документацией на установку.
При подключении Прибора ПЭМ-02 с номинальным током100А
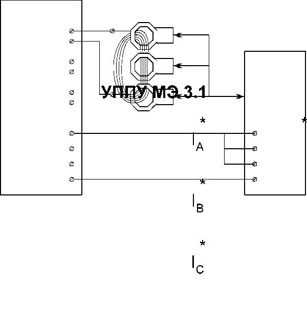
к токовым цепям используется рамка согласно рисунку Б1 приложения Б, при этом Прибор ПЭМ-02 будет показывать ток в 20 раз больше, чем установлено на установке.
При подключении Прибора ПЭМ-02 с номинальным током 1000А
к токовым цепям используется катушка калибровочная МС4.761.008 , при этом Прибор ПЭМ-02 будет показывать ток в 100 раз больше, чем установлено на установке.
Погрешность (Xi) определяется для каждого из трех каналов измерения тока Прибора ПЭМ-02.
Результаты поверки считаются положительными, если значения основной погрешности Xi не превышают пределов допускаемых погрешностей, приведенных в таблице 6.1.
-
6.4.3 Определение основной приведенной погрешности измерения полной мощности (XS).
Определение погрешности (XS) проводится с помощью установки. Для проведения измерений Прибор ПЭМ-02 подключается к установке согласно рисунку А3 приложения А. Измерения проводятся при значениях тока и напряжения указанных в таблице 6.1 в соответствии с эксплуатационной документацией на установку.
При подключении Прибора ПЭМ-02 с номинальным током100А
к токовым цепям используется рамка согласно рисунку Б1 приложения Б, при этом Прибор ПЭМ-02 будет показывать полную мощность в 20 раз больше, чем установлено на установке.
При подключении Прибора ПЭМ-02 с номинальным током1000А
к токовым цепям используется катушка калибровочная МС4.761.008 , при этом
Прибор ПЭМ-02 будет показывать полную мощность в 100 раз больше, чем установлено на установке.
Результаты испытаний считают положительными, если значения основной погрешности Xs не превышают пределов допускаемых значений, приведенных в таблице 6.1.
6.4.4. Определение основной приведенной погрешности измерения активной мощности (XP).
Определение погрешности проводится с помощью установки при значениях параметров испытательных сигналов, указанных в таблице 6.2. Для проведения измерений Прибор ПЭМ-02 подключается к установке согласно рисунку А2 приложения А для однофазного включения и рисунку А1 приложения А для трехфазного включения.
При подключении Прибора ПЭМ-02 с номинальным током 100А
к токовым цепям используется рамка согласно рисунку Б1 приложения Б, при этом Прибор ПЭМ-02 будет показывать активную мощность в 20 раз больше, чем установлено на установке.
При подключении Прибора ПЭМ-02 с номинальным током1000А
к токовым цепям используется катушка калибровочная МС4.761.008 , при этом Прибор ПЭМ-02 будет показывать активную мощность в 100 раз больше, чем установлено на установке.
Таблица 6.2
Значения испытательных сигналов |
Предел допускаемой основной погрешности Zp, % | ||
иф; В |
I, % от 1ном |
Cos ф | |
220 |
150 * |
1 |
± 1,0 |
220 |
100 |
1 |
± 1,0 |
220 |
100 |
0,5L |
± 1,0 |
198 |
100 |
0,8C |
± 1,0 |
242 |
50 |
1 |
± 1,0 |
220 |
20 |
1 |
± 1,0 |
220 |
20 |
0,5L |
± 1,0 |
220 |
20 |
0,8C |
± 1,0 |
220 |
10 |
1 |
± 1,0 |
* При подключении Прибора ПЭМ-02 с номинальным током1000 А - 100%
Погрешность Прибора ПЭМ-02 определяется в соответствии с руководством по эксплуатации установки.
Результаты испытаний считают положительными, если значение основной погрешности не превышает значений приведенных в таблице 6.2.
-
6.4.5 Определение основной приведенной погрешности Прибора ПЭМ-02 при измерении реактивной мощности (Xq).
Определение погрешности (Xq) проводится с помощью установки. Для проведения измерений Прибор ПЭМ-02 подключается к установке согласно рисунку А1 приложения А. Измерения проводятся при значениях параметров испытательных сигналов, указанных в таблице 6.3 в соответствии с эксплуатационной документацией на установку.
При подключении Прибора ПЭМ-02 с номинальным током 100А
к токовым цепям используется рамка согласно рисунку Б1 приложения Б, при этом Прибор ПЭМ-02 будет показывать реактивную мощность в 20 раз больше, чем установлено на установке.
При подключении Прибора ПЭМ-02 с номинальным током1000А
к токовым цепям используется катушка калибровочная МС4.761.008 , при этом
Прибор ПЭМ-02 будет показывать реактивную мощность в 100 раз больше, чем установлено на установке.
Таблица 6.3
Значения испытательных сигналов |
Предел допускаемой основной погрешности Zq, % | ||
иф; В |
I, % от 1ном |
Sin ф | |
220 |
100 |
1 |
± 2,0 |
242 |
100 |
0,5L |
± 2,0 |
187 |
100 |
0,5C |
± 2,0 |
220 |
20 |
1 |
± 2,0 |
220 |
20 |
0,5L |
± 2,0 |
220 |
20 |
0,5C |
± 2,0 |
Результаты испытаний считают положительными, если значение основной погрешности не превышает значений приведенных в таблице 6.3.

6.4.6. Определение основной абсолютной погрешности измерения коэффициента мощности (Акр).
Определение погрешности проводится с помощью установки при значениях параметров испытательных сигналов, указанных в таблице 6.4. Для проведения измерений Прибор ПЭМ-02 подключается к установке согласно рисунку А1 приложения А.
При подключении Прибора ПЭМ-02 с номинальным током 100А
к токовым цепям используется рамка согласно рисунку Б1 приложения Б, при этом Прибор ПЭМ-02 будет показывать ток и мощность в 20 раз больше, чем установлено на установке.
При подключении Прибора ПЭМ-02 с номинальным током1000А
к токовым цепям используется катушка калибровочная МС4.761.008 , при этом
Прибор ПЭМ-02 будет показывать ток и мощность в 100 раз больше, чем установлено на установке.
Таблица 6.4
Значения испытательных сигналов |
Предел допускаемой основной Погрешности АКР | |||
иф; В |
I, % от 1ном |
cos ф |
P, Вт | |
60 |
100 |
0,5L |
150 |
± 0,1 |
60 |
20 |
0,5C |
30 |
± 0,1 |
Результаты испытаний считают положительными, если значение погрешности не превышает приведенных в таблице 6.4.
6.4.7 Определение абсолютной погрешности измерения частоты переменного тока (Af).
Погрешность AF определяется в ходе определения погрешности Хи при одном из номинальных значений напряжения и значениях частот: 49; 50 и 51 Гц, устанавливаемых на установке.
Результаты испытаний считаются положительными, если разность между значениями, установленными на установке и показаниями Прибора ПЭМ-02 не превышает предела допускаемого значения AF ± 0,1 Гц.
6.4.8. Определение абсолютной погрешности измерения углов между первыми гармониками фазных напряжений и токов (Аф).
Определение погрешностей проводится с помощью установки. Для проведения измерений Прибор ПЭМ-02 подключается к установке согласно рисунку А1 приложения А. Измерения проводятся при значениях параметров испытательных сигналов, указанных в таблице
-
6.5 в соответствии с эксплуатационной документацией на установку.
При подключении Прибора ПЭМ-02 с номинальным током 100А
к токовым цепям используется рамка согласно рисунку Б1 приложения Б, при этом Прибор ПЭМ-02 будет показывать ток и мощность в 20 раз больше, чем установлено на установке.
При подключении Прибора ПЭМ-02 с номинальным током1000А
к токовым цепям используется рамка согласно рисунку катушка калибровочная МС4.761.008 , при этом Прибор ПЭМ-02 будет показывать ток и мощность в 100 раз больше, чем установлено на установке.
Таблица 6.5
Значения испытательных сигналов |
Предел допускаемой основной погрешности Аф, ° | |||||||
Ua=Ub=Uc; в |
1а=1в=1с ,% от1ном |
ф Uab, ° |
ф Ubc, ° |
ф Uca, ° |
ф UIa, ° |
ф Ulb ° |
ф UIc, ° | |
60 |
20 |
100 |
130 |
130 |
30 |
60 |
90 |
± 1,0 |
Результаты испытаний считают положительными, если значения погрешностей не превышают приведенных в таблице 6.5.
-
6.5 Определение мощности, потребляемой от питающей сети
Определение потребляемой Прибором ПЭМ-02 мощности от сети переменного тока проводится с помощью ампервольтметра В7-42. Подключите ампервольтметр в режиме миллиамперметра в цепь питания Прибора ПЭМ-02 и определите потребляемый Прибором ПЭМ-02 ток. Измерьте напряжение питающей сети. Потребляемая источником питания Прибора ПЭМ-02 мощность определяется по формуле
S = U I, где
U - напряжение питания на входе источника питания Прибора ПЭМ-02, В
I - ток потребляемый источника питания Прибора ПЭМ-02, А
Результаты проверки считают положительными, если полная мощность потребляемая Прибором ПЭМ-02 не превышает 5 ВА.
7. Оформление результатов поверки-
7.1. Прибор ПЭМ-02, прошедший поверку с положительными результатами, признают годным к эксплуатации и выдают свидетельство о поверке.
-
7.2. Корпус Прибора ПЭМ-02 после поверки пломбируется пломбой поверителя и пломбой завода - изготовителя.
-
7.3. Результаты и дату поверки Прибора ПЭМ-02 оформляют записью в паспорте (при этом запись должна быть удостоверена клеймом).
-
7.4. Прибор ПЭМ-02, прошедший проверку с отрицательным результатом хотя бы в одном из пунктов поверки, запрещается к эксплуатации и на него выдается извещение о непригодности, с указанием причин его выдачи. Клеймо предыдущей поверки гасится.
-
7.5 Примеры рекомендуемых отчетных форм по результатам проведения поверки приведены в приложении В.

Рисунок А1 Схема подключения ПЭМ-02 при измерении трехфазной мощности при симметричной нагрузке и при измерении углов.

Рисунок А2 Схема подключения ПЭМ-02 при измерении однофазной мощности.

Рисунок А3 Схема подключения ПЭМ-()2_При измерении действующих значений напряжения и тока.

Рисунок Б1 Рамка из 20 витков для поверки ПЭМ-02.
Намотать витки проводом ПЭВ2 01 мм.
Обозначить:
-
- «верх» катушки;
-
- число витков - точно.
Выводы обмотки проводом ПЭВ2 1.0 мм2, l = 300 мм. На концы надеть бирки с надписью «I*», «I°».
ПРИЛОЖЕНИЕ В Формы отчетов при поверке «ПЭМ-02»ПРОТОКОЛ ПОВЕРКИ
Прибора энергетика многофункционального для измерений электроэнергетических величин ПЭМ-02 зав. №
-
1 Условия поверки
-
- температура окружающего воздуха, °С
-
- относительная влажность воздуха, %
-
- атмосферное давление, кПа (мм рт. ст.)
-
2 Внешний осмотр
Вывод: Прибор ПЭМ-02 соответствует (не соответствует) МП
-
3 Определение электрического сопротивления изоляции
Результаты измерений: сопротивления изоляции > МОм
Вывод: Прибор ПЭМ-02 соответствует (не соответствует) МП
-
4 Опробование
Вывод: Прибор ПЭМ-02 соответствует (не соответствует) МП
-
5 Определение основных метрологических характеристик Прибора ПЭМ-02
Результаты определения основной приведенной погрешности измерения действующего значения напряжения, тока и полной мощности
Таблица В1
Значения установленные на УППУ МЭ3.1 |
Погрешность ПЭМ-02 |
Предел допускаемой основной погрешности | |||||||||||
иф; В |
I, A |
% |
ZUB> % |
ZUC % |
ZLA % |
Zi «> % |
ZIC % |
Z-S. A % |
Zb> % |
% |
Zu % |
X, % |
Zs, % |
300 |
10 |
± 0,50 |
± 1,00 |
± 2,00 | |||||||||
250 |
5 |
± 0,50 |
± 1,00 |
± 2,00 | |||||||||
150 |
1 |
± 0,50 |
± 1,00 |
± 2,00 | |||||||||
100 |
0,5 |
± 0,50 |
± 1,00 |
± 2,00 |
Результаты определения основной приведенной погрешности измерения активной мощности
Таблица В2
Результаты определения основной приведенной погрешности измерения реактивной мощности
Результаты определения основной абсолютной погрешности измерения коэффициента мощности
Значения установленные на УППУ МЭ3.1 |
Погрешность ПЭМ-02 xp, % |
ПреДел Допускаемой основной погрешности xp, % | |||
иф; В |
I, A |
Cos ф |
1 Ф |
3 ф | |
220 |
7,5 |
1 |
± 1,0 | ||
220 |
5 |
1 |
± 1,0 | ||
220 |
5 |
0,5L |
± 1,0 | ||
198 |
5 |
0,8C |
± 1,0 | ||
242 |
2,5 |
1 |
± 1,0 | ||
220 |
1 |
1 |
± 1,0 | ||
220 |
1 |
0,5L |
± 1,0 | ||
220 |
1 |
0,8C |
± 1,0 | ||
220 |
0,5 |
1 |
± 1,0 |
Таблица В3
Значения установленные на УППУ МЭ3.1 |
Погрешность ПЭМ-02 Xq, % |
ПреДел Допускаемой основной погрешности Xq, % | |||
иф; В |
I, A |
Sin ф |
1 ф |
3 ф | |
220 |
5 |
1 |
± 2,0 | ||
242 |
5 |
0,5L |
± 2,0 | ||
187 |
5 |
0,5C |
± 2,0 | ||
220 |
1 |
1 |
± 2,0 | ||
220 |
1 |
0,5L |
± 2,0 | ||
220 |
1 |
0,5C |
± 2,0 |
Таблица В4
Значения установленные на УППУ МЭ3.1 |
Значения измеренные ПЭМ-02 |
ПреДел Дкр | ||||||||||||||
Фаза A |
Фаза B |
Фаза C | ||||||||||||||
U, В |
I, А |
cosv |
P, Вт |
U, В |
I, А |
Кр |
Ku |
U, В |
I, А |
Кр |
Ku |
U, В |
I, А |
Кр |
Ku | |
60 |
5 |
0,5L |
150 |
0,1 | ||||||||||||
60 |
1 |
0,5C |
30 |
0,1 |
Результаты определения основной абсолютной погрешности измерения частоты переменного тока
Таблица В 5
Значения установленные на УППУ МЭ3.1 F, Гц |
Значения измеренные ПЭМ-02 F, Гц |
Погрешность ПЭМ-02 Af Гц |
ПреДел Допускаемой основной погрешности AF, Гц |
49.00 |
± 0,1 | ||
50.00 |
± 0,1 | ||
51.00 |
± 0,1 |
Результаты определения основной абсолютной погрешности измерения углов между первыми гармониками фазных напряжений и токов
Таблица В6
Угол |
Значения установленные на УППУ МЭ3.1 Ua=Ub=Uc= 60 В; 1а=1в=1с =2,0 A |
Значения измеренные ПЭМ-02 |
Погрешность ПЭМ-02 Аф, ° |
Предел допускаемой основной погрешности Av, ° |
V Uab, ° |
100 |
± 1,0 | ||
V Ubc, ° |
130 |
± 1,0 | ||
V Uca, ° |
130 |
± 1,0 | ||
V UIa, ° |
30 |
± 1,0 | ||
Vuib, ° |
60 |
± 1,0 | ||
V UIc, ° |
90 |
± 1,0 |

Вывод: по основным метрологическим характеристикам Прибор ЭМ 3.1 соответствует (не соответствует) МП
-
6 Определение мощности потребляемой Прибором ПЭМ-02 от питающей сети
Результаты измерений: Потребляемая Прибором ПЭМ-02 мощность составляет
Вывод: Прибор ПЭМ-02 соответствует (не соответствует) МП
Вывод по результатам поверки: Прибор ПЭМ-02 соответствует (не соответствует) МП
Дата
Подпись поверителя
М.П.
Страница 24 из 24