Методика поверки «Сигнализатор СТМ-30» (ИБЯЛ.424339.001 РЭ)



12.1 Настоящий раздел устанавливает методику первичной и периодической поверок сигнализатора СТМ-30.
Сигнализатор подлежит поверке при выпуске из производства и в эксплуатации.
Межповерочный интервал - один год.
12.2 Операции поверки
-
12.2.1 При проведении поверки должны быть выполнены операции в соответствии с таблицей 12.1.
Таблица 12.1
Номер |
Проведение |
операции | |
пункта |
при | ||
Наименование |
документ |
поверке | |
операций |
а |
первичной |
периодиче |
по |
ской | ||
поверке |
Внешний осмотр
Опробование
проверка
работоспособнос
ти
проверка
герметичности
газовой системы
блока датчика
принудительного
(при его
наличии)
Проверка
электрической
прочности
изоляции
4 Проверка
сопротивления
изоляции

12.7.1 12.7.2 12.7.2.1 |
Да Да Да |
Да Да Да |
12.7.2.2 12.7.3. 12.7.4 |
Да Да |
л Да Нет Да |
5 Определение
метрологических

Продолжение таблицы 12.1
Наименование операций |
Номер пункта документа по поверке |
Проведение операции при поверке | |
первичной |
периодиче ской | ||
характеристик |
12.8 |
Да |
Да |
- определение | |||
основной | |||
абсолютной | |||
погрешности | |||
сигнализатора по |
12.8.1 |
Да |
Да |
поверочному | |||
компоненту | |||
- проверка времени |
12.8.2 |
Да |
Да |
срабатывания |
•XS | ||
сигнализации |
12.2.2 При получении отрицательных результатов проведения той или иной операции поверка прекращается.
12.3 Средства поверки
-
12.3.1 При проведении поверки должны быть
применены средства, указанные в таблице 12.2 и поверочные газовые смеси по ТУ 6-16-2956, указанные в таблице 12.3.
Таблица 12.2
Номер пункта документа о поверке |
Наименование образцового средства измерений или вспомогательного средства поверки, номер документа, регламентирующего технические требования к средству, разряд по государственной поверочной схеме и (или) основные технические характеристики |
12.6.2 12.7.2.2.1 12.7.3 12.7.2.1.1 |
Ротаметр РМ-А-0,063Г У3, кл. 4, ТУ 2502.070213 Секундомер СОПпр-2А-5, кл. 3, Манометр образцовый МО-250-0,1 МПа-0,25 ГОСТ 6521 Установка универсальная пробойная УПУ-10М ОН 09.72029 Напряжение до 10 кВ, частота 50 Гц, погрешность ± 15 %. Миллиамперметр М2015 кл.0,2 ГОСТ 22261 Колпачок поверочный ИБЯЛ.301121.010 (из комплекта ЗИП) |
№ |
Номер |
Компо |
Номинальн |
Предел |
Предел |
ПГ |
по |
нентн |
ое |
допускаемого |
допускаемой |
С |
Госрее |
ый |
значение, |
отклонения, |
погрешности, |
стру |
соста |
об.доля |
об.доля %, |
об.доля %, (% | |
в |
о, %, |
(% НКПР) |
НКПР) | ||
(% НКПР) | |||||
1 |
Возду |
- |
- |
- | |
2 |
3906- |
х |
1,82 |
± 0,06 |
± 0,04 (0,9) |
87 |
Метан |
(41,4) |
(1,4) | ||
3 |
Возду |
остальное |
± 0,04 (0,9) | ||
3905- |
х |
0,77 |
± 0,06 | ||
87 |
Метан |
(17,6) |
(1,4) | ||
Возду |
остальное | ||||
х | |||||
1.ПГС №3 применяется для поверки сигнализаторов СТМ-30- | |||||
50 ...СТМ- |
30-57. | ||||
2 100 % НКПР соответствует объемной доли метана 4,40 %. |
1 Допускается применение других средств поверки, отличных от перечисленных, при условии обеспечения необходимой точности.
2 Поверочные газовые смеси поставляются по ТУ6-16-2956 ФГУП СПО "Аналитприбор". Допускается применение поверочных газовых смесей, изготовленных другими предприятиями и аттестованных в установленном порядке.
-
12.4 Требования безопасности
-
12.4.1 При проведении поверки должны быть соблюдены следующие требования безопасности:
-
1) должны выполняться требования техники безопасности в соответствии с "Правилами устройства и безопасной эксплуатации сосудов, работающих под давлением" (ПБ 03576-03), утвержденные постановлением № 91 ГГТН РФ от 11.06.2003 г.;
-
2) должны соблюдаться требования техники безопасности для защиты персонала от поражения электрическим током;
-
3) не допускается сбрасывать ПГС-ГСО в атмосферу рабочих помещений;
-
4) помещение должно быть оборудовано приточно-вытяжной вентиляцией.
-
12.5 Условия поверки
-
12.5.1 При проведении поверки должны быть соблюдены следующие условия:
-
1) температура окружающей среды (20± 5)°С;
-
2) относительная влажность окружающего воздуха от 30 до 80 %;
3) атмосферное давление (84-106,7) кПа [(630-800)мм
рт.ст.];

4) напряжение переменного тока от 187 до 242 В
или
постоянного тока от 20,4 до 26,4 В
при
переходе на резервное питание (для сигнализаторов СТМ-30
5)
частота питания переменного тока (50± 1) Гц;
6)
механические
воздействия
внешние
электрические
и магнитные поля должны находиться в
пределах,
не
влияющих
на
метрологические
характеристики
сигнализатора;
7) для сигнализаторов с
принудительной подачей
контролируемой среды
допустимое
содержание пыли,
влаги
и агрессивных смесей
в воздухе
питания по ГОСТ
17433,
класс загрязненности
5; изменение давления в
линии
сжатого воздуха ±10
О,
%
от установленного значения.
12.6 Подготовка
поверке
12.6.1 Перед
проведением поверки
необходимо
выполнить следующие
подготовительные операции:
ознакомиться
руководством по
эксплуатации
сигнализатора
и подготовить сигнализатор к работе;
выполнить
мероприятия по обеспечению условий
безопасности;
выдержать
сигнализатор и ПГС-ГСО при температуре
поверки не менее 24 ч;

проверить
комплектность
сигнализатора
соответствии с
нормативно-технической документацией;
подключите
сигнализатор
согласно
схеме
электрических соединений, изображенной в приложении 5.
Примечание
для поверки сигнализаторов СТМ-30-50 ...
СТМ-30-57 подключите миллиамперметр к контактам клеммы
Х12.
12.7 Проведение поверки
12.7.1 Внешний осмотр

12.7.1.1
При проведении
внешнего
осмотра
сигнализатора должно быть установлено:
-
1) отсутствие механических повреждений (царапин, вмятин и др.), влияющих на метрологические характеристики сигнализаторов;
-
2) наличие пломб;
-
3) наличие маркировки блоков сигнализатора в соответствии с НТД на сигнализаторы;
-
4) исправность органов управления, настройки и коррекции (кнопки, переключатели и др.).
-
12.7.2 Опробование
-
12.7.2.1 Проверка работоспособности
-
12.7.2.1.1 Проверку работоспособности проводить согласно п. 9.7.
-
12.7.2.2 Проверка герметичности газовой системы блока датчика принудительного
-
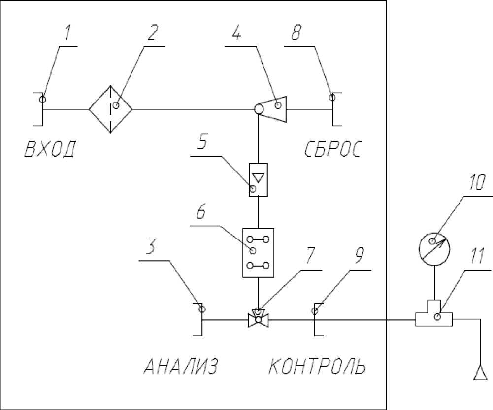
12.7.2.2.1 Проверку герметичности газовой системы блока датчика принудительного давлением 29,4 кПа ( 0,3 кгс/см2) производить воздухом на установке, собранной по схеме, приведенной на рисунке 12.1.
-
12.7.2.2.2 Перед проверкой необходимо произвести следующие операции:
1) перевести кран поз. 7 в положение "Контроль";
2) заглушить штуцера поз.1,8;
-
3) подать сжатый воздух и по манометру установить
давление 29,4 кПа (0,3 кгс/см2);
-
4) перекрыть сжатый воздух до манометра.
Замерить по манометру спад давления.
12.7.2.2.3 Блок датчика принудительный считается
выдержавшим
испытание,
если
спад давления в течение
2 мин
не
превышает
2,94
кПа
(0,03 кгс/см2)
при
избыточном
давлении
системе
29,4 кПа (0,3
кгс/см2).



-
1 3, 8, 9 - штуцер;
-
2 - фильтр;
-
4 - эжектор;
-
5 - ротаметр РНА-0,063;
-
6 ~ датчик,
-
7 - кран;
-
10 - манометр образцовый,
-
11 - трубка
Рисунок 12.1 - Схема установки для проборки герметичности блока датчика
Л Л IUI I ПУ О Л L. и п л л
12.7.3 Проверка электрической прочности изоляции
-
12.7.3.1 Проверку электрической прочности изоляции проводить для БСП на пробойной установке мощностью не менее 0,5 кВА.
Электрическое питание должно быть отключено. Блок датчика должен быть отсоединен от БСП.
Для сигнализаторов СТМ-30 ... СТМ-30-07, СТМ-30-
30, СТМ-30-31 испытательное напряжение 1500 В
прикладывать между соединенными вместе контактами клемм Х1.1, Х1.2 и соединенными вместе контактами клемм Х4.1, X4.2.
Для сигнализаторов СТМ-30-50 ... СТМ-30-57
испытательное напряжение 1500 В прикладывать между соединенными вместе контактами клемм Х2.1, Х2.2, Х2.3 и соединенными вместе контактами клемм Х7.1, Х7.2, а
также между соединенными вместе контактами клемм Х2.1, Х2.2, Х2.3 и контактами клемм Х6.1, Х6.2.
Подачу испытательного напряжения начинать от нуля или величины рабочего напряжения. Поднимать
напряжение плавно или ступенями, не превышающими 10 % испытательного напряжения, за время от 5 до 20 с.
Испытуемые цепи выдержать под испытательным напряжением в течение 1 мин, после чего напряжение плавно или ступенями снизить до нуля или близкого к рабочему за время от 5 до 20 с.
Сигнализатор считается выдержавшим испытание, если в процессе испытаний не было пробоя или поверхностного
разряда.
Примечание. .Допускается на Украине проверку по п.12.7.3 на периодических испытаниях не проводить.
12.7.4 Проверка электрического сопротивления изоляции
-
12.7.4.1 Блок датчика должен быть отсоединен от БСП, электрическое питание должно быть отключено.
-
12.7.4.2 Для сигнализаторов СТМ-30 ...СТМ-30-07, СТМ-30-30, СТМ-30-31 испытательное напряжение 500 В прикладывать между соединенными вместе контактами
клемм Х1.1, Х1.2 и соединенными вместе контактами клемм Х4.1, Х4.2.
Для сигнализаторов СТМ-30-50 ... СТМ-30-57
испытательное напряжение 500 В прикладывать между соединенными вместе контактами клемм Х2.1, Х2.2, Х2.3 и соединенными вместе контактами клемм Х7.1, Х7.2, а
также между соединенными вместе контактами клемм Х2.1, Х2.2, Х2.3 и контактами клемм Х6.1, Х6.2.
-
12.7.4.3 Отсчет показаний проводить через 10 с или , если показания не устанавливаются, через 1 мин после приложения испытательного напряжения.
-
12.7.4.4 Результат проверки считается положительным, если электрическое сопротивление изоляции сигнализатора не менее 40 МОм.
12.8 Определение метрологических характеристик
-
12.8.1 Определение основной абсолютной погрешности сигнализатора
-
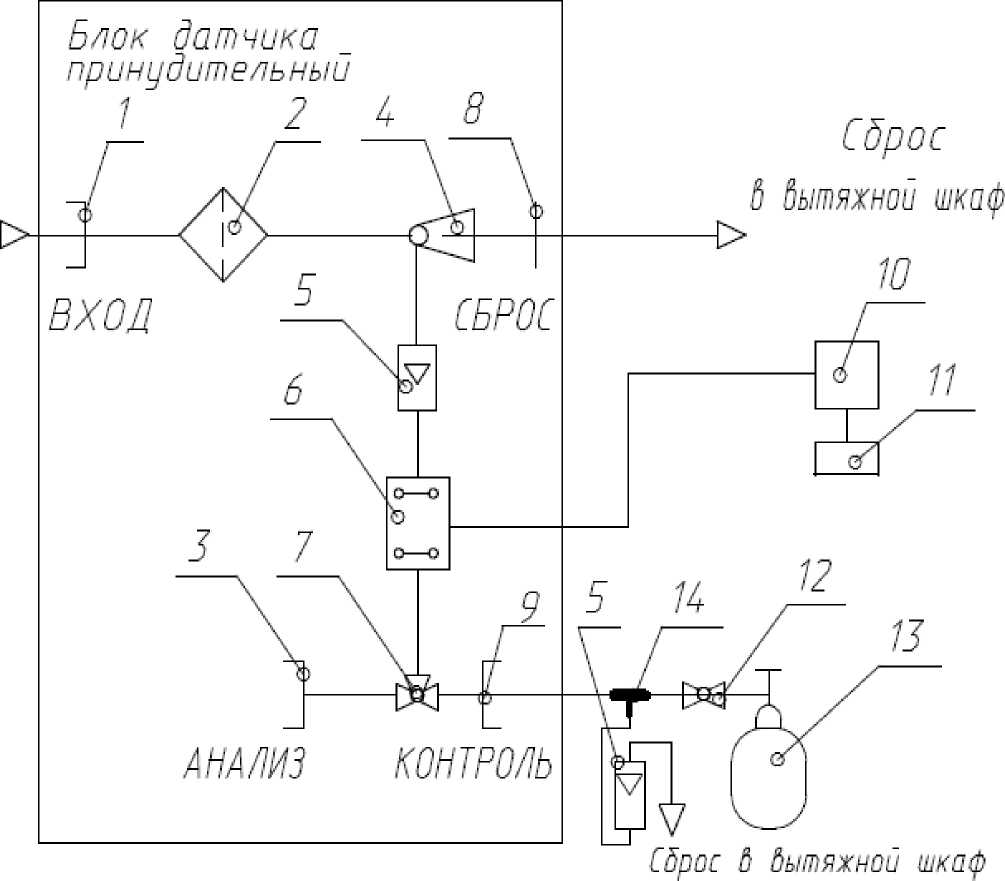
12.8.1.1 Определение основной абсолютной погрешности проводить на установке, собранной по схеме (см. рисунок 12.2 и рисунок 12.3), поочередным пропусканием ПГС № 1, № 2. Технические характеристики ПГС приведены в таблице 12.3.
ПГС подавать в последовательности 1-2-1-2. Расход
ПГС-ГСО (48±5) л/ч (0,8±0,08)л/мин.
Проверку основной абсолютной погрешности на каждой смеси производить следующим образом:
- подать ПГС на датчик (см. рисунок 12.3), кран 7 положение «Контроль»,
- по истечении не менее 3 мин зафиксировать его показания в % НКПР для сигнализаторов СТМ-30 ... СТМ-30-07, СТМ-30-50 ...СТМ-30-57 и в об. д. % для сигнализаторов СТМ-30-30, СТМ-30-31.
Значение основной абсолютной погрешности (
Dд ) в точке проверки определять по формуле:

-
1 - штуцер для подсоединения линии сжатого боздуха;
-
2 - фильтр ИБЯЯ713131.004;
-
3 - штуцер бхода анализируемой смеси,
-
4 - эжектор;
-
5 - индикатор расхода ИБЯ/1.418621.002;
-
6 - датчик;
-
7 - кран (б режиме измерения находится 5
положении "Анализ", при пробедении поберки -б положении "Контроль");
-
8 - штуцер для подсоединения линии сброса;
-
9 - штуцер бхода 17/Т-ГСО при пробедении поберки;
-
10 - блок сигнализации и питания;
11- амперметр (для сигнализаторов СТИ-38-53, CTM-3G-57),
-
12 - бентиль точной регулиробки;
-
13 - баллон (1БС-ГС0, используемый при поберке сигнализатора.
-
14 - тройник;
Dg = Aj - Ao , (12.1 )
где Aj - показание сигнализатора, % НКПР для сигнализаторов СТМ-30 ... СТМ-30-07, СТМ-30-50 ... СТМ-30-57 , об. д. % для сигнализаторов СТМ-30-30, СТМ-30-31;
A o - действительное значение концентрации
измеряемого |
компонента в |
поверяемой точке, |
взятое |
из |
паспорта на |
ПГС, % НКПР |
для сигнализаторов |
СТМ-30 |
... |
СТМ-30-07, |
СТМ-30-50 .. |
. СТМ-30-57, об. |
д. % |
для |
сигнализаторов СТМ-30-30, |
СТМ-30-31. |
Примечание- Для сигнализаторов СТМ-30-
50 ... СТМ-30-57 показание определяется по формуле:
I - Iq
A = -------, ( 12.2 )
Кп
где I - выходной сигнал блока сигнализации питания, мА;
Io - 4 мА;
Кп - коэффициент пропорциональности, равный 0,32 мА/ % НКПР;
А - показание сигнализатора, % НКПР.
-
12.8.1.2 Полученные значения основной абсолютной погрешности
должны быть в пределах для сигнализаторов:
СТМ-30 ... СТМ-30-07, СТМ-30-50 ... СТМ-30-57 ± 5 % НКПР,
СТМ-30-30, СТМ-30-31 ±
0,25 об.д.% .
-
12.8.2 Проверка времени срабатывания сигнализации
12.8.2.1 Проверку производить на установке, собранной по схеме (см. рисунок 12.2 или рисунок 12.3), в следующей последовательности:
-
1) установить " Порог 2 ":
25 % НКПР - для сигнализаторов СТМ-30 ... СТМ-30-07;
1,32 об. д. % - для сигнализаторов СТМ-30-
30, СТМ-30-31;
подсоединить баллон с ПГС N2

-
2) для сигнализаторов СТМ-30-50... СТМ-30-57 подсоединить к установке баллон с ПГС №3 с содержанием метана (17,6 ± 1,1) % НКПР в воздухе.
В случае отсутствия данной ПГС проверку проводить путем имитации следующим образом: подсоединить к установке баллон с ПГС №2, подать ПГС; переменным резистором "D ", (а при необходимости и переменным резистором ">0<") блока датчика установить показание по миллиамперметру, подключенному к клеммам Х12.1 и Х12.2 блока сигнализации и питания, 9,63 мА, что соответствует 17,6 % НКПР. Подать
ПГС №1, при этом допускается загорание индикатора "ОТКАЗ ВД". После проверки времени срабатывания сигнализации произвести корректировку сигнализатора.
Примечание - На территории Украины проверку времени срабатывания сигнализаторов СТМ-30-50...СТМ-30-57 проводить только с использованием ПГС №3.
-
3) открыть вентиль на баллоне и вентилем точной регулировки установить расход ПГС по индикатору расхода;
-
4) закрыть вентиль на баллоне, вентиль точной регулировки оставить открытым и отсоединить баллон;
-
5) продуть датчик воздухом из баллона или из помещения (для сигнализаторов с принудительной подачей смеси), отсоединить подводящую газ трубку от поверочного колпачка поз.9 (см. рисунок 12.2) или входа «Контроль» (см. рисунок 12.3)
-
6) при проверке сигнализаторов СТМ-30 ... СТМ-30-31
убедиться в том что, контакты реле "ПОР 1-1" и "ПОР 1-2" (клеммы Х8.1 и Х 8.2) замкнуты, а контакты реле "ПОР 1-2" и "ПОР 1-3" (клеммы Х8.2 и Х9.1) - разомкнуты ; контакты
реле "ПОР2-1" и "ПОР 2-2" (клеммы Х10.1 и Х10.2) замкнуты, а контакты реле "ПОР 2-2" и "ПОР 2-3" (контакты Х10.2 и Х11.1) - разомкнуты, контакты реле "ПОР2-1" " и "ПОР 2-2" " (клеммы Х11.2 и Х12.1) замкнуты, а контакты реле "ПОР2-2" " и "ПОР 2-3" " (клеммы Х12.1 и Х12.2) разомкнуты (см. рисунки 1 и 2 приложения 5).
При проверке сигнализаторов СТМ-30-50 ... СТМ-30-57
убедиться в том, что контакты реле "ПОР 1-1" и "ПОР 1-2"
(клеммы Х10.1 и Х 9.2) замкнуты, а контакты реле "ПОР 1-2" и "ПОР 1-3" (клеммы Х9.1 и Х9.2) разомкнуты ; контакты реле "ПОР 2-1" и "ПОР 2-2" (клеммы Х5.1 и Х4.2)- замкнуты, а контакты реле "ПОР 2-2" и "ПОР 2-3" (клеммы Х4.2 и Х 4. 1) - разомкнуты; контакты реле "ПОР 2-1" " и "ПОР 2-2" " (клеммы Х11.2 и Х 11.1) - замкнуты, а контакты реле
"ПОР 2-2" и "ПОР 2-3" (клеммы Х 11.1 и Х10.2) -
разомкнуты (см. рисунок 3 приложения 5);
-
7) подключить баллон с ПГС,открыть вентиль на баллоне, подсоединить подводящую газ трубку к поверочному колпачку поз.9 (см. рисунок 12.2) или входу «Контроль» (см. рисунок 12.3) и включить секундомер. Не бо-
лее, чем через 7 с сигнализация должна сработать, должен загореться индикатор "Порог 1","Порог 2"; должны сработать реле "Порог 1", "Порог 2", то есть при проверке сигнализаторов СТМ-30 ... СТМ-30-31
контакты реле "ПОР 1-1" и "ПОР 1-2" (клеммы Х8.1 и Х 8.2) должны разомкнуться, а контакты реле "ПОР 1-2" и "ПОР 1-3" (клеммы Х8.2 и Х9.1) должны замкнуться; контакты реле "ПОР2-1" и "ПОР 2-2" (клеммы Х10.1 и Х10.2) должны разомкнуться, а контакты реле "ПОР 2-2" и "ПОР 2-3" (контакты Х10.2 и Х11.1) - замкнуться;
контакты реле "ПОР2-1" " и "ПОР 2-2" " (клеммы Х11.2 и Х12.1) должны разомкнуться, а контакты реле "ПОР2-2" " и "ПОР 2-3" " (клеммы Х12.1 и Х12.2) - должны замкнуться (см. рисунки 1 и 2 приложения 5).
При проверке сигнализаторов СТМ-30-50 ... СТМ-30-57 контакты реле "ПОР 1-1" и "ПОР 1-2" (клеммы Х10.1 и Х 9.2) должны разомкнуться, а контакты реле "ПОР 1-2" и "ПОР 1-3" (клеммы Х9.1 и Х9.2) должны
замкнуться;
контакты
реле "ПОР 2-1" и "ПОР 2-2" (клеммы
Х5.1 и Х4.2)
должны
разомкнуться, а контакты реле "ПОР
2-2" и "ПОР 2-3" (клеммы Х4.2 и Х 4. 1) - замкнуться; контакты реле "ПОР 2-1" и "ПОР 2-2" (клеммы Х11.2 и Х 11.1) - должны разомкнуться, а контакты реле "ПОР 2-2" и "ПОР2-3" (клеммы Х 11.1 и Х10.2) - должны замкнуться
(см.рисунок 3 приложения 5);
-
8) закрыть вентиль на баллоне. В случае использования ПГС №2 при проверке СТМ-30-50...СТМ30-57 - откорректировать ноль и чувствительность после проверки. В сигнализаторах СТМ-30 ... СТМ-30-07, СТМ-30-30, СТМ-30-31 установить исходное значение «Порог 2».
-
2.8.2.2 Сигнализатор считается выдержавшим испытания, если время срабатывания сигнализации не более 7 с., а коммутация контактов реле происходит в соответствии с требованиями п.12.8.2.1.
12.9 Оформление результатов поверки
12.9.1
Результаты
поверки
оформляют
протоколом
произвольной
формы.
12.9.2
Сигнализатор,
удовлетворяющий
требованиям
настоящей
методики по
поверке,
признают годным к
применению
клеймят
путем
нанесения
оттиска
поверительного клейма на
корпусе
сигнализатора
рисунки 4.1;
12.9.3
При
отрицательных
результатах
поверки
сигнализатор
подлежит ремонту,
после
чего
опять
подвергается поверке.