Методика поверки «УСТРОЙСТВО ПОВЕРОЧНОЕ ПЕРЕНОСНОЕ УПП 801М» (МП.ВТ.051-2002)

Настоящая методика поверки распространяется на устройство поверочное переносное УПП 801М (в дальнейшем - УПП), выпускаемое по ТУ РБ 300436592.005-2002, и устанавливает методику первичной и периодической поверок.
Первичной поверке должны подвергаться все выпускаемые УПП, а также УПП, подвергшиеся ремонту.
Настоящая методика поверки разработана в соответствии с СТБ 8003-93, РД 50.8103-93.
Поверка УПП производится не реже одного раза в год.
-
1 ОПЕРАЦИИ И СРЕДСТВА ПОВЕРКИ
1.1 При проведении поверки должны быть выполнены операции и применены средства поверки с характеристиками, указанные в таблице 1.
Таблица 1
Наименование операции |
Номер пункта МП |
Наименование образцового средства измерений или вспомогательного средства поверки и их основные технические характеристики |
Обязательность проведения операции при | ||
выпуске из про-изводст-ва |
выпуске после ремонта |
эксплуатации и хранении | |||
1 Внешний осмотр |
5. 1 |
Да |
Да |
Да | |
|
5. 2 5. 3 |
Да |
Да |
Да | |
а) определение основной погрешности УПП |
5. 3. 1 |
Компаратор напряжений Р3003: класс точности 0,0005; диапазон измерений от 0,1мВ до 11В Установка поверочная полуавтоматическая универсальная УППУ - 1М: предел основной погрешности на переменном токе от 40 до 250 Гц -0,04 %; конечные значения диапазонов измерения для ваттметров (cos ф=1): 1 - 10 А; 1 - 750 В. Калибратор программируемый П320: предел измерения -1мА; предел погрешности относительного значения калиброванного тока ± (0,0021к + 0,01) мкА. Мера электрического сопротивления однозначная Р3030: сопротивление 100 Ом; класс точности 0,002 |
Да |
Да |
Да |
б) определение погрешности, вызванной изменением коэффициента мощности |
5. 3. 2 |
То же, что в п. а) Ваттметр малокосинусный Д5094: напряжение-75 В, ток - 5 А, основная погрешность : ± 0,5 %. |
Да |
Да |
Нет |
в) определение погрешности сигнала внутреннего источника мощности |
5. 3. 3 |
Эквивалент нагрузки в соответствии с приложением Г |
Да |
Да |
Да |
4 Проверка электрической прочности изоляции |
5. 4 |
Испытательная установка для проверки электрической прочности изоляции УПУ-10: выходное напряжение постоянное и переменное регулируемое от 0 до 10 кВ |
Да |
Да |
Нет |
5 Измерение сопротивления изоляции |
5. 5 |
Мегаомметр Ф4101/3: номинальное напряжение 500 В; предел измерения - 500 МОм; основная погрешность - (± 1,5 %). |
Да |
Да |
Да |
6 Измерение сопротивления защитного заземления |
5. 6 |
Прибор комбинированный цифровой Щ301-1: предел измерения 1 В; основная погрешность-( ± 0,2 %) |
Да |
Да |
Да |
Примечания: 1 Допускается использовать другие средства поверки, имеющие нормируемые метрологические характеристики, аналогичные указанным в таблице.
-
2 Порядок проведения операций в соответствии с приложением А.
2 ТРЕБОВАНИЯ К КВАЛИФИКАЦИИ ПОВЕРИТЕЛЕЙ
-
2.1 К проведению измерений при проверке и обработке результатов измерений допускаются лица, имеющие допуск к работе с электрическими установками напряжением до 1000 В.
-
3 ТРЕБОВАНИЯ БЕЗОПАСНОСТИ
-
3.1 При проведении поверки должны быть соблюдены требования безопасности, установленные «Правилами технической эксплуатации электроустановок потребителей» и «Правилами техники безопасности при эксплуатации электроустановок потребителей».
-
3.2 Все изменения в схеме поверки производят после отключения УПП от сети питания напряжением 220 В и отсутствии подаваемых на УПП входных сигналов от УППУ-1М.
-
3.3 УПП перед включением в сеть напряжением 220 В должно быть надежно заземлено через зажим защитного заземления.
-
Присоединение зажима защитного заземления УПП к заземляющей шине должно производиться до других присоединений, а отсоединение - после всех отсоединений.
-
4 УСЛОВИЯ ПОВЕРКИ И ПОДГОТОВКА К НЕЙ
-
4.1 При проведении поверки должны соблюдаться нормальные условия, указанные в таблице 2
-
Таблица 2
Влияющий фактор |
Нормальное значение |
1 Температура окружающего воздуха, °С |
20 ± 2 |
2 Относительная влажность окружающего воздуха, % |
30 - 80 |
3 Атмосферное давление, кПа (мм. рт. ст.) |
84 - 106 (630 - 795) |
4 Источник питания:
сети |
220 ± 4,4 50 ± 0,5 Синусоидальная. Коэффициент несину-соидальности кривой напряжения не более 5 % |
5 Коэффициент мощности |
± 1 |
5 Магнитное и электрическое поля |
Практическое отсутствие магнитного и электрического полей, кроме земного |
6 Время установления рабочего режима, ч |
0,5 |
7 Рабочее положение УПП |
Г оризонтальное |
-
4.2 Все средства поверки должны иметь действующие документы об их поверке или аттестации.
-
4.3 Суммарная погрешность образцовых средств измерений при поверке УПП должна быть не более 1/3 основной погрешности поверяемого УПП.
-
4.4 Перед проведением поверки необходимо подготовить протокол поверки по форме приложения А.
-
4.5 Работа с поверяемым УПП и со средствами его поверки должна проводиться в соответствии с руководствами по их эксплуатации.
-
5 ПРОВЕДЕНИЕ ПОВЕРКИ
-
5.1 Внешний осмотр
-
При проведении внешнего осмотра должно быть установлено соответствие УПП следующим требованиям:
- комплектность должна соответствовать требованиям паспорта;
- на корпусе должны отсутствовать механические повреждения;
- на индикаторе ЦОУ не должно быть пятен и царапин, мешающих правильному восприятию информации, отображение информации на ЦОУ должно быть четким, хорошо различимым (проверять при опробовании УПП).
По результатам осмотра делают отметку в протоколе.
-
5.2 Опробование
При опробовании проверяют работоспособность УПП следующим образом:
а) установить переключатели УПП в следующие положения:
- «Вх. сигналы» - «Откл»;
- «Сеть» - «Откл»;
- «Питание ИП» - «Откл»;
б) подсоединить к УПП эквивалент нагрузки в соответствии с приложением Г;
в) установить переключатель «Сеть» УПП в положение «Вкл» (при этом должен засветиться индикатор ЦОУ) и выдержать схему в таком состоянии в течение времени не менее 30 мин.;
г) установить переключатели
- «Режим работы» - «ОП»;
-
- «5 А - 1 А» - « 5 А»;
-
- «Ток, %» - «100»;
- «Напряжение, V» - «100»;
-
- «Р - Q» - «Р»;
-
- «(0-180)° - (180-360)°» - «(0-180)°»;
-
- «Сдвиг фазы, °» - «0»;
-
- «Ia, Ic» - «Вкл»;
-
- «Выход, mА» - «-5-0-5»;
-
- «Вх. сигналы» - «Вкл».
д) считать показания с ЦОУ;
е) установить переключатели:
-
- «Вх. сигналы» - «Откл»;
-
- «Р - Q» - «Q»;
-
- «Сдвиг фазы, °» - «90»;
-
- «Вх. сигналы» - «Вкл»;
ж) считать показания с ЦОУ.
Если показания ЦОУ (пп.5.2д, 5.2ж) соответствуют -5,00 ± 0,20 , то УПП работоспособно и можно переходить к определению метрологических характеристик.
В случае несоответствия УПП требуемым показаниям, оно подлежит ремонту.
По результатам опробования делают отметку в протоколе.
-
5.3 Определение метрологических характеристик
-
5.3.1 Определение основной погрешности УПП проводят по схемам поверки, приведенным на рисунках Б.1, Б.2 приложения Б.
-
Основную погрешность УПП определяют по формуле:
Yynn = I Yon I + I *УцОУ I МАКС , (1)
где уУПП - основная погрешность УПП;
I YOn I - модуль основной погрешности образцового преобразователя (ОП);
I YЦОУ I МАКС - максимальное из полученных значений модуля основной погрешности цифрового отсчетного устройства (цОУ) УПП.
-
5.3.1.1 Определение основной погрешности образцового преобразователя ОП (уОП) УПП проводить по схемам, приведенным на рисунках Б.1-Б.2 приложения Б в режимах измерения активной и реактивной мощности при значениях входных величин, указанных в приложении к протоколу поверки (Таблица А.1).
Переключатели УПП должны находиться в следующих положениях:
а) «Режим работы» - «ОП»;
б) «Питание ИП» - «Откл»;
в) «Вх. сигналы» - «Откл».
Положения переключателей «Выход, mA», «P Q», «5 А 1 А» указаны в соответствующем приложении к протоколу.
Положение остальных переключателей - произвольное.
Погрешность уОП считывается с УППУ-1М при максимально точной установке выходного сигнала ОП по нулю компаратора Р3003.
При входных сигналах равных нулю уОП определяется по компаратору Р3003 по формуле:
Ах оп - Ар оп
Yoh = х100 , (2)
Ан оп
где Ах оп- показания компаратора в В;
Ар оп - расчетное значение выходного сигнала ОП в В;
Ан оп- нормирующее значение выходного сигнала - 5 мА (0,5000 В) или 20 мА (2,000 В).
В режиме измерения реактивной мощности необходимо дополнительно определить значение погрешности YOn при UAB = Ucb = 100 B (№ поверяемой отметки на УППУ-1М - 10), расчетное значение выходного сигнала ОП: 3,3333 мА, 0,33333 В.
Значения погрешности уОП для всех поверяемых точек занести в протокол.
-
5.3.1.2 Определение основной погрешности ЦОУ УПП проводят по схеме, приведенной на рисунке Б.3 приложения Б.
Переключатели УПП должны находиться в следующих положениях:
а) «Режим работы» - «Поверка»;
б) «Питание ИП» - «Откл»;
в) «Вх. сигналы» - «Откл».
Положения переключателя «Выход, mA» указано в соответствующем приложении к протоколу.
Положение остальных переключателей - произвольное.
Для всех поверяемых точек, приведенных в таблице А.3 приложения к протоколу, считать значения уИНд с ЦОУ и занести их в протокол.
Основную погрешность ЦОУ (Уцоу) определяют по формуле:
Уцоу = Ух - УpАСЧ, (3)
где Уцоу - основная погрешность ЦОУ в %;
Ypact - расчетное значение показаний индикатора ЦОУ в %, приведенное в таблице А.3 приложения к протоколу:
Yx - измеренное значение на индикаторе ЦОУ, %.
Вычислить по формуле (3) величину основной погрешности ЦОУ УцОУ для каждой поверяемой точки и выбрать из полученных величин максимальное по модулю значение УцОУ| МАКС.
-
5.3.1.3 Основную погрешность индикатора ЦОУ YИНД, %, определяют по схеме рисунка Б.3 приложения Б в соответствии с таблицей 8 по формуле (4), считывая значения А ЦОУ с индикатора ЦОУ для всех поверяемых точек.
Ацоу - Ар
Y инд = ____________________ Х1 00 , (4)
Ан
где АЦОУ - показания индикатора ЦОУ для проверяемой точки, мА;
Ар - расчетное значение показаний ЦОУ, приведенное в таблице 8, при соответствующем значении тока I, подаваемого с калибратора П320, мА;
Ан - нормирующее значение выходного сигнала, 5 мА;
Переключатель «Режим работы» при этом должен находиться в положении «ОП».
Величина YИНД,% для всех проверяемых точек не должна превышать ± 1 %.
По результатам поверки делают отметку в протоколе.
-
5.3.1.4 Вычислить по формуле (1) максимальную величину основной погрешности УПП в соответствии с приложением к протоколу поверки (п. 1 Определение основной погрешности ОП YOn и п.2 Определение основной погрешности ЦОУ). При этом за величину |уОП| принимают |уОП| МАКС.
Величина основной погрешности УПП, рассчитанная по формуле (1) не должна превышать 0,15 %.
По результатам поверки делают отметку в протоколе.
-
5.3.2 Определение погрешности Y.'M' в процентах, вызванной изменением коэффициента мощности, проводят по схемам рисунков В.1, В.2 приложения В в диапазоне выходного сигнала 0 -5 мА по формуле:
Ахв - Ао
Y ДОП = ____________________Х100 , (5)
Ан
где Ахв - значение выходного сигнала ОП при наличии влияющего фактора cos (sin) ф= ±0,1;
Ао - значение выходного сигнала ОП в нормальных условиях при cos (sin) ф= ±1,0; Ан - нормирующее значение выходного сигнала ОП, равное 5 мА (500 мВ).
Переключатели УПП должны находиться в следующих положениях:
а) «Режим работы» - «ОП»;
б) «Питание ИП» - «Откл»;
в) «Вх. сигналы» - «Откл».
Положения переключателей «Выход, mA», «P Q» указаны в соответствующем приложении к протоколу.
Положение остальных переключателей - произвольное.
Определение погрешности Y:mi в режимах активной и реактивной мощности проводят при входных сигналах, указанных в приложении к протоколу поверки (Таблица А.4).
- 7 -
Значения Ахв и Ао считываются с компаратора Р3003 при точном выставлении значения мощности по малокосинусному ваттметру Д5094. Расчетное значение выходного сигнала ОП для активной мощности равно 43,3 мВ, а для реактивной мощности - 75,0 мВ.
Дополнительная погрешность не должна превышать ±0,15 %
По результатам поверки делают отметку в протоколе.
-
5.3.3 Определение погрешности сигнала внутреннего источника УПП проводят по схеме приложения Г в соответствии с приложением к протоколу (таблицы А.5 - А.7).
Переключатели УПП должны находиться в следующих положениях:
а) «Режим работы» - «ОП»;
б) «Питание ИП» - «Откл»;
в) «Вх. сигналы» - «Вкл»;
г) «:1а, Io» - «Вкл».
Положения переключателей «Выход, mA», «P Q», «Сдвиг фазы, °», «(0-180)° (180-360)°», «5 А
-
1 А», «Напряжение, V», «Ток, %» указаны в соответствующем приложении к протоколу.
За основную погрешность сигнала, подаваемого от УПП на вход поверяемого ИП, принимают отношение разности между действительным значением сигнала по ЦОУ УПП и расчетным значением сигнала для поверяемой точки, к нормирующему значению выходного сигнала.
Погрешность входного сигнала (у), выраженную в процентах, определяют по формуле:
Ах - Ар
Y =---------------х100 , (6)
Ан
где Ах - показания ЦОУ для поверяемой точки, мА;
Ан - нормирующее значение выходного сигнала (5 мА);
Ар - расчетное значение выходного сигнала для поверяемой точки, мА.
Для каждой поверяемой точки погрешность величины сигнала, подаваемого на вход поверяемого ИП от УПП, не должна превышать ± 4 % от нормирующего значения выходного сигнала ИП.
По результатам поверки делают отметку в протоколе.
-
5.4 Электрическую прочность изоляции проверяют в нормальных условиях на установке, позволяющей плавно повышать напряжение от нуля до заданного значения с мощностью на стороне высокого напряжения не менее 0,5 кВ» А, со скоростью, допускающей возможность отсчета показаний вольтметра, но не более 100 В в секунду при следующем положении переключателей: «Сеть» - «Вкл», «Питание ИП» - «Вкл».
Электрическая изоляция различных цепей УПП между собой и по отношению к корпусу должна выдерживать в течение 1 мин действие полного испытательного напряжения тока частотой 50 Гц, действующее значение которого указано в таблице 3.
Таблица 3
Наименование цепей |
Испытательное напряжение, кВ |
Электрическое сопротивление изоляции, МОм, не менее |
Корпус УПП* - остальные цепи (контакты колодки кабеля для поверки ИП 1, 2, 4, 5, 7, 8, 9, 10, 12, 13, 14, 16, 17), цепь питания УПП** |
1, 5 | |
Цепь питания УПП**, цепь питания ИП (контакты колодки кабеля для поверки ИП 9, 10) - остальные цепи (контакты колодки кабеля для поверки ИП 1, 2, 4, 5, 7, 8, 12, 13, 14, 16, 17) |
2,3 | |
Цепи UA, UB, UC (контакты кабеля для поверки ИП 12,13,14 ), цепи IA, IC (контакты 1,2,4,5 кабеля для поверки ИП, подключенного к УПП )- Вых Р, Вых Q, (контакты кабеля для поверки ИП 7,8,16,17) |
1,4 | |
Корпус эквивалента нагрузки, контакт 30 разъема эквивалента нагрузки - все оставшиеся контакты (1-29) разъема эквивалента нагрузки |
1,5 |
20 |
Корпус кабеля для поверки УПП, контакт 30 разъема кабеля для поверки УПП - все оставшиеся контакты (1-29) разъема кабеля для поверки УШ1 |
2,3 | |
Цепь питания ИП (контакты кабеля для поверки УПП 21,22) - остальные контакты разъема кабеля УПП (1-20, 23-30) |
2,3 | |
Цепи UN, UC, UB,UA, Ia, Ia*, Ic, Ic* кабеля для поверки УПП, подключенного к УПП - цепи ЦОУ-, Ьых+, Ьых-, ЦОУ+ |
1,4 | |
* Зажим защитного заземления УШ1 ** Соединенные вместе контакты вилки сетевого |
шнура УПП |
Во время испытаний не должно произойти пробоя или перекрытия изоляции.
По результатам измерения делают отметку в протоколе.
-
5.5 Электрическое сопротивление изоляции проверяют на постоянном токе мегаомметром с номинальным напряжением 500 В при следующем положении переключателей: «Сеть» - «Вкл», «Питание ИП» - «Вкл».
Отсчет показаний по мегаомметру проводят по истечении 1 мин. после приложения напряжения.
По результатам измерения делают отметку в протоколе.
-
5.6 Значение сопротивления между зажимом защитного заземления и доступными для прикасания токопроводящими частями корпуса проверяют согласно ГОСТ 12.2.091 пропусканием в течение 1 мин. переменного тока величиной 4 А и измерением на пределе 1 В падения напряжения.
УПП считают выдержавшими испытание, если измеренное значение напряжения не превышает 400 мВ.
По результатам измерения делают отметку в протоколе.
6 ОФОРМЛЕНИЕ РЕЗУЛЬТАТОВ ПОВЕРКИ
-
6.1 Результаты поверки оформляют протоколом по форме приложения А.
-
6.2 Положительные результаты поверки удостоверяются:
- при первичной поверке - нанесением на УПП оттиска поверительного клейма и записью в паспорте даты, а в протоколе - даты и результатов поверки за подписью лиц, проводящих поверку УПП;
- при периодической поверке и поверке после ремонта и хранения - нанесением на УПП оттиска поверительного клейма, записью в протоколе результатов поверки за подписью лиц, проводящих поверку УПП и выдачей свидетельства о поверке.
-
6.3 При отрицательных результатах поверки УПП в работу не допускают. При этом оттиск поверительного клейма подлежит погашению и выдается извещение о непригодности.
ПРИЛОЖЕНИЕ А
(рекомендуемое)
(наименование лаборатории, где проводилась поверка)
ПРОТОКОЛ № _____
поверки устройства поверочного переносного УПП 801М № ___________,
принадлежащего: _________________________________________________________________________
Условия проведения:
- температура ___________ ° С;
- относительная влажность воздуха _________ %;
- атмосферное давление __________ кПа.
1 Внешний осмотр _______________________________________________________________________
(соответствует, не соответствует)
-
2 Опробование _______________________________________________________________________
(соответствует, не соответствует)
-
3 Прочность изоляции _____________________________________________________________________
(соответствует, не соответствует)
-
4 Сопротивление изоляции ________________________________________________________________
(соответствует, не соответствует)
-
5 Сопротивление защитного заземления ______________________________________________________
(соответствует, не соответствует)
-
6 Определение метрологических характеристик
6.1 Основная погрешность УПП:
Активная мощность: Y упп P I Yоп I макс + I YЦОУ I макс ________________
Реактивная мощность: Y упп Q = 1 Yon 1 макс + 1 Y ЦОУ 1 макс = ______________
-
6.2 погрешность, вызванная изменением коэффициента мощности:
Активная мощность: Ydon макс P =_________
Реактивная мощность: Ydon макс Q =
-
6.3 погрешность сигнала, подаваемого от внутреннего источника:
Y= I YI макс= ________
Заключение ______________________________________________________________________________
Дата проведения поверки «___»_______________201__ г.
Госповеритель
(подпись)
(расшифровка подписи)
Мп
12
1. Определение основной погрешности ОП Таблица А.1
Активная мощность (P)
№ поверяемой отметки на УППУ- 1М |
иАВ—иСВ = 100 В |
Ia - Ic, А* |
Положение переключателей: «P Q», «Выход, mA», «5А 1А» | |||||||||||
«Р» | ||||||||||||||
«-5-0-5» |
«4-20» |
«0-2,5-5» | ||||||||||||
«5А» |
«1А» |
«5А» |
«1А» |
«5А» |
«1А» | |||||||||
Диапазон изменения выходного сигнала ОП, мА | ||||||||||||||
0 ± 5 |
4 - 20 |
0 - 2,5 - 5 | ||||||||||||
Расчетное значение выходного сигнала ОП |
Yea % |
Расчетное значение выходного сгнала ОП |
You % |
Расчетное значение выходного сигнала ОП |
Yo^ % | |||||||||
COSф |
мА |
В |
для 5 А |
для 1 А |
мА |
В |
для 5 А |
для 1 А |
мА |
В |
для 5 А |
для 1 А | ||
10 |
1,0 |
5,0 (1,0) |
5,7735 |
0,5774 |
22,475 |
2,2475 |
5,3868 |
0,5387 | ||||||
8 |
4,0 (0,8) |
4,6188 |
0,4619 |
18,780 |
1,8780 |
4,8094 |
0,4809 | |||||||
6 |
3,0 (0,6) |
3,4641 |
0,3464 |
15,085 |
1,5085 |
4,2321 |
0,4232 | |||||||
4 |
2,0 (0,4) |
2,3094 |
0,2309 |
11,390 |
1,1390 |
3,6547 |
0,3655 | |||||||
2 |
1,0 (0,2) |
1,1547 |
0,1155 |
7,695 |
0,7695 |
3,0774 |
0,3077 | |||||||
по Р3003 |
0 |
0,0000 |
0,000 |
4,000 |
0,4000 |
2,5000 |
0,2500 | |||||||
2 |
-1,0 |
1,0 (0,2) |
-1,1547 |
-0,1155 |
- |
- |
1,9227 |
0,1923 | ||||||
4 |
2,0 (0,4) |
-2,3094 |
-0,2309 |
- |
- |
1,3453 |
0,1345 | |||||||
6 |
3,0 (0,6) |
-3,4641 |
-0,3464 |
- |
- |
0,7680 |
0,0768 | |||||||
8 |
4,0 (0,8) |
-4,6188 |
-0,4619 |
- |
- |
0,1906 |
0,0191 | |||||||
10 |
5,0 (1,0) |
-5,7735 |
-0,5774 |
- |
- |
-0,3868 |
-0,0387 |
13
Продолжение приложения к протоколу поверки УПП 801М №__________
Таблица А.2
Реактивная мощность Q
№ поверяемой отметки на УППУ-1М |
UAN=UCN =60 В |
1а = -Ic, А* |
Положение переключателей: «P Q», «Выход, mA», «5А 1А» | |||||||||||
«Q» | ||||||||||||||
«-5-0-5» |
«4-20» |
«0-2,5-5» | ||||||||||||
«5А» |
«1А» |
«5А» |
«1А» |
«5А» |
«1А» | |||||||||
Диапазон изменения выходного сигнала ОП, мА | ||||||||||||||
0 ± 5 |
4 - 20 |
0 - 2,5 - 5 | ||||||||||||
Расчетное значение выходного сигнала ОП |
Yon, % |
Расчетное значение выходного сгнала ОП |
Yon, % |
Расчетное значение выходного сигнала ОП |
Yon, % | |||||||||
COSф |
мА |
В |
для 5 А |
для 1 А |
мА |
В |
для 5 А |
для 1 А |
мА |
В |
для 5 А |
для 1 А | ||
10 |
1,0 |
5,0 (1,0) |
6,0000 |
0,6000 |
23,200 |
2,3200 |
5,5000 |
0,5500 | ||||||
8 |
4,0 (0,8) |
4,8000 |
0,4800 |
19,360 |
1,9360 |
4,9000 |
0,4900 | |||||||
6 |
3,0 (0,6) |
3,6000 |
0,3600 |
15,520 |
1,5520 |
4,3000 |
0,4300 | |||||||
4 |
2,0 (0,4) |
2,4000 |
0,2400 |
11,680 |
1,1680 |
3,7000 |
0,3700 | |||||||
2 |
1,0 (0,2) |
1,2000 |
0,1200 |
7,840 |
0,7840 |
3,1000 |
0,3100 | |||||||
по Р3003 |
0 |
0,0000 |
0,0000 |
4,000 |
0,4000 |
2,5000 |
0,2500 | |||||||
2 |
-1,0 |
1,0 (0,2) |
-1,2000 |
-0,1200 |
- |
- |
1,9000 |
0,1900 | ||||||
4 |
2,0 (0,4) |
-2,4000 |
-0,2400 |
- |
- |
1,3000 |
0,1300 | |||||||
6 |
3,0 (0,6) |
-3,6000 |
-0,3600 |
- |
- |
0,7000 |
0,0700 | |||||||
8 |
4,0 (0,8) |
-4,8000 |
-0,4800 |
- |
- |
0,1000 |
0,0100 | |||||||
10 |
5,0 (1,0) |
-6,0000 |
-0,6000 |
- |
- |
-0,5000 |
-0,0500 | |||||||
иав=исв =100В | ||||||||||||||
10 |
COSф=+1 |
5,0 |
3,3333 |
0,3333 | ||||||||||
10 |
COSф=-1 |
5,0 |
-3,3333 |
-0,3333 |
2. Определение основной погрешности ЦОУ Таблица А.3
№ проверяе- |
Положение переключателя «Выход, mA» | |||||||
«-5-0-5» |
«4-20» | |||||||
мой точки |
Диапазон изменения выходного сигнала ОП, мА | |||||||
0 ± 5,0 (0 |
- 2,5 - 5) |
4,0 |
- 20,0 | |||||
I, мА |
YРAСЧ, % |
Уинд % |
Yцоу, % |
I, мА |
YРAСЧ, % |
Уинд % |
Yцоу, % | |
1 |
0,000 |
0,00 |
0,00 |
0,00 | ||||
2 |
+ 0,005 |
+ 0,10 |
+ 0,02 |
+ 0,10 | ||||
3 |
+ 0,025 |
+ 0,50 |
+ 0,10 |
+ 0,50 | ||||
4 |
+ 0,050 |
+ 1,00 |
+ 0,20 |
+ 1,00 | ||||
5 |
+ 0,100 |
+ 2,00 |
+ 0,40 |
+ 2,00 | ||||
6 |
- 0,005 |
- 0,10 |
- 0,02 |
- 0,10 | ||||
7 |
- 0,025 |
- 0,50 |
- 0,10 |
- 0,50 | ||||
8 |
- 0,050 |
- 1,00 |
- 0,20 |
- 1,00 | ||||
9 |
- 0,100 |
- 2,00 |
- 0,40 |
- 2,00 |
3. Определение погрешности, вызванной изменением коэффициента мощности Таблица А.4
Положение переключателей: «Выход, mA», «P Q» | |||||||||
«-5-0-5» | |||||||||
«Р» |
«Q» | ||||||||
Активная мощность Р |
Реактивная мощность Q | ||||||||
Uab=Ucb=75 В |
Uan=Ucn=75 В | ||||||||
1а=1с= 0,5 А |
Ао, мВ |
1а=1с= 5 А |
Ахв, мВ |
Yдоп |
1а=-1с= 0,5 А |
Ао, мВ |
1а= -1с= 5 А |
Ахв, мВ |
Yдоп |
cos ф=1 |
cos ф=0,1 |
индуктивный |
с-os ф=1 |
с-os ф=0,1 |
индуктивный | ||||
емкостной |
емкостной | ||||||||
cos ф=-1 |
cos ф=-0,1 |
индуктивный |
с-os ф=-1 |
с-os ф=-0,1 |
индуктивный | ||||
емкостной |
емкостной | ||||||||
-
4. Определение погрешности сигнала внутреннего источника Таблица А.5
Положение переключателей
«Ток, %» |
«Выход, mA», «Р + Q», «(0-180)° + (180-360)°», «Сдвиг фазы, °», «5 А + 1 А», «Напряжение, V» | |||||||||
I в % от I Н (U, В) |
«-5-0-5» | |||||||||
«Р» | ||||||||||
«(0-180)°» |
«(180-360)°» | |||||||||
«0°» | ||||||||||
«5 А» |
«1 А» |
«5 А» |
«1 А» | |||||||
«100 В» | ||||||||||
Показания ЦОУ (расчетное значение выходного сигнала ОП), мА | ||||||||||
U = 100 В, cos ф =1(активная мощность, Р) |
U = 100 В, cos ф = - 1 (активная мощность, Р ) | |||||||||
Ар |
Ан=5 А |
Ан=1 А |
Ар |
Ан=5 А |
Ан=1 А | |||||
Ах |
Y |
Ах |
Y |
Ах |
Y |
Ах |
Y | |||
120 (В) 100 80 60 50 40 20 0 |
- 6,00
- 1,00 0,00 |
+ 6,00 + 5,00 + 4,00 + 3,00 + 2,50 + 2,00 + 1,00 0,00 |
Таблица А.6
Диапазон изменений выходного сигнала ОП - 0,0 ± 5,0 мА
Положение переключателей
«Ток, %» |
«Выход, тА», «Р + Q», «(0-180)° + (180-360)°», | |
«Сдвиг фазы, °», « |
5 А 1 А», «Напряжение, V» | |
«-5-0-5» | ||
I в % |
«Q» | |
от I Н |
«(0-180)°» |
«(180-360)°» |
(U, В) |
«90°» | |
«5 А» «1 А» |
«5 А» «1 А» | |
«100 В» | ||
Показания ЦОУ (расчетное |
значение выходного сигнала ОП), мА | |
U = 100 В, sin ф =1 (реактивная мощность, Q) U = 100 В, sin ф = - 1 (реактивная мощность, Q) | ||
Ан=1 А |
Ан=5 А Ан=1 А | |
Ап | ||
Ар |
Ар | |
Ах у Ах |
у Ах у Ах у | |
120 (В) |
- 6,00 |
+ 6,00 |
100 |
- 5,00 |
+ 5,00 |
80 |
- 4,00 |
+ 4,00 |
60 |
- 3,00 |
+ 3,00 |
50 |
- 2,50 |
+ 2,50 |
40 |
- 2,00 |
+ 2,00 |
20 |
- 1,00 |
+ 1,00 |
0 |
0,00 |
0,00 |
Таблица А.7
Диапазон изменений выходного сигнала ОП - 0,0-5,0 мА
Положение переключателей:
«Сдвиг фазы, °» |
«Ток, %», «5 /V 1 А», «Напряжение, V», |
«Выход, |
тА», «Р + Q», | |||||
«100 %» |
«-5-0-5» | |||||||
«5 А» |
«Р» |
«Q» | ||||||
«100 В» | ||||||||
U вх |
= 100 В |
Показания ЦОУ (расчетное значение выходного сигнала ОП) , мА | ||||||
1 вх |
= 5 А |
Р |
Q | |||||
Ф, ° |
cos ф |
sin ф |
Ар |
Ах |
Y |
Ар |
Ах |
Y |
0 |
+ 1,000 |
0,000 |
- 5,00 |
0,00 | ||||
30 |
+ 0,866 |
+ 0,500 |
- 4,33 |
- 2,50 | ||||
60 |
+ 0,500 |
+ 0,866 |
- 2,50 |
- 4,33 | ||||
90 |
0,000 |
+ 1,000 |
0,00 |
- 5,00 | ||||
120 |
- 0,500 |
+ 0,866 |
+ 2,50 |
- 4,33 | ||||
150 |
- 0,866 |
+ 0,500 |
+ 4,33 |
- 2,50 | ||||
180 |
-1,000 |
0,000 |
+ 5,00 |
0,00 | ||||
210 |
- 0,866 |
- 0,500 |
+ 4,33 |
+ 2,50 | ||||
240 |
- 0,500 |
- 0,866 |
+ 2,50 |
+ 4,33 | ||||
270 |
0,000 |
- 1,000 |
0,00 |
+ 5,00 | ||||
300 |
+ 0,500 |
- 0,866 |
- 2,50 |
+ 4,33 | ||||
330 |
+ 0,866 |
- 0,500 |
- 4,33 |
+ 2,50 | ||||
360 |
+ 1,000 |
0,000 |
- 5,00 |
0,00 |
-
5. Определение основной погрешности индикатора ЦОУ
Таблица 8
Диапазон изменения выходного сигнала ОП - 0,0 ± 5,0 мА Положение переключателя «Выход, mA» - «-5-0-5»
I, мА |
Ар, мА |
Ацоу |
Yинд, %, |
I, мА |
Ар, мА |
Ацоу |
Yинд, %, |
5,00 |
5,00 |
- 5,00 |
- 5,00 | ||||
4,00 |
4,00 |
- 4,00 |
- 4,00 | ||||
3,00 |
3,00 |
- 3,00 |
- 3,00 | ||||
2,00 |
2,00 |
- 2,00 |
- 2,00 | ||||
1,00 |
1,00 |
- 1,00 |
-1,00 | ||||
0,00 |
0,00 |
0,00 |
0,00 |
Приложение Б
(обязательное)
Схемы определения основной погрешности УПП
ЦОУ
I вых
- +
(+ ) (-)
I*C I*A Uc U B Ua I C I A
О 2 |
О 1 |
О 11 |
О 12 |
О 17 |
О 18 |
О 19 |
О 20 |
О 24 |
О 25 |
О 26 |
О 27 |
О 28 |
О 29 |
О |
О |
О |
О |
О |
О |
О |
О |
О |
О |
О |
О |
О |
О |

(+)
+ (-)

PV
<'R

*
*
УПП 801М - устройство поверочное переносное;
УППУ-1М - установка поверочная полуавтоматическая универсальная; R - мера электрического спротивления однозначная, Р3030; PV - компаратор напряжений Р3003
Рисунок Б.1 - Схема определения основной погрешности ОП (Yon) УША при измерении активной мощности (Р)
XS
ЦОУ
I вых
- + (+ ) (-)
I C I A
I*C I*A N Uc Ub Ua
О 2 |
О 1 |
О 11 |
О 12 |
О 17 |
О 18 |
О 19 |
О 20 |
О 23 |
О 24 |
О 25 |
О 26 |
О 27 |
О 28 |
О 29 |
О |
О |
О |
О |
О |
О |
О |
О |
О |
О |
О |
О |
О |
О |
О |
+ (-)
(+)

R
о
о о
I
U
УПП 801М - устройство поверочное переносное;
УППУ-1М - установка поверочная полуавтоматическая универсальная; R - мера электрического спротивления однозначная, Р3030; PV - компаратор напряжений Р3003
Рисунок Б.2 - Схема определения основной погрешности образцового ИП (Yon) УПП при измерении реактивной мощности (Q)
XS
ЦОУ+ ЦОУ-
О 1 |
О 3 |
О 5 |
о |
о |
о |

ЦОУ

G - калибратор программируемый П320
Рисунок Б.3 - Схема определения основной погрешности ( УцОУ) цифрового отсчетного устройства
Приложение В
(обязательное)
Схемы определения дополнительной погрешности
ЦОУ
XS
I вых
- + (+) (-)
I*C
I C I A
I*A Uc U B Ua
О 2 |
О 1 |
О 11 |
О 12 |
О 17 |
О 18 |
О 19 |
О 20 |
О 24 |
О 25 |
О 26 |
О 27 |
О 28 |
О 29 |
О |
О |
О |
О |
О |
О |
О |
О |
О |
О |
О |
О |
О |
О |
+

PV
о
о
U
УПП 801М - устройство поверочное переносное;
УППУ-1М - установка поверочная полуавтоматическая универсальная;
R - мера электрического спротивления однозначная, Р3030; PV - компаратор напряжений Р3003;
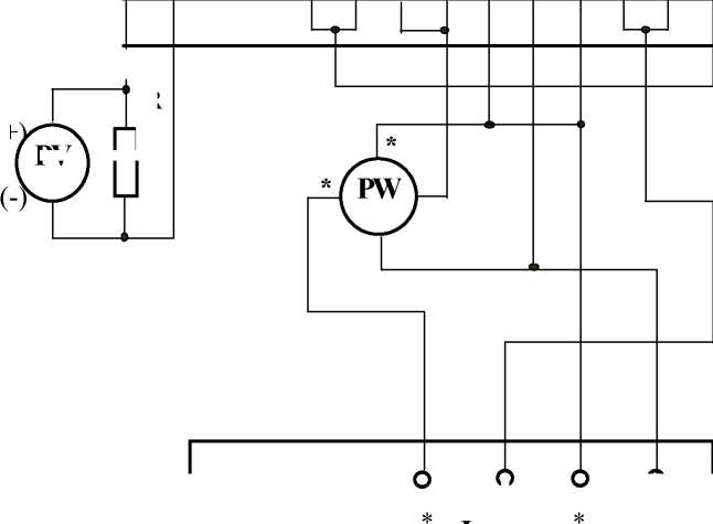
PW - ваттметр малокосинусный Д5094
Рисунок В.1 - Схема определения дополнительной погрешности от влияния
коэффициента мощности cos ф (активная мощность)
ЦОУ
I вых
(+) (-) I*C I*A N Uc Ua I C I A
О 2 |
О 1 |
О 11 |
О 12 |
О 17 |
О 18 |
О 19 |
О 20 |
О 23 |
О 24 |
О 26 |
О 27 |
О 28 |
О 29 |
О |
О |
О |
О |
О |
О |
О |
О |
О |
О |
О |
О |
О |
О |
+

R

УПП 801М УППУ-1М R
PV
PW
- устройство поверочное переносное;
- установка поверочная полуавтоматическая универсальная;
- мера электрического сопротивления однозначная, Р3030;
- компаратор напряжений Р3003;
- ваттметр малокосинусный Д5094
Рисунок В.2 - Схема определения дополнительной погрешности от влияния
коэффициента мощности sin ф (реактивная мощность)
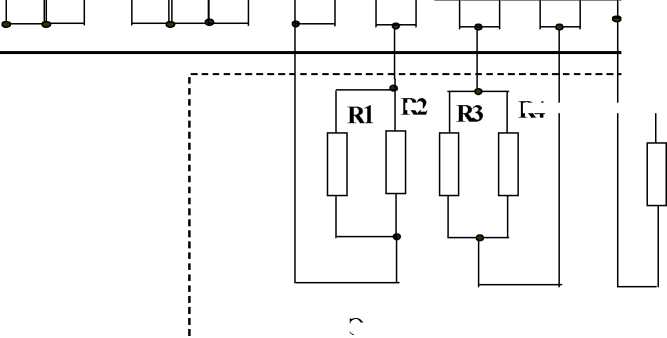
Приложение Г
(обязательное)
Схема определения погрешности сигнала, подаваемого на вход поверяемого ИП
УПП 801М
ЦОУ
Ia
I C
Uc Ua
О 29 |
О 13 |
О 14 |
О 27 |
О 28 |
О 11 |
О 12 |
О 9 |
О 10 |
О 19 |
О 20 |
О 7 |
О 8 |
О 17 |
О 18 |
О 24 |
О 26 |
О 15 |
О 16 |
О 1 |
О 2 |
О |
О |
О |
О |
О |
О |
О |
О |
О |
О |
О |
О |
О |
О |
О |
О |
О |
О |
О |
О |


R2
R4
Эквивалент нагрузки
J
I
I
I
I
I
I
I
I
R1 - R4 - резистор С5 - 16 мВ - 1 Вт -0,1 Ом ± 5 %;
R5 - резистор С5 - 37В -10 Вт -2,4 кОм ± 5 %.
Рисунок Г.1
23
Общество с дополнительной ответственностью
«Энергоприбор»
ул. Чапаева 32, г. Витебск, Республика Беларусь, 210033 Тел/Факс(+375-212) 55-01-24 www.enpribor.by; e-mail: contact@enpribor.by
