Методика поверки «ГСИ. Трансформаторы тока измерительные ТТИ» (ИЦРМ-МП-234-20)
СОГЛАСОВАНО
Технический директор ООО «ИЦРМ»
Государственная система обеспечения единства измерений
Трансформаторы тока измерительные ТТИМетодика поверки
ИЦРМ-МП-234-20
г. Москва
2020 г.
Содержание
-
5 МЕТРОЛОГИЧЕСКИЕ И ТЕХНИЧЕСКИЕ ТРЕБОВАНИЯ К СРЕДСТВАМ
-
6 ТРЕБОВАНИЯ (УСЛОВИЯ) ПО ОБЕСПЕЧЕНИЮ БЕЗОПАСНОСТИ
-
9 ОПРЕДЕЛЕНИЕ МЕТРОЛОГИЧЕСКИХ ХАРАКТЕРИСТИК СРЕДСТВА
-
10 ПОДТВЕРЖДЕНИЕ СООТВЕТСТВИЯ СРЕДСТВА ИЗМЕРЕНИЙ
-
1.1 Настоящая методика поверки распространяется на трансформаторы тока измерительные ТТИ (далее - трансформаторы тока), изготавливаемые «Zhejiang Dixsen Electrical Со., LTD», КНР, и устанавливает методику их первичной и периодической поверок.
-
1.2 Трансформаторы тока являются средствами измерений по приказу Госстандарта от 27.12.2018 г. № 2768 «Об утверждении Государственной поверочной схемы для средств измерений коэффициентов преобразования силы электрического тока».
-
1.3 Допускается проведение первичной поверки трансформаторов тока при выпуске из производства до ввода в эксплуатацию на основании выборки по ГОСТ Р ИСО 2859-1-2007. Проведение выборочной первичной поверки трансформаторов тока проводится по одноступенчатому выборочному плану для общего контрольного уровня I при приемлемом уровне качества AQL, равном 0,4, по ГОСТ Р ИСО 2859-1-2007. В зависимости от объема партии количество предоставляемых на поверку трансформаторов тока выбирается согласно таблице 1.
Таблица 1 - Количество предоставляемых трансформаторов тока
|
Объем партии, шт. |
Объем выборки, шт. |
Приемочное число Ас |
Браковочное число Re |
|
от 51 до 90 включ. |
5 |
0 |
1 |
|
от 91 до 150 включ. |
8 | ||
|
от 151 до 280 включ |
13 | ||
|
от 281 до 500 включ. |
20 | ||
|
от 501 до 1200 включ. |
32 | ||
|
от 1201 до 3200 включ. |
50 | ||
|
от 3201 до 10000 включ. |
80 |
1 |
2 |
|
от 10001 до 35000 включ. |
125 | ||
|
от 35001 до 150000 включ. |
200 |
2 |
3 |
|
от 150001 до 500000 включ. |
315 |
3 |
4 |
-
1.4 Интервал между поверками - 16 лет.
-
1.5 Метрологические характеристики трансформаторов тока приведены в таблице 2.
Таблица 2 - Метрологические характеристики
|
Наименование характеристики |
Значение для модш |
шкации | |||||
|
ТТИ-А |
ТТИ-30 |
ТТИ-40 |
ТТИ-60 |
ТТИ-85 |
ТТИ-100 |
ТТИ-125 | |
|
Номинальное напряжение, кВ |
0,66 | ||||||
|
Наибольшее рабочее напряжение, кВ |
0,72 | ||||||
|
Номинальный первичный ток, А |
5; 10; 15 20; 25; 30 40; 50; 60; 75; 80; 100; 120;125; 150; 200; 250; 300; 400;500; 600; 800; 1000 |
100; 150; 200; 250; 300 |
300; 400; 500; 600 |
600; 750; 800; 1000 |
750; 800; 1000; 1200; 1500 |
1000; 1200; 1250; 1500; 1600; 2000; 2500; 3000 |
1500; 2000; 2500; 3000; 4000; 5000 |
Продолжение таблицы 2
|
Наименование характеристики |
Значение для модис |
шкации | |||||
|
ТТИ-А |
тти-зо |
ТТИ-40 |
ТТИ-60 |
ТТИ-85 |
ТТИ-100 |
ТТИ-125 | |
|
Номинальный вторичный ток, А |
5 | ||||||
|
Номинальная частота, Гц |
50 или 60 | ||||||
|
Номинальная вторичная нагрузка с индуктивноактивным коэффициентом мощности coscp2 = 0,8, В А |
5; 10 |
5; 10 |
5, 10 |
10, 15 |
15 |
15 |
15 |
|
Номинальная вторичная нагрузка с коэффициентом мощности COS(P2 = 1, В-А |
5 |
1;5 |
1;5 |
- |
- |
- |
- |
|
Классы точности для измерений и учета по ГОСТ 7746-2015:
|
0,5 0,5S | ||||||
|
Номинальный коэффициент безопасности вторичных обмоток для измерений, не более |
5 | ||||||
-
2.1 При проведении поверки выполняют операции, указанные в таблице 3.
Таблица 3 - Операции поверки
|
Наименование операции |
Необходимость выполнения при | |
|
первичной поверке |
периодической поверке | |
|
Внешний осмотр средства измерений |
Да |
Да |
|
Подготовка к поверке и опробование средства измерений (проверка сопротивления изоляции, размагничивание, проверка правильности обозначения контактных зажимов и выводов) |
Да |
Да |
|
Определение метрологических характеристик средства измерений |
Да |
Да |
|
Подтверждение соответствия средства измерений |
Да |
Да |
|
Наименование операции |
Необходимость выполнения при | |
|
первичной поверке |
периодической поверке | |
|
метрологическим требованиям | ||
-
3.1 При проведении поверки должны соблюдаться следующие условия:
-
- температура окружающей среды (25± 10) °C;
-
- относительная влажность воздуха от 30 до 80 %.
-
4.1 К проведению поверки допускаются лица, изучившие настоящую методику поверки, эксплуатационную документацию на поверяемые трансформаторы тока и средства поверки.
-
4.2 К проведению поверки допускаются лица, являющиеся специалистами аккредитованного в соответствии с законодательством Российской Федерации об аккредитации в национальной системе аккредитации на проведение поверки средств измерений юридического лица и индивидуального предпринимателя, имеющие образование и опыт работы в соответствии с действующим законодательством Российской Федерации и непосредственно осуществляющие поверку средств данного вида измерений.
Таблица 4 - Средства поверки
|
Метрологические и технические требования к средствам поверки |
Рекомендуемый тип средства поверки, регистрационный номер в Федеральном информационном фонде и (или) метрологические или основные технические характеристики средства поверки |
|
Основные средства поверки | |
|
Рабочие эталоны -трансформаторы (компараторы) тока 2-го разряда согласно Приказу Федерального агентства по техническому регулированию и метрологии от 27.12.2018 г. № 2768 |
Трансформатор тока измерительный переносной «ТТИП», исполнение ТТИП-100/5, per. № 39854-08. Трансформатор тока измерительный переносной «ТТИП», исполнение ТТИП-5000/5, per. № 39854-08. |
|
Прибор сравнения токов с допускаемой погрешностью по току в пределах от ±0,03 до ±0,001 % и по фазовому углу от ±3,0 до ±0,1' |
Прибор для измерения электроэнергетических величин и показателей качества электрической энергии «Энергомонитор-3.ЗТ1», per. № 39952-08. |
|
Нагрузочное устройство поверяемого трансформатора тока (вторичная нагрузка) с погрешностью сопротивления нагрузки при cos (р = 0,8, не выходящей за пределы ±4 % |
Магазины нагрузок МР3027, per. № 34915-07. Магазины нагрузок СА5018-5, per. № 71114-18. |
|
Вспомогательные средства поверки | |
|
Мегомметр с характеристиками по |
Измеритель сопротивления, увлажненности и степени |
|
Метрологические и технические требования к средствам поверки |
Рекомендуемый тип средства поверки, регистрационный номер в Федеральном информационном фонде и (или) метрологические или основные технические характеристики средства поверки |
|
ГОСТ 7746-2015 |
старения электроизоляции MIC-5000, per. № 34590-07. |
|
Понижающий силовой трансформатор с регулирующим устройством, обеспечивающим диапазон регулирования от 1 до 120 % номинального тока поверяемого трансформатора тока и установку этого тока с погрешностью, не выходящей за пределы ±10 % |
Источник тока регулируемый «ИТ5000» (диапазон воспроизведений силы переменного тока от 0 до 6000 А). |
|
Трансформатор тока класса точности не ниже 5 по ГОСТ 7746-2015 |
Трансформатор тока измерительный переносной «ТТИП», исполнение ТТИП-100/5, per. № 39854-08. Трансформатор тока измерительный переносной «ТТИП», исполнение ТТИП-5000/5, per. № 39854-08. |
|
Амперметр класса точности не ниже 5 по ГОСТ 8711-93 |
Клещи электроизмерительные АРРА 138, per. № 49302-12. |
|
Вольтметр амплитудных значений класса точности 10 по ГОСТ 8711-93 |
Вольтметр С96, per. № 661-51. |
|
Измеритель температуры, относительной влажности окружающего воздуха и атмосферного давления в диапазонах в соответствии с п. 3.1 настоящей методики поверки |
Измеритель параметров микроклимата «МЕТЕОСКОП-М», per. № 32014-11. |
|
Нагрузочный резистор (значение сопротивления указано в п. 8.3.3 настоящей методики поверки) |
- |
Допускается применение аналогичных средств поверки с метрологическими и техническими характеристиками, обеспечивающими требуемую точность передачи единиц величин поверяемому средству измерений, установленную Приказом Федерального агентства по техническому регулированию и метрологии от 27.12.2018 г. № 2768.
6 ТРЕБОВАНИЯ (УСЛОВИЯ) ПО ОБЕСПЕЧЕНИЮ БЕЗОПАСНОСТИ ПРОВЕДЕНИЯ ПОВЕРКИ-
6.1 При проведении поверки необходимо соблюдать требования безопасности, установленные ГОСТ 12.3.019-80, «Правила технической эксплуатации электроустановок потребителей». Также должны быть соблюдены требования безопасности, изложенные в эксплуатационных документах на поверяемые трансформаторы тока и применяемые средства поверки.
-
6.2 Средства поверки, которые подлежат заземлению, должны быть надежно заземлены. Подсоединение зажимов защитного заземления к контуру заземления должно производиться ранее других соединений, а отсоединение - после всех отсоединений.
-
7.1 Трансформатор тока допускается к дальнейшей поверке, если:
-
- внешний вид трансформатора тока соответствует описанию типа;
-
- отсутствуют видимые дефекты, способные оказать влияние на безопасность проведения поверки или результаты поверки.
Примечание - При выявлении дефектов, способных оказать влияние на безопасность проведения поверки или результаты поверки, устанавливается возможность их устранения до проведения поверки. При наличии возможности устранения дефектов, выявленные дефекты устраняются, и трансформатор тока допускается к дальнейшей поверке. При отсутствии возможности устранения дефектов, трансформатор тока к дальнейшей поверке не допускается.
8 ПОДГОТОВКА К ПОВЕРКЕ И ОПРОБОВАНИЕ СРЕДСТВА ИЗМЕРЕНИЙ-
8.1 Перед проведением поверки необходимо выполнить следующие подготовительные работы:
-
- изучить эксплуатационную документацию на поверяемый трансформатор тока и на применяемые средства поверки;
-
- выдержать трансформатор тока в условиях окружающей среды, указанных в п. 3.1, не менее 2 ч, если он находился в климатических условиях, отличающихся от указанных в п. 3.1, и подготовить его к работе в соответствии с его эксплуатационной документацией;
-
- подготовить к работе средства поверки в соответствии с указаниями их эксплуатационной документации.
-
8.2 Проверка сопротивления изоляции
Сопротивление изоляции обмоток у трансформаторов тока проверяют для каждой обмотки между соединенными вместе контактными выводами обмоток и корпусом при помощи мегомметра на 1000 В - для вторичных обмоток и первичных обмоток трансформаторов тока.
Значения сопротивления изоляции должны быть не менее:
-
- 40 МОм - для первичных обмоток трансформаторов тока;
-
- 20 МОм - для вторичных обмоток трансформаторов тока.
-
8.3 Размагничивание
-
8.3.1 Схема размагничивания приведена на рисунке 1. Размагничивание проводят на переменном токе при частоте 50 Гц. Трансформаторы с номинальной частотой свыше 50 Гц допускается размагничивать при номинальной частоте.


-
Гр - регулирующее устройство (автотрансформатор); Тп - понижающий силовой трансформатор; 7\ - поверяемый трансформатор тока; Гв - вспомогательный трансформатор тока; R - резистор
-
8.3.2 У трансформаторов тока с несколькими вторичными обмотками, каждая из которых размещена на отдельном магнитопроводе, размагничивают каждый магнитопровод. Допускается размагничивание различных магнитопроводов выполнять одновременно.
-
8.3.3 Трансформаторы тока размагничивают одним из указанных ниже способов.
Первый способ. Вторичную обмотку замыкают на резистор мощностью не менее 250 Вт и сопротивлением R, Ом, рассчитываемым (с отклонением в пределах ±10%) по формуле:
250
«=— 0) 'ном
где /„ом - номинальный вторичный ток поверяемого трансформатора тока, А.
Если поверяемый трансформатор тока имеет несколько вторичных обмоток, каждая из которых расположена на своем магнитопроводе, то обмотки, расположенные на остальных магнитопроводах, замыкают накоротко.
Через первичную обмотку пропускают номинальный ток, затем плавно (в течение одной-двух минут) уменьшают его до значения, не превышающего 2 % от номинального.
Второй способ. Через первичную обмотку трансформатора тока при разомкнутой вторичной обмотке пропускают ток, равный 10 % от номинального значения первичного тока, затем плавно снижают его до значения, не превышающего 0,2 % от номинального.
Третий способ. Через вторичную обмотку трансформатора тока при разомкнутой первичной обмотке пропускают ток, равный 10 % от номинального значения вторичного тока, затем плавно снижают его до значения, не превышающего 0,2 % от номинального.
-
8.3.4 Если при токе в первичной обмотке, составляющем 10 % от номинального значения, амплитудное напряжение на вторичной обмотке превышает 75 % от напряжения, указанного в ГОСТ 7746-2015 при испытании межвитковой изоляции, то размагничивание начинают при меньшем значении тока, при котором напряжение, индуктируемое (8.3.3, второй способ) или прикладываемое к вторичной обмотке (8.3.3, третий способ), не превышает указанного.
-
8.4 Проверка правильности обозначения контактных зажимов и выводов
-
8.4.1 Схемы поверки приведены на рисунках 2-4. Правильность обозначения контактных зажимов и выводов определяют по схеме поверки, выбранной для определения погрешностей по 8.5.

-
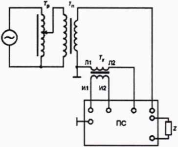
~ - сеть (генератор); Тр - регулирующее устройство (автотрансформатор); Тп - понижающий силовой трансформатор; Тх - поверяемый трансформатор тока; Ль Л2 - контактные зажимы первичной обмотки; Иь И2 - контактные зажимы вторичной обмотки; Z- нагрузка;
ПС - прибор сравнения
Рисунок 2 - Схема поверки с использованием компаратора первичного и вторичного токов

|
“YV И2 |
И1 |
И2 | ||
|
( |
> < |
> ( |
> О | |
|
I—О |
ПС |
о | ||
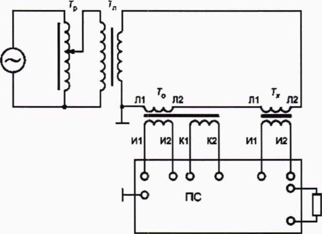
— сеть (генератор); Тр - регулирующее устройство (автотрансформатор); Тп - понижающий силовой трансформатор; То - рабочий эталон; Тх - поверяемый трансформатор тока; Л|, Л2 -контактные зажимы первичной обмотки; И|, И2 - контактные зажимы вторичной обмотки;
Z - нагрузка; ПС - прибор сравнения
Рисунок 3 - Схема поверки с использованием рабочего эталона и прибора сравнения (компаратора вторичных токов)


— сеть (генератор); Тр - регулирующее устройство (автотрансформатор); 7"п - понижающий силовой трансформатор; То - рабочий эталон; Тх - поверяемый трансформатор тока;
Ль Л2 - контактные зажимы первичной обмотки; Иь И2 - контактные зажимы вторичной обмотки; Ki, К2 - контактные зажимы дополнительной вторичной обмотки; Z- нагрузка; ПС - прибор сравнения
Рисунок 4 - Схема поверки с использованием рабочего эталона, выполненного по схеме двухступенчатого трансформатора тока
-
8.4.2 Поверяемый трансформатор тока и рабочий эталон включают в соответствии с маркировкой контактных зажимов по выбранной схеме поверки (см. рисунки 2-4). Затем плавно увеличивают первичный ток до значения, составляющего от 5 до 10 % от номинального. В случае правильной маркировки выводов на приборе сравнения токов можно определить соответствующие значения погрешностей поверяемого трансформатора тока. При неправильном обозначении контактных зажимов и выводов поверяемого трансформатора тока угловая погрешность, отображаемая на приборе сравнения, будет равна (180±3)°. В этом случае трансформатор тока дальнейшей поверке не подлежит и к применению не допускается.
Примечание - Допускается проводить проверку правильности обозначения выводов другими методами.
9 ОПРЕДЕЛЕНИЕ МЕТРОЛОГИЧЕСКИХ ХАРАКТЕРИСТИК СРЕДСТВА ИЗМЕРЕНИЙ-
9.5.1 Токовые и угловые погрешности трансформаторов тока определяют в соответствии со схемами поверки, указанными на рисунках 2-4 при значениях первичного тока и нагрузки, указанных в 9.5.2 и 9.5.3. Соединение приборов для измерительной схемы по рисункам 2-4 осуществляют в соответствии с требованиями руководства по эксплуатации применяемого прибора сравнения токов. Номинальное значение нагрузки устанавливают до начала измерений. Последовательность выполнения измерений - от минимального значения тока с последующим его увеличением до максимального.
-
9.5.2 Для трансформаторов тока класса точности 0,5S погрешности определяют при значениях первичного тока, составляющих 1; 5; 20; 100 и 120 % от номинального значения первичного тока поверяемого трансформатора тока, и при номинальной нагрузке, а также при значении первичного тока 100 % или 120 % от номинального значения первичного тока поверяемого трансформатора тока, и нагрузке, равной нижнему пределу диапазона нагрузок, равному 25 %.
-
9.5.3 Для трансформаторов тока класса точности 0,5 погрешности определяют при значениях первичного тока, составляющих 5, 20 и 100% от номинального значения первичного тока поверяемого трансформатора и при номинальной нагрузке, а также при значении первичного тока, равного 120% от номинального значения первичного тока поверяемого трансформатора, и нагрузке, равной нижнему пределу диапазона нагрузок, равному 25 %.
Примечание
-
1 Допускается заменять номинальную нагрузку на нагрузку, превышающую номинальную, но не более чем на 25 %, а нагрузку, соответствующую нижнему пределу диапазона нагрузок, - на любую нагрузку, не превышающую этого предела. Если при изменении нагрузки погрешности трансформаторов тока превысят предельно допускаемые значения, проводят повторное определение погрешностей при нагрузках, равных номинальной и нижнему пределу диапазона нагрузок.
-
2 Для трансформаторов тока, у которых 25% от номинального значения нагрузки составляет менее 1 В А, погрешность определяют при нагрузке 1 В А.
-
9.5.4 Погрешности трансформаторов тока номинальной частотой 60 Гц допускается определять на частоте 50 Гц.
-
9.5.5 По заявке потребителя поверку трансформаторов тока, находящихся в эксплуатации, допускается проводить при иных значениях тока и вторичной нагрузки, отличающихся от указанных в настоящей методике поверки.
-
9.5.6 Считать значения абсолютной погрешности трансформаторов тока при измерении угла сдвига фаз Д5, ...'и относительной погрешности трансформаторов тока при измерении тока 5, %, на приборе сравнения для каждого испытательного сигнала.
-
9.5.7 Если номинальный первичный ток поверяемого трансформатора тока ^1ном? А, отличается от номинального первичного тока эталонного трансформатора тока /1Н0М.ЭТ» А, необходимо выполнить следующие операции:
-
9.5.7.1 На эталонном трансформаторе установить номинальный первичный ток, соответствующий номинальному первичному току поверяемого трансформатора тока, округленному в большую сторону до ближайшего нормированного значения номинального первичного тока эталонного трансформатора.
-
9.5.7.2 При помощи регулирующего устройства последовательно подать испытательные сигналы в соответствии с таблицей 5.
Таблица 5 - Пределы допускаемых погрешностей вторичных обмоток для измерений и учета
|
Класс точности |
Первичный ток, % от номинального значения первичного тока поверяемого трансформатора тока |
Пределы допускаемой относительной погрешности трансформаторов при измерении тока, % |
Пределы допускаемой абсолютной погрешности трансформаторов при измерении утла сдвига фаз,...' |
|
0,5S |
1 |
±1,5 |
±90 |
|
5 |
±0,75 |
±45 | |
|
20 |
±0,5 |
±30 | |
|
100 |
±0,5 |
±30 | |
|
120 |
±0,5 |
±30 | |
|
0,5 |
5 |
±1,5 |
±90 |
|
20 |
±0,75 |
±45 | |
|
100 |
±0,5 |
±30 | |
|
120 |
±0,5 |
±30 |
-
9.5.7.3 Зафиксировать измеренные значения вторичных токов эталонного /2эт, А, и поверяемого /2, А, трансформаторов на приборе сравнения в режиме амперметра для каждого испытательного сигнала.
-
10.1.1 Для поверяемого трансформатора тока, номинальный первичный ток которого отличается от номинального первичного тока эталонного трансформатора расчет относительной погрешности проводить по формулам, приведенным ниже.
Исходя из результатов измерений, полученных в п. 9.5.7.3 рассчитать значения первичных токов эталонного /1ЭТ, А, и поверяемого /ь А, трансформаторов формулам:
тока по
(2)
(3)
Л.ЭТ 71-НОМ.ЭТ ' А>эт
Л ~ ^ном ’ ^2
где пНом.эт ~ коэффициент трансформации эталонного трансформатора; пНом ~ коэффициент трансформации поверяемого трансформатора.
-
10.1.2 Рассчитать относительную погрешность трансформаторов тока при измерении тока 6f, %, по формуле:
sf = 11 - /1зт • 100 (4)
*1ЭТ
Трансформатор тока подтверждает соответствие метрологическим требованиям, установленным при утверждении типа, если:
-
1) При проверке сопротивления изоляции, измеренные значения сопротивления изоляции не менее:
-
- 40 МОм - для первичных обмоток трансформаторов тока;
-
- 20 МОм - для вторичных обмоток трансформаторов тока.
-
2) При проверке правильности обозначения контактных зажимов и выводов установлено их соответствие.
-
3) Полученные значения токовых и угловых погрешностей поверяемых трансформаторов тока не должны превышать пределов допускаемых погрешностей, указанных в таблице 5.
При невыполнении любого из вышеперечисленных условий (когда трансформатор тока не подтверждает соответствие метрологическим требованиям), поверку трансформатора тока прекращают, результаты поверки признают отрицательными.
11 ОФОРМЛЕНИЕ РЕЗУЛЬТАТОВ ПОВЕРКИ-
11.1 Результаты поверки трансформатора тока подтверждаются сведениями, включенными в Федеральный информационный фонд по обеспечению единства измерений в соответствии с порядком, установленным действующим законодательством.
-
11.2 По заявлению владельца трансформатора тока или лица, представившего его на поверку, положительные результаты поверки (когда трансформатор тока подтверждает соответствие метрологическим требованиям) оформляют свидетельством о поверке по форме, установленной в соответствии с действующим законодательством, и (или) нанесением на трансформатор тока знака поверки, и (или) внесением в паспорт трансформатора тока записи о проведенной поверке, заверяемой подписью поверителя и знаком поверки, с указанием даты поверки.
-
11.3 По заявлению владельца трансформатора тока или лица, представившего его на поверку, отрицательные результаты поверки (когда трансформатор тока не подтверждает соответствие метрологическим требованиям) оформляют извещением о непригодности к применению средства измерений по форме, установленной в соответствии с действующим законодательством, и (или) внесением в паспорт трансформатора тока соответствующей записи.
-
11.4 Протоколы поверки трансформатора тока оформляются по произвольной форме.
Ведущий инженер ООО «ИЦРМ»

П. В. Галыня
12
