Методика поверки «ГСИ. Преобразователи измерительные многофункциональные MTR-4 » (ИЦРМ-МП-091-21)
СОГЛАСОВАНО

Технический директор
ООО «ИЦРМ»

Государственная система обеспечения единства измерений
Преобразователи измерительные многофункциональные MTR-4Методика поверки
ИЦРМ-МП-091-21г. Москва
2021 г.
Содержание-
5 МЕТРОЛОГИЧЕСКИЕ И ТЕХНИЧЕСКИЕ ТРЕБОВАНИЯ К СРЕДСТВАМ ПОВЕРКИ
-
6 ТРЕБОВАНИЯ (УСЛОВИЯ) ПО ОБЕСПЕЧЕНИЮ БЕЗОПАСНОСТИ ПРОВЕДЕНИЯ
-
10 ОПРЕДЕЛЕНИЕ МЕТРОЛОГИЧЕСКИХ ХАРАКТЕРИСТИК СРЕДСТВА ИЗМЕРЕНИЙ 6
-
11 ПОДТВЕРЖДЕНИЕ СООТВЕТСТВИЯ СРЕДСТВА ИЗМЕРЕНИЙ
-
1.1 Настоящая методика поверки распространяется на преобразователи измерительные многофункциональные MTR-4 (далее - приборы, преобразователи), изготавливаемые DEIF А/S, Дания, и устанавливает методику их первичной и периодической поверок.
-
1.2 При проведении поверки должна обеспечиваться прослеживаемость преобразователя к ГЭТ 89-2008 согласно государственной поверочной схеме, утвержденной Приказом Федерального агентства по техническому регулированию и метрологии от 29 мая 2018 года № 1053, к ГЭТ 88-2014 согласно государственной поверочной схеме, утвержденной Приказом Федерального агентства по техническому регулированию и метрологии от 14 мая 2015 года № 575, к ГЭТ 61-88 согласно государственной поверочной схеме, утвержденной Приказом Федерального агентства по техническому регулированию и метрологии от 6 декабря 2019 года № 2882, к ГЭТ 153-2019 согласно ГОСТ 8.551-2013.
-
1.3 Допускается проведение периодической поверки для меньшего числа измеряемых величин в соответствии с заявлением владельца средства измерений, с обязательным указанием в сведениях о поверке информации об объеме проведенной поверки.
-
1.4 Поверка преобразователя должна проводиться в соответствии с требованиями настоящей методики поверки. Интервал между поверками - 4 года.
-
1.5 Методы, обеспечивающие реализацию методики поверки, - косвенный метод измерений, прямой метод измерений и метод непосредственного сличения.
-
1.6 Основные метрологические характеристики преобразователей приведены в Приложении А.
2.1 При проведении поверки выполняют операции, указанные в таблице 1. Таблица 1 - Операции поверки
Наименование операции |
Необходимость выполнения при | |
первичной поверке |
периодической поверке | |
Внешний осмотр средства измерений |
Да |
Да |
Подготовка к поверке и опробование средства измерений |
Да |
Да |
Проверка программного обеспечения средства измерений |
Да |
Да |
Определение метрологических характеристик средства измерений |
Да |
Да |
Подтверждение соответствия средства измерений метрологическим требованиям |
Да |
Да |
-
3.1 При проведении поверки должны соблюдаться следующие условия:
-
- температура окружающей среды плюс (20±5) °C;
-
- относительная влажность от 30 до 80 %.
-
4.1 К проведению поверки допускаются лица, изучившие настоящую методику поверки, эксплуатационную документацию на поверяемые приборы и средства поверки.
-
4.2 К проведению поверки допускаются лица, соответствующие требованиям, изложенным в статье 41 Приказа Минэкономразвития России от 26.10.2020 года № 707 (ред. от 30.12.2020 года) «Об утверждении критериев аккредитации и перечня документов, подтверждающих соответствие заявителя, аккредитованного лица критериям аккредитации».
Таблица 2 - Средства поверки
Метрологические и технические требования к средствам поверки |
Рекомендуемый тип средства поверки, регистрационный номер в Федеральном информационном фонде по обеспечению единства измерений (далее - per. №) и (или) метрологические или основные технические характеристики средства поверки |
Основные средства поверки | |
Диапазон измерений среднеквадратического значения напряжения переменного тока: фазного от 10 до 600 В, линейного от 17,4 до 1000 В. Диапазон измерений среднеквадратического значения силы переменного тока от 0,05 до 20 А. Диапазон измерений коэффициента мощности от -1 до +1. Диапазон измерений угла фазового сдвига между одноименными среднеквадратическими значениями напряжения и силы переменного тока и между среднеквадратическими значениями фазных напряжений переменного тока от -180° до +180°. Диапазон измерений активной/реактивной фазной и суммарной электрической мощности от 10 до 600 В, от 0,05 до 20 А, от -1 до +1. Диапазон измерений полной фазной и суммарной мощности от 10 до 600 В, от 0,05 до 20 А. Диапазон измерений частоты переменного тока от 40 до 400 Гц. Соотношение пределов допускаемой общей погрешности эталонного средства измерений входного сигнала и эталонного средства измерений выходного сигнала и пределов допускаемой погрешности поверяемого средства измерений должно быть не более 1:3 |
Прибор электроизмерительный эталонный многофункциональный «Энергомонитор-3.1 КМ», модификация «Энергомонитор-3.1 КМ» П-02-010-3-0-50-1000К10, per. 52854-13 Калибратор универсальный 9100, per. № 25985-09 Мультиметр 3458А, per. № 25900-03 Трансформаторы напряжения (Первичное напряжение переменного тока: 1000 В, вторичное напряжение переменного тока: 100 В). Калибратор универсальный 9100, per. № 25985-09 Мультиметр 3458A, per. № 25900-03 |
Вспомогательные средства поверки | |
Выходное напряжение переменного тока 1,5 кВ частотой 50 Гц; измерение электрического сопротивления постоянному току не менее 20 МОм (выходное напряжение постоянного тока 500 В) |
Установка для проверки параметров электрической безопасности GPT-79803, per. № 50682-12 |
Диапазон воспроизведения: напряжение переменного тока от 0,1 до 264 В; сила переменного тока от 0,05 до 120 А; частота переменного тока от 45 до 70 Гц; угол ср от 0 до 360° |
Источник переменного тока и напряжения трехфазный программируемый «Энергоформа-3.3-100» |
Диапазон измерений температуры окружающей среды от +15 до +25 °C, диапазон измерений относительной влажности от 30 до 80 % |
Измеритель параметров микроклимата «МЕТЕОСКОП-М», per. № 32014-11 |
Диапазон воспроизведений напряжения постоянно- |
Источник питания постоянно- |
Метрологические и технические требования к средствам поверки |
Рекомендуемый тип средства поверки, регистрационный номер в Федеральном информационном фонде по обеспечению единства измерений (далее - per. №) и (или) метрологические или основные технические характеристики средства поверки |
го тока от 19,2 до 300 В/диапазон воспроизведений напряжения переменного тока от 38,4 до 276 В, частота переменного тока от 45 до 65 Гц |
го/переменного тока (далее - ИПН) |
Диапазон измерений напряжения постоянного тока от 19,2 до 300 В, диапазон измерений напряжения переменного тока от 38,4 до 276 В, частота переменного тока от 45 до 65 Гц |
Мультиметр цифровой Fluke 87V, per. №33404-12 |
Наличие интерфейсов Ethernet и USB; дисковод для чтения CD-ROM; операционная система Windows с установленным программным обеспечением |
Персональный компьютер IBM PC |
Допускается применение средств поверки с метрологическими и техническими характеристиками, обеспечивающими требуемую точность передачи единиц величин поверяемому средству измерений.
6 ТРЕБОВАНИЯ (УСЛОВИЯ) ПО ОБЕСПЕЧЕНИЮ БЕЗОПАСНОСТИ ПРОВЕДЕНИЯ ПОВЕРКИ-
6.1 При проведении поверки необходимо соблюдать требования безопасности, установленные ГОСТ 12.3.019-80, «Правилами технической эксплуатации электроустановок потребителей». Также должны быть соблюдены требования безопасности, изложенные в эксплуатационных документах на поверяемые преобразователи и применяемые средства поверки.
Преобразователь допускается к дальнейшей поверке, если:
-
- внешний вид преобразователя соответствует описанию типа;
-
- соблюдаются требования по защите преобразователя от несанкционированного вмешательства согласно описанию типа;
-
- отсутствуют видимые дефекты, способные оказать влияние на безопасность проведения поверки или результаты поверки.
Примечание - При выявлении дефектов, способных оказать влияние на безопасность проведения поверки или результаты поверки, устанавливается возможность их устранения до проведения поверки. При наличии возможности устранения дефектов, выявленные дефекты устраняются, и преобразователь допускается к дальнейшей поверке. При отсутствии возможности устранения дефектов, преобразователь к дальнейшей поверке не допускается.
8 ПОДГОТОВКА К ПОВЕРКЕ И ОПРОБОВАНИЕ СРЕДСТВА ИЗМЕРЕНИЙ-
8.1 Перед проведением поверки необходимо выполнить следующие подготовительные работы:
-
- изучить эксплуатационную документацию на поверяемый преобразователь и на применяемые средства поверки;
-
- выдержать преобразователь в условиях окружающей среды, указанных в п. 3.1, не менее 2 ч, если он находился в климатических условиях, отличающихся от указанных в п. 3.1, и подготовить его к работе в соответствии с его эксплуатационной документацией;
- подготовить к работе средства поверки в соответствии с указаниями их эксплуатационной документации.
-
8.2 Опробование
Опробование проводить в следующей последовательности:
-
1) Подключить преобразователь к сетевому питанию или к ИПН.
-
2) Проверить функционирование дисплея, органов управления преобразователя в соответствии с эксплуатационной документацией (далее - ЭД).
-
8.3 Проверка электрического сопротивления изоляции
Проверку электрического сопротивления изоляции проводить на установке для проверки параметров электрической безопасности GPT-79803 испытательным напряжением постоянного тока 500 В между соединенными зажимами электрического питания и корпусом преобразователя, обернутым в металлическую проводящую фольгу, и между всеми соединенными зажимами, предназначенными для измерения напряжения, и корпусом преобразователя, обернутым в металлическую проводящую фольгу, в соответствии с ЭД.
Измерить значение электрического сопротивления изоляции.
-
8.4 Проверка электрической прочности изоляции
Проверку электрической прочности изоляции проводить на установке для проверки параметров электрической безопасности GPT-79803 действующим значением испытательного напряжения 1,5 кВ синусоидальной формы частотой 50 Гц в течение 1 минуты между соединенными зажимами электрического питания и корпусом преобразователя, обернутым в металлическую проводящую фольгу, и между всеми соединенными зажимами, предназначенными для измерения напряжения, и корпусом преобразователя, обернутым в металлическую проводящую фольгу, в соответствии с ЭД.
Преобразователь допускается к дальнейшей поверке, если при опробовании дисплей, органы управления преобразователя функционируют в соответствии с ЭД, при проверке электрического сопротивления изоляции измеренное значение электрического сопротивления изоляции не менее 20 МОм, во время проверки электрической прочности изоляции не произошло пробоя или поверхностного перекрытия изоляции.
9 ПРОВЕРКА ПРОГРАММНОГО ОБЕСПЕЧЕНИЯ СРЕДСТВА ИЗМЕРЕНИЙПроверку соответствия программного обеспечения преобразователя проводить в следующей последовательности:
-
1) Подключить преобразователь к сетевому питанию или ИПН.
-
2) Подключить преобразователь к персональному компьютеру (далее - ПК) с установленным программным обеспечением (далее - ПО).
-
3) В меню на ПК считать идентификационные данные ПО.
-
4) Проверить соответствие идентификационных данных ПО, отображаемых на ПК, идентификационным данным ПО, указанным в описании типа на преобразователь.
Преобразователь допускается к дальнейшей поверке, если ПО соответствует требованиям, указанным в описании типа.
10 ОПРЕДЕЛЕНИЕ МЕТРОЛОГИЧЕСКИХ ХАРАКТЕРИСТИК СРЕДСТВА ИЗМЕРЕНИЙ-
10.1 Определение приведенной (к верхнему пределу измерений) основной погрешности измерений среднеквадратического значения фазного/линейного напряжения переменного тока (далее - напряжения переменного тока) проводить в следующей последовательности:
-
1) Собрать схему, представленную на рисунке 1 или 2, в соответствии с ЭД, а также подключить преобразователь к ПК с установленным ПО.
* поверочная установка представляет собой прибор электроизмерительный эталонный многофункциональный «Энергомонитор-3.1КМ», модификация «Энергомонитор-3.1КМ» П-02-010-3-0-50-1000К10, предназначенный для измерений, совместно с источником переменного тока и напряжения трехфазного программируемого «Энергоформа-3.3-100, предназначенным для воспроизведений (далее - поверочная установка)
Рисунок 1 - Схема подключения при измерении напряжения переменного тока до 264 В

Рисунок 2 - Схема подключения при измерении напряжения переменного тока свыше 264 В
-
2) Подготовить к работе и включить поверочную установку, поверяемый преобразователь, а также вспомогательные средства измерений и оборудование согласно их ЭД.
-
3) Воспроизвести с помощью поверочной установки пять испытательных сигналов напряжений переменного тока при номинальном значении частоты переменного тока fH0M, равномерно распределенных внутри диапазона измерений (от 0 до 5 %, от 20 до 30 %, от 50 до 60 %, от 70 до 80 %, от 90 до 100 % от диапазона измерений).
-
4) Считать на ПК измеренные значения напряжения переменного тока.
-
10.2 Определение приведенной (к верхнему пределу измерений) основной погрешности измерений среднеквадратического значения силы переменного тока (далее - сила переменного тока) проводить в следующей последовательности:
-
1) Собрать схему, представленную на рисунке 3, в соответствии с ЭД, а также подключить преобразователь к ПК с установленным ПО.
Рисунок 3 - Схема подключения при измерении силы переменного тока
-
2) Подготовить к работе и включить поверочную установку, поверяемый преобразователь, а также вспомогательные средства измерений и оборудование согласно их ЭД.
-
3) Воспроизвести с помощью поверочной установки пять испытательных сигналов силы переменного тока при номинальном значении частоты переменного тока fH0M, равномерно распределенных внутри диапазона измерений (от 0 до 5 %, от 20 до 30 %, от 50 до 60 %, от 70 до 80 %, от 90 до 100 % от диапазона измерений).
-
4) Считать на ПК измеренные значения силы переменного тока.
-
10.3 Определение относительной основной погрешности измерений фазной и суммарной (активной, реактивной, полной) электрической мощности проводить в следующей последовательности:
-
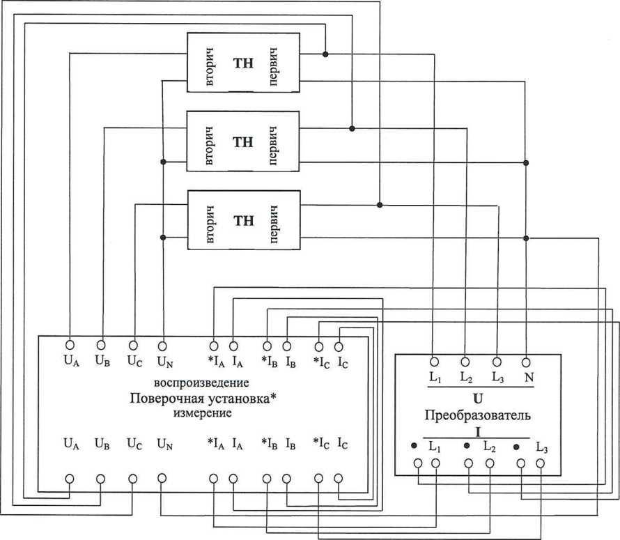
1) Собрать схему, представленную на рисунке 4 или 5, в соответствии с ЭД, а также подключить преобразователь к ПК с установленным ПО.

Рисунок 4 - Схема подключения при измерении фазной и суммарной (активной, реактивной, полной) электрической мощности, коэффициента мощности (при значениях напряжения переменного тока до 264 В)
Г |
5Г | |
S а |
TH « | |
о |
а | |
f- |
О | |
CQ |
3“ s

TH
и

с
a TH
о
г S
са а

б иА
б ив
б б Uc UN
воспроизведение
Поверочная установка
измерение
иА
ив
Uc UN
*1А I
Q
0 б *1а 1а

О б б б
Li L2 L3 N
U
Преобразователь
______________I_____________
• L| • L2 ® L3 б б б

Рисунок 5 - Схема подключения при измерении фазной и суммарной (активной, реактивной, полной) электрической мощности, коэффициента мощности (при значениях напряжения переменного тока свыше 264 В)
-
2) Подготовить к работе и включить поверочную установку, поверяемый преобразователь, а также вспомогательные средства измерений и оборудование согласно их ЭД.
-
3) С поверочной установки подать на измерительные входы поверяемого преобразователя испытательные сигналы с характеристиками, приведенными в таблицах 3-5 (при частоте переменного тока fH0M).
Таблица 3 - Испытательные сигналы для определения относительной основной погрешности
измерений активной фазной и суммарной электрической мощности
№ |
Значение напряжения переменного тока, В |
Значение силы переменного тока, А |
Коэффициент мощности |
1 |
от 0 до 5 % от диапазона напряжения переменного тока |
/ -‘ном |
1 |
2 |
от 50 до 60 % от диапазона напряжения переменного тока | ||
3 |
от 90 до 100 % от диапазона напряжения переменного тока | ||
|
и 2) ^ном |
от 0 до 5 % от диапазона силы переменного тока |
1 |
от 50 до 60 % от диапазона силы переменного тока | |||
от 90 до 100 % от диапазона силы переменного тока | |||
9 |
f/ном |
AlOM |
-1 |
0,8 (при емкостной нагрузке) | |||
0,5 (при индуктивной нагрузке) | |||
10 |
от 90 до 100 % от диапазона напряжения переменного тока |
от 90 до 100 % от диапазона силы переменного тока |
1 |
11 |
от 90 до 100 % от диапазона напряжения переменного тока |
от 90 до 100 % от диапазона силы переменного тока |
-1 |
1}Люм - номинальное значение силы переменного тока. 2) инОм - номинальное значение напряжения переменного тока. |
Таблица 4 - Испытательные сигналы для определения относительной основной погрешности
измерений реактивной фазной и суммарной электрической мощности
№ |
Значение напряжения переменного тока, В |
Значение силы переменного тока, А |
Коэффициент мощности (при индуктивной или емкостной нагрузке) |
1 |
от 0 до 5 % от диапазона напряжения переменного тока | ||
2 |
от 50 до 60 % от диапазона напряжения переменного тока |
I 1 ном |
1 |
3 |
от 90 до 100 % от диапазона напряжения переменного тока | ||
4 |
от 0 до 5 % от диапазона силы переменного тока | ||
5 |
и ‘-'ном |
от 50 до 60 % от диапазона силы переменного тока |
1 |
6 |
от 90 до 100 % от диапазона |
№ |
Значение напряжения переменного тока, В |
Значение силы переменного тока, А |
Коэффициент мощности (при индуктивной или емкостной нагрузке) |
силы переменного тока | |||
7 |
-1 | ||
8 |
/7ном |
7ном |
0,8 (емкостная нагрузка) |
9 |
0,5 (индуктивная нагрузка) | ||
10 |
от 90 до 100 % от диапазона |
от 90 до 100 % от диапазона |
1 |
напряжения переменного тока |
силы переменного тока | ||
11 |
от 90 до 100 % от диапазона напряжения переменного тока |
от 90 до 100 % от диапазона силы переменного тока |
-1 |
1}/Ном - номинальное значение силы переменного тока. 2) //ном - номинальное значение напряжения переменного тока. |
Таблица 5 - Испытательные сигналы для определения относительной основной погрешности измерений полной фазной и суммарной электрической мощности
№ |
Значение напряжения переменного тока, В |
Значение силы переменного тока, А |
1 |
от 0 до 5 % от диапазона напряжения переменного тока |
/ 'НОМ |
2 |
от 50 до 60 % от диапазона напряжения переменного тока | |
3 |
от 90 до 100 % от диапазона напряжения переменного тока | |
|
TJ 2) '-'НОМ |
от 0 до 5 % от диапазона силы переменного тока |
от 50 до 60 % от диапазона силы переменного тока | ||
от 90 до 100 % от диапазона силы переменного тока | ||
7 |
от 90 до 100 % от диапазона напряжения переменного тока |
от 90 до 100 % от диапазона силы переменного тока |
1} /„ом - номинальное значение силы переменного тока. 2) UH0M - номинальное значение напряжения переменного тока. |
-
4) По истечении времени после подачи сигнала, достаточного для определения погрешности, зафиксировать на ПК измеренные значения.
-
10.4 Определение приведенной (к верхнему пределу измерений) основной погрешности измерений частоты переменного тока проводить в следующей последовательности с помощью калибратора универсального 9100 (далее - 9100):
-
1) Собрать схему, представленную на рисунке 6, в соответствии с ЭД, а также подключить преобразователь к ПК с установленным ПО.
о о
О О
Hi Lo
Li (U, L3) N
и
9100
Преобразователь
а) при проверке при напряжении переменного тока 10 В, UH0M и 600 В
6 6 |
6 6 | |
1+ I. |
• Lj (L2, L3) | |
I | ||
9100 |
Преобразователь |
б) при проверке при силе переменного тока 0,05 А, 1Н0М и 12,5 (20) А
Рисунок 6 - Схема подключения при измерении частоты переменного тока
-
2) Подготовить к работе и включить 9100, поверяемый преобразователь, а также вспомогательные средства измерений и оборудование согласно их ЭД.
-
3) На выходе 9100 поочередно установить пять испытательных сигналов частоты переменного тока при Ином, равномерно распределенных внутри диапазона измерений (от 0 до 5 %, от 20 до 30 %, от 50 до 60 %, от 70 до 80 %, от 90 до 100 % от диапазона измерений).
-
4) Считать с ПК измеренные значения частоты переменного тока.
-
5) Повторить операции 3) - 4) при значениях фазного напряжения переменного тока 10 и 600 В для всех фаз.
-
6) Повторить операции 3) - 4) при значениях силы переменного тока 0,05,1ном и 12,5 (20) А для всех фаз.
-
10.5 Определение приведенной (к верхнему пределу измерений) основной погрешности измерений коэффициента мощности проводить в следующей последовательности:
-
1) Собрать схему, представленную на рисунке 4 или 5, в соответствии с ЭД, а также подключить преобразователь к ПК с установленным ПО.
-
2) Подготовить к работе и включить поверочную установку, поверяемый преобразователь, а также вспомогательные средства измерений и оборудование согласно их ЭД.
-
3) На выходе поверочной установки поочередно установить пять испытательных сигналов коэффициента мощности (при номинальных значениях напряжения UH0M, частоты fH0M переменного тока, при значении силы переменного тока 0,02-1Ном), равномерно распределенных внутри диапазона измерений (от 0 до 5 %, от 20 до 30 %, от 50 до 60 %, от 70 до 80 %, от 90 до 100 % от диапазона измерений).
-
4) Считать с ПК измеренные значения коэффициента мощности по всем фазам.
-
5) Повторить операции 3) - 4) при значениях силы переменного тока 0,2-1ИОМ, 1Ном, 2-1ном.
-
5) Повторить операции 3) - 5) при значениях фазного напряжения переменного тока 10 и 600 В.
-
10.6 Определение абсолютной основной погрешности измерений угла фазового сдвига между одноименными среднеквадратическими значениями напряжения и силы переменного тока и между среднеквадратическими значениями фазных напряжений переменного тока проводить в следующей последовательности:
-
1) Собрать схему, представленную на рисунке 4 или 5, в соответствии с ЭД, а также подключить преобразователь к ПК с установленным ПО.
-
2) Подготовить к работе и включить поверочную установку, поверяемый преобразователь, а также вспомогательные средства измерений и оборудование согласно их ЭД.
-
3) На выходе поверочной установки поочередно установить пять испытательных сигналов угла фазового сдвига между одноименными среднеквадратическими значениями напряжения и силы переменного тока (при номинальных значениях напряжения UHOm, силы 1Ном, частоты fH0M переменного тока), равномерно распределенных внутри диапазона измерений (от 0 до 5 %, от 20 до 30 %, от 50 до 60 %, от 70 до 80 %, от 90 до 100 % от диапазона измерений).
-
4) Считать с ПК измеренные значения угла фазового сдвига между одноименными среднеквадратическими значениями напряжения и силы переменного тока.
-
5) На выходе поверочной установки поочередно установить пять испытательных сигналов угла фазового сдвига между среднеквадратическими значениями фазных напряжений переменного тока (при номинальных напряжения UH0M5 силы 1ном, частоты fH0M переменного тока), равномерно распределенных внутри диапазона измерений (от 0 до 5 %, от 20 до 30 %, от 50 до 60 %, от 70 до 80 %, от 90 до 100 % от диапазона измерений).
-
6) Считать с ПК измеренные значения угла фазового сдвига между среднеквадратическими значениями фазных напряжений переменного тока.
-
10.7 Определение приведенной (к верхнему пределу преобразований) основной погрешности преобразований среднеквадратического значения фазного/линейного напряжения переменного тока (далее - напряжения переменного тока) проводить в следующей последовательности:
-
1) Собрать схему, представленную на рисунке 7 или 8, в соответствии с ЭД, а также подключить преобразователь к ПК с установленным ПО.
Рисунок 7 - Схема подключения при преобразовании напряжения переменного тока до 264 В

Рисунок 8 - Схема подключения при преобразовании напряжения переменного тока свыше 264 В
-
2) Подготовить к работе и включить поверочную установку, мультиметр 3458А, поверяемый преобразователь, а также вспомогательные средства измерений и оборудование согласно их ЭД.
-
3) Воспроизвести с помощью поверочной установки пять испытательных сигналов напряжений переменного тока при номинальном значении частоты переменного тока fH0M, равномерно распределенных внутри диапазона преобразований (от 0 до 5 %, от 20 до 30 %, от 50 до 60 %, от 70 до 80 %, от 90 до 100 % от диапазона преобразований).
-
4) С помощью мультиметра 3458А измерить соответствующий выходной аналоговый сигнал.
-
10.8 Определение приведенной (к верхнему пределу преобразований) основной погрешности преобразований среднеквадратического значения силы переменного тока (далее -сила переменного тока) проводить в следующей последовательности:
-
1) Собрать схему, представленную на рисунке 9, в соответствии с ЭД, а также подключить преобразователь к ПК с установленным ПО.
Рисунок 9 - Схема подключения при преобразовании силы переменного тока
-
2) Подготовить к работе и включить поверочную установку, мультиметр 3458А, поверяемый преобразователь, а также вспомогательные средства измерений и оборудование согласно их ЭД.
-
3) Воспроизвести с помощью поверочной установки пять испытательных сигналов силы переменного тока при номинальном значении частоты переменного тока fH0M, равномерно распределенных внутри диапазона преобразований (от 0 до 5 %, от 20 до 30 %, от 50 до 60 %, от 70 до 80 %, от 90 до 100 % от диапазона преобразований).
-
5) С помощью мультиметра 3458А измерить соответствующий выходной аналоговый сигнал.
-
10.9 Определение относительной основной погрешности преобразований фазной и суммарной (активной, реактивной, полной) электрической мощности проводить в следующей последовательности:
-
1) Собрать схему, представленную на рисунке 10 или 11, в соответствии с ЭД, а также подключить преобразователь к ПК с установленным ПО.
Рисунок 10 - Схема подключения при преобразовании фазной и суммарной (активной, реактивной, полной) электрической мощности, коэффициента мощности (при значениях напряжения переменного тока до 264 В)

Рисунок 11 - Схема подключения при преобразовании фазной и суммарной (активной, реактивной, полной) электрической мощности, коэффициента мощности (при значениях напряжения переменного тока свыше 264 В)
-
2) Подготовить к работе и включить поверочную установку, мультиметр 3458А, поверяемый преобразователь, а также вспомогательные средства измерений и оборудование согласно их ЭД.
-
3) С поверочной установки подать на измерительные входы поверяемого преобразователя испытательные сигналы с характеристиками, приведенными в таблицах 3-5 (при номинальном значении частоты fH0M переменного тока).
-
4) По истечении времени после подачи сигнала, достаточного для определения погрешности, с помощью мультиметра 345 8А измерить соответствующий выходной аналоговый сигнал.
-
10.10 Определение приведенной (к верхнему пределу преобразований) основной погрешности преобразований частоты переменного тока проводить в следующей последовательности с помощью калибратора универсального 9100 (далее - 9100) и мультиметра 345 8А:
-
1) Собрать схему, представленную на рисунке 12, в соответствии с ЭД, а также подключить преобразователь к ПК с установленным ПО.
а) при проверке при напряжении переменного тока 10 В, UH0M и 600 В

б) при проверке при силе переменного тока 0,05 А, 1ном и 12,5 (20) А
Рисунок 12 - Схема подключения при преобразовании частоты переменного тока
-
2) Подготовить к работе и включить 9100, мультиметр 3458А и поверяемый преобразователь, а также вспомогательные средства измерений и оборудование согласно их ЭД.
-
3) На выходе 9100 поочередно установить пять испытательных сигналов частоты переменного тока при инОм, равномерно распределенных внутри диапазона преобразований (от 0 до 5 %, от 20 до 30 %, от 50 до 60 %, от 70 до 80 %, от 90 до 100 % от диапазона преобразований).
-
4) С помощью мультиметра 3458А измерить соответствующий выходной аналоговый сигнал.
-
5) Повторить операции 3) - 4) при значениях фазного напряжения переменного тока 10 и 600 В для всех фаз.
-
6) Повторить операции 3) - 4) при значениях силы переменного тока 0,05,1НОм и 12,5 (20) А для всех фаз.
-
10.11 Определение приведенной (к верхнему пределу преобразований) основной погрешности преобразований коэффициента мощности проводить в следующей последовательности:
-
1) Собрать схему, представленную на рисунке 10 или 11, в соответствии с ЭД, а также подключить преобразователь к ПК с установленным ПО.
-
2) Подготовить к работе и включить поверочную установку, мультиметр 345 8А и поверяемый преобразователь, а также вспомогательные средства измерений и оборудование согласно их ЭД.
-
3) На выходе поверочной установки поочередно установить пять испытательных сигналов коэффициента мощности (при номинальных значениях напряжения UH0M, частоты fH0M переменного тока, при значении силы переменного тока 0,02-1Ном), равномерно распределенных внутри диапазона преобразований (от 0 до 5 %, от 20 до 30 %, от 50 до 60 %, от 70 до 80 %, от 90 до 100 % от диапазона преобразований).
-
4) С помощью мультиметра 345 8А измерить соответствующий выходной аналоговый сигнал.
-
5) Повторить операции 3) - 4) при значениях силы переменного тока 0,2-1Ном, 1ном, 2'1НОМ.
-
10.12 Определение абсолютной основной погрешности преобразований угла фазового сдвига между одноименными среднеквадратическими значениями напряжения и силы переменного тока и между среднеквадратическими значениями фазных напряжений переменного тока проводить в следующей последовательности:
-
1) Собрать схему, представленную на рисунке 10 или 11, в соответствии с ЭД, а также подключить преобразователь к ПК с установленным ПО.
-
2) Подготовить к работе и включить поверочную установку, мультиметр 345 8А и поверяемый преобразователь, а также вспомогательные средства измерений и оборудование согласно их ЭД.
-
3) На выходе поверочной установки поочередно установить пять испытательных сигналов угла фазового сдвига между одноименными среднеквадратическими значениями напряжения и силы переменного тока (при номинальных значениях напряжения UHOm, силы 1ном? частоты fH0M переменного тока), равномерно распределенных внутри диапазона преобразований (от 0 до 5 %, от 20 до 30 %, от 50 до 60 %, от 70 до 80 %, от 90 до 100 % от диапазона преобразований).
-
4) С помощью мультиметра 3458А измерить соответствующий выходной аналоговый сигнал.
-
5) На выходе поверочной установки поочередно установить пять испытательных сигналов угла фазового сдвига между среднеквадратическими значениями фазных напряжений переменного тока (при номинальных значениях напряжения UHOm, силы 1ном, частоты fH0M переменного тока), равномерно распределенных внутри диапазона преобразований (от 0 до 5 %, от 20 до 30 %, от 50 до 60 %, от 70 до 80 %, от 90 до 100 % от диапазона преобразований).
-
6) С помощью мультиметра 3458А измерить соответствующий выходной аналоговый сигнал.
Рассчитать значение приведенной (к верхнему пределу измерений) основной погрешности измерений среднеквадратического значения фазного/линейного напряжения переменного тока, среднеквадратического значения силы переменного тока, частоты переменного тока, коэффициента мощности по формуле:
Уизм=^^-Ю0, (1)
в
где Ах - измеренное преобразователем значение параметра;
Ао - эталонное значение параметра (воспроизведенное с помощью поверочной установки);
Ав- верхний предел измерений.
Рассчитать значение относительной основной погрешности измерений фазной и суммарной (активной, реактивной, полной) электрической мощности по формуле:
А - А.
5„зм = ^-^'100, (2)
где Ах - измеренное преобразователем значение параметра;
Ао - эталонное значение параметра (воспроизведенное с помощью поверочной установки).
Рассчитать значение абсолютной основной погрешности измерений угла фазового сдвига между одноименными среднеквадратическими значениями напряжения и силы переменного тока и между среднеквадратическими значениями фазных напряжений переменного тока по формуле:
^изм — Ах" А’ (3)
где Ах - измеренное преобразователем значение параметра;
Ао - эталонное значение параметра (воспроизведенное с помощью поверочной установки).
Рассчитать значение приведенной (к верхнему пределу преобразований) основной погрешности преобразований среднеквадратического значения фазного/линейного напряжения переменного тока, среднеквадратического значения силы переменного тока, частоты переменного тока, коэффициента мощности по формуле:
А - А
упр= -^-100, (4)
В
где Ао - эталонное значение параметра (воспроизведенное с помощью поверочной установки);
Ав - верхний предел измерений;
Апрх - значение параметра, рассчитанное по формуле:
Y — Y
s . изм 1 н
ЛПРХ _ + Ив ~ ^н) ‘ Y - Y
где Уизм - измеренное мультиметром 3458А значение выходного аналогового сигна
ла;
Ав, - соответственно верхний и нижний пределы диапазона преобразований входного параметра;
YB, YH - соответственно верхний и нижний пределы диапазона выходного аналогового сигнала.
Рассчитать значение относительной основной погрешности преобразований фазной и суммарной (активной, реактивной, полной) электрической мощности по формуле:
(6)
новки).
где Апрх - значение параметра, рассчитанное по формуле (5);
Ао - эталонное значение параметра (воспроизведенное с помощью поверочной уста
Рассчитать значение абсолютной основной погрешности преобразований угла фазового сдвига между одноименными среднеквадратическими значениями напряжения и силы переменного тока и между среднеквадратическими значениями фазных напряжений переменного тока по формуле:

(7)
новки).
где Апрх - значение параметра, рассчитанное по формуле (5);
Ао - эталонное значение параметра (воспроизведенное с помощью поверочной уста
Преобразователь подтверждает соответствие метрологическим требованиям, установленным при утверждении типа, если полученные значения приведенной (к верхнему пределу измерений/преобразований) основной погрешности измерений/преобразований среднеквадратического значения фазного/линейного напряжения переменного тока, приведенной (к верхнему пределу измерений/преобразований) основной погрешности измерений/преобразований среднеквадратического значения силы переменного тока, приведенной (к верхнему пределу измерений/преобразований) основной погрешности измерений/преобразований частоты переменного тока, приведенной (к верхнему пределу измерений/преобразований) основной погрешности измерений/преобразований коэффициента мощности, абсолютной основной погрешности измерений/преобразований угла фазового сдвига между одноименными среднеквадратическими значениями напряжения и силы переменного тока и между среднеквадратическими значениями фазных напряжений переменного тока, относительной основной погрешности измерений/преобразований активной, реактивной, полной фазной и суммарной электрической мощности не превышают пределов, указанных в таблице А. 1 Приложения 1.
При невыполнении любого из вышеперечисленных условий (когда преобразователь не подтверждает соответствие метрологическим требованиям), поверку преобразователя прекращают, результаты поверки признают отрицательными.
12.1 Результаты поверки преобразователя подтверждаются сведениями, включенными в Федеральный информационный фонд по обеспечению единства измерений в соответствии с порядком, установленным действующим законодательством.
12.2 В целях предотвращения доступа к узлам настройки (регулировки) преобразова
телей в местах пломбирования от несанкционированного доступа, указанных в описании типа, по завершении поверки устанавливают наклейку, содержащую изображение знака поверки.
-
12.3 По заявлению владельца преобразователя или лица, представившего его на поверку, положительные результаты поверки (когда преобразователь подтверждает соответствие метрологическим требованиям) оформляют свидетельством о поверке по форме, установленной в соответствии с действующим законодательством, и (или) нанесением на преобразователь знака поверки, и (или) внесением в паспорт преобразователя записи о проведенной поверке, заверяемой подписью поверителя и знаком поверки, с указанием даты поверки.
-
12.4 По заявлению владельца преобразователя или лица, представившего его на поверку, отрицательные результаты поверки (когда преобразователь не подтверждает соответствие метрологическим требованиям) оформляют извещением о непригодности к применению средства измерений по форме, установленной в соответствии с действующим законодательством, и (или) внесением в паспорт преобразователя соответствующей записи.
12.5 Протоколы поверки преобразователя оформ^^тга ПЛ произвольной форме.
Начальник отдела испытаний и комплексного метрологического обеспечения ООО «ИЦРМ»
Инженер ООО «ИЦРМ»

Ю. А. Винокурова
С. Р. Гиоргадзе
ПРИЛОЖЕНИЕ А
Таблица А.1 - Метрологические характеристики
Наименование характеристики |
Значение для модификаций | |
MTR-4-X2X3X4 |
MTR-4PX2X3X4 | |
Номинальные среднеквадратические значения силы переменного тока 1ном, А |
1;5 | |
Номинальные среднеквадратические значения фазного (линейного) напряжения переменного тока t/ном, В |
57 (57^3) 63 (63д/3) 100 (100V3) 110(110^3) 230 (230V3) 400 (400V3) | |
Номинальные значения частоты переменного тока /^ом, Г ц |
50; 60 | |
Диапазон измерений/преобразований среднеквадратического значения напряжения переменного тока, В:
|
от 10 до 600 от 17,4 до 1000 | |
Пределы допускаемой приведенной (к верхнему пределу измерений) основной погрешности измерений среднеквадратического значения фазного/линейного напряжения переменного тока, % |
±0,2 | |
Пределы допускаемой приведенной (к верхнему пределу преобразований) основной погрешности преобразований среднеквадратического значения фазного/линейного напряжения переменного тока, % |
±0,4 | |
Диапазон измерений/преобразований среднеквадратического значения силы переменного тока /А, /в, /с, А |
от 0,05 до 12,5 |
от 0,05 до 20 |
Пределы допускаемой приведенной (к верхнему пределу измерений) основной погрешности измерений среднеквадратического значения силы переменного тока, % |
±0,2 | |
Пределы допускаемой приведенной (к верхнему пределу преобразований) основной погрешности преобразований среднеквадратического значения силы переменного тока, % |
±0,4 | |
Диапазон измерений/преобразований частоты переменного тока, Гц |
от 40 до 400 | |
Пределы допускаемой приведенной (к верхнему пределу измерений/преобразований) основной погрешности измерений/преобразований частоты переменного тока, % |
±0,02 | |
Диапазон измерений/преобразований коэффициента мощности |
от -1 до ±1 | |
Пределы допускаемой приведенной (к верхнему пределу измерений/преобразований) основной погрешности измерений/преобразований коэффициента мощности, % |
±0,5 |
Наименование характеристики |
Значение для модификаций | |
MTR-4-X2X3X4 |
MTR-4PX2X3X4 | |
Диапазон измерений/преобразований угла фазового сдвига между одноименными среднеквадратическими значениями напряжения и силы переменного тока и между среднеквадратическими значениями фазных напряжений переменного тока, ...° |
от -180 до +180 | |
Пределы допускаемой абсолютной основной погрешности измерений/преобразований угла фазового сдвига между одноименными среднеквадратическими значениями напряжения и силы переменного тока и между среднеквадратическими значениями фазных напряжений переменного тока, ...° |
±0,2 | |
Диапазон измерений/преобразований активной фазной и суммарной электрической мощности, Вт |
от 10 до 600 В от 0,05 до 12,5 А от -1 до +1 |
от 10 до 600 В от 0,05 до 20 А от -1 до +1 |
Пределы допускаемой относительной основной погрешности измерений активной фазной и суммарной электрической мощности, % |
±0,3 | |
Пределы допускаемой относительной основной погрешности преобразований активной фазной и суммарной электрической мощности, % |
±0,5 | |
Диапазон измерений/преобразований реактивной фазной и суммарной электрической мощности, вар |
от 10 до 600 В от 0,05 до 12,5 А от -1 до +1 |
от 10 до 600 В от 0,05 до 20 А от -1 до +1 |
Пределы допускаемой относительной основной погрешности измерений реактивной фазной и суммарной электрической мощности, % |
±0,3 | |
Пределы допускаемой относительной основной погрешности преобразований реактивной фазной и суммарной электрической мощности, % |
±0,5 | |
Диапазон измерений/преобразований полной фазной и суммарной мощности, В -А |
от 10 до 600 В от 0,05 до 12,5 А |
от 10 до 600 В от 0,05 до 20 А |
Пределы допускаемой относительной основной погрешности измерений полной фазной и суммарной электрической мощности, % |
±0,3 | |
Пределы допускаемой относительной основной погрешности преобразований полной фазной и суммарной электрической мощности, % |
±0,5 | |
Диапазоны выходных аналоговых сигналов силы постоянного тока, мА*:
|
от -1 до +1 от -20 до +20 | |
Диапазоны выходных аналоговых сигналов напряжения постоянного тока, В**:
|
от -1 до +1 от -10 до +10 | |
Нормальные условия измерений:
|
от -5 до +55 от 30 до 80 |
Наименование характеристики |
Значение для модификаций |
MTR-4-X2X3X4 MTR-4PX2X3X4 | |
Примечания
* Диапазоны выходных аналоговых сигналов силы постоянного тока могут дополнительно конфигурироваться внутри указанных диапазонов с шагом 0,01 мА. ** Диапазоны выходных аналоговых сигналов напряжения постоянного тока могут дополнительно конфигурироваться внутри указанных диапазонов с шагом 0,001 В. |
24