Руководство по эксплуатации «СЧЕТЧИК ЭЛЕКТРИЧЕСКОЙ ЭНЕРГИИ ТРЕХФАЗНЫЙ ИНТЕЛЛЕКТУАЛЬНЫЙ FUTURE METER FM -301» (19812717.411152.007РЭ1)
СОГЛАСОВАНО
Главный метролог

ЦСМ»
Т.Б. Змачинская
Z/ft/9 7% 2021 г


Инв. №подп. | Подп.идата | Взам. инв. № | Инв. №пу6л. | Подп. и лата
СЧЕТЧИК ЭЛЕКТРИЧЕСКОЙ ЭНЕРГИИ ТРЕХФАЗНЫЙ ИНТЕЛЛЕКТУАЛЬНЫЙ FUTURE METER FM -301 Руководство по эксплуатации Приложение В
Методика поверки
19812717.411152.007РЭ1
1 Общие положения
.3
га ₽ го го
X
с
а о С
с ко
> га
О1 z
го X
о<
Z
га I
х
S
го го m
га t-га а
S
с га о с
с
Ч о с
OI Z
го
X
-
2 Перечень операций поверки счетчика...............................................................
-
3 Требования к условиям проведения поверки...................................................
-
4 Требования к специалистам, осуществляющим поверку..............................
-
5 Метрологические и технические требования к средствам поверки............
-
6 Требования (условия) по обеспечению безопасности проведения поверки
-
7 Внешний осмотр......................................................................................................
-
8 Подготовка к поверке и опробование счетчика...............................................
-
9 Проверка программного обеспечения (ПО) счетчика....................................
-
10 Определение метрологических характеристик счетчика............................
Приложение А Схемы подключения счетчика
Изм |
Лист |
№ докум. |
Подп. |
Дата |
Разг |
эаб. |
Минаев | ||
Проверил |
Веселов | |||
Метр, экс | ||||
Н.контр. | ||||
Утвердил |
Егорушкин Г |
,5
,7
10
10
21

Листов
Счетчик электрической энергии трехфазный интеллектуальный FUTURE METER FM - 301 Руководство по эксплуатации Приложение В. Методика поверки

Инв. №подп. I Подп. и дата Взам. инв № | Инв №ду6л | Подп и дата
1.1 Настоящая методика составлена с учетом требований Приказов Минпромторга № 2510 от 31.07.2020 г. и №2907 от 28.08.2020 г., РМГ-5 1 -2002, ГОСТ 8.584-2004, ГОСТ 31818.11 -2012, ГОСТ 31819.21 -2012, ГОСТ 31819.22-2012, ГОСТ 31819.23-2012 и устанавливает методику первичной, периодической и внеочередной поверки счетчиков, а также объем, условия поверки и подготовку к ней.
Настоящая методика распространяется на счетчики электрической энергии трёхфазные интеллектуальные Future Meter FM-301 (далее счетчики).
При выпуске счетчиков на заводе-изготовителе и после ремонта проводят первичную поверку.
Интервал между поверками 16 лет.
Периодической поверке подлежат счетчики, находящиеся в эксплуатации или на хранении по истечении интервала между поверками.
Внеочередную поверку проводят при эксплуатации счетчиков в случае:
-
- отсутствия подтверждения результатов поверки средств измерений в соответствии с действующим на дату ее проведения нормативным правовым актом, принятым в соответствии с законодательством Российской Федерации об обеспечении единства измерений;
-
- повреждения или отсутствия пломб, обеспечивающих защиту от несанкционированного доступа к узлам настройки (регулировки) средств измерений, с вскрытием пломб, предотвращающих доступ к узлам настройки (регулировки) и (или) элементам конструкции средств измерений
-
- утраты паспорта счетчика
-
- ввода в эксплуатацию счетчика после длительного хранения (более одного интервала между поверками );
-
- неудовлетворительной его работе;
-
- продажи (отправки) потребителю счетчика, не реализованного по истечении срока, равного одному интервалу между поверками
Изм |
Лист |
№ докум. |
Подп. |
Дата |
Лист
2.1 При проведении поверки должны быть выполнены операции, перечисленные в таблице 1.
Проведение поверки для меньшего числа измеряемых величин или на меньшем числе поддиапазонов измерений невозможно.
Инв №подп. I Подп и дата |Взам инв. № | Инв №ду6л | Подп и дата
Последовательность операций проведения поверки обязательна. Таблица 1 - Операции поверки
Наименование операции |
Номер пункта настоящей Методики |
Необходимость проведения операции при | |
первичной поверке |
периодической поверке | ||
Внешний осмотр |
7 |
да |
да |
Опробование счетчика: проверка функционирования счетчика, устройства индикации и кнопок управления, правильности работы счетного механизма и импульсных выходов, интерфейсов |
8 |
да |
да |
Подтверждение соответствия программного обеспечения (ПО) |
9 |
да |
да |
Проверка электрической прочности изоляции |
10.1 |
да |
да |
Определение метрологических характеристик:
|
10.2-10.6 |
да |
да |
Изм |
Лист |
№ докум. |
Подп. |
Дата |
Лист
Наименование операции |
Номер пункта настоящей |
Необходимость проведения операции при | |
фазным напряжением и одноименным током;
| |||
Оформление результатов поверки |
12 |
да |
да |
3 Требования к условиям проведения поверки
-
3.1 Порядок организации и проведения поверки должен соответствовать установленному в «Порядке проведения поверки средств измерений», утверждённому приказом Минпромторга России от 31 июля 2020 г. № 2510.
-
3.2 При проведении поверки должны соблюдаться условия:
-
- температура окружающего воздуха, °C........................................23 ± 2
-
- относительная влажность воздуха. %.....................................от 30 до 80
-
- атмосферное давление, мм. рт. ст......................................от 630 до 795
-
- внешнее магнитное поле................................................по ГОСТ 31818.11
-
- напряжение источника переменного тока, В...............................230 ± 2,3
-
- частота измерительной сети. Гц...............................................50 ±0,15
-
- форма кривых синусоидального напряжения и тока
с коэффициентом искажения. %...............................................не более 2
-
3.3 Перед проведением поверки необходимо изучить 19812717.411152.007РЭ « Руководство по эксплуатации. Часть 1».
-
3.4 Поверка должна производиться на аттестованном оборудовании и с применением средств поверки, имеющих действующий знак поверки или свидетельство о поверке.
4 Требования к специалистам, осуществляющим поверку
-
4.1 К проведению поверки допускают поверителей из числа сотрудников организаций. аккредитованных на право проведения поверки в соответствии с действующим законодательством РФ. изучивших настоящую методику поверки, эксплуатационную документацию на поверяемые средства измерений, эксплуатационную документацию на средства поверки.
Изм
Лист
№ докум.
Подп.
Дата
Лист
5 Метрологические и технические требования к средствам поверки
-
5.1 Для проведения поверки должно быть организовано рабочее место, оснащенное средствами поверки в соответствии с таблицей 2.
Инв. №подп. Подл, и дата!Взам инв. № | Инв №дубл |Подл и дата
Таблица 2 - Средства поверки
Средства поверки
Номер пункта методики поверки
Основные технические характеристики средства поверки
Прибор для испытания электрической прочности
УПУ-10
10.1
Испытательное напряжение до 10 кВ. погрешность установки напряжения ±5 %
Персональный компьютер
8.2, 9,
10.2-10.6
С операционной системой «Windows ХР» -«Windows 10»
Устройство сопряжения оптическое УСО-2
8.2, 9,
10.2-10.6
Скорость передачи данных от 9600 бит/с
Преобразователь интерфейса
ПИ-2
8.2
Скорость передачи данных от 9600 бит/с
Роутер 3G/NB-loT
8.2
TELEOF1S R.TU968
Установка поверочная универсальная с прибором электроизмерительным эталонным многофункциональным УППУ-МЭ 3.1/Энергомонитор 3.1 К 02
8.2,
10.2-10.6
(3-10-2-6,336-10“) Вт. (40-70) Гц
ПГрм ±(0,03-0,14) %, ПГам ±(0.015-0,07) % (6-576) В, (40-70) Гц. ПГ ±(0,01-0.055) % (0,005-120) А, (40-70) Гц, П Г ±(0,01-0.1) %
Секундомер механический
СОСпр-2б-2
8.2,
10.2-10.3
Цена деления 0,2 с, класс точности 2
Источник питания Б5-70
10.2-10.3,
10.6
Напряжение (0-30) В, ток до 50 мА; погрешность индикации ±200 мВ. ±30мА
Частотомер электронно
счетный 43-63
10.6
Погрешность измерения 5 -10'7
Примечание - Допускается проведение поверки счетчиков с применением средств поверки, не указанных в таблице, но обеспечивающих определение и контроль метрологических характеристик поверяемых счетчиков с требуемой точностью.
6 Требования (условия) по обеспечению безопасности проведения поверки
-
6.1 Помещение для проведения поверки должно соответствовать правилам техники безопасности и производственной санитарии.
-
6.2 При проведении поверки должны быть соблюдены требования «Правил технической эксплуатации электроустановок потребителей» и «Правил техники безопасности при эксплуатации электроустановок потребителей», а также требования раздела 1 руководства по эксплуатации 19812717.411152.007РЭ и соответствующих разделов из документации на применяемые средства измерений и испытательное оборудование.
-
6.3 К работе на поверочной установке допускаются лица, прошедшие инструктаж по технике безопасности.
Изм
Лист
№ докум.
Подл.
Дата
19812717.411152.007РЭ1
Лист
Инв. №подп. Подп. и дата I Взам, инв. № | Инв №дубп |Поди и дата
7 Внешний осмотр
-
7.1 При внешнем осмотре должно быть установлено соответствие счетчика следующим требованиям:
-
- лицевая панель счетчика должна быть чистой и иметь четкую маркировку в соответствии требованиям ГОСТ 31818.11 -2012;
-
- во все резьбовые отверстия токоотводов должны быть ввернуты до упора винты с исправной резьбой;
-на клеммной крышке счетчика должна быть нанесена схема подключения счетчика к электрической сети;
-
- в комплекте поставки счетчика должен быть формуляр 19812717.411152.007 ФО и руководство по эксплуатации 19812717.411152.007 РЭ.
-
8 Подготовка к поверке и опробование счетчика
8.1 Подготовка к поверке
-
8.1.1 Выдержать счетчик при температуре, указанной в пункте 3.2 в течение 1 ч.
-
8.1.2 Средства поверки, которые подлежат заземлению, должны быть надежно заземлены. Подсоединение зажимов защитного заземления к контуру заземления должно производиться ранее других соединений, а отсоединение - после всех отключений.
-
8.1.3 Подключить средства поверки к сети переменного тока, включить и дать им прогреться в течении времени, указанного в эксплуатационной документации на них.
-
8.1.4 Проверить условия поверки по пункту 3.2
8.2 Опробование счетчика
8.2.1 Проверка функционирования проверяемого счетчика проводят с помощью установки и ПК.
Обмен информацией со счетчиком производится с помощью персонального компьютера (IBM PC) и программы конфигурирования счетчиков «Meter_Config.exe».
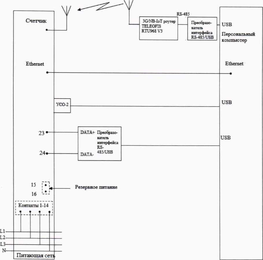
Подключение к последовательному порту компьютера осуществляется через устройство сопряжения оптическое (УСО-2) в соответствии со схемой А.1, приведенной на рисунке приложения А.
После подачи питания на счетчик в строке показаний ЖКИ индикатора счетчика слева отображается код Е0, далее в строке и в правом поле - номер версии ПО. После этого счетчик переходит в автоматический режим индикации накопленной энергии по тарифам, о чем свидетельствует периодическая индикация символов точки в верхней строке ЖКИ возле надписей «кВт ч», «кВар ч».
На восьмиразрядном табло циклически в автоматическом режиме и посредством нажатия кнопки отображаются:
-
- накопленная активная и реактивная энергия прямого и обратного направления по тарифам и по сумме;
-
- текущее значение суммарной потребленной активной и реактивной энергии прямого и обратного направлений:
-
- текущее значение потребленной активной и реактивной электроэнергии прямого и обратного направлений по тарифным зонам суток
Лист
Изм Лист
№ докум.
Подп.
Дата
Инв. №подп. I Подп. и дата |Взам. инв. № | Инв №дубл | Подп и дата
-
- дата и время;
-
- действующее значение активной, реактивной, полной мощности прямого и обратного направлений по каждой из трех фаз и по сумме;
-
- действующее значение текущего напряжения по каждой из трех фаз:
-
- действующее значение текущего тока по каждой из трех фаз;
-
- частота сети;
-
- мгновенное значение температуры (справочно);
-
- действующий тариф;
-
- состояние встроенной батареи;
-
- состояние отключателя нагрузки;
-
- количество, дата/время и код последнего события - нарушения качества поставляемой электроэнергии;
-
- количество, дата/время и код последнего события - признака несанкционированного вмешательства;
-
- количество, дата/время и код последнего события - аварийного сбоя в работе счетчика;
-
- признак неработоспособности счетчика вследствие аппаратного или программного сбоя.
Включите питание персонального компьютера и дождитесь загрузки операционной системы. Запустите программу конфигурирования счетчиков «Meter_Config.exe», окно которой имеет вид, представленный на рисунке 1.
Сведения о работе с программой конфигурирования счетчиков содержатся в Приложении Г к Руководству по эксплуатации 19812717.411152.007РЭ2 «Описание работы с программой конфигурирования счетчиков Future Meter». Проверить функционирование счетчика, производя описанные в Приложении Г к Руководству по эксплуатации следующие процедуры:
-
- обмена данными по оптопорту,
-
- проверку работы интерфейсов GSM/R.F TPP/RS-485/ETH в зависимости от варианта исполнения (установить соединение, прочитать общие данные);
-
- чтение/установку даты и времени;
-
- запись/чтение тарифного расписания;
-
- проверку срабатывания реле управления нагрузкой;
-
- проверку наличия событий срабатывания датчиков вскрытия ККК и корпуса;
-
- проверку ЖКИ и подсветки нажатием на кнопку на передней панели:
-
- проверку срабатывания датчика магнитного поля.
Отключить измерительные цепи счетчика от напряжения и повторить проверку функционирования при работе счетчика от резервного питания.
Изм |
Лист |
№ докум. |
Подп. |
Дата |
19812717.411152.007РЭ1
Лист
W MContg vQOjO.668
MConfig


Архивы
ЖурпДДЫ
Упрм*ем« ндгруэкой

Т*₽ыфмо< р*спис*«ы«
{§> Настрой хи
Л*р*и«тры подклкэчениа Обновление
Обрвтмвв
ОМСолЬф
Р>-<] Сообщения ИВ
Общи* денные :
Время
Серийный номер
Тил счетчик*
Дет* выпуск* счетчик*
Версия метрологическое© ПО
Версия ПУ
Версия МИ
Текущий тариф
Контрол иная сумма метрологического ПО
Коэффициент трансформации по току
Коэффициент трансформации по напряжение»
10092019 20-.4629
N/A
Н/А
Н/А
Н/А
Н/А
Н/А
Н/А
Н/А
Н/А
NZA
q О Подключение: COM4 9600 8N1
Обновление общих данных эавершено
•А О !отжя>оч»«т»с*|
Инв№подп Подп. и дата | Взам. инв. № | Инв №дубл | Подп и дата
Рисунок I - Внешний вид окна программы конфигурирования счетчиков
«Meter_Config.exe»
-
8.2.2 Для проверки правильности работы счетного механизма счетчик необходимо подключить к персональному компьютеру и к измерительной установке УППУ-МЭ согласно схемам, приведенным в Приложении А. и установить:
-
- номинальное напряжение в параллельных цепях счетчика;
ток 7,5 А в каждой фазе;
коэффициент мощности, равный 0,5 инд.
При работе с УППУ используется программа поверки счетчиков Future Meter« Meter_Tools.exe».
Через 180 с после включения по данным, считанным с персонального компьютера, необходимо убедиться, что:
-
- в счетчике с номинальным напряжением 230 В приращение активной энергии увеличилось на (0,129±0.012) кВт ч, а реактивной энергии на (0,222±0,022) кварч;
-
- в счетчике с номинальным напряжением 57,7 В приращение активной энергии увеличилось на (0.0324±0,003) кВт ч, а реактивной энергии на (0.0558±0.005) квар ч.
-
8.2.3 Проверку функционирования импульсных выходов проводят совместно с проверками отсутствия самохода, стартового тока и определением метрологических характеристик.
Изм
Лист
№ докум.
Подп
Дата
19812717.411152.007РЭ1
Инв. №подп. I Подп. и дата I Взам. инв. № | Инв №дубл | Поди и дата
9 Проверка программного обеспечения (ПО) счетчика
-
9.1 Метрологически значимая часть встроенного программного обеспечения имеет следующие идентификационные признаки:
-
- название программного обеспечения - FWMFM-301;
-
- версия программного обеспечения - 255.06 -Х.Х.ХХХ, где 255.06 - номер версии метрологически значимой части ПО. Х.Х.ХХХ - номер версии метрологически незначимой части ПО;
-
- значение контрольной суммы программного обеспечения - 00 00 AF 5А.
Для проверки соответствия ПО предусмотрена идентификация метрологически значимой части ПО. Идентификация проводится посредством оптопорта. Проверка может быть выполнена следующим способом. Подключить счётчик к компьютеру в соответствии со схемой А.1 Приложения А. Включить питание персонального компьютера. Запустить программу конфигурирования счетчиков «Meter_Config.exe».
В разделе меню «Общие данные» появятся номер версии метрологического программного обеспечения и контрольная сумма, а также номер версии метрологически незначимой части ПО.
Вывод об аутентичности метрологически значимой части программного обеспечения принимается по результатам сравнения вычисленной контрольной суммы встроенного ПО со значением вышеприведенной контрольной суммы.
10 Определение метрологических характеристик счетчика
-
10.1 Проверка электрической прочности изоляции
-
10.1.1 При проверке электрической прочности изоляции испытательное напряжение подают, начиная с минимального или со значения рабочего напряжения. Увеличение напряжения до испытательного значения следует производить плавно или равномерно ступенями за время (10 - 15) с.
-
10.1.2 При достижении испытательного напряжения, счетчик выдержать под его воздействием в течение 1 мин, при этом контролировать отсутствие пробоя, затем плавно уменьшить испытательное напряжение. Точки приложения испытательного напряжения и величина испытательного напряжения приведены в таблице 3. Результат проверки считается положительным, если электрическая изоляция счётчика, при закрытом корпусе и закрытой крышке зажимов, выдерживает испытательное напряжение переменного тока частотой 50 Гц в течение 1 минуты.
Во время испытаний не должно быть искрения, пробивного разряда или пробоя.
Таблица 3 - Точки приложения и величина испытательного напряжения.
Модификации счетчиков
Номера контактов счетчика, между которыми прикладывается испытательное напряжение
Величина напряжения по п.7.3.3 TOCT3I818. кВ
Счетчики непосредственного включения
I -8
«земля»
4
Лист
Изм
Лист
№ докум.
Подп.
Дата
19812717.411152.007РЭ1
-
Инв. № подп Подп. и дата Взам инв. № | Инв №дубл | Подп и дата
Продолжение таблицы 3
Модификации счетчиков |
Номера контактов счетчика, между которыми прикладывается испытательное напряжение |
Величина напряжения по п.7.3.3 ГОСТ 31818, кВ | |
Счетчики, вклю-чаемые через трансформатор |
1 |
9 |
- |
3 |
11 |
- | |
5 |
13 |
- | |
9,11,13 |
«земля» |
- | |
Все модифика-ции счетчиков |
1-14 |
17-19 |
4 |
1-14 |
20-22 |
4 | |
1-14 |
ЕТН-контакты, соединенные вместе |
4 | |
1-14 |
23-24 |
4 | |
1-14 |
XWl(GSM)- наружная оплетка и жила, соединенные вместе |
4 | |
1-14 |
15-16 |
2 | |
17-19 |
20-22 |
2 | |
17-19 |
23-24 |
2 | |
17-19 |
ЕТН-контакты, соединенные вместе |
2 | |
17-19 |
XWl(GSM)- наружная оплетка и жила, соединенные вместе |
2 | |
20-22 |
23-24 |
2 | |
20-22 |
ЕТН-контакты. соединенные вместе |
2 | |
20-22 |
XWl(GSM) - наружная оплетка и жила, соединенные вместе |
2 | |
23-24 |
ЕТН-контакты, соединенные вместе |
2 | |
23-24 |
XWl(GSM) - наружная оплетка и жила, соединенные вместе |
2 | |
ЕТН-контакты, соединенные вместе |
XWl(GSM) - наружная оплетка и жила, соединенные вместе |
2 |
10.2 Проверка стартового тока (чувствительности)
Проверка производится на установке УППУ-МЭ методом непосредственного сличения при номинальном напряжении, при коэффициенте мощности, равном единице, и значении тока в каждой фазе, приведенном в таблице 4.
Таблица 4 - Значение стартового тока при симметричной нагрузке.
Базовый или номинальный (максимальный) ток, А |
Стартовый ток, А | |||
При измерении активной энергии |
При измерении реактивной энергии | |||
Класс точности 0.5S |
Класс точности 1 |
Класс точности 1 тр.вкл |
Класс точности 1 н. вкл. | |
5 (100) |
- |
0,020 |
- |
0,020 |
5(10) |
0,005 |
- |
0,010 |
- |
Изм |
Лист |
№ докум. |
Подп. |
Дата |
Лист
Перед началом проверки необходимо перевести импульсные выходы счетчика в режим поверки. Проверка проводится для прямого и обратного направления.
Результаты поверки считаются положительными, если погрешность измерения активной и реактивной энергии находится в пределах ±30 %.
-
10.3 Проверка отсутствия самохода
При поверке отсутствия самохода установите в параллельных цепях счетчика напряжение 1,15 Ином.
Ток в последовательной цепи должен отсутствовать. Перед началом проверки необходимо перевести импульсные выходы счетчика в режим поверки.
При поверке самохода можно использовать схему, приведенную на рисунке 2.
АЛ307БМ

Рисунок 2 - Схема подключения светодиодного индикатора к импульсным выходам счетчика
Инв. № подп Подп. и дата I Взам. инв. № | Инв №дубл | Подп и дата
С помощью секундомера необходимо убедится, что период мигания светового индикатора (АЛ307БМ) в режиме поверки не более указанного в таблице 5:
Таблица 5 - Минимальный период испытания At
Напряжение |
Базовый /номинальный (максимальный) ток, А |
At, в секундах, для счетчиков класса точности: | |||
Импульсный выход активной энергии |
Импульсный выход реактивной энергии | ||||
0,5S |
1 |
1 тр. вкл. |
1 н. вкл. | ||
Uhom=3x230 В |
5(100) |
- |
33 |
- |
26 |
UHom=3x230 В |
5(10) |
33 |
- |
26 |
- |
U„om=3x57.7 В |
5(Ю) |
131 |
- |
104 |
- |
Примечание - Импульсные выходы в режиме поверки.
10.4 Определение основной относительной погрешности измерения активной и реактивной энергии и мощности прямого и обратного направления
Погрешность счетчика при измерении активной и реактивной энергии и мощности прямого и обратного направления определяют методом непосредственного сличения на установке УППУ-МЭ.
Перед началом поверки прогреть установку и счетчик в течение 30 минут.
Изм |
Лист |
№ докум. |
Подп. |
Дата |
Лист
Последовательность испытаний, информативные параметры входного сигнала и пределы допускаемого значения основной погрешности при измерении активной и реактивной энергии и мощности прямого и обратного направления приведены в таблицах 6-9.
-
10.4.1 При измерении активной энергии и мощности прямого и обратного направления поверка счетчика:
-
- класса точности I непосредственного включения проводится при значениях информативных параметров входного сигнала, указанных в таблице 6;
-
- класса точности 0.5S, включаемых через трансформатор, проводится при значениях информативных параметров входного сигнала, указанных в таблице 7.
Инв. №подп. Подп. и дата Взам. инв № | Инв №дубл | Подп и дата
Таблица 7 - Информативные параметры при измерении активной энергии и мощности для счетчиков класса точности 0,5S, включаемых через трансформатор
Номер испы-тания
Информативные параметры входного сигнала
Пределы допускаемой погрешности,%
Время измерения, с
Напряжение, В
ток, А
COS ф
основной режим
режим поверки
1*
ЗхИном
Зх0,051ном
1
±0,5
-
10
2*
3 X U НОМ
3 X 1ном
1
±0,5
-
10
3*
ЗхИном
Зх1макс
1
±0,5
10
-
4* *
3 х и ном
3Х1ном
0.5 инд.
±0.6
-
10
5**
3 х и ном
3 х1ном
0.8 емк.
±0,6
-
10
6*
3 X Ином
1 X 1ном
1
±0,6
-
10
♦испытания проводить только по мощности;
**испытания проводить по импульсам и по мощности.
10.4.2 При измерении реактивной энергии и мощности прямого и обратного направления поверка счетчика:
-
- класса точности 1 непосредственного включения проводится при значениях информативных параметров входного сигнала, указанных в таблице 8;
-
- класса точности I, включаемых через трансформатор, проводится при значениях информативных параметров входного сигнала, указанных в таблице 9.
Изм
Лист
№ докум.
Подп.
Дата
Лист
-
Таблица 6 - Информативные параметры при измерении активной энергии и мощности для счетчиков непосредственного включения класса точности 1
Номер испы-тания |
Информативные параметры входного сигнала |
Пределы допускаемой погрешности, % |
Время измерения, с | |||
напряжение. В |
ток, А |
COS ф |
основной режим |
режим поверки | ||
I* |
3 х Ином |
Зх0,051б |
1 |
±1,5 |
- |
10 |
2* |
3 Х U ном |
Зх1б |
1 |
±1,0 |
- |
10 |
3* |
3 х Ином |
3 х 1макс |
1 |
±1,0 |
10 |
- |
4** |
3xUhom |
Зх1б |
0,5 инд. |
±1,0 |
- |
10 |
5** |
3 х U ном |
Зх1б |
0.8 емк. |
±1,0 |
- |
10 |
6* |
3 х Ином |
1х1б |
I |
±2,0 |
- |
10 |
♦испытания проводить только по мощности;
2*испытания проводить по импульсам и по мощности.
Таблица 8 - Информативные параметры при измерении реактивной энергии и мощности для счетчиков непосредственного включения класса точности 1
Номер испы-тания |
Информативные параметры входного сигнала |
Пределы допускаемой по-грешности. % |
Время измерения, с | |||
напряжение. В |
ток, А |
sin (р |
основной режим |
режим поверки | ||
1* |
3 х U ном |
Зх0,051б |
1 |
±1,5 |
- |
10 |
2* |
3 х Ином |
Зх1б |
1 |
±1,0 |
10 | |
3* |
ЗхИном |
3 х1 макс |
1 |
±1,0 |
10 |
- |
д** |
3 Х U ном |
Зх1б |
0,5 инд. |
±1,0 |
- |
10 |
5** |
3 Х U НОМ |
Зх1б |
0,5 емк. |
±1,0 |
- |
10 |
6* |
3 Х U ном |
Зх1б |
0,25 инд. |
±1.5 |
- |
10 |
7* |
3 Х Ином |
Зх1б |
0,25 емк. |
±1,5 |
- |
10 |
8* |
3 xUhom |
1х1б |
1 |
±1,5 |
- |
10 |
*испытания проводить только по мощности;
* * испытания проводить по импульсам и по мощности.
Инв. №подп. Подл, и дата | Взам. инв. № | Инв №ду6л | Подл, и дата
Таблица 9 - Информативные параметры при измерении реактивной энергии и мощности для счетчиков, включаемых через трансформатор, класса точности 1
Номер испы-тания |
Информативные параметры входного сигнала |
Пределы допускаемой по-грешности, % |
Время измерения, с | |||
напряжение, В |
ток, А |
sin ф |
основной режим |
режим поверки | ||
1* |
3 Х U ном |
3 х 0.021 ном |
1 |
±1,5 |
- |
10 |
2* |
3 х Ином |
3 х 1ном |
1 |
±1,0 |
- |
10 |
3* |
3 XUhom |
Э х1 макс |
1 |
±1,0 |
10 |
- |
д** |
3xUhom |
3 X 1цом |
0,5 инд. |
±1,0 |
- |
10 |
5** |
3 Х U НОМ |
3Х 1ном |
0,5 емк. |
±1,0 |
- |
10 |
6* |
3 Х U НОМ |
Зх1ном |
0,25 инд. |
±1,5 |
- |
10 |
7* |
3 Х U НОМ |
3 X 1ном |
0,25 емк. |
±1,5 |
- |
10 |
8* |
3 Х U ном |
1 х 1ном |
1 |
±1,5 |
- |
10 |
*испытания проводить только по мощности;
* Испытания проводить по импульсам и по мощности.
Результаты поверки считаются положительными, если счетчик соответствует заданному классу точности, и если при всех измерениях погрешность находится в пределах допускаемого значения погрешности, приведенных в таблицах 6 - 9, а разность погрешностей при симметричной и несимметричной нагрузке не превышает значений:
-
- при измерении активной нагрузки 1.5 % или 1,0 % для счетчиков класса точности I или 0,5S соответственно;
-
- при измерении реактивной нагрузки 2,5 %.
-
10.5 Определение погрешности измерения параметров сети и показателей качества электрической энергии
-
10.5.1 Определение основной погрешности измерения фазных токов производится методом непосредственного сличения со значениями токов, измеренными эталонным счетчиком установки УППУ-МЭ.
Измерения проводятся в каждой фазе при трех значениях тока: 1макс, 1ном (16), 0.021ном (0.0516).
Погрешности измерения токов рассчитываются по формуле:
Изм |
Лист |
№ докум. |
Подп. |
Дата |
19812717.411152.007РЭ1
Лист

Инв №подп. I Подп. и дата |Взам. инв. № | Инв №дубл |Подп и дата
Si =[(1изм - 1о)/ 1о] х 100 ,% (1)
где 1изм - значения токов, измеренные счетчиком;
1о - значения токов, измеренные эталонным счетчиком установки.
Результаты поверки считаются положительными, если вычисленные погрешности измерения токов находятся в пределах значений:
-
- для счетчиков трансформаторного включения ±0,5%;
-
- для счетчиков непосредственного включения ±1%.
Повторить испытания при подключенном резервном питании.
-
10.5.2 Определение абсолютной погрешности счетчиков при измерении частоты проводится методом сравнения со значением частоты сети, измеренной Энергомонитором для трех значений частоты: 50 Гц, 47,5 Гц, 52,5 Гц.
Подключите счетчик к испытательной установке в соответствии со схемой, приведенной на рисунке А.2 Приложения А. Перед испытанием выдержите установку под напряжением в течение 30 минут.
Проверку диапазона и определение погрешностей метрологических характеристик проводят при номинальных для счетчика фазных значениях напряжения.
При задании каждого испытательного сигнала проводят не менее семи измерений частоты сети. Одно значение должно соответствовать номинальному значению частоты, остальные - отклонениям от номинального значения на минус 0,4 Гц, минус 0,2 Гц. плюс 0.2 Гц. плюс 0,4 Гц, ещё два значения, определяющих границы диапазона измерений - 47,5 Гц и 52.5 Гц. За погрешность измерений счетчика принимают максимальное значение погрешности, полученное из результатов измерений за период времени 10 минут.
Абсолютную погрешность А измерения определяют по формуле (2):
Л = Аи — АЭ1 (2)
где Аэ - значение ПКЭ, измеренное Энергомонитором, Гц:
Аи- результат измерения счетчиком FM-301, Гц.
Результаты поверки считаются положительными, если вычисленное значение погрешности измерения частоты не превышает ±0.05 Гц в диапазоне частот от 47,5 до 52,5 Гц.
-
10.5.3 Определение относительной погрешности счетчиков при измерении фазных, межфазных напряжений проводится методом сравнения со значением напряжения, измеренным Энергомонитором.
Подключите счетчик к испытательной установке в соответствии со схемой, приведенной на рисунке А.2 Приложения А. Перед испытанием выдержите установку под напряжением в течение 30 минут.
Проводят измерения среднеквадратического значения напряжения на объединенном интервале времени, состоящим из 150 периодов основной частоты, непрерывно следующими друг за другом в течение 3 с. Значение величины на объединенном интервале времени получают объединением пяти результатов измерений на интервалах времени 10 периодов, полученных без пропусков.
Одно значение должно соответствовать номинальному значению напряжения, остальные - отклонениям от номинального значения на минус 10%, минус 5%, плюс 5%, плюс 10%. За погрешность измерений счетчика принимают максимальное значение погрешности, полученное из результатов измерений.
Лист
Изм
Лист
№ докум.
Подп.
Дата
15
Определяют относительную погрешность измерений по формуле (3):
а - юо Агде Аэ - значение ПКЭ. измеренное Энергомонитором, В;
Аи- результат измерения счетчиком Future Meter FM-30I, В.
(3)
Результаты поверки считаются положительными, если вычисленное значение погрешности измерения напряжения находится в пределах ±0.5 % при значениях напряжения в диапазоне 0.8UHOm.<U<1,2U ном»
Повторить испытания при подключенном резервном питании для двух значений напряжения - минус 10 % UHom., плюс 10 % ином.
10.5.4 Определение относительной погрешности счетчика при измерении коэффициентов несимметрии по нулевой и обратной последовательностям проводят методом сличения измеренных счетчиком и вычисленных коэффициентов.
Подключите счетчик к испытательной установке в соответствии со схемой, приведенной на рисунке А.2 Приложения А. Перед испытанием выдержите установку под напряжением в течение 30 минут.
Измерьте трехфазное переменное напряжение при следующих условиях испытаний. приведенных в таблице 10:
Инв №подп. I Поди и дата |Взам инв. № | Инв №дубл |Подп и дата
Таблица 10 - Условия испытаний для измерения коэффициентов несимметрии по нулевой и обратной последовательностям
Условия испытаний I |
Условия испытаний 2 |
Условия испытаний 3 |
100 % ± 0,5 % Udin во всех каналах. Все фазовые углы 120° (коэффициенты несимметрии напряжений по обратной и нулевой последовательности К2, Ко равны нулю) |
Фаза А: 110 % Udm ±0,5 %, канал 1; Фаза В: 115 % Udin ± 0.5 %. канал 2; Фаза С: 118 % Udin ± 0.5 %, канал 2; Углы сдвига фаз между основными составляющими межфазных напряжений 120° (значение К2 = 2,03 %, значение Ко = 2.03 %) |
Фаза А: 152 % Udm± 0.5 %, канал 1; Фаза В: 140 % Udm ± 0.5 %, канал 2: Фаза С: 128 % Udm ± 0.5 %, канал 3; Углы сдвига фаз между основными составляющими межфазных напряжений 120° (значение К2 = 4.95%, значение Ко =4.95 %) |
При подтверждении выполнения требований к неопределенности измерений напряжения значение Udm заменяют на значение напряжения, выбранного для проведения испытаний.
Коэффициент несимметрии напряжений по обратной последовательности К?, %, определяют по формуле (4):
K2=(U2/Ui)xl00, (4)
где U2— напряжение обратной последовательности;
Ui- напряжение прямой последовательности.
Коэффициент несимметрии напряжений по нулевой последовательности Ко, %, определяют по формуле (5):
Ko=(Uo/Ui)xlOO, (5)
где Ui- напряжение прямой последовательности:
Uo- напряжение нулевой последовательности.
Коэффициенты должны быть в пределах от 1%Ui до 5%Ui Инструментальная составляющая неопределенности измерений коэффициентов несимметрии по обратной и нулевой
Изм |
Лист |
№ докум |
Подп |
Дата |
Лист
Инв №подп. Подп и дата | Взам. инв. № | Инв №дубл | Подп и дата
последовательностям не должна превышать ±0.3%. Показания СИ, подключенного к трехфазной системе напряжений с коэффициентом несимметрии по обратной последовательности I %, должны быть в пределах от 0,7% до 1,3% согласно ГОСТ 30804.30-2013 п.5.7.
При расчете погрешности измерений использовать формулу (3). За погрешность измерений счетчика принимают максимальное значение погрешности, полученное из результатов измерений.
Результаты поверки считаются положительными, если вычисленные значения погрешности измерения коэффициентов несимметрии по нулевой и обратной последовательностям находятся в пределах ±0,3 % в диапазоне измерений 1,0-5.
-
10.5.5 Определение относительной погрешности счетчиков при измерении коэффициента активной мощности в каждой фазе и по сумме фаз проводят методом сравнения с измеренным Энергомонитором значением коэффициента мощности в каждой фазе и по сумме фаз.
Подключить счетчик к испытательной установке в соответствии со схемой, приведенной на рисунке А.2 Приложения А. Перед испытанием выдержать установку под напряжением в течение 30 минут.
Определение погрешности измерения коэффициента активной мощности проводить при номинальном (базовом) токе, номинальном напряжении (57,7 или 230 В в зависимости от варианта исполнения счетчика) и двух значениях коэффициента мощности: 0.5 инд., 0.5 емк.
Установить угол сдвига фаз между током и напряжением в каждой фазе равным 60 0 (Кр=0,5 инд.). Установить время усреднения эталонного счетчика 10 с и режим измерения коэффициента мощности. Произвести измерения по сумме фаз и вычислить относительную погрешность измерений, используя формулу (3). За погрешность измерений счетчика принимают максимальное значение погрешности, полученное из результатов измерений.
Повторить проверку для угла сдвига фаз 0 °, диапазона напряжения от 0.8UHom до 1,2UHom. диапазона тока от 0,21б до 1.2U
Результаты поверки считают положительными, если вычисленные погрешности измерения коэффициента активной мощности в каждой фазе и по сумме фаз в диапазоне от минус 1 до минус 0,5 и от 0.5 до 1 находятся в пределах ±1 % при значениях тока в диапазоне 0.21б(1ном)<1<1 -21б(1ном). и при значениях напряжения в диапазоне 0,8UHom.<U<1,2UHom.
-
10.5.6 Определение абсолютной погрешности счетчика при измерении угла фазового сдвига между фазным напряжением и одноименным током проводят методом сравнения с измеренным Энергомонитором значением угла фазового сдвига между фазным напряжением и одноименным током.
Подключить счетчик к испытательной установке в соответствии со схемой, приведенной на рисунке А.2 Приложения А. Перед испытанием выдержать установку под напряжением в течение 30 минут.
Определение погрешности проводят в диапазоне измерений от минус 180 °до 180 при номинальном (базовом) токе, номинальном напряжении. Установить на измерительной установке режим измерения угла фазового сдвига. Произвести измерения для диапазона напряжения от 0.81)„ом до 1,2UHOm. диапазона тока от 0,21б(1ном) до1,21б(1Ном) За погрешность измерений счетчика принимают максимальное значение погрешности, полученное из результатов измерений. Вычислить абсолютную погрешность измерений, используя формулу (2).
Изм |
Лист |
№ докум. |
Подп. |
Дата |
19812717.411152.007РЭ1
Лист
Инв. №подп. Подп и дата |Взам инв. № | Инв №дубл |Подп и дата
Результаты поверки считают положительными, если вычисленные погрешности измерения угла фазового сдвига между фазным напряжением и одноименным током в диапазоне измерений от минус 180 °до 180 0 не превышают ±0,5 0 при значениях тока в диапазоне 0.21б(1ном)<1<1,21б(1ном). и при значениях напряжения в диапазоне 0,8UHom.<U<1.2UHom.
-
10.5.7 Определение абсолютной погрешности счетчика при измерении угла фазового сдвига между фазными напряжениями проводят методом сравнения с измеренным Энергомонитором значением угла фазового сдвига между фазными напряжениями.
Подключить счетчик к испытательной установке в соответствии со схемой, приведенной на рисунке А.2 Приложения А. Перед испытанием выдержать установку под напряжением в течение 30 минут.
Определение погрешности проводят в диапазоне измерений от минус 180 °до 180 при номинальном (базовом) токе, номинальном напряжении. Установить на измерительной установке режим измерения угла фазового сдвига. Произвести измерения для диапазона напряжения от 0.8UHOm до 1,2UHOm, диапазона тока от 0,21б(1Ном) до! ,21б(1ном) За погрешность измерений счетчика принимают максимальное значение погрешности, полученное из результатов измерений. Вычислить абсолютную погрешность измерений, используя формулу (2).
Результаты поверки считают положительными, если вычисленные погрешности измерения угла фазового сдвига между фазными напряжениями в диапазоне измерений от минус 180 °до 180 0 не превышают ±0,2° при значениях тока в диапазоне
0,21б(1ном)<1<1,21б(1ном) и при значениях напряжения в диапазоне 0,8UHOm.<U<1 ,2UHOm.
-
10.5.8 Определение относительной погрешности счетчика при измерении положительного и отрицательного отклонения напряжения электропитания в точке передачи электрической энергии от номинального (согласованного) значения проводят методом сличения величин поданного на счетчик напряжения и напряжения, измеренного счетчиком.
Подключить счетчик к испытательной установке в соответствии со схемой, приведенной на рисунке А.2 Приложения А. Перед испытанием выдержать установку под напряжением в течение 30 минут.
Проводят пять измерений напряжения электропитания для каждой фазы на объединенном интервале времени 10 мин. в соответствии с требованиями ГОСТ 30804.4.30. подпункт 4.5.3 для класса S. Одно значение должно соответствовать номинальному значению напряжения, остальные - отклонениям от номинального значения на +10%, +20% (в случае положительного отклонения напряжения); на -10%, -20% (в случае отрицательного отклонения напряжения) на -20 %, -80 % (в случае отрицательного отклонения напряжения при резервном питании). Подать напряжение с установки на счетчик и сравнить величину напряжения с измеренным счетчиком напряжением.
Принимая во внимание стационарный характер испытательного воздействия, допускается считывать измеряемое значение по истечении 150 периодов сети с момента установки сигнала.
Отрицательное 6U(-) и положительное 5U(+) отклонения напряжения электропитания в точке передачи электрической энергии от номинального/согласованного значения. %, определяются по формулам (6) и (7):
5U(-)=[(Uo-Um(-))/Uo]-ЮО
(6)
Изм |
Лист |
№ докум |
Подп. |
Дата |
19812717.411152.007РЭ1
Лист
Инв. №подп. I Подп. и дата |Взам. инв № | Инв №дубл | Подл и дата
5U(+r[(Uo-Um(+))/Uo]-lOO (7)
где Um(-), Um(+) — значения напряжения электропитания, меньшие Uo и большие Uo соответственно, усредненные в объединенном интервале времени;
Uo — напряжение, равное стандартному номинальному напряжению Unom или согласованному напряжению Uc.
Результаты поверки считают положительными, если разница между поданным и измеренным напряжением не превышает ±0,5 %.
-
10.5.9 Для определения абсолютной погрешности счетчика при измерении tgcp в каждой фазе и по сумме фаз проводят в диапазоне измерений от минус 258: до 258= при номинальном токе и номинальном напряжении. Подключить счетчик к испытательной установке в соответствии со схемой, приведенной на рисунке А.2 Приложения А. Перед испытанием выдержать установку под напряжением в течение 30 минут.
На УППУ установить угол сдвига между током и напряжением поочередно -258°, 0°, 78°, 258°. Убедиться, что диапазон измерений tg(p соответствует диапазону от минус 5 до плюс 5. Произвести измерения для диапазона напряжения от 0,8UHOm до 1.2UHOm, диапазона тока от 0,21б(1ном) до!,21б(1ном). За погрешность измерений счетчика принимают максимальное значение погрешности, полученное из результатов измерений.
Результаты поверки считают положительными, если абсолютные погрешности измерения tgcp по сумме фаз в диапазоне измерений от минус 5 до плюс 5 не превышают ±(0.005+0.022 tg(p) при значениях тока в диапазоне 0,21б(1ном)<1<1,21б(1ном) и при значениях напряжения в диапазоне 0.8UHom.<U<I.2UHom.
-
10.5.10 Определение абсолютной погрешности счетчиков при измерении отклонения частоты на периоде усреднения 10 секунд в диапазоне измерений от 47.5 I ц до 52,5 Гц проводят методом сличения измеренных счетчиком и вычисленных значений отклонения частоты.
Подключите счетчик к испытательной установке в соответствии со схемой, приведенной на рисунке А.2 Приложения А. Перед испытанием выдержите установку под напряжением в течение 30 минут.
Определение погрешностей метрологических характеристик проводят при номинальной частоте в условиях изменения напряжения от номинальных для счетчика фазных значений напряжения до 0.8Uhom в течение 10 секунд. Измерения проводят каждые 20 секунд.
На основании результатов измерений частоты вычисляют отклонение частоты Af, Гц. по формуле (8):
Af=f-fH., (8)
где f- значение частоты на измерительном интервале;
fH - номинальное значение частоты.
Изм |
Лист |
№ докум. |
Подп. |
Дата |
19812717.411152.007РЭ1
Лист
Инв. № подп Подп и дата I Взам. инв. N2| Инв №дубп |Подп и дата
По окончании 20-секундного интервала должны быть определены максимальное и минимальное измеренные значения и диапазон значений, содержащий 95% всех результатов измерений. Диапазон значений, содержащий 95% всех результатов измерений определяют как Afu, А('в. где АПч - нижнее значение отклонения частоты, А1в - верхнее значение отклонения частоты.
Результаты испытаний считаются положительными, если вычисленное значение погрешности измерения отклонения частоты не превышает ±0.05 Гц.
10.6 Определение точности хода часов внутреннего таймера за сутки проводится с помощью частотомера.
Счетчик подсоединить к частотомеру, в соответствии со схемой, приведенной на рисунке А.2 в Приложении А. Частотомер в режиме измерения периода в положении 1:10.
С помощью управляющего ПО подать команду на установку выхода 18 в режим CLK. При этом частотомер измеряет период следования импульсов времязадающего генератора, который должен находиться в пределах от 999995 до 1000005 мкс, что соответствует точности хода часов ±0,5 с/сут.
Результаты поверки считают положительными, если абсолютная погрешность хода встроенных часов находится в пределах ±0,5 с/сут.
И Подтверждение соответствия счетчика метрологическим требованиям
-
11.1 Соответствие счетчика метрологическим требованиям подтверждается положительными результатами поверки при определении метрологических характеристик по каждому пункту раздела 10 «Определение метрологических характеристик счетчика» данной методики поверки.
12 Оформление результатов поверки
-
12.1 Результаты поверки оформляются в соответствии с Приказом Минпромторга №2510 от 31.07.2020 г., ГОСТ 8.584-2004. ГОСТ 3 1 81 8.1 1-2012, ГОСТ 3 1819.2 I-2012, ГОСТ 31819.23-2012, РМГ-51-2002.
-
12.2 Сведения о результатах поверки передаются в Федеральный информационный фонд по обеспечению единства измерений.
-
12.3 При удовлетворительных результатах поверки, по заявлению владельца средства измерений или лица, предъявившего его на поверку, на средство измерений наносится знак поверки, и (или) выдается свидетельство о поверке, и (или) в формуляр средства измерений вносится запись о проведенной поверке, заверяемая подписью поверителя и знаком поверки, с указанием даты поверки.
Знак поверки наносится давлением на специальную мастику пломб, расположенных в крепёжных отверстиях упоров задней панели прибора на задней панели.
Результаты поверки заносят в раздел 16 формуляра 19812717.411152.007 ФО.
-
12.4 При неудовлетворительных результатах поверки, средство измерений признают непригодным к применению, и, по заявлению владельца средства измерений или лица, предъявившего его на поверку, выписывается извещение о непригодности к применению средства измерений.
Изм
Лист
№ докум.
Подп.
Дата
19812717.411152.007РЭ1
Лист
Приложение А
(обязательное)
Схемы подключения счетчиков к IBM PC и метрологической установке


Рисунок А.1 - Схема подключения счетчиков к IBM PC


Инв. №лодп. Подл, и дата I Взам. инв. № | Инв. №дубл. | Подл, и лата
Изм |
Лист |
№ докум. |
Подл. |
Дата |
Лист
Инв. №подп. Подп. и дата | Взам. инв. № | Инв №дубл | Подп и дата

УППУ - установка поверочная универсальная «УППУ - МЭ 3.1 КМ-С»
ПТНЧ - преобразователи постоянного тока и напряжения в частоту
УК УППУ - устройство коммутации для установки поверки приборов учета
Рисунок А.2 - Схема подключения счётчиков к метрологической установке
Изм |
Лист |
№ докум. |
Подп. |
Дата |
Лист
Инв №подп. Подл, и дата Взам.инв № Инв №av6n. I Подл и дата
Лист регистрации изменений | |||||||||
Изм. |
Номера листов (страниц) |
Всего листов (страниц) в докум. |
№ докум. |
Входящий № сопроводительного докум. и дата |
Подп. |
Дата | |||
измененных |
заменённых |
новых |
анну-лиро-ван-ных | ||||||
Изм |
Лист |
№ докум. |
Подл. |
Дата |
Лист
23
Копировал
Формат А4