Методика поверки «ГСИ.ПРЕОБРАЗОВАТЕЛИ ИЗМЕРИТЕЛЬНЫЕ ЦИФРОВЫЕ ЦП8507» (МРБМП./УбЛ -2009)
УТВЕР
Дир

й ЦСМС”
Яковлев
2009
СИСТЕМА ОБЕСПЕЧЕНИЯ ЕДИНСТВА ИЗМЕРЕНИЙ РЕСПУБЛИКИ БЕЛАРУСЬ
ПРЕОБРАЗОВАТЕЛИ ИЗМЕРИТЕЛЬНЫЕ ЦИФРОВЫЕ ЦП8507
МЕТОДИКА ПОВЕРКИ МРБ МП. - 2009
Главный инженер
II
ООО “МНПП "Электроприбор
В.А.Черник 6? Л С>€. 2009

Настоящая методика поверки (далее - МП) предназначена для первичной и периодической поверки преобразователей измерительных цифровых ЦП8507 (далее -ЦП), соответствующих требованиям ТУ BY 300080696.070-2009.
Межповерочный интервал -48 месяцев.
1 Операции поверки-
1.1 При проведении поверки должны выполняться операции, указанные в таблице 1.1.
Таблица 1.1
Наименование операции |
Номер пункта методики поверки |
Проведение операции при | |
первичной поверке |
периодической поверке | ||
1 Внешний осмотр |
7.1 |
Да |
Да |
|
7.2 |
Да |
Да |
прочности изоляции 4 Определение метроло- |
7.2.2 |
Да |
Нет |
гических характеристик ЦП |
7.3 |
Да |
Да |
|
7.4 |
Да |
Да |
ности 7 Проверка отсутствия |
7.5 |
Да |
Да |
самохода 8 Определение основной абсолютной погрешности |
7.6 |
Да |
Да |
хода часов 9 Определение пульсации выходного |
7.7 |
Да |
Да |
аналогового сигнала |
7.8 |
Да |
Да |
-
2.1 При проведении поверки должны применяться средства поверки, указанные в таблице 2.1.
Таблица 2.1
Номер пункта методики поверки |
Наименование и тип (условное обозначение) эталонов и вспомогательных средств поверки, их метрологические и основные технические характеристики, обозначение ТИПА |
7.1 7.2.1, 7.2.2 7.2.3, 7.2.4 7.3.1 -7.3.3, 7.3.5.1 -7.3.5.3 7.4-7.7 7.8 |
См. 7.3.1 Установка высоковольтная измерительная (испытательная) УПУ-21. Диапазон выходного напряжения от 0 до 10 kV переменного тока частотой 50 Hz. Основная погрешность ± 4,0 %. ТУ РБ 100039847.061-2004. Установка поверочная универсальная «УППУ-МЭ». УППУ-МЭ 3.1КМ-С-02-110-15/5-0,1/528. Диапазон выходного тока от 0 до110 А, выходная мощность канала тока/напряжения - 15/5 V A, диапазон выходного напряжения от 0,1 до 528 V, диапазон установки частоты от 42,5 до 70 Hz. Основная относительная погрешность: при измерении активной мощности ± 0,015 %, полной мощности ± 0,02 %; при измерении тока и напряжения ± 0,01 %; при измерении реактивной мощности ± 0,05 %; при измерении коэффициента мощности основная абсолютная погрешность ± 0,001; при измерении частоты основная абсолютная погрешность ± 0,01 Hz. ТУ 4831-053-49976497-2013. Вольтметр ЦВ8500/4. Диапазон измерений от 0,006 V до 0,6 V. Класс точности 0,1. ТУ РБ 300080696.014-2002 Вольтметр универсальный цифровой В7-34А. Диапазон измерений напряжения переменного тока от 0 до 1000 V.Основная погрешность ± 0,8 %. Диапазон измерений напряжения постоянного тока от 0 до 1000 V. Основная погрешность ± 0,017 %. Устройство для питания измерительных цепей постоянного и переменного токов УИ300.1. Диапазон установки выходного напряжения постоянного тока и переменного тока от 0 до 1000 V в диапазоне частот от 45 до 500 Hz. Коэффициент нелинейных искажений не более 1 %. Магазин сопротивлений РЗЗ. Диапазон сопротивлений от 0,1 до 99999,9 Q. Класс точности 0.2/2-10'6. ТУ 25-04.296-75. Катушка сопротивления образцовая Р331. Rhomhh.= 100 Q. Рномин.= 0,1 V-A. Рмакс.= 1,0 V-A. Класс точности 0,01. ТУ 25-04.3368-78. Катушка сопротивления образцовая Р331. Rhomhh.= 10 Q. Рномин.= 0,1 V A. Рмакс.= 1,0 V A. Класс точности 0,01. ТУ 25-04.3368-78. ПЭВМ. IBM - совместимость. Порт USB. Психрометр МВ-4М. Диапазон измерений:
Барометр - анероид БАММ-1. Диапазон измерений от 79,8 до 106,6 кРа. Частотомер электронносчетный 43-88. Диапазон измерения длительности импульсов по входу: от 1 ps до 104 s. Относительная погрешность по частоте встроенного опорного генератора при номинальном значении частоты 5 MHz не более: ± 5 -10'8 за 30 суток и ±1-10'7 за 12 мес. Осциллограф универсальный С1-93. Диапазон входного напряжения от 1 mV до 80 V. Полоса пропускания от 0 до 3 MHz. Класс точности 4,0. И22.044.084 ТУ. |
Все средства поверки должны иметь действующие документы об их поверке или ат
тестации.
Для контроля атмосферного давления допускается использовать данные метеослужб.
Допускается использовать средства поверки, не указанные в таблице 2.1, но обеспечивающие определение метрологических характеристик ЦП с требуемой точностью.
Значения соотношений пределов допускаемых значений характеристик погрешностей эталонных и поверяемого средства измерений не должны превышать 1/3.
Лист | |||||||||
5 |
Зам. |
ЭП.03.2/4-2020 |
> МРБ МП. 1962-2009 | ||||||
Изм. |
Лист |
№ докум. |
Подп. |
Дата |
\ •’•fh 1 |
■ .ЧЯ | |
л ' 3 | ||
Ин в. № подл. |
Подп. и дата |
Взам. инв № |
Инв. № дубл. |
Подп. и дата |
Персонал, допущенный к работе с ЦП, должен быть аттестован в качестве поверителя, иметь допуск к работе с электрическими установками напряжением свыше 1000 V и ознакомиться с руководством по эксплуатации ЗЭП.499.070 РЭ.
4 Требования безопасностиПри проведении поверки ЦП должны соблюдаться требования, установленные в ТКП 181-2009.
Внешние цепи следует подключать в соответствии со схемами, приведенными на рисунках А.1 - А.6 (приложение А), отключив напряжение питания и входные сигналы.
В случае возникновения аварийных ситуаций и режимов работы, ЦП необходимо немедленно отключить.
5 Условия поверки-
5.1 При проведении поверки должны соблюдаться нормальные условия, указанные в таблице 5.1.
Таблица 5.1
Влияющий фактор |
Нормальное значение |
1 Температура окружающего воздуха, °C |
20 ±2 |
2 Относительная влажность окружающего воздуха, % |
от 30 до 80 |
3 Атмосферное давление, mm Hg |
от 630 до 800 |
4 Форма кривой переменного тока (напряжения переменного тока) входного сигнала |
Синусоидальная, с коэффициентом нелинейных искажений не более 2 % |
5 Сопротивление нагрузки с диапазоном изменений выходного аналогового сигнала, kQ: от 0 до 5 mA; (0 ± 5) mA; от 4 до 20 mA; 4-12-20 mA |
2,5 ±0,5 0,4 ±0,1 |
6 Частота входного сигнала, Hz |
50 ±5 |
7 Параметры питания сети переменного тока:
|
220 ± 4,4 или 230 ± 4,6 50 ±0,5 Синусоидальная, с коэффициентом нелинейных искажений не более 5 % |
8 Параметры питания сети постоянного тока - напряжение,V |
220 ±2,2 или 230 ±2,3; 48 ± 0,48; 24 ± 0,24; 12 ± 0,12; 5 ± 0,1 |
9 Магнитное и электрическое поля |
Практическое отсутствие магнитного и электрического полей, кроме земного |
10 Рабочее положение |
Любое |
МРБ МП. 1962-2009 |
Лист | ||||||||
5 |
Зам. |
ЭП.03.2/4-2020 |
4^ |
4 | |||||
Изм. |
Лист |
№ докум. |
Подп. |
Дата | |||||
Инв. № подл. |
Подп. и дата |
Взам.инв № |
Инв. № дубл. |
Подп. и дата |
До проведения поверки ЦП должны быть выдержаны при температуре и влажности окружающего воздуха, указанных в таблице 5.1, не менее 4 h, если перед проведением поверки ЦП находились в климатических условиях, отличающихся от нормальных.
Работа с поверяемыми ЦП и со средствами их поверки должна проводиться в соответствии с их руководствами по эксплуатации.
-
7 Проведение поверки
При проведении внешнего осмотра должно быть установлено соответствие ЦП следующим требованиям:
-
- отсутствие механических повреждений корпуса ЦП;
-
- четкость маркировки.
ЦП считают выдержавшими поверку, если на корпусе отсутствуют механических повреждений, трещины, сколы, маркировка на ЦП разборчивая, легко читаемая и нанесена в доступном для осмотра без разборки с применением инструмента месте.
7.2 Опробование ЦП-
7.2.1 Проверку работоспособности ЦП проводят в соответствии с РЭ.
-
7.2.2 Программное обеспечение
ЦП оснащены встроенным программным обеспечением (далее - ПО).
ПО является метрологически значимым и метрологические характеристики ЦП определены с его учетом. ПО хранится в энергозависимой памяти микроконтроллера ЦП. Конструкция ЦП исключает возможность несанкционированного доступа к ПО ЦП и влияния на измерительную информацию. Идентификационные данные ПО приведены в таб
лице 7.1.
Таблица 7.1
Идентификационные данные (признаки) |
Значение | |
ЦП8507/1 -ЦП8507/10 |
ЦП8507/11 -ЦП8507/16 | |
Идентификационное наименование ПО |
СР8507 d1-10 |
CP8507 d11-16 |
Номер версии (идентификационный номер ПО) |
530 |
711 |
Цифровой идентификатор ПО |
FA51A583 |
2CE4EF5D |
Алгоритм вычисления цифрового идентификатора |
CRC32 |
CRC32 |
Соответствие ПО определяется отсутствием ошибок в программе при работе с пользовательским интерфейсом ПК в процессе проверки работоспособности ЦП.
Контроль метрологической части ПО осуществляется в процессе определения метрологических характеристик ЦП8507 при поверке.
МРБ МП. 1962-2009 |
Лист | ||||||||
5 |
Зам. |
ЭП.ОЗ.2/4-2020 |
5 | ||||||
Изм. |
Лист |
№ докум. |
7 Подп. |
Дата | |||||
Инв. № подл. |
Подп. и дата |
Взам.инв № |
Инв. № дубя. |
Подп. и дата |
-
7.2.3 По безопасности ЦП должны соответствовать требованиям ТР ТС 004/2011 по ГОСТ 12.2.007.0-75, ГОСТ IEC 61010-1-2014, ГОСТ IEC 61010-2-030-2013.
По способу защиты от поражения электрическим током ЦП должны соответствовать изделиям класса II по ГОСТ 12.2.007.0-75.
ЦП должны соответствовать:
-
- степени загрязнения 2 и категории перенапряжения II по ГОСТ IEC 61010-1-2014;
-
- категории измерений III по ГОСТ IEC 61010-2-030-2013.
-
7.2.4 Электрическая изоляция различных цепей ЦП между собой и по отношению к корпусу должна выдерживать в течение 1 min действие испытательного напряжения переменного тока частотой 50 Hz, среднеквадратичное значение которого указана в таблице 7.2.
Таблица 7.2
Наименование цепи |
Испытательное напряжение, V | |
Ubx=400 V |
Ubx = 100 V | |
Цепь питания - входные цепи |
1400 |
1400 |
Цепь питания - дискретные выходы (реле) |
1400 | |
Цепь питания - аналоговые выходы, интерфейс, дискретные входы, импульсные выходы |
1400 [840] | |
Цепи Ia, Ib. Ic - цепи Ua, Ub, Uc |
450 |
375 |
Цепи тока между собой |
450 |
375 |
Входные цепи - дискретные выходы |
450 |
375 |
Входные цепи - аналоговые выходы, интерфейс, дискретные входы, импульсные выходы |
450 |
375 |
Дискретные выходы - дискретные входы, интерфейс, аналоговые выходы, импульсные выходы |
375 | |
Примечание - В квадратных скобках указаны значения для рабочего напряжения питания до 150 V. |
Проверку электрической прочности изоляции проводят в нормальных условиях. ЦП считают выдержавшими проверку электрической прочности изоляции, если не произошло пробоев изоляции и на установке УПУ-21 не было показаний неисправности.
7.3 Определение метрологических характеристик ЦП-
7.3.1 Диапазоны измерений входного сигнала, диапазоны изменений показаний на цифровом табло ЦП и ПЭВМ (далее - диапазон показаний) и диапазоны изменений выходных аналоговых сигналов, параметры литания ЦП (напряжение, частота и потребляемая мощность), классы точности должны соответствовать значениям, приведенным в таблице 7.3.
пг; ;•
Лист
5
Зам.
ЭП.03.2/4-2020
>
МРБ МП. 1962-2009
•;г- #
Изм.
Лист
№ докум.
Подп.
Дата
6
Инв. № подл.
Подп. и дата
Взам.инв №
Инв. № дубл.
Подп. и дата
Модифи-кация ЦП |
Диапазон измерений входных сигналов | ||||
ток, А |
напряжение линейное (фазное), V [схема подключения] |
частота, Hz |
мощность P. W; Q, var; S, V A |
коэффициент мощности COS ф (sin ф) | |
ЦП85О7/11>, ЦП8507/7 |
от 0 ДО 1 |
от-173,2 до+173,2 или от - 658,2 до +658,2 или от-692,8 до +692,8 | |||
ЦП8507/21), ЦП8507/8 |
от 0 до 5 |
0 100 1252) (0-57,74-72,172>) или 0-380-4752) (0-219,4-274,22)) или |
от - 866,0 до +866,0 или от-3291 до +3291 или от - 3464 до + 3464 | ||
ЦП8507/3, ЦП8507/5 |
от 0 ДО 1 |
от 45 до 55 |
от-173,2 до+173,2 или от - 658,2 до +658,2 или от-692,8 до +692,8 | ||
ЦП8507/4, ЦП8507/6 |
от 0 до 5 |
0-400-5002) (0-230,9-288,72)) [3-х и 4-х проводная] |
от - 866,0 до +866,0 или от-3291 до +3291 или от - 3464 до + 3464 |
от - 1 ДО+1 | |
ЦП8507/9 |
от 0 ДО 1 |
от -173,2 до+173,2 или от - 658,2 до +658,2 или от-692,8 до +692,8 | |||
ЦП8507/10 |
от 0 до 5 |
от - 866,0 до +866,0 или от - 3291 до +3291 или от - 3464 до + 3464 |
U: от 0 до Н23);
F: от 45 до 55 Hz;
S: от 0 до Н33);
КР: от - 1 до +1
Диапазон изменений показаний цифрового табло ЦП4) и (или) на мониторе ПЭВМ5)
Р, Q: от-Н33) до +Н33);
Диапазон изменений 3-х выходных аналоговых сигналов ЦП, mA
от -5 до +5;
от 0 до 5
или
от 4 до 20;
4-12-20
Класс точности
0,56)
0,57>
0,058)
i МРБ МП. 1962-2009 |
Лист | ||||||||
5 |
Зам. |
ЭП.ОЗ.2/4-2020 |
Г" /1 - - |
7 | |||||
Изм. |
Лист |
№ докум. |
Подп. |
Дата | |||||
Инв. № подл. |
Подп. и дата |
Взам.инв № |
Инв. № дубл. |
Подп. и дата |
Модификация ЦП |
Диапазон измерений входных сигналов | ||||
ток, А |
напряжение линейное (фазное),* V [схема подключения] |
частота, Hz |
мощность P, W; Q, var; S, V A |
коэффициент мощности cos ср (sin ср) | |
ЦП8507/111) |
от 0 ДО 1 |
от-173,2 до+173,2 или от - 658,2 до +658,2 или от-692,8 до +692,8 | |||
ЦП8507/121) |
от 0 ДО 5 |
от - 866,0 до +866,0 или от-3291 до +3291 или от - 3464 до + 3464 | |||
ЦП8507/131) |
от 0 ДО 1 |
0-100-1252) (0-57,74-72,172)) и 0-380-4752) (0-219.4-274.22)) |
от 45 |
от - 173,2 до+173,2 или от - 658,2 до +658,2 или от-692,8 до +692,8 |
от-1 до +1 |
ЦП8507/141) |
от 0 ДО 5 |
и 0-400-5002) (0-230.9-288.72)) [3-х и 4-х про водная] |
до 55 |
от - 866,0 до +866,0 или от-3291 до +3291 или от - 3464 до + 3464 | |
ЦП8507/151) |
от 0 ДО 1 |
от -173,2 до+173,2 или от - 658,2 до +658,2 или от-692,8 до +692,8 | |||
от - 866,0 до +866,0 | |||||
от 0 ДО 5 |
или | ||||
ЦП8507/161) |
от-3291 | ||||
до +3291 | |||||
или от-3464 до + 3464 |
Диапазон изменений показаний цифрового табло ЦП4) и (или) мониторе ПЭВМ5)
Диапазон изменений 3-х выходных аналоговых сигналов ЦП, mA
I: от 0 до Н13);
U: от 0 до Н23>;
F: от 45 до 55 Hz;
Р, Q: от - НЗ3) до +Н33>;
S: от 0 до Н33);
КР: от -1 до +1;
Wa, Wa+, Wa-и
Wr, Wr+, Wr-,
Wr1, Wr2, Wr3, Wr4 от-999999,99 до + 999999,99
Класс
точно
сти
0,5®) 0,57) 0,05®) 0,5S9> 1,01°) | |
от -5 до +5; от 0 до 5 | |
или | |
от 4 до 20; | |
4-12-20 |
от -5 до +5;
от 0 до 5 или
от 4 до 20;
4-12-20
0,2®)
0,57)
0,058)
0,2S9)
1,01°)
0,5®)
0,5?)
0,05®)
0,5S9)
1,01°)

МРБ МП. 1962-2009 |
Лист | ||||||||
5 |
Зам. |
ЭП.03.2/4-2020 |
8 | ||||||
Изм. |
Лист |
№ докум. |
у Подл. |
Дата | |||||
Инв. № подл. |
Подл, и дата |
Взам.инв № |
Инв. № дубл. |
Подл, и дата |
Модифика-ция ЦП |
Диапазон измерений входных сигналов |
Диапазон изме-нений показаний цифрового табло ЦП4) и (или) мониторе ПЭВМ5) |
Диапазон изменений 3-х выходных аналоговых сигналов ЦП, mA |
Класс точности | ||||
ток, А |
напряжение линейное (фазное),* V [схема подключения] |
частота, Hz |
мощность P, W; Q, var; S, V A |
коэффициент мощности cos ф (sin ф) | ||||
’Диапазона измерений напряжений в ЦП8507/11 - ЦП8507/16 осуществляется программно. | ||||||||
4) Отображаемые на цифровом табло ЦП параметры могут иметь размерности: A, kA, V, kV, W, kW, MW, GW, var, kvar, Mvar, Gvar, V-A, kV-А, MV-A, GV A, Hz, kW h, kvarh в зависимости от модификации. 5> Модификации ЦП8507 у которых отсутствует цифровое табло. Основная погрешность определяется по показаниям на мониторе ПЭВМ.
Класс точности при измерении активной энергии. 10) Класс точности при измерении реактивной энергии. |
-
7.3.2 Пределы допускаемой основной приведенной погрешности (далее - основная приведенная погрешность) ЦП от нормирующего значения (см. таблицу 7.6) должны быть:
а) для ЦП8507/1 - ЦП8507/12, ЦП8507/15, ЦП8507/16:
-
1) ± 0,5 % - при измерении тока, напряжения, активной, реактивной, полной мощности;
-
2) ± 0,05 % - при измерении частоты.
б) для ЦП8507/13 - ЦП8507/14:
-
1) ± 0,2 % - при измерении тока, напряжения, активной, полной мощности по показаниям на цифровом табло и/или дисплее ПЭВМ и ± 0,5 % по аналоговым выходам;
-
2) ± 0,5 % - при измерении реактивной мощности;
-
3) ± 0,05 % - при измерении частоты;,
-
7.3.3 Пределы допускаемой основной относительной погрешности (далее - основная относительная погрешность) ЦП при измерении энергии с симметричными нагрузками должны быть по ГОСТ 31819.22-2012, ГОСТ 31819.23-2012 в соответствии с таблицей 7.4.
МРБ МП. 1962-2009
Лист
5
Зам.
ЭП.03.2/4-2020
9
Изм.
Лист
№ докум.
1
ИЛодп.
Дата
Ин в. № подл.
Подп. и дата
Взам.инв №
Инв. № дубл.
Подп. и дата
Значение тока |
Коэффициент мощности |
Пределы допускаемой основной относительной погрешности, %, для класса точности | ||
0,2 S |
0,5 S |
1 | ||
0,01 ’ Ihomhh.— Ihomhh. < 0,05• Ihomhh. |
1,00 |
±0,4 |
± 1,0 |
- |
0,02' Ihomhh.— Ihomhh. < 0,05’ Ihomhh |
- |
- |
± 1,5 | |
0,05 'Ihomhh.— Ihomhh. — 1,2' Ihomhh. |
±0,2 |
±0,5 |
± 1,0 | |
0,02 'Ihomhh.^ Ihomhh < 0,10' Ihomhh. |
0,50 при индуктивной нагрузке (для активной и реактивной энергии) 0,80 при емкостной нагрузке (для активной энергии) |
±0,5 |
± 1,0 |
- |
0,05' Ihomhh.— Ihomhh < 0,10' Ihomhh. |
- |
- |
± 1,5 | |
0,10 'Ihomhh.^ Ihomhh. — 1,2' Ihomhh. |
±0,3 |
±0,6 |
± 1,0 | |
0,10' Ihomhh.^ Ihomhh. — 1,2' Ihomhh. |
0,25 при индуктивной или емкостной нагрузке (для реактивной энергии) |
- |
- |
±1.5 |
Пределы допускаемой основной относительной погрешности (далее - основная относительная погрешность) ЦП при измерении энергии с однофазной нагрузкой (при симметрии многофазных напряжений, приложенных к цепям напряжения), должны быть по ГОСТ 31819.22-2012, ГОСТ 31819.23-2012 в соответствии с таблицей 7.5
Таблица 7.5
Значение тока |
Коэффициент мощности |
Пределы допускаемой основной относительной погрешности, %, для класса точности | ||
0.2S |
0,5S |
1 | ||
0,05' Ihomhh.^ Ihomhh. — 1,2' Ihomhh. |
1,00 |
±0,3 |
±0,6 |
± 1,5 |
0,10' Ihomhh.^ Ihomhh. - 1,2' Ihomhh. |
0,50 при индуктивной нагрузке |
±0,4 |
± 1,0 |
±1,5 |
-
7.3.4 Номинальное значение входного сигнала (напряжения, тока, коэффициента мощности, мощности, частоты), нормирующее значение показаний цифровых табло и дисплея ПЭВМ и выходных аналоговых сигналов соответствуют значениям, приведенным в таблице 7.6
МРБ МП. 1962-2009
Лист
5
Зам.
ЭП.03.2/4-2020
10
Изм.
Лист
№ докум.
^Подп.
Дата
Инв. № подл.
Подл, и дата
Взам.инв №
Инв. № дубл.
Подл, и дата
Модификация
ЦП
Номинальное значение вхо; сигнала
Напряжение линейное (фазное), V
Ток, А
Коэф, мощности cos <р (sin ср)
Мощность, W, var,
VA
ЦП8507/1, ЦП8507/7,
ЦП8507/11, ЦП8507/13, ЦП8507/15
100,0
(57,74) или 380,0
(219,4) или 400,0
(230,9)
1
1
-
173.2 или
-
658.2 или
692,8
ЦП8507/2, ЦП8507/8,
ЦП8507/12, ЦП8507/14, ЦП8507/16
5
866,0
или 3291
или
3464
ЦП8507/3, ЦП8507/5,
ЦП8507/9
1
-
173.2 или
-
658.2 или
692,8
ЦП8507/4, ЦП8507/6,
ЦП8507/10
5
866,0
или 3291
или
3464
* Нормирующее значение активной, реактивной, пол
цного
Нормирующее значение выходных сигналов
Частота,
Hz
Цифровые сигналы на табло ЦП, мониторе ПЭВМ
Выходные аналоговые сигналы, mA
по току, напряжению, мощности
по частоте
диапазон от 0 до 5
диапазон от 4 до 20
50
Н1
Н2/1.25 нз*
50
5; 20
25
80
ной мощности по каждой фазе равно НЗ/З.
-
-
7.3.5 Определение оснозной погрешности ЦП
Основную погрешность ЦП определяют методом прямых измерений при помощи эталонных средств измерений.
Данные проверки проводят в нормальных условиях, указанных в таблице 5.1, по схемам, приведенным на рисунках А. 1 - А.6 (приложение А).
-
7.3.5.1 Для определения основной приведенной погрешности ЦП при измерении тока, напряжения, активной и реактивной мощности, частоты подать входные сигналы в соответствии с таблицами 7.7 - 7.11, 7.15 для ЦП, применяемых в четырехпроводных сетях и таблицами 7.7, 7.8, 7.12 - 7.15 для ЦП, применяемых в трехпроводных сетях с точностью ± 5 %.
ЦП проверяют при симметричных системах напряжений и токов. При этом значение каждого линейного напряжения должно отличаться от значения среднего линейного
МРБ МП. 1962-2009 |
Лист | ||||||||
5 |
Зам. |
ЭП.03.2/4-2020 |
11 | ||||||
Изм. |
Лист |
№ докум. |
^Подп. |
Дата | |||||
Инв. № подл. |
Подл, и дата |
Взам.инв № |
Инв. № дубл. |
Подл, и дата |
напряжения и значение каждого фазного напряжения должно отличаться от значения среднего фазного напряжения не более чем на 2 %.
Основная приведенная погрешность при измерении активной и реактивной мощностей определяется при номинальных значениях напряжений и cos ср (sin ср) путем изме
нения величины токов.
Таблица 7.7
Входной сигнал 1ф, А |
Расчетное значение тока 1фНа цифровом табло ЦП и на мониторе ПЭВМ, А, кА |
Расчетные значения выходных аналоговых сигналов, mA | |
от 0 до 5 |
от 4 до 20 | ||
5.0 (1,0) |
Н1 |
5,0 |
20,0 |
4,0 (0,8) |
0.8-Н1 |
4,0 |
16,8 |
3,0 (0,6) |
0.6-Н1 |
3,0 |
13,6 |
2,0 (0,4) |
0,4Н1 |
2,0 |
10,4 |
1.0 (0,2) |
0.2-Н1 |
1,0 |
7,2 |
0,0 |
0 |
0,0 |
4,0 |
Таблица 7.8
Входной сигнал Uab. Uca. Ubc, (Ua.Ub.Uc)*, V |
Расчетное значение линейного напряжения Uab. Uca. Ubc. фазного напряжения^. Ub. Uc)’ на цифровом табло, мониторе ПЭВМ, V |
Расчетные значения выходных аналоговых сигналов, mA | |
от 0 до 5 |
от 4 до 20 | ||
125,0 (72,17) [475,0 (274,2)] {500,0 (288,7)} |
Н2 (H2/VT) |
5,0 |
20,0 |
100,0 (57,74) [380,0 (219,4)] {400,0 (230,9)} |
0,8 Н2 (0,4619 • Н2) |
4,0 |
16,8 |
75,0 (43,30) [285,0 (164,5)] {300,0(519,6)} |
0.6Н2 (0,3464 • Н2) |
3,0 |
13,6 |
50,0 (28,87) [190,0 (109,7)] {200,0 (346,4)} |
0.4Н2 (0,2309 Н2) |
2.0 |
10,4 |
25,0 (14,43) [95,0 (54,8)] {100,0 (173,2)} |
0.2Н2 (0,1155 • Н2) |
1,0 |
7.2 |
0(0) |
0(0) |
0,0 |
4,0 |
' Для ЦП, предназначенных для работы в четырехпроводных сетях. Примечания
-
1 В квадратных скобках указаны значения для диапазона входного сигнала 0 - 380 - 475 V.
-
2 В фигурных скобках указаны значения для диапазона входного сигнала 0 - 400 - 500 У.
. ■ ’• .41;» |
Лист | ||||||||
5 |
Зам. |
ЭП.03.2/4-2020 |
X- |
fZZZZz |
1 МРБ МП. 1962-2009 |
. •>!■?.* | |||
Изм. |
Лист |
№ докум. |
Подп. |
Дата |
;;------7.' |
12 | |||
Инв. № подл. |
Подп. и дата |
Взам. инв № |
Инв. № дубл. |
Подп. и дата |
Входной сигнал |
Расчетное значение активной мощности на цифровом табло ЦП, мониторе ПЭВМ, W |
Расчетное значение выходных аналоговых сигналов, mA | ||||||
Ua. Ub. Uc.V |
cos ср’ |
Ia, Ib, Ic, А |
Ра, Рв, Рс, W |
Ре= Ра+ Рв+ Рс, W | ||||
Ра, Рв, Рс |
P |
-5-0-+5 |
4-12-20 | |||||
1.0 |
5.0 (1,0) |
288,68 (57,74) |
866,0 (173,22) |
о.зззнз |
НЗ |
5,0 |
20,0 | |
4,0 (0,8) |
230,94 (46.19) |
692,8 (138,57) |
0,267-НЗ |
0,8-НЗ |
4,0 |
18,4 | ||
3,0 (0,6) |
173,21(34.64) |
519,6 (103,92) |
0,2-НЗ |
0,6-НЗ |
3,0 |
16,8 | ||
2.0 (0,4) |
115,47 (23,09) |
346,4 (69,27) |
0,133 -НЗ |
0,4 НЗ |
2,0 |
15,2 | ||
1.0 (0,2) |
57,74(11,55) |
173,2 (34,65) |
0,067-НЗ |
0,2-НЗ |
1.0 |
13,6 | ||
57 74 |
0 |
0 |
0 |
0 |
0 |
0,0 |
12,0 | |
-1.0 |
1.0 (0,2) |
-57,74 (-11,55) |
-173,2 (-34,65) |
-0,067-НЗ |
-0,2-НЗ |
-1.0 |
10,4 | |
2,0 (0,4) |
-115,47 (-23,09) |
-346,4 (-69,27) |
-0,133 НЗ |
-0,4-НЗ |
-2,0 |
8,8 | ||
3,0 (0,6) |
-173,21 (-34,64) |
-519,6 (-103,92) |
-0,2-НЗ |
-0,6-НЗ |
-з.о |
7,2 | ||
4.0 (0,8) |
-230,94 (-46,19) |
-692,8 (-138,57) |
-0,267-НЗ |
-0,8-НЗ |
-4,0 |
5,6 | ||
5,0 (1,0) |
-288,68 (-57,74) |
-866,0 (-173,22) |
-О.ЗЗЗНЗ |
-НЗ |
-5,0 |
4,0 | ||
1,0 |
5,0 (1,0) |
1097,0 (219,4) |
3291,0 (658,2) |
О.ЗЗЗНЗ |
НЗ |
5,0 |
20,0 | |
4,0 (0,8) |
877,6 (175,5) |
2632,7 (526,5) |
0,267-НЗ |
0,8-НЗ |
4,0 |
18,4 | ||
3,0 (0.6) |
658,2 (131,6) |
1974,5 (394,9) |
0,2-НЗ |
0,6-НЗ |
3,0 |
16,8 | ||
2,0 (0,4) |
438,8 (87,76) |
1316,4 (263,3) |
0,133 НЗ |
0,4-НЗ |
2,0 |
15,2 | ||
1,0 (0,2) |
219,4 (43,87) |
658,2 (131,6) |
0,067-НЗ |
0,2-НЗ |
1.0 |
13,6 | ||
219,4 |
0 |
0 |
0 |
0 |
0 |
0,0 |
12,0 | |
-1.0 |
1,0 (0,2) |
-219,4 (-43,87) |
-658,2 (-131,6) |
-0,067-НЗ |
-0,2-НЗ |
-1.0 |
10,4 | |
2,0 (0,4) |
-438,8 (-87,76) |
-1316,4 (-263,3) |
-0,133-НЗ |
-0,4-НЗ |
-2,0 |
8,8 | ||
3,0 (0,6) |
-658,2 (-131,6) |
-1974,5 (-394,9) |
-0,2-НЗ |
-0,6-НЗ |
-3,0 |
7,2 | ||
4,0 (0,8) |
-877,6 (-175,5) |
-2632,7 (-526,5) |
-0,267-НЗ |
-0,8-НЗ |
-4,0 |
5,6 | ||
5,0 (1,0) |
-1097,0 (-219,4) |
-3291,0 (-658,2) |
-О.ЗЗЗНЗ |
-НЗ |
-5,0 |
4,0 | ||
1,0 |
5,0 (1.0) |
1154,7(230,9) |
3464,0 (692,8) |
О.ЗЗЗНЗ |
НЗ |
5,0 |
20,0 | |
4,0 (0,8) |
923,8 (184,7) |
2771,2 (554,2) |
0,267-НЗ |
0,8-НЗ |
4,0 |
18,4 | ||
3.0 (0,6) |
692,8(138,5) |
2078,4 (415,7) |
0,2-НЗ |
0,6-НЗ |
3,0 |
16,8 | ||
2,0 (0,4) |
461,9(92,38) |
1385,6 (277,1) |
0,133-НЗ |
0,4-НЗ |
2,0 |
15,2 | ||
1.0 (0.2) |
230,9(46,18) |
692,8 (138,6) |
0,067-НЗ |
0,2-НЗ |
1.0 |
13,6 | ||
230,9 |
0 |
0 |
0 |
0 |
0 |
0,0 |
12,0 | |
-1.0 |
1.0 (0.2) |
-230,9 (-46,18) |
-692,8 (-138,6) |
-0,067-НЗ |
-0,2-НЗ |
-1.0 |
10,4 | |
2,0 (0.4) |
-461,9 (-92,38) |
-1385,6 (-277,1) |
-0,133-НЗ |
-0,4-НЗ |
-2,0 |
8,8 | ||
3.0 (0,6) |
-692,8 (-138,5) |
-2078,4 (-415,7) |
-0,2 НЗ |
-0,6-НЗ |
-з.о |
7,2 | ||
4,0 (0,8) |
-923,8 (-184,7) |
-2771,2 (-554,2) |
-0,267-НЗ |
-0,8-НЗ |
-4,0 |
5,6 | ||
5,0 (1,0) |
-1154,7 (-230,9) |
-3464,0 (-692,8) |
-О.ЗЗЗНЗ |
-НЗ |
-5,0 |
4,0 | ||
* ср - угол сдвига между 1ф v |
иФ |
> МРБ МП. 1962-2009 |
Лист | ||||||||
5 |
Зам. |
ЭП.ОЗ .2/4-2020 |
13 | ||||||
Изм. |
Лист |
№докум. |
1/Подп. |
Дата | |||||
Инв. № подл. |
Подл, и дата |
Взам. инв № |
Инв. № дубл. |
Подп. и дата |
Входной сигнал |
Расчетное значение реактивной мощности на цифровом табло ЦП, мониторе ПЭВМ, var |
Расчетное значение выходных аналоговых сигналов, mA | ||||||
Ua. Ub. Uc.V |
sin ср’ |
Ia, Ib, Ic. А |
Qa, Qb, Qc , var |
Qj= Qa+ Qb+ Qc ,var | ||||
Qa, Qb, Qc |
Q |
-5-0-+5 |
4-12-20 | |||||
57 74 |
1.0 |
5.0 (1,0) |
288,68 (57,74) |
866,0(173,22) |
о.зззнз |
НЗ |
5.0 |
20,0 |
4,0 (0,8) |
230,94 (46,19) |
692,8(138,57) |
0,267-НЗ |
0,8-НЗ |
4,0 |
18,4 | ||
3,0 (0,6) |
173,21( 34,64) |
519,6(103,92) |
0,2-НЗ |
0,6-НЗ |
3,0 |
16,8 | ||
2,0 (0,4) |
115,47 (23,09) |
346,4 (69,27) |
0,133-НЗ |
0,4-НЗ |
2,0 |
15,2 | ||
1.0 (0,2) |
57,74 (11,55) |
173,2(34,65) |
0,067-НЗ |
0,2-НЗ |
1.0 |
13,6 | ||
0 |
0 |
0 |
0 |
0 |
0,0 |
12,0 | ||
-1.0 |
1,0 (0,2) |
-57,74 (-11,55) |
-173,2 (-34,65) |
-0,067-НЗ |
-0,2-НЗ |
-1.0 |
10,4 | |
2,0 (0,4) |
-115,47 (-23,09) |
-346,4 (-69,27) |
-0,133-НЗ |
-0,4-НЗ |
-2,0 |
8,8 | ||
3,0 (0,6) |
-173,21 (-34,64) |
-519,6 (-103,92) |
-0,2-НЗ |
-0,6-НЗ |
-3.0 |
7,2 | ||
4,0 (0,8) |
-230,94 (-46,19) |
-692,8 (-138,57) |
-0,267-НЗ |
-0,8-НЗ |
-4,0 |
5,6 | ||
5,0 (1,0) |
-288,68 (-57,74) |
-866,0 (-173,22) |
-О.ЗЗЗНЗ |
-НЗ |
-5,0 |
4,0 | ||
5,0 (1,0) |
1097,0 (219,4) |
3291,0 (658,2) |
о.зззнз |
НЗ |
5,0 |
20,0 | ||
1.0 |
4,0 (0,8) |
877,6 (175,5) |
2632,7 (526,5) |
0,267-НЗ |
0,8-НЗ |
4,0 |
18,4 | |
3,0 (0,6) |
658,2 (131,6) |
1974,5 (394,9) |
0,2-НЗ |
0,6-НЗ |
3,0 |
16,8 | ||
219,4 |
2,0 (0,4) |
438,8 (87,76) |
1316,4 (263,3) |
0,1 зз-нз |
0,4-НЗ |
2,0 |
15,2 | |
1.0 (0,2) |
219,4 (43,87) |
658,2(131,6) |
0,067-НЗ |
0,2-НЗ |
1.0 |
13,6 | ||
0 |
0 |
0 |
0 |
0 |
0,0 |
12,0 | ||
1.0 (0,2) |
-219,4 (-43,87) |
-658,2 (-131,6) |
-0,067-НЗ |
-0,2-НЗ |
-1,0 |
10,4 | ||
-1.0 |
2,0 (0,4) |
-438,8 (-87,76) |
-1316,4 (-263,3) |
-0,133-НЗ |
-0,4-НЗ |
-2,0 |
8,8 | |
3.0 (0,6) |
-658,2 (-131,6) |
-1974,5 (-394,9) |
-0,2-НЗ |
-0,6-НЗ |
-3,0 |
7,2 | ||
4,0 (0,8) |
-877,6 (-175,5) |
-2632,7 (-526,5) |
-0,267-НЗ |
-0,8-НЗ |
-4.0 |
5,6 | ||
5,0 (1,0) |
-1097,0 (-219,4) |
-3291,0 (-658,2) |
-О.ЗЗЗНЗ |
-НЗ |
-5.0 |
4,0 | ||
1.0 |
5,0 (1,0) |
1154,7 (230,9) |
3464,0 (692,8) |
О.ЗЗЗНЗ |
НЗ |
5,0 |
20,0 | |
4,0 (0,8) |
923,8 (184,7) |
2771,2 (554,2) |
0,267-НЗ |
0,8-НЗ |
4.0 |
18,4 | ||
3,0 (0,6) |
692,8(138,5) |
2078,4 (415,7) |
0,2-НЗ |
0,6-НЗ |
3,0 |
16,8 | ||
2,0 (0,4) |
461,9 (92,38) |
1385,6 (277,1) |
0,133НЗ |
0,4-НЗ |
2.0 |
15,2 | ||
1.0 (0,2) |
230,9 (46,18) |
692,8(138,6) |
0,067-НЗ |
0,2-НЗ |
1.0 |
13,6 | ||
230,9 |
0 |
0 |
0 |
0 |
0 |
0,0 |
12,0 | |
-1.0 |
1.0(0.21 |
-230,9 (-46,18) |
-692,8 (-138,6) |
-0,067-НЗ |
-0,2 НЗ |
-1.0 |
10,4 | |
2.0 (0,4) |
-461,9 (-92,38) |
-1385,6 (-277,1) |
-0,133-НЗ |
-0,4 НЗ |
-2.0 |
8,8 | ||
3,0 (0,6) |
-692,8 (-138,5) |
-2078,4 (-415,7) |
-0,2-НЗ |
-0,6-НЗ |
-3,0 |
7,2 | ||
4,0 (0,8) |
-923,8 (-184,7) |
-2771,2 (-554,2) |
-0,267-НЗ |
-0,8-НЗ |
-4,0 |
5,6 | ||
5,0 (1,0) |
-1154,7 (-230,9) |
-3464,0 (-692,8) |
-О.ЗЗЗНЗ |
-НЗ |
-5,0 |
4,0 | ||
* ср - угол сдвига между 1ф и 11ф |
Таблица 7.11
Входной сигнал |
Расчетное значение полной мощности на цифровом табло ЦП, монито-ре ПЭВМ, V-A |
Расчетное значение выходных аналоговых сигналов, mA | |||
Ua. Ub. Uc. V |
Ia, Ib, Ic, А | ||||
Эф - Ц)ф ■ !ф |
S£ = Sa+Sb+Sc |
от 0 до 5 |
от 4 до 20 | ||
5,0 (1,0) |
о.зззнз |
НЗ |
5,0 |
20,0 | |
57,74 |
4,0 (0,81 |
0,267-НЗ |
0,8-НЗ |
4,0 |
16,8 |
[219.4] |
3.0 (0,6) |
0,2-НЗ |
0,6-НЗ |
3.0 |
13,6 |
2.0 (0,4) |
0,133НЗ |
0,4-НЗ |
2,0 |
10.4 | |
{230,9} |
1.0 (0,2) |
0,067-НЗ |
0,2-НЗ |
1.0 |
7,2 |
0 |
0 |
0 |
0 |
4,0 | |
Примечания | |||||
1 В квадратных скобках указаны значения для диапазона входного сигнала 0 - 380 - 475 V. | |||||
2 В фигурных скобках указаны значения для диапазона входного сигнала 0 - 400 - 500 V. |
МРБ МП. 1962-2009 |
Лист | ||||||||
5 |
Зам. |
ЭП.03.2/4-2020 |
14 | ||||||
Изм. |
Лист |
№ докум. |
Подп. |
Дата | |||||
Инв. № подл. |
Подп. и дата |
Взам.инв № |
Инв. № дубл. |
Подп. и дата |
Входной сигнал |
Расчетное значение суммарной активной мощности на цифро-вом табло ЦП, мониторе ПЭВМ, Pj, W |
Расчетные значения выходных аналоговых сигналов, mA | ||||
Uab, Uca, Ubc, V |
COS ф* |
Ia, Ic. A |
Pz= Pa+ Pc, W | |||
-5-0-+ 5 |
4-12-20 | |||||
1,0 |
5.0 (1,0) |
866,0 (173,22) |
НЗ |
5,0 |
20,0 | |
4,0 (0,8) |
692,8 (138,57) |
0,8-НЗ |
4,0 |
18,4 | ||
3,0 (0,6) |
519,6 (103,92) |
0,6-НЗ |
з.о |
16,8 | ||
2,0 (0,4) |
346,4 (69,27) |
0,4-НЗ |
2,0 |
15,2 | ||
1.0 (0,2) |
173,2 (34,65) |
0,2НЗ |
1.0 |
13,6 | ||
100 |
0 |
0 |
0 |
0,0 |
12,0 | |
-1,0 |
1.0 (0,2) |
-173,2 (-34,65) |
-0,2НЗ |
-1,0 |
10,4 | |
2,0 (0,4) |
-346,4 (-69,27) |
-0,4-НЗ |
-2,0 |
8,8 | ||
3,0 (0,6) |
-519,6 (-103,92) |
-0,6НЗ |
-3,0 |
7,2 | ||
4,0 (0,8) |
-692,8 (-138,57) |
-0,8-НЗ |
-4,0 |
5,6 | ||
5,0 (1,0) |
-866,0 (-173,22) |
-НЗ |
-5,0 |
4,0 | ||
1,0 |
5.0 (1,0) |
3291,0 (658,2) |
НЗ |
5,0 |
20,0 | |
4,0 (0,8) |
2632,7 (526,5) |
0,8-НЗ |
4,0 |
18,4 | ||
3,0 (0,6) |
1974,5 (394,9) |
0,6-НЗ |
3.0 |
16,8 | ||
2,0 (0,4) |
1316,4 (263,3) |
0,4-НЗ |
2,0 |
15,2 | ||
1.0 (0,2) |
658,2 (131,6) |
0,2-НЗ |
1.0 |
13,6 | ||
380 |
0 |
0 |
0 |
0,0 |
12,0 | |
-1,0 |
1,0 (0,2) |
-658,2 (-131,6) |
-0,2-НЗ |
-1.0 |
10,4 | |
2,0 (0,4) |
-1316,4 (-263,3) |
-0,4-НЗ |
-2,0 |
8,8 | ||
3,0 (0,6) |
-1974,5 (-394,9) |
-0,6-НЗ |
-з.о |
7,2 | ||
4,0 (0,8) |
-2632,7 (-526,5) |
-0,8-НЗ |
-4,0 |
5,6 | ||
5,0 (1,0) |
-3291,0 (-658,2) |
-НЗ |
-5,0 |
4,0 | ||
1,0 |
5,0 (1,0) |
3464,0 (692,8) |
НЗ |
5,0 |
20,0 | |
4,0 (0,8) |
2771,2 (554,2) |
0,8-НЗ |
4,0 |
18,4 | ||
3,0 (0,6) |
2078,4 (415,7) |
0,6-НЗ |
3,0 |
16,8 | ||
2,0 (0,4) |
1385,6 (277,1) |
0,4-НЗ |
2,0 |
15,2 | ||
1.0 (0,2) |
692,8 (138,6) |
0,2-НЗ |
1.0 |
13,6 | ||
400 |
0 |
0 |
0 |
0,0 |
12,0 | |
-1.0 |
1,0 (0,2) |
-692,8 (-138,6) |
-0,2-НЗ |
-1.0 |
10,4 | |
2,0 (0,4) |
-1385,6 (-277,1) |
-0,4-НЗ |
-2,0 |
8,8 | ||
3,0 (0,6) |
-2078,4 (-415,7) |
-0,6-НЗ |
-3,0 |
7,2 | ||
4,0 (0,8) |
-2771,2 (-554,2) |
-0,8-НЗ |
-4,0 |
5,6 | ||
5,0 (1,0) |
-3464,0 (-692,8) |
-НЗ |
-5,0 |
4,0 |
* <р - угол сдвига между 1Ф и Цф
МРБ МП. 1962-2009 |
Лист | ||||||||
5 |
Зам. |
ЭП.03.2/4-2020 |
- |
?ZZ/.z7 |
15 | ||||
Изм. |
Лист |
№ до кум. |
^Подп. |
Дата | |||||
Инв. № подл. |
Подп. и дата |
Взам.инв № |
Инв. № дубл. |
Подп. и дата |
Входной сигнал |
Расчетное значение суммарной активной мощности на цифро-вом табло ЦП, мониторе ПЭВМ, Qj. var |
Расчетные значения выходных аналоговых сигналов, mA | ||||
Uab, Uca. Ubc, V |
sin ф* |
Ia, Ic, А |
Qz= Qa+ Qc, var | |||
-5-0-+ 5 |
4-12-20 | |||||
1.0 |
5,0 (1,0) |
866,0 (173,22) |
нз |
5,0 |
20,0 | |
4,0 (0,8) |
692,8 (138,57) |
0,8-НЗ |
4,0 |
18,4 | ||
3,0 (0,6) |
519,6 (103,92) |
0,6-НЗ |
3,0 |
16,8 | ||
2.0 (0,4) |
346,4 (69,27) |
0,4-НЗ |
2.0 |
15,2 | ||
1.0 (0,2) |
173,2 (34,65) |
0,2-НЗ |
1,0 |
13,6 | ||
100 |
0 |
0 |
0 |
0,0 |
12,0 | |
-1,0 |
1,0 (0,2) |
-173,2 (-34,65) |
-0,2-НЗ |
-1.0 |
10,4 | |
2,0 (0,4) |
-346,4 (-69,27) |
-0,4-НЗ |
-2,0 |
8,8 | ||
3,0 (0,6) |
-519,6 (-103,92) |
-0,6-НЗ |
-3,0 |
7,2 | ||
4,0 (0,8) |
-692,8 (-138,57) |
-0,8-НЗ |
-4,0 |
5,6 | ||
5,0 (1,0) |
-866,0 (-173,22) |
-НЗ |
-5,0 |
4,0 | ||
1.0 |
5,0 (1,0) |
3291,0 (658,2) |
НЗ |
5,0 |
20,0 | |
4,0 (0,8) |
2632,7 (526,5) |
0,8-НЗ |
4,0 |
18,4 | ||
3,0 (0,6) |
1974,5 (394,9) |
0,6-НЗ |
3,0 |
16,8 | ||
2,0 (0,4) |
1316,4 (263,3) |
0,4-НЗ |
2,0 |
15,2 | ||
1.0 (0,2) |
658,2 (131,6) |
0,2-НЗ |
1.0 |
13,6 | ||
380 |
0 |
0 |
0 |
0,0 |
12,0 | |
-1.0 |
1.0 (0,2) |
-658,2 (-131,6) |
-0,2-НЗ |
-1.0 |
10,4 | |
2.0 (0,4) |
-1316,4 (-263,3) |
-0,4-НЗ |
-2,0 |
3,8 | ||
3,0 (0,6) |
-1974,5 (-394,9) |
-0,6-НЗ |
-3,0 |
7,2 | ||
4,0 (0,8) |
-2632,7 (-526,5) |
-0,8-НЗ |
-4,0 |
5.6 | ||
5,0 (1,0) |
-3291,0 (-658,2) |
-НЗ |
-5,0 |
4,0 | ||
1.0 |
5,0 (1,0) |
3464,0 (692,8) |
НЗ |
5,0 |
20,0 | |
4,0 (0,8) |
2771,2 (554,2) |
0,8-НЗ |
4,0 |
18,4 | ||
3,0 (0,6) |
2078,4 (415,7) |
0,6-НЗ |
3,0 |
16,8 | ||
2,0 (0.4) |
1385.6 (277,1) |
0,4-НЗ |
2.0 |
15,2 | ||
1.0 (0,2) |
692,8 (138,6) |
0,2-НЗ |
1.0 |
13,6 | ||
400 |
0 |
0 |
0 |
0,0 |
12,0 | |
-1.0 |
1.0 (0,2) |
-692,8 (-138,6) |
-0,2-НЗ |
-1,0 |
10,4 | |
2.0 (0,4) |
-1385,6 (-277,1) |
-0,4-НЗ |
-2,0 |
8,8 | ||
3,0 (0,6) |
-2078,4 (-415,7) |
-0,6-НЗ |
-3,0 |
7,2 | ||
4,0 (0,8) |
-2771,2 (-554,2) |
-0,8-НЗ |
-4,0 |
5,6 | ||
5,0 (1,0) |
-3464,0 (-692,8) |
-НЗ |
-5,0 |
4,0 | ||
* ср - угол сдвига между 1ф и 11ф |
МРБ МП. 1962-2009 |
Лист | ||||||||
5 |
Зам. |
ЭП.03.2/4-2020 |
16 | ||||||
Изм. |
Лист |
№ до кум. |
'^Подп. |
Дата | |||||
Инв. № подл. |
Подл, и дата |
Взам.инв № |
Инв. № дубл. |
Подл, и дата |
Входной сигнал |
Расчетное значение полной мощности на цифровом табло ЦП, мониторе ПЭВМ, VA |
Расчетные значения выходных аналоговых сигналов, mA | ||
Uab, Uca, Ubc, V |
Ia, lc> A |
S = (SM |
от 0 до 5 |
от 4 до 20 |
5,0 (1,0) |
нз |
5,0 |
20,0 | |
4,0 (0,8) |
0,8-НЗ |
4,0 |
16,8 | |
100 [380] |
3,0 (0,6) |
0,6-НЗ |
3,0 |
13,6 |
{400} |
2,0 (0,4) |
0,4-НЗ |
2.0 |
10,4 |
1,0 (0,2) |
0,2-НЗ |
1,0 |
7,2 | |
0 |
0 |
0 |
4,0 |
Примечания
-
1 В квадратных скобках указаны значения для диапазона входного сигнала 0 - 380 - 475 V.
-
2 В фигурных скобках указаны значения для диапазона входного сигнала 0 - 400 - 500 V.
Таблица 7.15
Входной сигнал |
Расчетное значение, для выходных аналоговых сигналов по частоте, mA | ||
Ua, (Uab), V |
FBx, Hz |
от 0 до 5 |
от 4 до 20 |
45,00 |
0 |
4,00 | |
57,74 (100) |
47,50 |
1,25 |
8,00 |
219,4 (380) |
50,00 |
2,50 |
12,00 |
230,9 (400) |
52,50 |
3,75 |
16,00 |
55,00 |
5,00 |
20,00 |
Основную приведенную погрешность ЦП по показаниям на мониторе ПЭВМ, а также на цифровом табло ЦП, при измерении тока, напряжения, мощности, частоты yi, %, определяют по формуле
у| = Ах~Адх--100 (1)
Ан
где Ах - измеренное значение входного сигнала проверяемой точки на табло ЦП;
Адх - действительное значение входного сигнала проверяемой точки с учетом коэффициента трансформации тока и напряжения, при задании входного сигнала, на эталоне в соответствии с таблицами 7.7 - 7.14;
Ан - нормирующее значение показаний цифровых табло ЦП, дисплея ПЭВМ (таблица 7.6).
МРБ МП. 1962-2009 |
Лист | ||||||||
5 |
Зам. |
ЭП.03.2/4-2020 |
17 | ||||||
Изм. |
Лист |
№ докум. |
Подп. |
Дата | |||||
Ин в. № подл. |
Подп. и дата |
Взам.инв № |
И и в. № дубл. |
Подп. и дата |
Действительное значение входного сигнала тока определяют по формуле
Адх = Кт.т * 1н (2)
где Ктт - коэффициент трансформации измерительных трансформаторов по току;
1н- номинальное значение тока, подаваемого на вход ЦП.
Действительное значение входного напряжения определяют по формуле
Адх = Кт.н • Uh (3)
где Ктт - коэффициент трансформации измерительных трансформаторов по напряжению;
Uh - номинальное значение напряжения, подаваемого на вход ЦП.
Действительное значение активной, реактивной мощности определяют по формуле
Адх = 73 • Кт.т • 1н • Кт.н • Uh (4)
где Ктт, Ктн - коэффициент трансформации измерительных трансформаторов по току и напряжению;
1н- номинальное значение тока, подаваемое на вход ЦП;
Uh - номинальное значение напряжения, подаваемое на вход ЦП;
Действительное значение полной мощности определяют по формуле
Адх = Кт.т - 1н • Кт.н - Uh (5)
где Ктт, Ктн - коэффициент трансформации измерительных трансформаторов
по току и напряжению;
1н- номинальное значение тока, подаваемое на вход ЦП;
Uh - номинальное значение напряжения, подаваемое на вход ЦП;
Основную приведенную погрешность ЦП по выходным аналоговым сигналам при измерении тока, напряжения, мощности, 72, %, определяют по формуле
^xzV.100 (6)
МРБ МП. 1962-2009 |
Лист | ||||||||
5 |
Зам. |
ЭП.03.2/4-2020 |
it а |
18 | |||||
Изм. |
Лист |
№ докум. |
Подп. |
Дата | |||||
Ин в. № подл. |
Подп. и дата |
Взам. ин в № |
Инв. № дубл. |
Подп. и дата |
где Ах - измеренное значение выходного аналогового сигнала проверяемой точки ЦП;
Арх - расчетное значение выходного аналогового сигнала проверяемой точки ЦП, для действительного значения входного сигнала на эталоне, в соответствии с таблицами 7.7-7.14;
Ан - нормирующее значение выходного аналогового сигнала (таблица 7.6).
Определение основной приведенной погрешности ЦП по выходному аналоговому сигналу при измерении частоты
Измерение частоты проводят при любом напряжении от 12 V до 125 V.
Для определения основной погрешности ЦП по выходному аналоговому сигналу при измерении частоты подают входные сигналы, равные значению диапазона измерений, в соответствии с таблицей 7.15 и определяют основную погрешность уз ,%, по формуле
у=кДР1.Ю0 (7)
'н
где ix - измеренное значение выходного тока проверяемой точки ЦП;
1рх - расчетное значение тока выходного аналогового сигнала проверяемой точки ЦП, для действительного значения входного сигнала на эталоне, в соответствии с таблицей 7.15;
1н - нормирующее значение выходного аналогового сигнала (см. таблицу 7.6).
Ih = fH • К (8)
где fH - нормирующее значение входного сигнала, равное номинальному значению частоты - 50 Hz;
К - коэффициент преобразования.
Расчетное значение тока выходного аналогового сигнала для любой проверяемой точки определяют по формуле
Ipx = (Fbx - Fh)-K+Ibwx.h, (9)
где Fbx - значение частоты входного сигнала для проверяемой точки, Hz;
FH - нижние значение частоты диапазона измерений входного сигнала - 45 Hz;
1вых.н - нижнее значение диапазона изменений виход.чого аналогового сигнала, mA;
К - коэффициент преобразования.
Коэффициент преобразования определяют по формуле
МРБ МП.1962-2009 |
Лист | ||||||||
5 |
Зам. |
ЭП.03.2/4-2020 |
19 | ||||||
Изы. |
Лист |
№ докум. |
ЧТодп. |
Дата | |||||
Инв. № подл. |
Подп. и дата |
Взам. инв № |
Инв. № дубл. |
Подп. и дата |
вых.в ’вых.н

где FB - верхнее значение частоты диапазона измерений входного сигнала - 55 Hz;
1вых.в - верхнее значение диапазона.
-
7.3.5.2 Основную относительную погрешность ЦП при измерении энергии определяют при симметричной нагрузке для каждого из направлений измеряемой электрической энергии при номинальном напряжении.
Подключить ЦП к установке УППУ - МЭ 3.1 в соответствии с руководством по экс
плуатации на данную установку. Нажимая на кнопку

, на лицевой панели ЦП на
верхнем табло определить постоянную счетчика (количество imp/ kW-h). Импульсный выход 1 соответствует активной энергии, импульсный выход 2 соответствует реактивной
энергии.
Устанавливая ток и коэффициент мощности в соответствии с таблицей 7.16 определить значение основной относительной погрешности по показаниям установки
УППУ-МЭ 3.1.
Таблица 7.16
Активная энергия |
Реактивная энергия | ||
Значение тока |
Коэффициент мощности coscp |
Значение тока |
Коэффициент мощности sincp |
0,01 'Ihomuh. |
1,00 |
0,02' Ihomuh. 0,05' Ihomuh. Ihomuh. 1,2' Ihomuh. |
1,00 |
0,05- 1номин. | |||
1номин. | |||
1 ,2 - 1номин. | |||
0,02' Ihomuh. |
0,50 при индуктивной нагрузке 0,80 при емкостной нагрузке |
0,05’ Ihomuh. 0,1 О' Ihomuh. Ihomuh. 1,2'Ihomuh. |
0,50 при индуктивной нагрузке |
0, 1 О' 1нОМИН. | |||
Ihomuh. | |||
1,2'Ihomuh. | |||
- |
- |
0,1 О' Ihomuh. Ihomuh. 1,2'Ihomuh. |
0,25 при индуктивной или емкостной нагрузке |
- | |||
- |
При всех измерениях основная погрешность ЦП не должна превышать значений, указанных в 7.3.2, 7.3.3.
МРБ МП. 1962-2009 |
Лист | ||||||||
5 |
Зам. |
ЭП.ОЗ .2/4-2020 |
20 | ||||||
Изм. |
Лист |
№ докум. |
Подп. |
Дата | |||||
Инв. № подл. |
Подп. и дата |
Взам. инв № |
Инв. № дубл. |
Подп. и дата |
-
7.3.5.3 Основную относительную погрешность в режиме однофазной нагрузке определяют при прямом и обратном включении тока (при 4-х проводной схеме подключения).
При всех измерениях основная погрешность ЦП не должна превышать значений, указанных в 7.3.3.
Режим однофазной нагрузки работы создают путем подачи нагрузки (тока) в одну из любых фаз при подаче симметричного номинального напряжения на все фазы. Определение основной относительной погрешности проводят поочередно для каждой фазы.
Подключить ЦП к установке УППУ - МЭ 3.1 в соответствии с руководством по эксплуатации на данную установку. Установить ток и коэффициент мощности в соответствии с таблицей 7.17 и определить значение основной относительной погрешности по показаниям установки УППУ - МЭ 3.1.
Таблица 7.17
Значение тока |
Коэффициент мощности |
0,05*1номин. |
1,00 |
1номин | |
1 |2'1номин. | |
0,1 О’ Ihomhh. |
0,50 при индуктивной нагрузке |
1номин | |
1 ,2’1номин. |
Значение основной относительной погрешности при номинальном токе и коэффициенте мощности, равном 1, в режиме однофазной нагрузки сопоставляют со значением основной относительной погрешности определенной при номинальном токе и коэффициенте мощности, равном 1, в режиме симметричной нагрузки.
Разность между этими значениями не должна превышать:
-
- 0,4 % для класса 0,2 S;
-1,0 % для класса 0,5 S;
-
- 2,5 % для класса 1.
7.4 Количество импульсов формируемых на импульсных выходах ЦП8507/11 -ЦП8507/16 (постоянная ЦП) должно соответствовать значению, введенному в память ЦП.
Перевести программно дискретные выходы в импульсные (см. РЭ).
Проверку постоянной ЦП проводят при помощи частотомера. Частотомер подключают в режиме подсчета импульсов поочередно к каждому импульсному выходу по
МРБ МП. 1962-2009 |
Лист | ||||||||
5 |
Зам. |
ЭП.03.2/4-2020 |
21 | ||||||
Изм. |
Лист |
№ докум. |
^Подп. |
Дата | |||||
Ин в. № подл. |
Подп. и дата |
Взам. ин в № |
Инв. № дубл. |
Подп. и дата |
схемам А.5, А.6 (приложение А). Частотомер должен подсчитывать импульсы в период изменения на табло ЦП энергии на 1 kWh. ЦП считают выдержавшими поверку, если количество импульсов зафиксированных на частотомере за время изменения показания энергии на табло ЦП на 1 kW-h совпадает с значением постоянной, введенной в память преобразователя.
-
7.5 Стартовый ток ЦП8507/11 - ЦП8507/16 (чувствительность) должен быть не более 0,001 I номин.
Проверку стартового тока (чувствительности) ЦП проводят при помощи частотомера по схемам А.5, А.6 (приложение А). Частотомер подключают к импульсному выходу 1 в режиме подсчета импульсов. На ЦП подают ток равный:
-
- 0,001 (номин. для класса точности 0,5S и 0.2S;
-
- 0,004 1номин. для класса точности 1 при непосредственном включении;
-
- 0,002 1номин. для класса точности 1 при трансформаторном включении. Коэффициент мощности равен 1 при симметричной нагрузке.
ЦП считают выдержавшими поверку, если за время изменения показания энергии на табло ЦП на 1 kW-h на частотомере зафиксировано не менее 1 импульса.
-
7.6 Импульсные выходы ЦП8507/11 - ЦП8507/16 при отсутствии тока во входной цепи ЦП (отсутствие самохода) не должны создавать более одного импульса.
Проверку отсутствия самохода проводят при помощи частотомера по схемам А.5, А.6 (приложение А). Частотомер подключают к импульсному выходу 1 в режиме подсчета импульсов. Цепи тока ЦП должны быть разомкнуты, а к цепям напряжения должно быть приложено напряжение, равное 115 % номинального значения. Минимальный период испытания ДТ min, должен быть:
-для ЦП8507/11, ЦП8507/12, ЦП8507/15, ЦП8507/16
480-106
(11)
ДТ>--------------
к • m • иномин • !макс
-для ЦП8507/13, ЦП8507/14
600-Ю6
дт>--------------
(12)
-1макс
где к - постоянная счетчика imp/kW-h (для трансформаторных счетчиков к должно соответствовать значениям вторичных величин (токов и напряжений).
m - число измерительных элементов;
Uhomhh. - номинальное напряжение, V;
!макс. - максимальный ток, А.
МРБ МП. 1962-2009 |
Лист | ||||||||
5 |
Зам. |
ЭП.ОЗ .2/4-2020 |
Ж' |
tf Ас |
22 | ||||
Изм. |
Лист |
№ докум. |
у Подп. |
Дата | |||||
Инв. № подл. |
Подп. и дата |
Взам. инв № |
Инв. № дубл. |
Подп. и дата |
ЦП считают выдержавшими испытание, если за время испытания на частотомере зафиксировано не более 1 импульса.
-
7.7 Основная абсолютная погрешность хода часов ЦП8507/11 - ЦП8507/16 должна быть не более ± 1 секунда в сутки.
Определение основной абсолютной погрешности хода часов проводят при помощи частотомера по схемам А.5, А.6 (приложение А). Частотомер подключают к импульсному выходу 1 в режиме измерения длительного периода прямоугольного импульса.
Данные для настройки частотомера:
-
- скважность сигнала равна двум;
-
- амплитуда импульса не более 5 V;
-длительность периода равна 2-106 ps.
Измерить длительность периода импульса на импульсном выходе.
Вычислить основную абсолютную погрешность хода часов ДТ по формуле
ДТ = (2-Т )•
изм
86400
(13)
где Тизм. - измеренный период длительности импульса, s
86400 - количество секунд в сутках;
-
2 - расчетный период длительности импульса.
ЦП считают прошедшим поверку, если абсолютная погрешность хода часов не более ± 1 секунда в сутки или длительность периода равна (2-106 ± 23) ps.
-
7.8 Определение пульсации выходных аналоговых сигналов ЦП.
-
7.8.1 Пульсация выходных аналоговых сигналов ЦП при максимальном значении входного сигнала на максимальной нагрузке должна быть не более 90 mV для ЦП с диапазоном изменений выходных аналоговых сигналов от минус 5 до плюс 5 mA; от 0 до 5 mA и не более 60 mV для ЦП с диапазоном изменений выходных аналоговых сигналов от 4 до 20 mA или 4-12-20 mA;.
-
7.8.2 Определение пульсации выходных аналоговых сигналов проводят с соблюдением условий таблицы 5.1 по схемам, приведенным на рисунках А.7, А.8 (приложение А), на максимальной нагрузке при максимальном входном сигнале.
Измеренное значение пульсации не должно превышает значения, указанного в 7.8.1.
МРБ МП. 1962-2009 \ |
Лист | ||||||||
5 |
Зам. |
ЭП.03.2/4-2020 |
23 | ||||||
Изм. |
Лист |
№ докум. |
^Г1одп. |
Дата | |||||
Инв. № подл. |
Подп. и дата |
Взам.инв № |
Инв. № дубл. |
Подп. и дата |
-
8.1 Результаты измерений заносят в протокол поверки. Форма протокола приведена в приложении Б.
-
8.2 Положительные результаты поверки ЦП удостоверяются:
а) при выпуске из производства - нанесением оттиска поверительного клейма или клейма - наклейки и делается запись в паспорте;
б) при эксплуатации, хранении и после ремонта - нанесением поверительного клейма или клейма - наклейки;
-
8.3 При отрицательных результатах поверки ЦП в обращение не допускают и на него оформляют извещение о непригодности к применению с соответствующим обоснованием.
МРБ МП. 1962-2009
Лист
5
Зам.
ЭП.ОЗ.2/4-2020
ХХ'/' -
W/1 10
24
Изм.
Лист
№ докум.
'^Подп.
Дата
Ии в. № подл.
Подп. и дата
Взам. инв№
Инв. № дубл.
Подп. и дата
(рекомендуемое)
Схемы определения основной погрешности ЦП, пульсации выходных аналоговых сигналов
PV1
ПЭВМ
Выход 1
Выход ЗТВ
1- R2
-
от

СОМ К1
Выход 2
3 |
4 |
5 |
6 |
7 |
8 |
9 |
10 |
11 |
12 |
13 |
14 |
31 |
32 |
33 |
34 |
35 |
36 |
37 |
38 |
39 |
40 |
ЦП8507 |
Ethernet |
Die DI1 DI2 DI3 DI4 DI5 DI6 DI7 DI8 +24 V

УППУ-МЭ

17 |
18 |
19 |
21 |
22 |
23 |
24 |
25 |
26 |
29 |


питание
УППУ-МЭ - установка поверочная универсальная.
G1 - устройство УИ300.1;
PV1- вольтметр ЦВ8500/4;
PV2 - вольтметр В7-34А;
R1- магазин сопротивлений РЗЗ;
R2 - катушка сопротивления Р331 (100 Q - для диапазона изменений выходных аналоговых сигналов от минус 5 до плюс 5 mA; 0-5 mA; или 10 Q для диапазона изменений выходных аналоговых сигналов 4-12-20 mA; 4 -20 mA);
Р1- преобразователь интерфейса RS-485 в USB;
ПЭВМ - персональная IBM - совместимая ЭВМ;
Примечания
-
1 Проверка аналоговых выходов, интерфейсов и дискретных входов и выходов проводится поочередно.
-
2 Обозначения в скобках (”UA”, ”UB", ”UC”, V", ”Ia”, ”lc’, ’V) для подключения ЦП, предназначенных для трехпроводных сетей.
Рисунок А.1 - Схема определения основной погрешности ЦП8507/1, ЦП8507/2
МРБ МП. 1962-2009 |
Лист | ||||||||
5 |
Зам. |
ЭП.ОЗ .2/4-2020 |
if W |
25 | |||||
Изм. |
Лист |
№ докум. |
х Цодп. |
Дата | |||||
Инв. № подл. |
Подп. и дата |
Взам.инв № |
Инв. № дубл. |
Поди, и дата |
ПЭВМ
G1
<>- PV1

+ <у питание


УППУ-МЭ
УППУ- МЭ - установка поверочная универсальная;
G1 - устройство УИ300.1;
PV1 - вольтметр В7-34А;
Р1- преобразователь интерфейса RS-485 в USB, ПЭВМ- персональная IBM - совместимая ЭВМ.
Примечания
-
1 Допускается поочередная проверка интерфейсов RS - 485_1 и RS-485_2.
-
2 Обозначения в скобках ("UA”, ”UB”, ”UC”, ”Ia‘” , ”Ia”, ”Ic, ”1с”) для подключения ЦП, предназначенных для трехпроводных сетей.
Рисунок А.2 - Схема определения основной погрешности ЦП8507/3 - ЦП8507/6
МРБ МП. 1962-2009 |
Лист | ||||||||
5 |
Зам. |
ЭП.ОЗ.2/4-2020 |
26 | ||||||
Изм. |
Лист |
№ до кум. |
/ Подп. |
Дата | |||||
Инв. № подл. |
Подп. и дата |
Взам. инв № |
Инв. № дубл. |
Подп. и дата |
R2
Ч' ----
ПЭВМ

2
+
Выход 3
Выход 1Y YBblx0A 2

с’
lc
Ia
А
UaA Ub 1 Uc 1 Un
Ib" A Ib
0 0 0
Ua Ub Uc (Ua Uc
0
Un
Ub
Ia*
Ia*
Ia
Ia
Ib’ 1в
lc* lc’
УППУ-МЭ
lc
lc)
УППУ-МЭ - установка поверочная универсальная.
G1 - устройство УИ300.1;
PV1- вольтметр ЦВ8500/4;
PV2 - вольтметр В7-34А;
R1- магазин сопротивлений РЗЗ;
R2 - катушка сопротивления Р331 (100 Q - для диапазона изменений выходных аналоговых сигналов от минус 5 до плюс 5 mA; 0-5 mA; или 10 Q для диапазона изменений выходных аналоговых сигналов 4-12-20 mA; 4 -20 mA);
Р1- преобразователь интерфейса RS-485 в USB;
ПЭВМ - персональная IBM - совместимая ЭВМ;
Примечания
-
1 Проверка аналоговых выходов, интерфейсов проводится поочередно.
-
2 Обозначения в скобках (”UA”, ”Ub”, “Uc”, "Ia*” , "Ia”, ”lc*, ”1с”) для подключения ЦП, предназначенных для трехпроводных сетей.
Рисунок А.З - Схема определения основной погрешности ЦП8507/7, ЦП8507/8
МРБ МП. 1962-2009 |
Лист | ||||||||
5 |
Зам. |
ЭП.ОЗ.2/4-2020 |
Ул |
27 | |||||
Изм. |
Лист |
№ докум. |
Подп. |
Дата | |||||
Ин в. № подл. |
Подп. и дата |
Взам.инв № |
Инв. № дубл. |
Подп. и дата |

УППУ- МЭ - установка поверочная универсальная;
G1 - устройство УИ300.1;
PV1 - вольтметр В7-34А;
Р1- преобразователь интерфейса RS-485 в USB;
ПЭВМ- персональная IBM - совместимая ЭВМ.
Примечания
-
1 Проверка аналоговых выходов и интерфейсов проводится поочередно.
-
2 Обозначения в скобках (”UA”, "Ub", ”Uc”, ”Ia*” , "Ia”, ”lc’, ”lc”) для подключения ЦП, предназначенных для трехпроводных сетей.
-
3 Интерфейс RS-485_2 может отсутствовать.
Рисунок А.4 - Схема определения основной погрешности ЦП8507/9, ЦП8507/10
МРБ МП. 1962-2009 |
Лист | ||||||||
5 |
Зам. |
ЭП.03.2/4-2020 |
- |
28 | |||||
Изм. |
Лист |
№ до кум. |
Подп. |
Дата | |||||
Инв. № подл. |
Подп. и дата |
Взам.инв № |
Инв. № дубл. |
Подп. и дата |
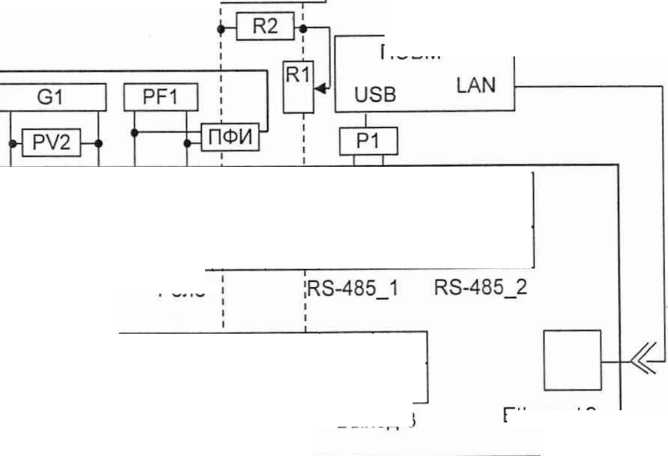
PV1

G1 - устройство УИ300.1;
PV1- вольтметр ЦВ8500/4;
PV2 - вольтметр В7-34А;
R1- магазин сопротивлений РЗЗ;
R2 - катушка сопротивления Р331 (100 Q - для диапазона изменений выходных аналоговых сигналов от минус 5 до плюс 5 mA; 0-5 mA; или 10 Q для диапазона изменений выходных аналоговых сигналов 4-12-20 mA; 4 -20 mA);
Р1- преобразователь интерфейса RS-485 в USB;
PF1 - частотомер;
ПЭВМ - персональная IBM - совместимая ЭВМ;
ПФИ - пульт формирования импульсов;
УППУ-МЭ - установка поверочная универсальная.
Примечания
-
1 Проверка аналоговых выходов, интерфейсов и импульсных выходов проводится поочередно.
-
2 Обозначения в скобках ("Ua" , ”Ub", ”Uc”, ”Ia’” , ”Ia", ”lc', "Ic”) для подключения ЦП, предназначенных для трехпроводных сетей.
Рисунок А.5 - Схема определения основной погрешности, проверки чувствительности, самохода и точности хода часов ЦП8507/11 - ЦП8507/14
МРБ МП. 1962-2009 |
Лист | ||||||||
5 |
Зам. |
ЭП.ОЗ .2/4-2020 |
?<с« |
29 | |||||
Изм. |
Лист |
№ докум. |
^Подп. |
Дата | |||||
Инв. № подл. |
Подп. и дата |
Взам.инв № |
Инв. № дубл. |
Подп. и дата |

Ethernet 1
PV1
ПЭВМ

20 (+) |
19 (-) |
18 (2+) |
17 (-) |
! 16 (1+) |
15| 1 1 |
t- 14 |
i 13 |
12 |
11 |
питание |
К1 |
СОМ |
:К2 |
GI |
А |
В |
А |
В |
ЦП8507
Реле |
21 |
22 |
23 |
24 |
25 |
26 |
-(+) |
+(-) |
-(+) |
+(-) |
-(+) |
+(-) |
Ethernet 2
Выход 1 Выход 2 Выход 3
Ua (Ua) |
Ub |
Uc (Uc) |
Un (Ub) |
Ia* (Ia*) |
Ia (Ia) |
Ib’ |
Ib |
Ic’ (Ic’) |
Ic (Ic) |
1 |
2 |
3 |
4 |
5 |
6 |
7 |
8 |
9 |
10 |

(Ua)
УППУ-МЭ
G1 - устройство УИ300.1;
PV1- вольтметр ЦВ8500/4;
PV2 - вольтметр В7-34А;
R1- магазин сопротивлений РЗЗ;
R2 - катушка сопротивления Р331 (100 О - для выходных аналоговых сигналов 0 ± 5 mA; 0-5 mA; или 10 О для выходных аналоговых сигналов 4-12-20 mA; 4 -20 mA);
Р1- преобразователь интерфейса RS-485 в RS-232 или USB;
PF1 - частотомер;
ПЭВМ - персональная IBM - совместимая ЭВМ;
ПФИ - пульт формирования импульсов;
УППУ-МЭ 3.1 - установка поверочная универсальная.
Примечания
-
1 Проверка аналоговых выходов, интерфейсов и импульсных (дискретных) выходов проводится поочередно
-
2 Обозначения в скобках ("Ua” ,"Ub", "Uc", ”Ia”, "Ia", ”lc’, "Ic”) для подключения ЦП, предназначенных для трехпроводных сетей.
МРБ МП.1962-2009 |
Лист | ||||||||
5 |
Зам. |
ЭП.03.2/4-2020 |
30 | ||||||
Изм. |
Лист |
№ докум. |
7 Подп. |
Дата | |||||
Ин в. № подл. |
Подп. и дата |
Взам. инв № |
Инв. № дубл. |
Подп. и дата |

РЗ - Р5 - осциллограф универсальный С1-93;
R1-R3 - резисторы МЛТ-0,125-3 kQ ± 5% для выходного аналогового сигнала 0-5 mA; -5 -0- +5 mA и резисторы 02-29-0,25-499 О ± 0,5 % для выходного аналогового сигнала 4-20 mA; 4-12-20 mA.
Примечание - Допускается поочередная проверка аналоговых выходов.
Рисунок А.7 - Схема определения пульсации выходных аналоговых сигналов
ЦП8507/1, ЦП8507/2, ЦП8507/7, ЦП8507/8, ЦП8507/11 - ЦП8507/14
Лист | |||||||||
5 |
Зам. |
ЭП.ОЗ .2/4-2020 |
5^' £ |
МРБ МП. 1962-2009 | |||||
Изм. |
Лист |
№ докум. |
7 Подп. |
Дата |
31 | ||||
Инв. № подл. |
Подп. и дата |
Взам. инв № |
Инв. № дубл. |
Подп. и дата |
ЦП8507

Выход 3|
-Грз~1-| Я Р4 h j-Tps-!-,
R1 Р> R2 R3 Р>
] Выход 1 | | Выход 2(
/ 21 |
22 |
23 |
24 |
25 |
26 |
РЗ - Р5 — осциллограф универсальный С1-93;
R1 - R3 - резисторы МЛТ-0,125-3 kQ ± 5% для выходного аналогового сигнала 0-5 mA; -5 -0- +5 mA и резисторы 02-29-0,25-499 О ± 0,5 % для выходного аналогового сигнала 4-20 mA; 4-12-20 mA.
Примечание - Допускается поочередная проверка аналоговых выходов.
Рисунок А.8 - Схема проверки пульсации и времени установления
выходных аналоговых сигналов ЦП8507/15, ЦП8507/16
МРБМП.1962-2009 |
Лист | ||||||||
5 |
Зам. |
ЭП.03.2/4-2020 |
< |
a i-1 ЛС, |
32 | ||||
Изм. |
Лист |
№ докум. |
/ Г1одп. |
Дата | |||||
Инв. № подл. |
Подп. и дата |
Взам.инв № |
Инв. № дубл. |
Подп. и дата |
(обязательное)
ПРОТОКОЛ №___
поверки преобразователя измерительного цифрового ЦП8507/__№_________
-
1 Дата поверки____________________________________________________________
-
2 Условия проведения поверки_____________
-
3 Наименование, тип и номер применяемого измерительного оборудования:
-
4 Наименование и обозначение документа, по которому проводилась поверка
-
5 Результаты измерений
-
5.1 Внешний осмотр____________________________
-
5.2 Опробование______________________________
-
-
5.2 Электрическая прочность изоляции____________________________
-
6 Результаты определения диапазона измерений входного сигнала, диапазона изменения показаний на цифровых табло и дисплее ПЭВМ (для ЦП8507/1, ЦП8507/2, ЦП8507/7 - ЦП8507/14), диапазона изменений выходных аналоговых сигналов и основной погрешности приведены в таблицах Б.1 - Б.8.
МРБ МП. 1962-2009
Лист
5
Зам.
ЭП.ОЗ.2/4-2020
Ж
Л/
33
Изм.
Лист
№ докум.
7 Подп.
Дата
Инв. № подл.
Подп. и дата
Взам.инв №
Инв. № дубл.
Подп. и дата
о о |
о |
го о |
GO О |
А О |
СП О |
Значение вх. сигнала Ia.Ib.Ic, А | |
Действительное значение вх.сигнала, с учетом коэф трансформации, А |
о | ||||||
Измеренное значение сигнала на табло и ПЭВМ, А | |||||||
Погрешность по показаниям на табло или ПЭВМ, у,% | |||||||
Расчетное значение вых. аналогового сигнала, mA | |||||||
Измеренное значение вых. аналогового сигнала, mA | |||||||
Погрешность вых. аналогового сигнала у,% |
о о |
—X О |
го о |
GO О |
-Ь-О |
сл о |
Значение вх. сигнала Ia.Ib.Ic. А | |
Действительное значение вх.сигнала, с учетом коэф, трансформации, А |
> | ||||||
Измеренное значение сигнала на табло и ПЭВМ, А | |||||||
Погрешность по показаниям на табло или ПЭВМ, у,% | |||||||
Расчетное значение вых. аналогового сигнала, mA | |||||||
Измеренное значение вых. аналогового сигнала, mA | |||||||
Погрешность вых. аналогового сигнала у,% | |||||||
Действительное значение вх.сигнала, с учетом коэф, трансформации, А |
Б” | ||||||
Измеренное значение сигнала на табло и ПЭВМ, А | |||||||
Погрешность по показаниям на табло или ПЭВМ, у,% | |||||||
Расчетное значение вых. аналогового сигнала, mA | |||||||
Измеренное значение вых. аналогового сигнала, mA | |||||||
Погрешность вых. аналогового сигнала у,% |

о о о о о о |
25.0 (14.43) |
50.0 (28.87) |
75.0 (43.30) |
100 (57.74) |
125 (72,17) |
Значение вх. сигнала Uab (Uan), Ubc (Ubn), Uca (Ucn), V | |
Действительное значение вх.сигнала, с учетом коэф, трансформации, V | |||||||
Измеренное значение сигнала на табло и ПЭВМ, V | |||||||
Погрешность по показаниям на табло или ПЭВМ, у,% |
с о > | ||||||
Расчетное значение вых. аналогового сигнала, mA |
CZ о Z | ||||||
Измеренное значение вых. аналогового сигнала, mA | |||||||
Погрешность вых. аналогового сигнала у,% |
о о о о о о |
25.0 (14.43) |
50.0 (28.87) |
75.0 (43.30) |
100 (57.74) |
125 (72,17) |
Значение вх. сигнала Uab (Uan), Ubc (Ubn), Uca (Ucn), V | |
Действительное значение вх.сигнала, с учетом коэф, трансформации, V |
Uab (Uan) | ||||||
Измеренное значение сигнала на табло и ПЭВМ, V | |||||||
Погрешность по показаниям на табло или ПЭВМ, у,% | |||||||
Расчетное значение вых. аналогового сигнала, mA | |||||||
Измеренное значение вых. аналогового сигнала, mA | |||||||
Погрешность вых. аналогового сигнала у,% | |||||||
Действительное значение вх.сигнала, с учетом коэф, трансформации, V |
Ubc (Ubn) | ||||||
Измеренное значение сигнала на табло и ПЭВМ, V | |||||||
Погрешность по показаниям на табло или ПЭВМ, у,% | |||||||
Расчетное значение вых. аналогового сигнала, mA | |||||||
Измеренное значение вых. аналогового сигнала, mA | |||||||
Погрешность вых. аналогового сигнала у,% |

о о |
о |
го о |
СО о |
-Ь-О |
О1 о |
о о |
_к о |
м о |
со о |
о |
сл о |
Ia.Ib.Ic, А | |||
о о |
-57,74 |
-115,5 |
-173,2 |
-230,9 |
-288,7 |
о о |
57,74 |
115,5 |
173,2 |
230,9 |
288,7 |
Значение входного сигнала (Ра.Рв.Рс), w | |||
_о "о |
-173,2 |
-346,4 |
-519,6 |
-692,8 |
-866,0 |
о о |
173,2 |
346,4 |
519,6 |
692,8 |
866,0 |
Значение входного сигнала Pz> w | |||
Действительное значение вх.сигнала, с учетом коэф. трансформации, w | |||||||||||||||
Измеренное значение сигнала на табло и ПЭВМ, w | |||||||||||||||
Погрешность по показаниям на табло или ПЭВМ, у,% |
> | ||||||||||||||
Расчетное значение вых. аналогового сигнала, mA | |||||||||||||||
о о сл ■е и |
COS ф = |
Измеренное значение вых. аналогового сигнала, mA | |||||||||||||
—*• |
Погрешность вых. аналогового сигнала у,% | ||||||||||||||
Действительное значение вх.сигнала, с учетом коэф. трансформации, w | |||||||||||||||
Измеренное значение сигнала на табло и ПЭВМ, w | |||||||||||||||
Погрешность по показаниям на табло или ПЭВМ, у,% |
“О CD | ||||||||||||||
Расчетное значение вых. аналогового сигнала, mA | |||||||||||||||
Измеренное значение вых. аналогового сигнала, mA | |||||||||||||||
Погрешность вых. аналогового сигнала у,% |
Инв. № подл. |
Изм. |
LZi | ||
Лист |
Зам. | |||
Г № до кум. |
ЭП.03.2/4-2020 | |||
Подп. и дата | ||||
—\ =г о За X | ||||
Дата |
& | |||
Взам. ин в № |
МРБ МП. 1962-2009 | |||
S X сз fe* За 1< ь | ||||
Подп. и дата |
К | |||
37 |
Лист |
о о |
о |
о |
О |
о |
СП о |
COS ф = -1 |
о о |
о |
го о |
о |
О |
сл о |
COS ф = 1 |
IaJb.Ic. А | |
о о |
-57,74 |
-115,5 |
-173,2 |
-230,9 |
-288,7 |
о о |
57,74 |
115,5 |
173,2 |
230,9 |
288,7 |
Значение входного сигнала (Ра.Рв.Рс), w | |||
о о |
-173,2 |
-346,4 |
-519,6 |
-692,8 |
-866,0 |
о о |
173,2 |
346,4 |
519,6 |
692,8 |
0'998 |
Значение входного сигнала Pj, w | |||
Действительное значение вх.сигнала, с учетом ко-зф. трансформации, w |
и о | ||||||||||||||
Измеренное значение сигнала на табло и ПЭВМ, w | |||||||||||||||
Погрешность по показаниям на табло или ПЭВМ, У.% | |||||||||||||||
Расчетное значение вых. аналогового сигнала, mA | |||||||||||||||
Измеренное значение вых. аналогового сигнала, mA | |||||||||||||||
Погрешность вых. аналогового сигнала у,% | |||||||||||||||
Действительное значение вх.сигнала, с учетом коэф. трансформации, w |
и м | ||||||||||||||
Измеренное значение сигнала на табло и ПЭВМ, w | |||||||||||||||
Погрешность по показаниям на табло или ПЭВМ, у,% | |||||||||||||||
Расчетное значение вых. аналогового сигнала, mA | |||||||||||||||
Измеренное значение вых. аналогового сигнала, mA | |||||||||||||||
Погрешность вых. аналогового сигнала у,% |
Инв. № подл. |
Изм. |
СГ| | ||
Лист |
Нов. | |||
№ докум. |
ЭП.ОЗ.2/4-2020 | |||
Подп. и дата | ||||
q; о4 )3 □ | ||||
Дата |
£ | |||
Взам.инв № |
МРБ МП. 1962-2009 | |||
ZZ со ь» О'! ь | ||||
Подп. и дата | ||||
38 |
Лист |
о о |
о |
К) о |
со о |
-U о |
СП о |
sin <р = -1 |
О о |
о |
го о |
СО о |
-U о |
СП о |
sin ф = 1 |
Ia.Ib.Ic, А | |
о о |
СП -Ч '-Ч 4^. |
-115,5 |
-173,2 |
-230,9 |
-288.7 |
о о |
57,74 |
115,5 |
173,2 |
230,9 |
288,7 |
Значение входного сигнала (Qa.Qb.Qc), var | |||
о о |
-173,2 |
Со К о> >• |
-519,6 |
-692,8 |
-866.0 |
о о |
173,2 |
346,4 |
519,6 |
692,8 |
0'998 |
Значение входного сигнала Qz. var | |||
Действительное значение вх.сигнала, с учетом коэф. трансформации, var |
О > | ||||||||||||||
Измеренное значение сигнала на табло и ПЭВМ, var | |||||||||||||||
Погрешность по показаниям на табло или ПЭВМ, у,% | |||||||||||||||
Расчетное значение вых. аналогового сигнала, mA | |||||||||||||||
Измеренное значение вых. аналогового сигнала, mA | |||||||||||||||
Погрешность вых. аналогового сигнала у.% | |||||||||||||||
Действительное значение вх.сигнала, с учетом коэф. трансформации, var |
О СО | ||||||||||||||
Измеренное значение сигнала на табло и ПЭВМ, var | |||||||||||||||
Погрешность по показаниям на табло или ПЭВМ, у,% | |||||||||||||||
Расчетное значение вых. аналогового сигнала, mA | |||||||||||||||
Измеренное значение вых. аналогового сигнала, mA | |||||||||||||||
Погрешность вых. аналогового сигнала у,% |
X |
Изм. |
о-. | ||
I 03 |
Лист |
Зам. | ||
о fa fa |
№ докум. |
ЭП.03.2/4- | ||
-2020 | | ||||
X о fa □ s fa рз |
,/ - Поди. | |||
н р |
Дата |
& | ||
Взам. | ||||
5 “Т" S £ |
2 пз СП 2 | |||
X т СЗ fa |
X О\ ю 1 и о о о | |||
убл. | ||||
X о fa | ||||
□ | ||||
и дата |
39 |
Лист |
о о |
о |
го о |
со о |
4^ О |
СП о |
Ia.Ib.Ic, А | |
о о |
57,74 |
115,5 |
173,2 |
230,9 |
288,7 |
Значение входного сигнала (Sa.Sb.Sc), VA | |
о о |
-ч 'го |
346,4 |
519,6 |
692,8 |
0'998 |
Значение входного сигнала Sz, VA | |
Действительное значение вх.сигнала, с учетом коэф, трансформации, VA |
со > | ||||||
Измеренное значение сигнала на табло и ПЭВМ, VA | |||||||
Погрешность по показаниям на табло или ПЭВМ, у,% | |||||||
Расчетное значение вых. аналогового сигнала, mA | |||||||
Измеренное значение вых. аналогового сигнала, mA | |||||||
Погрешность вых. аналогового сигнала у,% | |||||||
Действительное значение вх.сигнала, с учетом коэф. трансформации, VA |
СП со | ||||||
Измеренное значение сигнала на табло и ПЭВМ, VA | |||||||
Погрешность по показаниям на табло или ПЭВМ, у,% | |||||||
Расчетное значение вых. аналогового сигнала, mA | |||||||
Измеренное значение вых. аналогового сигнала, mA | |||||||
Погрешность вых. аналогового сигнала у,% |
Таблица Б.5
о о |
о |
N3 О |
СО о |
4^ О |
сл о |
сл zj‘ -6 II |
о о |
о |
го "о |
со о |
о |
сл о |
и’ -е п |
,1в,1с, А | |
о о |
-57,74 |
-115,5 |
-173,2 |
-230,9 |
-288,7 |
о о |
СП -4 41 -Ь. |
115,5 |
173,2 |
230,9 |
288,7 |
Значение входного сигнала (Qa.Qb.Qc), var | |||
о о |
-173,2 |
-346,4 |
-519,6 |
-692,8 |
-866,0 |
о о |
173,2 |
346,4 |
519,6 |
692,8 |
0'998 |
Значение входного сигнала Qz. var | |||
Действительное значение вх.сигнала, с учетом коэф. трансформации, var |
О о | ||||||||||||||
Измеренное значение сигнала на табло и ПЭВМ, var | |||||||||||||||
Погрешность по показаниям на табло или ПЭВМ, у,% | |||||||||||||||
Расчетное значение вых. аналогового сигнала, mA | |||||||||||||||
Измеренное значение вых. аналогового сигнала, mA | |||||||||||||||
Погрешность вых. аналогового сигнала у,% | |||||||||||||||
Действительное значение вх.сигнала, с учетом коэф. трансформации, var |
О м | ||||||||||||||
Измеренное значение сигнала на табло и ПЭВМ, var | |||||||||||||||
Погрешность по показаниям на табло или ПЭВМ, у,% | |||||||||||||||
Расчетное значение вых. аналогового сигнала, mA | |||||||||||||||
Измеренное значение вых. аналогового сигнала, mA | |||||||||||||||
Погрешность вых. аналогового сигнала у,% |


ел сл о |
52,5 |
50,0 |
47,5 |
45,0 |
Значение входного сигнала, Hz | |
Действительное значение входного сигнала на эталоне, Hz |
“П | |||||
Измеренное значение сигнала на ПЭВМ, Hz | ||||||
Погрешность выходного сигнала, у,% | ||||||
Расчетное значение выходного сигнала , mA |
Аналоговый выход «F» | |||||
Измеренное значение выходного сигнала, mA | ||||||
Погрешность выходного тока, у,% |
О) CH
s
JZ ш
(Л
о о |
о |
N о |
"о |
о |
сл "о |
Ia.Ib.Ic, А | |
о о |
57,74 |
115,5 |
173,2 |
230,9 |
288,7 |
Значение входного сигнала (Sa,Sb,Sc). V A | |
о "о |
173,2 |
346,4 |
519,6 |
692,8 |
0'998 |
Значение входного сигнала SZ, V А | |
Действительное значение вх.сигнала, с учетом коэф. трансформации, V-A |
со о | ||||||
Измеренное значение сигнала на табло и ПЭВМ, VA | |||||||
Погрешность по показаниям на табло или ПЭВМ, у,% | |||||||
Расчетное значение вых. аналогового сигнала, mA | |||||||
Измеренное значение вых. аналогового сигнала, mA | |||||||
Погрешность вых. аналогового сигнала у,% | |||||||
Действительное значение вх.сигнала, с учетом коэф. трансформации, V A |
СО м | ||||||
Измеренное значение сигнала на табло и ПЭВМ, V А | |||||||
Погрешность по показаниям на табло или ПЭВМ, у,% | |||||||
Расчетное значение вых. аналогового сигнала, mA | |||||||
Измеренное значение вых. аналогового сигнала, mA | |||||||
Погрешность вых. аналогового сигнала у,% |
Реактивная энергия |
Основная относительная погрешность, % | ||
Значение тока |
Коэффициент мощности sincp |
При симметричной нагрузке |
При однофазной нагрузке |
0,02 Ihomhh. 0,05 Ihomhh. Ihomhh. 1,2 Ihomhh. |
1,00 | ||
0,05 Ihomhh. 0,10 Ihomhh. Ihomhh. 1,2 Ihomhh. |
0,50 при индуктивной нагрузке | ||
0,10 Ihomhh. Ihomhh. 1,2 Ihomhh. |
0,25 при индуктивной или емкостной нагрузке |
-
8 Пульсация выходных аналоговых сигналов:
-
9 Постоянная счетчика ЦП_________________imp/kW-h
-
12 Точность хода встроенных часов________________s в сутки.
-
13 Заключение по результатам поверки
Преобразователь измерительный цифровой
ЦП8507/__ №__________
____________________требованиям технических нормативных правовых актов.
П оверител ь______________________
подпись
расшифровка подписи
> МРБ МП. 1962-2009 |
Лист | ||||||||
5 |
Зам. |
ЭП.03.2/4-2020 |
у;- |
\i 1 |
41 | ||||
Изм. |
Лист |
№ докум. * |
7 Иодп. |
Дата | |||||
Инв. № подл. |
Подл, и дата |
Взам. инв № |
Инв. № дубл. |
Подп. и дата |
Лист регистрации изменений
Изм |
Номера листов (страниц) |
Всего листов (страниц) в докум. |
№ докум. |
Входящий № сопроводительного докум. и дата |
Подпись |
Дата | |||
измененных |
замененных |
новых |
аннулированных | ||||||
1 |
- |
2-25 |
- |
26-30 |
26 |
ЭП. 028-2017 |
07.04.11 | ||
2 |
- |
2-16 |
- |
- |
26 |
ЭП.050-2013 |
09.12.13 | ||
3 |
- |
3,5-17,19 |
- |
- |
26 |
ЭП.01.2/4-2016 |
02.05.16 | ||
|
2-25,31 2-37 |
26-37 38-42 |
37 42 |
ЭП.04.2/4-2017 ЭП.03.2/4-2020 |
с/¥' |
29.09.17 | |||
J. 7ЧЖ |
•ll.i 1. и»; ч' |
Лист | |||||||||
5 |
Зам. |
ЭП.03.2/4-2020 |
• МРБ МП. 1962-2009 | ||||||
Изм. |
Лист |
№ докум. |
/Подп. |
Дата |
42 | ||||
Инв. № подл. |
Подп. и дата |
Взам.инв № |
Инв. № дубл. |
Подп. и дата |