Методика поверки «ГСИ.Точки автоматизированные коммерческого учета электроэнергии 6(10) кВ АТКУЭ» (САПМ.411733.001 МП)
СОГЛАСОВАНО
Технический директор
ООО «ИЦРМ»
Государственная система обеспечения единства измерений
Точки автоматизированные коммерческого учета электроэнергии 6(10) кВ АТКУЭМетодика поверки
САПМ.411733.001 МПг. Москва
2021 г.
1 ОБЩИЕ ПОЛОЖЕНИЯ-
1.1 Настоящая методика поверки распространяется на точки автоматизированные коммерческого учета электроэнергии 6(10) кВ АТКУЭ (далее - АТКУЭ), изготавливаемые Обществом с ограниченной ответственностью Научно-производственное объединение «Цифровые измерительные трансформаторы» (ООО НПО «ЦИТ»), Российская Федерация, и устанавливает методику их первичной и периодической поверок.
-
1.2 При проведении поверки должна обеспечиваться прослеживаемость АТКУЭ к ТЭТ 191-2019 согласно государственной поверочной схеме, установленной ГОСТ Р 8.832-2013, ТЭТ 88-2014 согласно государственной поверочной схеме, утвержденной Приказом Федерального агентства по техническому регулированию и метрологии от 14 мая 2015 года № 575, ТЭТ 1-2018 согласно государственной поверочной схеме, утвержденной Приказом Федерального агентства по техническому регулированию и метрологии от 31 июля 2018 года № 1621, ТЭТ 153-2019 согласно государственной поверочной схеме, установленной ГОСТ 8.551-2013.
-
1.3 Допускается проведение периодической поверки для меньшего числа измеряемых величин в соответствии с заявлением владельца средства измерений, с обязательным указанием в сведениях о поверке информации об объеме проведенной поверки.
-
1.4 Поверка АТКУЭ должна проводиться в соответствии с требованиями настоящей методики поверки. Интервал между поверками - 10 лет.
-
1.5 Методы обеспечивающие реализацию методики поверки, - метод прямых измерений, метод непосредственного сличения, метод сличения с помощью компаратора.
-
1.6 Основные метрологические характеристики АТКУЭ приведены в Приложении А.
-
2.1 При проведении поверки выполняют операции, указанные в таблице 1.
Таблица 1 - Операции поверки
|
Наименование операции |
Необходимость выполнения при | |
|
первичной поверке |
периодической поверке | |
|
Внешний осмотр средства измерений |
Да |
Да |
|
Подготовка к поверке и опробование средства измерений |
Да |
Да |
|
Проверка программного обеспечения средства измерений |
Да |
Да |
|
Определение метрологических характеристик средства измерений |
Да |
Да |
|
Подтверждение соответствия средства измерений метрологическим требованиям |
Да |
Да |
-
3.1 При проведении поверки должны соблюдаться следующие условия:
-
- температура окружающей среды плюс (23±2) °C;
-
- относительная влажность от 30 до 80 %;
-
- атмосферное давление от 84 до 106 кПа.
-
4.1 К проведению поверки допускаются лица, изучившие настоящую методику поверки, эксплуатационную документацию на поверяемые АТКУЭ и средства поверки.
-
4.2 К проведению поверки допускаются лица, соответствующие требованиям, изложенным в статье 41 Приказа Минэкономразвития России от 26.10.2020 года № 707 (ред. от 30.12.2020 года) «Об утверждении критериев аккредитации и перечня документов, подтверждающих соответствие заявителя, аккредитованного лица критериям аккредитации».
-
5 МЕТРОЛОГИЧЕСКИЕ И ТЕХНИЧЕСКИЕ ТРЕБОВАНИЯ К СРЕДСТВАМ
ПОВЕРКИ
Таблица 2 - Средства поверки
|
Метрологические и технические требования к средствам поверки |
Рекомендуемый тип средства поверки, регистрационный номер в Федеральном информационном фонде по обеспечению единства измерений (далее - per. №) и (или) метрологические или основные технические характеристики средства поверки |
|
Основные средства поверки | |
|
Диапазон преобразований силы переменного тока ОТ 0,017ном ДО /макс А, При /ном = 150; 200; 300; 400; 500; 600; 750. Соотношение погрешностей эталонного и рабочего средства измерений при одном и том же значении силы переменного тока не более 1:3. |
Трансформатор тока измерительный переносной «ТТИП», исполнение ТТИП-5000/5, per. № 39854-08. |
|
Диапазон преобразований силы переменного тока ОТ 0,017ном ДО /макс А, При /ном = 5; 10; 15; 20; 30; 40; 50; 75; 80; 100. Соотношение погрешностей эталонного и рабочего средства измерений при одном и том же значении силы переменного тока не более 1:3. |
Трансформатор тока измерительный переносной «ТТИП», исполнение ТТИП-100/5, per. № 39854-08. |
|
Диапазон преобразований напряжения переменного тока от 0,8-t/ном ДО 1,2’ t/ном В, при t/ном = 6/\3; t/H0M = 10/<3. Соотношение погрешностей эталонного и рабочего средства измерений при одном и том же значении напряжения переменного тока не более 1:3. |
Трансформатор напряжения измерительный лабораторный серии НЛЛ, модификация НЛЛ-15, per. № 46942-11. |
|
Диапазон измерений частоты переменного тока от 42,5 до 57,5 Гц. Соотношение погрешностей эталонного и рабочего средства измерений при одном и том же значении частоты |
Прибор электроизмерительный эталонный многофункциональный «Энергомонитор-3.1 КМ», модификация «Энергомонитор-3.1КМ» П-02-010-3-0-50-1000К10, per. № 52854-13. |
|
Метрологические и технические требования к средствам поверки |
Рекомендуемый тип средства поверки, регистрационный номер в Федеральном информационном фонде по обеспечению единства измерений (далее - per. №) и (или) метрологические или основные технические характеристики средства поверки |
|
переменного тока не более 1:3. Диапазоны измерений коэффициента мощности от -1 до -0,25 и от 0,25 до 1. Соотношение погрешностей эталонного и рабочего средства измерений при одном и том же значении коэффициента мощности не более 1:3. Диапазон измерений активной электрической энергии прямого и обратного направлений, активной и полной электрической мощности при изменении силы тока от 0,01 Jhom до /макс, номинальном напряжении и изменении коэффициента мощности от 0,25 до 1. Соотношение погрешностей эталонного и рабочего средства измерений при одном и том же значении активной или полной электрической мощности и значении накопленной активной электрической энергии не более 1:3. Диапазон измерений реактивной электрической энергии прямого и обратного направлений и реактивной электрической мощности при изменении силы тока от 0,01 /НОм до /макс, номинальном напряжении и изменении коэффициента sirup от 0,25 до 1. Соотношение погрешностей эталонного и рабочего средства измерений при одном и том же значении |
|
Метрологические и технические требования к средствам поверки |
Рекомендуемый тип средства поверки, регистрационный номер в Федеральном информационном фонде по обеспечению единства измерений (далее - per. №) и (или) метрологические или основные технические характеристики средства поверки |
|
реактивной электрической мощности и значении накопленной реактивной электрической энергии не более 1:3. | |
|
Соотношение погрешностей эталонного и рабочего средства измерений при одном и том же значении времени не более 1:3. |
Устройство синхронизации единого времени серии СВ, модификация СВ-04, per. № 74100-19. |
|
Вспомогательные средства поверки | |
|
Диапазон воспроизведений напряжения переменного тока от 0 до 150 кВ. |
Установка испытательная высоковольтная УИВ-150/18. |
|
Верхний предел воспроизведений силы переменного тока 100 А. |
Установка многофункциональная измерительная серии СМС, модификация СМС 356, per. № 57750-14. |
|
Номинальный первичный ток 1000 А. Номинальный вторичный ток 100 А. Номинальное напряжение 10 кВ. |
Трансформатор тока. |
|
Номинальное напряжение первичной обмотки 10000 В. Номинальное напряжение вторичной обмотки 100 В. Наибольшее рабочее напряжение 12 кВ. |
Трансформатор напряжения незаземляемый. |
|
Диапазон измерений температуры окружающего воздуха от +10 до +30 °C. Диапазон измерений относительной влажности от 30 до 80 %. |
Термогигрометр электронный «CENTER» модели 313, per. №22129-09. |
|
Диапазон измерений атмосферного давления от 84 до 106 кПа. |
Барометр-анероид метеорологический БАММ-1, per. № 5738-76. |
|
LTE-модем HUAWEI Е8372. | |
|
Роутер Zyxel Keenetic Giga III. | |
|
Персональный компьютер IBM PC (далее - персональный компьютер или ПК) - 2 шт.; наличие интерфейсов Ethernet и USB; дисковод для чтения CD-ROM; операционная система Windows с установленным программным обеспечением. | |
|
Метрологические и технические требования к средствам поверки |
Рекомендуемый тип средства поверки, регистрационный номер в Федеральном информационном фонде по обеспечению единства измерений (далее - per. №) и (или) метрологические или основные технические характеристики средства поверки |
|
Устройство преобразования электрического сигнала в оптический сигнал ПЭО-01 | |
|
Устройство преобразования оптического сигнала в электрический сигнал ПОЭ-01 |
Допускается применение средств поверки с метрологическими и техническими характеристиками, обеспечивающими требуемую точность передачи единиц величин поверяемому средству измерений с соотношением погрешностей эталонного и рабочего средства измерений при одном и том же значении входной величины не более 1:3.
6 ТРЕБОВАНИЯ (УСЛОВИЯ) ПО ОБЕСПЕЧЕНИЮ БЕЗОПАСНОСТИ ПРОВЕДЕНИЯ ПОВЕРКИ-
6.1 При проведении поверки необходимо соблюдать требования безопасности, установленные ГОСТ 12.3.019-80, «Правилами технической эксплуатации электроустановок потребителей». Также должны быть соблюдены требования безопасности, изложенные в эксплуатационных документах на поверяемые АТКУЭ и применяемые средства поверки.
-
6.2 Средства поверки, которые подлежат заземлению, должны быть надежно заземлены. Подсоединение зажимов защитного заземления к контуру заземления должно производиться ранее других соединений, а отсоединение - после всех отсоединений.
-
6.3 Высоковольтное оборудование и АТКУЭ, а также вспомогательное оборудование, подключенное к АТКУЭ или высоковольтному оборудованию, должны быть размещены в высоковольтной камере, снабженной блокировками и соответствующими индикаторами защиты.
-
6.4 В ряде схем поверочных установок, представленных на рисунках ниже, в первичную цепь АТКУЭ, находящуюся под высоким напряжением, включены эталонный трансформатор тока и трансформатор тока, формирующий первичный ток АТКУЭ. При этом должна обеспечиваться высоковольтная изоляция между первичным проводом АТКУЭ и вторичной обмоткой указанных трансформаторов. Для выполнения этого условия трансформаторы тока должны быть тороидального типа, первичной обмоткой которых является первичный провод АТКУЭ уложенный в силиконовую трубку с толщиной стенки не менее 3 мм.
АТКУЭ допускается к дальнейшей поверке, если:
-
- внешний вид АТКУЭ соответствует описанию типа;
-
- отсутствуют видимые дефекты, способные оказать влияние на безопасность проведения поверки или результаты поверки;
-
- серийный номер АТКУЭ соответствует указанному в паспорте;
-
- комплектность АТКУЭ соответствует указанной в паспорте;
-
- присутствуют отметки в паспорте о приемке ОТК.
Примечание - При выявлении дефектов, способных оказать влияние на безопасность проведения поверки или результаты поверки, устанавливается возможность их устранения до проведения поверки. При наличии возможности устранения дефектов, выявленные дефекты устраняются, и АТКУЭ допускается к дальнейшей поверке. При отсутствии возможности устранения дефектов или несоответствия одному из вышеперечисленных пунктов, АТКУЭ к дальнейшей поверке не допускается.
8 ПОДГОТОВКА К ПОВЕРКЕ И ОПРОБОВАНИЕ СРЕДСТВА ИЗМЕРЕНИЙ-
8.1 Перед проведением поверки необходимо выполнить следующие подготовительные работы:
-
- изучить эксплуатационную документацию на поверяемую АТКУЭ и на применяемые средства поверки;
-
- выдержать АТКУЭ в условиях окружающей среды, указанных в п. 3.1, не менее 2 ч, если он находился в климатических условиях, отличающихся от указанных в п. 3.1, и подготовить его к работе в соответствии с его эксплуатационной документацией;
-
- подготовить к работе средства поверки в соответствии с указаниями их эксплуатационной документации.
-
8.2 Опробование
Опробование АТКУЭ проводить в следующей последовательности:
-
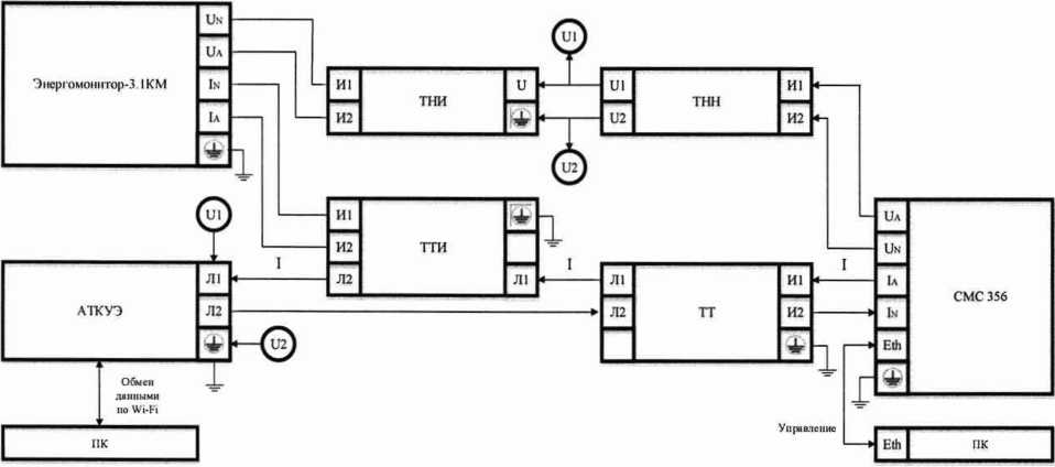
1) собрать схему, представленную на рисунке 1, и выполнить подключение балластно-защитного устройства высоковольтного блока питания АТКУЭ к токопроводу в соответствии с руководством по эксплуатации;

СМС 356 - Установка многофункциональная измерительная серии СМС, модификация СМС 356;
Энергомонитор-3.1 КМ - Прибор электроизмерительный эталонный многофункциональный «Энергомонитор-3.1 КМ», модификация «Энергомонитор-3.1 КМ» П-02-010-3-0-50-1000К10;
АТКУЭ-Точка автоматизированная коммерческого учета электроэнергии 6(10) кВ АТКУЭ;
УИВ - Установка испытательная высоковольтная УИВ-150/18 с характеристиками в соответствии с таблицей 2;
ТТ - Трансформатор тока с характеристиками в соответствии с таблицей 2;
ПК - Персональный компьютер.
Рисунок 1 - Структурная схема подключений для выполнения опробования АТКУЭ
-
2) включить и настроить УИВ, установку многофункциональную измерительную серии СМС модификации СМС 356 (далее - установка СМС 356), прибор электроизмерительный эталонный многофункциональный «Энергомонитор-3.1 КМ» модификации «Энергомонитор-3.1КМ» П-02-010-3-0-50-1000К10 (далее - энергомонитор-3.1 КМ) и персональные компьютеры в соответствии с их руководствами по эксплуатации;
-
3) подать номинальное напряжение переменного тока при помощи УИВ и воспроизвести номинальный ток АТКУЭ при помощи СМС 356 с учетом коэффициента трансформации трансформатора тока измерительного последовательно для каждой из фаз А, В, С;
-
4) зафиксировать работу светодиодов (инструкция по проверке работы светодиодов приведена в руководстве по эксплуатации);
-
5) выполнить настройку электрического испытательного выхода через программное обеспечение (далее - ПО) «DLMS director» (инструкция по работе с ПО приведена в руководстве по эксплуатации) и проверить его работу при помощи Энергомонитора-3.1 КМ;
-
6) подключить персональный компьютер к Wi-Fi АТКУЭ и получить измеренные значения силы и напряжения переменного тока при помощи ПО «DLMS director» (инструкция по работе с ПО приведена в руководстве по эксплуатации);
-
7) подключить АТКУЭ к персональному компьютеру по каналу GSM/GPRS и получить измеренные значения силы и напряжения переменного тока при помощи ПО «DLMS director»;
-
8) получить координаты АТКУЭ при помощи ПО «DLMS director» (при наличии интерфейса GPS/ГЛОНАСС);
-
9) выполнить два последовательных считывания показаний часов реального времени АТКУЭ при помощи ПО «DLMS director» (инструкция по работе с ПО приведена в руководстве по эксплуатации) с интервалом от 5 до 10 с.
АТКУЭ допускается к дальнейшей поверке, если при опробовании:
-
- при включении АТКУЭ светодиод, показывающий наличие основного питания, постоянно светится;
-
- электрический испытательный выход генерирует импульсы;
-
- данные в ПО «DLMS director» при считывании с АТКУЭ по интерфейсу Wi-Fi соответствуют значениям входных сигналов силы и напряжения переменного тока;
-
- данные в ПО «DLMS director» при считывании с АТКУЭ по каналу GSM/GPRS соответствуют значениям входных сигналов силы и напряжения переменного тока;
-
- считываются координаты АТКУЭ при помощи ПО «DLMS director»;
-
- показания часов реального времени АТКУЭ при двух последовательных считываниях изменяются синхронно с показаниями часов на персональном компьютере.
-
8.3 Проверка порога чувствительности
Проверку порога чувствительности проводить поочередно для каждой из фаз в следующей последовательности:
-
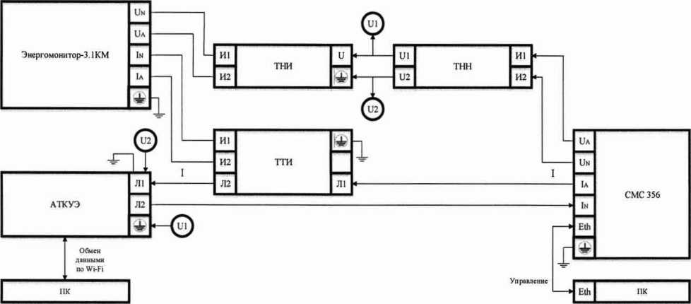
1) собрать схему, представленную на рисунке 2, при этом балластно-защитное устройство высоковольтного блока питания АТКУЭ должно быть отключено от токопровода (в случае применения вместо установки СМС 356 источника напряжения мощностью более 150 ВА, балластно-защитное устройство высоковольтного блока питания допускается не отключать);
-
2) подключить внешнее питание измерительно-коммуникационного блока АТКУЭ в соответствии с руководством по эксплуатации;



ТНН - Трансформатор напряжения незаземляемый с характеристиками в соответствии с таблицей 2.
Рисунок 2 - Структурная схема подключений для проверки порога чувствительности
-
3) включить и настроить установку СМС 356 и персональные компьютеры в соответствии с их руководствами по эксплуатации;
-
4) подключить персональный компьютер к Wi-Fi АТКУЭ;
-
5) подать номинальное напряжение переменного тока и воспроизвести значение силы переменного тока в соответствии с таблицей 3 при помощи установки СМС 356. Установить значения коэффициента мощности cos<p = 1 при измерении активной электрической энергии и значение коэффициента sincp = 1 при измерении реактивной электрической энергии;
Таблица 3 - Значение силы переменного тока при определении порога чувствительности
|
Значение силы переменного тока, % от 1ном | |
|
при измерении активной электрической энергии |
при измерении реактивной электрической энергии |
|
0,1 |
0,2 |
-
6) считать при помощи ПО «DLMS director» и зафиксировать измеренные значения силы переменного тока, напряжения переменного тока, активной и реактивной электрической энергии.
АТКУЭ допускается к дальнейшей поверке, если при проверке порога чувствительности АТКУЭ вычисляет и регистрирует значения активной и реактивной электрической энергии.
-
8.4 Проверка отсутствия самохода
Проверку отсутствия самохода проводить поочередно для каждой из фаз в следующей последовательности:
-
1) собрать схему, представленную на рисунке 3;
-
2) подключить внешнее питание измерительно-коммуникационного блока АТКУЭ в соответствии с руководством по эксплуатации;
Рисунок 3 - Структурная схема подключений для проверки отсутствия самохода
-
3) включить и настроить энергомонитор-3.1 КМ в соответствии с его руководством по эксплуатации;
-
4) рассчитать время проведения проверки;
-
5) включить и настроить У ИВ в соответствии с его руководством по эксплуатации;
-
6) подать значение напряжения переменного тока 8400 В для исполнения АТКУЭ по классу напряжения 6 кВ и 14000 В для исполнения АТКУЭ по классу напряжения 10 кВ при помощи У ИВ и выдержать в течение времени, рассчитанного по формуле:
At<
З,6-1О10
К т т т АТКУЭ U ном ’ Сом
(1)
где Кдткуэ - постоянная АТКУЭ, указанная в паспорте;
Ином - номинальное напряжение АТКУЭ (6000А/3, 1ООООЛ/3), В; 1ном - номинальный ток АТКУЭ, А.
АТКУЭ допускается к дальнейшей поверке, если при подаче испытательного напряжения в течение времени, рассчитанного по формуле (1), энергомонитор-3.1 КМ зафиксирует не более одного импульса.
9 ПРОВЕРКА ПРОГРАММНОГО ОБЕСПЕЧЕНИЯ СРЕДСТВА ИЗМЕРЕНИЙПроверку соответствия программного обеспечения проводить в следующей последовательности:
-
1) собрать схему, представленную на рисунке 4;
-
2) подключить внешнее питание измерительно-коммуникационного блока АТКУЭ в соответствии с руководством по эксплуатации;

Рисунок 4 - Структурная схема для подтверждения программного обеспечения АТКУЭ И

-
3) подключить персональный компьютер к Wi-Fi АТКУЭ;
-
4) при помощи ПО «DLMS director» определить идентификационное наименование и номер версии программного обеспечения АТКУЭ (инструкция по работе с ПО приведена в руководстве по эксплуатации);
-
5) проверить соответствие идентификационного наименования и номера версии программного обеспечения на соответствие указанным в описании типа на АТКУЭ.
АТКУЭ допускается к дальнейшей поверке, если программное обеспечение соответствует требованиям, указанным в описании типа.
10 ОПРЕДЕЛЕНИЕ МЕТРОЛОГИЧЕСКИХ ХАРАКТЕРИСТИК СРЕДСТВА ИЗМЕРЕНИЙ-
10.1 Определение относительной погрешности измерений активной и реактивной электрической энергии прямого и обратного направлений
Определение относительной погрешности измерений активной и реактивной электрической энергии прямого и обратного направлений проводить поочередно для каждой из фаз в следующей последовательности:
-
1) собрать схему, представленную на рисунке 5 (при номинальных значениях силы переменного тока 150; 200; 300; 400; 500; 600; 750 А) или схему, представленную на рисунке 6 (при номинальных значениях силы переменного тока 5; 10; 15; 20; 30; 40; 50; 75; 80; 100 А), в случае отсутствия возможности обеспечения высоковольтной изоляции вторичной обмотки ТТИ от первичного провода АТКУЭ, при этом балластно-защитное устройство высоковольтного блока питания АТКУЭ должно быть отключено от токопровода (в случае применения вместо установки СМС 356 источника напряжения мощностью более 150 В-А балластнозащитное устройство высоковольтного блока питания допускается не отключать);
-
2) необходимо обратить внимание, что по схеме на рисунке 6 высокое напряжение должно подаваться на болт заземления измерительно-коммуникационного блока АТКУЭ, при этом первичная цепь подключена к устройству заземления, в связи с чем должна обеспечиваться высоковольтная изоляция измерительно-коммуникационного блока от заземленных частей испытательной установки;
-
3) подключить внешнее питание измерительно-коммуникационного блока АТКУЭ в соответствии с руководством по эксплуатации;

ТТИ - Трансформатор тока измерительный переносной «ТТИП», исполнение ТТИП-5000/5;
ТНИ - Трансформатор напряжения измерительный лабораторный серии НЛЛ, модификация НЛЛ-15.
Рисунок 5 - Структурная схема подключений для определения погрешности измерений активной и реактивной электрической энергии (при номинальных значениях силы переменного тока 150;200;300; 400; 500; 600; 750 А)
ТТИ - Трансформатор тока измерительный переносной «ТТИП», исполнение ТТИП-100/5;
ПЭО - устройство преобразования электрического сигнала в оптический сигнал ПЭО-01.
ПОЭ - устройство преобразования электрического сигнала в оптический сигнал ПОЭ-01.
Рисунок 6 - Структурная схема подключений для определения погрешности измерений активной и реактивной электрической энергии (при номинальных значениях силы переменного тока 5; 10; 15; 20; 30; 40; 50; 75; 80; 100 А)
-
4) включить и настроить установку СМС 356 и энергомонитор-3.1 КМ в соответствии с их руководствами по эксплуатации;
-
5) при конфигурировании энергомонитора-3.1 КМ необходимо рассчитать по формуле (5) и задать постоянную АТКУЭ поверяемого АТКУЭ;
-
6) сконфигурировать электрический испытательный выход АТКУЭ при помощи ПО «DLMS director» на режим измерений активной электрической энергии (инструкция по работе с ПО приведена в руководстве по эксплуатации);
-
7) подать номинальное напряжение переменного тока и воспроизвести значения силы переменного тока в соответствии с таблицей 4 при помощи установки СМС 356;
-
8) зафиксировать полученные значения относительной погрешности измерений активной электрической энергии прямого и обратного направлений по показаниям энергомонитор-3.1 КМ.
Таблица 4 - Испытательные сигналы при определении относительной погрешности измерений активной электрической энергии прямого и обратного направлений
|
Значение силы переменного тока, А |
coscp |
Пределы допускаемых относительных погрешностей измерений активной электрической энергии прямого и обратного направлений, % |
|
0,01 /„„„ |
1 |
±1,0 |
|
0,05 7НОМ |
1 |
±0,5 |
|
/нОМ |
1 |
±0,5 |
|
/макс |
1 |
±0,5 |
|
0,02/„ом |
0,5 инд. * |
±1,0 |
|
0,10/„„„ |
0,5 инд. |
±0,6 |
|
ЛюМ |
0,5 инд. |
±0,6 |
|
/макс |
0,5 инд. |
±0,6 |
|
0,027н0м |
0,8 емк. ** |
±1,0 |
|
0,10/„„м |
0,8 емк. |
±0,6 |
|
/нОМ |
0,8 емк. |
±0,6 |
|
/макс |
0,8 емк. |
±0,6 |
|
0,10/ном |
0,25 инд. |
±1,0 |
|
/ном |
0,25 инд. |
±1,0 |
|
/макс |
0,25 инд. |
±1,0 |
|
0,10/„ом |
0,5 емк. |
±1,0 |
|
/>ЮМ |
0,5 емк. |
±1,0 |
|
/макс |
0,5 емк. |
±1,0 |
|
0,01 /но„ |
-1 |
±1,0 |
|
0,05 7Ном |
-1 |
±0,5 |
|
Л1ОМ |
-1 |
±0,5 |
|
/макс |
-1 |
±0,5 |
|
0,02/н„„ |
-0,5 инд. |
±1,0 |
|
0,10/но„ |
-0,5 инд. |
±0,6 |
|
/ном |
-0,5 инд. |
±0,6 |
|
/макс |
-0,5 инд. |
±0,6 |
|
0,02/ном |
-0,8 емк. |
±1,0 |
|
0,Ю/Ном |
-0,8 емк. |
±0,6 |
|
1,00/„ом |
-0,8 емк. |
±0,6 |
|
/макс |
-0,8 емк. |
±0,6 |
|
0,10/„ом |
-0,25 инд. |
±1,0 |
|
/ном |
-0,25 инд. |
±1,0 |
|
Значение силы переменного тока, А |
COS(p |
Пределы допускаемых относительных погрешностей измерений активной электрической энергии прямого и обратного направлений, % |
|
А1ЭКС |
-0,25 инд. |
±1,0 |
|
0,10/„о„ |
-0,5 емк. |
±1,0 |
|
/нОМ |
-0,5 емк. |
±1,0 |
|
/макс |
-0,5 емк. |
±1,0 |
|
* при индуктивной нагрузке; | ||
|
** при емкостной нагрузке. | ||
-
9) сконфигурировать электрический испытательный выход АТКУЭ при помощи ПО «DLMS director» на режим измерений реактивной электрической энергии (инструкция по работе с ПО приведена в руководстве по эксплуатации);
-
10) подать номинальное напряжение переменного тока и воспроизвести значения силы переменного тока в соответствии с таблицей 5 при помощи установки СМС 356;
-
11) зафиксировать полученные значения относительной погрешности измерений реактивной электрической энергии прямого и обратного направлений по показаниям энерго-монитор-3.1 КМ.
Таблица 5 - Испытательные сигналы при определении относительной погрешности измерений реактивной электрической энергии прямого и обратного направлений
|
Значение силы переменного тока, А |
sincp |
Пределы допускаемых относительных погрешностей измерений реактивной электрической энергии прямого и обратного направлений,% |
|
0,02'/ном |
1 |
±1,5 |
|
0,05 ■ /цом.н |
1 |
±1,0 |
|
AlOM |
1 |
±1,0 |
|
/макс |
1 |
±1,0 |
|
0,05 /ном |
0,5 инд. * |
±1,5 |
|
0,10’/ном |
0,5 инд. |
±1,0 |
|
/ном |
0,5 инд. |
±1,0 |
|
/макс |
0,5 инд. |
±1,0 |
|
0,05/ном |
0,5 емк. ** |
±1,5 |
|
0,10/ном |
0,5 емк. |
±1,0 |
|
/ном |
0,5 емк. |
±1,0 |
|
/макс |
0,5 емк. |
±1,0 |
|
0,107„o„ |
0,25 инд. |
±1,5 |
|
/ном |
0,25 инд. |
±1,5 |
|
/макс |
0,25 инд. |
±1,5 |
|
0,10/ном |
0,25 емк. |
±1,5 |
|
/ном |
0,25 емк. |
±1,5 |
|
/макс |
0,25 емк. |
±1,5 |
|
0,02/ном |
-1 |
±1,5 |
|
0,05/„ом |
-1 |
±1,0 |
|
/ном |
-1 |
±1,0 |
|
/макс |
-1 |
±1,0 |
|
0,05/Ном |
-0,5 инд. |
±1,5 |
|
0,10/„о„ |
-0,5 инд. |
±1,0 |
|
/ном |
-0,5 инд. |
±1,0 |
|
/макс |
-0,5 инд. |
±1,0 |
|
Значение силы переменного тока, А |
sincp |
Пределы допускаемых относительных погрешностей измерений реактивной электрической энергии прямого и обратного направлений,% |
|
0,05 /ном |
-0,5 емк. |
±1,5 |
|
0,10/„о„ |
-0,5 емк. |
±1,0 |
|
AiOM |
-0,5 емк. |
±1,0 |
|
Алакс |
-0,5 емк. |
±1,0 |
|
0,107„OM |
-0,25 инд. |
±1,5 |
|
■AiOM |
-0,25 инд. |
±1,5 |
|
1макс |
-0,25 инд. |
±1,5 |
|
0,107ном |
-0,25 емк. |
±1,5 |
|
•Аюм |
-0,25 емк. |
±1,5 |
|
Амакс |
-0,25 емк. |
±1,5 |
|
* при индуктивной нагрузке; | ||
|
** при емкостной нагрузке. | ||
-
10.2 Определение относительной погрешности измерений среднеквадратических значений силы переменного тока
Определение относительной погрешности измерений среднеквадратических значений силы переменного тока проводить поочередно для каждой из фаз в следующей последовательности:
-
1) собрать схему, представленную на рисунке 7 (при номинальных значениях силы переменного тока 150; 200; 300; 400; 500; 600; 750 А) или схему, представленную на рисунке 8 (при номинальных значениях силы переменного тока 5; 10; 15; 20; 30; 40; 50; 75; 80; 100 А), в случае отсутствия возможности обеспечения высоковольтной изоляции вторичной обмотки ТТИ от первичного провода АТКУЭ, при этом балластно-защитное устройство высоковольтного блока питания АТКУЭ должно быть отключено от токопровода (в случае применения вместо установки СМС 356 источника напряжения мощностью более 150 В-А балластнозащитное устройство высоковольтного блока питания допускается не отключать);
-
2) необходимо обратить внимание, что по схеме на рисунке 8 высокое напряжение должно подаваться на болт заземления измерительно-коммуникационного блока АТКУЭ, при этом первичная цепь подключена к устройству заземления, в связи с чем должна обеспечиваться высоковольтная изоляция измерительно-коммуникационного блока от заземленных частей испытательной установки;
-
3) подключить внешнее питание измерительно-коммуникационного блока АТКУЭ в соответствии с руководством по эксплуатации;

Рисунок 7 - Структурная схема подключений для определения погрешности измерений среднеквадратических значений силы переменного тока, среднеквадратических значений напряжения переменного тока, частоты переменного тока основной гармоники, активной, реактивной и полной электрической мощности, коэффициента мощности cos(p (при номинальных значениях силы переменного тока 150; 200; 300; 400; 500; 600; 750 А)
Рисунок 8 - Структурная схема подключений для определения погрешности измерений среднеквадратических значений силы переменного тока, среднеквадратических значений напряжения переменного тока, частоты переменного тока основной гармоники, активной, реактивной и полной электрической мощности, коэффициента мощности coscp (при номинальных значениях силы переменного тока 5; 10; 15; 20; 30; 40; 50; 75; 80; 100 А)
-
4) включить и настроить установку СМС 356 и энергомонитор-3.1 КМ в соответствии с их руководствами по эксплуатации;
-
5) подключить персональный компьютер к Wi-Fi АТКУЭ;
-
6) поочередно подать номинальное значение напряжения переменного тока и воспроизвести значения силы переменного тока в соответствии с таблицей 6 при помощи установки СМС 356;
Таблица 6 - Испытательные сигналы при определении относительной погрешности измерений среднеквадратических значений силы переменного тока
|
Класс точности |
Значение силы переменного тока, А |
Пределы допускаемых относительных погрешностей измерений среднеквадратических значений силы переменного тока, % |
|
0,2S |
0,01/ном |
±0,75 |
|
0,05/НОм |
±0,35 | |
|
0,2 ’/ном |
±0,2 | |
|
/ном |
±0,2 | |
|
/макс |
±0,2 |
-
7) зафиксировать эталонные значения силы переменного тока по показаниям энергомонитор-3 . 1 КМ;
-
8) с помощью ПО «DLMS director» (инструкция по работе с ПО приведена в руководстве по эксплуатации) зафиксировать измеренные значения силы переменного тока.
-
10.3 Определение относительной погрешности измерений среднеквадратических значений напряжения переменного тока
Определение относительной погрешности измерения среднеквадратических значений напряжения переменного тока проводить поочередно для каждой из фаз в следующей последовательности:
-
1) собрать схему, представленную на рисунке 7 или 8 (в зависимости от номинального значения силы переменного тока), при этом балластно-защитное устройство высоковольтного блока питания АТКУЭ должно быть отключено от токопровода (в случае применения вместо установки СМС 356 источника напряжения мощностью более 150 В-А балластно-защитное устройство высоковольтного блока питания допускается не отключать);
-
2) подключить внешнее питание измерительно-коммуникационного блока АТКУЭ в соответствии с руководством по эксплуатации;
-
3) включить и настроить установку СМС 356 и энергомонитор-3.1 КМ в соответствии с их руководствами по эксплуатации;
-
4) подключить персональный компьютер к Wi-Fi АТКУЭ;
-
5) поочередно подать значения напряжения переменного тока равные 0,8Т/Ном, и 1,2 (/ном при номинальном значении силы переменного тока;
-
6) зафиксировать эталонные значения напряжения переменного тока по показаниям энергомонитор-3.1 КМ;
-
7) с помощью ПО «DLMS director» (инструкция по работе с ПО приведена в руководстве по эксплуатации) зафиксировать измеренные значения напряжения переменного тока.
-
10.4 Определение абсолютной погрешности измерений частоты переменного тока основной гармоники
Определение абсолютной погрешности измерений частоты переменного тока основной гармоники проводить в следующей последовательности:
-
1) собрать схему, представленную на рисунке 7 или 8 (в зависимости от номинального значения силы переменного тока), при этом балластно-защитное устройство высоковольтного блока питания АТКУЭ должно быть отключено от токопровода (в случае применения вместо установки СМС 356 источника напряжения мощностью больше 150 В-А балластно-защитное устройство высоковольтного блока питания допускается не отключать);
-
2) подключить внешнее питание измерительно-коммуникационного блока АТКУЭ в соответствии с руководством по эксплуатации;
-
3) включить и настроить установку СМС 356 и энергомонитор-3.1 КМ в соответствии с их руководствами по эксплуатации;
-
4) подключить персональный компьютер к Wi-Fi АТКУЭ;
-
5) подать номинальные значения напряжения и силы переменного тока с частотой 42,5, 50,0 и 57,5 Гц при помощи установки СМС 356;
-
6) зафиксировать эталонные значения частоты переменного тока по показаниям энергомонитор-3.1 КМ;
-
7) с помощью ПО «DLMS director» (инструкция по работе с ПО приведена в руководстве по эксплуатации) зафиксировать измеренные значения частоты переменного тока основной гармоники.
-
10.5 Определение относительной погрешности измерений активной, реактивной и полной электрической мощности
Определение относительной погрешности измерений активной, реактивной и полной электрической мощности проводить поочередно для каждой из фаз в следующей последовательности:
-
1) собрать схему, представленную на рисунке 7 (при номинальных значениях силы переменного тока 150; 200; 300; 400; 500; 600; 750 А) или схему, представленную на рисунке 8 (при номинальных значениях силы переменного тока 5; 10; 15; 20; 30; 40; 50; 75; 80; 100 А), в случае отсутствия возможности обеспечения высоковольтной изоляции вторичной обмотки ТТИ от первичного провода АТКУЭ, при этом балластно-защитное устройство высоковольтного блока питания АТКУЭ должно быть отключено от токопровода (в случае применения вместо установки СМС 356 источника напряжения мощностью более 150 В А балластнозащитное устройство высоковольтного блока питания допускается не отключать);
-
2) необходимо обратить внимание, что по схеме на рисунке 8 высокое напряжение должно подаваться на болт заземления измерительно-коммуникационного блока АТКУЭ, при этом первичная цепь подключена к устройству заземления, в связи с чем должна обеспечиваться высоковольтная изоляция измерительно-коммуникационного блока от заземленных частей испытательной установки;
-
3) подключить внешнее питание измерительно-коммуникационного блока АТКУЭ в соответствии с руководством по эксплуатации;
-
4) включить и настроить установку СМС 356 и энергомонитор-3.1 КМ в соответствии с их руководствами по эксплуатации;
-
5) подключить персональный компьютер к Wi-Fi АТКУЭ;
-
6) подать номинальное значение напряжения переменного тока и воспроизвести значения силы переменного тока в соответствии с таблицами 7, 8, 9 при помощи установки СМС 356;
-
7) зафиксировать эталонные значения активной, реактивной и полной электрической мощности по показаниям энергомонитор-3.1 КМ при каждом значении испытательного сигнала;
-
8) с помощью ПО «DLMS director» (инструкция по работе с ПО приведена в руководстве по эксплуатации) зафиксировать измеренные значения активной, реактивной и полной электрической мощности при каждом значении испытательного сигнала.
Таблица 7 - Испытательные сигналы при определении относительной погрешности измерений активной электрической мощности
|
Значение силы переменного тока, А |
coscp |
Пределы допускаемых относительных погрешностей измерений активной электрической мощности, % |
|
0,01/1ЮМ |
1 |
±1,0 |
|
0,05 7Н0м |
1 |
±0,5 |
|
Тном |
1 |
±0,5 |
|
Ataxc |
1 |
±0,5 |
|
0,02 7„ом |
0,5 инд. |
±1,0 |
|
0,107ном |
0,5 инд. |
±0,6 |
|
Значение силы переменного тока, А |
coscp |
Пределы допускаемых относительных погрешностей измерений активной электрической мощности, % |
|
Аом |
0,5 инд. |
±0,6 |
|
Аакс |
0,5 инд. |
±0,6 |
|
0,02 7„ом |
0,8 емк. |
±1,0 |
|
0,107но„ |
0,8 емк. |
±0,6 |
|
Аом |
0,8 емк. |
±0,6 |
|
А1ЭКС |
0,8 емк. |
±0,6 |
|
0,107„ом |
0,25 инд. |
±1,0 |
|
Аом |
0,25 инд. |
±1,0 |
|
Аакс |
0,25 инд. |
±1,0 |
|
0,107„ом |
0,5 емк. |
±1,0 |
|
Аом |
0,5 емк. |
±1,0 |
|
Аакс |
0,5 емк. |
±1,0 |
Таблица 8 - Испытательные сигналы при определении относительной погрешности измерений реактивной электрической мощности
|
Сила переменного тока, А |
sincp |
Пределы допускаемых относительных погрешностей измерений реактивной электрической мощности, % |
|
0,027Н0„ |
1 |
±1,5 |
|
0,05 ■ Аом.н |
1 |
±1,0 |
|
Аом |
1 |
±1,0 |
|
Аакс |
1 |
±1,0 |
|
0,05 7„„„ |
0,5 инд. |
±1,5 |
|
0,107„ом |
0,5 инд. |
±1,0 |
|
Аом |
0,5 инд. |
±1,0 |
|
Аакс |
0,5 инд. |
±1,0 |
|
0,05 Аом |
0,5 емк. |
±1,5 |
|
0,107„ом |
0,5 емк. |
±1,0 |
|
Аом |
0,5 емк. |
±1,0 |
|
Аакс |
0,5 емк. |
±1,0 |
|
0,Ю7„ОМ |
0,25 инд. |
±2,0 |
|
Аом |
0,25 инд. |
±2,0 |
|
Аакс |
0,25 инд. |
±2,0 |
|
0,Ю7НОМ |
0,25 емк. |
±2,0 |
|
Аом |
0,25 емк. |
±2,0 |
|
Аакс |
0,25 емк. |
±2,0 |
Таблица 9 - Испытательные сигналы при определении относительной погрешности измерений полной электрической мощности
|
Значение силы переменного тока, А |
coscp |
Пределы допускаемых относительных погрешностей измерений полной электрической мощности, % |
|
0,017„0М |
1 |
±1,0 |
|
0,05 Аом |
1 |
±0,5 |
|
Аом |
1 |
±0,5 |
|
Аакс |
1 |
±0,5 |
|
0,027„ом |
0,5 инд. |
±1,0 |
|
0,10-Аом |
0,5 инд. |
±0,6 |
|
Значение силы переменного тока, А |
coscp |
Пределы допускаемых относительных погрешностей измерений полной электрической мощности, % |
|
■/ном |
0,5 ИНД. |
±0,6 |
|
■/макс |
0,5 ИНД. |
±0,6 |
|
0,02/„ом |
0,8 емк. |
±1,0 |
|
0,10-7„ом |
0,8 емк. |
±0,6 |
|
■/ном |
0,8 емк. |
±0,6 |
|
■/макс |
0,8 емк. |
±0,6 |
|
0,Ю/Иом |
0,25 инд. |
±1,0 |
|
•/ном |
0,25 инд. |
±1,0 |
|
■/макс |
0,25 инд. |
±1,0 |
|
0,ю/„ом |
0,5 емк. |
±1,0 |
|
■/ном |
0,5 емк. |
±1,0 |
|
■/макс |
0,5 емк. |
±1,0 |
-
10.6 Определение абсолютной погрешности измерений коэффициента мощности coscp
Определение абсолютной погрешности измерений коэффициента мощности coscp проводить для каждой из фаз в следующей последовательности:
-
1) собрать схему, представленную на рисунке 7 (при номинальных значениях силы переменного тока 150; 200; 300; 400; 500; 600; 750 А) или схему, представленную на рисунке 8 (при номинальных значениях силы переменного тока 5; 10; 15; 20; 30; 40; 50; 75; 80; 100 А), в случае отсутствия возможности обеспечения высоковольтной изоляции вторичной обмотки ТТИ от первичного провода АТКУЭ, при этом балластно-защитное устройство высоковольтного блока питания АТКУЭ должно быть отключено от токопровода (в случае применения вместо установки СМС 356 источника напряжения мощностью больше 150 В-А балластнозащитное устройство высоковольтного блока питания допускается не отключать);
-
2) необходимо обратить внимание, что по схеме на рисунке 8 высокое напряжение должно подаваться на болт заземления измерительно-коммуникационного блока АТКУЭ, при этом первичная цепь подключена к устройству заземления, в связи с чем должна обеспечиваться высоковольтная изоляция измерительно-коммуникационного блока от заземленных частей испытательной установки;
-
3) подключить внешнее питание измерительно-коммуникационного блока АТКУЭ в соответствии с руководством по эксплуатации;
-
4) включить и настроить установку СМС 356 и энергомонитор-3.1 КМ в соответствии с их руководствами по эксплуатации;
-
5) подключить персональный компьютер к Wi-Fi АТКУЭ;
-
6) при помощи установки СМС 356 поочередно установить угол фазового сдвига между напряжением и током при номинальных значениях напряжения (7Н0М и силы /Ном переменного тока, а также/Ном, равной 50 Гц, равные: ±75,522° (cos(p = 0,25 инд./емк.), ±104,478° (coscp = -0,25 инд./емк.), ±60,000° (coscp = 0,5 инд./емк.) ±120,000° (coscp = -0,5 инд./емк.), ±36,870 (coscp = 0,8 инд./емк.), ±143,130 (coscp = -0,8 инд./емк.), 0,000° (coscp = 1), 180,000° (coscp = -1);
-
7) зафиксировать эталонные значения коэффициента мощности по показаниям энер-гомонитор-3.1 КМ;
-
8) с помощью ПО «DLMS director» (инструкция по работе с ПО приведена в руководстве по эксплуатации) зафиксировать измеренные значения коэффициента мощности.
-
10.7 Определение абсолютной погрешности измерений текущего времени, при отсутствии синхронизации
Определение абсолютной погрешности измерений текущего времени, при отсутствии синхронизации проводить в следующей последовательности:
-
1) собрать схему, представленную на рисунке 9;
-
2) установить SIM-карты в АТКУЭ и LTE-модем, причем для SIM-карты должна быть подключена услуга выделенного статического IP-адреса;
-
3) подключить внешнее питание измерительно-коммуникационного блока АТКУЭ в соответствии с руководством по эксплуатации;
-
4) выполнить настройку LTE-модема, роутера, устройства синхронизации единого времени для организации NTP-сервера точного времени с возможностью обработки запросов через интернет;
-
5) подключить персональный компьютер к Wi-Fi АТКУЭ;
-
6) с помощью ПО «DLMS director» (инструкция по работе с программой приведена в руководстве по эксплуатации), отключить синхронизацию АТКУЭ по TJIOHACC/GPS, настроить IP-адрес сервера точного времени NTP и включить синхронизацию по NTP;
-
7) дождаться синхронизации внутренних часов АТКУЭ с эталонными часами сервера точного времени, прочитав соответствующее событие из журнала с помощью ПО «DLMS director»;
-
8) отключить синхронизацию по NTP и оставить АТКУЭ с включенным питанием;
-
9) через 24 часа включить синхронизацию АТКУЭ по NTP, дождаться синхронизации, прочитав соответствующее событие и величину поправки (абсолютной погрешности) из журнала с помощью ПО «DLMS director».
I------------------------------
Обмен Обмен I Обмен
LTE-модем - LTE-модем HUAWEI Е8372 с характеристиками в соответствии с таблицей 2;
Роутер - роутер Zyxel Keenetic Giga III с характеристиками в соответствии с таблицей 2;
СВ-04 - устройство синхронизации единого времени серии СВ, модификация СВ-04 с характеристиками в соответствии с таблицей 2.
Рисунок 9 - Структурная схема для определения абсолютной погрешности измерений текущего времени
11 ПОДТВЕРЖДЕНИЕ СООТВЕТСТВИЯ СРЕДСТВА ИЗМЕРЕНИЙ МЕТРОЛОГИЧЕСКИМ ТРЕБОВАНИЯМ-
11.1 Основные формулы, используемые при расчетах.
-
11.1.1 Абсолютная погрешность измерений частоты переменного тока, текущего времени, коэффициента мощности cos^ А, определяется по формуле:
-
А = Ддткуэ — ^эигъ (2)
где 4АТКУЭ - измеренное АТКУЭ значение параметра;
Аэип - значение параметра, измеренное эталонным средством измерений.
-
11.1.2 Относительная погрешность измерений активной, реактивной и полной электрической мощности 5, %, определяется по формуле:
= латкуэ-Лэи1гКтгКтн «юо (3)
Лэип'Ктт’Ктн
где Ааткуэ - измеренное АТКУЭ значение параметра;
АЭИп - значение параметра, измеренного эталонным средством измерений;
Ктт - значение коэффициента трансформации трансформатора тока;
Ктн - значение коэффициента трансформации трансформатора напряжения.
-
11.1.3 Относительная погрешность измерений напряжения и силы переменного тока 51, %, определяется по формуле:
£1 _ латкуэ-Лэип'Кт . iqq (4)
Лэип’Кт
где АдТКУЭ - измеренное АТКУЭ значение параметра;
АЭип ~ значение параметра, измеренного эталонным средством измерений;
Кт - значение коэффициента трансформации трансформатора тока или трансформатора напряжения.
-
11.1.4 Постоянная АТКУЭ поверяемого АТКУЭ, задаваемая в настройках Энергомонитор-3.1 КМ, Ксч, определяется по формуле:
(5)
Ксч ~ КАТКУЭ ’ Кут ' К-тн ’
где Кдткуэ - постоянная АТКУЭ, указанная в паспорте АТКУЭ;
Ктт - коэффициент трансформации трансформатора тока измерительного переносного «ТТИП», исполнение ТТИП-5000/5;
Кун - коэффициент трансформации трансформатора напряжения измерительного лабораторного серии НЛЛ, модификация НЛЛ-15.
-
11.2 АТКУЭ подтверждает соответствие метрологическим требованиям, установленным при утверждении типа, если:
-
1) полученные значения относительных погрешностей измерений активной и реактивной электрической энергии прямого и обратного направлений не превышают значений для соответствующего класса точности представленных в таблицах А.З и А.4 приложения А, таблицах 4 и 5;
-
2) полученные значения относительных погрешностей измерений среднеквадратического значения силы переменного тока не превышают значений, представленных в таблице А.2 приложения А и таблице 6;
-
3) полученные значения относительных погрешностей измерений среднеквадратических значений напряжения переменного тока не превышают значений, представленных в таблице А.1 приложения А;
-
4) полученные значения абсолютных погрешностей измерений частоты переменного тока не превышают значений, представленных в таблице А. 1 приложения А;
-
5) полученные значения относительных погрешностей измерений активной, реактивной и полной электрической мощности не превышают значений, представленных в таблицах 7, 8, 9 и таблицах А.З, А.4 приложения А;
-
6) полученные значения абсолютных погрешностей измерений коэффициента мощности costp не превышают значений, представленных в таблице А.1 приложения А.
-
7) полученное значение абсолютной погрешности измерений текущего времени, при отсутствии синхронизации, не превышают значений, представленных в таблице А.1 приложения А.
При невыполнении любого из вышеперечисленных условий (когда АТКУЭ не подтверждает соответствие метрологическим требованиям), поверку АТКУЭ прекращают, результаты поверки признают отрицательными.
12 ОФОРМЛЕНИЕ РЕЗУЛЬТАТОВ ПОВЕРКИ-
12.1 Результаты поверки АТКУЭ подтверждаются сведениями, включенными в Федеральный информационный фонд по обеспечению единства измерений в соответствии с порядком, установленным действующим законодательством.
-
12.2 По заявлению владельца АТКУЭ или лица, представившего его на поверку, положительные результаты поверки (когда АТКУЭ подтверждает соответствие метрологическим требованиям) оформляют свидетельством о поверке по форме, установленной в соответствии с действующим законодательством, и (или) нанесением на АТКУЭ знака поверки, и (или) внесением в паспорт АТКУЭ записи о проведенной поверке, заверяемой подписью поверителя и знаком поверки, с указанием даты поверки.
-
12.3 По заявлению владельца АТКУЭ или лица, представившего его на поверку, отрицательные результаты поверки (когда АТКУЭ не подтверждает соответствие метрологическим требованиям) оформляют извещением о непригодности к применению средства измерений по форме, установленной в соответствии с действующим законодательством, и (или) внесением в паспорт АТКУЭ соответствующей записи.
-
12.4 Протоколы поверки АТКУЭ оформляются по форме, приведенной в приложении Б.
Ведущий инженер ООО «ИЦРМ»

П. В. Галыня
Приложение А (обязательное)
Метрологические характеристики АТКУЭ
Таблица А.1 - Метрологические характеристики
|
Наименование характеристики |
Значение |
|
Номинальные значения напряжения переменного тока С/ном, кВ:
|
бЛ/3 10Л/3 |
|
Наибольшие рабочие напряжения, кВ:
|
7,2 12,0 |
|
Диапазон измерений среднеквадратических значений напряжения переменного тока, В |
ОТ 0,8' Uном ДО 1,2' L/Hom 1) |
|
Пределы допускаемой относительной погрешности измерений среднеквадратических значений напряжения переменного тока в диапазоне от 0,8'//ном до 1,2*С7НОМ для класса точности 0,2 по САПМ.411733.001 ТУ,% |
±0,2 0 |
|
Номинальные значения силы переменного тока /ном, А |
5; 10; 15; 20; 30; 40; 50; 75; 80; 100;150;200; 300;400;500;600; 750 |
|
2) Максимальное значение силы переменного тока /маКс, А |
ОТ 1,0’/Ном ДО 8'7цом |
|
Диапазон измерений среднеквадратических значений силы переменного тока, А |
ОТ 0,01 ’ /Ном ДО /макс |
|
Пределы допускаемых относительных погрешностей измерений среднеквадратических значений силы переменного тока в диапазоне от 0,01 1ном до /макс для класса точности 0,2S по САПМ.411733.001 ТУ,% |
приведены в таблице 4 |
|
Класс точности при измерении активной электрической энергии 3) |
0,5S |
|
Класс точности при измерении реактивной электрической энергии4) |
1,0 |
|
Постоянные АТКУЭ, имп./(кВтч), имп./(кВар ч)5) |
от 200 до 100 000 |
|
Пределы допускаемых относительных погрешностей измерений активной электрической мощности для АТКУЭ класса точности 0,5S по САПМ.411733.001 ТУ, % |
приведены в таблице 5 |
|
Пределы допускаемых относительных погрешностей измерений реактивной электрической мощности для АТКУЭ класса точности 1,0 по САПМ.411733.001 ТУ, % |
приведены в таблице 6 |
|
Пределы допускаемых относительных погрешностей измерений полной электрической мощности для АТКУЭ класса точности 0,5S по САПМ.411733.001 ТУ, % |
приведены в таблице 5 !) |
|
Диапазон измерений частоты переменного тока основной гармоники, Гц |
от 42,5 до 57,5 |
|
Пределы допускаемой абсолютной погрешности измерений частоты переменного тока основной гармоники, Гц |
±0,01 |
|
Диапазоны измерений коэффициента мощности coscp |
от -1 до -0,25; от 0,25 до 1 1) |
|
Пределы допускаемой абсолютной погрешности измерений коэффициента мощности cos(p |
±0,01 0 |
|
Наименование характеристики |
Значение |
|
Пределы допускаемой абсолютной погрешности измерений текущего времени, при отсутствии синхронизации, с/сут |
±1,0 |
|
1} При номинальной частоте 50 Гц.
| |
Таблица А.2 - Пределы допускаемых относительных погрешностей измерений среднеквад-эатических значений силы переменного тока
|
Класс точности |
Значение силы переменного тока, А |
Пределы допускаемых относительных погрешностей измерений среднеквадратических значений силы переменного тока, % |
|
0,2S |
0,01’/ном — 0,05 /ном |
±0,75 |
|
0,05 7Н0М < /< 0,27ном |
±0,35 | |
|
0,2’/Ном — 7 < /ном |
±0,2 | |
|
/ном — / — /макс |
±0,2 |
Таблица А.3 - Пределы допускаемых относительных погрешностей измерений активной электрической энергии прямого и обратного направлений, активной и полной электрической мощности для АТКУЭ класса точности 0,5S по САПМ.411733.001 ТУ
|
Значение силы переменного тока, А |
Коэффициент мощности cosq) |
Пределы допускаемых относительных погрешностей измерений активной электрической энергии прямого и обратного направлений и мощности, % |
|
0,01 ■/„„„< 7 < 0,05 7Н0М |
1,00 |
±1,0 |
|
±0,5 | ||
|
0,05 7Н0м — / — /макс | ||
|
0,02 7н0М < / < 0,107НОм |
0,50 (при индуктивной нагрузке) и 0,80 (при емкостной нагрузке) |
±1,0 |
|
0,107ном < 1 < /макс |
±0,6 | |
|
0,10'Тном — /— /макс |
0,25 (при индуктивной нагрузке) и 0,50 (при емкостной нагрузке) |
±1,0 |
Таблица А.4 - Пределы допускаемых относительных погрешностей измерений реактивной электрической энергии прямого и обратного направлений и реактивной электрической мощности для АТКУЭ класса точности 1,0 по САПМ.411733.001 ТУ
|
Значение силы переменного тока, А |
Коэффициент sincp (при индуктивной или емкостной нагрузке) |
Пределы допускаемых относительных погрешностей измерений реактивной электрической энергии прямого и обратного направлений и мощности, % |
|
0,02 7Н0М — / < 0,05 ■ Лом |
1,00 |
±1,5 |
|
0,05 /цом — / — /макс |
±1,0 | |
|
0,05 /Ном — / < 0,10 /ном |
0,50 |
±1,5 |
|
0,10 /цом — / — /макс |
±1,0 | |
|
0,10 /цом — / — /макс |
0,25 |
±1,5* |
|
* Пределы допускаемой относительной погрешности измерений реактивной электрической мощности ±2.0 %. | ||
Приложение Б
(рекомендуемое)
Форма протокола поверки
Протокол поверки точки автоматизированной коммерческого учета электроэнергии 6(10) кВ АТКУЭ
от «_____»__________________20__г.
-
1 Информация точке автоматизированной коммерческого учета электроэнергии 6(10) кВ АТКУЭ
Модификация:_______________________________________________________________
Серийный номер:______________________________________________________________
Год выпуска:_______________________________________________________________________
Изготовитель:__________________________________________________________________________
-
2 Место и дата проведения поверки
Место проведения поверки:_________________________________________________________
Дата поступления образца:____________________________________________________________
Дата проведения поверки:___
3 Средства измерения и испытательное оборудование для поверки
|
№ |
Наименование средства измерений или испытательного оборудования |
Заводской номер |
Класс точности |
Номер свидетельства о поверке/аттестата, срок действия |
|
1 | ||||
|
2 | ||||
|
3 | ||||
|
4 | ||||
|
5 | ||||
|
• • • |
4 Условия поверки
Температура окружающей среды:__
Относительная влажность воздуха:_________________________________________________
Атмосферное давление:__
5 Результаты поверки
годен/не годен
годен/не годен
годен/не годен
годен/не годен
годен/не годен
-
5.1 Внешний осмотр средства измерений
-
5.2 Опробование
-
5.3 Проверка порога чувствительности
-
5.4 Проверка отсутствия самохода
-
5.5 Проверка программного обеспечения средства измерений
5.6 Результаты определения относительной погрешности измерений активной электрической энергии
|
№ |
Заданное значение силы переменного тока |
COS(p |
Полученные значения относительных погрешностей измерений активной электрической энергии |
Пределы допускаемых относительных погрешностей измерений активной электрической энергии, 8WP, % | ||
|
SWpa, % |
SWpb, % |
8Wpc, % | ||||
|
1 |
0,01/„„м |
1 |
±1,0 | |||
|
2 |
0,05 /Ном |
1 |
±0,5 | |||
|
3 |
/ном |
1 |
±0,5 | |||
|
4 |
/макс |
1 |
±0,5 | |||
|
5 |
0,02 /ном |
0,5 инд. |
±1,0 | |||
|
6 |
о,ю/„„м |
0,5 инд. |
±0,6 | |||
|
7 |
/ном |
0,5 инд. |
±0,6 | |||
|
8 |
/макс |
0,5 инд. |
±0,6 | |||
|
9 |
0,02 /Ном |
0,8 емк. |
±1,0 | |||
|
10 |
0,107„ом |
0,8 емк. |
±0,6 | |||
|
11 |
/ном |
0,8 емк. |
±0,6 | |||
|
12 |
/макс |
0,8 емк. |
±0,6 | |||
|
13 |
о,ю/и„„ |
0,25 инд. |
±1,0 | |||
|
14 |
/ном |
0,25 инд. |
±1,0 | |||
|
15 |
/макс |
0,25 инд. |
±1,0 | |||
|
16 |
0,107„ом |
0,5 емк. |
±1,0 | |||
|
17 |
/ном |
0,5 емк. |
±1,0 | |||
|
18 |
/макс |
0,5 емк. |
±1,0 | |||
|
19 |
0,01 /ном |
-1 |
±1,0 | |||
|
20 |
0,05 7Н0М |
-1 |
±0,5 | |||
|
21 |
/ном |
-1 |
±0,5 | |||
|
22 |
/макс |
-1 |
±0,5 | |||
|
23 |
0,027„0М |
-0,5 инд. |
±1,0 | |||
|
24 |
0,10/ном |
-0,5 инд. |
±0,6 | |||
|
25 |
/ном |
-0,5 инд. |
±0,6 | |||
|
26 |
/макс |
-0,5 инд. |
±0,6 | |||
|
27 |
0,02 7Н0М |
-0,8 емк. |
±1,0 | |||
|
28 |
0,107„ом |
-0,8 емк. |
±0,6 | |||
|
29 |
/ном |
-0,8 емк. |
±0,6 | |||
|
30 |
/макс |
-0,8 емк. |
±0,6 | |||
|
31 |
0,107ном |
-0,25 инд. |
±1,0 | |||
|
32 |
/ном |
-0,25 инд. |
±1,0 | |||
|
33 |
/макс |
-0,25 инд. |
±1,0 | |||
|
34 |
0,10/ном |
-0,5 емк. |
• |
±1,0 | ||
|
35 |
/ном |
-0,5 емк. |
±1,0 | |||
|
36 |
/макс |
-0,5 емк. |
±1,0 | |||
Вывод: годен/не годен
5.7 Результаты определения относительной погрешности измерений реактивной электрической энергии
|
№ |
Заданное значение силы переменного тока |
sincp |
Полученные значения относительных погрешностей измерений реактивной электрической энергии |
Пределы допускаемых относительных погрешностей измерений реактивной электрической энергии, 3Wq, % | ||
|
3W0A, % |
6WQB, % |
8W0C, % | ||||
|
1 |
0,02-/„ом |
1 |
±1,5 | |||
|
2 |
0,057„0М |
1 |
±1,0 | |||
|
3 |
/jiOM |
1 |
±1,0 | |||
|
4 |
/макс |
1 |
±1,0 | |||
|
5 |
0,05/ном |
0,5 инд. |
±1,5 | |||
|
6 |
о,ю/„„м |
0,5 инд. |
±1,0 | |||
|
7 |
/ном |
0,5 инд. |
±1,0 | |||
|
8 |
/макс |
0,5 инд. |
±1,0 | |||
|
9 |
0,05 /ном |
0,5 емк. |
±1,5 | |||
|
10 |
0,10 /ном |
0,5 емк. |
±1,0 | |||
|
11 |
/ном |
0,5 емк. |
±1,0 | |||
|
12 |
/макс |
0,5 емк. |
±1,0 | |||
|
13 |
0,107„ом |
0,25 инд. |
±1,5 | |||
|
14 |
/ном |
0,25 инд. |
±1,5 | |||
|
15 |
/макс |
0,25 инд. |
±1,5 | |||
|
16 |
0,10 /Ном |
0,25 емк. |
±1,5 | |||
|
17 |
/ном |
0,25 емк. |
±1,5 | |||
|
18 |
/макс |
0,25 емк. |
±1,5 | |||
|
19 |
0,027ном |
-1 |
±1,5 | |||
|
20 |
0,05 7Н0М |
-1 |
±1,0 | |||
|
21 |
/ном |
-1 |
±1,0 | |||
|
22 |
/макс |
-1 |
±1,0 | |||
|
23 |
0,05 7н0м |
-0,5 инд. |
±1,5 | |||
|
24 |
0,107ном |
-0,5 инд. |
±1,0 | |||
|
25 |
/ном |
-0,5 инд. |
±1,0 | |||
|
26 |
/макс |
-0,5 инд. |
±1,0 | |||
|
27 |
0,05/ном |
-0,5 емк. |
±1,5 | |||
|
28 |
0,107ном |
-0,5 емк. |
±1,0 | |||
|
29 |
/ном |
-0,5 емк. |
±1,0 | |||
|
30 |
/макс |
-0,5 емк. |
±1,0 | |||
|
31 |
0,107„ом |
-0,25 инд. |
±1,5 | |||
|
32 |
/ном |
-0,25 инд. |
±1,5 | |||
|
33 |
/макс |
-0,25 инд. |
±1,5 | |||
|
34 |
0,10 /ном |
-0,25 емк. |
±1,5 | |||
|
35 |
/ном |
-0,25 емк. |
±1,5 | |||
|
36 |
/макс |
-0,25 емк. |
±1,5 | |||
Вывод: годен/не годен
5.8 Результаты определения относительной погрешности измерений среднеквадратических значений силы переменного тока
|
Эталонное значение силы переменного тока, А |
Измеренное значение силы переменного тока, А |
Полученные значения относительных погрешностей измерений среднеквадратических значений силы переменного тока |
Пределы допускаемых относительных погрешностей измерений среднеквадратических значений силы переменного тока, Зь % | ||
|
8ia, % |
Sib, % |
Sib, % | |||
Вывод: годен/не годен
5.9 Результаты определения относительной погрешности измерений среднеквадратиче
ских значений напряжения переменного тока
|
Эталонное значение напряжения переменного тока, В |
Измеренное значение напряжения переменного тока, В |
Полученные значения относительных погрешностей измерений среднеквадратических значений напряжения переменного тока |
Пределы допускаемой относительной погрешности измерений среднеквадратических значений напряжения переменного тока, 8и, % | ||
|
SuA, % |
Sub, % |
Sue, % | |||
|
±0,2 | |||||
Вывод: годен/не годен
5.10 Результаты определения абсолютной погрешности измерений частоты переменного тока
|
№ |
Эталонное значение частоты переменного тока, Гц |
Измеренное значение частоты переменного тока, Гц |
Полученные значения абсолютных погрешностей измерений частоты переменного тока основной гармоники |
Пределы допускаемой абсолютной погрешности измерений частоты переменного тока основной гармоники, Af, Гц |
|
Af, Гц | ||||
|
1 |
42,5 | |||
|
2 |
50,0 | |||
|
3 |
57,5 |
Вывод: годен/не годен
5.11 Результаты определения относительной погрешности измерений активной электрической мощности
|
№ |
Заданное значение силы переменного тока |
coscp |
Полученные значения относительных погрешностей измерений активной электрической мощности |
Пределы допускаемых относительных погрешностей измерений актив-ной электрической мощности, 5Р, % | ||
|
6Ра, % |
6Рв, % |
5Рс, % | ||||
|
1 |
0,01 7Н„„ |
1 |
±1,0 | |||
|
2 |
0,05/Ном |
1 |
±0,5 | |||
|
3 |
Дом |
1 |
±0,5 | |||
|
4 |
Дакс |
1 |
±0,5 | |||
|
5 |
0,02/ном |
0,5 инд. |
±1,0 | |||
|
6 |
0,107ном |
0,5 инд. |
±0,6 | |||
|
7 |
Дом |
0,5 инд. |
±0,6 | |||
|
8 |
Дакс |
0,5 инд. |
±0,6 | |||
|
9 |
0,02 |
0,8 емк. |
±1,0 | |||
|
10 |
0,10/„о„ |
0,8 емк. |
±0,6 | |||
|
11 |
/ном |
0,8 емк. |
±0,6 | |||
|
12 |
Дакс |
0,8 емк. |
±0,6 | |||
|
13 |
0,107ном |
0,25 инд. |
±1,0 | |||
|
14 |
Дом |
0,25 инд. |
±1,0 | |||
|
15 |
Дакс |
0,25 инд. |
±1,0 | |||
|
16 |
0,10/ном |
0,5 емк. |
±1,0 | |||
|
17 |
Дом |
0,5 емк. |
±1,0 | |||
|
18 |
Дакс |
0,5 емк. |
±1,0 | |||
Вывод: годен/не годен
5.12 Результаты определения относительной погрешности измерений реактивной электрической мощности
|
№ |
Заданное значение силы переменного тока |
sin(p |
Полученные значения относительных погрешностей измерений реактивной электрической мощности |
Пределы допускаемых относительных погрешностей измерений реактив-ной электрической мощности, 6Q, % | ||
|
8Qa, % |
3QB, % |
8Qc,% | ||||
|
1 |
0,02 7н0м |
1 |
±1,5 | |||
|
2 |
0,05 7ноМ ,н |
1 |
±1,0 | |||
|
3 |
Дом |
1 |
±1,0 | |||
|
4 |
/макс |
1 |
±1,0 | |||
|
5 |
0,05 7н0м |
0,5 инд |
±1,5 | |||
|
6 |
о,ю/„„м |
0,5 инд |
±1,0 | |||
|
7 |
Дом |
0,5 инд |
±1,0 | |||
|
8 |
/макс |
0,5 инд |
±1,0 | |||
|
9 |
0,05 7н0м |
0,5 емк |
±1,5 | |||
|
10 |
0,107ном |
0,5 емк |
±1,0 | |||
|
11 |
Дом |
0,5 емк |
±1,0 | |||
|
12 |
/макс |
0,5 емк |
±1,0 | |||
|
13 |
0,107„„м |
0,25 инд |
±2,0 | |||
|
14 |
/ном |
0,25 инд |
±2,0 | |||
|
№ |
Заданное значение силы переменного тока |
sincp |
Полученные значения относительных погрешностей измерений реактивной электрической мощности |
Пределы допускаемых относительных погрешностей измерений реактив-ной электрической мощности, 6Q, % | ||
|
5Qa, % |
6Qb, % |
8Qc, % | ||||
|
15 |
/макс |
0,25 инд |
±2,0 | |||
|
16 |
0,10/Ном |
0,25 емк |
±2,0 | |||
|
17 |
Лом |
0,25 емк |
±2,0 | |||
|
18 |
Лакс |
0,25 емк |
±2,0 | |||
Вывод: годен/не годен
5.13 Результаты определения относительной погрешности измерений полной электрической мощности
|
№ |
Заданное значение силы переменного тока |
coscp |
Полученные значения относительных погрешностей измерений полной электрической мощности |
Пределы допускаемых относительных погрешностей измерений полной электрической мощности, 5S, % | ||
|
6SA, % |
5SB, % |
5Sc, % | ||||
|
1 |
0,01 /ном |
1 |
±1,0 | |||
|
2 |
0,05 Лом |
1 |
±0,5 | |||
|
3 |
Лом |
1 |
±0,5 | |||
|
4 |
Л|ЭКС |
1 |
±0,5 | |||
|
5 |
0,02/„ом |
0,5 инд. |
±1,0 | |||
|
6 |
0,ю/„ом |
0,5 инд. |
±0,6 | |||
|
7 |
Лом |
0,5 инд. |
±0,6 | |||
|
8 |
Лакс |
0,5 инд. |
±0,6 | |||
|
9 |
0,027„ОМ |
0,8 емк. |
±1,0 | |||
|
10 |
0,10/„ом |
0,8 емк. |
±0,6 | |||
|
11 |
Лом |
0,8 емк. |
±0,6 | |||
|
12 |
Лакс |
0,8 емк. |
±0,6 | |||
|
13 |
0,10/„ом |
0,25 инд. |
±1,0 | |||
|
14 |
Лом |
0,25 инд. |
±1,0 | |||
|
15 |
Лакс |
0,25 инд. |
±1,0 | |||
|
16 |
0,10 Лом |
0,5 емк. |
±1,0 | |||
|
17 |
Лом |
0,5 емк. |
±1,0 | |||
|
18 |
Лакс |
0,5 емк. |
±1,0 | |||
Вывод: годен/не годен
5.14 Результаты определения абсолютной погрешности измерений коэффициента мощности COS(p
|
№ |
Заданное значение коэффициента мощности, coscp |
Полученные значения абсолютных погрешностей измерений коэффициента мощности cos(p, Acos(p |
Пределы допускаемой абсолютной погрешности измерений коэффициента МОЩНОСТИ COS(p, Acostp |
|
1 |
0,25 инд. |
|
№ |
Заданное значение коэффициента мощности, COS(p |
Полученные значения абсолютных погрешностей измерений коэффициента мощности cos<p, Acos(p |
Пределы допускаемой абсолютной погрешности измерений коэффициента мощности cos(p, Acoscp |
|
2 |
0,25 емк. | ||
|
3 |
0,5 инд. | ||
|
4 |
0,5 емк. | ||
|
5 |
0,8 инд. | ||
|
6 |
0,8 емк. | ||
|
7 |
1 | ||
|
8 |
-0,25 инд. | ||
|
9 |
-0,25 емк. | ||
|
10 |
-0,5 инд. | ||
|
11 |
-0,5 емк. | ||
|
12 |
-0,8 инд. | ||
|
13 |
-0,8 емк. | ||
|
14 |
-1 |
Вывод: годен/не годен
|
Полученное значение абсолютной погрешности измерений текущего времени, At, с/сут |
Пределы допускаемой абсолютной погрешности измерений текущего времени, при отсутствии синхронизации, At, с/сут |
Вывод: годен/не годен
Заключение:
По результатам поверки АТКУЭ подтверждает соответствие метрологическим требованиям /не подтверждает соответствие метрологическим требованиям.
34
