Инструкция «Измеритель вакуума электрозарядный ИВЗ-1/7-005» (ПАИМЗ.472.006 И1)


ИВЗ-1/7-005
УТВЕРЖДАЮ
ГЛАВНЫЙ МЕТРОЛОГ ЗАВОДА
ИЗМЕРИТЕЛЬ ВАКУУМА ЭЛЕКТРОРАЗРЯДНЫИ
ИНСТРУКЦИЯ ПО ПОВЕРКЕ
ПАИМЗ.472.006 И1
СОГЛАСОВАНО
Г. В. БЕЛЯНИН
1990 Г
ГЛАВНЫЙ WKEHEF ОКЕМ ПРИ
ТОКАМАК
В. Н. СКАКУН
1990 Г
ГЛАВНЫЙ КОНСТРУКТОР ОКР
М.ЯХИН
-1S9O Г
====ss==азаясиг ■ вспа с==
I ПАИМЗ.472.006
------j--
В ДИАПА-
В АВТОМА-

ПАИМЗ.472.006 И1
IH3MI.WCTIN ДСХУП.1ПОДП.1ДАТА1
I I I I I I I I I I I I I I I I I
НАСТОЯвАЯ ИНСТРУКЦИЯ РАСПРОСТРАНЯЕТСЯ НА ИЗМЕРИТЕЛЬ
ВАКХУМА
ЭЛЕКТРОРАЗРЯДНЬВТ, ПРЕДНАЗНАЧЕННЫЙ ДЛЯ ИЗМЕРЕНИЯ ДАВЛЕНИЯ -Г -?
ЗОНЕ ОТ 240 ДО 1*10 ПА ПО АНАЛОГОВОМУ ВЫХОДУ 0...10 в
ТИЗИРОВАНННХ ВАКУУМНЫХ СИСТЕМАХ И УСТАНАВЛИВАЕТ МЕТОДЫ И СРЕДСТВА ЕГО ПЕРВИЧНОЙ, х ПЕРИОДИЧЕСКИХ^ПОВЁРОК. ИНСТРУКЦИЯ РАСПРОСТРАПЯЕТ-
СЯ НА СРЕДСТВА ИЗМЕРЕНИЙ, ИЗГОТОВЛЕННЫЕ ПО ПАИМЗ.472.006 ТУ
ПЕРИОДИЧНОСТЬ ПОВЕРКИ ИЗМЕРИТЕЛЯ 1 РАЗ В ГОД.
< I РАЗРАБ. IMuu/ун а I ПРОВ. 1КуЗ|>киН 1Нлч еек. 1 к^реб IH. КОНТР. 13 WX/ЛМ I УТБ. 1 —
{ -5У»УХ

'4^1
I
ИЗМЕРИТЕЛЬ ВАКУУМА ЭЛЕКТРОРАЗРЯДНЫЙ
ИВЗ-1/7-005
ИНСТРУКЦИЯ ПО ПОВЕРКЕ I I
:========Е=ПИМ®Е22= J Г ЛИТ.1 ЛИСТ ГЛИСТОВ!

I I
г=====i;= saaszsaaKs а» гзжпспавзха====хх== J
I I

I
ВАИМЗ.472.006 И1
1ЛИСТТ I—I I 3 I
1ИЗМ1ЛИСТ1Н ДОКУН.1П0ДП.1ДАТА1
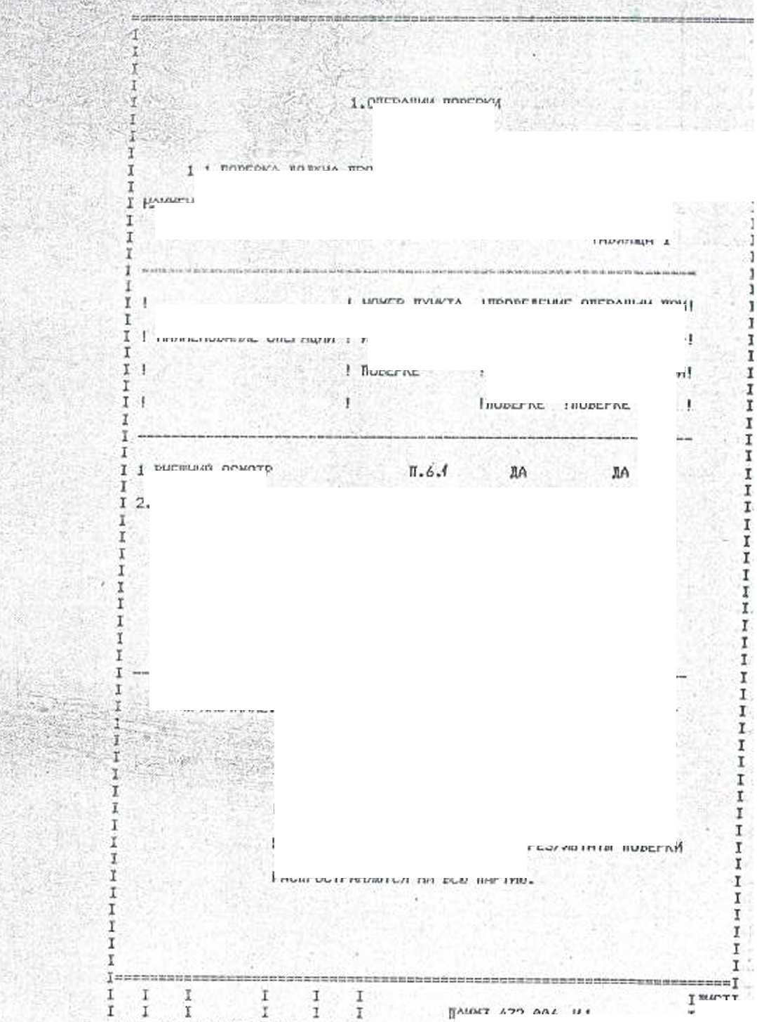
1. ОПЕРАЦИИ ПОВЕРКИ
1.1. ПОВЕРКА ДОЛУЯА ПРОВОДИТЬСЯ В СООТВЕТСТВИИ С ПЕРЕЧНЕМ
НАИМЕНОВАНИЙ ОПЕРАЦИЙ, ПРИВЕДЕННЫХ В ТАБЛЛ.
ТАБЛИЦА 1
I НАИМЕНОВАНИЕ ОПЕРАЦИИ !
1.ВНЕВНИЙ ОСМОТР
2.ОПРЕДЕЛЕНИЕ ОСНОВНОЙ
ОТНОСИТЕЛЬНОЙ ПОГРЕШ
НОСТИ ИЗМЕРЕНИЯ ДАВЛЕ
НИЯ
НОМЕР ПУНКТА !ПРОВЕДЕНИЕ ОПЕРАЦИИ ПРИ I
ИНСТРУКЦИИ ПО !
ПОВЕРКЕ
П.6.2
• ПЕРВИЧНОЙ! ПЕРИОДИЧЕСКОЙ!
I ПОВЕРКЕ .'ПОВЕРКЕ
ДА»
ДА
мПРИМЕЧАИИЕ.В СООТВЕТСТВИИ С ГОСТ 0.513-84 ДОПУСКАЕТСЯ ОСУ-
ЩЕСТВЛЯсТЬ ВЫБОРОЧНУЮ ПЕРЕИЧНУЙ ПОВЕРКУ ИЗМЕРИ
ТЕЛЕЙ. ОБ'ЕМ ВЫБОРКИ ПО ГОСТ 10242-72:УРОВЕНЬ
КОНТРОЛЯ S-4, НОРМАЛЬНЫЙ РИД КОНТРОЛЯ, ПРИЕМОЧ
НЫЙ УРОВЕНЬ ДЕФЕКТНОСТИ 2,5Х. РЕЗУЛЬТАТЫ ПОВЕРКИ
РАСПРОСТРАНЯЕТСЯ НА ВСЯ ПАРТИИ.
ппсг~
тег:
I
I
I
I
I
I
I
I
I
I
I
I
I
I
I
I
I
I
I
I
I
I
I
I
I
I
I
I
I
I
I
I
I
I
I
I
I
I
I
I
I
I
I
I
I
1
I
I
I
I
I Г~
ill ill
III ill
1ИЗИ1ЛГТ1Н ДЭКУМ.1П0ДП.1ДАТА1
2.СРЕДСТВА ПОВЕРКИ
2.1.ПРИ ПРОВЕДЕНИИ ПОВЕРКИ ДОЛ1НЫ БЫТЬ ПРИМЕНЕНЫ СРЕДСТВА
ПОВЕРКИ, УКАЗАНИЕ В ТАБЛ.2
ТАБЛИЦА 2
НОМЕР ПУНКТА !НАИМЕНОВАНИЕ ОСНОВНОГО СРЕДСТВА ИЗМЕРЕНИЯ ИЛИ
НТД ПО ПОВЕР-!ВСПОМОГАТЕЛЬНОГО СРЕДСТВА ПОВЕРКИ;НОМЕР ДОКХМЕНТА,
КЕ
!РЕГЛАМЕНГИР^ЩЕГ0ТЕХН4ЧЕСЮЕ ТРЕБОВАНИЯ К СРЕД-
’СТВУ, РАЗРЯД ПО ГОСУДАРСТВЕННОЙ ПОВЕРОЧНОЙ СХЕМЕ
1ИЛИ ОСНОВНЫЕ ТЕХНИЧЕСКИЕ ХАРАКТЕРИСТИКИ
П.6.2
П.6.2
П.6.2
П.6.2
П.6.2,5.3
ВАКУУММЕТР ИОНИЗАЦИОННЫЙ ОБРАЗЦОВЫЙ ВИО-1
OTH3.475.0O3 ТУ. ОСНОВНАЯ ОТНОСИТЕЛЬНАЯ ПОГРЕШНОСТЬ
ИЗМЕРЕНИЯ ДАВЛЕНИЯ IE БОЛЕЕ +-10Z В
ОТ 1-ю'7до
-9
БОЛЕЕ 30Х В ДИАПАЗОНЕ ОТ 7-10 ДО
ДИАПАЗОНЕ
-1
1-10 ПА; НЕ
Pl©"7 ПА.
ИСТОЧНИК ПИТАНИЯ ПОСТОЯННОГО ТОКА Б5-45 3.233.219ТУ
АМПЕРМЕТР М2018 ТУ25-04-3109-78
КОМБИНИРОВАННЫЙ ПРИБОР «300 ТУ 25-04-3717-79
Г» Ж* hit' NAT-3f?MVU-5X 010.467,100 ТУ
ТЕЧЕИСКАТЕЛЬ 1ТТИ-10 ЕХ2.832.015 ТУ. МИНИМАЛЬНЫЙ -Л? г
РЕГИСТРИРУЕМЫЙ ПОТОК 7’10 М • ПА/С.
Г==ЕЕМВ=:
ПАЯМЗ.472.006 Ц1
4 i ] ] ]
1 ] I
I I
I
I I I I I I I I I I I I I I I I I I I I I I I I I I I I I : I I I I I I I I 1ЛИСТ1 —I 4 I
sgnrTeagss: in—«юивспаадшка шимтв=а=а:ззажаш—за—жве9вТ
aQEE=5ZS3rS3X
i
i
i
i
i
i
i
i
i
i
i
i
i
i
i
i
i
i
i
i
i
i
i
i
i
i
i
i
i
i
i
i
i
i
i
i
i
i
i
i
i
i
i
i
i
i
i
i
i
i
i
i
i
i
i
i
i i i
НЫ
DPtfSHAI ME. ДОПУСКАЕТСЯ ПРИМЕНЯТЬ ДРУГОЕ СТАНДАРТНОЕ ОБОРУ-
Д0ВА1МЕ И СРЕДСТВА ИЗМЕРЕНИЯ ВМЕСТО УКАЗАННЫХ
В ПЕРЕЧНЕ, ОБЕСПЕЧИВАЮЩИЕ ИСПЫТАНИЕ, ПРОВЕРКУ И
ИЗМЕРЕНИЕ С ТРЕБУЕМОЙ ТОЧНОСТЬЮ.
2.2.ВСЕ СРЕДСТВА ЮСТРТМЯ, ПРИМЕНЯЕМЫЕ ПРИ ПРОВЕРКЕ, ДОЛ1-
БУТЬ АТТЕСТОВАНЫ ОРГАНАМИ ГОССТАНДАРТА И.ЧИ ВЕДОМСТВЕННОЙ МЕТРО-
ЛОГИЧЕСКОЙ СЛУХБОЙ; ОБРАЗЦОВЫЕ СРЕДСТВА - ТОЛЬКО ОРГАНАМИ
ГОССТАНДАРТА
J ] J ] ] ] I I I I I I I I I I I I I I I I 1 I I I I I I I I I I I I Я*ЖЖЖВВ±Е=ЗХП1 IЛИСТГ I—I I 5 I
I Т
'=3.
гс:
1И31ЯЛИСТ1Ы ДОКУМ.1ПОДП.1ДАТА1
I==S13
с=ппг
Utts»
ПАИМ3.472.0Э6
in
I
«I
1 I I I I I I I
3. ТРЕБОВАНИЯ БЕЗОПАСНОСТИ
I 3.1.ПРИ ПРОВЕДЕНИИ ПРОВЕРКИ ДОЛЖНЫ БЫТЬ СОБЛЮДЕНЫ СЛЕДУЮ-
I
I ЩИЕ ТРЕБОВАНИЯ БЕЗОПАСНОСТИ;
’ I
I 3.1.1.ЗАПРЕЩАЕТСЯ ПРИ ПРОВЕДЕНИИ ПОВЕРКИ ОТКЛЮЧАТЬ КАБЕЛЬ ОТ
I
1 ИЗМЕРИТЕЛЯ ИЛИ ОТ ИСТОЧНИКА ПИТАНИЯ И СНИМАТЬ КРЫШКУ БЛОКА ЗЛЕК-
1
I ТР0РАЗРЯДН0Г0 КАНАЛА. ИСТ ОЧ! МКОМ ОПАСНОСТИ В ИЗМЕРИТЕЛЕ ЯВЛЯЕТСЯ
I
I ВЫСОКОВОЛЬТНОЕ НАПРЯЖЕНИЕ 3.5 КВ.
I
I 3.1.2.ОСМОТР ИЗМЕРИТЕЛЯ ПРОИЗВОДИТЬ ПРИ ОТКЛОНЕННОМ ПИТАНИИ.
I 3.1.3. ПРИ ПРОВЕДЕНИИ ПОВЕРКИ ИЗМЕРИТЕЛЯ СЛЕДУЕТ РУКОВОДСТВО-
I ВАТЬСЯ РАЗДЕЛОМ “К' “ПРАВИЛ ТЕХНИКИ БЕЗОПАСНОСТИ И ПРОИЗВОДСТВЕН-
I 4.1.ПРИ ПРОВЕДЕНИИ ПОВЕРКИ НЕОБХОДИМО СОБЛЮДАТЬ СЛЕДУЮЩИЕ
I ТЕМПЕРАТУРА ОКРУЖАЮЩЕГО ВОЗДУХА (20+-S) С;
I АТМОСФЕРНОЕ ДАВЛЕНИЕ ОТ 84 ДО 106,7 КПА»
I ОТНОСИТЕЛЬНАЯ ВЛАЖНОСТЬ ВОЗДУХА ДО 80Z?

ПАИМЗ.472.006 И1
1ЛИСТ1
1—I
I 6 т

ine
гж
5.1. ПЕРЕД ПРОВЕДЕНИЕМ
ИВЭ-1/7-005, ИЗМЕРИТЕЛЬНЫЕ
РАБОТЕ В СООТВЕГСТЕ-Л1 С ИХ
МИ ПО ЭКСПЛУАТАЦИИ
-а

лиг:
I
5.ПОДГОТОВКА К ПОВЕРКЕ
I I 1 I I I I I I I I I I I I I I } I 1
ПОВЕРКИ ПОВЕРЯЕМЫЙ ИЗМЕРИТЕЛЬ
ПРИБОРЫ И УСТАНОВКУ.ПОДГОТАВЛИВАЮТ К
ТЕХНИЧЕСКИМИ ОПИСАНИЯМИ И ИНСТРУКЦИЯ
5.2.ПОВЕРКУ ПРОИЗВОДЯТ НА ВАКУУМНОЙ УСТАНОВКЕ, ПОЗВОЛЯЮЩЕЙ
ПОЛУЧАТЬ И ПЛАВНО РЕГУЛИРОВАТЬ ДАВЛЕИС ВОЗДУХА ИЛИ АЗОТА В ДИАПА-f _а
ЗОНЕ ОТ V10 ДО 1 ПА.
3.ГЕРМЕТИЧНОСТЬ МЕСТ ПРИСОЕДИНЕНИЯ ПРЕОБРАЗОВАТЕЛЕЙ ПРОВЕ
РЯЕТСЯ ТЕЧЕИСКАТЕЛЕМ 1ГГИ-10
1ЛИСТ1
I—I
7 1
14 I #
ПАИМЗ.472.006 И1
1ИЗМ1ЛИСТ1М
Jssss J—
I ИНЬ « ПОДЛ I 1?ОДП И ДАТА I ВЗАМ ИПП N Г ИНВ N ДУЕЛ I ПОДИ И ДАТА I scr- ' S --Т "Е-Гг-=с=жг;иЛ»МВСЖ31К!:5£В<1Ж1жгпа1ЯЗВШ
I I 1 I I I I I I I I I
6.1.ВНЕШНИЙ ОСМОТР
6.ПРОВЕДЕНИЕ ПОВЕРКИ
I 6.1.1. ПРИ ПРОВЕДЕНИИ ВНЕШНЕГО ОСМОТРА ДОЛЖНО БИТЬ УСТАНОВЛЕ-
I
I НО СООТВЕТСТВИЕ ПОВЕРЯЕМОГО ИЗМЕРИТЕЛЯ СЛЕДУЮЩИМ ТРЕБОВАНИЯМ;
I
I НАРУЖНЫЕ ПОВЕРХНОСТИ КРЫШКИ И КОРПУСА ИЗМЕРИТЕЛЯ НЕ ДОЛЯМ
I
I ИМЕТЬ КОРОБЛЕНИЙ, ВМЯТИН ПРОГИБОВ.
1
I НА ИЗМСГИТЕЛЬ ДОЛЖЕН БЫТЬ НАНЕСЕН ТОВАРНЫЙ ЗНАК ЗАВОДА -
I
I ИЗГОТОВИТЕЛЯ, УСЛОВНОЕ ОБОЗНАЧЕНА ИЗМЕРИТЕЛЯ, ЗАВОДСКОЙ ПОГ’ЯДКО-
I
I ВИЙ НОМЕР И ГОД ВЫПУСКА.
I
I
I
I 6.2.ОПРЕДЕЛЕНИЕ МЕТРОЛОГИЧЕСКИХ ХАРАКТЕРИСТИК
I 6.2.1.ОПРЕДЕЛЕНИЕ ОСНОВНОЙ ОТНОСИТЕЛЬНОЙ ПОГРЕШНОСТИ ИЗМЕРЕ-
I
1 ШЯ ДАВЛЕНИЯ ПРОИЗВОДЯТ НА ВАКУУМНОЙ УСТАНОВКЕ, ОБЕСПЕЧИВАВШЕЙ
1 -8
I ПОЛУЧЕНИЕ И ПЛАЫО'Ю РЕГУЛИРОВКУ ДАВЛЕНИЯ В ДИАПАЗОНЕ ОТ 6*10 ° ф
1 гjs't?.'nOOunod Hl/U/0’89
I ДО 1 ПОСЛЕДУЮЩИМ ОБРАЗОМ:
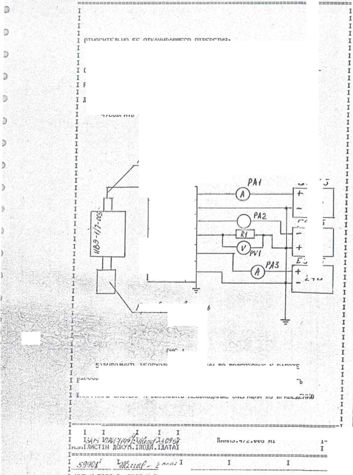
I 1)ПРИСОЕДИНИТЬ ВАКУУМНОПЛОТНО ПОВЕРЯЕМЫЙ ИЗМЕРИТЕЛЬ К
I ВАКУУМНОЙ УСТАНОВКЕ (СХЕМУ УСТАНОВКИ СМ.ПРИЛОЖЕНИЕ 1 МИ 140-89),
I ОБЕСПЕЧИВАЮЩЕЙ ПОЛУЧЕНИЕ ОСТАТОЧНОГО ДАВЛЕНИЯ 6-10 л И РЕГУЛИРОВА-
I Ю£ ДАВЛЕНИЙ В ПРЕДЕЛАХ ДИАПАЗОНА ИЗМЕРЕНИЙ ПОВЕРЯЕМОГО ИЗМЕРИТЕ-
I ЛЯ. ПРОВЕРИТЬ ГЕРМЕТИЧНОСТЬ СОЕДИНЕНИЯ;
I 2)ПРЕОБРАЗОВАТЕЛИ ОБРАЗЦОВОГО ВАКУУММЕТРА И ПОВЕРЯЕМОГО
I ИЗМЕРИТЕЛЯ ДОЛЖНЫ БЫТЬ РАСПОЛОЖЕНЫ НА КАМЕРЕ СИММЕТРИЧНО
I --

Iy I
ПАИМЗ.472.006 И1
1ЛИСТ1 I—I
I 8 I
I 3 У,Ari inMMwtffaafkMgi. 1ИЗМ1ЯИСТ1Ы ДОКУМ.1 ПОДИ. IДАТА!
=1

/5А
246

г-ис.1
I =i.'XU5l M,4gJ
I 1 U J 1ИЗМ1
__
ОТНОСИТЕЛЬНО ЕЕ ОТКАЧИВАаЯЦЕГО ОТВЕРСТИЯ;
3>ГСТАН0ЬЛЕПНЫЕ ISA КАМЕРЕ ПРЕОБРАЗОВАТЕЛИ ДОЛЯМ БЫТЬ
ОТДАЛЕНЫ ДРУГ ОТ ДРУГА НАСТОЛЬКО, ЧТОБЫ СОЗДАВАЕМЫЕ В НИХ ЭЛЕКТ
РИЧЕСКИЕ И МАГНИТНЫЕ ПОЛЯ НС ВОЗДЕЙСТВОВАЛИ ЗАМЕТНО ДРУГ ПА
ДРУГА
4>СОВРАТЬ СХЕМУ РИС.1;
СХСМА ПОВЕРКИ ИЗМЕРИТЕЛЯ ПО П.6.2
+ Л7> |
f |
2. | |
-75X |
3 |
с.-юе, | |
4-24 R | |
-2Ч& |
7 |
£5-45
55-45-
S''».’
5>ВЫПОЛНИТЬ НЕОБХОДИМЫЕ ОПЕРАЦИИ ПО ПОДГОТОВКЕ К РАБОТЕ
ВАКУУМНОЙ УСТАНОКИ И ОБРАЗЦОКМ’О СРЕДСТВА ИЗМЕРЕНИЯ. ОТКАЧАТЬ
ВАКУУМНУЮ СИСТЕМУ И ВИПОЖМТЬ НЕОБХОДИМЫЕ ОПЕРАЦИИ ПО ПРИВЕДЕНИЮ
ПАИМЗ.472.006 И1
==i
IЛИСТI ---!
9 I ==I I ----1 I И1® H ПОДЛ I ПОДП И ДАТА I EGAM ИНВ N I ИНВ N ДУПЛ I ПОДП И ДАТА I
1ХНЯПЗЗСИив.ввИП1И|11Д1
I ОБРАЗЦОВОГО СРЕДСТВА ИЗМЕРЕНИЯ В РАБОЧЕЕ СОСТОЯНИЕ.
1 -/I 6) ПРИ ДАВЛЕНИИ В СИСТЕМЕ НИЖЕ 1'10 ПА ВКЛОМИТЬ ИЗМЕРИТЕ*
I
I ПУТЕМ ПОДАЧИ НАПРЯЖЕНИЙ ПИТА)3<Я В ПОСЛЕДОВАТЕЛЬНОСТИ МИНУС 15В,
I
I +15В.+24В. (ВЫКХЬЧЕШЕ ПРОИЗВОДЯТ В ОБРАТНОЙ ПОСЛЕДОВАТЕЛЬНОСТИ);
I
I 7)0ТКАЧАТЬ ИЗМЕРИТЕЛНУЮ КАМЕРУ ВАКУУМНОЙ УСТАНОВКИ ДО
1 -ЛI ПРОДЕЛЬНОГО ОСТАТОЧНОГО ДАВЛЕНИЯ 6-10 ° ПА. ПРОГРЕТЬ ИЗМЕРИТЕЛЬ
I
1 В ТЕЧЕНИЕ 15 НИН;
I
I 8)С ПОМОЩЬЮ НАТЕКА!ЕЛЯ ОСУЩЕСТВИТЬ РЕГУЛИРУЕМУЮ ПОДАЧУ ГАЗА
1 -7I В ИЗМЕРИТЕЛЬНУЮ КАМЕРУ. В ДИАПАЗОНЕ ДАВЛЕНИЙ 2-10 ...1 ПЛ ДИС-
I
I КГЕТНО УСТАНАВЛИВАТЬ ПРОВЕРОЧНЫЕ (ГРАДУИРОВОЧНЫЕ)ТОЧКИ, РАСПОЛА-
I
I ГАЯ ИХ В ПОРЯДКЕ ВОЗРАСТАНИЯ ДАВЛЕНИЙ С ИНТЕНСИВНОСТЬЮ НЕ МЕНЕЕ
I
1 ТРЕХ ТОЧСК НА КАЖДОМ ПОРЯДКЕ ВЕЛИЧИНЫ ДАВЛЕНИЯ. НА ПОРЯДКЕ ДАВЛЕ-
I
I ИМЯ РАСПРЕДЕЛЕНИЕ ТОЧЕК ДОЛЖНО БЫТЬ РАВНОМЕРНЫМ;
I
I 9)ПОСЛЕ УСТАНОВЛЕНИЯ В КАЖДОЙ ГРАДУИРОВОЧНОЙ ТОЧКЕ ПОСТОЯНСТ-
I
1 ВА ДАВЛЕНИЯ, ФИКСИРУЕМОГО ПО НЕИЗМЕННОСТИ ПОКАЗАНИЙ ОБРАЗЦОВОГО
I
1 ВАКУУММЕТРА В ТЕЧЕНИЕ 30 С, ЗАРЕГИСТРИРОВАТЬ ОДНОЫСМЕННО ПОКАЗА-
I
I НИЯ НАПРЯЖЕНИЯ АНАЛОГОВОГО ВЫХОДА ИЗМЕРИТЕЛЯ ИВЭ-1/7-005 И ОБРАЗ- : I
I 10)ОСНОВНУ1) ОТНОСИТЕЛЬНУЮ ПОГРЕШНОСТЬ В ПРОЦЕНТАХ ВЫЧИСЛЯЮТ 1
I I I
I I


- ДАВЛЕТМЕ, ОПРЕДЕЛЕННОЕ ПО ГРАДУИРОВОЧНОЙ КРИВОЙ
ИЗМЕРИТЕЛЯ (ПРИЛОЖЕНИЕ 3>

I
ОБРАЗЦОВЫМ ВАКУУММЕТРОМ. I
1
I

ДАВЛЕНИЕ, ИЗМЕРЕННОЕ ОБРАЗЦОВЫМ ВАКУУММЕТРОМ
1
I
I



1ЛИСТ1

ОСНОВНАЯ ОТНОСИТЕЛЬНАЯ ПОГРЕШНОСТЬ ИЗМЕРЕНИЯ НЕ ДОЛЖНА БЫТЬ
I
I
I БОЖЕ МИНУС 40

Г>.-л
I ’
С
ПАИМЗ.472.006 И1
I
-;--zx ::== =
I
Г .121:
^1' ? v4
■-■ C
J ttA aOUSS===3k’l^XV —
■ I' I Д г Л '/
IИЗИ1ЛИСTIN ДОКХИ.1 ПОДИ.IДАТА1 CaKS^CCZZSSSS }_><*#■£.....
I W-iC >{ ПОДЛ I ПОДП Ч ДАТА
u:axx=~=s=cuuu.
•RX12 rtiX X S=■= X c r
с
j. е
• о
о
I °
о
е
о
©
G
О
О
о
о
с
о
о
о
о
с
7. ОФОРМЛЕНИЕ РЕЗУЛЬТАТОВ ПОВЕРКИ
7.1.РЕЗУЛЬТАТЫ ПОВЕРКИ СЛЕДУЕТ ЗАНОСИТЬ В ПРОТОКОЛ (ЖУРНАЛ
ПОВЕРОК) ПО РЕКОМЕНДУЕМОЙ ФОРМЕ ТАБЛ.З
7.2.В ФОРМУЛЯРАХ ПОВЕРЯЕМЫХ ИЗМЕРИТЕЛЕЙ, УДОВЛЕТВОРЯЮЩИХ
ВЫЬЕУКАЗ.'ЛНЬЬМ ТРЕБОВАНИЯМ, ДЕЛАЕТСЯ ОТМЕТКА ГОСПОВЕРИТЕЛЯ ИЛИ
ВЕДОМСТВЕННОЙ ПОВЕРКИ
7.3. ИЗМЕРИТЕ ЛИ, НЕ УДОВЛЕТВОРЯЮЩИЕ ТРЕБОВАНИЯМ НАСТОЯЩЕЙ
ИНСТРУКЦИИ, К ПРИМЕНЕНИЮ НЕ ДОПУСКАЮТСЯ
1 *V«CSSM8SSS3UBM6itS9»TCS99 j 111 111 1ЛИС11
1ИЗМ1ЛИСТ1Н ДОКУМ.1ЛОДП.1ДАТА1 . I 11 I
I x = xx xx=«sr .тххх ж аж asms —===sa s=xaasss зжжзаззжжж ==вв==з s <s-жзвха
• s<m fyfaia/'rtati-___*_______1
I ИИВ H ПОДЛ I ПОДЛ И ЛАТА I ВЗАМ ИИВ N I ИНВ N ДУБЛ I ПОДП И ДАТА I
ПАИМЗ.472.006 tfl
х==:
атгажа
га»


1ИЗМТЛИСТ1Н Д1ЖУМ. 11Т0ЛП.1ЛАТА1 I 12 I
3SSSSBI
I

=гтГ-====т:ггпе-

тси:

о
0
о
о
о
е
G
О
С
с
о
с
о
о
о
э
э
э
)
I
I
I
I
I
I
I
1===«
I I
1ИЗМ1=====
I
I
I
ЛСТ РЕГИСТРАЦИИ ИЗМЕНЕНИЙ
НОМЕРА ЛИСТОВ(СТРАНИЦ) I ВСЕГО I НОМЕР I ВХОДЯЩИЙ I
этвя===1ЛИСТ0В I 1АННУЛИ-1 (СТР. > 1Д0КУМЕНТА1ДИТЕЛЬ Н0ГО1 НЕН- I НЕН- IHOBWXI POBAH-IB ДОК.1 1Д0К.И ДАТА1
I НИХ I I НЫХ I I I
I ИЗМЕ- I ЗАМЕ- I
I
I НЫХ
IN С0ПГ0В0-1П0ДП1ДАТ
I
I
I
I
I • I
I
I/74//W* I
/4/^1/X
( I A t-

-I
ЯГ
IH3MI»CTIN ДОКУН.1П0ДП. 1ДАТА1
*
I ИНВ N ПОДЛ I ПОДИ И ДАТА I
И л I ь I
I |
I |
I |
I |
I |
I |
I | |
I |
I |
I |
I |
I |
I |
I | |
I |
I |
I |
I |
I |
I |
I | |
I |
I |
I |
I |
I |
I |
I | |
I |
I |
I |
I |
I |
I |
I | |
I |
I |
I |
I |
I |
I |
■ I | |
I |
I |
I |
I |
I |
I |
I | |
I |
I |
I |
I |
I |
I |
I | |
I |
I — |
I |
I |
I |
I |
I J | |
I |
I - _ |
I |
I |
I |
I |
I | |
I |
. I |
I |
I |
I |
I |
I | |
I |
I |
I |
I |
I |
I |
I |
] |
I |
I |
I |
I |
I |
I |
I |
] |
I |
I |
I |
I |
I |
I |
I |
1 |
I |
I |
I |
I |
I |
I |
I |
1 |
I |
I |
I |
I |
I |
I |
I |
I |
I |
I |
I |
I |
I |
I' |
I |
I |
I |
I |
I . |
I |
I |
I |
I |
I |
I |
I |
I |
I |
I |
I |
I |
I |
I |
I |
I |
I |
I |
I |
I |
I |
I |
I |
I |
I |
I |
I |
I |
I |
I |
I |
I |
I |
I |
I ■ |
I |
I |
I |
I |
I |
I |
I |
I |
I |
I |
I |
I |
I |
I ■ |
I |
I |
I |
I |
I |
I |
I |
I |
I |
I |
I |
I |
I |
I |
I |
I |
I |
I |
I |
I |
I |
I |
I |
I |
I |
I |
1 |
I |
I |
I |
I |
I |
I |
I |
I |
I |
I |
I |
I |
I |
I |
I |
1 |
I |
ПАИМЗ.472.006 И1
IЛИСТI I
I 14 I