Руководство по эксплуатации «Установка мобильная радиометрическая УДИ-2» (ФВКМ.412123.009РЭ)
ОКП 43 6220

Утверждено
ФВКМ.412123.009РЭ-ЛУ
НАУЧНО-ПРОИЗВОДСТВЕННОЕ ПРЕДПРИЯТИЕ
«ДОЗА»
ДЛЯ АЭС
УСТАНОВКА МОБИЛЬНАЯ РАДИОМЕТРИЧЕСКАЯ УДИ-2
Руководство по эксплуатации
ФВКМ.412123.009РЭ

Содержание
Приложение А Габаритные и присоединительные размеры
Приложение Б Схема электрическая соединений
Приложение В Схема электрическая подключений
Версия_3_07.12.2011
Настоящее руководство по эксплуатации содержит сведения о конструкции, принципе действия, характеристиках изделия и указания, необходимые для правильной и безопасной эксплуатации изделия (использования по назначению, технического обслуживания, текущего ремонта, хранения и транспортирования), а также сведения по утилизации изделия.
-
1 ОПИСАНИЕ И РАБОТА ИЗДЕЛИЯ
Установка мобильная радиометрическая УДИ-2 ФВКМ.412123.009 (далее - установка) изготавливается в соответствии с ТУ 4362-101-31867313-2010.
Установка предназначена для непрерывного автоматизированного измерения объёмной активности гамма-излучающих радионуклидов йода 131I (далее - объёмной активности радионуклидов йода).
Установка применяется для контроля радиационной обстановки в воздухе (приземном слое) промплощадки, санитарно-защитной зоны и зоны наблюдения атомных станций (АС) при аварийных выбросах как в автономном режиме, так и в составе автоматизированной системы контроля радиационной обстановки (АСКРО).
Установка обеспечивает возможность:
-
- автоматизированного оперативного контроля (непрерывного мониторинга) объёмной активности радионуклидов йода с регистрацией её временной динамики в условиях нарушения нормальной эксплуатации АС, проектных и запроектных авариях на АС;
-
- обработки, хранения, представления полученной информации на выносном блоке индикации;
-
- передачи полученной информации на АСКРО АС по линиям связи, организованным на базе средств стандарта GSM/GPRS, интерфейса RS-485 (протокол обмена MODBUS RTU) или Ethernet с использованием каналообразующей аппаратуры АСКРО;
-
- обеспечения автоматической самодиагностики технических средств установки.
-
1.2.1 Диапазон измерений объёмной активности
радионуклидов йода...................................................................от 3,7 до 3,7-106 Бк/м3.
-
1.2.2 Пределы допускаемой основной относительной погрешности измерений
-
- активности источника 137Cs для энергии 662 кэВ
на фильтре сорбционной ловушки......................................................................+20 %;
-
- объёмной активности радионуклидов йода.......................................................+50 %.
-
1.2.3 Эффективность регистрации гамма-излучения.......................от 0,7540'2 до 340'2.
-
1.2.4 Интегральная нелинейность в диапазоне измерений...................................±10 %.
-
1.2.5 Время отклика установки на воздействие активности........................................30 с.
-
1.2.6 Время измерения объемной активности радионуклидов йода:
-
- на нижнем пределе измерения...................................................не более 1000 с.
-
- на уровне активности 670 Бк/м3..................................................не более 100 с.
Примечание - Для достижения нижнего порога измерений используется режим прокачки с расходом воздуха 60/100 л/мин - не штатный режим (максимальное время прокачки не более 1000 с).
-
1.2.7 Отклонения показаний установки, вызываемые статистическими флуктуациями
(коэффициент вариации).......................................................................не более ±10 %.
-
1.2.8 Время прохождение радионуклидов йода
через фильтровальное устройство............................................................не менее 0,2 с.
-
1.2.9 Значение собственной фоновой активности установки..............не более 1,0 Бюм'3.
-
1.2.10 Максимальное значение компенсируемого внешнего гамма-фона источника 60Со при нижнем пределе измерений объёмной активности радионуклидов йода............. 10 мкЗв^ч-1.
-
1.2.11 Диапазон расхода прокаченного воздуха через фильтровальное устройство
установки..............................................................................................................от 20 до 100 л^мин-1.
-
1.2.12 Пределы допускаемой основной относительной погрешности измерений
объёма прокаченного через фильтр воздуха.................................................................................±10 %.
-
1.2.13 Снижение расхода воздуха при нарушениях работы пробоотборного устройства
не превышает номинальное значение более чем на.................................................±10 %.
-
1.2.14 Время установления рабочего режима установки
при постоянных внешних условиях.........................................................не более 30 мин.
-
1.2.15 Время непрерывной работы установки.........................................не менее 24 ч.
-
1.2.16 Нестабильность показаний за 8 ч непрерывной работы не превышает.........±10 %
относительно среднего значения показаний за этот промежуток времени.
-
1.2.17 Для передачи данных с установки на верхний уровень АСКРО АС используются информационные каналы связи:
-
- основной канал связи на базе технологий стандарта GSM/GPRS;
-
- резервный проводной канал связи на базе интерфейса RS-485 (протокол обмена MODBUS RTU) или Ethernet;
-
- дополнительный канал связи на базе технологий каналообразующей аппаратуры
АСКРО АС (RADOS), ИРТ-М («Атлант-М» АСКРО АС).
-
1.2.18 Установка обеспечивает вывод на блок индикации данных:
-
- о наличие связи установки с АСКРО АС;
-
- даты и времени измерений;
-
- значений измеряемого параметра (объёмной активности, Бк/м3, активности на фильтре сорбционной ловушки, Бк);
-
- значений текущего расхода воздуха, л/мин;
-
- значений объёма прокаченного воздуха, м3;
-
- цветозвуковое отображение состояния параметра относительно уставки;
-
- состояние блоков установки (самодиагностика);
-
- координат местоположения установки;
-
- времени (количество минут) с момента последнего сеанса связи по каналу GSM.
-
- ориентировочного времени (минут) работы установки от встроенной аккумуляторной батареи в зависимости от выбранного значения объемного расхода воздуха.
-
1.2.19 Установка обеспечивает вывод на верхний уровень АСКРО АС:
-
- значений измеряемого параметра (объёмной активности, Бк/м3);
-
- значений текущего расхода воздуха, л/мин;
-
- значений объёма прокаченного воздуха, м3;
-
- состояние блоков установки (самодиагностика);
-
- координат местоположения установки;
-
- времени (количество минут) с момента последнего сеанса связи по каналу GSM. Примечание - При условии возможности приема информации каналом связи АСКРО АС.
-
1.2.20 Установка обеспечивает возможность определения и отображения её географических координат.
-
1.2.21 Установка обеспечивает возможность введения уставок двух пороговых уровней сигнализации (предупредительной и аварийной) во всем диапазоне измерений объёмной активности радионуклидов йода и цветозвуковую сигнализацию превышения пороговых уставок.
Примечание - Пороговые уставки вводятся на предприятии-изготовителе и могут изменяться только лицами, аттестованными в установленном порядке на право поверки данных средств измерений.
-
1.2.22 Установка предусматривает возможность отключения цветозвуковой сигнализации превышения пороговых уставок по месту или дистанционно.
-
1.2.23 Установка обеспечивает автоматическую самодиагностику технических средств с формированием кода неисправности.
-
1.2.24 Установка обеспечивает сохранение информации в циклическом архиве не менее 3000 событий.
-
1.2.25 Электропитание установки осуществляется:
-
- от однофазной сети переменного тока напряжением 220'33 В, частотой 50'j5 Гц;
-
- от встроенной аккумуляторной батареи напряжением +12'4 В.
Пределы дополнительной погрешности измерений, обусловленной изменением напряжения питания и частоты от номинального значения.........................................±5 %.
Примечания
-
1 При электропитании от аккумуляторных батарей обеспечивается работоспособность установки с сохранением заданных параметров в течение 6 час при температуре окружающего воздуха от минус 20 до плюс 50 °С и не менее 2 час при температуре окружающего воздуха от минус 40 до минус 20 °С.
-
2 Допускается использование питания от автомобильного аккумулятора емкостью от 50 до 75 Ач, напряжением +12 В.
-
1.2.26 Мощность, потребляемая установкой:
-
- при питании от сети переменного тока......................................не более 300 В^А;
-
- при питании от сети постоянного тока.........................................не более 300 Вт.
-
1.2.27 Рабочие условия эксплуатации:
-
- диапазон температур.....................................................от минус 40 до + 50 °С;
-
- предельное значение относительной влажности.......................... 100 % при +30 °С
и более низких температурах с конденсацией влаги;
-
- атмосферное давление в диапазоне......................................от 84,0 до 106,7 кПа;
-
- содержание в воздухе коррозионно-активных агентов
соответствует типам атмосферы по ГОСТ 15150-69 ....................................................I, II.
Примечание - При температуре окружающей среды ниже минус 20 °С происходит временное отключение ЖКИ блока индикации, работа которого восстанавливается при температуре выше указанной.
Пределы дополнительной погрешности измерений при отклонении температуры окружающего воздуха от нормальных условий до предельных рабочих значений:
-
- объёмной активности радионуклидов йода................................................±20 %;
-
- активности на фильтре сорбционной ловушки.........................................................±5 %;
-
- объёма прокачанного воздуха ................................................................................... ±15 %.
Пределы дополнительной погрешности измерений при повышенной влажности окружающего воздуха:
-
- объёмной активности радионуклидов йода....................................................±10 %;
-
- активности на фильтре сорбционной ловушки ......................................................... ±5 %;
-
- объёма прокачанного воздуха ................................................................................... ±10 %.
-
1.2.28 Установка устойчива к воздействию синусоидальных вибраций в диапазоне частот от 10 до 55 Гц с амплитудой смещения 0,35 мм.
-
1.2.29 По сейсмостойкости установка относится к категории II по НП-031-01 и соответствует требованиям РД 25 818-87: по месту установки группа А, по функциональному назначению исполнение 2 для сейсмических воздействий интенсивностью до 6 баллов по шкале MSK-64 на отметке 10 м относительно нулевого уровня.
После сейсмического воздействия с указанными параметрами установка соответствует требованиям 1.2.2 и 1.2.17 в течение всего срока службы в заданных условиях эксплуатации.
-
1.2.30 Степень защиты, обеспечиваемая оболочками блоков установки от проникновения твердых предметов воды, по ГОСТ 14254-96:
-
1.2.31 По влиянию на безопасность установка относится к элементам нормальной эксплуатации класса безопасности 3Н в соответствии с ОПБ-88/97.
-
1.2.32 Установка устойчива к воздействию электромагнитных помех в соответствии с ГОСТ Р 50746-2000 для группы исполнения III, критерий качества функционирования А и удовлетворяет нормам помехоэмиссии, установленным ГОСТ Р 51318.22-2006, ГОСТ Р 51317.3.2-2006 для оборудования класса А, ГОСТ Р 51317.3.3-99.
-
1.2.33 Воздействие электромагнитных помех не приводит к изменению показаний объемной активности радионуклидов йода более чем на ±20 %.
-
1.2.34 Установка сохраняет работоспособность после пребывания в условиях радиационного облучения, соответствующих запроектным авариям:
-
- величина внешнего гамма-фона....................................................... 10 мЗв^ч'1;
-
- суммарная объёмная активность прокачиваемого через установку воздуха 5-109 Бк/м3.
-
1.2.35 По степени защиты от поражения электрическим током установка относится к классу I по ГОСТ 12.2.007.0-75.
-
1.2.36 По противопожарным свойствам установка соответствует ГОСТ 12.1.004-91 с вероятностью возникновения пожара не более 10-6 в год.
-
1.2.37 Установка стойка к воздействию дезактивирующих растворов:
-
1) борная кислота (Н3ВО3) - 16 г, тиосульфат натрия (Na2S2Oy5H2O) - 10 г, вода дистиллированная до 1 л;
-
2) тринатрийфосфат или гексаметафосфат натрия (любые синтетические моющие средства) - 10 - 20 г/л в воде;
-
3) 5 % раствор лимонной кислоты в ректификованном этиловом спирте - для внешних поверхностей электронных средств, разъёмов;
-
4) пенное аэрозольное дезактивирующее средство «Раддез-П».
-
1.2.38 Габаритные размеры и масса технических средств установки, длина кабелей питания и связи не более значений, указанных в таблице 1.1.
Таблица 1.1 - Габаритные размеры и масса технических средств
Обозначение |
Наименование составной части |
Г абаритные размеры |
Масса, кг |
ФВКМ.412123.010 |
Блок измерительный |
838x554x439 мм |
66,0 |
ФВКМ.436244.004 |
Блок аккумуляторный |
860x550x435 мм |
52,0 |
ФВКМ.687281.016 |
Блок индикации |
222x164x73 мм |
4,0 |
ФВКМ.685631.581 |
Кабель питания |
3 м | |
ФВКМ.685631.550 |
Кабель питания +12 В |
3 м | |
ФВКМ.685631.551 |
Кабель питания |
3 м | |
ФВКМ.685631.551-01 |
Кабель питания |
50 м | |
ФВКМ.685631.549 |
Кабель автомобильный +12 В |
5 м | |
ФВКМ.685631.552 |
Кабель питания БОП-Атлант |
5 м | |
ФВКМ.685631.548 |
Кабель блока индикации |
5 м | |
ФВКМ.685631.548-01 |
Кабель блока индикации |
0,7 м | |
ФВКМ.685631.596 |
Кабель связи с БОП-1ТА |
5 м |
Обозначение |
Наименование составной части |
Г абаритные размеры |
Масса, кг |
ФВКМ.685631.553 |
Кабель связи с БОП |
5 м | |
ФВКМ.685631.554 |
Кабель связи с «Радос» |
5 м | |
ФВКМ.685631.597 |
Кабель GSM/GPRS |
3 м | |
Кабель MODBUS |
300 м | ||
Примечание - Масса измерительного и аккумуляторного блоков указаны без учета ЗИП и навесного оборудования. |
-
1.3.1 Установка состоит из трех основных блоков: измерительного, аккумуляторного и индикации.
В комплекте с установкой поставляются:
- кабели питания;
- кабели связи внешнего информационного канала;
- контрольный источник ОИСН-22-09 для энергетической градуировки;
- расходные материалы;
- комплект принадлежностей;
- комплект креплений в автомобиле измерительного и аккумуляторного блоков.
-
1.3.2 Структурная схема аккумуляторного блока представлена на рисунке 1.2.
где FNC60M - сборка аккумуляторная,
АС/DC - блок питания,
БФЗ - блоки фильтров и защиты,
КЗУ - контрольно-зарядное устройство.
Рисунок 1.1 - Структурная схема аккумуляторного блока
-
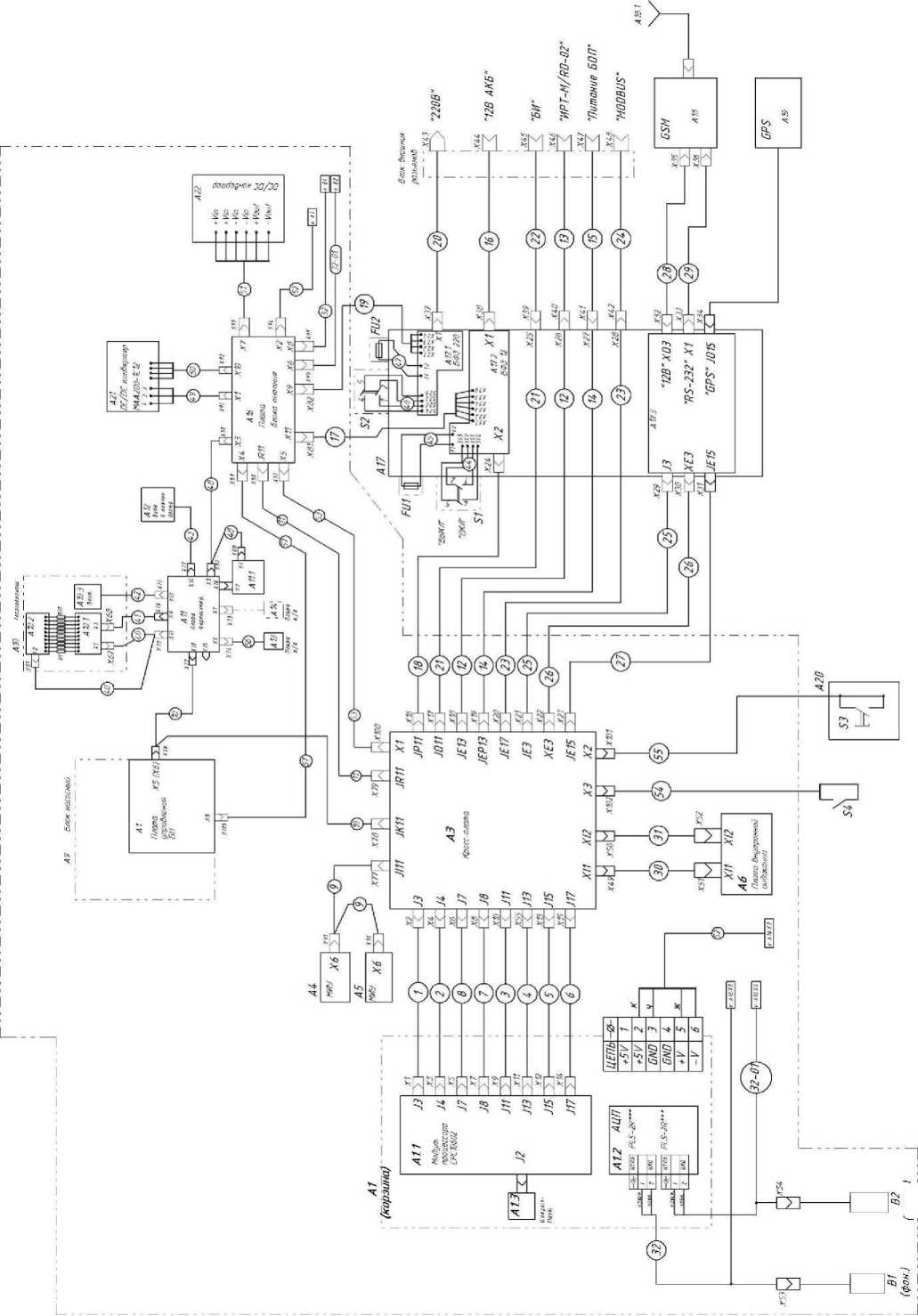
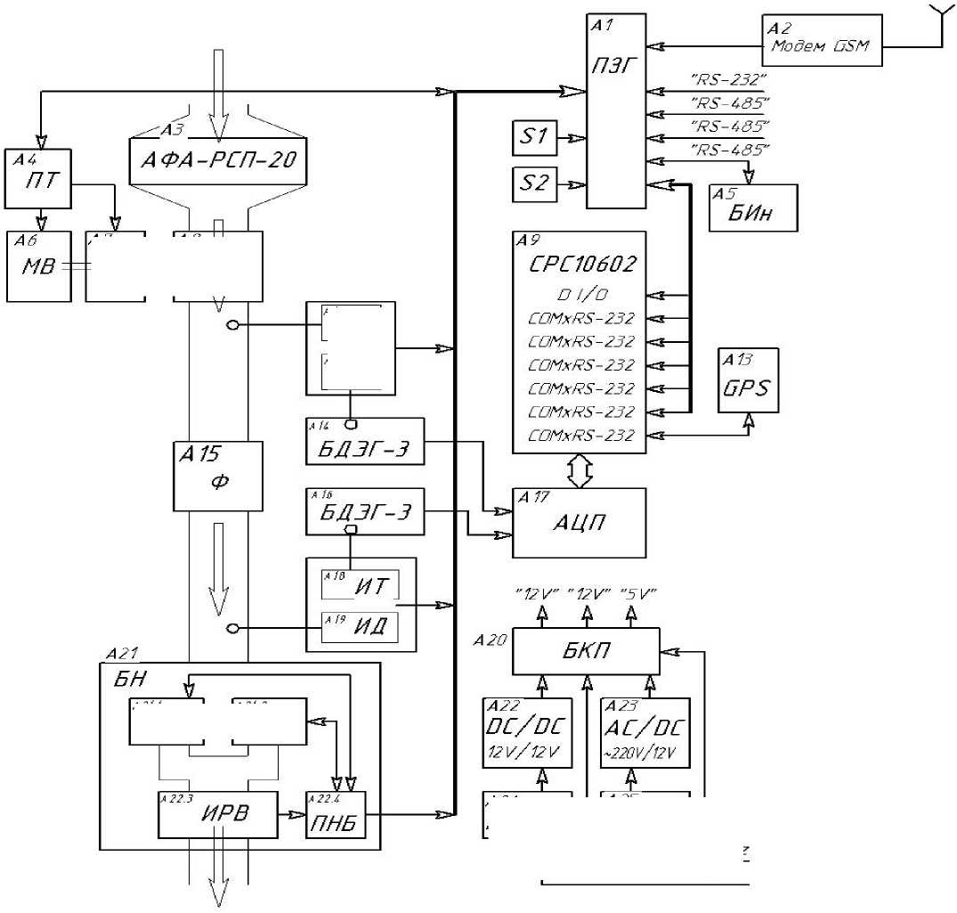
1.3.3 Структурно-функциональная схема измерительного блока и перечень устройств, входящих в его состав, представлены на рисунке 1.2 и в таблице 1.2.
Рисунок 1.2 - Структурно-функциональная схема измерительного блока
А/
|;
-THl
то
_
А 21.1
А 21.2
НМ
НМ
A 10
ид
А 12
ИТ
А 24
БФЗ
2
А 25
БФЗ 1
1
$ 220V/50Hz
= 12V
Таблица 1.2 - Перечень устройств, входящих в состав измерительного блока
Поз. обозначение |
НаименоЬание |
Кол. |
Примечание |
SI 52 |
Концебпй быключатель |
2 |
S1.52 |
А1 |
Плат защиты и гальбанаразбязки |
1 |
ПЗГ |
А2 |
Модем GSM/GPRS Simens mc35i |
1 |
GSM |
АЗ |
Фильтр А ФА -ПСП-20 |
1 |
А ФА-PCП-20 |
44 |
Плата термоконтроля |
1 |
ПТ |
А5 |
Блок индикации |
1 |
№i шявша по юбхоФмвти |
А6 |
Мотор-бентилятор |
1 |
МВ |
А7 |
Нагребатель |
1 |
TH |
АЗ |
Теплообменник |
1 |
ТО |
А9 |
Модуль процессора С PC10602 |
1 |
СРС 10602 |
А1О.А19 |
Индикатор дабления |
2 |
ИЛ |
А12, А18 |
Индикатор температуры |
2 |
ИТ |
А13 |
Приемник GPS |
1 |
OPS |
АН, А16 |
Блок детектиробания БЛЗГ-ОЗВ ЬО'бО |
2 |
БЛЗГ-ОЗВ |
А15 |
Сорбционная лобушка |
1 |
ф |
А17 |
АЦП |
1 |
АЦП |
А20 |
Блок контроля питания |
1 |
БКП |
А21 |
Блок насосный |
1 |
БН |
А2ЦА21.2 |
Насосный модуль |
2 |
НМ |
А21.3 |
Измеритель расхода боздуха |
1 |
ИРВ |
А21.4- |
Плата насосного блока |
1 |
ПНБ |
А22 |
Преобразобатель DC/DC 12v/12v |
1 | |
А23 |
Преобразобатель AC/DC -220v/12v |
1 | |
А26..А2Б |
Блок фильтрации и защиты |
2 |
БФЗ-1, БФЗ-2 |
-
1.4.1 Устройство составных частей установки.
-
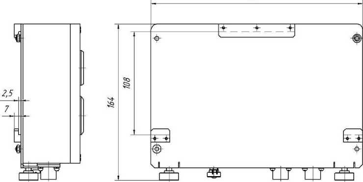
1.4.1.1 Измерительный блок представляет собой переносной пылевлагозащищённый стенд, выполненный из ударопрочного материала. Габаритные и присоединительные размеры измерительного блока представлены в приложении А.
-
В измерительном блоке размещены:
-
- спектрометрическая часть - устройство детектирования, состоящее из блока детектирования со сцинциляционным детектором БДЕГ-03 40х60 и двухвходового АЦП;
-
- устройство измерения внешнего гамма-фона и компенсационный канал, детекторы измерительного и компенсационного каналов расположены в одинаковых свинцовых экранах;
-
- пробоотборная часть - устройства прокачки воздуха (пробоотбора) со средствами измерения объёма прокаченного воздуха (контроля расхода воздуха);
-
- устройства сбора и обработки полученной информации;
-
- устройства связи и передачи данных во внешний информационный канал;
-
- ящик для ЗИП и укладки с принадлежностями, расходными материалами, креплениями в автомобиле.
В измерительном блоке предусмотрена возможность передачи данных в АСКРО АС во внешний информационный канал связи:
- основной, на базе технологий стандарта GSM/GPRS;
- резервный, проводной канал связи на базе интерфейса RS-485 (протокол обмена ModBUS RTU) или Ethernet;
- дополнительный, на базе технологий каналообразующей аппаратуры (АСКРО АС), ИРТ-М («Атлант-М» АСКРО АС).
Для идентификации местоположения установки используются данные GPS (ГЛОНАС) навигатора, установленного в измерительном блоке.
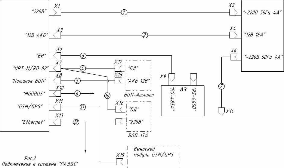
На внешней боковой панели измерительного блока находятся разъёмы для подключения внешнего питания, блока индикации, питания устройств и каналов связи АСКРО АС в соответствии с рисунком 1.3:
-
- «MPT-M/RD-02» - для подключения дополнительного канала связи;
-
- «БИ» - для подключения блока индикации;
-
- «MODBUS» - для подключения резервного проводного канала связи на базе интерфейса RS-485;
-
- «Питание БОП» - для подключения питания основного канала связи на базе технологий стандарта GSM/GPRS;
-
- «12 В, АКБ» - для подключения к сети питания постоянного тока напряжением 12 В от аккумуляторного блока или бортовой сети автомобиля;
-
- «GSM/GPS» - для подключения выносного модема с антенной;
-
- «220 В, 50 Гц» - для подключения к сети питания переменного тока;
-
- «Ethernet» - для подключения резервного проводного канала связи Ethernet.
ФВКМ.685631.553
К аде ль сбязи с БОП-1ТА
ФВКМ.685631.581
Рисунок 1.3 - Разъёмы измерительного блока
ФВКМ.685631552
Кадель BSM/GPS
ФВКМ.685631.597
На боковой панели находится также заборный канал пробоотбора «ВОЗДУХ ВХОД» и выходной канал пробоотбора «ВОЗДУХ ВЫХОД».
На верхней панели измерительного блока предусмотрено место для установки блока индикации.
Измерительный блок обеспечен защитой от несанкционированного доступа к узлам и схемам с передачей сообщения о факте несанкционированного доступа на верхний уровень АСКРО АС. Механизмы разблокирования доступа к узлам и схемам блока приводятся в действие специальным ключом.
-
1.4.1.2 Аккумуляторный блок представляет собой переносной пылевлагозащищённый стенд, выполненный из ударопрочного материала. Габаритные и присоединительные размеры аккумуляторного блока представлены в приложении А.
В аккумуляторном блоке размещены:
- аккумуляторные батареи;
- зарядное устройство и блок управления зарядом аккумуляторов с жидкокристаллическим индикатором (ЖКИ) для отображения текущих параметров аккумуляторной батареи;
- средства для подключения к сети питания переменного тока 220 В, 50 Гц для питания зарядного устройства;
- три контейнера с комплектом кабелей, принадлежностями, расходными материалами, креплениями в автомобиле.
На внешней боковой панели аккумуляторного блока находятся разъёмы:
- «12 В=16 А» - для подключения кабеля питания при питании измерительного блока от аккумуляторного блока;
- «220 В 50 Гц 4 А» - для подключения кабеля питания при питании измерительного блока от сети переменного тока;
- «220 В 50 Гц 4 А» - для подключения кабеля питания аккумуляторного блока к сети переменного тока.
-
1.4.1.3 Блок индикации предназначен для отображения информации на ЖКИ и закрепляется на крышке измерительного блока с помощью кронштейна.
На верхней панели блока индикации расположен ЖКИ для вывода измерительной и сопутствующей информации, включающей цветовую сигнализацию состояния измеряемого параметра относительно заданных уставок, звуковой излучатель и кнопку «УПРАВЛЕНИЕ» для управления режимами просмотра данных на ЖКИ и отключения, при необходимости, звукового сигнала превышения аварийной уставки.
На боковой панели блока индикации находятся два идентичных разъёма «RS-485A» и «RS-485B» для подключения измерительного блока и расширения измерительной сети.
-
1.4.2 Работа установки
При прокачке воздуха через сорбционную ловушку радионуклиды йода поглощаются сорбентом. Под сорбционной ловушкой расположен сцинтилляционный детектор. Осевшие на сорбент радионуклиды йода испускают гамма-кванты, которые, при взаимодействии со сцинтиллятором детектора, вызывают излучение света.
Излученное при взаимодействии гамма-квантов со сцинтиллятором детектора количество световой энергии пропорционально энергии гамма-квантов, поглощенных сцинтиллятором.
Вспышки света преобразуются в фотоприемнике в электрические импульсы, которые поступают на один из входов двухвходового 1024 канального АЦП и далее в процессор измерительного блока.
Процессор измерительного блока обрабатывает данные полученные за время регистрации t . Обработанный массив данных с учетом калибровочных и настроечных коэффициентов в виде энергетического спектра гамма-излучающих радионуклидов идентифицируется со спектром радионуклидов 131I с выделением характерной спектральной области - пика полного поглощения контролируемого радионуклида.
Активность радионуклида в выделенной области определяется по формуле
АФ =
S
°| IIII11
Цег ’ Пу ’ f
(1.1)
где Аф - значение активности источника на фильтре за i-ый промежуток времени регистрации;
Snnni - площадь пика полного поглощения рассматриваемого радионуклида;
t - время регистрации;
Пу - квантовый выход гамма-излучения рассматриваемого радионуклида;
Еа - эффективность регистрации радионуклида.
За это же время измеряется объём прокачанного воздуха с помощью встроенного расходомера. Полученные спектральные отсчеты и данные об объёме прокаченного воздуха обрабатываются процессором.
По результатам измерения активности радионуклида йода, осаждаемой на фильтре ловушки, и объёма прокачанного за 1-ый промежуток времени воздуха определяется объёмная активность радионуклидов как разница между предыдущим значением измеренной на фильтре активности Ап-1 и измеренной активности Ап в текущий момент времени, отнесенная к объёму прокачанного воздуха v(At = Цег ) за время регистрации по формуле
Аоб1
(1.2)
Для оперативного контроля состояния радиационной обстановки введен внештатный режим прокачки воздуха с расходом 60/100 л/мин, включаемый с измерительного блока.
Для уменьшения погрешности измерений, обусловленной влиянием внешнего гамма-излучения, в состав установки введен дополнительный компенсационный канал. Детекторы измерительного и компенсационного каналов расположены в одинаковых свинцовых экранах.
Внешний гамма-фон, не поглощенный экраном измерительного детектора, измеряется компенсационным детектором, который подключен ко второму входу АЦП. При расчетах показания компенсационного детектора вычитаются из показаний спектрометрического детектора.
Далее проводится сравнение полученных данных с пороговыми уставками, установленными при настройке установки. В случае превышения уставки первого уровня (предупредительной) включается цветовая индикация в виде желтого сигнала, при превышении уставки второго уровня (аварийной) - цветовая индикация в виде красного сигнала и звуковой сигнал. Звуковой сигнал можно отключить нажатием кнопки «УПРАВЛЕНИЕ» на корпусе блока индикации, а также дистанционно по каналу внешней информационной связи с АСКРО АС при наличие соответствующего программного обеспечения верхнего уровня и возможностей каналообразующей аппаратуры.
Измеренные значения записываются в энергонезависимую память, формируя архив измерений, который при необходимости можно просмотреть с использованием соответствующего программного обеспечения. Общий объём памяти рассчитан более чем на 3000 измерений.
На ЖКИ блока индикации постранично выводится информация:
-
- о наличие связи с АСКРО АС;
-
- дата и время измерений;
-
- координаты местоположения установки.
-
- значения измеряемого параметра (объёмной активности, Бк/м3, и активности, Бк, на фильтре сорбционной ловушке);
-
- значение текущего расхода воздуха, л/мин;
-
- значения объёма прокаченного воздуха, м3;
-
- цветозвуковое отображение состояния параметра относительно уставки;
-
- состояние блоков установки (самодиагностика);
-
- время (количество минут) с момента последнего сеанса связи по каналу GSM.
-
- время (количество минут) ориентировочной работы установки в текущем режиме при питании от аккумуляторной батареи до полного разряда аккумуляторов.
Установка может обеспечить вывод на верхний уровень АСКРО АС аналогичных данных при условии возможности приема данной информации каналом связи АСКРО АС.
Для идентификации местоположения установки используются данные GPS навигатора.
-
1.4.3 Неопределенность измеренной объёмной активности радионуклида йода 131I обусловлена:
-
- неопределенностью измерения активности радионуклида А на сорбционной ловушке (спектрометрическая характеристика) - uQ ;
-
- неопределенностью, связанной с неточностью знания поправочных коэффициентов -ик (оценка максимальной границы);
-
- неопределенностью измерения объёмного расхода воздуха - иоб.
Суммарная относительная стандартная неопределенность ик по типу В при расчете поправочного коэффициента Кп рассчитывается из выражения


(1.3)
где up - относительная неопределенность, связанная с неточностью знания коэффициента потерь активности в магистрали воздухопровода;
икв - неопределенность, связанная с определением коэффициента, учитывающего соотношение квантовых выходов при расчете активности 132I по регистрируемому излучению 137Cs;
иэфф - неопределенность, возникающая из-за погрешности определения эффективности регистрации.
Неопределенность up, связанная с неточностью знания коэффициента потерь активности в магистрали воздухопровода не превышает 10 %.
Неопределенность икв, связанная с определением коэффициента, учитывающего соотношение квантовых выходов пренебрежимо мала.
Неопределенность иэфф , возникающая в результате определения эффективности регистрации в зависимости от статистики измерений при определенных соотношениях времени и количества измерений может не учитываться, зависит в основном от изменения эффективности регистрации иэфф (инс), связанной с неравномерностью распределения активности по сорбенту ловушки и не превышает 25 %.
Учитывая приведенные оценки, значение ик в соответствии с формулой (1.3) не превышает 25 %.
Относительная неопределенность Uq измерения активности радионуклида Ai на сорбционной ловушке не превышает 20 %.
Относительная погрешность измерений объёма прокачанного воздуха 5v не превышает 10 %.
Относительная погрешность определения активности ОСГИ-Р, указанная в свидетельстве о поверке 5А не превышает 5 %.
Суммарная относительная стандартная неопределенность контролируемой величины -активность радионуклида йода 131I, рассчитывается из выражения
uAt ~ U + uQi + % + )
(1.4)
Учитывая оценки входящих в это выражение слагаемых, максимальная стандартная относительная неопределенность не превысит 30 %.
В соответствии с предположением о нормальности закона распределения возможных значений измеряемой величины, коэффициент охвата при P = 0,95 полагают равным 2.
Тогда расширенная неопределенность составит (2 • Ua,) = 60%.
1.5 Маркировка и пломбирование-
1.5.1 На корпусах блоков установки закреплены таблички, на которые нанесены следующие обозначения:
-
1.5.1.1 Блока измерительного и аккумуляторного:
-
-
- товарный знак или обозначение предприятия-изготовителя;
-
- условное обозначение установки;
-
- условное обозначение блока;
-
- порядковый номер блока по системе нумерации предприятия-изготовителя;
-
- год изготовления;
-
- знак утверждения типа средства измерений (только для измерительного блока);
-
- степень защиты, обеспечиваемая оболочкой блока от проникновения твердых предметов и воды.
-
1.5.1.2 Блока индикации:
-
- товарный знак или обозначение предприятия-изготовителя;
-
- условное обозначение блока индикации;
-
- порядковый номер блока по системе нумерации предприятия-изготовителя;
-
- год изготовления;
-
- степень защиты, обеспечиваемая оболочкой блока от проникновения твердых предметов и воды.
-
1.5.2 Место и способ нанесения маркировки, размер шрифта соответствуют конструкторской документации.
-
1.5.3 Все технические средства, входящие в состав установки, опломбированы в соответствии с конструкторской документацией.
-
1.5.4 Маркировка транспортной тары должна содержать манипуляционные знаки: «ХРУПКОЕ, ОСТОРОЖНО», «БЕРЕЧЬ ОТ ВЛАГИ», «ВЕРХ», «ЕДКОЕ ВЕЩЕСТВО» (только для аккумуляторного блока); маркировку предельных температур транспортировки.
-
1.6.1 Упаковка установки производится согласно требованиям категории КУ-3 по ГОСТ 23170-78 для группы III, вариант защиты В3-0, вариант упаковки ВУ-5 в соответствии ГОСТ 9.014-2005.
Примечание - Установка может поставляться с вариантом защиты по типу ВЗ-10 в соответствии с договором на поставку.
-
1.6.2 Упаковка производится в закрытых вентилируемых помещениях с температурой окружающего воздуха от + 15 до + 40°С и относительной влажностью воздуха до 80 % при температуре 20°С и содержанием в воздухе коррозионно-активных агентов, не превышающих установленного для атмосферы типа I ГОСТ 15150-69.
-
2 ИСПОЛЬЗОВАНИЕ ПО НАЗНАЧЕНИЮ
-
2.1.1 Для правильной работы установки необходимо принять меры для исключения попадания радиоактивных аэрозолей, не содержащих изотопы йода, в сорбционную ловушку. В качестве защиты сорбционной ловушки от загрязнения аэрозолями используется дополнительное внешнее устройство с фильтрами АФА.
-
2.1.2 При эксплуатации не допускается:
-
- использование установки на электрических подстанциях среднего (6 - 35 кВ) и высокого (выше 35 кВ) напряжения;
-
- использование установки как составных частей электрических установок значительной мощности;
-
- подключение установки к контуру сигнального заземления;
-
- пользование мобильными радиотелефонными системами на расстоянии менее 10 м от места расположения установки.
ВНИМАНИЕ! ДЛЯ КАЧЕСТВЕННОЙ И НАДЕЖНОЙ ПЕРЕДАЧИ ИНФОРМАЦИИ НА АСКРО АС ЭКСПЛУАТИРУЮЩЕЙ ОРГАНИЗАЦИИ РЕКОМЕНДУЕТСЯ ЗАКЛЮЧИТЬ С ОПЕРАТОРАМИ СОТОВОЙ СВЯЗИ ДОГОВОР НА ПРЕДОСТАВЛЕНИЕ ПРИОРИТЕТНЫХ КАНАЛОВ СВЯЗИ.
-
2.2.1 Подготовка установки к работе:
-
- распаковать и установить блоки на рабочее место;
-
- установить блок индикации на крышке измерительного блока или на стене с помощью кронштейна;
-
- открыть крышки измерительного и аккумуляторного блоков;
-
- подготовить кабели питания и связи к сборке;
-
- собрать установку в соответствии со схемой электрической соединений приложения Б и схемой электрической подключений приложения В в зависимости от выбранной по 2.2.1.1 -2.2.1.3 конфигурации.
При всех способах подготовки к работе установка готова к измерениям через 30 мин после перевода тумблера измерительного и аккумуляторного блоков в положение «ВКЛ».
-
2.2.1.1 Подготовка установки к работе при питании от сети постоянного тока:
-
- открыть крышку аккумуляторного блока;
-
- оценить остаточную ёмкость аккумуляторной батареи по показаниям на ЖКИ и при её недостаточности произвести зарядку согласно 3.5.6;
ВНИМАНИЕ! ТУМБЛЕР В АККУМУЛЯТОРНОМ БЛОКЕ ПРЕДНАЗНАЧЕН ТОЛЬКО ДЛЯ ВКЛЮЧЕНИЯ ЗАРЯДКИ АККУМУЛЯТОРОВ, А НЕ ДЛЯ ПОДАЧИ НАПРЯЖЕНИЯ ОТ АККУМУЛЯТОРНОГО БЛОКА НА ИЗМЕРИТЕЛЬНЫЙ БЛОК. НАПРЯЖЕНИЕ НА РАЗЪЁМЕ «12 В=16 А» ЕСТЬ ВСЕГДА!
-
- закрыть крышку аккумуляторного блока;
- подключить кабель питания +12 В ФВКМ.685631.550 к разъёму «12 В, АКБ» измерительного блока и к разъёму «12 В 16 А» аккумуляторного блока;
- подключить кабель блока индикации ФВКМ.685631.548 к разъёму «БИ» измерительного блока;
- подключить измерительный блок к выбранному каналу информационной сети через соответствующий разъём;
- открыть крышку измерительного блока;
- установить требуемый режим работы пробоотборного устройства:
-
1) номинальный режим прокачки (20 л/мин) - тумблер «ТУРБО» в положении «ВЫКЛ» (тумблер расположен на вертикальной поверхности панели рядом с тумблерами «220 В» и «12 В»);
-
2) режим повышенной прокачки (60 или 100 л/мин) - тумблер «ТУРБО» в положении «ВКЛ»;
Примечание - Конкретное значение объёмного расхода для обоих режимов устанавливается с использованием программы «Конфигуратор».
- перевести тумблер «12 В» измерительного блока в положение включено «ВКЛ»;
- закрыть крышку измерительного блока.
-
2.2.1.2 Подготовка установки к работе при питании от сети переменного тока
Подключить измерительный блок к сети питания переменного тока 220 В, 50 Гц можно двумя способами в соответствии со схемой электрической подключений приложения В.
При первом способе:
- подключить кабель ФВКМ.685631.551-01 к разъёму «220 В, 50 Гц» измерительного блока, перевести тумблер «220 В» на измерительном блоке в положение включено «ВКЛ», закрыть крышку блока;
- подключить кабель ФВКМ.685631.551-01 или кабель ФВКМ.685631.581 к разъёму «220 В, 50 Гц, 4 А» аккумуляторного блока и к разъёму «220 В, 50 Гц» измерительного блока, перевести тумблеры «220 В» и «12 В» на измерительном блоке в положение включено «ВКЛ»;
- закрыть крышки блоков.
При втором способе подключения аккумуляторный блок работает в режиме подзарядки как источник бесперебойного питания. Измерительный блок при этом питается от сети переменного тока. При отключении сети питания переменного тока измерительный блок автоматически переключается на питание постоянным током от аккумуляторного блока.
-
2.2.1.3 Подготовка установки к работе при питании от бортовой сети автомобиля:
- установить установку на рабочее место в автомобиле;
- закрепить измерительный блок с помощью комплекта крепления;
- открыть крышку измерительного блока;
- подключить кабель блока индикации ФВКМ.685631.548 к разъёму «БИ» измерительного блока;
- подключить измерительный блок к выбранному каналу информационной сети через соответствующий разъём;
- подключить измерительный блок к бортовой сети автомобиля с помощью провода ПВС 2x0,75 через разъём «12 В, АКБ» в соответствии со схемой электрической соединений приложения В;
- перевести тумблер «12 В» измерительного блока в положение включено «ВКЛ».
2.2.2 Выключение и свертывание установки
Выключение и свертывание установки производится в обратном порядке.
2.3 Использование изделия-
2.3.1 После включения питания происходит загрузка исходных данных (конфигурационных настроек и градуировочных коэффициентов), находящихся в энергонезависимой памяти. С момента загрузки установка не нуждается в дополнительной подготовке к работе.
Номер версии встроенного программного обеспечения отображается на ЖКИ блока индикации после включения установки. Номер версии должен иметь вид 1.00.хх. Существенной является часть номера 1.00, часть хх < 01 является несущественной для идентификации и обозначает модификацию версии 1.00.01, заключающейся в несущественной для основных технических характеристик изменениях при устранениях незначительных программных дефектов.
Проводится тестирование основных узлов установки. После завершения тестирования подается команда на включение насоса. Через 20 с проводится измерение расхода воздуха. Если расход лежит в установленных пределах, делается вывод об исправности системы и установка переходит в рабочий режим.
-
2.3.2 Далее каждые 20 с производится измерение текущего расхода воздуха и прокачанного объёма воздуха с момента перехода в рабочий режим. Одновременно с этим производится обработка спектра набранной активности радионуклидов йода. Текущее время определяется с помощью системного энергонезависимого таймера реального времени.
-
2.3.3 Интервал времени накопления спектров, измерения, расчета и смены индикации на ЖКИ блока индикации составляет от 20 с до 40 мин, в зависимости от текущих значений объёмной активности радионуклидов йода, погрешности измерения и расхода воздуха.
Для оперативного контроля состояния радиационной обстановки вблизи нижней границы диапазона измерений допускается использование режима прокачки с расходом воздуха 100 л/мин (нештатный режим, максимальное время прокачки не более 1000 с). Переключение скорости прокачки воздуха на повышенный режим производится при помощи перевода тумблера «ТУРБО» в положении «ВКЛ». Конкретное значение объемного расхода для номинального режима прокачки и режима повышенной прокачки задается дистанционно с использованием программы «Конфигуратор».
Значения измеренной объёмной активности доступны для чтения и отображаются на ЖКИ блока индикации.
-
2.3.4 Во время работы установки не требуется каких-либо действий со стороны персонала. Результаты измерений, состояние параметров измерения относительно заданных уставок и состояние узлов установки (самодиагностика) выдаются на ЖКИ блока индикации и внешний информационный канал АСКРО АС в соответствии с типом выбранного канала.
При необходимости замены кассеты с сорбентом установка выдает сообщение об этом на ЖКИ блока индикации и в информационную сеть. При этом работа установки с кассетой, подлежащей замене, возможна в течение не более 1 ч. В установке предусмотрен учет ресурса работы.
-
2.3.5 Для обеспечения работоспособности установки необходимо проводить оценку состояния блоков и устройств установки по результатам самодиагностики, выводимым на ЖКИ блока индикации и передающихся во внешний информационный канал, а также состоянию блоков детектирования путем периодической энергетической градуировки.
Выполнение операций энергетической градуировки по 2.3.5.1 и проверки работоспособности установки (деградации блоков детектирования) по 2.3.5.2 проводится при первом включении установки на месте эксплуатации и после длительного пребывания установки в выключенном состоянии, но не реже одного раза в месяц, при этом фиксируются и оцениваются, в том числе, скорости счета блоков детектирования.
О необходимости выполнения операций энергетической градуировки сообщается появлением символа «CLB» на ЖКИ блока индикации.
Выполнение процедуры проверки эффективности регистрации по 2.3.5.3 проводится при проведении первичной поверки или процедур, приравненных к ней (после ремонта аппаратуры).
-
2.3.5.1 Градуировка установки по энергии
Для проведения градуировки:
- поместить контрольный источник (активностью порядка 9000 Бк) на штатное место в соответствии с рисунками 2.1, 2.2;
- включить установку;
- дождаться появления сообщения «Удалить источник» на ЖКИ блока индикации по окончании процедуры градуировки;
- удалить источник.
Непоявление символа «CLB» на ЖКИ блока индикации говорит об успешном проведении градуировки.

Рисунок 2.1

Рисунок 2.2
-
2.3.5.2 Определение скорости счёта от контрольного источника
Процедура выполняется одновременно с проведением энергетической градуировки следующим образом:
-
1) установить контрольный источник из комплекта поставки на штатное место;
-
2) включить установку без прокачки воздуха в режиме измерения контрольного источника;
-
3) зафиксировать появившиеся на ЖКИ блока индикации скорости счета прег1 и прег2 (с-1), где прег1 - скорость счёта в пике 511 кэВ, прег2 - скорость счёта в пике 1274 кэВ;
-
4) повторить процедуру 3) четыре раза, определить средние значения прег1 и прег2;
-
5) удалить контрольный источник, развернуть его на 180° вокруг оси и вновь поместить в держателе на штатное место;
-
6) повторить процедуры 2) - 3), получить средние значения п'рег1 и п'рег2.
После измерения скорости счета необходимо рассчитать ожидаемую скорость счёта пож1,2, с-1, от контрольного источника на момент проведения измерений по формуле
Пож 1,2 П1,2 • e
-0,693-t/T1/2
5
(2.1)
где п1 - скорость счёта в пике 511 кэВ,
п2 - скорость счёта в пике 1274 кэВ контрольного источника из свидетельства о последней
поверке установки;
t - промежуток времени, лет, отсчитанный от даты последней поверки;
Т1/2 = 2,6 года - период полураспада 22Na.
Установка считается прошедшей контроль работоспособности, если выполняются неравенства
прег1,2 - пож1,2
•100 < 10%
пож1,2
Прег1,2 пож1,2
•100<10%,
(2.2)
(2.3)
пож1,2
В противном случае необходимо провести отладку и внеочередную поверку установки.
-
2.3.5.3 Градуировка установки по эффективности регистрации
Для проведения градуировки:
-
1) поместить источник ОСГИ-Р (137Cs) в сорбционную ловушку в соответствии с рисунками 2.3, 2.4, 2.5;
-
2) включить установку без прокачки воздуха и выполнить измерения в режиме градуировки по эффективности регистрации с использованием программы «Конфигуратор»;
-
3) дождаться появления рассчитанного коэффициента эффективности на линии 662 кэВ (132I), занести полученное значение в энергонезависимую память установки.
Примечания
-
1 Градуировка установки по эффективности регистрации проводится в случаях, указанных в 2.3.5. Градуировку проводят лица, аттестованные в установленном порядке на право поверки данных средств измерений.
-
2 При необходимости занесения рассчитанных значений коэффициентов энергетической градуировки в энергонезависимую память установки используют программу «Конфигуратор» и дополнительную программу «Поверка УДИ-1Б» ФВКМ.001006-01. Полученные градуировочные коэффициенты вносятся в соответствующие поля вкладки «Градуировка» программы «Конфигуратор».
Рисунок 2.3

Рисунок 2.4

Рисунок 2.5
-
2.3.6 Зарядка и обслуживание аккумуляторной батареи
Для обеспечения автономной работы установки при отсутствии сетевого напряжения 220 В используется аккумуляторный блок, аккумуляторная батарея которого выполнена на Ni-Cd аккумуляторах. На последних этапах зарядки происходит активное газообразование, поэтому зарядка должна происходить при открытой крышке аккумуляторного блока.
Встроенная в аккумуляторный блок схема контроля позволяет получать информацию о:
- остаточной ёмкости аккумуляторной батареи, %,
- напряжении на аккумуляторной батареи, В,
- токе потребления установки, А.
Значения данных параметров выводятся на ЖКИ зарядного устройство с блока управления зарядом аккумуляторов, расположенных под крышкой аккумуляторного блока, как показано на рисунке 2.6. Кроме того, на ЖКИ при помощи подстрочных символов отображается режим работы зарядного устройства:
- режим нормального заряда;
- режим экспресс заряда;
- режим поддерживающего заряда;
- режим обслуживания аккумулятора.

Рисунок 2.6
Запуск того или иного режима заряда осуществляется при наличии напряжения 220 В на разъёме «220 В, 50 Гц, 4 А» путем перевода тумблера в положение «ВКЛ» при удержании одной из кнопок на панели, показанной на рисунке 2.7:
- режим нормального заряда - перевод тумблера блока управления зарядом аккумуляторов в положение «ВКЛ» без удержания каких либо кнопок по 2.3.6.1;
- режима экспресс заряда - перевод тумблера блока управления зарядом аккумуляторов в положение «ВКЛ» при удержании кнопки «ЗАРЯД» по 2.3.6.2;
- режима обслуживания - перевод тумблера блока управления зарядом аккумуляторов в положение «ВКЛ» при удержании кнопки «ОБСЛУЖ.» по 2.3.6.3;
- режим поддерживающего заряда - включается автоматически при завершении любого из перечисленных выше режимов.

-
2.3.6.1 Режим нормального заряда применяется для текущей зарядки аккумуляторной батареи и позволяет зарядить её до максимальной ёмкости при минимальном газовыделении в процессе заряда.
-
2.3.6.1.1 При наличии напряжения 220 В на разъёме «220 В, 50 Гц, 4 А» переводом тумблера на аккумуляторном блоке в положение «ВКЛ» без удержания каких либо кнопок на панели запустить режим нормального заряда.
-
2.3.6.1.2 Включение данного режима индицируется свечением светодиода, расположенного между кнопками «ЗАРЯД» и «ОБСЛУЖ.», а так же появлением подстрочного символа на ЖКИ в знакоместе «Заряд», «Норм.».
-
2.3.6.1.3 По окончании заряда светодиод и подстрочный символ гаснут, зарядка завершена. Перевести тумблер на аккумуляторном блоке в положение «ВЫКЛ».
-
-
2.3.6.2 Режим экспресс заряда применяется для скоростной зарядки аккумуляторной батареи и позволяет зарядить ее до значения близкого к 80 % ёмкости за минимальное время:
-
2.3.6.2.1 При наличии напряжения 220 В на разъёме «220 В, 50 Гц, 4 А» переводом тумблера на аккумуляторном блоке в положение «ВКЛ» при удержании кнопки «ЗАРЯД» на панели запустить режим экспресс заряда.
-
2.3.6.2.2 Включение данного режима индицируется свечением светодиода, расположенного между кнопками «ЗАРЯД» и «ОБСЛУЖ.», а так же появлением подстрочного символа на ЖКИ в знакоместе «Заряд», «Экспресс».
-
2.3.6.2.3 По окончании заряда светодиод и подстрочный символ гаснут, зарядка завершена. Перевести тумблер на аккумуляторном блоке в положение «ВЫКЛ».
-
-
2.3.6.3 Режим обслуживания применяется для проведения периодического технического обслуживания аккумуляторной батареи.
-
2.3.6.3.1 В процессе штатной эксплуатации от цикла к циклу происходит некоторое снижение ёмкости отдаваемой полностью заряженным аккумулятором, связанное с некоторой неравномерностью заряда и разряда отдельных аккумуляторов во всей аккумуляторной батареи. В режиме обслуживания в автоматическом режиме проводится несколько циклов разряд - заряд до достижения минимальной допустимой ёмкости аккумуляторной батареи.
-
В данном режиме помимо обычного заряда происходит длительный уравнивающий заряд, позволяющий в значительной степени выровнять параметры отдельных аккумуляторов. По окончании заряда аккумуляторная батарея находится в заряженном состоянии.
-
2.3.6.3.2 При наличии напряжения 220 В на разъёме «220 В, 50 Гц, 4 А» и переводе тумблера на аккумуляторном блоке в положение «ВКЛ» при удержании кнопки «ОБСЛУЖ.» на панели запускается режим обслуживания аккумуляторной батареи.
-
2.3.6.3.3 Включение данного режима индицируется свечением светодиода, расположенного между кнопками «ЗАРЯД» и «ОБСЛУЖ.», а так же появлением подстрочного символа на ЖКИ в знакоместе «Обслуживания». При этом в цикле разряда аккумуляторной батареи горит только подстрочный символ в знакоместе «Обслуживания», а в цикле заряда и «Обслуживание» и «Заряд».
-
2.3.6.3.4 По окончании обслуживания и достижении ёмкости аккумуляторной батареи 80 % светодиод и подстрочный символ гаснут. Аккумуляторная батарея полностью заряжена. Перевести тумблер на аккумуляторном блоке в положение «ВЫКЛ».
При эксплуатации изменение параметров и настроек установки не производится.
-
3 ТЕХНИЧЕСКОЕ ОБСЛУЖИВАНИЕ
Техническое обслуживание установки производится с целью обеспечения ее работоспособности в течение всего срока эксплуатации.
3.2 Меры безопасности-
3.2.1 Перед началом работы с установкой необходимо ознакомиться с настоящим руководством по эксплуатации.
-
3.2.2 Все работы, связанные с эксплуатацией установки, необходимо выполнять в соответствии с:
- СанПиН 2.6.1.2523-09 «Нормы радиационной безопасности (НРБ-99/2009)»;
- СП 2.6.1.2612-10 «Основные санитарные правила обеспечения радиационной безопасности (ОСПОРБ-99/2010)»;
- РД 153-34.0-03.150-00 «Межотраслевые правила по охране труда (Правила безопасности) при эксплуатации электроустановок (ПОТ Р М-016-2001)».
-
3.2.3 К обслуживанию установки допускается технический персонал, имеющий навыки работы с радиометрической аппаратурой и знакомый с ПЭВМ на уровне пользователя.
-
3.2.4 При работе следует обращать особое внимание на состояние сетевого кабеля питания и сетевого тумблера - в этих местах может появиться напряжение, опасное для жизни.
-
3.2.5 Все подключения и отключения кабелей следует производить только при выключенном сетевом выключателе. При использовании установки в составе информационноизмерительных систем допускается «горячее» подключение и отключение кабелей, т.е. без выключения установки. При этом должно быть обеспечено подключение защитного заземления к соответствующим точкам на установке и оборудовании, принимающем сигналы от установки.
-
3.2.6 Извлечение отработанных фильтров и кассет с сорбентом необходимо проводить в перчатках. Дыхательные пути обслуживающего персонала должны быть защищены респиратором типа «лепесток».
-
3.2.7 Отработанные кассеты с сорбентом и фильтры должны быть уложены в специальные упаковки из состава расходных материалов, на упаковки должны наклеиваться знаки радиационной опасности.
-
3.2.8 Отработанные в процессе эксплуатации кассеты с сорбентом и фильтры подлежат утилизации с последующим захоронением в соответствии с требованиями раздела 8.
Техническое обслуживание производится при хранении и регулярной эксплуатации установки и состоит в своевременной замене фильтров и кассет с сорбентом, общем осмотре, чистке от пыли и загрязнений (дезактивации, утилизации фильтров и кассет), подзарядки и обслуживания аккумуляторной батареи.
-
3.3.1 Общий осмотр установки
Общий осмотр установки проводится для своевременного обнаружения и устранения факторов, которые могут повлиять на работоспособность и безопасность.
Общий осмотр производится при каждой замене сорбционной ловушки или фильтра.
При общем осмотре визуально определяется состояние кабелей и органов управления, надежность крепления установки (в случае стационарного размещения), наличие радиационного загрязнения.
-
3.3.2 Замена кассеты с сорбентом
Замена кассеты с сорбентом производится при появлении сообщения о загрязнении сорбента на ЖКИ блока индикации или на сервере информационной сети при работе в составе системы радиационного контроля, но не реже одного раза в три месяца при постоянной эксплуатации установки в нормальной радиационной обстановке.
Кассету с сорбентом заменяют вместе с сорбционной ловушкой. Перед заменой необходимо приготовить сменную сорбционную ловушку с установленной кассетой. Снятую сорбционную ловушку, не удаляя из нее отработанную кассету с сорбентом, необходимо аккуратно упаковать в полиэтиленовый пакет. При извлечении кассета с сорбентом может пылить, поэтому рекомендуется вскрывать сорбционную ловушку и заменять кассету с сорбентом в вытяжном шкафу.
Для замены сорбционной ловушки необходимо:
- выключить установку;
- открыть крышку;
- с помощью механизма верхней крышки блока сорбционной ловушки открыть его;
- удалить сорбционную ловушку в соответствии с рисунком 2.3;
- установить на место новую сорбционную ловушку;
- установить крышку на место в соответствии с рисунком 2.4;
- закрыть крышку в соответствии с рисунком 2.5.
-
3.3.3 Замена аэрозольного фильтра
Замена входного аэрозольного фильтра производится при появлении сообщения о загрязнении фильтра на ЖКИ блока индикации или на сервере информационной сети при работе в составе системы радиационного контроля, но не реже одного раза в три месяца при постоянной эксплуатации установки в нормальной радиационной обстановке.
Для замены фильтр необходимо открутить накидную гайку, вынуть загрязненный фильтр и заменить его на новый.
-
3.3.4 Дезактивация
-
3.3.4.1 Дезактивация установки проводится в соответствии с регламентом работ по дезактивации, действующем на эксплуатирующем предприятии, но не реже одного раза в месяц.
-
Наружные поверхности блоков, кассета после извлечения отработанного фильтрующего материала и ёмкость для сорбционной ловушки дезактивируются пенным аэрозольным средством «Раддез-П» в соответствии с прилагаемой инструкцией или штатными растворами 1) и 2) по 1.2.37. После обработки необходимо обтереть поверхности безворсной тканью, смоченной в дистиллированной воде, а затем просушить фильтровальной бумагой.
-
3.3.4.2 Разъёмы кабельных выводов и ЖКИ блока индикации дезактивируют раствором
-
3) по 1.2.37. Дополнительной обработки дистиллированной водой и просушки фильтровальной бумагой не требуется.
-
3.3.4.3 В случае необходимости проводится чистка ЖКИ блока индикации или других частей от пыли и загрязнений чистой ветошью.
-
3.3.4.4 Отработанные в процессе эксплуатации фильтры и кассеты с сорбентом подлежат утилизации с последующим захоронением.
-
3.3.5 Подзарядка аккумуляторной батареи
-
3.3.5.1 Подзарядка аккумуляторной батареи производится в зависимости от интенсивности использования установки, но не реже одного раза в три месяца при хранении на отапливаемом складе.
-
Для подзарядки аккумуляторной батареи необходимо выполнить действия по 2.3.6.1.
-
3.3.5.2 Температура воздуха в помещении, где производится зарядка аккумуляторной батареи, должна находиться в диапазоне от 0 до +40 °С.
-
3.3.6 Обслуживание аккумуляторной батареи
-
3.3.6.1 Обслуживание аккумуляторной батареи производится один раз на 20 циклов заряда - разряда, но не реже одного раза в год.
-
Для выполнения обслуживания аккумуляторной батареи необходимо выполнить действия по 2.3.6.3.
-
3.3.6.2 Температура воздуха в помещении, где происходит обслуживание аккумуляторной батареи должна находиться в диапазоне от +15 до +25 °С.
-
4 МЕТОДИКА ПОВЕРКИ
-
4.1.1 Поверку установки проводят юридические лица или индивидуальные предприниматели, аккредитованные в установленном порядке на право поверки данных средств измерений. Требования к организации, порядку проведения поверки и форма представления результатов поверки определяются ПР 50.2.006-94 «Государственная система обеспечения единства измерений. Порядок проведения поверки средств измерений».
-
4.1.2 Поверке подлежат все вновь выпускаемые, выходящие из ремонта и находящиеся в эксплуатации установки.
Первичная поверка производится при выпуске установки из производства и после её ремонта.
Периодическая поверка производится при эксплуатации установок, а также при их вводе в эксплуатацию, если срок хранения превысил межповерочный интервал.
-
4.1.3 Межповерочный интервал составляет один год.
-
4.2.1 При проведении поверки должны выполняться операции указанные в таблице 4.1.
Таблица 4.1 - Перечень операций при проведении поверки
Наименование операции |
Номер пункта документа по поверке |
Проведение операций при | |
первичной поверке |
периодической поверке | ||
Внешний осмотр |
4.5.1 |
Да |
Да |
Опробование |
4.5.2 |
Да |
Да |
Измерение собственной фоновой объёмной активности |
4.5.3 |
Да |
Да |
Определение основной относительной погрешности измерений объёмной активности радионуклидов йода |
4.5.4 |
Да |
Да |
Определение скорости счёта от контрольного источника |
4.5.5 |
Да |
Да |
Обработка результатов измерений |
4.6 |
Да |
Да |
Оформление результатов поверки |
4.7 |
Да |
Да |
4.2.2 При проведении поверки применяются основные и вспомогательные средства поверки, приведенные в таблице 4.2.
Таблица 4.2 - Перечень основных и вспомогательных средств поверки | |
Номер пункта документа по поверке |
Наименование и тип (условное обозначение) основного или вспомогательного средства поверки; обозначение нормативного документа, регламентирующего технические требования, и (или) метрологические и основные технические характеристики средства поверки |
4.5.5 |
Источники радионуклидные закрытые фотонного излучения эталонные ОСГИ-Р на основе 137Cs - рабочий эталон 2 разряда активностью 1000 -6000 Бк, погрешность ±6 % |
4.5.5 |
Счетчик газа СГБ типоразмера G4-1 по ГОСТ Р 50818-95. Пределы погрешности измерения ±1,5 % при расходе газа от 0,4 до 6 м3/ч |
4.5.6 |
Контрольный источник из комплекта поставки |
4.5.2 |
ПЭВМ с программным обеспечением «Конфигуратор» ФВКМ.001005-07 |
4.5.4 |
Сорбционная ловушка с чистым фильтрующим материалом |
4.5.5 |
Соединительный шланг для подключения счетчика газа |
4.5.5 |
Секундомер. Класс точности 2 |
Примечание - Возможно применение других средств с аналогичными характеристиками, обеспечивающих определение метрологических характеристик поверяемых средств измерений с требуемой точностью. |
-
4.3.1 При поверке должны выполняться требования безопасности, изложенные в 3.2 и в документации на применяемые средства поверки и оборудование.
-
4.4.1 При проведении поверки должны соблюдаться нормальные условия:
-
- температура окружающего воздуха..................................................+(20 ±5) °С;
-
- относительная влажность воздуха................................................от 30 до 80 %;
-
- атмосферное давление......................................................от 86,0 до 106,7 кПа;
-
- напряжение питающей сети........................................................... (220 ±4,4) В;
-
- частота питающей сети.................................................................(50 ±0,5) Гц;
-
- естественный фон ионизирующего излучения........................ не более 0,2 мкЗв^ч'1.
-
4.4.2 Операции, проводимые со средствами поверки и с поверяемой установкой, должны соответствовать указаниям, приведенным в эксплуатационной документации на них.
-
4.4.3 Перед проведением поверки необходимо подготовить источник ОСГИ-Р на основе 137Cs с активностью 1000 Бк к измерениям, для чего:
-
1) определить активность источника на дату проведения поверки по формуле
Ao = Апасп • e-0,693-t,Ti-2, (4.1)
где Апасп - значение активности источника из свидетельства о последней поверке, Бк;
t - время, прошедшее со времени последней поверки ОСГИ-Р, лет;
Т1/2 = 30,17 лет - период полураспада 137Cs;
-
2) обеспечить закрепление источника в центре крышки сорбционной ловушки при помощи держателя КИ ФВКМ.711622.003.
-
4.4.4 Подготовить установку к поверке следующим образом:
-
1) установить установку на место проведения поверки;
-
2) подключить кабель DB9M - DB9F к разъёму «RS232», расположенному в измерительном блоке на вертикальной поверхности панели с тумблерами «12В» и «220В», и к разъёму последовательного порта на ПЭВМ;
-
3) установить на ПЭВМ программу «Конфигуратор».
-
4.4.4 Перед включением и проведением поверки выдержать установку в условиях, установленных в 4.4.1, в течение не менее 4 ч.
-
4.5.1 Внешний осмотр
При внешнем осмотре должно быть установлено:
-
- соответствие комплектности установки;
-
- наличие эксплуатационной документации;
-
- отсутствие дефектов, влияющих на работу установки.
Результаты внешнего осмотра считают положительными, если: установка поступила в поверку в комплекте с паспортом ФВКМ.412123.009ПС, состав соответствует указанному в разделе 3 ФВКМ.412123.009ПС, отсутствуют дефекты, влияющие на работу установки.
-
4.5.2 Опробование
При проведении опробования:
-
1) подключить установку к источнику сетевого питания;
-
2) включить установку в режиме измерения активности с включенной прокачкой и наблюдать за результатами самотестирования;
-
3) включить ПЭВМ;
-
4) провести идентификацию программы «Конфигуратор» на соответствие данным, указанным в приложении Г и показаниям на ЖКИ блока индикации:
-
- наименование программного обеспечения,
-
- идентификационное наименование программного обеспечения,
-
- номер версии (идентификационный номер) программного обеспечения,
-
- цифровой идентификатор программного обеспечения (контрольная сумма исполняемого кода),
-
- алгоритм вычисления цифрового идентификатора программного обеспечения;
-
5) проверить наличие коэффициентов энергетической градуировки, эффективности регистрации в соответствующих полях вкладки «Градуировка» программы «Конфигуратор», при необходимости - получить коэффициенты в соответствии с 2.3.5;
-
6) провести проверку работоспособности установки по 2.3.5.2.
Установка признается работоспособной в случае успешного прохождения процедур проверки совпадения идентификационных параметров программы «Конфигуратор», наличия соответствующих коэффициентов, самотестирования и проверки работоспособности.
-
4.5.3 Измерение собственной фоновой объёмной активности
Измерение собственной фоновой объёмной активности установки выполнить следующим образом:
-
1) подготовить установку для работы в режиме измерения активности без прокачки, поместить на штатное место сорбционную ловушку, заполненную чистым фильтрующим материалом, включить установку;
Примечание - Допускается измерения фоновой активности проводить без сорбционной ловушки.
-
2) через 30 мин зафиксировать значения активности радионуклида йода на фильтре, Бк, по показаниям на ЖКИ блока индикации и на соответствующем поле вкладки «Измерения» программы «Конфигуратор»;
-
3) повторить процедуру 2) 10 раз;
Примечание - Результат измерений фоновой активности в режиме измерения с чистой сорбционной ловушкой без прокачки численно равен фоновой объёмной активности.
-
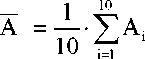
4) рассчитать среднее значение фоновой активности по всем радионуклидам йода Аф, регистрируемых установкой по формуле
— 1 10
АФ = 10-Z Аф.. (4.2)
где Аф. - измеренные значения фоновой активности установки, Бк.
. - номер измерения;
Примечание - Фоновую активность установки выражают в единицах объёмной активности для соразмерности фоновой и измеряемой величин, поэтому зарегистрированную детектором активность нормируют на единицу прокачиваемого объёма воздуха.
Убедиться, что фоновая активность установки не превышает значения 1,0 Бюм’3. В противном случае устранить причину и повторить процедуру измерения.
-
4.5.4 Определение основной относительной погрешности измерений объёмной активности радионуклидов йода
Для определения основной относительной погрешности измерений объёмной активности радионуклидов йода следует определить основную относительную погрешность измерений объёма прокачанного воздуха и основную относительную погрешность измерений активности источника 137Cs для энергии 662 кэВ на фильтре сорбционной ловушки установки.
-
4.5.4.1 Для определения основной относительной погрешности измерений объема прокачанного воздуха:
-
1) открыть крышку измерительного блока;
-
2) подготовить установку к работе:
-
- открутить против часовой стрелки защиту входного патрубка воздуха,
-
- прикрутить к открывшемуся штуцеру стальной штуцер «елочка» G1/2/20 мм (ВР),
-
- присоединить к счетчику газа комплект труб согласно ОЖЖЧ.407351.003ПС для обеспечения корректной схемы измерения,
-
- соединить шлангом входной штуцер установки с выходным штуцером счетчика газа;
-
3) зафиксировать начальное показание счетчика газа Х0 , м3;
-
4) включить установку, проконтролировать запуск насоса;
-
5) через 15 мин остановить прокачку, для чего нажать и удерживать в течение 5 с кнопку-концевик крышки измерительного блока, после чего кнопку отпустить;
-
6) проконтролировать остановку насоса;
-
7) зафиксировать измеренные значения объема прокаченного воздуха Xi, м3, счетчиком газа и установкой Yi, м3, где i=1, 2...10 количество измерений;
-
8) повторить процедуры 3) - 8) 10 раз;
-
9) определить фактическое значение объёма прокаченного воздуха счетчиком газа по
формуле
(4.3)
-
10) определить относительную разницу в показаниях счетчика газа и установки при i-ом
5i измерении, в процентах, по формуле
Yi - Xi
(4.4)
-
11) рассчитать относительную погрешность измерений объёма прокачанного воздуха 5v, в процентах, по формуле
(4.5)
v 10 i i
Убедиться, что относительная погрешность измерений объёма прокаченного воздуха 5v не превышает ±10 %, в противном случае провести проверку тракта прокачки воздуха. Устранить причину и повторить поверку по 4.5.4.1.
Отсоединить шланг от входного штуцера установки и выходного штуцера счетчика газа. Установить на место защиту входного патрубка воздуха установки.
-
4.5.4.2 Для определения основной относительной погрешности измерений активности источника 137Cs на фильтре сорбционной ловушки:
-
1) подготовить установку к работе в режиме измерения активности на фильтре, для чего поместить источник ОСГИ-Р (137Cs) активностью 1000 Бк в держатель КИ ФВКМ.711622.003;
-
2) установить держатель КИ ФВКМ.711622.003, вместо сорбционной ловушки;
-
3) включить установку в режиме без прокачки воздуха;
-
4) дождаться появления результата в окне «Накопительная активность на фильтре 132I, Бк» на вкладке «Измерения» программы «Конфигуратор», зафиксировать результат измерения по методу «накопления», выключить установку;
-
5) повторить процедуры 3) - 4) 10 раз.
Примечание - Результат измерения активности точечного источника в сорбционной ловушке в режиме измерения без прокачки воздуха численно равен значению объёмной активности источника с учетом коэффициента перехода от активности точечного источника к активности объёмного источника.
-
6) рассчитать среднее арифметическое значение измеренных активностей Ai, Бк/м3, по формуле
(4.6)
где i- порядковый номер результатов измерений;
-
7) определить значение основной относительной погрешности измерений активности источника на фильтре сорбционной ловушки по формуле
5аф
= 1,1 •
( Ао - А/Кто
•100
1 Ао
)
2
+sA
A0
(4.7)
где А0 - рассчитанная по формуле (4.1) активность источника ОСГИ-Р 137Cs в сорбционной ловушке, Бк;
КТ-0 - коэффициент перехода от активности точечного источника к активности объёмного источника, м-3 (К = 1,85 м-3);
бА - погрешность аттестации активности ОСГИ-Р на основе 137Cs (из свидетельства о поверке), %.
-
4.5.5 Определение скорости счёта от контрольного источника
Определение скорости счёта от контрольного источника выполнить в соответствии с 2.3.5.2. Установка считается прошедшей контроль работоспособности, если выполняются неравенства (2.2) и (2.3).
В противном случае необходимо устранить причину и повторить поверку установки.
-
4.6 Обработка результатов измерений Рассчитать основную относительную погрешность измерений объёмной активности 5A , в процентах, по формуле
8а„. = 1,1 J 5Аф + SV (4.8)
где 5Аф - погрешность измерения активности ОСГИ-Р на основе 137Cs на фильтре, %, рассчитанная по формуле (4.7);
5V - относительная погрешность измерений объёмного расхода воздуха, рассчитанная по формуле (4.5), %.
Результаты поверки считают положительными, если:
-
- среднее значение собственной фоновой объёмной активности установки не превышает 1,0 Бк/м3;
-
- для средних скоростей счёта от контрольного источника в пиках 511 кэВ и 1274 кэВ выполняются неравенства (2.2) и (2.3);
-
- основная относительная погрешность измерений активности источника 137Cs на фильтре сорбционной ловушки не превышает ±20 %;
-
- основная относительная погрешность измерений объёма прокачанного воздуха не превышает ±10 %;
-
- основная относительная погрешность измерений объёмной активности радионуклидов йода не превышает ±50 %.
-
4.6.1 Положительные результаты поверки установки оформляются в соответствии с ПР 50.2.006-94.
В свидетельство о поверке заносятся значения:
-
- основной относительной погрешности измерений объёма прокачиваемого воздуха;
-
- основной относительной погрешности измерений активности источника 137Cs на фильтре;
- средней скорости счёта от контрольного источника в пиках 511 кэВ и 1274 кэВ;
- основной относительной погрешности измерений объёмной активности радионуклидов йода.
-
4.6.2 При отрицательных результатах поверки выдается извещение о непригодности установки и применение её не допускается.
-
5.1 Текущий ремонт установки заключается в восстановлении поврежденных кабелей и разъёмов.
Узлы установки в случае выхода из строя подлежат замене на предприятии-изготовителе.
6 ХРАНЕНИЕ-
6.1 Установку до введения в эксплуатацию следует хранить в отапливаемом, вентилируемом сейсмостойком помещении с жестким фундаментом:
- в упаковке предприятия-изготовителя при температуре окружающего воздуха от +5 до +40 °С и относительной влажности до 80 % при +25 °С;
-
- без упаковки при температуре окружающего воздуха от +10 до +35 °С и относительной влажности до 80 % при +25 °С.
-
6.2 В помещении для хранения не должно быть пыли, паров кислот и щелочей, агрессивных газов и других вредных примесей, вызывающих коррозию. Место хранения должно исключать попадание прямого солнечного света на установку.
-
7.1 Установка в упаковке предприятия-изготовителя может транспортироваться всеми видами транспорта на любые расстояния:
-
- перевозка по железной дороге должна производиться в крытых чистых вагонах;
-
- при перевозке воздушным транспортом ящики должны быть размещены в герметичном отапливаемом отсеке;
-
- при перевозке водным и морским транспортом ящики должны быть размещены в трюме.
-
7.2 Размещение и крепление ящиков на транспортных средствах должны обеспечивать устойчивое положение при следовании в пути, отсутствие смещения и ударов друг о друга.
-
7.3 При погрузке и выгрузке должны соблюдаться требования надписей, указанных на транспортной таре.
-
7.4 Условия транспортирования:
-
- температура...........................................................от минус 60 до плюс 50 °С;
-
- влажность.........................................................................до 95 % при 35 °С;
-
- синусоидальные вибрации.............................. в диапазоне частот от 10 до 500 Гц
с амплитудой смещения для частоты ниже частоты перехода не более 0,35 мм и ускорением для частоты выше частоты перехода 49,0 м/с2;
-
- ударов при свободном падении с высоты не более 25 мм.
-
8.1 По истечении полного срока службы установки (её составных частей), перед отправкой на ремонт или для проведения поверки необходимо провести обследование на наличие радиоактивного загрязнения поверхностей.
Критерии для принятия решения о дезактивации и дальнейшем использовании изложены в разделе 3 ОСПОРБ-99/2010.
-
8.2 Дезактивацию следует проводить растворами в соответствии с 3.3.3 в тех случаях, когда уровень радиоактивного загрязнения поверхностей установки (в том числе доступных для ремонта) может быть снижен до допустимых значений в соответствии с разделом 8 НРБ-99/2009 и разделом 3 ОСПОРБ-99/2010.
-
8.3 В соответствии с разделом 3 СПОРО-2002 допускается в качестве критерия о дальнейшем использовании установки, загрязненной неизвестными гамма-излучающими радионуклидами, использовать мощность поглощённой дозы у поверхностей (0,1 м).
-
8.4 В случае превышения мощности дозы в 1 мкГр/ч (1 мкЗв/ч) над фоном после дезактивации или превышения допустимых значений уровня радиоактивного загрязнения поверхностей к установки предъявляются требования как к радиоактивным отходам (РАО).
РАО подлежат классификации и обращению (утилизации) в соответствии с разделом 3 СПОРО-2002.
-
8.5 Установка, допущенная к применению после дезактивации, подлежит ремонту или замене в случае выхода из строя. Непригодная для дальнейшей эксплуатации установка, уровень радиоактивного загрязнения поверхностей которой не превышает допустимых значений, должна быть демонтирована, чтобы исключить возможность её дальнейшего использования, и направлена на специально выделенные участки в места захоронения промышленных отходов.
Установка с истекшим сроком службы, допущенная к использованию после дезактивации, подвергается обследованию технического состояния. При удовлетворительном техническом состоянии установка подлежит поверке и определению сроков дальнейшей эксплуатации.
-
8.6 Отработанные в процессе эксплуатации кассеты и фильтры установки подлежат утилизации и захоронению в соответствии с требованием регламентов по обслуживанию оборудования эксплуатирующих организаций.
Приложение А
(обязательное)
ГАБАРИТНЫЕ И ПРИСОЕДИНИТЕЛЬНЫЕ РАЗМЕРЫ
Рисунок А.1 - Блок аккумуляторный
ФВКМ.412123.009РЭ
5S4

496,5

Рисунок А.2 -
измерительный

ФВКМ.412123.009РЭ



222

Рисунок А.З
Блок индикации
Приложение Б
(обязательное)
СХЕМА ЭЛЕКТРИЧЕСКАЯ СОЕДИНЕНИЙ

Схема заземления блоков
—
А9
Насосный блок
0XL3 gttt
А11
XL6 Плата
0 термоконтроля
Измерительный блок
XI! ф
XL8
АЗ
Кросс-плата
Каркас
[----
I
лиг
Л 7
А1 0-
Корзина
А10
XL5 Теплообменник
'^0 XL9
Блок питания
---® XL 10
А17
Патч-панель
0XL11
Блок Внешних разъем об

(измер./
А1
Приложение В (обязательное)
СХЕМА ЭЛЕКТРИЧЕСКАЯ ПОДКЛЮЧЕНИЙ
А2
ФВКМ.412123.009РЭ

А1
Рис.1
Подключение питания от Бортовой сети автомоВиля


“Питание БОП"
"GSM/OPS"

“MODBUS"
'12В АКБ
"MPT-M/RD-02
“Ethernet"
-
1. Схемы распаек каЗелей см. лист 2
-
2. "Модули OSM и GPS могут находиться как Внутри Блока измерительного, так и снаружи
-
3. Блок измерительный А1 можно подключить к сети 220В напрямую Без Блока аккумуляторного А2 при помощи каВеля 7
Схемы распайки каЗелей;
4. КаЗель связи с БОП многожильный, длина
ФВКМ.685631.553, каЗель S-FTP 4х2/0,5 кат.5
5 м
1 КаЗель питания ФВКМ.685631.581, провод ПВС 3x0,75, длина 3 м
Х1 Х2
41 □j Сэ сз |
Цепь |
Конт. |
GND |
1 | |
L |
2 | |
N |
3 | |
4 |
Конт. |
Цепь |
й м* С5 I ч =3 Сз СТ] < |
1 |
GND | |
2 |
L | |
3 |
N | |
4 |
ФВКМ.412123.009РЭ
2. КаЗель питания + 12В, ФВКМ.685631.550, каЗель КМПВ 7x0,5, длина 3 м

Х17

5. КаЗель питания БОП-Атлант ФВКМ.685631.552, провод ПВС 2x0,75, длина 5 м
3. КаЗель Злока индикации ФВКМ.685631.548, каЗель S-FTP 4х2/0,5 кат.5 многожильный, длина 5 м,
3-01 КаЗель Злока индикации ФВКМ.685631.548-01 - длина 0,7 м
Х5 Х9
о? сз -п Qj К, ц- СТ] |
Цепь |
Цвет провода |
я#. |
/Т г 7} |
Цвет „Довода |
Цепь |
о? о ,Qj 2 Р ■Г] | |
DAT+ |
зеленый |
1 |
1 |
зеленый |
DAT+ | |||
>\ / ' I , / 1 | ||||||||
DAT- |
д/зел |
2 |
2 |
5/зел. |
DAT- | |||
1 7 1 L 1 | ||||||||
+12V |
оранж. синий |
3 |
<U---—> |
3 |
оранж. синий |
+ 12V | ||
GND |
6/ оранж З/синий |
4 |
. . |
4 |
5/ оранж. 3/с№ш |
GND | ||
GND |
экран |
5 |
5 |
экран |
GND | |||
Х18
Конт. |
Цепь | |||||
Х8 |
1 | |||||
Чз I |
Цепь |
Конт. |
2 | |||
+ 12V |
1 |
+12V |
a. | |||
й 4з |
\ / | |||||
+ 12V |
2 |
2 s |
4 |
+ 12V |
§ 4 | |
й |
+ 12V |
3 |
) ( |
| |
+12V |
ч £ ,Ц| к кз tx 4 |
GND |
4 |
Л |
GND | |||
« |
Розетка к ABO 364.0 | |||||
1 Й1 СТ] |
GND |
5 |
; С \ / |
7 |
GND | |
GND |
6 |
) ( |
8 |
GND | ||
9 | ||||||
10 |
6. КаБель MODBUS, каБель FTP-2S, кат 5 одножильный экранированный, длина 300м
ХЮ
10 Кабель связи с Б0П-1ТА ФВКМ.685631596, кабель S-FTP 4x2/0,5 кат.5 многожильный, длина 5 м
Х7

7. Кабель питания ФВКМ.685631.551, провод ПВС 3x0,75, длина 3 м
7-01. КаБель питания ФВКМ. 685631.551-01, провод ПВС 3x0,75, длина 50 м Х6
Ча
I й к.
I
Цепь |
Конт. |
ОАТ+ |
1 |
DAT- |
2 |
LRT ON |
3 |
DR AL |
4 |
TX(out) |
6 |
RX(in) |
7 |
GND |
5 |
ФВКМ.412123.009РЭ
a ьЛ СП « 5 |
Цепь |
Конт. |
GND |
1 | |
L |
2 | |
N |
3 | |
4 |
Х14
Конт. |
Цепь |
§ Oj *33 |
1 |
GND | |
2 |
L | |
3 |
N |
8. КаБель автомобильный +12В ФВКМ. 685631549' провод ПВС 2x0,75 длина 5м Х16
Цепь |
Конт. | |
DAT+ |
1 | |
СО I |
DAT- |
2 |
к. I |
0V |
3 |
Й |
0V |
4 |
GND |
5 | |
& |
+12V |
6 |
чз |
+12V |
7 |
9. КаБель связи с "РАПОС" ФВКМ.685631.554, кабель S-FTP 4х2/0,5 кат.5 многожильный, длина 5 м

ALARM
ТХ
RX
GND

Конт. |
Цепь |
6 |
- |
7 |
- |
8 |
- |
4 |
Bata* |
5 |
Data- |
1 |
+ 12.В |
2 |
- |
3 |
- |
9 |
GND |
10 |
GND |
11. Кабель OSM/uPS ФВКМ.685631.597; кабель Unitronic-FD Р plus 18x0,14, длина Зм
Х15
Х11

12. Кабель 12- Кабель интерфейса Ethernet (IEEE 802.3) ^х2хО,5 SFTP, до 100м
Х13
Конт. |
Цвет провода |
Цепь | |
ТХ1 |
дело-оранжевый |
1 | |
ТХ2 |
оранжевый |
2 | |
RX1 |
бело-зеленый |
3 | |
xb | |||
•А |
RX2 |
зеленый |
6 |
Се | |||
<3 |
резерв |
голубой | |
§ |
резерв |
бело-голубой |
5 |
ОС) | |||
резерв |
дело-коричневый |
7 | |
резерв |
коричневый |
8 | |
экран |

тип соединителя или коммутационной панели определяется на этапе проектирования
Приложение Г
(обязательное)
СПИСОК ПАРАМЕТРОВ, ДОСТУПНЫХ ДЛЯ ОТОБРАЖЕНИЯ
И РЕДАКТИРОВАНИЯ С ПОМОЩЬЮ ПРОГРАММЫ «КОНФИГУРАТОР»Перечень доступных страниц (вкладок) конфигурирования:
- Общие;
- Служебное;
- Настройка измерений;
- Измерения;
- Специальные настройки измерений
- Уставки;
- Градуировка;
- Спектры;
- Сеть;
- Беспроводная связь;
- Инженерные настройки.
Примечание - Вкладки «Служебное», «Градуировка» и «Специальные настройки измерений» отображаются только после перевода программы в режим расширенного доступа. По умолчанию, они являются скрытыми.
Вкладка «Общие»Данная вкладка содержит общие сведения об установке и включает следующие параметры:
-
- Серийный номер - серийный номер подключенной установки.
-
- Текущее время - число, месяц, год, а также часы, минуты и секунды считанного измерения.
-
- Версия программного обеспечения - номер версии внутреннего программного обеспечения подключенной установки.
-
- Версия конструктива прибора - номер версии аппаратной платформы подключенной установки.
-
- Наработка, часов - суммарное время работы установки в часах с момента ввода в эксплуатацию.
-
- Статус устройства - число, определяющее работоспособность или неисправности установки и его побитовая расшифровка. Выявленные неисправности автоматически отмечаются «галочками» и выделяются желтым цветом.
-
- Режим работы - служебный параметр, характеризующий состояние установки в текущий момент времени. В нормальном рабочем режиме в данном поле отображается «0».
Данная вкладка отображается только после перевода программы в режим расширенного доступа. Вкладка содержит следующие параметры:
-
- Режим компоновки проекта - служебный параметр, характеризующий способ компиляции внутреннего программного обеспечения установки.
-
- Сервисные функции - служебный параметр, характеризующий используемые сервисные функции, а также его побитовая расшифровка.
-
- UDP отсылка спектров - служебный параметр, характеризующий передачу установкой информации о полученных спектрах во внешнюю информационную сеть, а также его побитовая расшифровка.
Данная вкладка позволяет управлять процессом измерений, а также настраивать режимы работы и индикации установки. Вкладка содержит следующие параметры:
-
- Измеряемые нуклиды - в данном поле необходимо выбрать (отметить «галочками») те радионуклиды (131I, 132I, 133I , 135I и 123I), для которых установкой должно производиться измерение объемной активности либо активности на сорбционной ловушке.
Значения объемной активности и активности на сорбционной ловушке для радионуклидов, не выбранных в качестве измеряемых, приравниваются установкой к нулю.
В режиме расширенного доступа в отдельной строке также отображается целочисленный десятичный эквивалент данной битовой совокупности.
-
- Приоритетный нуклид - в данном поле необходимо выбрать (отметить «галочкой») приоритетный нуклид - радионуклид, критерий минимизации неопределенности которого определяет момент начала вычислений по всем выбранным радионуклидам.
В режиме расширенного доступа в отдельной строке также отображается целочисленный десятичный эквивалент данной битовой совокупности.
-
- Отображаемый нуклид. Первая строка - в данном поле необходимо выбрать параметр, который будет отображаться на ЖКИ установки в первой информационной строке.
Примечание - На четырехстрочном жидкокристаллическом индикаторе (ЖКИ) установки первая и вторая строки выделены под индикацию режимов работы и состояния устройства, а третья и четвертая строки - для отображения измеряемых значений. Третья и четвертая строки называются информационными.
В режиме расширенного доступа в отдельной строке также отображается целочисленный десятичный эквивалент данной битовой совокупности.
-
- Отображаемый нуклид. Вторая строка - в данном поле необходимо выбрать параметр, который будет отображаться на ЖКИ установки во второй информационной строке.
В режиме расширенного доступа в отдельной строке также отображается целочисленный десятичный эквивалент данной битовой совокупности.
-
- Минимальное время измерения для метода наблюдения (20с ...600с) - в данном поле можно выставить минимальный временной интервал, с которым установкой будет производиться измерение и смена показаний на ЖКИ.
Данная вкладка отображает результаты измерений, производимых установкой, Вкладка содержит следующие параметры:
-
- Объемная активность, Бк/мЛ3 - в данной группе параметров отображаются значения объемных активностей радионуклидов (131I, 132I, 133I , 135I, 123I), измеренных установкой по методу «наблюдения», а также значение суммарной объемной активности радионуклидов йода, измеренное по тому же методу.
-
- Активность на фильтре, Бк - в данной группе параметров отображаются значения активностей радионуклидов (131I, 132I, 133I , 135I, 123I), зарегистрированных на сорбционной ловушке установки и измеренных по методу «наблюдения», а также значение суммарной активности радионуклидов йода, зарегистрированное на сорбционной ловушке, измеренное по тому же методу.
-
- Накопительная объемная активность, Бк/мЛ3 - в данной группе параметров отображаются значения объемных активностей радионуклидов (131I, 132I, 133I, 135I, 123I), измеренных установкой по методу «накопления».
-
- Накопительная активность на фильтре, Бк - в данной группе параметров отображаются значения активностей радионуклидов (131I, 132I, 133I, 135I, 123I), зарегистрированных на сорбционной ловушке установки и измеренных по методу «накопления».
Если радионуклид не выбран в качестве измеряемого, его значения объемной активности и активности на фильтре, отображаемые в описанных выше полях, будут приравнены к нулю
-
- Средняя скорость потока, л/мин - среднее значение скорости потока воздуха через сорбционную ловушку установки при измерении по методу «наблюдения».
-
- Средняя накопительная скорость потока, л/мин - среднее значение скорости потока воздуха через сорбционную ловушку установки при измерении по методу «накопления».
-
- Мгновенная скорость потока, л/мин - мгновенное значение скорости потока воздуха через сорбционную ловушку установки.
-
- Объём прокачанного воздуха, л (на одно измерение) - значение объёма воздуха, прокачанного через сорбционную ловушку установки в течение одного измерения по методу «наблюдения».
-
- Накопительный объём, л (на одно измерение) - значение объёма воздуха, прокачанного через сорбционную ловушку установки в течение одного измерения по методу «накопления».
Данная вкладка отображается только после перевода программы в режим расширенного доступа. Параметры, содержащиеся на вкладке, являются внутренними параметрами установки. Для изменения их значений необходимо привлечение персонала, прошедшего обучение на предприятии-изготовителе НПП «Доза».
Вкладка «Уставки»Данная вкладка отображает значения предупредительных и аварийных уставок, задаваемых для установки. Вкладка содержит следующие параметры:
-
- Предупредительные уставки по объемной активности - данная группа параметров содержит значения объемных активностей радионуклидов (131I, 132I, 133I, 135I, 123I), а также значение суммарной объемной активности радионуклидов йода, соответствующие пороговым уставкам первого уровня (предупредительным).
-
- Аварийные уставки по объемной активности - данная группа параметров содержит значения объемных активностей радионуклидов (131I, 132I, 133I, 135I, 123I), а также значение суммарной объемной активности радионуклидов йода, соответствующие пороговым уставкам второго уровня (аварийным).
-
- Уставки срабатывания выходного СК по объемной активности - значения объемных активностей радионуклидов йода, при которых должно происходить замыкание/размыкание выходного сухого контакта.
-
- Минимально допустимая скорость потока, л/мин - значение минимальной скорости потока воздуха через сорбционную ловушку установки, при котором установка является работоспособной.
-
- Максимально допустимая скорость потока, л/мин - значение максимальной скорости потока воздуха через сорбционную ловушку установки, при котором установка является работоспособной.
Данная вкладка отображается только после перевода программы в режим расширенного доступа. Вкладка содержит следующие служебные параметры:
-
- Коэффициент энергетической градуировки A осн. Детектора - значение коэффициента А зависимости «энергия - канал» для основного детектора.
-
- Коэффициент энергетической градуировки В осн. Детектора - значение коэффициента В зависимости «энергия - канал» для основного детектора.
-
- Коэффициент энергетической градуировки A фон. Детектора - значение коэффициента А зависимости «энергия - канал» для фонового детектора.
-
- Коэффициент энергетической градуировки В фон. Детектора - значение коэффициента В зависимости «энергия - канал» для фонового детектора.
-
- Градуировочный коэффициент А эффективности - значение градуировочного коэффициента А эффективности регистрации установкой гамма-излучения радионуклидов 132I.
-
- Градуировочный коэффициент В эффективности - значение градуировочного коэффициента В эффективности регистрации установкой гамма-излучения радионуклидов 132I.
-
- Порог А цифрового дискриминатора - служебный параметр, необходимый для управления порогом цифрового дискриминатора АЦП.
-
- Порог В цифрового дискриминатора - служебный параметр, необходимый для управления порогом цифрового дискриминатора АЦП.
-
- Коэффициент эффективности для низкоэнергетической области - служебный параметр, используемый в установке, настроенной на измерение 123I.
-
- Граница низкоэнергетической области - служебный параметр, используемый в установке, настроенной на измерение 123I.
На данной вкладке отображаются энергетические спектры основного и фонового каналов для режима «Наблюдения» и режима «Накопления» (принципы работы со спектрами приведены в руководстве оператора программы «Конфигуратор»).
Вкладка «Сеть»Данная вкладка отображает сетевые параметры работы установки и содержит следующие параметры:
-
- Настройка Ethernet:
-
1) IP адрес устройства - значение IP адреса установки (не используется);
-
2) IP адрес сервера - значение IP адреса устройства для автоматической рассылки данных.
-
- Настойка MODBUS:
-
1) MODBUS адрес устройства - значение сетевого адреса при поддержке установкой протокола MODBUS;
-
2) MODBUS скорость передачи данных - значение скорости обмена данными (бит/с) при поддержке установкой протокола MODBUS;
-
3) MODBUS номер асинхронного порта установки - номер COM-порта, к которому подключена установка.
Данная вкладка отображает параметры GSM/GPRS соединения для беспроводной передачи данных от устройства и содержит следующие параметры:
-
- GSM: уровень сигнала, % - параметр, отражающий качество GSM сигнала.
-
- CSD: таймаут разрыва соединения, сек - параметр, позволяющий оптимизировать надежность соединения и расходы.
-
- GPRS APN точка доступа, GPRS имя пользователя, GPRS пароль - реквизиты оператора сотовой связи. Данные поля заполняются для настройки GSM/GPRS-соединения.
-
- Интервал передачи данных в нормальном режиме, мин - в данном поле вводится временной интервал (мин), с которым устройство передает измерительную информацию на верхний уровень системы при нормальном (безаварийном) режиме ее работы.
-
- Интервал передачи данных в аварийном режиме, мин - в данном поле вводится временной интервал (мин), с которым устройство передает измерительную информацию на верхний уровень системы в случае, если значение измеряемой величины превышает аварийную уставку.
-
- IP адрес сервера 1, IP адрес сервера 2 - в данных полях вводятся IP-адреса серверов, на которые блок передает данные. IP-адреса определяются конфигурацией системы и предоставляются системным администратором.
-
- Количество повторов передачи результата - в данном поле вводится необходимое количество повторных передач блоком результатов измерений на верхний уровень системы (помимо основной передачи);
-
- Пауза перед повторной передачей, сек - в данном поле вводится значение временного интервала (сек) между повторными передачами;
-
- DiBUS-адрес устройства - в данном поле вводится DiBUS-адрес устройства.
-
- Опции GSM канала - число, определяющее состояние GSM канала и его побитовая расшифровка. Галочками отмечаются необходимые параметры;
-
- Период перезагрузки (количество сеансов передачи между перезагрузками) -данный параметр используется для оптимизации канала связи (контроль устойчивости и эксплуатационных расходов).
Данная вкладка содержит параметры, предназначенные для использования разработчиками НПП «Доза».
ИДЕНТИФИКАЦИЯ ПРОГРАММЫВ целях идентификации программы «Конфигуратор» выполняется вычисление цифрового идентификатора файла configurer.exe, содержащего реализацию всех функций программы «Конфигуратор». Используется цифровой идентификатор, вычисляемый по методу MD5. Для вычисления цифрового идентификатора файла используется независимое свободно распространяемое программное обеспечение md5.exe.
Для вычисления цифрового идентификатора файла configurer.exe необходимо:
-
1) открыть консоль ОС Microsoft Windows «Пуск» - «Выполнить» - «cmd.exe»<Enter>;
-
2) выбрать в качестве текущей папку, в которой размещена программа «Конфигуратор» (предварительно в ту же папку должно быть помещено программное обеспечение md5.exe, команды и их параметры необходимо вводить с учетом требований ОС Microsoft Windows) cd [пут ь_к_папке_Конфигуратор] <Enter>;
-
3) запустить программное обеспечение md5.exe для вычисления цифрового идентификатора файла configurer.exe (команды и их параметры необходимо вводить с учетом требований ОС Microsoft Windows) md5.exe configurer.exe<Enter>;
-
4) зафиксировать выданное значение цифрового идентификатора.
Идентификационные данные программного обеспечения представляются в соответствии с таблицей Г.2.
Таблица Г.2
Наименование программного обеспечения |
Идентификационное наименование программного обеспечения |
Номер версии (идентификационный номер) программного обеспечения |
Цифровой идентификатор программного обеспечения (контрольная сумма исполняемого кода) |
Алгоритм вычисления цифрового идентификатора программного обеспечения |
Configurer (Конфигуратор) |
ПО 1.9.0.184 |
1.9.1.037 |
E7DFB406517DBE7 20B9C1469F55F639F |
MD5 |
ФВКМ.412123.009РЭ
47