Методика поверки «Системы измерительные СИ-1/ТВ2/ТВ3» (404.172 МП)
УТВЕРЖДАЮ
Первый заместитель генерального директора-заместитель по научной
работе ФГУП «ВНИИФТРИ»

А.Н. Щипунов
2019 г.
Системы измерительные СИ-1/ТВ2/ТВЗ Методика поверки404.172 МП
-2019 г.-
СОДЕРЖАНИЕ
ОБОЗНАЧЕНИЯ
МП - методика поверки;
ИК - измерительный канал;
СИ - средство измерений;
ПО - программное обеспечение;
MX - метрологические характеристики;
ВП - верхний предел измерений;
ИВ - измеренная величина;
НЗ - нормированное значение;
СКЗ - среднее квадратическое значение;
КМС - крутящий момент силы;
АЧХ - амплитудно-частотная характеристика;
ПИП - первичный измерительный преобразователь;
ТПР - турбинный преобразователь расхода;
ТС - термопреобразователь сопротивления;
ТХА(К) - термоэлектрический преобразователь (хромель/алюмель)
АЦП - аналогово-цифровой преобразователь;
РЭТ - рабочий эталон;
РЭ - руководство по эксплуатации;
ПК - промышленный компьютер.
ВВЕДЕНИЕ
Настоящая МП распространяется на системы измерительные СИ-1/ТВ2/ТВЗ (далее - системы), заводские номера 001 и 002, изготовленные АО «Уральский завод гражданской авиации», г. Екатеринбург, и устанавливает порядок, методы и объем их первичной и периодической поверок.
Интервал между поверками -1 год.
-
1 ОПЕРАЦИИ ПОВЕРКИ
-
1.1 Поверка ИК систем осуществляется двумя способами:
-
-
- комплектным способом с оценкой MX ИК в целом (по результатам сквозной градуировки);
-
- поэлементным способом с оценкой MX ИК по MX элементов, входящих в состав ИК.
Перечень эксплуатационных документов на систему и нормативных документов по поверке приведен в приложении Д.
-
1.2 При поверке систем выполнить операции, приведенные в таблице 1.
Таблица!
Наименование операции |
Номер пункта МП |
Проведение операции при | |
первичной поверке (после ремонта) |
периодической поверке | ||
1 Внешний осмотр |
7.1 |
+ |
+ |
2 Опробование |
7.2 |
+ |
+ |
3 Определение метрологических характеристик |
7.3 |
+ |
+ |
3.1 Определение погрешностей измерений давления воздуха (газов) и жидкостей1)’2) и силы постоянного электрического тока, соответствующей значениям давления1) |
7.3.1 |
+ |
+ |
3.2 Определение погрешностей измерений температуры воздуха (газов) и жидкостей, измеряемой ТС1)’2), и сопротивления постоянному току, соответствующего значениям температуры1) |
7.3.2 |
+ |
+ |
3.3 Определение погрешности измерений массового расхода топлива2) |
7.3.3 |
+ |
+ |
3.4 Определение погрешностей измерений частоты электрических сигналов, соответствующей значениям частоты вращения роторов1) |
7.3.4 |
+ |
+ |
3.5 Определение погрешности измерений расхода (прокачки) масла2) |
7.3.5 |
+ |
+ |
3.6 Определение погрешностей измерений параметров вибрации1) |
7.3.6 |
+ |
+ |
3.7 Определение погрешности измерений крутящего момента силы1) |
7.3.7 |
+ |
+ |
3.8 Определение погрешностей измерений напряжения и силы постоянного тока1) |
7.3.8 |
+ |
+ |
3.9 Определение погрешности измерений массы масла в весовом баке2) |
7.3.9 |
+ |
+ |
4 Идентификация ПО |
7.4 |
+ |
+ |
*) Поверка осуществляется комплектным способом 2) Поверка осуществляется поэлементным способом |
-
1.3 Не допускается проведение поверки отдельных ИК или отдельных автономных блоков или меньшего числа измерительных величин или на меньшем числе поддиапазонов измерений.
-
1.4 В случае получения отрицательных результатов поверки по любому пункту таблицы 1 система бракуется и к дальнейшей эксплуатации не допускается.
-
2 СРЕДСТВА ПОВЕРКИ
При проведении поверки должны применяться средства поверки, приведенные в таблице 2.
Таблица2
Номер пункта МП |
Наименование и тип (условное обозначение) основного или вспомогательного средства поверки; обозначение нормативного документа, регламентирующего технические требования, и (или) метрологические и основные характеристики средства поверки |
7.3.1 |
Преобразователи давления эталонные:
Пределы допускаемой основной относительной погрешности ±0,03 % в диапазоне измерений 1 > Р/Рвмах> 1/3 и ±0,01 -Рвмах/Р в диапазоне из мерений 1/3 > Р/ Рвмах, где Р - измеренное значение давления; Рвмах- диапазон измерений ПДЭ |
7.3.1,73.2, 7.3.3, 7.3.8 |
Калибратор-измеритель унифицированных сигналов эталонный ИКСУ-260: пределы допускаемой основной абсолютной погрешности воспроизведения сопротивления постоянному току ±0,015 Ом в диапазоне от 0 до 180 Ом; пределы допускаемой основной абсолютной погрешности воспроизведения напряжения постоянного тока ±(7 • 10’5 • |U| +3) мкВ в диапазоне от минус 10 до 100 мВ; пределы допускаемой основной абсолютной погрешности воспроизведения силы постоянного тока ±(10'41 +1) мкА в диапазоне от 0 до 25 мА; пределы допускаемой основной абсолютной погрешности воспроизведения температуры ±0,03 °C в диапазоне от минус 200 до 200 °C (U, I -воспроизводимые значения напряжения, силы постоянного тока) |
7.3.2,7.3.3 |
Термостат ЭЛЕМЕР-Т-150: диапазон воспроизводимых температур от минус 30 до 150 °C, нестабильность поддержания температуры за 30 мин, °C ±(0,0015+ 0,0003|t|) |
7.3.4,7.3.5, 7.3.6 |
Генератор сигналов специальной формы SFG-2004: диапазон воспроизведения частоты от 0,1 Гц до 4 МГц, пределы допускаемой абсолютной погрешности установки частоты F, Гц ±(2- 10’5 F+0,0001) |
7.33,7.3.4 |
Генератор сигналов произвольной формы DG1022: пределы установки частоты импульсов от 1 мкГц до 5 МГц, пределы допускаемой основной относительной погрешности установки частоты ±1 • 10"4 |
7.3.8 |
Калибратор универсальный Н4-101: пределы допускаемой погрешности воспроизведения напряжения постоянного тока: ±(0.02) % - на поддиапазоне 20 В; ±(0.03) % - на поддиапазоне 200 В |
7.3.7 |
Гири по ГОСТ OIML R 111-1-2009, класс точности Мз, массой 20 кг |
2
Номер пункта МП |
Наименование и тип (условное обозначение) основного или вспомогательного средства поверки; обозначение нормативного документа, регламентирующего технические требования, и (или) метрологические и основные характеристики средства поверки |
7.3.6 |
Акселерометр пьезоэлектрический мод. 4371: частотный диапазон от 0,25 до 9100 Гц, коэффициент преобразования по напряжению на частоте 80 Гц 10,09 мВ (м с'2), пределы допускаемой основной относительной погрешности в диапазоне от 10 до 1000 Гц ±2,5 % |
Вспомогательные средства | |
7.3.1 -7.3.9 |
Барометр рабочий сетевой БРС-1М-1: диапазон измерений абсолютного давления от 600 до 1100 гПа, пределы допускаемой абсолютной погрешности ±0,33 гПа |
7.3.1 -7.3.9 |
Термогигрометр для непрерывных измерений Testo 608-Н1: диапазон измерений относительной влажности воздуха от 15 до 85 %, пределы допускаемой абсолютной погрешности измерений относительной влажности воздуха ±3,0 %, диапазон измерений температуры воздуха от 0 до 50 °C, пределы допускаемой абсолютной погрешности измерений температуры воздуха ±0,5°С |
7.3.6 |
Виброустановка электродинамическая ВСВ-133: диапазон частот от 10 до 1000 Гц, диапазон виброускорений от 0,25 до 70 м/с2, диапазон СКЗ виброскорости от 0,35 до 100 мм/с, пределы допускаемой основной относительной погрешности измерений ±5 % |
П1
-
2.2 Вместо СИ, указанных в таблице 2, допускается применять другие аналогичные средства поверки, обеспечивающие определение MX систем с требуемой точностью.
-
2.3 Применяемые средства поверки должны быть исправны, поверены и иметь действующие свидетельства о поверке (отметки в формулярах или паспортах).
-
3 ТРЕБОВАНИЯ К КВАЛИФИКАЦИИ ПОВЕРИТЕЛЕЙ
-
3.1 К поверке допускаются лица, квалифицированные в качестве поверителей, изучившие РЭ систем, знающие принцип действия используемых СИ, имеющие навыки работы на персональном компьютере.
-
3.2 Поверитель должен пройти инструктаж по технике безопасности (первичный и на рабочем месте) в установленном в организации порядке и иметь удостоверение на право работы на электроустановках с напряжением до 1000 В с группой допуска не ниже 3.
-
-
4 ТРЕБОВАНИЯ БЕЗОПАСНОСТИ
-
4.1 При проведении поверки необходимо соблюдать требования техники безопасности, предусмотренные «Правилами технической эксплуатации электроустановок потребителей» и «Правилами техники безопасности при эксплуатации электроустановок потребителей» (изд.З), а также изложенные в РЭ на приборы, в ТД на применяемые при поверке РЭТ и вспомогательное оборудование.
-
4.2 Любые подключения аппаратуры проводить только при отключенном напряжении питания системы.
-
-
5 УСЛОВИЯ ПОВЕРКИ
-
5.1 Поверку проводить при следующих условиях:
-
-
- температура окружающего воздуха, °C (К)...........................от 15 до 25 (от 288 до 298);
-
- относительная влажность окружающего воздуха при температуре 25 °C, %.........от 30 до80;
-
- атмосферное давление, мм рт.ст. (кПа).............................от 720 до 800 (от 96 до 106,7).
параметры электропитания:
-
- напряжение сети переменного тока, В..................................................от 198 до 242;
-
- частота переменного тока, Гц.............................................................от 49,6 до 50,4;
-
- напряжение сети постоянного тока, В...................................... от 24,3 до 29,7.
-
Примечание - При проведении поверочных работ условия окружающей среды средств поверки (РЭТ) должны соответствовать требованиям, указанным в их РЭ.
-
6 ПОДГОТОВКА К ПОВЕРКЕ
-
6.1 При подготовке к поверке провести следующие работы:
-
-
- проверить комплектность эксплуатационной документации систем;
-
- проверить наличие поверочных клейм, а также свидетельств о поверке на эталонные и вспомогательные средства поверки;
-
- проверить наличие поверочных клейм, а также свидетельств о поверке на средства измерений утвержденного типа, входящих в состав систем;
-
- подготовить к работе все приборы и аппаратуру согласно их РЭ;
-
- собрать схемы поверки ИК, приведенные ниже, проверить целостность электрических цепей;
-
- обеспечить оперативную связь оператора у монитора с оператором, задающим контрольные значения эталонных сигналов на входе ИК;
-
- включить вентиляцию и освещение в испытательных помещениях;
-
- включить питание ПИП и аппаратуры систем не менее чем за 30 мин до начала проведения поверки;
-
- создать, проконтролировать и записать в протокол условия проведения поверки.
-
7 ПРОВЕДЕНИЕ ПОВЕРКИ
-
7.1 Внешний осмотр
-
При внешнем осмотре установить соответствие систем следующим требованиям: комплектность согласно формулярам УРАБ.СИ-1/ТВ2/ТВ3.001 ФО и УРАБ.СИ-1/ТВ2/ТВ3.002 ФО.
-
- маркировку согласно руководству по эксплуатации УРАБ.СИ-1/ТВ2/ТВ3.001 РЭ;
-
- наличие и сохранность пломб;
-
- герметичность линий измерения давлений.
СИ, входящие в состав систем, не должны иметь внешних повреждений, которые могут влиять на работу систем, при этом должно быть обеспечено: надежное крепление соединителей и разъемов, отсутствие нарушений экранировки кабелей, качественное заземление.
Результаты внешнего осмотра считать положительными, если выполняются вышеприведенные требования.
-
7.2 Опробование
Перед началом работ проверить оборудование и включить систему, руководствуясь документом УРАБ.СИ-1/ТВ2/ТВЗ.001 РЭ.
При опробовании проверить правильность функционирования ИК систем.
Для этого необходимо задать на входе ИК с помощью РЭТ физическую величину, соответствующую минимальному и максимальному значениям параметра контролируемого диапазона измерений. Оператору ПК проконтролировать измеренные системой значения физической величины. Убедиться в правильности функционирования ИК.
Результаты опробования считать положительными, если измеренные значения физической величины совпадают с заданными эталонными значениями в пределах допускаемой погрешности измерений ИК систем. В противном случае система бракуется и после выявления и устранения причины производится повторное опробование.
-
7.3 Определение MX
Определение MX проводить с помощью программного модуля поверки ИК в последовательности, изложенной в руководстве программиста УРАБ.АИИС/ТВ2/ТВЗ.001 РПр.
-
7.3.1 Определение погрешностей измерений давления воздуха (газов) и жидкостей и силы постоянного тока, соответствующей значениям давления
-
7.3.1.1 Погрешности измерений давления воздуха (газов) и жидкостей определить одним из следующих способов:
-
• комплектным способом (прямые измерения) с оценкой MX по результатам сквозной поверки ИК в следующей последовательности:
-
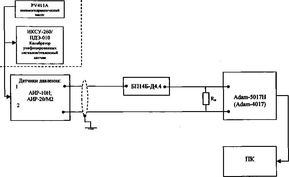
- отсоединить вход ПИП давления (преобразователи давления измерительные АИР-ЮН, АИР-20/М2) от магистрали давления испытательного стенда и соединить его с РЭТ давления (калибратор ИКСУ-260 с преобразователем давления эталонным ПДЭ-010) по схеме, приведенной на рисунке 1;
-
- провести градуировку ИК давления в диапазонах, указанных в графе 3 таблицы А.1 приложения А, по методике, приведенной в разделе 1 приложения Б;
-
- оценить MX ИК давления в соответствии с алгоритмом, приведенным в разделе 2 приложения Б.
Рабочий эталон

Рисунок 1 - Схема поверки ИК давления воздуха (газов) и жидкостей рабочим эталоном ИКСУ-260/ПДЭ-010
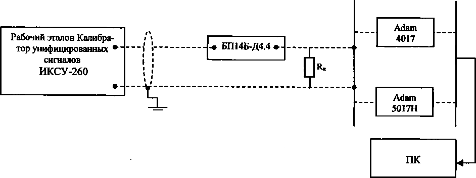
• поэлементным способом (прямые измерения) ИК давления с оценкой MX ИК по MX элементов ИК в следующей последовательности:
провести поверку ПИП давления: АИР-ЮН в соответствии с документом НКГЖ.406233.018МП «Преобразователи давления измерительные. Методика поверки», утвержденным ФГУП «ВНИИМС» 23.01.2014; АИР-20/М2 в соответствии с документом-НКГЖ.406233.028МП «Преобразователи давления измерительные. Методика поверки», утвержденным ФГУП «ВНИИМС» 12.10.2015;
- подключить ИК без ПИП к РЭТ (калибратор ИКСУ-260) по схеме, приведенной на рисунке 2;

Рисунок 2 - Схема поверки ИК давления воздуха (газов) и жидкостей без ПИП (АИР-ЮН, АИР-20/М2) рабочим эталоном ИКСУ-260
-
- провести градуировку ИК силы постоянного тока, соответствующего значениям давления, в диапазоне значений от 4 до 20 мА, по методике, приведенной в разделе 1 приложения Б;
-
- оценить MX ИК в соответствии с алгоритмом, приведенным в разделе 2 приложения Б.
-
7.3.1.2 Погрешности измерений силы постоянного тока, соответствующие значениям давления, определить комплектным способом (прямые измерения) с оценкой MX по результатам сквозной поверки ИК в следующей последовательности:
-
- провести градуировку ИК силы постоянного тока, соответствующей значениям давления, в диапазоне значений от 4 до 20 мА по схеме, приведенной на рисунке2, в соответствии с методикой, приведенной в разделе 1 приложения Б;
-
- оценить MX ИК в соответствии с алгоритмом, приведенным в разделе 2 приложения Б.
-
7.3.1.3 Результаты поверки считать положительными, если значения погрешностей измерений давления воздуха (газов) и жидкостей и силы постоянного тока, соответствующей значениям давления, в заданных диапазонах измерений находятся в допускаемых пределах, указанных в графе 4 таблицы А.1 и графе 6 таблицы А.2. В противном случае ИК бракуется и после выявления и устранения причины производится повторная поверка.
-
7.3.2 Определение погрешностей измерений температуры воздуха (газов) и жидкостей, измеряемой ТС, и сопротивления постоянному току, соответствующего значениям температуры
-
7.3.2.1 Погрешности измерений температуры воздуха (газов) и жидкостей, измеряемой ТС, определить одним из следующих способов:
-
• комплектным способом (прямые измерения) с оценкой MX по результатам сквозной градуировки ИК в следующей последовательности:
-
- подключить ИК температуры к РЭТ (термостат ЭЛЕМЕР-Т-150) по схеме, приведенным на рисунке 3;
-
- провести градуировку ИК температуры в диапазонах, указанных в графе 3 таблицы А.1 приложения А, по методике, приведенной в разделе 1 приложения Б;
-
- оценить MX ИК в соответствии с алгоритмом, приведенным в разделе 2 приложения Б.
Ояеямчк»

Рисунок 3 - Схема поверки ИК температуры, измеряемой ТС, рабочим эталоном (термостат ЭЛЕМЕР-Т-150)
• поэлементным способом (прямые измерения) с оценкой MX ИК по MX элементов ИК в следующей последовательности:
-
- провести в аккредитованной на право поверки организации поверку термопреобразователей сопротивления ТП-9021-21 по методике поверки ГОСТ 8.461-2009;
-
- подключить ИК без ПИП к РЭТ (калибратор ИКСУ-260) по схеме, приведенной на рисунке 4;
Рисунок 4 - Схема поверки ИК температуры без ПИП (ТП-9201-21) рабочим эталоном ИКСУ-260
-
- провести градуировку ИК сопротивления постоянному току по методике, приведенной в разделе 1 приложения Б;
-
- оценить MX ИК в соответствии с алгоритмом, приведенным в разделе 2 приложения Б.
-
7.3.2.2 Погрешности измерений ИК сопротивления постоянному току, соответствующего значениям температуры, измеряемой ТС, определить комплектным способом (прямые измерения) с оценкой MX по результатам сквозной градуировки ИК в следующей последовательности:
-
- провести градуировку ИК сопротивления постоянному току по схеме, приведенной на ри-сунке4, в соответствии с методикой, приведенной в разделе 1 приложения Б;
-
- оценить MX ИК в соответствии с алгоритмом, приведенным в разделе 2 приложения Б.
-
7.3.2.3 Результаты поверки считать положительными, если значения погрешностей измерений температуры воздуха (газов) и жидкостей, измеряемой ТС, и сопротивления постоянному току, соответствующего значениям температуры, в заданных диапазонах измерений находятся в допускаемых пределах, указанных в графе 4 таблицы А. 1 и графе 6 таблицы А.2 приложения А. В противном случае ИК бракуется и после выявления и устранения причины производится повторная поверка.
-
7.3.3 Определение погрешности измерений массового расхода топлива
-
7.3.3.1 Погрешность измерений массового расхода топлива определить поэлементным способом (косвенные измерения) с оценкой MX ИК по MX элементов ИК в следующей последовательности:
-
-
- провести поверку расходомера-счетчика ОР-40-С в аккредитованной на право поверки организации по документу КУНИ.407279.001 МП «Расходомеры-счётчики жидкости и газа. Методика поверки», утвержденному ГЦИ СИ «Воентест»32 ГНИИИ МО РФ в январе 2000 г.;
-
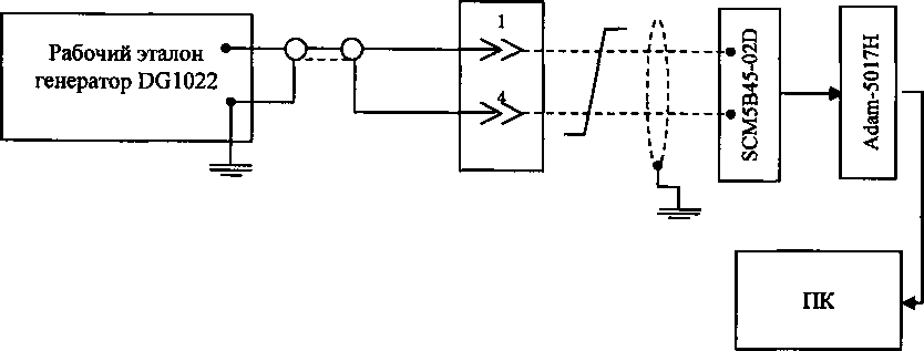
- отсоединить электрический кабель счетчика-расходомера ОР-40-С от ИК и с помощью жгута-переходника подключить к этому кабелю РЭТ (генератор DG1022) по схеме, приведенной нарисунке5;
Ответная часть разъема д атчика
Преобразователь

Рисунок 5 - Схема поверки ИК расхода топлива без ПИП (расходомер-счетчик ОР-40-С) рабочим эталоном DG1022
-
- провести градуировку ИК частоты без ПИП (ОР-40-С) в диапазоне от 4 до 40 Гц в соответствии с методикой, приведенной в разделе 1 приложения Б;
-
- провести градуировку ИК температуры топлива по методике, приведенной в разделе 7.3.2;
-
- провести поверку ареометра АНТ-2 по методике Р 50.2.041-2004 в организации, аккредитованной на право поверки;
-
- оценить MX ИК массового расхода топлива по алгоритму, приведенному в разделе 2 приложения Б.
-
7.3.3.2 Результаты поверки считать положительными, если значение относительной погрешности измерений массового расхода топлива находятся в пределах ±0,5 % в диапазоне измерений от 50 до 650 кг/ч. В противном случае ИК бракуется и после выявления и устранения причины производится повторная поверка.
-
7.3.4 Определение погрешностей измерений частоты электрических сигналов, соответствующей значениям частоты вращения роторов
-
7.3.4.1 Погрешности измерений частоты электрических сигналов, соответствующей значениям частоты вращения роторов, определить комплектным способом (прямые измерения) с оценкой MX по результатам сквозной градуировки ИК в следующей последовательности:
-
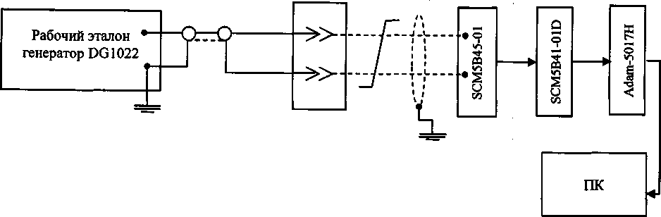
подключить ИК частоты электрических сигналов с помощью жгута-переходника к РЭТ (генератор DG1022) согласно схемам, приведенным на рисунке 6.
-
- - провести градуировку ИК частоты электрических сигналов, соответствующей значениям частоты вращения роторов, по методике, приведенной в разделе 1 приложения Б, устанавливая с помощью РЭТ (DG1022) контрольные значения частоты электрического сигнала синусоидальной формы с амплитудой 10 В в диапазонах: от 10 до 90 Гц (схема поверки а) рисунка 6); от 400 до 800 Гц (схема поверки б) рисунка 6); от 100 до 1100 Гц (схема поверки б) рисунка 6) и -импульсные частотные сигналы прямоугольной формы с амплитудой 24 В и частотой от 0 до 16500 Гц (схема поверки в) рисунка 6);
-
- - оценить MX ИК в соответствии с алгоритмом, приведенным в разделе 2 приложения Б.
а)




в)
Рисунок 6 - Схема поверки ИК частоты электрических сигналов, соответствующей частоте вращения роторов, рабочим эталоном DG1022
-
7.3.4.2 Результаты поверки считать положительными, если значения приведенной погрешности измерений (от ВП) частоты электрических сигналов, соответствующей значениям частоты вращения роторов, в заданных диапазонах находятся в пределах ±0,15 %. В противном случае ИК бракуется и после выявления и устранения причины производится повторная поверка.
-
7.3.5 Определение погрешности измерений расхода (прокачки) масла.
-
7.3.5.1 Погрешность измерений расхода (прокачки) масла определить поэлементным способом (прямые измерения) с оценкой MX ИК по MX элементов следующей последовательности:
-
-
- провести поверку турбинного преобразователя расхода ТПР-10 в аккредитованной на право поверки организации по документу ЛГФИ407221.034 МИ «Преобразователи расхода турбинные ТПР. Методика поверки», утвержденному ГНИИ МО РФ 29 мая 2003 г.;
-
- отсоединить электрический кабель Т11Р от ИК и с помощью жгута-переходника подключить к ИК РЭТ (генератор SFG-2004) по схеме, приведенной на рисунке 7;
РЭТ

Рисунок 7 - Схема поверки ИК расхода (прокачки) масла без ПИП (ТПР-10) рабочим эталоном SFG-2004
-
- провести градуировку ИК расхода (прокачки) масла (без ПИП) по методике, приведенной в разделе 1 приложения Б;
-
- оценить MX ИК соответствии с алгоритмом, приведенным в разделе 2 приложения Б.
-
7.3.5.2 Результаты поверки считать положительными, если значения приведенной погрешности измерений (от ВП) расхода (прокачки) масла в диапазоне от 7,2 до 36 л/мин находятся в пределах ±3,0 %. В противном случае ИК бракуется и после выявления и устранения причины производится повторная поверка.
-
7.3.6 Определение погрешности измерений параметров вибрации.
-
7.3.6.1 Погрешность измерений параметров вибрации (виброскоростъ от 0 до 80 мм/с в диапазоне частот от 120 до 320 Гц - 12 ИК, виброускорение от 0 до 40 м/с2 в диапазоне частот от 100 до 200 Гц - 2 ИК, виброускорение от 0 до 70 м/с2 в диапазоне частот от 150 до 375 Гц - 2 ИК) определить комплектным способом (прямые измерения) с оценкой MX по результатам сквозной градуировки ИК в следующей последовательности:
-
-
- собрать схему поверки ИК параметров вибрации, приведенную на рисунке 8;
-
- провести градуировку ИК по методике, приведенной в разделе 1 приложения Б, устанавливая с помощью РЭТ (акселерометр пьезоэлектрический 4371):
-
• ИК виброскорости - контрольные значения виброскорости в диапазоне от 0 до 80 мм/с с шагом 10 мм/с на базовой частоте 160 Гц; контрольное значение амплитуды виброскорости 40 мм/с частотой вибрации в диапазоне от 120 до 320 Гц с шагом 20 Гц;
-
• ИК виброускорения - контрольные значения виброускорения в диапазоне от 0 до 40 м/с2 с шагом 5 м/с2 на базовой частоте 160 Гц; контрольное значение амплитуды виброускорения 30 м/с2 с частотой вибрации в диапазоне от 100 до 200 Гц с шагом 10 Гц;
-
• ИК виброускорения - контрольные значения виброускорения в диапазоне от 0 до 70 м/с2 с шагом 10 м/с2 на базовой частоте 300 Гц; контрольное значение амплитуды виброускорения 50 м/с2 с частотой вибрации в диапазоне от 150 до 375 Гц с шагом 25 Гц;
-
- оценить MX ИК параметров вибрации в соответствии с алгоритмом, приведенным в разделе 2 приложения Б.
-
7.3.6.2 Результаты поверки считать положительными, если значения приведенной погрешности измерений (от ВП) параметров вибрации находятся в пределах ±12 % в диапазонах измерений, указанных в графе 3 таблицы А.1 приложения А. В противном случае ИК бракуется и после выявления и устранения причины производится повторная поверка.
Рисунок 8 - Схема поверки ИК параметров вибрации рабочим эталоном ВСВ-133
-
7.3.7 Определение погрешности измерений крутящего момента силы
-
7.3.7.1 Погрешность измерений крутящего момента силы определять комплектным способом (прямые измерения) с оценкой MX по результатам сквозной градуировки ИК в следующей последовательности:
-
-
- собрать схему поверки ИК, приведенную на рисунке 9;
-
- провести градуировку ИК с помощью РЭТ (гири по ГОСТ OIML R 111-1-2009, класс точности Мз) по методике раздела 1 приложения Б.
Примечание - Проведение градуировки ИК проводить путем наложения гирь на рычаг градуировочного устройства динамометра HS 2600 и их снятия с рычага. Наложение гирь на рычаг и их снятие должны быть плавными, без ударов и толчков. Подход к измеряемому значению должен осуществляться медленно с одной стороны, соответствующей ходу градуировочной характеристики. Перемена знака приращения нагрузки в процессе нагружения или снятия грузов не допускается. Прямая ветвь градуировочной характеристики снимается в результате прямого хода (нагружения рычага) градуировки ИК, обратная ветвь градуировочной характеристики снимается в результате обратного хода (разгружения рычага). Один прямой и один следующий за ним обратный ход градуировки составляют один цикл градуировки ИК.

Рисунок 9 - Схема поверки ИК крутящего момента силы рабочим эталоном (гири по ГОСТ OIML R 111-1-2009)
-
- оценить MX ИК КМС в соответствии с алгоритмом, приведенным в разделе 2 приложения Б.
-
7.3.7.2 Результаты поверки считать положительными, если:
-
- значения приведенной погрешности (от 0,5 ВП) измерений крутящего момента силы находятся в пределах ±0,5 % в диапазоне измерений от 0 до 0,5 ВП;
-
- значения относительной погрешности измерений крутящего момента силы находятся в пределах ±0,5 % в диапазоне измерений от 0,5 до 1,0 ВП (ВП= 1569 Нм (160 кгс-м)).
В противном случае ИК бракуется и после выявления и устранения причины производится повторная поверка.
-
7.3.8 Определение погрешностей измерений напряжения и силы постоянного тока.
-
7.3.8.1 Погрешности измерений напряжения постоянного тока определить комплектным способом (прямые измерения) с оценкой MX по результатам сквозной градуировки ИК следующими способами:
-
• ИК напряжения постоянного тока (0 - 50) В:
-
- собрать поверочную схему, приведенную на рисунке 10;
-
- провести градуировку ИК по методике раздела 1 приложения Б, устанавливая с помощью РЭТ (калибратор калибратор Н4-101) контрольные значения напряжения постоянного тока от 0 до 50 В;
-
- оценить MX ИК напряжения постоянного тока (0 - 50) В в соответствии с алгоритмом, приведенным в разделе 2 приложения Б.
РЭТ +
а *
4
Калибратор
Н4-101
и
О...5ОВ
—
Рисунок 10 - Схема поверки ИК напряжения постоянного тока (0 - 50) В рабочими эталоном Н4-101
• ИК напряжения постоянного тока (0 -10) В:
-
- собрать поверочную схему, приведенную на рисунке 11;
-
- провести градуировку ИК по методике раздела 1 приложения Б, устанавливая на входе ИК с помощью РЭТ (калибратор Н4-101) контрольные значения напряжения постоянного тока от 0 до 10 В;
-
- оценить MX ИК напряжения постоянного тока 0... 10 В в соответствии с алгоритмом, приведенным в разделе 2 приложения Б.
РЭТ
Калибратор Н4-101
и
-• АЦП Advantech
Adam-4017
ПК
0...10В
- •-
—«
Рисунок 11 - Схема поверки ИК напряжения постоянного тока 0... 10 В рабочим эталоном Н4-101
• ИК напряжения постоянного тока, соответствующего значениям температуры, измеряемой термоэлектрическими преобразователями ТХА(К):
- собрать поверочные схемы, приведенные на рисунке 12;

а)

б) Рисунок 12 - Схемы поверки ИК напряжения постоянного тока, соответствующего значениям температуры, измеряемой термоэлектрическими преобразователями ТХА(К)
-
- провести градуировку ИК по методике раздела 1 приложения Б, устанавливая на входе ИК контрольные значения напряжения постоянного тока в диапазоне от 0 до 45 мВ с помощью РЭТ (ИКСУ-260);
-
- оценить MX ИК напряжения постоянного тока, соответствующего значениям температуры, измеряемой термоэлектрическими преобразователями ТХА(К), в соответствии с алгоритмом, приведенным в разделе 2 приложения Б.
-
7.3.8.2 Погрешность измерений силы постоянного тока определить поэлементным способом (прямые измерения) с оценкой MX ИК по MX элементов ИК в следующей последовательности:
-
- провести в аккредитованной на право поверки организации поверку ПИП (шунт измерительный стационарный 75ШСМ 1500А) в соответствии с документом МИ1991-89 ГСИ «Шунты постоянного тока. Методика поверки»;
-
- подключить ИК без ПИП к РЭТ (калибратор ИКСУ-260) по схеме, приведенной на рисунке 13;
Рисунок 13 - Схема поверки ИК силы постоянного тока без ПИП (шунт 75ШИСМ) рабочим эталоном ИКСУ-260
-
- провести градуировку ИК напряжения постоянного тока (0 - 75) мВ, соответствующего силе постоянного тока (0 - 1500) А, по методике, приведенной в разделе 1 приложения Б;
-
- оценить MX ИК в соответствии с алгоритмом, приведенным в разделе 2 приложения Б.
-
7.3.8.3 Результаты поверки считать положительными, если значения погрешностей измерений напряжения и силы постоянного тока в заданных диапазонах измерений находятся в пределах, указанных в графе 4 таблицы А. 1 и графе 6 таблицы А.2 приложения А. В противном случае ИК бракуется и после выявления и устранения причины производится повторная поверка.
-
7.3.9 Определение погрешности измерений массы масла
-
7.3.9.1 Погрешность измерений массы масла в весовом баке определить поэлементным способом (прямые измерения) с оценкой MX ИК по MX элементов ИК в следующей последовательности:
-
-
- провести в аккредитованной на право поверки организации поверку ПИП (датчик весоизмерительный тензорезисторный STCS 50) в соответствии с документом МИ2720-2002 «Рекомендации. ГСИ. Датчики весоизмерительные тензорезисторные ГСП. Методика поверки»;
-
- подключить ИК без ПИП к РЭТ (калибратор ИКСУ-260) по схеме, приведенной на рисунке 14;
Ответная часть Преобразователь разъема датчика измерительный

Рисунок 14 - Схема поверки ИК массы масла в весовом баке без ПИП (датчик STCS 50)
-
- провести градуировку ИК напряжения постоянного тока без ПИП (датчик STCS 50) в диапазоне от 0 до 20 мВ, соответствующего массе масла в весовом баке (0 -14) кг в соответствии с методикой, приведенной в разделе 1 приложения Б;
-
- оценить MX ИК массы масла в соответствии с алгоритмом, приведенным в разделе 2 приложения Б.
-
7.3.9.2 Результаты поверки считать положительными, если значения приведенной погрешности (от ВП) измерений массы масла находятся в пределах ±0,5 % в диапазоне от 0 до 14 кг. В
7 А Идентификация ПО
Проверку идентификационных данных (признаков) метрологически значимой части ПО провести в соответствии с руководством пользователя УРАБ.АИИС/ТВ2/ТВ3.001РП (ГТД
ТВ2-117А/АГ) и УРАБ.АИИС/ТВ2/ТВ3.002 РП (ГТД ТВЗ-117).
Убедиться в соответствии идентификационных признаков метрологически значимой части ПО данным, указанным в таблице 3.
В случае несоответствия идентификационных признаков данным, приведенным в таблице 3 ПО направляется для проведения корректировки.
Таблица 3 - Идентификационные данные ПО
Наименование ПО |
Значение | ||
сервер данных АИИС «ТВ2-117/ТВЗ-117» |
программа проведения испытаний ГТД типа ТВ2-117А/АГ |
программа проведения испытаний ГТД типа ТВЗ-117 всех модификаций | |
Идентификационное наименование ПО |
Server.exe |
TV2-117_new.exe |
TV3-117_new.exe |
Номер версии (идентификационный номер) ПО |
1.0 |
1.0 |
1.0 |
Цифровой идентификатор ПО |
DB3F16BE7D67732C FC122ECAE27B7D21 |
ECE3E866EB7F149FC9 AE982FA81D1606 |
4A5D1A4A539EE259D BA92F1191С6В200 |
Наименование ПО |
ПО метрологических исследований |
конфигуратор АИИС «ТВ2-117/ТВЗ-117» |
конфигуратор измерительных ИК АИИС «ТВ2-117/ТВЗ-117» |
Идентификационное наименование ПО |
MetroControl.exe |
all_configurator.exe |
IO_IK_conf.exe |
Номер версии (идентификационный номер) ПО |
1.0 |
1.0 |
1.0 |
Цифровой идентификатор ПО |
526A73D3D6EC17D6 883AD27A295F869B |
BB172767F06595FFC5 9AB25CF6C71552 |
621B2B4820A78BDE59 B571ED0D3E97A0 |
Наименование ПО |
Конфигуратор расчётных ИК АИИС «ТВ2-117/ТВЗ-117» | ||
Идентификационное наименование ПО |
Calc_IK_conf.exe | ||
Номер версии (идентификационный номер)ПО |
1.0 | ||
Цифровой идентификатор ПО |
1D9B96457247244884 7В4Е752А5Е8676 |
8 ОФОРМЛЕНИЕ РЕЗУЛЬТАТОВ ПОВЕРКИ
-
8.1 Результаты поверки систем занести в протокол (приложение Г).
-
8.2 При положительных результатах поверки оформить свидетельство о поверке системы.
-
8.3 При отрицательных результатах поверки системы к дальнейшему применению не допускается. На систему выдается извещения о непригодности к применению с указанием причин забракования.
Заместитель генерального директора - начальник / НИО-10 ФГУП «ВНИИФТРИ»

Ф.И. Храпов
В.В. Мороз
Заместитель начальника НИО-10
ФГУП «ВНИИФТРИ
Таблица А.1 - Состав и метрологические характеристики ИК систем, включающих ПИП и вторичную часть ИК
Характеристики ИК |
Состав ИК | ||||||
наименование ИК |
количество ИК |
диапазон измерений |
пределы допускав-мой погрешности (нормированы для рабочих условий) |
ПИП |
вторичная часть ИК | ||
тип |
пределы допускаемой основной погрешности |
тип аппаратуры |
пределы допускаемой основной погрешности | ||||
ИК давления воздуха (газов) и жидкостей и силы постоянного тока, соответствующей значениям давления (в части измерений давления) |
1 2 2 1 1 1 |
Избыточное давление жидкостей: от 0 до 0,157 МПа от 0 до 0,392 МПа от 0 до 0,588 МПа от 0 до 1,569 МПа от 0 до 3,923 МПа от 0 до 5,884 МПа |
±1,0 % (у от ВП)1} |
Преобразователи давления измерительные АИР-ЮН-ДИ |
±0,25 % (у от ВП) |
Модуль АЦП Adam-5017H (Adam-4017) |
±0,1% (у от ВП) |
1 |
Избыточное давление воздуха (газов): от 0 до 0,981 МПа |
±0,5 % (у от ВП) | |||||
2 |
Разность давлений воздуха: от 0 до 0,981 кПа |
±50 Па(Д)2) |
±0,3 % (у от ВП) | ||||
2 |
от 0 до 9,807 кПа |
±0,5 % (у от 0,5ВП) в диапазоне от 0 до 0,5ВП; ±0,5 %(5)3> в диапазоне от 0,5 ВП до 1,0ВП ВП =9,807кПа |
АИР-20/М2-ДД |
±0,1 % (у от ВП) |
Продолжение таблицы А.1
Характеристики ИК |
Состав ИК | ||||||
наименование ИК |
количество ИК |
диапазон измерений |
пределы допускав-мой погрешности (нормированы для рабочих условий) |
ПИП |
вторичная часть ИК | ||
тип |
пределы допускаемой основной погрешности |
тип аппаратуры |
пределы допускаемой основной погрешности | ||||
ИК температуры воздуха (газов) и жидкостей, измеряемой ТС, и сопротивления постоянному току, соответ ствующего значениям температуры (в части измерений температуры) |
2 2 |
Температура жидкостей: от 223 до 323 К (от -50 до +50 °C) от 273 до 423 К (от 0 до +150 °C) |
±1,5 % (у от Н3)4> НЗ=100°С ±1,5 % (у от НЗ) НЗ = 150°С |
Т ермопреобразова-тель сопротивления ТП-9201-21 |
Класс допуска В по ГОСТ 6651-2009 |
Модуль АЦП Adam-4015 |
±0,15 % (у от ВП) |
8 |
Температура воздуха (газов): от 223 до 323 К (от -50 до +50 °C) |
±0,5 % (8) |
Термопреобразователь сопротивления ТП-9201-21 |
Класс допуска В по ГОСТ 6651-2009 | |||
ИК массового расхода топлива |
1 |
от 50 до 650 кг/ч |
±0,5 % (8) |
Расходомер-счётчик жидкости ОР-40 |
±0,2 % (8) |
Преобразователь сигналов НПСИ-ЧВ-0-24 |
±0,1 % (у от ВП) |
Модуль АЦП Adam-4017 |
±0,1 % (у от ВП) | ||||||
Термопреобразователь сопротивления ТП-9201-21 |
Класс допуска В по ГОСТ 6651-2009 |
Модуль АЦП Adam-4015 |
±0,15 % (у от ВП) | ||||
ИК силы постоянного тока |
1 |
от Одо 1500 А |
±1,0%(уотВП) |
Шунт стационарный салибровочный 75ШСМ |
±0,5 % (у от ВП) |
Преобразователь сигналов НПСИ-ТП-0-24 |
±0,1 % (у от ВП) |
Модуль АЦП Adam-5017H |
±0,1% (у от ВП) | ||||||
Ж крутящего момента силы |
1 |
?т 0 до 1569 Нм от 0 до 160 кгсм) |
±0,5 % (у от 0,5ВП) в диапазоне от 0 до 0,5ВП; ±0,5 % (8) в диапазоне от 0,5 ВП до 1,0ВП ВП = 1569 Нм (160 кгсм) |
Датчик весоизмерительный тензометрический INTERFA СЕ 1210AF-10KN -В в комплекте с аппаратурой TEXCELVX |
±0,04 % (у от ВП) |
Модуль АЦП Adam-5017H |
±0,1 % (у от ВП) |
Продолжение таблицы А. 1
Характеристики ИК |
Состав ИК | ||||||
наименование ИК |
количество ИК |
диапазон измерений |
пределы допускав-мой погрешности (нормированы для рабочих условий) |
ПИП |
вторичная часть ИК | ||
тип |
пределы допускаемой основной погрешности |
тип аппаратуры |
пределы допускаемой основной погрешности | ||||
ИК крутящего момента силы |
1 |
от 0 до 1569 Нм (от 0 до 160 кгс-м) |
±0,5 % (у от 0,5ВП) в диапазоне от 0 до 0,5ВП; ±0,5 % (6) в диапазоне от 0,5 ВП до 1,0ВП ВП=1569 Нм (160 кгсм) |
Датчик весоизмерительный тензометрический INTERFACE 1210AF-10 KN-В в комплекте с аппаратурой TEXCEL VX |
±0,04 % (у от ВП) |
Модуль АЦП Adain-5017H |
±0,1 % (у от ВП) |
ИК расхода (прокачки) масла |
1 |
от 7,2 до 36 л/мин |
±3,0 % (у от ВП) |
Турбинный преобразователь расхода ТПР10 |
±0,4 % (5) |
Преобразователь сигналов НПСИ-ЧВ-0-24. |
±0,1 % (у от ВП) |
Модуль АЦП Adam-4017 |
±0,1 % (у от ВП) | ||||||
ИК параметров вибрации |
12 2 2 |
Виброскорость: от 0 до 80 мм/с в диапазоне частот от 120 до 320 Гц Виброускорение: от 0 до 70 м/с2 в диапазоне частот от 150 до 375 Гц Виброускорение: от 0 до 40 м/с2 в диапазоне частот от 100 до 200 Гц |
±12,0% (у от ВП) |
Вибропреобразователь МВ-43 |
±5,0 % (у от ВП) |
Аппаратура измерений роторных вибраций ИВ-Д-СФ-ЗМ-9 |
±8,0 % (у от ВП) |
Модуль АЦП Adam-5017H |
±0,1 % (у от ВП) |
ИК массы масла и напряжения постоянного тока, соответствующего значениям массы масла (в части измерений массы масла) |
1 |
от 0 до 14 кг |
±0,5 % (у от ВП) |
!)у от ВП - приведенная к верхнему пределу (ВП) измерений погрешнос'
|
Датчик весоизмерительный тензорези-стивный STCS 50 |
Класс точности СЗ по ГОСТ 30129 |
Модуль АЦП Adam-4017 |
±0,1 % (у от ВП) |
ть; С температуры воздуха- ИВ в К; |
Таблица А.2 - Состав и метрологические характеристики ИК систем с входными электрическими сигналами от ПИП
Наименование ИК |
Количество ИК |
Диапазон измерений (диапазон показаний на дисплее си стемы) |
Источник сигнала на входе ИК |
Тип аппаратуры ИК |
Пределы допускаемой основной погрешности ИК1} |
ИК силы постоянного тока, соответствующей значениям давления воздуха (газов) и жидкостей |
23 |
от 4 до 20 мА (от -0,098 до +3,923 МПа) |
Преобразователи давления измерительные АИР-IOL, АИР-ЮН, АИР-20/М2 |
Модуль АЦП Adam-5017H |
±0,2% (у от ВП) |
ИК сопротивления постоянному току, соответствующего значениям температуры воздуха (газов) и жидкостей, измеряемой ТС |
5 |
от 100 до 160 Ом (от 0 до 162 °C) |
Термопреобразователи сопротивления платиновые НСХ 100П по ГОСТ 6651-2009 |
Модуль АЦП Adam-4015 |
±0,2% (у от ВП) |
ИК напряжения постоянного тока, соответ-ствующего значениям температуры воздуха (газов), измеряемой термоэлектрическими преобразователями ТХА(К) |
80 |
от Одо 45,119 мВ (от Одо 1100 °C) |
Термоэлектрические преоб-разователи ТХА(К) по ГОСТ Р 8.585-2001 |
Модуль АЦП Adam-4018 |
±0,2 % (у от ВП) |
2 |
Цреобразова-тель сигналов НПСИ-ТП-0-24 Модуль АЦП Adam-5017H | ||||
ИК частоты электрических сигналов, соответствующей значениям частоты вращения ро-тора свободной турбины |
1 |
от Одо 16500 Гц (от 0 до 16500 об/мин) (от Одо 110%) |
Датчик тахометрический МЭД-1 |
Модуль АЦП Adam-4080 |
±0,15% (у от ВП) |
1 |
от 400 до 800 Гц (от 7950 до 16050 об/мин) (от 53 до 107 %) |
Датчик частоты вращения ДТА-10 |
Нормирующий преобразователь SCM5B45-02D. Модуль АЦП Adam-5017H | ||
ИК частоты электрических сигналов, соответствующей значениям частоты вращения ротора турбины компрессора |
1 |
от 10 до 90 Гц (от 2345 до 21100 об/мин) (от 12 до 108 %) |
Датчик тахометра Д-2М |
Нормирующие преобразователи: SCM5B45-01; SCM5B41-01D. Модуль АЦП Adam-5017H |
±0,15 % (у от ВП) |
1 |
от 100 до 1100 Гц (от 1950 до 21490 об/мин) (от 10 до 106 %) |
Датчик частоты вращения ДЧВ-2500 |
Нормирующий преобразователь SCM5B45-02D. Модуль АЦП Adam-5017H |
Наименование ИК |
Количество ИК |
Диапазон измерений (диапазон показаний на дисплее си стемы) |
Источник сигнала на входе ИК |
Тип аппаратуры ИК |
Пределы допускаемой основной погрешности ик1) |
Напряжение постоянного тока |
2 |
от 0 до 50 В |
Универсальный аэродромный выпрямитель AV2 с функцией регулировки выходного напряжения |
Преобразователь сигналов НПСИ-ДНТН-0-24 Модуль АЦП Adam-5017H |
±1,0 % (у от ВП) |
Напряжение постоянного тока |
7 |
от Одо 10 В |
Любые датчики с выходным сигналом напряжения постоянного тока 0... 10 В |
Модуль аналогового ввода Adam-5017H |
±0,2 % (у от ВП) |
Напряжение постоянного тока, соответствующего значениям массы масла |
1 |
0 до 20 мВ (от Одо 14 кг) |
Датчик весоизмерительный тензорезистив-ный STCS 50 |
Модуль аналогового ввода Adam-4017 |
±0,5 % (у от ВП) |
') Пределы допускаемой основной погрешности ИК приведены в таблице 3 без учета погрешностей ПИП |
Приложение Б
Методика проведения поверки и обработки результатов поверки ИК
1. Методика проведения градуировки ИК
-
1.1 Сквозную градуировку ИК или градуировку элементов ИК проводить в следующей последовательности:
-
- задать с помощью РЭТ на входе ИК или элемента ИК в диапазоне измерений: р контрольных значений (ступеней) входной величины Хк в порядке возрастания от Хо до Хр при прямом ходе; р контрольных значений входной величины Хк в порядке убывания от Хр до Хо при обратный ходе.
ХК=ХО+[(Хр- Х0)/р]-к, (Б. 1)
где к - номер контрольной точки (ступени); к= 0,1,2.. .р;
Хо, Хр - нижний и верхний пределы диапазона измерений проверяемых ИК.
-
- произвести на каждой ступени при прямом и обратном ходе т отсчетов измеряемой величины (значение параметра т определяется частотой опроса ИК и временем измерения). При этом программа градуировки вычисляет значение сигнала на выходе АЦП как среднее значение кода по т отсчетам, зарегистрированным при подаче входного сигнала. Полученное значение сохраняется в файле градуировки;
-
- повторить /раз указанные циклы градуировки (прямой и обратный ходы). В результате в
памяти компьютера запоминаются массивы значений выходной величины уЬ при прямом ходе и у''к при обратном ходе, где i - номер градуировки, i = 1,2,...../.
Примечание - Для ИК с пренебрежимо малой погрешностью вариации допускается обратные ходы градуировки не проводить.
При проверке принять следующие значения параметров градуировки р, I, т: р>5, l>5, т>10.
2 Порядок обработки результатов градуировки ИК
-
2.1 Обработку результатов градуировки проводить программой «MetroControl.exe» по алгоритму настоящей методики, руководствуясь документом УРАБ.АИИС/ТВ2/ТВ3.001 РПр. Для определения доверительных границ оценки погрешностей ИК принимается величина доверительной вероятности Р = 0,95 (по ГОСТ Р 8.736-2011, п.4.4).
-
2.2 Исключение «грубых промахов»
-
2.2.1 Предварительная отбраковка «грубых промахов» на этапе многократного опроса наблюдаемой величины для каждой контрольной точки производится следующим образом:
-
- результаты опроса ранжируются в ряд в порядке возрастания;
-
- из указанного ряда исключаются 10% значений от верхней и нижней границ ряда.
-
2.2.2 Исключение «грубых промахов» на этапе обработки результатов измерений производится с использованием критерия Граббса по ГОСТ Р 8.736-2011 следующим образом:
-
2.2.2.1 Вычислить для каждой £-той контрольной точки оценки измеряемой величины у'К при прямом ходе градуировки и .у'кпри обратном ходе градуировки по формулам (Б.2):
(б-2)
* »=1 * /=1
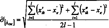
2.2.22 Вычислить для каждой £-той контрольной точки средние квадратические отклонения S'k (при прямом ходе) и Sk (при обратном ходе) по формулам (Б.З):
ltw-л)2 Itw-yD2 s’>= г'—П—,s‘=VTl—
-
2.2.2.3 Вычислить для выборки у 'iK...y'iK значения Gi, G2 критерия Граббса по фор
мулам (Б.4):

(Б.4)
где ушах, утт - соответственно максимальный и минимальный элементы в выборке У 1к--- У 1к-
2.2.2А Сравнить значения^/, G2 с теоретическим значением Gt критерия, указанным в приложении А ГОСТ Р 8.736-2011
-
- если Gi>Gt, то элемент .утахисключить из выборки как маловероятное значение;
-
- если G2>Gt, то элемент д'т/лисключить из выборки как маловероятное значение;
-
2.2.2.5 Повторить процедуру исключения «грубых промахов» по п.п. 2.2.2.1 - 2.2.2.4 для оставшихся элементов, если в выборке y'iK...y'iKбыл исключен один элемент.
-
2.2.2.6 Выполнить проверку по выборкеy"iK... у"ы аналогично п.п. 2.2.2.1 - 2.2.2.5.
Примечание -Допускается проводить отбраковку «грубых промахов» на стадии просмотра оператором результатов наблюдений при проведении градуировки в случае, когда факт появления «грубого промаха» установлен достоверно. При этом производится повторное измерение в заданной контрольной точке с регистрацией результата наблюдений.
-
2.3 Определение индивидуальной функции преобразования ИК
Индивидуальную функцию преобразования ИК системы определять по результатам градуировки в виде обратной функции, т.е. как зависимость значений величины х на входе ИК от значений у на его выходе.
Если нелинейность функции такова, что с достаточной точностью можно ограничиться аппроксимирующим полиномом не выше 4-той степени, то эту функцию представляют в виде степенного полинома (формула Б.5). В противном случае функцию представляют кусочно-линейной зависимостью (формула Б.6).
х = ао+д1^ + ... + дя/, (Б.5)
* = С5-6)
где ао, ai,...an - коэффициенты аппроксимирующего полинома, определяемые методом наименьших квадратов;
хк- эталонное значение входной величины на к-той ступени;
qs&- цена единицы наименьшего разряда кода на к-той ступени;
Ук- среднее значение результатов наблюдений выходной величины при градуировке на к-той ступени.
Значения ук и qs& определить по формулам (Б.7) и (Б.8):
(Б-7)
/=1
. (Б.8)
-
2.4 Определение характеристик погрешностей ИК
-
2.4.1 Определение характеристик абсолютной погрешности ИК при комплектном способе поверки (прямые измерения) с оценкой MX ИК по результатам сквозной градуировки ИК
-
2.4.1.1 Определить доверительные границы неисключенной систематической составляющей абсолютной погрешности (НСП) ИК по формуле (Б.9):
^osk = А<и*о + Арэт > (Б-9)
где Дрэт-погрешность РЭТ;
Aoijbj - абсолютная НСП ИК, обусловленная погрешностью аппроксимации.
При задании индивидуальной функции преобразования в виде степенного полинома (1 .А) значение AOita вычисляется по формуле (Б. 10):
Амка = |к + а\У* + - + апу”)- *к| (Б. 10)
При задании индивидуальной функции преобразования в виде кусочно-линейной зависимости (6.А) погрешность Дояко =0.
-
2.4.1.2 Определить доверительные границы случайной составляющей абсолютной погрешности на каждой к-той контрольной точке по формуле (Б.11):
(Б.11)
где т - коэффициент Стьюдента-Фишера, зависящий от доверительной вероятности Р и числа степеней свободы 2/ -1. Таблица значений т при Р = 0,95 приведена в приложении Б;
<5г ■ -I - среднее квадратическое отклонение случайной составляющей абсолютной погреш
ности на каждой к-той контрольной точке, определяемое по формуле (Б. 12):

(Б.12)
где xiK,x'' - приведенные по входу значения результатов наблюдений на к-той ступени при прямом и обратном ходе градуировки соответственно;
хк, хк - приведенные по входу средние значения результатов наблюдений на к-той ступени при прямом и обратном ходе градуировки соответственно, определяются по формулам (Б. 13);
■ 1< •
xK=~2aXik ,
* »=i
(Б.13)
» 1=1
Нок - абсолютное значение вариации, определяется по формуле (Б. 14):
яж=|х;-х;| (б. 14)
-
2.4.1.3 Определить доверительные границы абсолютной погрешности ИК на каждой к-той контрольной точке по формулам (Б.15):
^окабс = ^osk
Д й =А
(Б.15)
окабс ок
АОкдбс (

-
2.4.1.4 Определить доверительные границы абсолютной погрешности ИК по формуле (Б.16):
До = тах(Дотобс) (Б. 16)
2.4.2 Определение характеристик погрешности ИК при комплектной поверке с оценкой MX ИК по MX элементов системы.
-
2.4.2.1 Определить доверительные границы абсолютной погрешности ИК давления по
формуле (Б. 17):
Дд = впт • {уРдд + у!АЦП) /100, (кПа, МПа, кгс/см2, мм вод. ст.) (Б. 17)
где ВПдд- верхний предел измерений датчика давления, (кПа, МПа, кгс/см2, мм вод. ст.);
уРдд- пределы допускаемой приведенной погрешности измерений датчика давления, %;
у1АЦп - пределы допускаемой приведенной погрешности модуля АЦП (Adam-5017H, Adam-5017),%.
-
2.4.2.2 Определить доверительные границы абсолютной погрешности ИК температуры воздуха (газов) и жидкостей, измеряемой термопреобразователями сопротивления (ТСП), по формуле (Б. 18):
Дг=ДГгс„+ДГда,К(”С), (Б.18)
где ЛТтсп - пределы допускаемой абсолютной погрешности ПИП (ТСП) по
ГОСТ 6651-2009, К (°C);
ATira- пределы допускаемой абсолютной погрешности измерений температуры модулем АЦП(Абат-4015), К (°C).
-
2.4.2.3 Определить доверительные границы абсолютной погрешности ИК силы постоянного тока по формуле (Б. 19):
Д.=7-(Гчи_+ГИК’1,)/Ю0,А , (Б.19)
где I- измеренное значение силы постоянного тока, А;
Ушунт - пределы допускаемой приведенной погрешности ПИП (шунт постоянного тока 75ШИСВ), %;
/ИКу- значение приведенной погрешности ИК силы постоянного тока без ПИП, %;
-
2.4.2.4 Определить доверительные границы абсолютной погрешности ИК массового расхода топлива по формуле (Б.20):
Ао = 1,1 • Gm • 7(A(F)/F)2 + (Д0/02 + (Д(р)/р)2, кс/с, (Б.20)
где Gm - измеренное значение массового расхода топлива, кг/с;
&(Q)/Q -значение относительной погрешности ПИП(ОР-40);
A(F)/F- значение относительной погрешности ИК массового расхода топлива без ПИП;
Л(р)/р -значение относительной погрешности измерений плотности топлива:
Ьр/р = Ьр01 р0+у&,1 р0,
где Лр0 - абсолютная погрешность измерений плотности топлива ареометром АНТ-2, кг/м3;
Ро- номинальная плотность топлива при 20°С, кг/м3;
у - температурный коэффициент плотности топлива,кг-°С_1/м3;
^/-абсолютная погрешность измерений температуры топлива с помощью ТС, °C.
2.4.2.50пределить доверительные границы абсолютной погрешности ИК расхода (прокачки) масла по формуле (Б.22):
Ao=GJB-(A(F)/F) + (A0/0)), л/мин , (Б.22)
где Gm - измеренное значение расхода (прокачки) масла, л/мин;
d(Q)/Q “ значение относительной погрешности ПИП (турбинный преобразователь расхода ТПР10);
d(F)/F- значение относительной погрешности ИК без ПИП.
-
2.4.3 Определить доверительные границы абсолютной погрешности ИК параметров вибрации по формуле (Б.23):
Алл =1,1-^Ад+Ау+Ад+Дг2 +А^от , мм/с (для виброскорости), м/с2 (для виброускорения), (Б.23)
где Ав- абсолютная погрешность измерений параметров вибрации из-за нелинейности АЧХ, мм/с, м/с2;
А у - абсолютная погрешность измерений параметров вибрации из-за неравномерности АЧХ, мм/с, м/с2;
Ап - дополнительная абсолютная погрешность вибропреобразователя, обусловленная его поперечной чувствительностью, мм/с, м/с2. Ап =Ап пасп /2, где Ап пасп -паспортное значение погрешности вибропреобразователя, обусловленной его поперечной чувствительностью;
At - дополнительная абсолютная погрешность вибропреобразователя, обусловленная влиянием температуры на его коэффициент преобразования, мм/с, м/с2:
А. =^2-АТ Т
(Б.24)
где А,л -паспортное значение изменения коэффициента преобразования ПИП в заданном диапазоне температур Т, мм/с, м/с2;
Л Т- максимальное изменение температуры корпуса вибропреобразователя при стендовых испытаниях ГТД (ЛТ определяется экспериментально), °C;
А рэт - абсолютная погрешность РЭТ вибрации, мм/с, м/с2.
-
2.4.4 Определить доверительные границы приведенной к верхнему пределу измерений (ВП) погрешности ИК по формуле (Б.25):
(Б.25)
-
2.4.5 Определить доверительные границы приведенной к 0,5 ВП погрешности ИК по формуле (Б.26):
-
2.4.6 Определить доверительные границы приведенной к нормированному значению измеряемой величины (ИЗ) погрешности ИК по формуле (Б.27):
(Б.27)
-
2.4.7 Определить доверительные границы относительной погрешности ИК от измеряемой величины (ИВ) по формуле (Б.28):
80 =-^-100, %
(Б.28)
0 ИВ
Приложение В
(справочное)
Значения коэффициента Стьюдента-Фишера в зависимости от числа степеней свободы при доверительной вероятности Р = 0,95
Число степеней свободы |
Доверительная вероятность Р=0,95 |
Число степеней свободы 2ml-1 |
Доверительная вероятность Р=0,95 |
1 |
12,706 |
18 |
2,103 |
2 |
4,303 |
19 |
2,093 |
3 |
3,182 |
20 |
2,086 |
4 |
2,776 |
21 |
2,080 |
5 |
2,571 |
22 |
2,074 |
6 |
2,447 |
23 |
2,069 |
7 |
2,365 |
24 |
2,064 |
8 |
2,306 |
25 |
2,060 |
9 |
2,262 |
26 |
2,056 |
10 |
2,228 |
27 |
2,052 |
11 |
2,201 |
28 |
2,048 |
12 |
2,179 |
29 |
2,045 |
13 |
2,160 |
30 |
2,042 |
14 |
2,145 |
40 |
2,021 |
15 |
2,131 |
60 |
2,000 |
16 |
2,120 |
120 |
1,980 |
17 |
2,110 |
- |
Приложение Г (рекомендуемое)
Форма протокола поверки
Протокол №.......определения погрешностей измерений ИК системы измерительной
СИ-1/ТВ2/ТВЗ, зав. № ....АО «УЗГА»
-
1 Дата поверки
-
2 Средства поверки
-
3 Условия поверки
Температура окружающего воздуха, °C
Атмосферное давление, мм рт. ст.
Влажность, %
-
4 Документ, в соответствии с которым проводилась поверка Системы измерительные СИ-1/ТВ2/ТВЗ.
Методика поверки 404.172 МП...................................................................
-
5 Результаты экспериментальных исследований
-
5.1 Внешний осмотр
-
5.2 Результаты опробования
-
5.3 Результаты метрологических исследований
-
Рабочие материалы, содержащие данные по градуировкам ИК и их обработке представлены в рабочей папке №.........
Результаты метрологических исследований систем измерительныхСИ-1/ТВ2/ТВЗ представлены в таблицах 1 и 2.
Условия исследований:
-
- число ступеней нагружения
Р=...............
1 =...............
m =..............
-
- число циклов нагружения
-
- число опросов на точке
Расчет суммарной погрешности проводится по формулам методики поверки «Системы измерительные СИ-1 /ТВ2/ТВЗ. Методика поверки.404.172 МП
Таблица 1 - Результаты метрологических исследований ИК систем, включающих ПИП и вторичную часть ИК
Наименование ИК |
Обозначение параметра |
Диапазон измерений |
Тип ПИП зав. №, |
Диапазон измерений ПИП |
Относительная погрешность ПИП |
Относительная погрешность ИК(без ПИП) |
Значение суммарной относительной погрешности ИК |
Пределы допускаемой погрешности ИК |
Таблица 2 - Результаты метрологических исследований ИК систем с входными электриче
скими сигналами от устройств изделия и ПИП
Наименование ИК |
Обозначение параметра |
Диапазон измерений (диапазон показаний на дисплее системы) |
Источник сигнала на входе ИК |
Значение суммарной погрешности ИК |
Пределы допускаемой погрешности ИК |
-
6 Выводы
-
7 Заключение
Поверитель
__________________________)
подпись
ФИО
Приложение Д (справочное)
Перечень эксплуатационных и нормативных документов
Обозначение |
Наименование |
ГОСТ 8.009-2009 ГСИ |
Нормируемые метрологические характеристики средств измерений |
ГОСТ Р 8.736-2011 ГСИ |
Измерения прямые многократные. Методы обработки результатов измерений. Основные положения |
ГОСТ 22261-94 |
Средства измерений электрических и магнитных величин. Общие технические условия |
ОСТ 1 01021-93 |
Стенды для испытаний авиационных ГТД в наземных условиях. Общие технические требования |
ГОСТ 8.461-2009 ГСИ |
Термопреобразователи сопротивления из платины, меди и никеля. Методика поверки |
ГОСТ 6651-2009 ГСИ |
Термопреобразователи сопротивления из платины, меди и никеля. Общие технические требования и методы испытаний |
Р 50.2.041-2004 |
ГСИ. Ареометры стеклянные. Методика поверки |
НКГЖ.406233.018МП |
Преобразователи давления измерительные АИР-10. Методика поверки (утверждена ФГУП «ВНИИМС» 23.01.2014 г.) |
НКГЖ.406233.028МП |
Преобразователи давления измерительные. Методика поверки (утверждена ФГУП «ВНИИМС» 12.10.2015 г.) |
КУНИ.407279.001 МП |
Расходомеры-счётчики жидкости и газа. Методика поверки (утверждена ГЦИ СИ «Воентест» 32 ГНИИИ МО РФ в январе 2000 г.) |
ЛГФИ407221.034 МИ |
Преобразователи расхода турбинные Т11Р. Методика поверки (утверждена ГНИИ МО РФ 29 мая 2003 г.) |
МИ1991-89 |
ГСИ. Шунты постоянного тока. Методика поверки |
МИ 2083-90 |
Измерения косвенные. Определение результатов измерений и оценивание их погрешностей |
УРАБ.СИ-1/ТВ2/ТВ3.001РЭ |
Система измерительная СИ-1/ТВ2/ТВЗ. Руководство по эксплуатации |
УРАБ.СИ-1/ТВ2/ТВ3.001 ФО |
Система измерительная СИ-1/ТВ2/ТВЗ. Формуляр |
УРАБ.СИ-1/ТВ2/ТВ3.002 ФО |
Система измерительная СИ-1/ТВ2/ТВЗ. Формуляр |
УРАБ.АИИС/ТВ2/ТВ3.001 РП |
Автоматизированная информационно-измерительная система АИИС «ТВ2-117/ТВЗ-117». Руководство пользователя при испытаниях ГТД типа ТВ2-117А/АГ |
УРАБ.АИИС/ТВ2/ТВ3.002 РП |
Автоматизированная информационно-измерительная система АИИС «ТВ2-117/ТВЗ-117». Руководство пользователя при испытаниях ГТД типа ТВЗ-117 всех модификаций |
УРАБ.АИИС/ТВ2/ТВ3.001 РПр |
Автоматизированная информационно-измерительная система АИИС «ТВ2-117/ТВЗ-117». Руководство программиста |
33