Руководство по эксплуатации «Измерители мгновенных значений напряжения МН32СМ» (ФТСК.468266.022РЭ)

УТВЕРЖДАЮ
Генеральный директор

Инв. №подл. Подп. и дата Взам. инв № И не. №дубл. Подл, и дата
ИЗМЕРИТЕЛИ МГНОВЕННЫХ ЗНАЧЕНИЙ НАПРЯЖЕНИЯ МН32СМ
Руководство по эксплуатации
ФТКС.468266.022РЭ
2021
Содержание
-
-
5.4 Требования к специалистам, осуществляющим поверку
Подл, дата
Ине. № дубл.
-
5.5 Метрологические и технические требования к средствам поверки ... 24
-
5.10 Определение метрологических характеристик средства измерений .. 28
-
5.11 Подтверждение соответствия средства измерений метрологическим
Приложение Б (обязательное) Назначение контактов соединителя ESQT-150
Приложение В (обязательное) Методика внешней калибровки мезонина




|
Изм. |
Лист |
Ыадокум. |
Подл. |
Дата |
|
Разраб. |
Корнийчук | |||
|
Пров. |
Санжаревский | |||
|
Н. контр. |
Стороженко | |||
|
Уте. |
Стороженко | |||
ФТКС.468266.022РЭ
|
Лит. |
Лист |
Листов | |
|
Измеритель мгновенных значений |
2 |
44 | |
|
напряжения МН32СМ | |||
|
Руководство по эксплуатации |
Приложение Г (обязательное) Схема рабочего места
40
Приложение Д (обязательное) Порядок запуска программ на исполнение . 42
Приложение Е (справочное) Обозначения, принятые в протоколе проверок 43
Ина. Ns подл. Подл, и дата Взам. ина. Ns Ина. Ns дубл. Подл, дата
|
Изм. |
Лист |
NsdoKyM. |
Подп. |
Дата |
ФТКС.468266.022РЭ
Лист
Руководство по эксплуатации (далее по тексту - РЭ), предназначено для изучения и правильной эксплуатации модуля измерителя мгновенных значений напряжения МН32СМ, выполненного в виде мезонина (далее по тексту -мезонин).
При изучении работы мезонина следует дополнительно руководствоваться следующими документами:
-
- ФТКС.468266.022 ПС Измеритель мгновенного значения напряжения МН32СМ. Паспорт;
-
- ФТКС.75022-01 32 01 Драйвер МН32СМ Руководство системного программиста;
-
- ФТКС.65019-01 34 01 Управляющая панель инструмента МН32С Руководство оператора.
Ине. Ns подл. Подл, и дата Взам. ина. Ns Ина. Ns дубл. Подл, и дата
Изм.
Лист
№докум.
Подп.
Дата
ФТКС.468266.022РЭ
Лист
1 Описание и работа
-
1.1 Назначение
-
1.1.1 Мезонин предназначен для измерений мгновенных значений напряжения по тридцати двум двухпроводным дифференциальным каналам.
-
1.1.2 Мезонин используется совместно с одним из следующих носителей мезонинов (далее - НМ): модулем НМ-С ФТКС.468269.005, модулем НМ-М ФТКС.468269.011, модулем НМ АХ1е-0 ФТКС.468269.014, модулем НМУ АХ1е-0 ФТКС.468269.015, модулем НМНС АХ1е-0 ФТКС.468269.016, а также устройствами MezaBOX ФТКС.469133.006, MezaBOX\Battery 133W-hrs ФТКС.469133.006-01, MezaBOX-4M LXI ФТКС.469133.013 и аналогичными модулями и устройствами.
-
1.1.3 Мезонин по условиям применения соответствует требованиям к средствам измерений группы 3 по ГОСТ 22261-94.
-
1.2 Технические характеристики
Ине. Ns подл. Подл, и дета Взам. ина. Ns Ине. Ns дубл. Подп. и дата
-
1.2.1 Количество измерительных каналов 32.
-
1.2.2 Диапазоны измерений мгновенных значений напряжения:
от
минус
10 до
10
В;
от
минус
1 до 1
В;
от
минус
0,1 до
0,
1 В.
-
1.2.3 Входное сопротивление измерительного канала не менее 1 МОм.
-
1.2.4 Ширина полосы пропускания измерительных каналов по уровню минус 3 дБ - (19±1) кГц.
-
1.2.5 Пределы допускаемой основной относительной погрешности измерений мгновенных значений напряжения при минимальном периоде семплирования (получения результатов измерений) и при температуре окружающей среды
(20 ± 2) °C, %:
±[0,03 + 0,03(|Um/Ux| - 1)] для диапазона измерений от минус 10 до 10 В; ±[0,04 + 0,04(|Um/Ux| - 1)] для диапазона измерений от минус 1 до 1 В; ±[0,2 + 0,2(|Um/Ux| - 1)] для диапазона измерений от минус 100 до 100 мВ, где Um - значение верхней границы диапазона;
Ux - измеренное значение.
-
1.2.6 Пределы допускаемой дополнительной относительной погрешности измерений мгновенных значений напряжения при минимальном периоде семплирования для всех диапазонов измерений, %
± 0,002 Т,
|
ФТКС.468266.022РЭ |
Лист | |||||
|
5 | ||||||
|
Изм. |
Лист |
№докум. |
Подп. |
Дата |
Ине, № подл. Подп. и дата Взам. ина. № Ина. № дубл. Подл, и дата
где Т - отклонение температуры окружающей среды от значения 18 °C (для интервала температур от 5 до 18 °C) или от значения 22 °C (для интервала температур от 22 до 40 °C).
Примечания
-
1 Дополнительная относительная погрешность в интервале температур (20 ±2) °C равна нулю.
-
2 В интервале температур от 5 до 18 °C и от 22 до 40 °C допускаемая относительная погрешность измерений равна сумме основной относительной погрешности и дополнительной относительной погрешности.
-
1.2.7 Измерительные цепи мезонина гальванически развязаны от корпуса крейта.
Электрическая прочность изоляции гальванической развязки между каналами, а также между каналами и корпусом должна быть не менее 200 В.
Сопротивление изоляции гальванической развязки между каналами, а также между каналами и корпусом должно быть не менее 20 МОм.
-
1.2.8 Максимальное допустимое напряжение на входах мезонина ±35 В.
-
1.2.9 Мезонин выполняет измерения в следующих режимах:
-
- «Однократный» - выполняется однократное измерение по всем каналам;
-
- «Блочный» - измерения выполняются до получения заранее заданного количества отсчётов (результатов) по всем каналам;
-
- «Непрерывный» - измерения выполняются по всем каналам в непрерывном цикле до получения команды останова.
-
1.2.10 Период получения результатов измерений (период семплирования) одного канала задается программно в интервале от 5 мкс до 16,535 мс
с шагом 1 мкс, т.е при выборе одного канала при минимальном периоде семплирования промежуток времени между двумя последовательными измерениями равен 5 мкс, если выбрано 2 канала - 10 мкс и т.д.
-
1.2.11 Мезонин соответствует требованиям по безопасности, предъявляемым ГОСТ Р 58698-2019 к аппаратуре класса III по способу защиты человека от поражения электрическим током в соответствии с классификацией по МЭК 61140:2016.
ФТКС.468266.022РЭ
Лист
6
Изм.
Лист
Мдокум.
Подп.
Дата
-
1.3 Состав и назначение функциональных узлов
-
1.3.1 Состав функциональных узлов
-
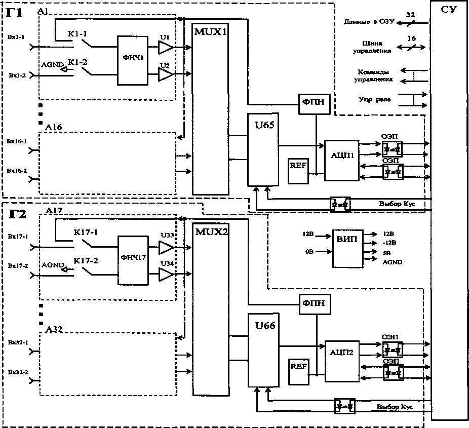
1.3.1.1 Структура мезонина приведена на рисунке 1.
-
1.3.1.2 Мезонин состоит из следующих функциональных узлов:
-
1) измерительная часть мезонина состоит из двух мультиплексных измерительных каналов Г1 и Г2. Каждый канал состоит из следующих функциональных узлов:
а) входные узлы каналов (Al - А32), в состав которых входят:
-
- реле(К1-К32);
-
- фильтр нижних частот(ФНЧ1-ФНЧ32);
-
- буферный усилитель (U1-U64);
б) аналоговый мультиплексор (MUX1,MUX2);
в) вторичный источник питания(ВИП);
г) аналого-цифровой преобразователь (АЦП - преобразователь напряжение - цифровой код) ;
д) схема управления (СУ);
е) источник опорного напряжения (REF);
ж) инструментальный усилитель с программируемым коэффициентом усиления (U65, U66);
з) формирователь проверочных напряжений (ФПН);
и) оптоэлектронный преобразователь (ОЭП);
-
2) схема управления.
Ине. Ns подл. Подп. и дата Взам. ина. Na Ина. Ns дубл. Подл, и дата
|
Изм. |
Лист |
№докум. |
Подп. |
Дата |
ФТКС.468266.022РЭ
Лист
Ина. № подл. Подл, и дата Взам. ина. Na Ина. Na дубл. Подл, и дата

Г1,Г2 - Мультиплексные измерительные каналы;
А1-А32 - входные узлы;
К1-К32 - входные реле;
ФНЧ1-ФНЧ32 - фильтр нижних частот;
СУ - схема управления;
U1-U64 - буферный усилитель (повторитель);
U65,U66 - измерительный усилитель ;
ФПН - формирователь проверочных напряжений
Рисунок 1 - Структура мезонина МН32СМ
|
Изм. |
Лист |
Ыядокум. |
Подо. |
Дата |
ФТКС.468266.022РЭ
Лист
ВИП - преобразователь напряжения;
REF - источник опорного напряжения;
MUX1,MUX2 - аналоговые мультиплексоры;
ОЭП - оптоэлектронный преобразователь;
АЦП1-АЦП2 - аналого-цифровые преобразователи.
Ине. Na подл. Подл, и дата I Взам. ине. Na I Ине. № дубл. Подп. и дата
-
1.3.2 Назначение функциональных узлов
-
1.3.2.1 Схема управления (СУ) предназначена для сопряжения мезонина с носителем мезонинов и управления измерительным каналом.
-
1.3.2.2 Схема управления состоит из следующих функциональных узлов:
-
- регистры управления;
-
- узел управления АЦП;
-
- буферное FIFO;
-
- схема формирования сигнала запроса прерывания и кода причины прерывания;
-
- устройство памяти EEPROM и схема формирования сигналов.
-
1.3.2.3 Регистры управления предназначены для записи, хранения и считывания признаков режимов работы, диапазонов измерений, периода семплирования, количества суммирований, признаков разрешения прерываний и кодов причины прерываний. Формат данных 16 разрядов. Формат адреса регистров 5 разрядов.
-
1.3.2.4 Узел управления АЦП предназначен для формирования сигналов управления АЦП.
-
1.3.2.5 Буферное FIFO предназначено для записи, хранения и считывания результатов измерений:
-
- формат хранимых данных - 32 разряда;
-
- максимальное количество хранимых отсчётов по каждому каналу - 2.
-
1.3.2.6 Схема формирования сигнала запроса прерывания формирует сигнал IRQ и формирует признак причины прерывания («переполнение FIFO» или «неисправность АЦП»).
-
1.3.2.7 Устройство памяти EEPROM и схема формирования сигналов предназначены для записи и считывания поправочных коэффициентов, определяемых на этапе калибровки.
-
1.3.2.8 Гальваническую развязку измерительных каналов от цепей управления и цепей питания крейта обеспечивают оптоэлектронные преобразователи (ОЭП, по цепям управления) и гальванически развязанные DC-DC преобразователи (по цепям питания), входящие в состав источника вторичного питания мезонина (ВИП).
-
1.3.2.9 Мультиплексные измерительные каналы (группы каналов) предназначены для преобразования напряжений, формируемых объектом контроля, в цифровой код. Измерительный канал состоит из следующих функциональных узлов:
-
- входные узлы А1-А32;
-
- аналоговый мультиплексор (MUX);
-
- измерительные усилители;
-
- АЦП;
-
- источник опорного напряжения(REF) ;
-
- формирователь проверочных напряжений.
ФТКС.468266.022РЭ
Лист
9
Изм.
Лист
Ыядокум.
Подп.
Дата
-
1.3.2.10 Входные узлы А1-А32 состоят из следующих функциональных узлов:
-
- входных реле;
-
- Фильтр низких частот;
-
- буферные усилители;
-
1.3.2.10.1 Входные реле (К2) служат для отключения объекта контроля от мезонина без выключения питания.
-
1.3.2.10.2 Фильтр нижних частот (ФНЧ) предназначен для подавления высокочастотных помех(спектральных составляющих сигнала не входящих в полосу пропускания канала).
-
1.3.2.10.3 Буферный усилитель обеспечивает высокое входное сопротивление канала.
-
1.3.2.11 Выходы буферных усилителей соединены со входами мультиплексора, который при проведении измерений последовательно (в порядке, определенном пользователем) подключает каждую пару буферных усилителей к инструментальному усилителю.
-
1.3.2.12 Инструментальный усилитель имеет программно управляемый коэффициент усиления (1;10 или 100, в зависимости от диапазона), а служит для подавления синфазной помехи.
-
1.3.2.13 Формирователь проверочных напряжений формирует напряжение 5,6 В, которое через контакты реле (К1) подается непосредственно на измерительные усилители и используется при проверке мезонина.
Ине. Ns подл. I Подл, и дата I Взам. ине. Ns I Ине. Ns дубл. Подл, и дата
|
Изм |
Лист |
Ыадокум. |
Подп. |
Дата |
ФТКС.468266.022РЭ
Лист
10
-
1.4 Устройство и работа
Ине. Ns подл. Подл, и дата Взам. ина. Ns Ина. № дубл. Подп. и дата
-
1.4.1 Управление работой мезонина осуществляется путём вызова прикладной программой на исполнение требуемых функций драйвера мезонина (см. ФТКС.75022-01 32 01 Драйвер МН32СМ. Руководство системного программиста).
-
1.4.2 Начальная установка и инициализация
-
1.4.2.1 По включению питания на мезонин поступает сигнал «SYSRESET».
С его приходом СУ мезонина устанавливается в исходное состояние, все регистры управления обнуляются и, как следствие, входы измерительных каналов отключаются от объектов контроля.
-
1.4.2.2 При инициализации мезонина выполняются следующие действия:
-
- считывается код модели мезонина;
-
- считываются поправочные коэффициенты из ЕЕPROM, которые используются при расчёте результатов измерений напряжения;
-
- очищается FIFO;
-
- проводится калибровка напряжения смещения нуля мезонина.
-
1.4.3 Конфигурация параметров измерения
-
1.4.3.1 Конфигурация параметров измерения должна проводиться перед запуском измерения. Конфигурация состоит из следующих действий:
-
- установка диапазона измерения;
-
- включение или выключение входных реле;
-
- установка режима работы (однократный, блочный, непрерывный);
-
- установка периода семплирования.
-
1.4.4 Запуск измерений
-
1.4.4.1 Запуск измерений в текущей конфигурации производится установкой в лог. 1 сигнала PUSK носителем мезонинов. Возможные режимы запуска определяется возможностями носителя мезонинов.
-
1.4.5 Получение результатов измерений
-
1.4.5.1 Полученный в результате аналого-цифрового преобразования двоичный код пересчитывается в итоговое напряжение в соответствии с коэффициентами, определёнными при внешней калибровке (см. приложение В) и полученными на этапе калибровки смещения нуля значениями.
ФТКС.468266.022РЭ
Лист
11
Изм.
Лист
Ыядокум.
Подп.
Дата
Ине. № подл. Подп. и дата Взам. ина. Na Ина. № дубл. Подп. и дата
-
1.4.6 Калибровка напряжения смещения нуля
-
1.4.6.1 Калибровка напряжения смещения нуля выполняется автоматически при инициализации мезонина и, кроме того, может проводиться непосредственно перед каждым измерением путем вызова соответствующей функции драйвера.
-
1.4.6.2 Для уменьшения погрешности измерений рекомендуется проводить внутреннюю калибровку при долговременных измерениях через каждые четыре часа, а также при изменениях температуры окружающей среды, более чем на 10 °C.
-
1.4.6.3 При выполнении калибровки напряжения смещения нуля определяются значения напряжения смещения нуля для каждого канала, которые автоматически учитываются при проведении измерений.
-
1.4.7 Проверка работоспособности
-
1.4.7.1 Проверка работоспособности осуществляется программно функцией драйвера selftest, например, по нажатию кнопки «Самоконтроль» программной панели или программного файла P_mn32c.exe (См. ФТКС.65019-01 34 01 Управляющая панель инструмента МН32С Руководство оператора).
-
1.4.7.2 При проверке работоспособности осуществляются проверка программной доступности регистров управления мезонином, а также проверка работоспособности АЦП путём измерения значений проверочного напряжения.
-
1.4.7.3 По завершении проверки выдаётся сообщение о результате выполненной проверки (успешном завершении или наличии неисправности).
-
1.4.8 Конструкция
-
1.4.8.1 Мезонин представляет собой конструкцию, состоящую из лицевой панели с габаритными размерами 50,8 х 22 мм и прикрепленной к ней печатной платы размером 260 х 50 мм.
-
1.4.8.2 Мезонин устанавливается на носитель мезонинов, устанавливаемый в крейт VXI и соединяемый с магистралью VXIbus.
-
1.4.8.3 Обмен данными между мезонином и носителем мезонинов осуществляется через соединитель типа ESQT-150.
-
1.4.8.4 Габаритные размеры мезонина (длина х ширина х высота) не более 266 х 50,8 х 22 мм.
-
1.4.8.5 Масса мезонина не более 140 г.
ФТКС.468266.022РЭ
Лист
12
Изм
Лист
№докум.
Подп.
Дата
1.4.9 Средства измерения и принадлежности
1.4.9.1 Средства измерения, используемые при внешней калибровке (см. приложение В) и поверке мезонина в соответствии с разделом 5, приведены в таблице 1.1.
Ине. Na подл. Подп. и дата Взам. ина. Na Ине. № дубя. Подп. и дата
Таблица 1.1
|
Наименование |
Кол., шт. |
Диапазон измерений или установки |
|
Источник питания постоянного тока GPR-6030D |
1 |
Диапазон установки значений выходного стабилизированного напряжение от 0 до 60 В; Предел допускаемой абсолютной погрешности установки выходного напряжения прибора в режиме стабилизации напряжения, (иуст), В ± (0,005иуст + 0,2); Нестабильность выходного напряжения прибора в режиме стабилизации напряжения, мВ ± (0,0001иуст + 3) |
|
Мультиметр 3458А |
1 |
Пределы измерений напряжения постоянного тока 100 мВ; 1В; 10 В; 100 В, пределы допускаемой абсолютной погрешности измерений на пределах измерений: 100 мВ ± (2,5’10"6D + 3,5-10_6 Е) ; 1 В ± (l,5-10'6D + 0,3-10‘6 Е); 10 В ± (0,5-10'6D + 0,05’Ю"6 Е); 100 В ± (2,5’10"6D + 0,3-10’6 Е), 1000 В ± (2,5-10’6D + 0,1-10_6 Е) где D - показание мультиметра, Е - предел измерений. |
|
Магазин электрического сопротивления Р4834 |
1 |
Диапазон воспроизводимых значений сопротивления, Ом: от 0,01 до 111111,1 Пределы допускаемой относительной погрешности (d) воспроизведения номинального значения сопротивления в нормальных условиях применения, %: ±[0,02+2,5-10*7(105 /R-1) ] , где R - номинальное значение включенного сопротивления. Класс точности магазина при использовании в качестве ММЭС по ГОСТ 23737: 0,02 |
|
Примечание - Допускается применение аналогичных средств измерения, обеспечивающих необходимую точность измерения и выполнение требуемых функций. | ||
|
Изм. |
Лист |
Ыядокум. |
Подп. |
Дата |
ФТКС.468266.022РЭ
Лист
13
-
1.4.9.2 Принадлежности, используемые при внешней калибровке и поверке мезонина приведены в таблице 1.2.
Таблица 1.2
|
Наименование |
Кол., шт. |
|
Источник опорного напряжения постоянного тока ИОН ФТКС.687420.028 |
1 |
|
Соединитель контрольный Т-МН32 ФТКС.685626.013 |
1 |
|
Кабель ШШВ ФТКС.685621.038 |
3 |
|
Кабель ШШ ФТКС.685621.536 |
4 |
Ине, № подп. I Поди, и дата Взам. ине. № I Ине. Ns дубл. Подп, и дата
-
1.4.9.3 При самостоятельной поставке принадлежности, приведенные в таблице 1.2, поставляются в составе мезонина.
При поставке мезонина в составе другого изделия принадлежности, приведенные в таблице 1.2, могут не включаться в состав мезонина, а включаться в состав принадлежностей изделия, в составе которого мезонин поставляется.
-
1.4.10 Маркировка и пломбирование
-
1.4.10.1 Маркировка мезонина выполнена в виде:
-
- надписи наименования мезонина на его лицевой панели,
-
- надписи заводского номера мезонина на плате печатного монтажа.
-
1.4.11 Упаковка
-
1.4.11.1 При самостоятельной поставке мезонин должен быть упакован следующим образом:
-
1) обернуть мезонин двумя слоями бумаги марки А-90 ГОСТ 8273;
-
2) на обертку наклеить этикетку,
-
3) модуль в обертке поместить в чехол из полиэтиленовой пленки толщиной от 0,15 до 0,30 мм марки Мс, сорта 1 ГОСТ 10354;
-
4) в упаковочный мешок рядом с оберткой поместить мешок с линасилем (50 г),
-
5) упаковочный мешок заварить (заклеить);
-
6) поместить заваренный упаковочный мешок в тарную коробку из картона марки Т-11С ГОСТ 7376;
-
7) на тарную коробку наклеить этикетку.
-
1.4.11.2 При поставке мезонина установленным на носитель мезонинов упаковка выполняется в соответствии с документами на носитель мезонинов.
ФТКС.468266.022РЭ
Лист
14
Изм.
Лист
Ыядокум.
Подп.
Дата
2 Использование по назначению
2.1 Эксплуатационные ограничения
Ине. Ns подл. Подл, и дата Взам. ине. Ns Ине. Ns дубл. Подп. и дата
-
2.1.1 Требования к питанию мезонина
-
2.1.1.1 Мезонин должен запитываться через соединитель ESQT-150 напряжениями:
-
- плюс 5 В +0,25 В/-0,125 В;
-
- плюс 12 В +0,60 В/-0,36 В.
-
2.1.1.2 Ток, потребляемый по цепи +5 В, не более 400 мА.
-
2.1.1.3 Ток, потребляемый по цепи +12 В, не более 700 мА.
-
2.1.1.4 Суммарная мощность, потребляемая мезонином по цепям питания, не превышает 10,4 Вт.
2.1.2 Условия эксплуатации
-
2.1.2.1 Мезонин работоспособен в интервале температур от 5 до 40 °C и относительной влажности до 80% при температуре 25 °C.
-
2.1.2.2 Мезонин сохраняет технические и эксплуатационные характеристики после воздействия на него температуры окружающей среды от минус 50 до 50 °C и относительной влажности 95 % при температуре 25 °C.
2.1.3 Способы уменьшения погрешности измерений
-
2.1.3.1 Если значения погрешностей выше нормы, указанной в п. 1.2.3, необходимо мезонин откалибровать по методике, приведённой в приложении В.
-
2.1.3.2 Рекомендуется проводить измерение напряжения смещения нуля при долговременных измерениях через каждые четыре часа, а также при изменении температуры окружающей среды более, чем на 10 °C.
|
Изм. |
Лист |
№докум. |
Подп. |
Дата |
ФТКС.468266.022РЭ
Лист
Форма 2а
15
_
-
2.2 Подготовка мезонина к использованию
-
2.2.1 Мезонин должен быть установлен на модуль ФТКС.468269.002, модуль НМ-С ФТКС.468269.005, модуль НМ-М ФТКС.468269.011, модуль НМ АХ1е-0 ФТКС.468269.014, модуль НМУ AXIe-О ФТКС.468269.015, модуль НМНС_АХ1е-0 ФТКС.468269.016, устройство MezaBOX ФТКС.469133.006, устройство MezaBOX\Battery 133W-hrs ФТКС.469133.006-01, устройство MezaBOX-4M LXI ФТКС.469133.013 или аналогичные модули и устройства.
-
2.2.2 Обмен данными между мезонином и носителем мезонинов осуществляется через соединитель типа ESQT-150. Назначение контактов соединителя приведено в приложении Б.
-
2.2.3 Между моментом включения питания и запуском программы менеджера ресурсов VXI (см. приложение Д) должно быть выдержано время не менее
-
10 минут.
-
2.3 Использование мезонина
Инв. Ns подл. Подл, и дата Взам. ина. No Ине. Ns дубл. Подл, и дата
-
2.3.1 Измерительные цепи подсоединяются к соединителю
MDR 10226-55G3JL, установленному на лицевой панели мезонина. Назначение контактов соединителя приведено в приложении А.
-
2.3.2 Мезонин со своим драйвером совместно с носителем мезонинов и его драйвером образуют «инструмент», реализующий определённый набор функций.
-
2.3.3 Для реализации функций «инструмента» необходимо программой верхнего уровня, например, управляющей панелью (см. ФТКС.65019-01 34 01 Управляющая панель инструмента МН32С. Руководство оператора), открыть сеанс управления «инструментом» и, сообщив драйверу «инструмента» значения параметров, необходимых для реализации вызываемых функций, передать управление драйверу.
Изм.
Лист
№докум.
Подл.
Дата
ФТКС.468266.022РЭ
Лист
16
-
-
3 Техническое обслуживание
-
3.1 Виды и периодичность технического обслуживания
-
3.1.1 При поставке мезонина в составе изделия виды, периодичность и порядок технического обслуживания определяются руководством по эксплуатации изделия.
-
3.1.2 При самостоятельной поставке мезонина виды, периодичность и порядок технического обслуживания определяются пп.3.1.3 - 3.1.5, подразделом 3.2.
-
3.1.3 Техническое обслуживание мезонина включает следующие виды:
-
-
-
1) ежедневное техническое обслуживание (ЕТО);
-
2) ежегодное техническое обслуживание (ТО-1).
-
3.1.4 ЕТО проводится при подготовке мезонина к использованию по назначению.
-
3.1.5 ТО-1 проводится один раз в год, независимо от интенсивности эксплуатации мезонина, а также перед постановкой мезонина на длительное хранение.
Ине. № подл. Подп. и дата Взам. ине. No Ине. No дубл. Подп. и дата
-
3.2 Порядок технического обслуживания
-
3.2.1 Порядок технического обслуживания соответствует порядку записи операций в таблице 3.1.
-
3.2.2 Операция технического обслуживания выполняется в соответствии с ее технологической картой.
-
3.2.3 При техническом обслуживании мезонина обязательным является выполнение всех действий, изложенных в технологических картах операций.
-
3.2.4 Все неисправности, выявленные в процессе технического обслуживания, должны быть устранены. При этом о проведении и результатах обслуживания должна быть сделана запись в разделе «Работы при эксплуатации» паспорта ФТКС.468266.022ПС.
ФТКС.468266.022РЭ
Лист
17
Изм.
Лист
Мдокум.
Подп.
Дата
-
Таблица 3.1
|
Наименование операции технического обслуживания |
Номер технологиче ской карты |
Виды технического обслуживания | |
|
ЕТО |
ТО-1 | ||
|
1 Проверка состояния и чистка элементов лицевой панели |
1 |
+ |
+ |
|
2 Проверка работоспособности мезонина |
2 |
+ |
+ |
|
3 Детальный осмотр и чистка |
3 |
- |
+ |
|
4 Проверка эксплуатационных документов |
4 |
- |
+ |
3.3 Технологические карты операций технического обслуживания
Ине. № подл. Подп. и дата Взам.инв № Ине.Ыядубл. Подп. и дата
-
3.3.1 Технологическая карта 1
Проверка состояния и чистка элементов лицевой панели мезонина
Средства измерений: нет.
Инструмент: нет.
Расходные материалы:
-
- бязь отбеленная арт. 224 ГОСТ 11680 (салфетка 200x200 мм - 1 шт);
-
- кисть флейцевая КФ251 (1 шт).
Действия:
-
1) перед включением крейта VXI, в котором эксплуатируется мезонин, установленный на носитель мезонинов, произвести внешний осмотр лицевой панели мезонина, убедиться в отсутствии деформаций и нарушений целостности соединителя;
-
2) удалить пыль с лицевой панели мезонина сухой бязевой салфеткой и, при необходимости, кистью.
-
3.3.2 Технологическая карта 2
Проверка работоспособности
Средства измерений: нет.
Инструмент: нет.
Расходные материалы: нет.
Действия:
-
1) включить крейт VXI с установленным носителем мезонинов и установленным в нём проверяемым мезонином;
-
2) убедиться в положительном результате самотестирования ПЭВМ и правильности загрузки операционной среды;
-
3) выдержать мезонин во включенном состоянии 10 минут;
-
4) выполнить проверку мезонина в режиме самоконтроля в соответствии с п. 1.4.7.
ФТКС.468266.022РЭ
Лист
1е
Изм.
Лист
Ыядокум.
Подп.
Дата
-
3.3.3 Технологическая карта 3
Детальный осмотр и чистка
Средства измерения: нет.
Инструмент: нет.
Расходные материалы:
-
- бязь отбеленная арт. 224 ГОСТ 11680 (салфетка 200x200 мм - 1 шт);
-
- спирт этиловый ГОСТ 11547 20 мл.
Действия:
-
1) отключить от сети крейт VXI с установленным носителем мезонинов, на котором эксплуатируется мезонин;
-
2) если к мезонину подсоединён кабель, отсоединить его;
-
3) протереть бязью, смоченной в спирте, контакты соединителя;
-
4) при необходимости, присоединить кабель к соединителю мезонина.
-
3.3.4 Технологическая карта 4
Проверка эксплуатационных документов
Средства измерения: нет.
Инструмент: нет.
Расходные материалы: нет.
Действия:
-
1) проверить наличие эксплуатационных документов по паспорту;
-
2) проверить состояние эксплуатационных документов;
-
3) проверить своевременность внесения необходимых записей в паспорт.
Ине. Ns подл. Подп. и дата Взам. ина. № Ина. Ns дубл. Подп. и дата
Изм.
Лист
Ыядокум.
Подп.
Дата
ФТКС.468266.022РЭ
Лист
19
-
4 Транспортирование и хранение
-
4.1 Транспортирование
-
4.1.1 Мезонин в штатной упаковке, упакованный в транспортную тару, допускает транспортирование следующими видами транспорта:
-
-
железнодорожным в закрытых вагонах на любые расстояния со скоростями, допустимыми на железнодорожном транспорте;
воздушным и водным в закрытых герметичных отсеках на любые расстояния, с ускорением не блее 30 м/с2, без ограничения скорости;
- автомобильным в закрытых фургонах:
Инв, Ns подл. Подл. и дата Взам. инв. № Ина. № дубл. Подл, и дата
-
4.1.3 Допускается транспортирование мезонина в штатной упаковке изготовителя при температуре окружающей среды от минус 50 до 50°C и относительной влажности до 95% при температуре 25°C.
Давление окружающего воздуха должно соответствовать нормам, принятым для данного вида транспорта.
-
4.1.4 Допускается транспортирование мезонина установленным в устройство типа MezaBOX, упакованный в штатную упаковку. При этом условия транспортирования должны соответствовать ограничениям, изложенным в настоящем подразделе.
|
Изм. |
Лист |
Ыядокум. |
Подп. |
Дата |
ФТКС.468266.022РЭ
Лист
20
|
- по дорогам |
1 |
- 3 категории - |
на расстояние |
до |
500 |
км со |
|
скоростью до |
40 |
км/ч; | ||||
|
- по дорогам |
4, |
5 категории - |
на расстояние |
до |
500 |
км со |
|
скоростью до |
20 |
км/ч. | ||||
|
4.1.2 При транспортировании транспортная |
тара с мезонином должна |
быть | ||||
надежно закреплена креплениями, исключающими ее перемещение относительно транспортного средства при воздействии механических нагрузок.
4.2 Хранение
-
4.2.1 Мезонин должен храниться в складских условиях в транспортной таре, в которой мезонин поставляется изготовителем.
Складские условия:
-
- температура воздуха от 5 до 35 °C;
-
- относительная влажность воздуха не более 80% при температуре 25 °C;
-
- воздух не должен содержать пыли, паров кислот, щелочей и других агрессивных примесей.
-
4.2.2 При хранении в штатной упаковке в складских условиях мезонин допускает хранение в течение всего срока гарантии при условии выполнения переконсервации мезонина после каждых двух лет его хранения.
-
4.2.3 Допускается хранение мезонина установленным на носитель мезонинов в штатной таре носителя мезонинов, или установленным на носитель мезонинов, установленный в крейт VXI, находящийся в штатной таре крейта VXI.
-
4.2.4 Допускается хранение мезонина установленным в устройство типа MezaBOX, упакованный в штатную упаковку, находящийся в штатной таре.
-
4.3 Переконсервация
Ине. № подл. Подп. и дата Взам. ина. Na Ина. Na дубл. Подл, и дата
-
4.3.1 Переконсервация мезонина должна выполняться не реже, чем через каждые два года его хранения.
-
4.3.2 Перед переконсервацией поместить мезонин в помещение, имеющее относительную влажность не более 70% при температуре не ниже 15 °C.
-
4.3.3 Вскрыть транспортную тару.
-
-
При вскрытии полиэтиленового мешка отрезать минимально необходимую полоску материала и вынуть обертку мезонина из мешка.
-
4.3.4 Развернуть обертку и просушить мезонин (выдержка в течение 24 часов в помещении в условиях, приведенных в п.4.3.2).
Примечание - Допускается не производить сушку мезонина, если хранение мезонина осуществлялось,в помещении, имеющем относительную влажность воздуха не более 70% при температуре не ниже 15 °C.
-
4.3.5 Заменить линасиль (марка ИВХАН-100) в мешочке, находившемся в упаковке мезонина, на новый (просушенный при температуре 150 - 200 °C не менее 4 часов).
Изм.
Лист
№докум.
Подп.
Дата
ФТКС.468266.022РЭ
Лист
21
-
4.3.6 Упаковать мезонин:
-
1) обернуть мезонин двумя слоями бумаги марки А-90 ГОСТ 8273;
-
2) на обертку наклеить этикетку,
-
3) обертку поместить в чехол из полиэтиленовой пленки толщиной от 0,15 до 0,30 мм марки Мс, сорта 1 ГОСТ 10354;
-
4) в упаковочный мешок рядом с оберткой поместить мешок с линасилем (50 г),
-
5) упаковочный мешок заварить (заклеить);
-
6) поместить заваренный упаковочный мешок в тарную коробку из картона марки Т-11С ГОСТ 7376;
-
7) на тарную коробку наклеить этикетку.
Ине. Na подл. I Подп. и дата I Взам. ине. Na I Ине. Na дубл. Подл, и дата
Изм.
Лист
Ыадокум.
Подо.
Дата
ФТКС.468266.022РЭ
Лист
22
-
5 Методика поверки
-
5.1 Общие положения
Ине. Ns подл. Подл, и дата Взам. ине. № Ине. Ns дубл. Подл, и дата
-
5.1.1 Настоящая методика поверки распространяется на измерители мгновенных значений напряжения МН32СМ (далее - мезонины) и устанавливает методику их первичной и периодической поверок.
-
5.1.2 При проведении поверки должна обеспечиваться прослеживаемость измерителей мгновенных значений напряжения МН32СМ к государственному первичному эталону единицы электрического напряжения ГЭТ 13-2001 согласно государственной поверочной схеме, утвержденной Приказом Федерального агентства по техническому регулированию и метрологии от 30 декабря 2019 года № 3457.
-
5.1.3 При первичной поверке мезонина поверяются все каналы мезонина во всех диапазонах измерений. При периодической поверке допускается проведение отдельных измерительных каналов, поверки на меньшем числе поддиапазонов измерений в соответствии с заявлением владельца средства измерений, с обязательным указанием в сведениях о поверке информации об объеме проведенной поверки.
-
5.1.4 1.5 Поверка мезонина должна проводиться в соответствии с требованиями настоящей методики поверки. Интервал между поверками - 1 год.
-
5.1.5 Метод, обеспечивающий реализацию методики поверки - метод непосредственного сличения.
5.2 Операции поверки
-
-
-
5.2.1 При проведении поверки должны выполняться операции, указанные в таблице 5.1.
Таблица 5.1
Наименование операции
Номер пункта документа по поверке
Проведение операции при
первичной поверке
периодической поверке
1 Внешний осмотр средства
измерений
5.7
+
+
2 Подготовка к поверке и
опробование средства измерений
5.8
+
+
3 Проверка программного
обеспечения средства измерений
5.9
+
+
4 Определение метрологических
5.10
+
+
ФТКС.468266.022РЭ
Лист
23
Изм.
Лист
№докум.
Подп.
Дата
Наименование операции
Номер пункта документа по поверке
Проведение операции при
первичной поверке
периодической поверке
характеристик средства измерений
4.1 Проверка относительной основной погрешности измерений мгновенных значений напряжения при минимальном периоде семплирования и при температуре окружающей среды плюс (20±2) С°
5.10.1
+
+
5 Подтверждение соответствия средства измерений метрологическим требованиям
5.11
+
+
-
5.3 Требования к условиям проведения поверки
-
5.3.1 При проведении поверки должны соблюдаться
следующие условия: плюс 18 до плюс 22;
от 30 до 80; от 84,0 до 106,7 (от 630 до 795).
-
- температура окружающего воздуха, °C от
-
- относительная влажность воздуха, %
-
- атмосферное давление, кПа (мм рт. ст.)
Ине. № подл. Подл, и дата Взам. ина. Ns Ина. Ns дубл. Подл, и дата
5.4 Требования к специалистам, осуществляющим поверку
-
5.4.1 К проведению поверки допускаются лица, изучившие настоящую методику поверки, эксплуатационную документацию на поверяемые мезонины и средства поверки.
-
5.4.2 К проведению поверки допускаются лица, соответствующие требованиям, изложенным в статье 41 Приказа Минэкономразвития России от 26.10.2020 года № 707 (ред. от 30.12.2020 года) «Об утверждении критериев аккредитации и перечня документов, подтверждающих соответствие заявителя, аккредитованного лица критериям аккредитации».
|
Изм. |
Лист |
NsdonyM. |
Подл. |
Дата |
ФТКС.468266.022РЭ
Лист
24
5.5 Метрологические и технические требования к средствам поверки
5.5.1 При проведении поверки должны применяться средства поверки, указанные в таблице 5.2.
Ине. № подл. Подп. и дата Взам. ина. № Ина. № дубл. Подп. и дата
Таблица 5.2
|
Метрологические и технические требования к средствам поверки |
Рекомендуемый тип средства поверки, регистрационный номер в Федеральном информационном фонде по обеспечению единства измерений (далее -per. №) и (или) метрологические или основные технические характеристики средства поверки |
|
Диапазоны измерений мгновенных значений напряжения постоянного тока: от -0,1 до +0,1 В; от -1,0 до +1,0 В; от -10 до +10 В. Соотношение пределов допускаемой общей погрешности средства воспроизведений входного сигнала и средства измерений выходного сигнала и пределов допускаемой погрешности поверяемого средства измерений должно быть не более 1:3 |
Мультиметр 3458А: Пределы измерений напряжения постоянного тока 100 мВ; 1 В; 10 В; 100 В, пределы допускаемой абсолютной погрешности измерений на пределах измерений: 100 мВ ± (2,5 • 10'6-D+3,5 • 10"6*Е) ; 1 В ±(l,5-10’6-D +0,3-10'6-Е) ; 10 В ±(0,5-10'6-D + 0,05-10'6-Е) ; 100 В ±(2,5-10’6-D + 0,3-10‘6-Е); 1000 В ±(2,5-10'6-D + 0,1-10'6-Е). где D - показание мультиметра, Е - предел измерений. |
|
Вспомогательные средства поверки | |
|
Диапазоны воспроизведений напряжения постоянного тока: от 4,875 до 5,25 В; от 11,64 до 12,6 В. |
Источник питания постоянного тока линейный НМР4040:
±(0,002-Х+2,0 мА), где X - значение измеренной величины напряжения или тока соответственно. |
|
Изм |
Лист |
Мдокум. |
Подп. |
Дата |
ФТКС.468266.022РЭ
Лист
25
Поди, и дата Взам. ина. № Ине. Ns дубл. Поди, и дата


|
Метрологические и технические требования к средствам поверки |
Рекомендуемый тип средства поверки, регистрационный номер в Федеральном информационном фонде по обеспечению единства измерений (далее -per. №) и (или) метрологические или основные технические характеристики средства поверки |
|
Диапазон измерений температуры окружающей среды от +5 до +40 °C, диапазон измерений относительной влажности до 80 % |
Термогигрометр «ИВА-6Н-Д»:
Пределы допускаемой основной абсолютной погрешности измерений относительной влажности, при 23 °C ±2,0 %;
Пределы допускаемой абсолютной погрешности измерений атмосферного давления не более ±2,5 гПа. |
|
Вспомогательное оборудование | |
|
Управляющая ЭВМ с внешними устройствами и следующим установленным программным обеспечением: операционная система Windows (32-bit), комплект программного обеспечения интерфейса VXI, комплект драйверов модулей Информтест, программа «P_MN32C.exe» с внешними устройствами (монитор, клавиатура, манипулятор «мышь»),. | |
|
Источник опорного напряжения постоянного тока ИОН ФТКС.687420.028 | |
|
Крейт VXI, соответствующий ГОСТ Р 51884-2002 | |
|
Комплект общесистемного интерфейса информационной связи ЭВМ (контроллер интерфейса, кабель, контроллер слота ноль) и крейта VXI, соответствующий спецификациям VPP Альянса производителей систем VXI plug&play. | |
|
Носитель мезонинов модуль НМ ФТКС.468269.002 или другой аналогичный носитель мезонинов. | |
|
- |
Комплект драйверов модулей Информтест |
|
- |
Программа «р mn32C.exe» |
5.5.2 Допускается применение средств поверки с метрологическими и техническими характеристиками, обеспечивающими требуемую точность передачи единиц величин поверяемому средству измерений.
|
Изм. |
Лист |
Na докум. |
Подп. |
Дата |
ФТКС.468266.022РЭ
Лист
26
-
5.5.3 Допускается применение аналогичного вспомогательного оборудования, обеспечивающего проведение операций поверки.
-
5.6 Требования безопасности
-
5.6.1 При проведении поверки необходимо соблюдать требования безопасности, установленные ГОСТ 12.3.019-80, «Правилами технической эксплуатации электроустановок потребителей». Также должны быть соблюдены требования безопасности, изложенные в эксплуатационных документах на поверяемые мезонины и применяемые средства поверки.
-
5.7 Внешний осмотр средства измерений
-
5.7.1 При внешнем осмотре проверить состояние элементов, расположенных на лицевой панели мезонина, в том числе состояние контактов соединителей, а также состояние покрытий.
Результат внешнего осмотра считать положительным, если не обнаружено нарушений целостности элементов, контактов и покрытий.
Ине. Ns подл. Подп. и дата Взам. ина. Ns Ина. Ns дубл. Подл, и дата
-
5.8 Подготовка к поверке и опробование средства измерений
-
5.8.1 Перед проведением поверки необходимо выполнить следующие подготовительные работы:
-
- выдержать изделие в условиях, указанных в п. 5.3.1 в течение не менее 4 ч;
-
- выполнить операции, оговоренные в технической документации на применяемые средства поверки по их подготовке к измерениям;
-
- выполнить операции, оговоренные в п. 2.2 «Подготовка к использованию» .
-
5.8.2 Все вводимые в ПЭВМ значения величин должны быть представлены в основных единицах международной системы единиц физических величин СИ в формате с плавающей точкой.
При вводе нецелых чисел разделителем целой и дробной частей числа является символ «.» (точка).
Разделителем мантиссы и порядка является символ (буква) «Е», либо символ (буква) «е» латинского шрифта.
|
ФТКС.468266.022РЭ |
Лист | |||||
|
27 | ||||||
|
Изм |
Лист |
№докум. |
Подп. |
Дата |
-
5.8.3 Опробование
-
5.8.3.1 Опробование выполнять согласно п. 1.4.7. Мезонин подвергать поверке только при положительном результате его опробования
-
5.8.3.2 Результат опробования считать положительным, если в результате проверки мезонина программой отсутствуют сообщения о неисправностях.
-
5.9 Проверка программного обеспечения средства измерений
-
5.9.1 Идентификация ПО мезонина осуществляется проверкой идентификационных данных (признаков) компонентов ПО, отнесенных к метрологически значимым - библиотеки математических преобразований unmn32s_math.dll.
Для проверки контрольной суммы исполняемого кода (цифрового идентификатора ПО) необходимо на панели носителя мезонинов выбрать пункт меню «Справка о программе».
-
5.9.2 В появившемся окне наблюдать информацию об идентификационном признаке (контрольной сумме) файлов, являющихся метрологически значимыми частями ПО. Фактическая (рассчитанная при запуске) контрольная сумма должна совпадать с эталонной контрольной суммой, приведенной в паспорте на мезонин и описании типа.
Ине. Ns подл. Подп. и дата Взам. ина. Ns Ине. Ns дубл. Подл, и дата
-
5.10 Определение метрологических характеристик средства измерений
-
5.10.1 Проверка относительной основной погрешности измерений мгновенных значений напряжения при минимальном периоде семплирования и при температуре окружающей среды плюс (20±2) С°. Поверку проводить в следующей последовательности:
-
1) подготовить измерительные приборы и принадлежности:
-
- мультиметр 3458А (далее - мультиметр);
-
- источник питания постоянного тока линейный НМР4040 (далее -источник питания);
-
- источник опорного напряжения постоянного тока ИОН;
ФТКС.687420.028;
-
- кабель Т-МН32 ФТКС.685626.013;
-
- кабели ШШВ ФТКС.685621.038;
-
- кабели ПШ1 UNC4.853.185;
-
2) собрать рабочее место согласно приложению Г;
-
3) включить мультиметр 3458А, установить его в режим измерения напряжения постоянного тока с автоматическим выбором диапазона;
-
4) включить ПЭВМ, убедиться в отсутствии сообщения об ошибках ее самотестирования и загрузки операционной среды:
ФТКС.468266.022РЭ
Лист
28
Изм
Лист
Ывдокум.
Подп.
Дата
Ина. Ns подл. Подп. и дата Взам. ина. Ns Ина. Ns дубп. Подл, и дата
-
5) включить питание крейта VXI, выдержать его во включенном состоянии не менее 10 минут.
-
6) руководствуясь приложением Д «Порядок запуска программ на исполнение» запустить на исполнение программный файл p_mn32c.exe, входящий в состав управляющей панели ФТКС. 65019-01
(См. ФТКС.65019 - 01 34 01 Управляющая панель мезонина МН32СМ Руководство оператора);
-
7) на программной панели выбрать носитель мезонинов, на котором установлен проверяемый мезонин;
-
8) выбрать закладку «Поверка»;
-
9) в правой части программной панели выбрать номер (позицию установки на носителе) проверяемого мезонина. Дождаться исчезновения надписи «Идёт инициализация»;
-
10) в окно «Файл протокола» ввести желаемое имя файла протокола. Если не указан путь размещения файла, то он создаётся в директории (каталоге), из которой запускается программа p_mn32c.exe;
-
11) на программной панели установить диапазон измерений 10 В;
-
12) на программной панели в поле выбора «Температура» выбрать режим «20 °C»;
-
13) на программной панели выбрать режим работы «Использовать муль тиметр»;
-
14) на программной панели нажать на кнопку «Калибровка диапазона»;
-
15) на источнике опорного напряжения постоянного тока ИОН установить тумблер «АТ» в положение, соответствующее установленному диапазону, согласно таблице 5.3;
-
16) включить источник питания, выставить на нем напряжение в диапазоне значений от 16 до 18 В и защиту по току не более 150 мА;
-
17) На источнике опорного напряжения постоянного тока ИОН установить тумблер «Питание» в положение «Вкл», тумблер «Ипер» в положение «ВНЕШН»;
Таблица 5.3
Диапазон измерений
Рекомендуемое положение тумблера «АТ» на источнике опорного напряжения постоянного тока ИОН
Входные напряжения, устанавливаемые при проверке мезонина, В
±10 В
«10 В»
+9,5; +5; +1; -1; -5; -9,5
±1 В
«10 В»
+0,95; +0,5; +0,1; -0,1; -0,5; -0,95
±100 мВ
«500 мВ»
+0,095; +0,050; +0,010; -0,010;
-0,050; -0,095
-
18) изменением сопротивления на источнике опорного напряжения постоянного тока ИОН, с одновременным наблюдением за показаниями мультиметра 3458А, выставить на входах мезонина первое значение напряжения, соответствующее установленному диапазону, согласно таблице 5.3 с отклонением не более ±5 % от номинального значения. После подачи требуемого напряжения выждать завершения переходных процессов в течение не менее 1 мин;
-
19) на программной панели установить переключатель «Входное реле» в положение «ВКЛ»;
-
20) на программной панели нажать кнопки «Пуск» и «Протокол»;
Изм
Лист
Мдокум.
Подп.
Дата
ФТКС.468266.022РЭ
Лист
29
Форма 2а ГОСТ 2.104
-
21) в появившемся окне проверить результат измерений и закрыть окно протокола;
-
22) изменить полярность входных напряжений мезонина для отрицательных значений входных напряжений. Для этого необходимо:
-
- штепсель «1+» кабеля К5 подключить к гнезду «И-» кабеля КЗ;
-
- штепсель «1-» кабеля К5 подключить к гнезду «И+» кабеля КЗ;
-
23) выполнить действия 18) - 22) для остальных значений входных напряжений для поверяемого диапазона согласно таблице 5.3;
-
24) выполнить действия 14) - 23) для остальных диапазонов измерений (проверяемый диапазон выбирается в окне выбора на программной панели. Положение тумблера «АТ» на источнике опорного напряжения постоянного тока ИОН и входные напряжения, устанавливаемые при проверке диапазона, устанавливаются в соответствии с таблицей 5.3);
-
25) выйти из программы и операционной системы, выключить питание приборов, крейта и ПЭВМ, отсоединить приборы и принадлежности.
-
5.11 Подтверждение соответствия средства измерений метрологическим требованиям
Инв. Ns подл. I Подл, и дата I Взам. ина. № Ина. Ns дубл. Подл, и дата
-
5.11.1 Результаты измерений заносятся в файл протокола (значения погрешностей подсчитываются автоматически), содержащий информацию о выполнении поверки по методике, изложенной в разделе 5.
-
5.11.2 Мезонин подтверждает соответствие метрологическим требованиям, установленным при утверждении типа, если для всех измеренных значений напряжения постоянного тока погрешность измерений находится в пределах, указанных в п. 1.2.5.
-
5.11.3 При отрицательных результатах поверки необходимо выполнить калибровку мезонина в соответствии с приложением В, а затем повторить поверку. Результаты повторной поверки считать окончательными.
-
5.12 Оформление результатов поверки
-
5.12.1 Результаты поверки мезонина подтверждаются сведениями, включенными в Федеральный информационный фонд по обеспечению единства измерений в соответствии с порядком, установленным действующим законодатель ством.
-
5.12.2 По заявлению владельца мезонинов или лица, представившего его на поверку, положительные результаты поверки (когда мезонин подтверждает соответствие метрологическим требованиям) оформляют свидетельством о поверке по форме, установленной в соответствии с действующим законодательством, и (или) нанесением на прибор знака поверки, и (или)
ФТКС.468266.022РЭ
Лист
30
Изм
Лист
Ыядокум.
Подп.
Дата
Приложение А
(обязательное)
Назначение контактов входного соединителя Molex 71430-0006 на лицевой панели мезонина
Ине. Ns подл. Подп. и дата Взам. ина. Ns Ина. Ns дубл. Подп. и дата
Таблица А.1
|
№ контакта |
Название |
Назначение |
|
1 |
IN9+ |
Плюс дифференциального входа 9 |
|
2 |
IN10- |
Минус дифференциального входа 10 |
|
3 |
IN11+ |
Плюс дифференциального входа 11 |
|
4 |
IN1— |
Минус дифференциального входа 1 |
|
5 |
IN11- |
Минус дифференциального входа 11 |
|
6 |
IN3+ |
Плюс дифференциального входа 3 |
|
7 |
IN9- |
Минус дифференциального входа 9 |
|
8 |
IN1+ |
Плюс дифференциального входа 1 |
|
9 |
IN5- |
Минус дифференциального входа 5 |
|
10 |
IN5+ |
Плюс дифференциального входа 5 |
|
11 |
IN13+ |
Плюс дифференциального входа 13 |
|
12 |
IN3- |
Минус дифференциального входа 3 |
|
13 |
IN7- |
Минус дифференциального входа 7 |
|
14 |
IN7+ |
Плюс дифференциального входа 7 |
|
15 |
IN8+ |
Плюс дифференциального входа 8 |
|
16 |
IN8- |
Минус дифференциального входа 8 |
|
17 |
UK |
Опорное напряжение |
|
18 |
IN18- |
Минус дифференциального входа 18 |
|
19 |
IN18+ |
Плюс дифференциального входа 18 |
|
20 |
IN14+ |
Плюс дифференциального входа 14 |
|
21 |
IN29- |
Минус дифференциального входа 29 |
|
22 |
IN16- |
Минус дифференциального входа 16 |
|
23 |
IN29+ |
Плюс дифференциального входа 29 |
|
24 |
IN20+ |
Плюс дифференциального входа 20 |
|
25 |
IN22- |
Минус дифференциального входа 22 |
|
26 |
IN17- |
Минус дифференциального входа 17 |
|
27 |
IN25+ |
Плюс дифференциального входа 25 |
|
28 |
IN24+ |
Плюс дифференциального входа 24 |
|
29 |
IN25- |
Минус дифференциального входа 25 |
|
30 |
IN20- |
Минус дифференциального входа 20 |
|
31 |
IN17+ |
Плюс дифференциального входа 17 |
|
32 |
IN28 + |
Плюс дифференциального входа 28 |
|
33 |
IN26+ |
Плюс дифференциального входа 26 |
|
34 |
IN19- |
Минус дифференциального входа 19 |
|
35 |
IN10+ |
Плюс дифференциального входа 10 |
|
36 |
IN2+ |
Плюс дифференциального входа 2 |
|
37 |
IN2- |
Минус дифференциального входа 2 |
|
38 |
IN6+ |
Плюс дифференциального входа 6 |
|
Лист | ||||||
|
ФТКС.468266.022РЭ |
31 | |||||
|
Изи. |
Лист |
Ns докуй. |
Подп. |
Дата |
Ина. Ns подл. Подп. и дата Взам. ина. Ns Ина. Ns дубл. Подл, и дата
|
№ контакта |
Название |
Назначение |
|
39 |
IN4- |
Минус дифференциального входа 4 |
|
40 |
IN4+ |
Плюс дифференциального входа 4 |
|
41 |
IN6- |
Минус дифференциального входа 6 |
|
42 |
IN13- |
Минус дифференциального входа 13 |
|
43 |
IN12- |
Минус дифференциального входа 12 |
|
44 |
IN15- |
Минус дифференциального входа 15 |
|
45 |
IN12+ |
Плюс дифференциального входа 12 |
|
46 |
Corp |
Корпус |
|
47 |
IN14- |
Минус дифференциального входа 14 |
|
48 |
IN16+ |
Плюс дифференциального входа 16 |
|
49 |
IN15+ |
Плюс дифференциального входа 15 |
|
50 |
IN27 + |
Плюс дифференциального входа 27 |
|
51 |
AGND | |
|
52 |
IN24- |
Минус дифференциального входа 24 |
|
53 |
AGND | |
|
54 |
IN32- |
Минус дифференциального входа 32 |
|
55 |
IN26- |
Минус дифференциального входа 26 |
|
56 |
IN28- |
Минус дифференциального входа 28 |
|
57 |
IN27- |
Минус дифференциального входа 27 |
|
58 |
IN30+ |
Плюс дифференциального входа 30 |
|
59 |
IN23- |
Минус дифференциального входа 23 |
|
60 |
IN30- |
Минус дифференциального входа 30 |
|
61 |
IN31+ |
Плюс дифференциального входа 31 |
|
62 |
IN31- |
Минус дифференциального входа 31 |
|
63 |
IN32+ |
Плюс дифференциального входа 32 |
|
64 |
IN22+ |
Плюс дифференциального входа 22 |
|
65 |
IN21+ |
Плюс дифференциального входа 21 |
|
66 |
IN23+ |
Плюс дифференциального входа 23 |
|
67 |
IN19+ |
Плюс дифференциального входа 19 |
|
68 |
IN21- |
Минус дифференциального входа 21 |
Примечания:
-
1 Измерительные цепи, по которым поступает измеряемое напряжение, соединяются с контактами IN+ и IN- любого канала.
-
2 Цепь «Corp» (контакт 46) служит для подсоединения экрана внешнего кабеля к корпусу крейта VXI, в который установлен мезонин.
-
3 Цепи «ик» (контакты 17), «AGND» (контакты 51,53) - технологические. Подключение к этим контактам соединителя пользователем запрещается!
|
Изм |
Лист |
Ыадокум. |
Подп. |
Дата |
Ф ТКС.468266.022РЭ
Лист
32
Приложение Б
(обязательное)
Назначение контактов соединителя ESQT-150
Инв. № подл. Подп. и дата Взам. ине. Ns Ине. Ns дубл. Подп. и дата
Таблица Б.1
|
№ контакта |
Название |
Назначение |
|
1 |
INT_D0 |
Разряд шины данных регистров управления |
|
2 |
FIFO_DO |
Разряд шины данных чтения информации из FIFO |
|
3 |
INT_D1 |
Разряд шины данных регистров управления |
|
4 |
FIFO_D1 |
Разряд шины данных чтения информации из FIFO |
|
5 |
INT_D2 |
Разряд шины данных регистров управления |
|
б |
FIFO_D2 |
Разряд шины данных чтения информации из FIFO |
|
7 |
INT_D3 |
Разряд шины данных регистров управления |
|
8 |
FIFO_D3 |
Разряд шины данных чтения информации из FIFO |
|
9 |
INT_D4 |
Разряд шины данных регистров управления |
|
10 |
GND_M |
Общий |
|
11 |
INT_D5 |
Разряд шины данных регистров управления |
|
12 |
FIFO_D4 |
Разряд шины данных чтения информации из FIFO |
|
13 |
INT_D6 |
Разряд шины данных регистров управления |
|
14 |
FIFO_D5 |
Разряд шины данных чтения информации из FIFO |
|
15 |
INT_D7 |
Разряд шины данных регистров управления |
|
16 |
FIFO_D6 |
Разряд шины данных чтения информации из FIFO |
|
17 |
INT_D8 |
Разряд шины данных регистров управления |
|
18 |
FIFO_D7 |
Разряд шины данных чтения информации из FIFO |
|
19 |
INT_D9 |
Разряд шины данных регистров управления |
|
20 |
GND_M |
Общий |
|
Изм |
Лист |
Ыядокум. |
Подп. |
Дата |
ФТКС.468266.022РЭ
Лист
33
Инв. № подл. Подл, и дата Взам. ина. Na Ина. Na дубл. Подл, и дата
|
№ контакта |
Название |
Назначение |
|
21 |
INT_D10 |
Разряд шины данных регистров управления |
|
22 |
FIFO_D8 |
Разряд шины данных чтения информации из FIFO |
|
23 |
INT_D11 |
Разряд шины данных регистров управления |
|
24 |
FIFO_D9 |
Разряд шины данных чтения информации из FIFO |
|
25 |
INT_D12 |
Разряд шины данных регистров управления |
|
26 |
FIFO_D10 |
Разряд шины данных чтения информации из FIFO |
|
27 |
INT_D13 |
Разряд шины данных регистров управления |
|
28 |
FIFO_D11 |
Разряд шины данных чтения информации из FIFO |
|
29 |
INT_D14 |
Разряд шины данных регистров управления |
|
30 |
GND_M |
Общий |
|
31 |
INT_D15 |
Разряд шины данных регистров управления |
|
32 |
FIFO_D12 |
Разряд шины данных чтения информации из FIFO |
|
33 |
INT_WR |
Строб записи регистров управления |
|
34 |
FIFO_D13 |
Разряд шины данных чтения информации из FIFO |
|
35 |
INT_RD |
Строб чтения регистров управления |
|
36 |
FIFO_D14 |
Разряд шины данных чтения информации из FIFO |
|
37 |
SYSRESET |
Сигнал аппаратного сброса |
|
38 |
FIFO_D15 |
Разряд шины данных чтения информации из FIFO |
|
39 |
IRQ |
Линия прерывания |
|
40 |
GND_M |
Общий |
|
41 |
16MGH |
Системная частота 16 Мгц |
|
42 |
FIFO_D16 |
Разряд шины данных чтения информации из FIFO |
|
43 |
— - |
|
ФТКС.468266.022РЭ |
Лист | |||||
|
34 | ||||||
|
Изм. |
Лист |
Мдокум. |
Подл. |
Дата |
Ине. № подл. Подп. и дата Взам. ина. № Ина. Ns дубл. Подл, и дата
|
№ контакта |
Название |
Назначение |
|
21 |
INT_D10 |
Разряд шины данных регистров управления |
|
22 |
FIFO_D8 |
Разряд шины данных чтения информации из FIFO |
|
23 |
INT_D11 |
Разряд шины данных регистров управления |
|
24 |
FIFO_D9 |
Разряд шины данных чтения информации из FIFO |
|
25 |
INT_D12 |
Разряд шины данных регистров управления |
|
26 |
FIFO_D10 |
Разряд шины данных чтения информации из FIFO |
|
27 |
INT_D13 |
Разряд шины данных регистров управления |
|
28 |
FIFO_D11 |
Разряд шины данных чтения информации из FIFO |
|
29 |
INT_D14 |
Разряд шины данных регистров управления |
|
30 |
GND_M |
Общий |
|
31 |
INT_D15 |
Разряд шины данных регистров управления |
|
32 |
FIFO_D12 |
Разряд шины данных чтения информации из FIFO |
|
33 |
INT_WR |
Строб записи регистров управления |
|
34 |
FIFO_D13 |
Разряд шины данных чтения информации из FIFO |
|
35 |
INT_RD |
Строб чтения регистров управления |
|
36 |
FIFO_D14 |
Разряд шины данных чтения информации из FIFO |
|
37 |
SYSRESET |
Сигнал аппаратного сброса |
|
38 |
FIFO_D15 |
Разряд шины данных чтения информации из FIFO |
|
39 |
IRQ |
Линия прерывания |
|
40 |
GND_M |
Общий |
|
41 |
16MGH |
Системная частота 16 Мгц |
|
42 |
FIFO_D16 |
Разряд шины данных чтения информации из FIFO |
|
43 |
— |
|
ФТКС.468266.022РЭ |
Лист | |||||
|
35 | ||||||
|
Изм. |
Лист |
Ыадокум. |
Подп. |
Дата |
Ине. Na подл. Подп. и дата Взам. ина. № Ина. № дубл. Подл, и дата
|
№ контакта |
Название |
Назначение |
|
44 |
FIFO_D17 |
Разряд шины данных чтения информации из FIFO |
|
45 |
INT_A0 |
Разряд шины адреса регистров управления |
|
46 |
FIFO_D18 |
Разряд шины данных чтения информации из FIFO |
|
47 |
INT_A1 |
Разряд шины адреса регистров управления |
|
48 |
FIFO_D19 |
Разряд шины данных чтения информации из FIFO |
|
49 |
INT_A2 |
Разряд шины адреса регистров управления |
|
50 |
GND_M |
Общий |
|
51 |
— | |
|
52 |
FIFO_D20 |
Разряд шины данных чтения информации из FIFO |
|
53 |
— | |
|
54 |
FIFO_D21 |
Разряд шины данных чтения информации из FIFO |
|
55 |
— | |
|
56 |
FIFO_D22 |
Разряд шины данных чтения информации из FIFO |
|
57 |
— | |
|
58 |
FIFO_D23 |
Разряд шины данных чтения информации из FIFO |
|
59 |
GROUND |
Корпус |
|
60 |
GND_M |
Общий |
|
61 |
32MGH |
Системная частота 32 Мгц |
|
62 |
— | |
|
63 |
— | |
|
64 |
— | |
|
65 |
— | |
|
66 |
— |
|
Изм |
Лист |
Ыедокум. |
Подп. |
Дата |
ФТКС.468266.022РЭ
Лист
36
Форма 2а ГОСТ 2.104
Ине. Ns подл. Подп. и дата Взам. ина. Ns Ина. Ns дубл. Подл, и дата
|
№ контакта |
Название |
Назначение |
|
67 |
PUSK |
Строб запуска измерений |
|
68 |
— | |
|
69 |
— | |
|
70 |
GND_M |
Общий |
|
71 |
— | |
|
72 |
— | |
|
73 |
DATA_VAL |
Признак действительности считанных из FIFO данных |
|
74 |
— | |
|
75 |
RD_MEZ |
Строб чтения данных из FIFO |
|
76 |
— | |
|
77 |
SEL_MEZ |
Строб выбора мезонина |
|
78 |
— | |
|
79 |
GND_M |
Общий |
|
80 |
GND_M |
Общий |
|
81 |
GND_M |
Общий |
|
82 |
FIFO_D24 |
Разряд шины данных чтения информации из FIFO |
|
83 |
GND_M |
Общий |
|
84 |
5V |
Напряжение +5 В |
|
85 |
5V |
Напряжение +5 В |
|
86 |
5V |
Напряжение +5 В |
|
87 |
GND_M |
Общий |
|
88 |
— |
|
ФТКС.468266.022РЭ |
Лист | |||||
|
37 | ||||||
|
Изм |
Лист |
№докум. |
Подп. |
Дата |
Приложение В
(обязательное)
Методика внешней калибровки мезонина МН32СМ
Ине. Na подл. Подл, и дата Взам. ина. Na Ина. Na дубл. Подл, и дата
В.1 Порядок внешней калибровки.
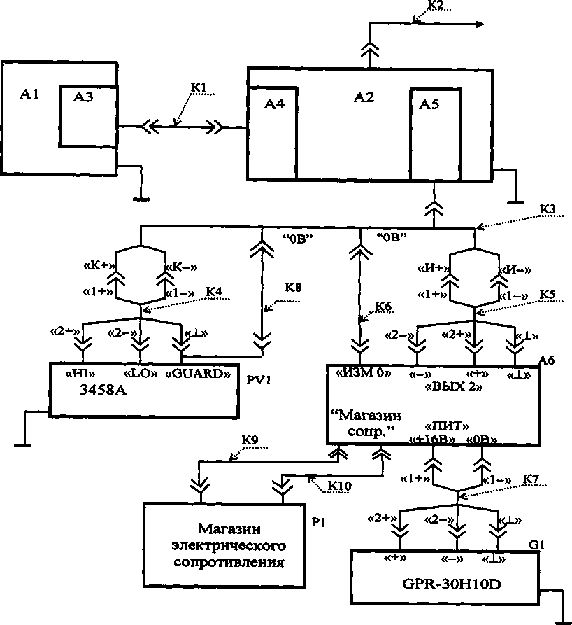
В. 1.1 Собрать рабочее место (см. приложение Г).
В. 1.2 Включить ПЭВМ. Убедиться, что результат ее самотестирования положительный и загрузка операционной среды выполнена без ошибок.
В. 1.3 Включить питание крейта VXI, выдержать его во включенном состоянии не менее 10 минут.
В. 1.4 Руководствуясь приложением Д («Порядок запуска программ на исполнение») запустить на исполнение программу P_mn32c.exe.
В. 1.5 Выбрать носитель мезонинов, на котором установлен калибруемый мезонин (см. приложение Д). В правой части открывшегося окна выбрать номер (позицию места) калибруемого мезонина. Дождаться исчезновения надписи «Идёт инициализация».
В. 1.6 Выбрать закладку «Калибровка».
В. 1.7 Включить мультиметр (PV1), установить его в режим измерения постоянного напряжения с автоматическим выбором диапазона.
В. 1.8 На программной панели нажать на кнопку «Калибровка диапазона».
В. 1.9 На ИОН установить тумблер «АТ» в положение «10В».
В. 1.10 На программной панели установить диапазон измерений «10В».
В.1.11 На программной панели нажать на кнопку «Калибровка диапазона».
В.1.12 Включить источник питания, выставить на нем напряжение в диапазоне значений от 16 до 18 В и защиту по току не более 150 мА.
В.1.13 На ИОН (А6) установить тумблер «Питание» в положение «Вкл», тумблер «Rnep» в положение «ВНЕ1ПН»;
В. 1.14 Изменением сопротивления магазина сопротивлений (PR1), с одновременным наблюдением за показаниями мультиметра PV1, выставить на входах мезонина 9,9 В с точностью не хуже ± 1% от номинального. После подачи требуемого напряжения выждать завершения переходных процессов в течение не менее 1 мин;
В. 1.15 На программной панели установить переключатель «Входное реле» в положение «Вкл».
В. 1.16 Измеренное мультиметром значение напряжения с точностью не менее шести значащих цифр ввести в окно «Установленное напряжение, В» на программной панели.
В. 1.17 На программной панели нажать на кнопку «Калибровать».
В.1.18 Во время калибровки на программной панели загорается индикатор, расположенный над полем ввода «Установленное напряжение, В», после калибровки заданного диапазона индикатор гаснет и калибровочные коэффициенты автоматически заносятся в таблицу.
В.1.19 На программной панели установить диапазон измерений «1В».
|
ФТКС.468266.022РЭ |
Лист | |||||
|
38 | ||||||
|
Изм. |
Лист |
Ыядокум. |
Подл. |
Дата |
Ина. Ns подл. Подл, и дата Взам. ина. Ns Ина. Ns дубл. Подл, и дата
В.1.20 На программной панели нажать на кнопку «Калибровка диапазона».
В.1.21 Выполнить действия пп. В.1.14 - В.1.18, при выполнении
п. В.1.15 выставить на входах мезонина напряжение +0,99 В.
В. 1.22 На программной панели установить диапазон измерений «ЮОмВ».
В.1.23 На программной панели нажать на кнопку «Калибровка диапазона».
В.1.24 На ИОН установить тумблер «АТ» в положение «500МВ».
В.1.25 Выполнить действия пп. В.1.14 - В.1.18, при выполнении
п. В.1.15 выставить на входах мезонина напряжение +99мВ.
В.1.26 Изменить полярность входных сигналов (с помощью штатного кабеля), для чего:
-
- выключить ИОН, установив тумблер «Питание» в положение «ВЫКЛ»;
-
- гнездо «+» кабеля Т-МН32 соединить со штекером «1-» кабеля ПППВ;
-
- гнездо «-» кабеля Т-МН32 соединить со штекером «1+» кабеля пили;
-
- включить ИОН, установив тумблер «Питание» в положение «ВКЛ».
В.1.27 На программной панели установить диапазон измерений «10В».
В.1.28 На программной панели нажать на кнопку «Калибровка диапазона».
В.1.29 На ИОН установить тумблер «АТ» в положение «10В».
В.1.30 Выполнить действия пп. В.1.14 - В.1.18, при выполнении пункта
В.1.15 выставить на входах мезонина напряжение минус 9,99 В. При выполнении действия п. В.1.16 ввести в поле «Установленное напряжение, В» значение напряжения на входах мезонина, измерянное с помощью мультиметра, со знаком минус.
В.1.31 На программной панели установить диапазон измерений «1В»;
В.1.32 На программной панели нажать на кнопку «Калибровка диапазона».
В.1.33 Выполнить действия пп. В.1.14 - В.1.18, при выполнении
п. В.1.15 выставить на входах мезонина напряжение минус 0,99. При выполнении действия п. В.1.16 ввести в поле «Установленное напряжение, В» значение напряжения на входах мезонина, измерянное с помощью мультиметра, со знаком минус.
В. 1.34 На программной панели установить диапазон измерений «ЮОмВ».
В.1.35 На программной панели нажать на кнопку «Калибровка диапазона».
В.1.36 На ИОН установить тумблер «АТ» в положение «500мВ».
В.1.37 Выполнить действия пп. В.1.14 - В.1.18, при выполнении
п. В.1.15 выставить на входах мезонина напряжение минус 99 мВ. При выполнении действия п. В.1.1б ввести в поле «Установленное напряжение, В» значение напряжения на входах мезонина, измерянное с помощью мультиметра, со знаком минус.
В.1.38 На программной панели в поле «Запись в EEPROM» выбрать «все».
В.1.39 На программной панели нажать кнопку «Запись».
В.1.40 В появившемся окне нажать на кнопку «Yes».
В.1.41 После окончания записи калибровочных коэффициентов в EEPROM на програмнной панели появится сообщение «Запись завершена успешно».
В. 1.42 Для выхода из программы нажать кнопку «Выход».
В.1.43 Выключить крейт, ПЭВМ и приборы, отсоединить кабели и принадлежности.
|
ФТКС.468266.022РЭ |
Лист | |||||
|
39 | ||||||
|
Изм. |
Лист |
№докум. |
Подл. |
Дата |
Приложение Г
(обязатель ное)
Схема рабочего места
Ине. № подл. I Подл, и дата Взам. ине. Na Ина. Na дубл. Подл, и дата

Рисунок Г.1 - Схема рабочего места
|
Изм |
Лист |
№докум. |
Подл. |
Дата |
ФТКС.468266.022РЭ
Лист
40
Форма 2а ГОСТ 2.104
Таблица Г.1 Обозначения, принятые на схеме рабочего места
|
А1 |
ПЭВМ |
|
А2 |
Крейт VXI |
|
АЗ,А4,К1 |
Системный интерфейс информационной связи ПЭВМ и крейта VXI,соответствующий спецификациям VPP Альянса производителей систем VXI plug&play |
|
А5 |
Носитель мезонинов модуль НМ ФТКС.468269.002 или другой аналогичный носитель мезонинов с установленным на нем поверяемым мезонином |
|
Аб |
ИОН ФТКС.687420.028 |
|
G1 |
Источник питания постоянного тока GPR-30H10D |
|
PV1 |
Мультиметр 3458А |
|
К2 |
Кабель сетевой крейта |
|
Р1 |
Магазин электрического сопротивления Р4834 |
|
КЗ |
Соединитель контрольный Т-МН32 ФТКС.685626.013; |
|
К4,К5,К7 |
Кабель ПППВ ФТКС. 685621.038 |
|
К6,К8,К9, К10 |
Кабель ШШ ФТКС.685621.536 |
Примечание - Допускается в составе рабочего места использовать ЭВМ, выполненную в виде модуля VXI и устанавливаемую в крейт VXI.
Ине. № подл. Подл, и дата Взам. ина. № Ина. № дубл. Подл, и дата
|
Изм. |
Лист |
Ыадокум. |
Подл. |
Дата |
ФТКС.468266.022РЭ
Лист
41
Ине. Ns подл. Подп. и дата Взам. ина. Ns Ина. Ns дубл. Подл, и дата
Приложение Д (обязательное)
Порядок запуска программ на исполнение
Д.1 После каждого включения крейта, перед запуском программы проверки, необходимо запустить на исполнение программу менеджер ресурсов VXI.
Д.2 Для запуска программы менеджера ресурсов VXI («Resource Manager») в среде Windows необходимо выбрать из меню «Пуск» в подменю ПО интерфейса VXI ярлык этой программы.
Д.3 Запуск на исполнение любой программы из меню «Пуск»:
В меню «Пуск» необходимо выбрать подменю «Выполнить». В появившемся окне необходимо нажать кнопку «Обзор». В окне «Обзор» необходимо выбрать диск и папку местонахождения файла запускаемой программы и, отметив файл запуска, нажать кнопку «Открыть». При этом сведения о размещении исполняемого файла перемещаются в командную строку окна «Запуск программы». Затем необходимо нажать на кнопку «ОК», программный файл запустится на исполнение.
Д.4 Запуск на исполнение любой программы из программы «Проводник»:
Из меню «Пуск», в подменю «Программы», выбрать программу «Проводник». В раскрывшемся окне необходимо выбрать диск и папку местонахождения файла запускаемой программы. Установить указатель манипулятора типа «Мышь» (далее по тексту - «мышь») на файл программы и дважды нажать на левую кнопку «мыши».
Д.5 Упростить запуск программ можно поместив ярлыки к ним на «рабочем столе» экрана. Для этого необходимо обратиться к справочной системе Windows.
Для запуска программы на исполнение достаточно установить указатель «мыши» на ярлык программы и дважды нажать левую кнопку «мыши».
Д.6 В случае использования программ проверки модулей, после запуска программ необходимо выбрать инструменты (модули, мезонины) для проверки, для чего:
на панели «Выбор инструмента» установить указатель «мыши» на название инструмента и отметить его (нажать левую кнопку «мыши»);
- нажать кнопку «Выбрать».
|
ФТКС.468266.022РЭ |
Лист | |||||
|
42 | ||||||
|
Изм |
Лист |
Мдокум. |
Подп. |
Дата |
Приложение Е
(справочное)
Обозначения, принятые в протоколе проверок
Un - эталонное напряжение, подаваемое на входы измерительных каналов мезонина;
Ux - среднее измеренное значение;
dUmax - максимальное значение абсолютной погрешности измерений dUs - среднее значение абсолютной погрешности измерения
Axs - среднее значение приведенной относительной погрешности измерения
Ахтах - максимальное значение приведенной относительной погрешности измерения
Ап - норма погрешности
Примечание - Ux, dUmax и dUs рассчитывается по значениям, находящимся внутри доверительного интервала. Доверительный интервал Е рассчитывается по всей совокупности измерений Щ следующим образом
Ине. Ns подл. Поди, и дата Взам. ина. Ns Ина. Ns дубл. Подл, и дата
где

|
Изм. |
Лист |
№докум. |
Подп. |
Дата |

ФТКС.468266.022РЭ
Лист
43
Ине. Ns подл. Подл, и дата Взам. ина. Ns Ине. Ns дубл. Подп. и дата
Лист регистрации изменений
|
Изм. |
Номера листов (страниц) |
Всего листов (страниц) вдокум. |
№докум. |
Входящий № сопроводительного докум. и дата |
Подп. |
Дата | |||
|
измененных |
замененных |
новых |
аннулированных | ||||||
|
ФТКС.468266.022РЭ |
Лист | |||||
|
44 | ||||||
|
Изм |
Лист |
Ns докум. |
Подп. |
Дата |
Форма 2а
ГОСТ 2.104
Копировал
Формат А4
