Методика поверки «ГСОЕИ. Газоанализатор Галонайзер 2» (МП-211/09-2020)
УТВЕРЖДАЮ
Заместитель руководителя ЛОЕИ ПРОММАШ ТЕСТ»

«2.6^’ ноября 2020 г.
.А. Лапшинов
Государственная система обеспечения единства измерений
Газоанализатор Галонайзер 2
МЕТОДИКА ПОВЕРКИ
МП-211/09-2020
г. Чехов, 2020 г.
Настоящая методика поверки распространяется на Газоанализатор Галонайзер 2, зав. № 001 (далее по тексту - газоанализатор), производства Федеральное государственное бюджетное образовательное учреждение высшего образования «МИРЭА - Российский технологический университет», г. Москва и устанавливает методику его первичной и периодической поверки.
Интервал между поверками - 1 год.
1 Операции поверки1.1 При проведении поверки должны быть выполнены операции, указанные в таблице 1.
Таблица 1 - Операции поверки
№ № |
Наименование этапа поверки |
№ пункта докумен та по поверке |
Обязательное проведение операции при поверке | |
первичной |
периодичес кой | |||
1 |
Внешний осмотр |
6.1 |
Да |
Да |
2 |
Опробование |
6.2 |
Да |
Да |
3 |
Подтверждение соответствия программного обеспечения |
6.3 |
Да |
Да |
4 |
Определение метрологических характеристик: - определение погрешности газоанализатора. |
6.4 6.4.1 |
Да |
Да |
1.2 Если при проведении той или иной операции получен отрицательный результат, дальнейшая поверка прекращается.
2 Средства поверки-
2.1. При проведении поверки применяют средства, указанные в таблице 2.
Таблица 2 - Средства поверки
Номер пункта методики поверки |
Наименование эталонного средства измерений или вспомогательного средства поверки, номер документа, регламентирующего технические требования к средству, основные метрологические и технические характеристики |
6 |
Измеритель влажности и температуры ИВТМ-7 М 5-Д (per. № 71394-18), диапазон измерений температуры воздуха от -45 до +60°С, влажности от 0 до 99 %, давления от 840 до 1060 гПа |
6.4 |
Стандартные образцы состава газовых смесей ГСО в баллонах под давлением (характеристики приведены в Приложении А) |
Азот особой чистоты сорт 2 по ГОСТ 9293-74 в баллонах под давлением | |
Ротаметр с местными показаниями стеклянный РМС, РМС-А-0,063 ГУЗ-2, (per. № 67050-17), верхняя граница диапазона измерений объемного расхода 0,063 мЗ/ч, кл. точности 4 | |
Вентиль точной регулировки ВТР-1, АПИ4.463.008 или натекатель Н-12, диапазон рабочего давления (0-150) кгс/см2* | |
Трубка фторопластовая по ТУ 6-05-2059-87. диаметр условного прохода 5 мм. толщина стенки 1 мм* |
Продолжение таблицы 2
Номер пункта методики поверки |
Наименование эталонного средства измерений или вспомогательного средства поверки, номер документа, регламентирующего технические требования к средству, основные метрологические и технические характеристики |
|
-
3.1 Помещение, в котором проводят поверку, должно быть оборудовано приточновытяжной вентиляцией.
-
3.2 Должны выполняться требования техники безопасности для защиты персонала от поражения электрическим током согласно классу I ГОСТ 12.2.007.0-75.
-
3.3 Требования техники безопасности при эксплуатации ГС в баллонах под давлением должны соответствовать «Федеральным нормам и правилам в области промышленной безопасности «Правила промышленной безопасности опасных производственных объектов, на которых используется оборудование, работающее под избыточным давлением», утвержденным Госгортехнадзором России от 25.03.2014 №116;
-
3.4 Не допускается сбрасывать ГС в атмосферу рабочих помещений.
3.5. К поверке допускается лица, изучившие эксплуатационную документацию на газоанализатор и прошедшие необходимый инструктаж.
4 Условия поверкитемпература окружающей среды, °C относительная влажность окружающей среды, % атмосферное давление, кПа
20 ±5
от 30 до 80
101,3 ±4,0
760 ±30
мм рт.ст.
5 Подготовка к поверке-
5.1. Выполнить мероприятия по обеспечению условий безопасности.
-
5.2. Проверить наличие паспорта и сроки годности ГС в баллонах под давлением.
-
5.3. Баллоны с ГС выдержать при температуре поверки не менее 24 ч.
-
5.4. Выдержать поверяемые газоанализаторы и средства поверки при температуре поверки в течение не менее 2 ч.
-
5.5 Подготовить поверяемый газоанализатор и эталонные средства измерений к работе в соответствии с эксплуатационной документацией.
-
6.1 Внешний осмотр
-
6.1.1 При внешнем осмотре устанавливают соответствие газоанализатора следующим требованиям:
-
- соответствие комплектности перечню, указанному в руководстве по эксплуатации;
-
- соответствие маркировки требованиям эксплуатационной документации;
-
- газоанализатор не должен иметь видимых механических повреждений, влияющих на работоспособность.
-
6.1.2 Газоанализатор считают выдержавшим внешний осмотр, если он соответствует указанным выше требованиям.
-
6.2 Опробование
-
6.2.1. При опробовании проверяют общее функционирование газоанализатора, для чего включают газоанализатор, после чего осуществляется процедура автоматического тестирования и газоанализатор переходит в режим прогрева, а после этого в режим измерений.
-
6.2.2. Результат опробования считают положительным, если:
-
- во время тестирования отсутствуют сообщения об отказах;
-
- после окончания времени прогрева газоанализатор переходит в режим измерений;
-
- органы управления газоанализатора функционируют.
-
6.3 Подтверждение соответствия программного обеспечения
-
6.3.1 Подтверждение соответствия программного обеспечения (ПО) газоанализаторов проводится путем проверки соответствия ПО газоанализатора, представленного на поверку, тому ПО, которое было зафиксировано при испытаниях в целях утверждения типа.
-
6.3.2 Для проверки соответствия ПО выполняют следующие операции:
-
- проводят визуализацию идентификационных данных ПО, установленного на ноутбуке, в нижнем левом углу активного окна ПО;
-
- сравнивают полученные данные с идентификационными данными указанными в таблице 3
6.3.2 Результат подтверждения соответствия ПО считают положительным, если идентификационные данные соответствуют указанным в таблице 3.
Таблица 3 - Идентификационные данные ПО
Идентификационное наименование ПО |
FREON SENSOR |
Номер версии (идентификационный номер) ПО, не ниже |
1.6 |
-
6.4 Определение метрологических характеристик
6.4.1 Определение погрешности газоанализатора
Определение погрешности газоанализатора проводят по каждому каналу отдельно в следующем порядке:
-
1) Собирают схему проведения поверки, приведенную на рисунке Б. 1 Приложения Б;
-
2) Подать на вход канала по схеме рисунка 1 газовую смесь (таблица А.1 Приложение А) в последовательности 1-2-3-2-1-3;
-
3) После стабилизации показаний (через 2-3 минут после начала подачи ГС) фиксируют значение, отображаемое на ноутбуке;
-
4) Значение абсолютной (А;) погрешности газоанализатора, рассчитывают по формуле:
4= Q - Сд
(1)
где Ci - установившиеся показания на дисплее газоанализатора в i-ой точке поверки,
объемная доля, %
Cf - действительное значение содержания определяемого компонента в i-й ГС, объемная доля, %
-
5) Результат определения погрешности газоанализатора считают положительным, если полученные значения погрешности во всех точках поверки не превышают пределов, указанных в таблице В.1 приложения В.
-
7.1 Результаты поверки оформляются протоколом, составленным в произвольной форме, и содержащим результаты по каждому пункту раздела 6 настоящей методики поверки.
-
7.2 При положительных результатах поверки газоанализатор признается пригодным к применению. Сведения о положительных результатах поверки передаются в Федеральный информационный фонд по обеспечению единства измерений, и на газоанализатор выдается свидетельство о поверке в соответствии с действующим законодательством. Знак поверки наносится на свидетельство о поверке в соответствии с действующим законодательством.
-
7.3 При отрицательных результатах поверки газоанализатор признается непригодным к применению. Сведения об отрицательных результатах поверки передаются в Федеральный информационный фонд по обеспечению единства измерений, и на газоанализатор выдается извещение о непригодности с указанием основных причин в соответствии с действующим
законодательством.
Разработчик:
Руководитель ЛОЕИ
ООО «ПРОММАШ ТЕСТ»
Стажер

А.Ф. Исангужин
В.В. Туря
Приложение А
(обязательное)Технические характеристики газовых смесей, используемых при поверке газоанализатора
Таблица А.1 - Технические характеристики ГС, используемых при поверке газоанализатора
Определяемый компонент |
Диапазон измерений |
Номинальное значение определяемого компонента в ГС, пределы допускаемого отклонения |
Номер ГС по реестру ГСО или Источник ГС | ||
ГС№1 |
ГС №2 |
ГС№3 | |||
Пентафторэтан (R-125) [C2HF5] |
от 0 до 30 % об.д. |
азот1) |
15 ±1 % об.д. |
28 ±2 % об.д. |
ГСО 10550-2014 |
!) - азот о.ч. сорт 1-ый по ГОСТ 9293-74 |
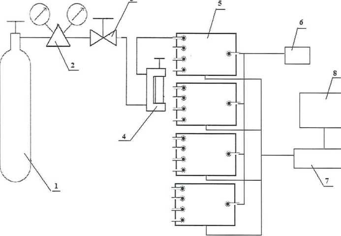
Приложение Б
(обязательное)Схема подачи газовых смесей, при поверке газоанализатора
ч

Рисунок Б.1 - Схема подачи ГС, при поверке газоанализатора
-
1 - источник ГС (баллон, ГГС 03-03 и т.д.);
-
2 - редуктор;
-
3 - вентиль точной регулировки;
-
4 - индикатор расхода (ротаметр);
-
5 - датчик;
-
6 - воздушный насос;
-
7 - блок приема и передачи сигналов;
-
8 - ноутбук.
Приложение В
(обязательное)Метрологические характеристики
Таблица В.1 - Метрологические характеристики
Определяемый компонент |
Диапазон измерений объемной доли определяемого компонента |
Пределы допускаемой основной абсолютной погрешности |
Пентафторэтан (R-125) [C2HF5] |
от 0 до 30 % об.д. |
±1 % об.д. |
8