Методика поверки «Государственная система обеспечения единства измерений БЛОКИ АКУСТИЧЕСКОЙ РЕГИСТРАЦИИ ЧАСТИЧНЫХ РАЗРЯДОВ АВМ-АЧР» (MП 206.1-119-2020)
Федеральное государственное унитарное предприятие «ВСЕРОССИЙСКИЙ НАУЧНО-ИССЛЕДОВАТЕЛЬСКИЙ ИНСТИТУТ МЕТРОЛОГИЧЕСКОЙ СЛУЖБЫ» (ФГУП «ВНИИМС»)
СОГЛАСОВАНО
Генеральный директор
ООО «АСУ-ВЭИ»
СОГЛАСОВАНО Заместитель директора ФГУП «ВНИИМС» по производственной метрологии

Государственная система обеспечения единства измерений
БЛОКИ АКУСТИЧЕСКОЙ РЕГИСТРАЦИИ ЧАСТИЧНЫХ РАЗРЯДОВ АВМ-АЧР
Методика поверки
МП 206.1-119-2020
г. Москва
2020
1 ОБЩИЕ ПОЛОЖЕНИЯНастоящая методика поверки распространяется на блоки акустической регистрации частичных разрядов АВМ-АЧР (далее по тексту - блоки), изготавливаемые ООО «ABM-Энерго», г. Москва, и устанавливает методы и средства их первичной и периодической поверки.
На поверку представляются блоки, укомплектованные в соответствии с руководством по эксплуатации и комплект следующей технической и нормативной документации:
-
- руководство по эксплуатации;
-
- паспорт;
-
- методика поверки.
Интервал между поверками - 2 года.
2 ПЕРЕЧЕНЬ ОПЕРАЦИЙ ПОВЕРКИ-
2.1 Поверка проводится в объеме и в последовательности, указанной в таблице 1.
Таблица 1 - Перечень операций при первичной и периодических поверках
Наименование операции |
Номер пункта методики поверки |
Проведение операции | |
первичная поверка |
периодическая поверка | ||
1 Внешний осмотр |
7 |
Да |
Да |
2 Опробование |
8.3 |
Да |
Да |
3 Проверка программного обеспечения |
9 |
Да |
Да |
4 Определение приведенной к пределу погрешности измерений амплитудных значений напряжения переменного тока |
10.1 |
Да |
Да |
5 Определение приведенной к пределу погрешности измерений значений напряжения и абсолютной погрешности измерений частоты переменного тока каналах «XI Sync» - Синхронизация |
10.2 |
Да |
Да |
-
3.1 Поверка должна проводиться при нормальных условиях применения:
-
- температура окружающей среды, °C от +15 до +25;
-
- атмосферное давление, кПа от 84 до 106;
-
- относительная влажность воздуха, % от 10 до 80.
-
3.2 Напряжение питающей сети переменного тока частотой 50 Гц, действующее значение напряжения 220 В. Допускаемое отклонение от нормального значения при поверке ±10 %. Коэффициент искажения синусоидальности кривой напряжения не более 5 %. Остальные характеристики сети переменного тока должны соответствовать ГОСТ 32144-2013.
-
3.3 Напряжение питающей сети постоянного тока 24 В. Допускаемое отклонение от нормального значения при поверке ±1 В. Остальные характеристики сети постоянного тока должны соответствовать ГОСТ 32132.3-2013.
-
4.1 К проведению поверки допускают специалистов из числа сотрудников организаций, аккредитованных на право проведения поверки в соответствии с действующим законодательством РФ, изучивших настоящую методику поверки и руководство пользователя или руководство по эксплуатации и имеющих стаж работы по данному виду измерений не менее 1 (одного) года.
-
4.2 Специалист должен пройти инструктаж по технике безопасности и иметь действующее удостоверение на право проведения работ в электроустановках с квалификационной группой по электробезопасности не ниже III на напряжение до 1000 В.
-
5.1 При проведении поверки устройства должны применяться основные и вспомогательные средства, указанные в таблицах 2 и 3.
Таблица 2 - Основные средства поверки
Наименование |
Требуемые технические характеристики |
Рекомендуемый тип |
Количество |
Номер пункта методики поверки | |
Диапазон измерения |
Погрешность или класс точности | ||||
1 |
2 |
3 |
4 |
5 |
6 |
Генератор сигналов специальной формы |
40 Гц - 200 кГц 2 мВп-п -10 Вп-п (50 Ом, <10 МГц) |
±(0,03><иуст+1 мВ) |
AWG-4110 |
1 |
8.3 10.1 |
Осциллограф цифровой |
Полоса пропускания до 100 МГц Частота дискретизации lGs/s |
±3% |
TDS2022C |
1 |
8.3, 10.1 |
Комплекс программно -технический измерительный |
от 2 до 82 В 50 Гц |
±1 % |
РЕТОМ-51 |
1 |
10.2 |
Таблица 3 - Вспомогательные средства поверки
Наименование |
Требуемые технические характеристики |
Рекомендуемый тип |
Количество |
Номер пункта методики поверки | |
Диапазон измерения |
Погрешность или класс точности | ||||
1 |
2 |
3 |
4 |
5 |
6 |
Измеритель нелинейных искажений автоматических |
от 20 Гц до 19,9 кГц |
±(0,05К+0,05) |
С6-11 |
1 |
3 |
Барометр-анероид метеорологический |
от 80 до 106 кПа |
±0,2 кПа |
БАММ-1 |
1 |
3 |
Гигрометр психометрический |
от 20 до 90% от 0 до 25°С |
н- н- О О чГ. |
ВИТ-1 |
1 |
3 |
Мультиметр |
Наличие функции «Прозвонки» |
Mastech ms8269 |
1 |
8.3 |
-
5.2 Для проведения поверки допускается применение других средств, не приведенных в таблицах 2 и 3, при условии обеспечения ими необходимой точности измерений.
-
5.3 Контрольно-измерительная аппаратура и средства поверки, применяемые при поверке, должны обеспечивать требуемую точность и иметь действующие свидетельства о поверке, сертификаты калибровки или аттестаты.
При проведении поверки должны соблюдаться требования ГОСТ 12.2.007.0-75, ГОСТ 12.3.019-80, «Правила по охране труда при эксплуатации электроустановок», «Правила эксплуатации электроустановок потребителей», утвержденных Главгосэнергонадзором.
Перед проведением поверки необходимо ознакомиться с настоящей методикой, эксплуатационной документацией на поверяемые средства измерений и средства поверки.
Должны быть также обеспечены требования безопасности, указанные в эксплуатационных документах на средства поверки.
7 ВНЕШНИЙ ОСМОТР СРЕДСТВА ИЗМЕРЕНИЙ-
7.1 При проведении внешнего осмотра должно быть установлено соответствие поверяемого блока следующим требованиям:
-
- отсутствие механических повреждений, влияющих на работоспособность, отсутствие механических повреждений разъемов;
-
- соответствие требованиям комплектности и маркировки, приведенным в руководстве по эксплуатации на блок;
-
7.2 Соответствие требованиям комплектности и маркировки, а также отсутствие внешних механических повреждений проверяются визуально.
-
7.3 Результат операции поверки по 7.1 считается положительным, если отсутствуют внешние механические повреждения, а комплектность и маркировка соответствуют требованиям руководства по эксплуатации.
-
8.1 Средства поверки должны быть подготовлены к работе согласно указаниям, приведенным в соответствующих эксплуатационных документах.
-
8.2 До проведения поверки поверителю надлежит ознакомиться с эксплуатационной документацией на поверяемый блок и используемые средства поверки.
-
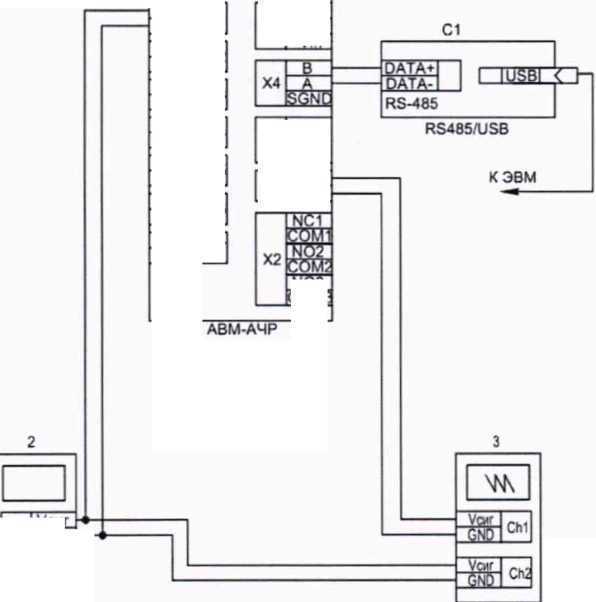
8.3.1 Соберите схему, приведенную на рисунке 1 (внешний вид блока, после подключения, приведен на рисунке 2). Подключите к клеммам «ХЗ Питание» поверяемого блока источник напряжения постоянного тока 24 В (далее - источник), источник при этом должен быть выключен. Подключите к клеммам «NC_1» и «СОМ1» блока мультиметр Mastech в режиме «Прозвонка», при этом мультиметр должен издаваться звуковой сигнал, соответствующий замкнутой цепи.
Подайте с источника питания напряжение 24 В на клеммы «ХЗ Питание» поверяемого блока. После включении питания блока должны загореться светодиоды «3,3 В» и «24 В», произойти переключение реле, которое сопровождается «щелчком» и разрывом замкнутой цепи (у мультиметра пропадет звуковой сигнал).
хз |
♦Vji |
-уГп |
1

ФУНКЦИОНАЛЬНЫЙ ГЕНЕРАТОР
Рисунок 1 - Схема подключений для проведения поверки
;нда|
I
ОСЦИЛЛОГРАФ
lChTGNb I
ЕМ |
Ch1 |
КЖ1 ЕМ |
ChZ |
ж |
сьз| |
Vout |
Ch4 |
ЕМ | |
кташ ЕМ |
Ch5 |
Vout |
Ch6 |
ЕМ | |
Voutlr-U-, | |
ЕМ |
X5 X6 |
Eth | |
X1 |
L | |
ИЯДЕ

Рисунок 2 - Внешний вид блока после сборки схемы поверки
-
8.3.2 Произведите подключение компьютера со специальным ПО к блоку в следующей последовательности:
- убедитесь, что преобразователь интерфейсов отображается в системе, для этого необходимо открыть диспетчер устройств Window (рисунок 3). Номер COM-порту система назначает произвольно, поэтому он может отличаться от приведенного в примере;

Рисунок 3 - Отображение подключения преобразователя USBORS485 к компьютеру
- откройте программу «AVS AE8». В появившемся окне выберите «Опрашивать RS-485» и нажмите кнопку «Настройки COM-порта». В появившемся окне измените номер СОМ-порта в случае, если он отличается, на номер, указанный в диспетчере задач (рисунок 3) и нажмите последовательно кнопки «Применить» и затем «Работа с устройствами» (рисунок Рис4). Начнется процесс определения подключенных устройств (рисунок 5);

Рисунок 4 - Настройка подключения
- если в процессе определения подключенных устройств будет обнаружен поверяемый блок (на рисунке 5 внизу обведено красным маркером) нажмите кнопку «Прервать опрос». После появления меню подтверждения нажмите кнопку «ОК»;
.101x1

Рисунок 5 - Индикация поиска подключенного блока АВМ-АЧР
- в случае, если сообщения об ошибках отсутствуют, нет мерцания светодиодов «ТХ» и «ИХ» на блоке, то подключение блока произошло корректно, в противном случае повторите операции по п. 8.3.2.
-
8.3.3 На генераторе «Актаком» AWG-4110 настройте первый канал (далее - СН1, соответственно второй канал - СН2). Внешний вид генератора и окна настроек показаны на рисунке 6.
ВКЛ/ВЫКЛСН1
Матричная
Переключение ^клавиатура у каналов }_______
Настройка амплитуды выходного сигнала
П П ГЗ П п п г П
Нас 1 ройка час 101 ы И выходного сигнала
Настроечное окно \\
X \\
Рисунок 6 - Настройка СН1 в качестве источника напряжения синусоидальной формы частотой 50 Гц
—
1
—1
Кнопка "Питание1 генератора
В генераторе по умолчанию отображаются настройки СН1. Нажатием кнопки настройки частоты выходного сигнала с помощью матричной клавиатуры или селектора установите значение частоты 50 Гц (в появившемся меню справа на экране выбора настроек установите единицы измерений Гц). Нажатием кнопки настройки амплитуды сигнала установите значение напряжения 20 Впп (в появившемся меню справа на экране выбора настроек установите требуемые единицы измерений).
-
8.3.4 Нажатием кнопки «Переключение каналов» включите СН1. Проверьте в программе «AVS_AE8» во вкладке «Текущие данные» (рисунок 7) параметры опорного сигнала: они должны соответствовать заданным на генераторе.
Внимание! В течение всего времени проведения поверки канал СН1 не отключать!

Рисунок 7 - Окно проверки параметров опорного сигнала от генератора
-
8.3.5 Результат операции поверки по п.8.3 считается положительным, если все действия, указанные в п.п. 8.3.1 - 8.3.5, выполняются успешно.
После подключения поверяемого блока к компьютеру необходимо проверить номер версии программного обеспечения, установленного в блоке. Дтя этого в программе «AVS-АЕ8» перейдите на вкладку «Конфигурирование», затем «Служебная информация» и в поле «Версия ПО» (рисунок 8) и проверьте номер версии.
Результат операции считается положительным, если номер версии программного обеспечения не ниже, чем 1.13.

Рисунок 8 - Меню проверки номера версии ПО
-
10 ОПРЕДЕЛЕНИЕ МЕТРОЛОГИЧЕСКИХ ХАРАКТЕРИСТИК СРЕДСТВ ИЗМЕРЕНИЙ
-
10.1 Поверка приведенной к пределу погрешности измерений амплитудных значений напряжения переменного тока
-
-
10.1.1.1 Настройка цифровых фильтров на поверяемом блоке
Для настройки цифровых фильтров на поверяемом блоке необходимо в программе «AVS-AE8» перейти на вкладку «Конфигурирование», затем «Настраиваемые параметры» и в поле «Пороговые значения параметров» (рисунок 9), где установить значения, указанные в таблице 4.
Для записи установленных параметров в блок нажмите на кнопку «Записать данные конфигурации в устройство».
Таблица 4 - Настройка пороговых значений блока
Наименование настраиваемого параметра |
Величина параметра |
Минимальная длительность сигнала события, мкс |
10 |
Максимальная длительность сигнала события, мкс |
500 |
Нижняя граница частотного фильтра, Гц |
50000 |
Верхняя граница частотного фильтра, Гц |
200000 |

Рисунок 9 - Настройка пороговых значений блока
-
10.1.1.2 Настройка осциллографа
Для настройки осциллографа необходимо выполнит следующие операции:
-
- вывести отображение первого канала нажатием кнопки СН1 на осциллографе (рисунок Ю);
-
- кнопкой выбора режима «Напряжение» вывести на экран отображение величин Umax и исю (рисунок 10). Для этого нажмите кнопку «Measure», в появившемся меню на экране нажмите на кнопку около надписи «Напряжение», селектором выберите нужные режимы и нажатием на селектор выведите на экран измерения;
Кнопка выбора режима
измерения "Напряжение*4».
Селектор выбора_____
измеряемой величины!
Выбор режима
! измерения

Отображение измерения
максимального напряжения
Выбор первого__
канала осциллографа
Рисунок 10 - Выбор канала и вывод на экран измерений U max И Uck3
- установите запуск по триггеру (режим «Ждущий» или «Норма») (рисунок 11). Для этого откройте меню триггера нажатием кнопки «Мели», в появившемся меню выберите пункт «Регистрация», и выбрать селектором пункт «Норма».
Кнопка выбора
Селектор выбора Вызов меню Селектор уровня режима триггера \ триггера \ синхронизации I
режима триггера

Рисунок 11 - Настройка триггера осциллографа
10.1.2 Измерения амплитудных значении напряжения переменного тока при «чистой» синусоиде-
10.1.2.1 Переключите канал на генераторе, нажав кнопку «СН1/2» (рисунок 12).
-
10.1.2.2 Задайте частоту и амплитуду выходного сигнала (рисунок 12) равными 50 кГц и 25 мВ (выберите, как тУРр/УрРпри вводе значения).
-
10.1.2.3 Подайте на измерительную схему заданный сигнал. Произведите одновременный отсчет показаний на экране осциллографа (иСкз) (рисунок 13) и в программе «AVS-AE8» поверяемого блока (рисунок 14). Красным маркером указано, в каком поле необходимо снимать показания). Результаты измерений занесите в таблицу 5.
Селектор
ВКЛ/ВЫКЛ CH2I
Цветовая индикация выбранного канала /
Матричная клавиатура,
Кнопка выбора канала /
Кнопка настройки
выходного сигнала
частоты выходного
Кнопка настройки амплитуды
Рисунок 12 - Настройка СН2 функционального генератора
Таблица 5 - Результаты измерений при «чистой» синусоиде
Амплитуда сигнала |
Ген = 50 кГц |
Ген = 100 КГЦ |
Ген = 200 кГц | |||
Urms_TDS2022C |
Urms_ABM- АЧР |
Urms_TDS2022C |
Urms_ABM- АЧР |
Urms_TDS2022C |
UrmsABM- АЧР | |
UreH = 25 мВ | ||||||
UreH = 500 мВ | ||||||
иген=1,42 В |
-
10.1.2.4 Повторите операции по п.п. 10.1.2.2 и 10.1.2.3 для всех значений частоты и напряжения, указанных в таблице 5.
-
10.1.2.5 Повторите операции по п.п. 10.1.2.2 и 10.1.2.4 для каналов со 2 по 7 поверяемого блока.
-
10.1.3.1 Переключитесь на функциональном генераторе на СН2.
-
10.1.3.2 Включите и настройте на канале СН2 режим выдачи пачки синусоидальных импульсов. Для этого нажмите на кнопку «Burst» (рисунок 15), затем на кнопку настройки периодичности пачек импульсов и задайте время цикла 20 мс. После этого перейдите на следующую вкладку настроек (рисунок 16) и задайте количество импульсов в пачке равным 5.
-
10.1.3.3 Задайте частоту 50 кГц, а также амплитуду выходного сигнала 25 мВ (выберите как mVpp/Vppnpn вводе значения) (рисунок 12). Для того, чтобы перейти к этим настройкам нажмите кнопку «Sine».
Селектор
пачек импульсов
Кнопка настройки периодичности Матричная
клавиатура
'-«Э.ООЙЛ **>' 50
Кнопка переключении страницы настроек
Кнопка включения режима пачки импульсов
Рисунок 15 - Настройка режима выдачи пачек импульсов (ч.1)
Рисунок 16 - Настройка режима выдачи пачек импульсов (ч.2)

Рисунок 13 - Результат измерения Urms осциллографом
» • AVS.AEB. leryiuee устройство - 7547-44871Д£8). Обнсаит* списс< | Фейл Серене Помощ»

- Падет »иия1 Теердие да*» Осииллогрчы Б А осииллограее» БД совет* Конеегуюомм* ' Протопал
75474487 1А£9|


О бы ее ио»*встао совет* Ж |0
Общее ииычстк совет* К |0
Рисунок 14 - Результат измерения Urms поверяемым блоком
-
10.1.3.4 Подайте на измерительную схему заданный сигнал. Произведите одновременный отсчет показаний на экране осциллографа (Umax) (рисунок 17) и в программе «AVS-AE8»
поверяемого блока (рисунок 18, необходимо перейти на вкладку «Осциллограммы», выбрать номер поверяемого канала, установить галочку «С регулярным опросом» и нажать на кнопку «Получить данные осциллограммы»). Красным маркером указано, в каком поле необходимо снимать показания). Результаты измерений занести в таблицу 6.

Рисунок 17 - Результат измерения Umax осциллографом
АО. В


V с Эвп*пяоъм опросом


Рисунок 18 - Результат измерения Umax поверяемым блоком
Таблица 6 - Результаты измерений при подаче пачки синусоидальных импульсов
Ампли-туда сигнала |
Ген ~ 50 кГц, Хц.мп — 5 |
Ген ~ 100 кГц, Numii — 7 |
Ген — 200 кГц, NuMn — 8 | |||
TDS2022C |
АВМ-АЧР |
TDS2022C |
АВМ-АЧР |
TDS2022C |
АВМ-АЧР | |
иген = 25 мВ | ||||||
UreH = 500 мВ | ||||||
UreH=l,42 мВ |
-
10.1.3.5 Повторите операции по п.п. 10.1.3.2 - в 10.1.3.4 для всех остальных значений Ген, NHMn и иГен, указанные в таблице 6.
-
10.1.3.6 Повторите операции по п.п. 10.1.3.2 и 10.1.3.5 для каналов со 2 по 7 поверяемого блока.
-
10.2 Поверка приведенной к пределу погрешности измерений значений напряжения и абсолютной погрешности измерений частоты переменного тока каналах «XI Sync» - Синхронизация
-
10.2.1.1 Соберите схему, приведенную на рисунке 19. Подключите к клеммам «ХЗ Питание» поверяемого блока источник напряжения постоянного тока 24 В (далее - источник), источник при этом должен быть выключен.
Внимание! Токовые выходы РЕТОМ-51 необходимо замкнуть между собой и нейтральной точкой в соответствии со схемой!
1

С1

Рисунок 19 - Схема подключений для проведения поверки канала синхронизации
-
10.2.2.1 Для запуска комплекса программно-технического измерительного РЕТОМ-51
(далее - РЕТОМ-51) необходимо произвести подключение компьютера со специальным ПО к блоку в следующей последовательности:
-
- подключите РЕТОМ-51 к компьютеру;
-
- включите питание РЕТОМ-51;
-
- убедитесь, что преобразователь интерфейсов отображается в системе, для этого необходимо открыть диспетчер задач Window (рисунок 20). Номер COM-порту система назначает произвольно, поэтому он может отличаться от приведенного в примере;
Рисунок 20 - Отображение подключения РЕТОМ-51 к компьютеру
- откройте программу «Retom 51». В появившемся главном окне выбрерите «Ручное управление» (рисунок 21). В появившемся окне «Установка максимальных токов и напряжений» нажмите «Ок». Далее установите в графе «Напряжение» на фазе А 2 В и в графе «Выключатель» нажмите на выключатель (рисунок 22). В появившемся окне (рисунок 23) нажмите «Ок», при этом на поверяемый блок подается заданное напряжение.

21 - Главное окно
«Retom 51»

Рисунок 22 - Настройка выходных параметров РЕТОМ-51


Si) Настройка каналов связи X
Рекомендуется порт USB, если его нет • СОМ на 115200 бод
Порт связи (СОМ, USB)
[use 3 II——ll
Номера РЕТОМов Отмене
Рисунок 23 - Окно подключения РЕТОМ 51 к ПК
-
10.2.2.2 Произведите отсчет показаний в программе «AVS-AE8» поверяемого блока (рисунок 24, красным маркером указано, в каком поле необходимо снимать показания). Результаты измерений занести в таблицу 7.
> » xnjkl» >1чмн *Ы1
-..■С—о**»» ?Пмс«а | >м« i^tat Dewfe»
WJW rmLon e
Э
5
I
7
4
4>.JT fn fg (

Рисунок 24 - Показания блока АВМ-АЧР
Таблица 7 - Результаты измерений при подаче напряжения с РЕТОМ-51
Действующее напряжение сигнала |
Частота сигнала |
Urms, В |
UreH RMS = 2 В |
freH = 50 Гц | |
UreH RMS = 57 В | ||
UreH RMS = 82 В |
-
10.2.2.3 Повторите операции по п.п. 10.2.2.1- 10.2.2.2 для всех остальных значений UreH, указанные в таблице 7.
-
11 ПОДТВЕРЖДЕНИЕ СООТВЕТСТВИЯ СРЕДСТВА ИЗМЕРЕНИЙ МЕТРОЛОГИЧЕСКИМ ТРЕБОВАНИЯМ
-
11.1.1 Дтя каждого измерения из таблицы 5 рассчитайте погрешность измерений значений напряжения поверяемым блоком по формуле:
yUrms = 100 • (Urms_ABM-A4P ~ Urms_TDS2022c) / 1,42 (1)
где:
Urms_ABM-A4P - значение напряжения, измеренное поверяемым блоком;
Urms_ TDS2022C - значение напряжения, измеренное осциллографом.
-
11.1.2 Для каждого измерения из таблицы 6 рассчитайте погрешность измерений амплитудных значений напряжения поверяемым блоком по формуле:
yUmax = 100-(Umax_ABM-A4P “ Umax_TDS2022C) I 1,42 (2)
где:
Umax_ABM-A4P - значение напряжения, измеренное поверяемым блоком;
Umax_ TDS2022C - значение напряжения, измеренное осциллографом.
-
11.1.3 Результаты расчетов занесите в таблицы 8 и 9.
Таблица 8 - Результаты расчета погрешностей при подаче «чистой» синусоиды
Амплитуда сигнала |
Ген = 50 кГц |
freH = 100 кГц |
freH = 200 КГЦ |
yUrms, % |
yUrms, % |
yUrms, % | |
Uген = 25 мВ | |||
Uген = 500 мВ | |||
и ген = 1,42 мВ |
Таблица 9 - Результаты расчета погрешностей при подаче пачки синусоидальных им
пульсов
Амплитуда сигнала |
Ген — 50 кГц, NwMn — 5 |
Ген ~ 100 кГц, Nkmii — 7 |
Ген — 200 кГц, Nu.Mn — 8 |
yUmax, % |
yUmax, % |
yUmax, % | |
UreH = 25 мВ | |||
Uген = 500 мВ | |||
UreH = 1,42 мВ |
-
11.1.4 Результат поверки считается положительным, если значения всех полученных значений yUrms и yUmax не превышают ± 10%.
-
11.2 Расчет приведенной к пределу погрешности измерений значений напряжения и абсолютной погрешности измерений частоты переменного тока каналах «XI Sync» -Синхронизация
-
11.2.1 Для каждого измерения из таблицы 7 рассчитайте погрешность измерений значений напряжения поверяемым блоком по формуле:
-
yUxi.Sync = 100 (UaBM-A4P - Upetom-51) I 86 (3)
где:
Uabm-ачр - значение напряжения, измеренное поверяемым блоком;
Upetom-51 - значение напряжения, задаваемое на РЕТОМ-51.
-
11.2.2 Результаты расчетов занесите в таблицу 10.
с РЕТОМ-51
Действующее напряжение сигнала |
Частота сигнала |
yUxi Sync, % |
UreH RMS — 2 В |
Ген = 50 Гц | |
UreH RMS = 57 В | ||
UreH RMS = 82 В |
-
11.2.3 Результат поверки считается положительным, если значения всех полученных yUxi_sync не превышают ±10%.

рмляются в соответствии ышленности и торговли
-
12.1 Положительные и отрицательные результаты пов с требованиями нормативных документов (НД) Министерства пр РФ.
С.Ю. Рогожин
А.В. Леонов
Начальник отдела 206.1
ФГУП «ВНИИМС»
Научный сотрудник отдела 206.1
ФГУП «ВНИИМС»
19