Методика поверки «Государственная система обеспечения единства измерений Система автоматического контроля выбросов на дымовой трубе ООО «Красноярский цемент»» (МП-242-2394-2020)
Федеральное государственное унитарное предприятие
«Всероссийский научно-исследовательский институт метрологии им. Д.И. Менделеева» ФГУП «ВНИИМ им. Д.И. Менделеева»
УТВЕРЖДАЮ
^АЧЕСКо;
ора ФГУП «ВНИИМ tM. Д.И/Менделеева»
/ А.Н.Пронин
ЖЛИТЕЛЬ 2020 г. ЙИГПЬИО'О ДИРЕКТОРА <1ЙВ110ВЬ п.
ДОВЕРЕННОСТЬ Ы7 ОТ и ЯНВАРИ 2020
Государственная система обеспечения единства измерений
Система автоматического контроля выбросов на дымовой трубе
ООО «Красноярский цемент»
Методика поверки
МП-242-2394-2020
И. о. руководите ля научно-исследовательского отдела Государственн ,эталонов в области [ических измерений
"7

А.В.Колобова
Инженер 2-ой категории
К.А. Заречнов
Санкт-Петербург 2020 г.
Настоящая методика поверки распространяется на систему автоматического контроля выбросов на дымовой трубе ООО «Красноярский цемент» (далее - САКВ или система) и устанавливает методы и средства ее первичной поверки до ввода в эксплуатацию и после ремонта и периодической поверки в процессе эксплуатации.
Последовательность проведения поверки:
-
1 Определение метрологических характеристик (MX) газоаналитических каналов системы и канала измерений паров воды в целом на объекте (по ГСО и реальной среде).
-
2 Определение MX измерительного канала (ИК) твердых (взвешенных) частиц комплекса в лабораторных условиях и на объекте.
При проведении поверки ИК на объекте в соответствии с Приложением Д устанавливается поправочный коэффициент, соответствующий параметрам реальной газодисперсной среды.
-
3 Определение MX каналов параметров газового потока системы:
-
- датчики температуры, давления, скорости - в лабораторных условиях, канал передачи информации - на объекте
-
- или каждый канал в целом - на объекте.
Первичная поверка системы проводится после ее опытной эксплуатации на объекте в течение не менее месяца.
Допускается проведение периодической поверки отдельных измерительных каналов в любом количестве и комбинациях в соответствии с заявлением владельца системы с обязательным указанием в свидетельстве о поверке информации об объеме проведенной поверки.
При замене отдельных автономных измерительных блоков на аналогичные, входящих в состав комплекса, проводится его первичная поверка для тех измерительных каналов, в которых проведена замена блоков.
1 Операции поверки
1.1 При проведении поверки выполняют операции, указанные в таблице 1. Таблица 1
Наименование операции |
Номер пункта методики поверки |
Обязательность проведения операции | |
при первичной поверке |
при периодической поверке | ||
1 Внешний осмотр |
6.1 |
Да |
Да |
2 Опробование |
6.2 | ||
2.1 Проверка общего функционирования |
6.2.1 |
Да |
Да |
2.2 Подтверждение соответствия программного обеспечения |
6.2.2 |
Да |
Да |
2.3 Проверка герметичности пробоотборного зонда с обогреваемой линией |
6.2.3 |
Да |
Да |
3 Определение метрологических характеристик |
6.3 | ||
3.1 Определение основной погрешности газоаналитических каналов (с использованием ГСО) |
6.3.1 |
Да |
Да |
3.2 Определение погрешности газоаналитических каналов и канала паров воды на объекте (на реальной среде) |
6.3.2 |
Да |
Да |
3.3 Определение погрешности канала твердых (взвешенных) частиц с использованием тестового аэрозоля |
6.3.3 |
Да |
Ж |
3.4 Определение погрешности каналов температуры, давления и скорости |
6.3.4 |
Да |
Да |
-
1.2 Если при проведении той или иной операции поверки системы получен отрицательный результат, дальнейшая поверка прекращается.
-
1.3 Место и условия проведения поверки приведены в таблице А. 1 (приложение А).
-
2.1 При проведении поверки применяют средства, указанные в таблице 2. Таблица 2
Номер пункта методики поверки
Наименование основного или вспомогательного средства поверки. Требования к средству поверки.
Основные метрологические или технические характеристики.
4,6
Прибор комбинированный для измерения температуры, относительной влажности воздуха и абсолютного давления Testo 622 (регистрационный номер 53505-13): диапазон измерений температуры от 10 °C до 30 °C, пределы допускаемой абсолютной погрешности ±0,5 °C; диапазон измерений относительной влажности от 30 % до 80 %, пределы допускаемой абсолютной погрешности ±3 %; диапазон измерений абсолютного давления от 80 до ПО кПа, пределы допускаемой абсолютной погрешности ±0,5 кПа.
6.3.1
Стандартные образцы состава - газовые смеси (ГС) в баллонах под давлением, приведенные в таблице Б. 1 Приложения Б
Поверочный нулевой газ (ПНГ) - азот газообразный особой чистоты 1-го или 2-го сорта в баллоне под давлением по ГОСТ 9293-74.
Ротаметр РМ-А-0,063 ГУЗ, ГОСТ 13045-81, верхняя граница диапазона измерений объемного расхода 0,063 м3/ч, кл. точности 4
Трубка фторопластовая по ТУ 6-05-2059-87, диаметр условного прохода 5 мм. толщина стенки 1 мм
6.3.2
Комплекс переносной измерительный КПП для определения MX газоаналитических ИК автоматических информационно-измерительных систем (АИС) на объекте на реальных средах (регистрационный номер 69364-17)
или средства измерений и вспомогательные устройства в соответствии с МИ «М-МВИ-276-17 «Методика измерений массовой концентрации диоксида серы и окислов азота в промышленных выбросах», регистрационный номер ФР. 1.31.2017.27953 от 01.11.2017 г. (спектрофотометр серии UV модель UV-1800, регистрационный номер 19387-08)
6.3.2
Генератор влажного газа эталонный «Родник-4М» (регистрационный номер 48286-11) или средства измерений и вспомогательные устройства в соответствии с МИ «М-МВИ-277-17. Методика измерений массовой концентрации паров воды в промышленных выбросах» регистрационный номер ФР. 1.31.2018.30255 (весы лабораторные электронные с пределами допускаемой абсолютной погрешности ±15 мг в диапазоне взвешивания от 0,2 до 600 г, например. МЛ-06-1 (регистрационный номер 60183-15), расходомер-счётчик газа РГТ модели РГТ-6 (регистрационный номер 51713-12)
Номер пункта методики поверки
Наименование основного или вспомогательного средства поверки. Требования к средству поверки.
Основные метрологические или технические характеристики.
6.3.4
Рабочие эталоны единицы скорости воздушного потока в соответствии с Государственной поверочной схемой, утвержденной Приказом Госстандарта от 25.11.2019 г. №2815
6.3.4
Калибратор давления портативный Метран 502-ПКД-10П с модулем К6ИВ (регистрационный номер 26014-08)
6.3.4
Термостат жидкостный серии «ТЕРМОТЕСТ» (регистрационный номер 39300-08); Термометр сопротивления эталонный ЭТС-100 (регистрационный номер 19916-10);
Измерители температуры многоканальные прецизионные МИТ 8 (регистрационный номер 19736-11).
6.3.3
Рабочий эталон единицы массовой концентрации частиц в аэродисперсных средах с относительной погрешностью не более ±10 % в соответствии с ГОСТ 8.606-2012 «ГСИ. Государственная поверочная схема для средств измерений дисперсных параметров аэрозолей, взвесей и порошкообразных материалов»;
Система генерации аэрозольных частиц в составе генератора аэрозоля и камеры аэрозольной.
6.3.3
Средства измерений в соответствии с ГОСТ Р ИСО 9096 Выбросы стационарных источников. Определение массовой концентрации твердых частиц ручным гравиметрическим методом
6.3.4
Калибратор электрических сигналов СА71 (регистрационный номер 53468-13)
6.3.1
Вентиль точной регулировки ВТР-1 (или ВТР-1-М160), диапазон рабочего давления (0-150) кгс/см2, диаметр условного прохода 3 мм
-
2.2 Допускается применение аналогичных средств измерений, обеспечивающих определение метрологических характеристик поверяемой системы с требуемой точностью.
-
2.3 Все средства измерений должны иметь действующие свидетельства о поверке, газовые смеси и ПНГ в баллонах под давлением - действующие паспорта.
-
3.1 Помещение, в котором проводят поверку, должно быть оборудовано приточно-вытяжной вентиляцией.
-
3.2 Концентрации вредных компонентов в воздухе рабочей зоны не должны превышать значений, приведенных в ГОСТ 12.1.005-88.
-
3.3 При работе с системой необходимо соблюдать «Правила технической эксплуатации электроустановок потребителей», утверждённые приказом Минэнерго РФ № 6 от 13.01.2003 и «Правила по охране труда при эксплуатации электроустановок», утверждённые приказом Минтруда России № 328н от 24.07.2013, введённые в действие с 04.08.2014.
-
3.4 Требования техники безопасности при эксплуатации ГС в баллонах под давлением должны соответствовать Федеральным нормам и правилам в области промышленной безопасности "Правила промышленной безопасности опасных производственных объектов, на которых используется оборудование, работающее под избыточным давлением", утвержденным приказом Федеральной службы по экологическому, технологическому и атомному надзору от 25.03.2014 г. №116.
-
3.5 Не допускается сбрасывать ГС в атмосферу рабочих помещений.
-
3.6 К поверке допускаются лица, изучившие эксплуатационную документацию на систему и прошедшие необходимый инструктаж.
При проведении поверки следует соблюдать следующие условия:
-
- температура окружающей среды, °C в соответствии с таблицей А.1 (приложение А);
-
- атмосферное давление, кПа от 84,0 до 106,7;
-
- относительная влажность воздуха, %, не более 80.
-
5.1 Перед проведением поверки должны быть выполнены следующие подготовительные работы:
-
5.1.1 Подготавливают систему к работе в соответствии с требованиями его эксплуатационной документации.
-
5.1.2 Подготавливают к работе средства поверки, указанные в таблице 2, в соответствии с требованиями их эксплуатационной документации.
-
5.1.3 Проверяют наличие паспортов и сроки годности ГС.
-
5.1.4 Баллоны с ГС выдерживают в помещении, в котором проводят поверку, в течение не менее 24 ч.
-
5.1.5 Включают приточно-вытяжную вентиляцию.
-
5.1.6 При проведении поверки с использованием ГСО- газовых смесей (п.6.3.1.1) подсоединяют фторопластовую трубку с выхода вентиля точной регулировки, установленного на баллоне с ГС, через тройник на вход подачи газа пробоотборного зонда в соответствии с рисунком 1 Приложения В).
-
Расход ГС должен быть на 10 - 20 % выше расхода, потребляемого комплексом газоаналитическим Gasmet CEMS II (далее - Gasmet). Контроль расхода на сбросе осуществляют при помощи ротаметра, подключенного к тройнику.
-
5.1.7 При проведении поверки на реальной среде с использованием пробы газовых выбросов выполняют одну из следующих операций:
а) проводят отбор пробы в сосуд с поглотительным раствором в соответствии с МИ «М-МВИ-276-17 и в аккредитованной лаборатории измеряют в ней содержание компонентов: NOX (в пересчете на NCh) и SO2 в соответствии с МИ «М-МВИ-276-17».
Примечание:
-
1 Допускается предоставление пробы предприятием-владельцем СИ с актом отбора.
-
2 Допускается применение других стандартизованных методов, оформленных в виде ГОСТ или аттестованных МИ и обеспечивающих измерение с точностью не хуже указанной в МИ «М-МВИ-276-17».
б) устанавливают поверочный комплекс КПИ (далее - КПИ) в условиях размещения поверяемой системы, в состав которой входит газоанализатор; зонд КПИ вставляют в технологическое отверстие дымовой трубы рядом с зондом поверяемой системы, подключают к зонду трубопровод и проводят их нагрев до требуемой температуры (температуры зонда поверяемой системы) в соответствии с РЭ на КПИ.
Примечание: Допускается подключение зонда КПИ к тройнику, установленному на обогреваемом трубопроводе поверяемой системы (перед подачей анализируемого газа на вход газоанализатора).
Продувают зонд и трубопровод КПИ после их нагрева 10-ти кратным объемом анализируемого газа, после чего проводят измерение содержания оксидов азота (по шкале NOX).
-
6 Проведение поверки
-
6.1.1 При внешнем осмотре системы, в т.ч. проботборного зонда и обогреваемой линией, должно быть установлено отсутствие внешних повреждений и загрязнений, влияющих на работоспособность.
-
6.1.2 Комплектность и маркировка должны соответствовать указанным в Руководстве по эксплуатации.
-
6.1.3 Для средств измерений (СИ) должны быть установлены:
-
- исправность органов управления, настройки и коррекции;
-
- четкость всех надписей на лицевых панелях СИ;
-
- четкость и контрастность цифровых дисплеев СИ.
-
6.1.4 Для пробоотборного зонда с обогреваемой линией должно быть установлено соответствие температуры, указанной в паспорте, температуре точки росы для конкретного объекта с учетом запаса 15 °C.
-
6.1.5 Система считается выдержавшей внешний осмотр удовлетворительно, если она соответствует всем перечисленным выше требованиям.
-
6.2.1 Проверка общего функционирования
Проверку общего функционирования средств измерений и устройств в составе системы проводят в процессе тестирования при их запуске в соответствии с РЭ на приборы.
Результаты проверки считают положительными, если:
-
- отсутствует информация об отказах элементов, входящих в состав системы;
-
- на дисплее датчиков ИК индицируется текущая информация об измеряемых параметрах;
-
- на мониторе персонального компьютера (ПК) системы для всех ИК поверяемой системы индицируется текущая информация об измеряемых параметрах.
-
6.2.2 Подтверждение соответствия программного обеспечения
Операция «Подтверждение соответствия программного обеспечения» состоит из следующих этапов:
-
- определение идентификационных данных (текущей версии ПО) программируемого логического контроллера (ПЛК) Siemens информационно-вычислительного комплекса (ИВК);
-
- определение идентификационных данных (контрольной суммы и текущей версии ПО) автономного ПО системы контроля выбросов на дымовой трубе (АРМ).
-
6.2.2.1 Определение идентификационных данных (текущей версии ПО) программируемого логического контроллера (ПЛК) Siemens информационно-вычислительного комплекса (ИВК).
Проверка производится в штатном режиме ИВК - шкаф включен и его электропитание осуществляется от сети переменного тока.
Алгоритм определения идентификационных данных ИВК описан в руководстве оператора (А-Ю63-1-РО).
-
6.2.2.2 Определение идентификационных данных (контрольной суммы и текущей версии ПО) автономного ПО системы контроля выбросов на дымовой трубе (АРМ).
Проведение данной проверки не требует каких-либо специальных подготовительных действий. Проверка выполняется на ПК АРМ средствами стандартной программы для проверки контрольных сумм.
Алгоритм определения идентификационных данных автономного ПО системы контроля выбросов на дымовой трубе описан в руководстве оператора (А-Ю63-1-РО).
Результат подтверждения соответствия программного обеспечения считается положительным, если полученные идентификационные данные соответствуют идентификационным данным, указанным в разделе «Программное обеспечение» описания типа средства измерений.
-
6.2.3 Проверка герметичности пробоотборного зонда с обогреваемой линией.
Проверка осуществляется подачей ПГС № 1 - ПНГ (азот газообразный в баллоне под давлением по ГОСТ 9293-74) и ПГС №2 (O2/N2) (таблица Б.1 приложения Б) на вход системы, имеющего канал измерений кислорода, через устройство отбора и подготовки пробы, в порт калибровки зонда (перед фильтром).
Предварительно подают указанные выше ПГС непосредственно на вход Gasmet.
Подачу ГС проводят в соответствии с пунктом 5.1.6.
Результаты считаются положительными, если изменение показаний по каналу измерений кислорода не превышает:
0,2 % об. (при подаче ГС № 1 и № 2 в диапазоне измерений от 0 до 2 % об.) и/или
10 % отн. (при подаче ГС № 3 во в диапазоне измерений св. 2 до 25 % об.).
6.3 Определение метрологических характеристик-
6.3.1 Определение основной погрешности газоаналитических каналов (с использованием
ГСО)
Определение погрешности проводят при поочередной подаче ПГС на вход пробоотборного зонда в последовательности: №№ 1-2-3-2-1-3 и считывании показаний с дисплея Gasmet и монитора ПК системы.
Подачу ПГС проводят в соответствии с пунктом 5.1.6. Номинальные значения содержания измеряемых компонентов в ПГС приведены в таблице Б.1 приложения Б.
Значения основной приведенной погрешности (у в %) для диапазонов, приведенных в таблице, Г.1 Приложения Г), рассчитывают для каждой ГС по формуле:
С -С
(6.1)
y = -i----2--100
С
где:
С, - показания монитора ПК системы при подаче i-ой ПГС. мг/м3 (% об.);
Сд - действительное значение массовой концентрации (объемной доли) определяемого компонента в ПГС, мг/м3 (% об.);
Ск - верхний предел диапазона измерений, мг/м3 (% об.);
Значения основной относительной погрешности (6 в %) для диапазонов, приведенных в таблице Г.1 приложения Г, рассчитывают для каждой ГС по формуле:
С -С 3= L д 400
(6-2)

Результаты определения считают положительными, если основная приведенная (относительная) погрешность не превышает значения, приведенных в таблице Г. 1. Приложения Г.
-
6.3.2 Определение погрешности газоаналитических каналов и канала паров воды на объекте (на реальной среде)
-
6.3.2.1 Определение погрешности газоаналитических каналов (в комплекте с пробоотборным зондом с обогреваемой линией на объекте с использованием реальной среды (проба газовых выбросов), в которой измерение содержания компонентов проводится с отбором пробы в поглотительный сосуд в соответствии с методики измерений МИ М-МВИ-276-17 либо с использованием комплекса КПИ.
-
Примечание - Допускается применение других СИ или стандартизованных методов, оформленных в виде ГОСТ или аттестованных МИ и обеспечивающих измерение с требуемой точностью.
Определение проводят для каналов измерений NOX (в пересчете на NO?) и SO2 на пробе анализируемого газового выброса, подготовленной в соответствии с указаниями п.5.1.7.
Число измерений - в соответствии с МИ или в течение 20 мин каждые 5 мин для КПИ.
Одновременно проводят отсчет показаний по дисплею газоанализатора и монитора ПК системы.
Значения приведенной (относительной) погрешности для диапазонов измерений, в которых нормированы пределы допускаемой приведенной (относительной) погрешности (таблица Г.1 Приложения Г), рассчитывают по формулам 6.1 и 6.2, где Сд - результат измерения, полученный по МИ в аккредитованной лаборатории или показания дисплея КПИ. мг/м3.
-
6.3.2.2 Определение погрешности канала паров воды проводится на объекте с использованием реальной среды (проба газовых выбросов), в которой объемную долю паров воды измеряют в соответствии с МИ «М-МВИ-277-17».
Значения приведенной (относительной) погрешности для диапазонов измерений паров воды , в которых нормированы пределы допускаемой приведенной (относительной) погрешности (Таблица Г.1 Приложения Г), рассчитывают по формулам 6.1 и 6.2, где Сд - результат измерения массовой концентрации (объемной доли, %), полученный по МИ в аккредитованной лаборатории.
Результаты определения считают положительными, если полученные значения погрешности не превышают значений, приведенных таблице Г. 1 приложения Г.
-
6.3.3 Определение погрешности канала твердых (взвешенных) частиц с использованием тестового аэрозоля
Подключить измерительный блок анализатора пыли из состава поверяемого комплекса к камере аэрозольной согласно рекомендациям по монтажу, приведённым в его ЭД.
Подключить анализатор пыли (пробоотборное устройство) из состава рабочего эталона к камере аэрозольной.
Перевести систему генерации аэрозольных частиц в режим создания тестового аэрозоля.
Установить на генераторе скорость подачи тестового аэрозоля, обеспечивающую значение (50±10) % диапазона измерений массовой концентрации пыли анализатора из состава поверяемого комплекса. Контроль массовой концентрации осуществлять с помощью рабочего эталона В соответствии с ЭД на анализатор из состава поверяемого комплекса выполнить установку градуировочного коэффициента. Продуть камеру аэрозольную чистым воздухом после окончания измерений.
Произвести анализатором из состава поверяемого комплекса и рабочим эталоном измерение массовой концентрации пыли в камере аэрозольной, последовательно устанавливая на генераторе скорость подачи тестового аэрозоля, обеспечивающую следующие значения диапазона измерений массовой концентрации пыли анализатора из состава поверяемого комплекса: (10±5), (50±5), (90±5)%.
Записать в протокол поверки полученные по результатам измерений значения.
Относительную погрешность измерений массовой концентрации пыли 8С, %, для всех полученных значений вычислить соответственно по формуле (6.3):
Си — Сд
6С = ——--100 (6.3)
где:
-
- Си, мг/м3, мг/м3 - измеренное значение массовой концентрации пыли, полученное анализатором из состава поверяемого комплекса;
-
- Сд, мг/м3 - действительное значение массовой концентрации пыли, полученное на рабочем эталоне;
Относительная погрешность не должна превышать ±25 %.
-
6.3.4 Определение погрешности каналов температуры, давления и скорости
Определение погрешности каналов температуры, давления и скорости проводят поэлементным методом.
Поэлементная поверка проводится при наличии на первичные измерительные преобразователи, входящих в состав указанных каналов, действующих свидетельств о поверке (с демонтажом преобразователя).
Поэлементный метод заключается в определении погрешности каналов параметров газового потока - температуры, давления, скорости (объемного расхода), имеющим в своем составе первичный измерительный преобразователь (ПИП) с аналоговым выходным сигналом в следующем порядке:
-
- определение погрешности ПИП;
-
- определение погрешности канала передачи информации.
а) Определение основной погрешности первичных преобразователей (датчиков).
Определение основной погрешности первичных преобразователей (датчиков) выполняется в лабораторных условиях после их демонтажа в соответствии с утвержденными методиками поверки.
Определяют основную погрешность ПИП на основании результатов поверки ПИП (по свидетельству о поверке и. при наличии, протоколу поверки).
Результаты определения считаются удовлетворительными, если полученные значения основной погрешности датчиков не превышают значений, приведенных в описании типа на соответствующие датчики.
б) Определение погрешности канала передачи информации (ИВК).
Определение погрешности канала передачи информации (ИВК) проводят на месте их установки.
Входными сигналами ИВК комплекса являются унифицированные токовые сигналы стандартных преобразователей объемного расхода, давления , температуры в диапазоне от 4 до 20 мА.
На вход ИВК подают унифицированный токовый сигнал в диапазоне от 4 до 20 мА от источника постоянного тока (калибратор электрических сигналов). При поверке ИВК выполняют по одному измерению в каждой выбранной точке поверки.
Значения выходных величин выводят на экран монитора ПК системы.
в) Определение погрешности канала передачи информации (ИВК) проводят в следующей последовательности:
Отключают первичные преобразователи и подключают средства поверки к соответствующим каналам, включая линии связи.
С помощью калибратора устанавливают на входе канала ввода аналогового сигнала электрические сигналы (от 4 до 20 мА), соответствующие значениям измеряемого параметра. Задают не менее пяти значений измеряемого параметра, равномерно распределенных в пределах диапазона измерений (например, 0; 25; 50; 75 и 100 %) и через 10 секунд считывают значение параметра с экрана ПК системы с ПО.
Значение измеряемой величины (Ад), соответствующее заданному значению силы постоянного тока /3, мА, рассчитывают по формуле:
Ад = 4) ,|Л| (6.4)
где /3 - показания калибратора в каждой точке проверки, мА;
Ао - нижнее значение диапазона измерений (в единицах измеряемой величины);
К - коэффициент преобразования, рассчитываемый по формуле, единица измеряемой величины, мА.
-
4 _ 4
К= * (6.5)
1 -I в н
где Ав, Ан- верхнее и нижнее значение диапазона измерений, соответственно, в единицах измеряемой величины.
/в, /н _ верхнее и нижнее значение диапазона измерений аналогового выхода, соответственно, мА.
г) Расчет погрешности канала передачи информации
Значение приведенной погрешности канала передачи информации в уп в % рассчитывают для каждой точки проверки по формуле:
’’"“V—г100 <6-6>А. - Аи
где 4-измеренное системой значение определяемого параметра (по монитору компьютера с ПО), в единицах измеряемой величины;
Ав, Ан- верхнее и нижнее значение диапазона измерений, соответственно, в единицах измеряемой величины.
Значение относительной погрешности канала передачи информации в (дп в %) рассчитывают для каждой точки проверки по формуле:
8„ = Л'~Л° 100 (6.7)
Лгде Л,-измеренное системой значение определяемого параметра (по монитору компьютера с ПО), в единицах измеряемой величины;
^-действительное значение определяемого параметра, рассчитанное по формуле 6.7, в единицах измеряемой величины.
Результаты определения считают положительными, если полученные значения погрешности канала передачи информации не превышают 0,2 долей от пределов допускаемой погрешности канала измерений каждого параметра.
7 Оформление результатов поверки-
7.1 При проведении поверки составляется протокол результатов измерений, в котором указывается информация о соответствии системы предъявляемым к ней требованиям. Форма протокола поверки приведена в Приложении Е.
-
7.2 Система, удовлетворяющая требованиям методики поверки, признаются годной к применению.
-
7.3 Положительные результаты поверки оформляются свидетельством о поверке по установленной форме.
-
7.4 При отрицательных результатах поверки применение системы запрещается и выдается извещение о непригодности.
-
7.5 Знак поверки наносится на свидетельство о поверке и(или) в паспорт.
(обязательное)
Таблица А. 1- Условия определения MX измерительных газоаналитических каналов и паров воды в комплекте с пробоотборным зондом и обогреваемой линией
Наименование измерительного канала |
Условия |
Место проведения поверки |
Температура окружающей среды, °C |
Газовые каналы |
Поверка с использованием ГСО4 |
В лабораторных условиях |
от +15 до +25 |
Периодическая поверка с использованием реальной среды, без демонтажа |
На объекте |
от +5 до +30 | |
Канал измерений паров воды |
Поверка в составе АИС с использованием реальной среды, без демонтажа |
На объекте |
от +5 до +30 |
Канал твердых (взвешенных) частиц |
Первичная и периодическая поверка с использованием тестового аэрозоля |
В лабораторных условиях |
от +15 до +25 |
Канал измерений параметров (температура. давление, скорость газового потока |
Поверка в первичных преобразователей (датчиков) (с демонтажом) |
В лабораторных условиях |
от +15 до +25 |
Проверка каналов передачи информации, без демонтажа |
На объекте |
от +5 до +30 | |
11 Допускается проведение поверки на объекте при условии выполнения требований раздела 4 МП. |
Таблица Б. 1 Перечень и
ГС,
системы
Определяем ый компонент |
Диапазон измерений массовой концентрации. мг/м3 |
Номинальное значение массовой концентрации определяемого компонента в ГС. пределы допускаемого отклонения, мг/м3 |
Источник получения ГС2) (Номер ГСО) | ||
ПГС№1 |
ПГС№2 |
ПГС №3 | |||
СО |
от 0 до 1000 в ключ. св. 1000 до 11500 |
ПНГ1’ |
- |
- |
Азот |
- |
600±50 |
11000±500 |
ГСО 10546-2014 | ||
NO |
от 0 до 200 в ключ. св.200 до 2000 |
ПНГ |
100±20 |
1800±200 |
ГСО 10546-2014 |
NO2 |
от 0 до 200 в ключ. св.200 до 2000 |
ПНГ |
100±20 |
1800±200 |
ГСО 10546-2014 |
S02 |
от 0 до 50 включ. св.50 до 500 |
ПНГ |
- |
- |
ГСО 10546-2014 |
- |
40±10 |
250±30 | |||
о2 |
от 0 до 2 % (об.) включ. св. 2 до 25 % (об.) |
ПНГ |
2±1 % (об.) |
20±2 % (об.) |
ГСО 10546-2014 |
т.ч.
1 ’ ПНГ - поверочный нулевой газ -азот газообразный по ГОСТ 9293-74
2) Допускается использование стандартных образцов состава газовых смесей (ГС), в многокомпонентных не указанных в настоящей методике поверки, при выполнении следующих условий:
-
- номинальное значение и пределы допускаемого отклонения содержания определяемого компонента в ГС должны соответствовать указанному для соответствующей ГС в таблице;
-
- точностные характеристики должны быть не хуже, чем у приведенных в таблице ГСО.
Информация о стандартных образцах состава газовых смесей утвержденного типа доступна на сайте Федерального информационного фонда по обеспечению единства измерений
(рекомендуемое)
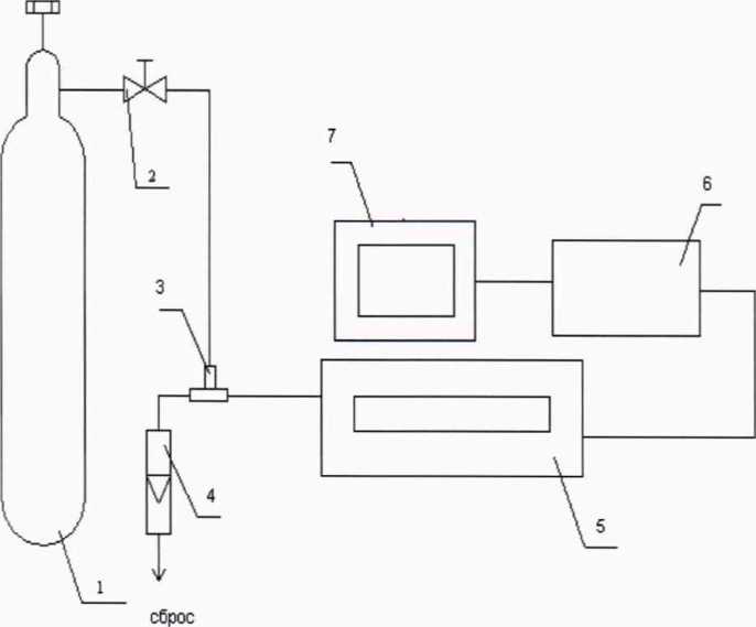
Структурная схема поверки газоаналитических ИК

-
1 - баллон с ГС; 2 - вентиль точной регулировки; 3 - тройник; 4 - индикатор расхода (ротаметр);
-
5 - газоанализатор с устройством отбора и подготовки пробы; 6 - контроллер; 7 - ПК автоматизированного рабочего места.
Рисунок В.1 - схема подачи ПГС из баллонов под давлением на вход системы
Приложение Г(рекомендуемое)
частиц (пыли)
Таблица Г. 1- Метрологические характеристики газоаналитических каналов системы (с устройством отбора и подготовки пробы) и канала
Измерительный канал (определяемый компонент) |
Диапазон показаний массовой концентрации4 \ мг/м3 |
Диапазон измерений массовой концентрации. мг/м3 |
Пределы допускаемой погрешности в условиях эксплуатации2*, % | |
приведенной1’ |
относительной | |||
Оксид азота NO |
от 0 до 2000 |
от 0 до 200 включ. св.200 до 2000 |
±15 |
±15 |
Диоксид азота NO2 |
от 0 до 2000 |
от 0 до 200 включ. св.200 до 2000 |
±15 |
±15 |
Сумма оксидов азота NOx(b пересчете на NO2)3) |
от 0 до 2000 |
от 0 до 200 включ. св.200 до 2000 |
±20 |
±20 |
Диоксид серы SO2 |
от 0 до 500 |
от 0 до 50 включ. св.50 до 500 |
±20 |
±20 |
Оксид углерода СО |
от 0 до 11500 |
от 0 до 1000 включ. св. 1000 до 11500 |
±10 |
±10 |
Кислород О2 |
от 0 до 25 % (об.) |
от 0 до 2 включ. св.2 до 25 % (об.) |
±10 |
±10 |
Пары Н2О |
от 0 до 40 % (об.) |
от 0 до 3 включ. св.З до 40 % (об.) |
±25 |
±25 |
11 Приведенные к верхнему пределу диапазона измерений;
-
2) В соответствии с Приказом Минприроды России от № 425 от 07.12.2012 г);
-
3) Сумма оксидов азота NOX (в пересчете на NO?) является расчетной величиной.
Массовая концентрация оксидов азота (Cnox) в пересчете на NCb рассчитывается по формуле: Cnox=Cno2+1,53Cno
где Cnoz и Cno — измеренные значения массовой концентрации диоксида азота и оксида азота, мг/м3, соответственно (при условии, что Cno2 не превышает 200 мг/м3);
-
4) Номинальная цена единицы наименьшего разряда измерительных каналов - 1; 0,1 мг/м3(% об.).
Таблица Г.2 - Метрологические характеристики измерительных каналов системы
Наименование характеристики |
Значение |
Предел допускаемой вариации показаний, в долях от пределов допускаемой основной погрешности |
0,3 |
Пределы допускаемого изменения выходного сигнала за 24 ч непрерывной работы, в долях от пределов допускаемой основной погрешности |
±0,3 |
Пределы допускаемой дополнительной погрешности от изменения температуры окружающей среды в пределах рабочих условий эксплуатации на каждые 10 °C от нормальных условий, в долях от пределов допускаемой основной погрешности |
±0,3 |
Предел допускаемой дополнительной погрешности от влияния содержания не измеряемых компонентов в анализируемой газовой смеси, в долях от пределов допускаемой основной погрешности, не более |
0,3 |
Время прогрева, мин. не более |
60 |
Предел допускаемого времени установления выходного сигнала (То.9), с (время одного цикла без учета транспортного запаздывания) |
120 |
Нормальные условия измерений:
|
от 5 до 30 до 95 от 84 до 120 |
Таблица Г.З - Метрологические характеристики измерительных каналов параметров газового
потока в условиях эксплуатации
Измерительный канал |
Единицы измерений |
Диапазон измерений3} |
Пределы допускаемой погрешности |
Температура |
°C |
от 0 до плюс 300 |
±2 °С(абс.) |
Избыточное давление-разряжение |
кПа |
от -6 до +6 |
±1,5 %(прив.)2) |
Скорость газового потока |
м/с |
от 0,1 до 40 |
±3 %(прив.) |
Объемный расход газового потока 0 |
м3/ч |
от 0,46-104 до 1,80-106 |
±4 %(прив.)4) |
Твердые (взвешенные) частицы |
мг/м3 |
от 20 до 2000 |
±25 %(отн.) |
п Расчетное значение с учетом конструкции измерительного сечения дымовой трубы и скорости газового потока от 0,1 до 40 м/с.
0,01 °C, давления 0,01 кПа, скорость 0,01 м/с. расхода 1 м3/ч. пыли 0,1 мг/м3;
|
Определение поправочного коэффициента на объекте (на реальной среде) для канала твердых (взвешенных) частиц
После определения MX ИК взвешенных частиц по тестовым аэрозолям в лабораторных условиях, и установки на объекте (на стационарном источнике загрязнения окружающей среды), проводится определение поправочного коэффициента (Кп) с учетом значений массовой концентрации, полученных с применением оборудования и согласно процедурам, рекомендованным в ГОСТ Р ИСО 9096 «Выбросы стационарных источников. Определение массовой концентрации твердых частиц ручным гравиметрическим методом» (далее - МИ).
Примечание: Допускается применение других стандартизованных методов, оформленных в виде ГОСТ или аттестованных МИ, или средств поверки, внесенных в Федеральный информационный фонд по обеспечению единства измерений, имеющих запас по точности и действующее свидетельство о поверке.
Работы по определению поправочного коэффициента осуществляются в соответствии с требованиями эксплуатационной документации (ЭД) на комплекс при проведении поверки. Рекомендуемые настройки поверяемого анализатора при определении поправочного коэффициента приведены в ЭД.
Указанный коэффициент определяют при стабильных условиях технологического процесса по показаниям анализатора пыли с одновременным отбором проб и измерением массовой концентрации пыли гравиметрическим методом и вводят в программное обеспечение (ПО) ИК взвешенных частиц при поверке и при изменении режимов работы объекта (замена топлива и т.д.).
Количество измерений и место отбора проб выбирают согласно рекомендациям МИ. Место отбора проб выбирают таким образом, чтобы свести к минимуму влияние отбора пробы на показания поверяемого анализатора.
Время отбора пробы на фильтр - в соответствии с МИ. Отсчет показаний анализатора -каждые 5 мин в течение времени отбора пробы.
Значение КП1 для рассчитывают по формуле

где С - значение массовой концентрации пыли, определенной гравиметрическим методом. мг/м3;
А - среднее арифметическое значение показаний анализатора пыли за время отбора пробы на фильтр, мг/м3;
Полученное значение Кп вводится в программное обеспечение (ПО) анализатора или ИК пыли в соответствии с ЭД. Значение Кп указывается в свидетельстве о поверке на комплекс.
Приложение Е(рекомендуемое)
Протокол поверки
Наименование СИ:_______________________________________________________
Зав. №_____________________
Дата выпуска________________
Регистрационный номер:____________.
Заказчик:_____________________________________________________________________________
Серия и номер клейма предыдущей поверки:___________________________________
Дата предыдущей поверки:___________________________________________________
Методика поверки:___________________________________________________________
Основные средства поверки:__________________________________________________
Условия поверки:
температура окружающей среды °C
относительная влажность воздуха %
атмосферное давление кПа
РЕЗУЛЬТАТЫ ПОВЕРКИ
-
1 Результаты внешнего осмотра_________________________________________________
-
2 Результаты опробования
-
2.1 Проверка общего функционирования___
-
2.2. Подтверждение соответствия программного обеспечения________________________
-
2.3 Проверка герметичности пробоотборного зонда с обогреваемой линией__________________
-
3 Результаты определение метрологических характеристик
-
3.1 Результаты определения основной погрешности (по ГСО)_____
-
3.2 Результаты определения погрешности газоаналитических каналов и канала измерений паров
-
воды (по реальной среде)________________________________________
-
3.3 Результаты определение погрешности канала
твердых (взвешенных) частиц (веществ)__________________________________________________
-
3.3 Результаты определение погрешности каналов
температуры, давления, скорости________________________________________________________
Заключение: на основании результатов первичной (или периодической) поверки система признана соответствующим установленным в описании типа метрологическим требованиям и пригодна к применению.
Поверитель:_________________
Дата поверки:_______________
17