Методика поверки «ГСИ. Система автоматизированная информационно-измерительная коммерческого учета электроэнергии (АИИС КУЭ) ПАО "Транснефть" в части АО "Транснефть - Центральная Сибирь" по объекту НПС "Парабель" и НПС "Молчаново"» (МП 326-18)
УТВЕРЖДАЮ
Государственная система обеспечения единства измерений
Система автоматизированная информационно-измерительная коммерческого учета электроэнергии (АИИС КУЭ) ПАО «Транснефть» в части АО «Транснефть - Центральная Сибирь» по объекту НПС «Парабель» и НПС «Молчаново»
МЕТОДИКА ПОВЕРКИ
МП 326-18
1 Общие положения-
1.1 Настоящая методика поверки (МП) распространяется на систему автоматизированную информационно-измерительную коммерческого учета электроэнергии (АИИС КУЭ) ПАО «Транснефть» в части АО «Транснефть - Центральная Сибирь» по объекту НПС «Парабель» и НПС «Молчаново» (далее АИИС КУЭ) и устанавливает методы и средства её первичной и периодической поверок.
-
1.2 Поверке подлежит АИИС КУЭ в соответствии с перечнем измерительных каналов, приведенным в описании типа. На основании письменного заявления собственника АИИС КУЭ допускается проведение поверки отдельных измерительных каналов (ИК) из перечня, приведённого в описании типа АИИС КУЭ, с обязательным указанием в приложении к свидетельству о поверке информации о количестве и составе поверенных ИК.
-
1.3 Первичную поверку АИИС КУЭ выполняют перед вводом в эксплуатацию.
Периодическую поверку АИИС КУЭ выполняют в процессе эксплуатации через интервал между поверками, установленный при утверждении типа. Проведение поверки целесообразно совмещать с ежегодными регламентными работами по техническому обслуживанию АИИС КУЭ.
-
1.4 Периодичность поверки (интервал между поверками) АИИС КУЭ - 4 года.
-
1.5 Измерительные каналы АИИС КУЭ подвергают покомпонентной поверке согласно ГОСТ Р 8.596-2002 «ГСИ. Метрологическое обеспечение измерительных систем. Основные положения». Измерительные трансформаторы тока и напряжения, счетчики электрической энергии, сервера синхронизации времени, входящие в состав АИИС КУЭ, поверяют согласно утвержденным методикам поверки с интервалом, установленным при утверждении их типа. Если очередной срок поверки средства измерений наступает до очередного срока поверки АИИС КУЭ, поверяется только этот компонент и поверка АИИС КУЭ не проводится.
-
1.6 В случае непригодности измерительных трансформаторов, счетчиков электрической энергии, допускается их замена на аналогичные утвержденных типов с метрологическими характеристиками не хуже, чем у приведённых в описании типа. Замена оформляется актом в установленном в АО «Транснефть - Центральная Сибирь» порядке. Акт хранится совместно с описанием типа АИИС КУЭ как его неотъемлемая часть.
-
1.7 В случае неисправности компонентов ИК АИИС КУЭ их направляют в ремонт. При этом на время ремонта в составе ИК допускается использовать однотипные компоненты, прошедшие поверку. После ремонта выполняют поверку каждого отказавшего средства измерений и поверку ИК, в который входит этот компонент. Поверку проводят в случае повреждения пломб счетчика электрической энергии, испытательной коробки, при повторной настройке параметров счетчика для тех ИК АИИС КУЭ, в состав которых входят эти компоненты.
-
2.1 При проведении поверки выполняют операции, приведенные в таблице 1.
Таблица 1 - Операции поверки
|
Наименование операции |
Номер пункта МП |
Проведение операции при поверке | |||||
|
первичной |
периодической |
после поверки, ремонта (замены) ТТ, TH |
после поверки, ремонта (замены) счётчика |
после ремонта (замены) ИВК |
после переустановки ПО | ||
|
1 Внешний осмотр |
8.1 |
да |
да |
* да |
ж да |
ж да |
нет |
|
2 Проверка условий эксплуатации АИИС КУЭ |
8.2 |
да |
да |
* да |
* да |
ж да |
нет |
|
3 Проверка нагрузки вторичных цепей измерительных TH |
8.3 |
да |
да |
ж да |
* да |
нет |
нет |
|
4 Проверка нагрузки вторичных цепей измерительных ТТ |
8.4 |
да |
да |
* да |
ж да |
нет |
нет |
|
5 Проверка падения напряжения в линиях соединения счетчиков с измерительными TH |
8.5 |
да |
да |
ж да |
да’ |
нет |
нет |
|
6 Проверка системы обеспечения единого времени |
8.6 |
да |
да |
нет |
* да |
да |
да |
|
7 Проверка отсутствия ошибок информационного обмена |
8.7 |
да |
да |
ж да |
ж да |
да’ |
да |
|
8 Проверка метрологических характеристик измерительных каналов АИИС КУЭ |
8.8 |
да |
да |
да |
да |
нет |
нет |
|
9 Подтверждение соответствия программного обеспечения АИИС КУЭ |
8.9 |
да |
да |
нет |
да’ |
ж да |
* да |
Примечание - В таблице приняты следующие сокращения: ТТ - трансформатор тока, TH -трансформатор напряжения, ИВК - информационно-вычислительный комплекс;
* - в объеме вносимых изменений
3 Средства поверки-
3.1 При проведении поверки применяют средства измерений и вспомогательные устройства в соответствии с методиками поверки на средства измерений ИК АПИС КУЭ, а также приведённые в таблице 2. Допускается применение аналогичных средств поверки, обеспечивающих определение метрологических характеристик поверяемых измерительных каналов АИИС КУЭ с требуемой точностью.
-
3.2 Средства измерений, применяемые при поверке, должны быть внесены в Федеральный информационный фонд по обеспечению единства изменений и иметь действующие свидетельства о поверке и (или) знаки поверки.
Таблица 2 - Средства поверки
|
Наименование средства поверки |
Основные метрологические характеристики | |
|
диапазон измерений |
погрешность | |
|
Термогигрометр ИВА-6А-Д |
-Диапазон измерений температуры от 0 до 60 °C;
|
А = ±0,3 °C А = ±3% А = ±2,5 кПа |
|
Термометр лабораторный электронный «ЛТ-300» |
Диапазон измерений температуры от минус 50 до 200 °C |
А = ±0,05 °C |
|
Мультиметр «Ресурс-ПЭ» (2 шт.) |
-диапазон измерений частоты от 49 до 51 Гц
|
6 = ±0,2 % 5 = ±0,3 % А = ±0,02 Гц А = ±0,1° 5 =±(1,0-4,0) % 5 =±(0,5-4,0) % |
|
Миллитесламетр портативный универсальный ТП2-2У |
Диапазон измерений магнитной индукции от 0,01 до 199,9 мТл |
5 = ±7,5 % |
|
Радиочасы МИР РЧ-02 |
Период формирования импульса PPS и последовательного временного кода 1 с, пределы допускаемой абсолютной погрешности синхронизации переднего фронта выходного импульса PPS со шкалой координированного времени UTC ±1 мкс | |
|
Секундомер СОСпр-2б |
Диапазоны измерений интервалов времени от 0 до 60 мин |
А — ±1,8 с |
|
Переносной компьютер с установленным программным обеспечением для настройки/конфигурирования параметров счетчиков электрической энергии | ||
|
Примечание - В таблице приняты следующие обозначения: А - абсолютная погрешность средства измерений, единица величины; 5 - относительная погрешность средства измерений, % | ||
-
4.1 К проведению поверки АИИС КУЭ допускают лиц, достигших 18 лет, прошедших инструктаж по технике безопасности на рабочем месте, изучивших настоящую МП, эксплуатационную документацию на АИИС КУЭ, используемые средства измерений и вспомогательные устройства.
-
4.2 Проверку нагрузки вторичных цепей измерительных трансформаторов, входящих в состав ИК АИИС КУЭ, и падения напряжения в линиях соединения счетчиков с измерительными трансформаторами напряжения должны выполнять специалисты, имеющие стаж работы по данному виду измерений не менее одного года. Измерения проводят не менее двух специалистов, один из которых должен иметь документ, подтверждающий право работы на установках свыше 1000 В с группой по электробезопасности не ниже IV.
-
5.1 При проведении поверки необходимо соблюдать требования безопасности, установленные в следующих документах:
-
- ГОСТ 12.2.003-91 Система стандартов безопасности труда (ССБТ). Оборудование производственное. Общие требования безопасности;
-
- ГОСТ 12.2.007.0-75 Система стандартов безопасности труда. Изделия электротехнические. Общие требования безопасности;
-
- ГОСТ 12.2.007.3-75 Система стандартов безопасности труда. Электротехнические устройства на напряжение свыше 1000 В. Требования безопасности;
-
- ГОСТ IEC 60950-1-2014 Оборудование информационных технологий. Требования безопасности. Часть 1. Общие требования;
-
- РД 153-34.0-03.150-00 Межотраслевые правила по охране труда (правила безопасности) при эксплуатации электроустановок;
-
- Правила технической эксплуатации электроустановок потребителей;
-
- Правила технической эксплуатации электрических станций и сетей РФ.
-
5.2 При проведении поверки необходимо соблюдать требования разделов «Меры безопасности» эксплуатационных документов на средства поверки и компоненты АИИС КУЭ.
-
6.1 Поверку АИИС КУЭ проводят при условиях, соответствующих рабочим условиям эксплуатации компонентов ИК АИИС КУЭ, приведенным в технической документации.
-
6.2 Рабочие условия эксплуатации компонентов АИИС КУЭ:
от минус 25 до плюс 50; от минус 60 до плюс 55; от минус 40 до плюс 60; от плюс 15 до плюс 30; 90;
от 70,0 до 106,7.
-
- температура окружающего воздуха трансформаторов тока, °C
-
- температура окружающего воздуха трансформаторов напряжения, °C
-
- температура окружающего воздуха счетчиков, °C
-
- температура окружающего воздуха ИВК, °C
-
- относительная влажность воздуха при 30 °C, %, не более
-
- атмосферное давление, кПа
Рабочие условия эксплуатации АИИС КУЭ - параметры сети:
-
- напряжение, в долях от номинального значения UH
от 0,9-ин до 1,1-UH; от 0,05-1н до 1,21н;
от 0,98-fH до 1,02-fH;
от 0,5 до 1,0;
не более 0,5.
поверки, должны быть
-
- сила тока, в долях от номинального значения 1н
-
- частота, в долях от номинального значения fH
-
- коэффициент мощности (coscp)
-
- индукция магнитного поля внешнего происхождения, мТл
-
6.3 Средствам измерений, используемым при проведении обеспечены следующие условия:
от плюс 10 до плюс 30; от 30 до 80;
от 84 до 106,7.
-
- диапазон температуры окружающего воздуха, °C
-
- относительная влажность окружающего воздуха при 25 °C, %
-
- атмосферное давление, кПа
-
7.1 Перед выполнением операций поверки необходимо изучить настоящую МП, эксплуатационную документацию на поверяемую АИИС КУЭ. Непосредственно перед выполнением поверки необходимо подготовить средства поверки к работе в соответствии с их эксплуатационной документацией.
-
7.2 На поверку АИИС КУЭ представляют следующие документы:
-
- описание типа АИИС КУЭ;
-
- формуляр АИИС.01.2018.ФО;
-
- свидетельство о предыдущей поверке АИИС КУЭ (при периодической поверке);
-
- актуализированные паспорта-протоколы измерительно-информационных комплексов (ИИК) АИИС КУЭ;
-
- документы, удостоверяющие поверку средств измерений ИК АИИС КУЭ (действующие свидетельства и (или) знаки поверки (отметки в паспортах);
-
- рабочие журналы АИИС КУЭ с данными по климатическим и иным условиям эксплуатации за интервал между поверками;
-
- эксплуатационную и техническую документацию на АИИС КУЭ, её компоненты и применяемые средства поверки.
-
7.3 Перед проведением поверки выполняют следующие подготовительные работы:
-
- проводят организационно-технические мероприятия по доступу специалистов к местам установки компонентов ИК АИИС КУЭ, размещению средств поверки, отключению в необходимых случаях средств измерений ИК АИИС КУЭ от штатной схемы;
-
- проводят организационно-технические мероприятия по обеспечению безопасности проводимых работ в соответствии с действующими правилами и руководствами по эксплуатации применяемого оборудования;
-
- средства поверки и вспомогательное оборудование выдерживают в условиях и в течение времени, установленных в распространяющейся на них документации;
-
- все средства измерений, которые подлежат заземлению, должны быть надежно заземлены, подсоединение зажимов защитного заземления к контуру заземления должно производиться ранее других соединений, а отсоединение - после всех отсоединений.
-
8.1 Внешний осмотр
-
8.1.1 Внешний осмотр проводят в местах установки компонентов ИК АИИС КУЭ, включая счетчики электрической энергии и линии связи. При внешнем осмотре проверяют:
-
-
- соответствие комплектности АИИС КУЭ перечню, приведенному в формуляре и описании типа;
-
- целостность корпусов компонентов АИИС КУЭ и отсутствие видимых механических повреждений, загрязнений, обрывов и нарушения изоляции проводников кабелей и жгутов, влияющих на функционирование АИИС КУЭ;
-
- правильность маркировки и четкость нанесения обозначений на компоненты АИИС КУЭ согласно эксплуатационной документации;
-
- соответствие количества измерительных каналов АИИС КУЭ перечню, приведенному в формуляре и описании типа;
-
- соответствие типов и заводских номеров фактически используемых средств измерений ИК АИИС КУЭ данным, указанным в формуляре АИИС КУЭ;
-
- наличие действующих свидетельств о поверке или знаков поверки и срок их действия для всех средств измерений ИК АИИС КУЭ;
-
- наличие и прочность крепления разъемов и других элементов АИИС КУЭ;
-
- отсутствие следов коррозии и нагрева в местах подключения проводных линий.
Результаты проверки положительные, если выполняются все вышеперечисленные требования.
-
8.2 Проверка условий эксплуатации АИИС КУЭ
-
8.2.1 В ходе выполнения проверки условий эксплуатации АИИС КУЭ проверяют климатические условия в помещениях, где размещены компоненты ИК АИИС КУЭ, а также -параметры сети их питания.
-
8.2.2 Измеряют температуру окружающей среды в местах установки средств измерений ИК АИИС КУЭ. По рабочим журналам климатических условий эксплуатации АИИС КУЭ проверяют значение температуры в течение всех сезонов года.
-
Результаты проверки положительные, если значения температуры в условиях эксплуатации не выходят за границы допускаемых значений (принятых в качестве рабочих условий), регламентированных в технической документации на АИИС КУЭ и ее компоненты.
-
8.2.3 Измеряют параметры сети: напряжение, частоту и коэффициент мощности. Напряжение и коэффициент мощности измеряют во всех точках измерений АИИС КУЭ.
Результаты проверки положительные, если значения указанных параметров сети и коэффициента мощности в условиях эксплуатации не выходят за границы допускаемых значений (принятых в качестве рабочих условий), регламентированных в технической документации на АИИС КУЭ и ее компоненты.
-
8.2.4 Для каждой точки измерений АИИС КУЭ определяют диапазон силы электрического тока нагрузки, который должен включать все возможные значения силы тока. Результаты проверки положительные, если указанный диапазон находится в пределах 0,057НОМ до 1,27ном, где ^ном - номинальное значение силы электрического тока.
-
8.2.5 Измеряют магнитную индукцию внешнего поля в непосредственной близости от счетчиков. Результаты проверки положительные, если значение магнитной индукции не превышает 0,5 мТл.
-
8.2.6 В качестве результатов проверок, выполненных по 8.2.2-8.2.5 настоящей МП, могут быть использованы результаты ранее выполненных измерений при условии, что с момента их получения не произошли изменения, которые могли бы изменить эти данные.
Результаты проверки положительные, если условия эксплуатации АИИС КУЭ и ее компонентов удовлетворяют рабочим условиям применения, регламентированным в распространяющейся на них документации.
-
8.3 Проверка нагрузки вторичных цепей измерительных трансформаторов напряжения
-
8.3.1 Проверку нагрузки вторичных цепей трансформаторов напряжения проводят в соответствии с рекомендациями МИ 3195. Измеренная мощность нагрузки трансформаторов напряжения для каждого ИК АИИС КУЭ должна находиться в пределах от 25 до 100% от номинального значения.
-
8.3.2 Допускается измерения мощности нагрузки вторичных цепей трансформаторов напряжения не проводить, если такие измерения проводились при составлении паспортов-протоколов на информационно-измерительные комплексы.
-
8.3.3 Допускается мощность нагрузки вторичных цепей трансформаторов напряжения определять расчетным путем, если известны входные (проходные) импедансы всех устройств, подключенных ко вторичным обмоткам измерительных трансформаторов напряжения.
-
Результаты проверки положительные, если нагрузка вторичных цепей трансформаторов напряжения находится в пределах от 25 до 100 % от номинального значения.
-
8.4 Проверка нагрузки вторичных цепей измерительных трансформаторов тОка
-
8.4.1 Проверку нагрузки вторичных цепей трансформаторов тока проводят в соответствии с рекомендациями МИ 3196. Измеренная вторичная нагрузка трансформаторов тока для каждого ИК АИИС КУЭ должна находиться в пределах от 25 до 100 % от номинального значения.
-
8.4.2 Допускается измерения мощности нагрузки вторичных цепей трансформаторов тока не проводить, если такие измерения проводились при составлении паспортов-протоколов на информационно-измерительные комплексы.
-
8.4.3 Допускается мощность нагрузки вторичных цепей трансформаторов тока определять расчетным путем, если известны входные (проходные) импедансы всех устройств, подключенных ко вторичным обмоткам измерительных трансформаторов тока.
-
Результаты проверки положительные, если нагрузка вторичных цепей трансформаторов тока находится в пределах от 25 до 100 % от номинального значения.
-
8.5 Проверка падения напряжения в линиях соединения счетчиков с измерительными трансформаторами напряжения
-
8.5.1 Проверку падения напряжения в линиях соединения счетчиков с измерительными трансформаторами напряжения проводят для каждой фазы ИК АПИС КУЭ. Измерения напряжения при четырёхпроходной схеме подключения TH проводят для фазных напряжений, при трёхпроходной схеме подключения - для линейных напряжений. Падение напряжения не должно превышать 0,25 % от номинального значения напряжения на вторичной обмотке TH.
-
8.5.2 Для каждого ИК, подлежащего испытаниям, выполняют следующие действия.
-
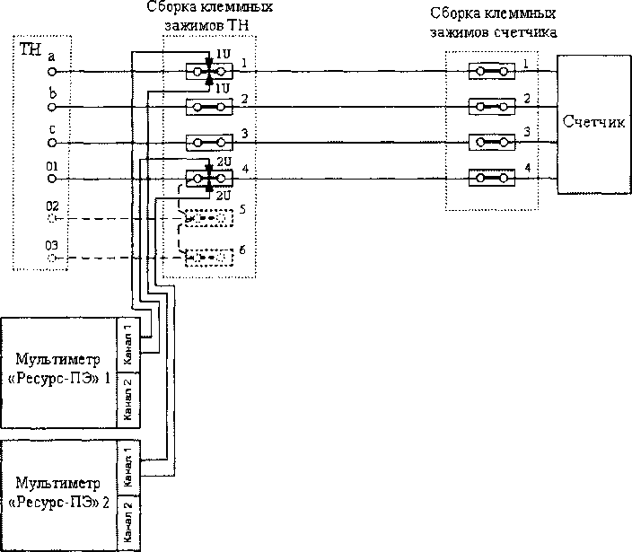
8.5.2.1 Подключают средства измерений в соответствии со схемой, изображенной на рисунке 1. На данной схеме под TH понимаются три однофазных измерительных трансформатора напряжения (могут присутствовать выводы 02 и 03 и контактные элементы 5 и 6 с соответствующими связями).

-
-
Рисунок 1
-
8.5.2.2 Значения падения напряжения и погрешности, возникающей из-за падения напряжения во вторичных цепях измерительных TH, определяют путём одновременного измерения напряжений на вторичной обмотке TH и на входе счётчика с использованием двух мультиметров «Ресурс ПЭ».
-
8.5.2.3 Используя руководство по эксплуатации на мультиметр «Ресурс ПЭ», проводят синхронизацию результатов измерений напряжения и времени.
-
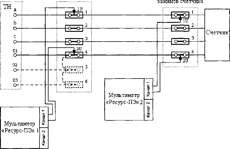
8.5.2.4 Подключают средства измерений в соответствии со схемой, изображенной на рисунке 2.
-
8.5.2.5 Используя руководство по эксплуатации на мультиметр «Ресурс ПЭ», проводят измерения напряжений: U\ - результат измерений напряжения мультиметром «Ресурс ПЭ» 1, U2-результат измерений напряжения мультиметром «Ресурс ПЭ» 2.
-
8.5.2.6 Вычисляют значение погрешности из-за потерь в линиях присоединения трансформаторов напряжения к счетчику, 8U, %, по формуле:
8U=(U1-U2)/U!-100%. (1)
-
8.5.2.7 Переносят выводы «1U» обоих мультиметров на клеммные контакты 2 (схема рисунка 2) и выполняют операции по 8.5.2.4 - 8.5.2.6 настоящей МП.
-
8.5.2.8 Переносят выводы «Ш» обоих мультиметров на клеммные контакты 3 (схема рисунка 2) и выполняют операции по 8.5.2.4 - 8.5.2.6 настоящей МП.
-
8.5.2.9 Результаты проверки положительные, если выполняется следующее условие:
5 [/<0,25%. (2)
С б орка кле ммных „
тм С б орка кле ммных
зажимов 1 п г
Рисунок 2
-
8.5.3 Допускается проверку падения напряжения в линиях соединения счетчиков с TH (погрешность из-за потерь в линиях присоединения TH к счетчикам) не проводить, если такие проверки проводились при составлении паспортов-протоколов на информационно-измерительные комплексы.
-
8.5.4 Допускается проверку падения напряжения в линиях соединения счетчиков с измерительными трансформаторами напряжения определять расчетным путем, если известны параметры линии соединения и сила электрического тока, протекающего через линию соединения.
Результаты проверки положительные, если значение падения напряжения в линиях соединения счетчиков с измерительными трансформаторами напряжения для каждого ИИК не превышает допустимого значения 0,25 %.
-
8.6 Проверка системы обеспечения единого времени
-
8.6.1 Проверку системы обеспечения единого времени (СОЕВ) проводят с использованием радиочасов МИР РЧ-02, хранящих шкалу времени, синхронизированную с метками шкалы координированного времени государственного первичного эталона Российской Федерации UTC (SU). В соответствии с эксплуатационной документацией подключают радиочасы МИР РЧ-02 к переносному компьютеру и выполняют их настройку с использованием программы «Конфигуратор радиочасов МИР РЧ-02» (конфигуратор). В качестве сигналов точного времени допускается использовать эталонные сигналы времени, передаваемые по сети Интернет.
-
8.6.2 Проверку расхождения между шкалами времени внутренних часов компонентов СОЕВ и радиочасов проводят для счетчиков и сервера следующим образом:
-
-
- счетчик (сервер) переводят в режим отображения текущего времени;
-
- одновременно фиксируют показания «ВРЕМЯ UTC» во вкладке «Синхронизация» конфигуратора и текущее время, отображаемое на индикаторах счетчиков (сервере);
-
- определяют разницу (без учёта количества часов) между шкалами времени часов компонентов СОЕВ и временем UTC (SU).
-
8.6.3 Проверку синхронизации шкал времени внутренних часов компонентов СОЕВ проводят сравнением показаний текущего времени. Определяют различие показаний текущего времени между шкалами сервера и сервером синхронизации времени, счетчиков и сервера. Проверку правильности работы системы коррекции времени выполняют также по журналам событий, определяя расхождение времени корректируемого и корректирующего компонентов СОЕВ в момент, непосредственно предшествующий коррекции.
Результаты проверки положительные, если:
-
- расхождение шкалы времени часов любого компонента СОЕВ АПИС КУЭ со шкалой координированного времени UTC (SU) не превышает 5 с;
-
- синхронизация времени осуществляется успешно, коррекция выполняется согласно алгоритму, приведённому в описании типа и формуляре АИИС КУЭ.
-
8.7 Проверка отсутствия ошибок информационного обмена
-
8.7.1 Проверка отсутствия ошибок информационного обмена предусматривает экспериментальное подтверждение подлинности измерительной информации в счетчиках электрической энергии (исходная информация) и базе данных сервера.
-
8.7.2 Проверяют функционирование АРМ оператора, сервера и связующих компонентов, в том числе вспомогательных устройств: проводят опрос текущих показаний со всех счетчиков электрической энергии, с АРМ оператора проверяют глубину хранения измерительной информации, хранящейся в базе данных сервера, проверяют правильность значений коэффициентов трансформации измерительных трансформаторов.
-
8.7.3 На компьютере АРМ оператора распечатывают профиль нагрузки по всем ПК АИИС КУЭ (измеренные значения тридцатиминутных приращений активной и реактивной электрической энергии) за полные сутки, предшествующие дню проверки. Проверяют наличие данных, соответствующих каждому тридцатиминутному интервалу времени.
-
Результаты проверки положительные, если опрошены все счетчики, отсутствует пропуск данных (за исключением случаев, когда этот пропуск был обусловлен отключением ПК или устраненным отказом какого-либо компонента ИК), коэффициенты трансформации соответствуют данным, приведенным в формуляре на АИИС КУЭ и описании типа.
-
8.7.4 Проверяют работоспособность счетчиков: правильность работы всех сегментов индикатора, отсутствие кодов ошибок или предупреждений, «прокрутку» параметров в заданной последовательности, соответствие индикации текущей даты в счетчике календарной дате (число, месяц, год).
Подключают счетчик к переносному компьютеру с установленным программным обеспечением конфигурации счетчиков, считывают результаты измерений электрической энергии за установленный интервал времени и журналов событий с отметками коррекции времени. Профиль нагрузки со счетчика считывают за те же сутки, что и в проверке по 8.7.3 настоящей методики поверки. Сравнивают значения тридцатиминутных приращений активной и реактивной электрической энергии, хранящихся в памяти счетчика и базе данных (с учетом коэффициентов трансформации измерительных трансформаторов).
Результаты проверки положительные, если подтверждена работоспособность счетчиков и расхождение результатов измерений счетчика и значений электрической энергии (мощности) на АРМ оператора не превышает одной единицы младшего разряда измеренных значений.
-
8.7.5 Распечатывают журналы событий счетчика и отмечают моменты времени, соответствующие нарушению связи между компонентами ИК АИИС КУЭ. Проверяют сохранность измерительной информации в памяти счетчиков и базе данных АРМ оператора на тех интервалах времени, в течение которых была нарушена связь.
Результаты проверки положительные, если обеспечивается сохранность измерительной информации при нарушении связи между компонентами ИК АИИС КУЭ.
-
8.8 Проверка метрологических характеристик измерительных каналов АИИС КУЭ
-
8.8.1 Измерительные каналы АИИС КУЭ обеспечивают метрологические характеристики, нормированные в описании типа АИИС КУЭ, при использовании поверенных средств измерений ИК АИИС КУЭ и соблюдении рабочих условий применения АИИС КУЭ и ее компонентов, установленных в технической документации и пункте 6.2 настоящей МП.
-
8.8.2 Границы основной относительной погрешности ИК АИИС КУЭ при измерении активной и реактивной электрической энергии 80, %, при доверительной вероятности, равной 0,95, вычисляют по формуле:
-
8o=±l,l^8;+8t+8,2+a:+8L+8!ioE. , (3)
где 5j - относительная токовая погрешность ТТ, % (определяют по ГОСТ 7746);
5и - относительная погрешность напряжения TH, % (определяют по ГОСТ 1983);
60 - относительная погрешность трансформаторной схемы подключения счетчика за счет угловых погрешностей ТТ и TH, %, определяемая по формулам: где 0i - угловая погрешность ТТ, минуты (определяют по ГОСТ 7746);
= ±0,029 -д/е? +0и •
cos <р
cos ф д/1 - cos2 ф
-
- для активной электрической энергии;
-
- для реактивной электрической энергии;
0и - угловая погрешность TH, минуты (определяют по ГОСТ 1983);
созф - коэффициент мощности контролируемого присоединения;
8Л - относительная погрешность из-за потери напряжения в линии присоединения TH к счетчику (принимают равной 0,25 %);
8С0 - основная относительная погрешность счетчика (определяют по ГОСТ 30206 и ГОСТ Р 52323 для расчета границ относительной погрешности измерений активной электрической энергии и средней мощности, по ГОСТ 26035 и ГОСТ Р 52425 - для расчета границ относительной погрешности измерений реактивной энергии и средней мощности);
5соев - относительная погрешность системы обеспечения единого времени, %.
В качестве нормальных условий эксплуатации компонентов АИИС КУЭ приняты:
-
- температура окружающей среды измерительных трансформаторов тока от минус 25 до плюс 50 °C;
-
- температура окружающей среды измерительных трансформаторов напряжения от минус 60 до плюс 55 °C;
-
- температура окружающей среды счетчиков и сервера от 15 до 25 °C;
-
- параметры сети: напряжение (0,9-1,1 )•[/„; сила тока (0,05-1,20)7н.
Действительные метрологические характеристики (классы точности) измерительных трансформаторов и счетчиков электрической энергии, входящих в состав ИК АИИС КУЭ, принимают равными значениям, приведённым в описаниях типа средств измерений, паспортах, подтвержденных действующими свидетельствами о поверке и (или) знаками поверки.
Результаты проверки положительные, если действительные метрологические характеристики (классы точности) измерительных трансформаторов и счетчиков соответствуют значениям, приведенным в формуляре и описании типа, и фактические значения основной относительной погрешности измерительных каналов АИИС КУЭ при измерении активной и реактивной электрической энергии не превышают допускаемых границ, приведенных в описании типа.
-
8.9 Подтверждение соответствия программного обеспечения АИИС КУЭ
-
8.9.1 Проверка идентификационных данных ПО АИИС КУЭ
-
8.9.1.1 Метрологически значимой частью ПК «Энергосфера» является библиотека «pso_metr.dll», расположенная на диске «С» сервера «C:\Program Files\Prosofit-Systems\SO» (рисунок 3) и предназначенная для обработки информации, поступающей от счетчиков электрической энергии.

-
-
Рисунок 3 - Местонахождение библиотеки «pso_metr.dll» на диске «С» сервера
-
8.9.1.2 Идентификация библиотеки выполняется автоматически во время запуска программы «Сервер опроса». При этом проверяется наличие, номер версии и контрольная сумма библиотеки «pso_metr.dll».
-
8.9.1.3 Проверка идентификационных данных библиотеки «pso_metr.dll» может быть выполнена вручную. Для этого выполняют следующую последовательность действий:
-
- на сервере ПАО «Транснефть», где установлено ПО ПК «Энергосфера», открыть папку «C:\Program Files\Prosoft-Systems\SO» под правами пользователя «администратор»;
-
- вызвать свойства библиотеки с помощью ее контекстного меню «Properties» («Свойства») (нажать правую кнопку мыши на файле pso_metr.dll, выбрать пункт меню «Properties» («Свойства»));
-
- выбрать вкладку «Details» окна свойств библиотеки - на вкладке будет отображен номер версии библиотеки «pso_metr.dll» в виде значения свойства «File version» (рисунок 4);
-
- перейти на вкладку «File Hashes» окна свойств библиотеки - на вкладке будет отображено рассчитанное значение контрольной суммы по алгоритму MD5 (рисунок 5);
проверить, что номер версии и рассчитанное значение контрольной суммы по алгоритму MD5 соответствуют значениям, приведённым в таблице 3.
pyj jneli dll Pr jperties
4 : GeneraTj Rie Hashe7| Security ; Det^lTrevious V^ons
|
Property |
Value |
1 | ||
|
Description Не description Type |
Application extension | |||
|
■Rte version 1.1.1 Л |
: в | |||
|
Product name Product version |
1.1.1.1 |
J | ||
|
Copyright Size |
157 KB | |||
|
Date modified |
25.05.201210:19 | |||
|
Language |
Russian (Russia) |
i | ||
|
1 \ 1 |
Remove Properties and Personal Information | |||
|
11........ |
-...... — . .......... |
J | ||
|
L |
-.и,' | |||
|
11 | ||||
Рисунок 4 - Отображение номера версии библиотеки «pso_metr.dll»
Таблица 3 - Идентификационные данные метрологически значимой части
|
Идентификационные данные (признаки) |
Значение |
|
Идентификационное наименование ПО |
ПК «Энергосфера» Библиотека pso metr.dll |
|
Номер версии (идентификационный номер) ПО |
1.1.1.1 |
|
Цифровой идентификатор ПО (по MD5) |
CBEB6F6CA69318BED976E08A2BB7814В |
Результаты проверки положительные, если идентификационные данные метрологически значимой части ПО АИИС КУЭ соответствуют данным, приведённым в таблице 3 настоящей методике поверки и описании типа средства измерений.
[pso_metr.dll Properties __ив
Genetai j Version Re Hashes | Security | Summary |
|
Name |
I Hash Value I |
|
CRC32 DEC8141F | |
|
IMD5 |
CBEB6FSCA69318BED976E08A2BB7814B I |
|
SHA-1 SHA-512 |
776152F522B 763В В D746128CE51В4ВЗДА13F2A58 83AF340DFE E 68B FBA82E 41AF28B 0A3MB 26D31... |
|
Settings | |
Hash Comparison:
Compare a 8e...

Hash” =r< -fi.'i ФЧТИ1т,"’Н* ~ -ft, чрИЩ//п71Ь‘Чсот(]:
[ OK | Cancel | Appy
Рисунок 5 - Отображение контрольной суммы библиотеки «pso_metr.dll»
8.9.2 Проверка защиты ПО АИИС КУЭ и данных
-
8.9.2.1 Проверку защиты ПО АИИС КУЭ и данных от преднамеренных и непреднамеренных изменений проводят на аппаратном и программном уровнях.
-
8.9.2.2 Проверку защиты ПО АИИС КУЭ на программном уровне проводят следующим образом:
-
- проверяют наличие средств обнаружения и фиксации событий в журналах;
-
- проверяют корректность реализации управления доступом к ПО АИИС КУЭ (разграничение прав посредством назначения уровней доступа для различных групп пользователей);
-
- проверяют соответствие полномочий пользователей, имеющих различные права доступа.
Результаты проверки положительные, если осуществляется авторизованный доступ к выполнению функций ПО АИИС КУЭ и базе данных сервера.
-
8.9.2.3 Проверку защиты ПО АИИС КУЭ и данных на аппаратном уровне проводят проверкой ограничения доступа к техническим средствам АИИС КУЭ (измерительным трансформаторам, счетчикам электрической энергии, серверу и компьютерам АРМ оператора), наличия средств механической защиты и опломбирования счетчиков и испытательных коробок.
Результаты проверки положительные, если средства измерений и оборудование АИИС КУЭ конструктивно защищены в точках, где возможно несанкционированное воздействие на результаты измерений, имеются пломбы и замки на шкафах.
9 Оформление результатов поверки-
9.1 При положительных результатах поверки АИИС КУЭ оформляют свидетельство о поверке. Перечень и состав измерительных каналов АИИС КУЭ приводят в Приложении к свидетельству о поверке. Каждая страница приложения к свидетельству о поверке должна быть заверена подписью поверителя. Знак поверки наносят на свидетельство о поверке.
-
9.2 При положительных результатах первичной поверки (после ремонта или замены компонентов АИИС КУЭ), проведённой в объёме проверки в части вносимых изменений, оформляют новое свидетельство о поверке АИИС КУЭ при сохранении без изменений даты очередной поверки.
-
9.3 Допускается на основании письменного заявления собственника АИИС КУЭ проведение поверки отдельных измерительных каналов из перечня, приведённого в описании типа АИИС КУЭ с обязательным указанием в приложении к свидетельству о поверке информации о количестве и составе поверенных каналов.
-
9.4 Отрицательные результаты поверки оформляют извещением о непригодности. Измерительные каналы АИИС КУЭ, прошедшие поверку с отрицательным результатом, не допускаются к использованию.
Приложение А
Перечень ссылочных документов(справочное)
-
1 ГОСТ Р 8.596-2002 ГСИ. Метрологическое обеспечение измерительных систем. Основные положения.
-
2 ГОСТ Р 52323-2005 Аппаратура для измерения электрической энергии переменного тока. Частные требования. Часть 22. Статические счетчики активной энергии классов точности 0,2S и 0,5S.
-
3 ГОСТ Р 52425-2005 Аппаратура для измерения электрической энергии переменного тока. Частные требования. Часть 23. Статические счетчики реактивной энергии.
-
4 ГОСТ IEC 60950-1-2011 Оборудование информационных технологий. Требования безопасности. Часть 1. Общие требования.
-
5 ГОСТ 12.2.003-91 ССБТ. Оборудование производственное. Общие требования безопасности.
-
6 ГОСТ 12.2.007.0-75 ССБТ. Изделия электротехнические. Общие требования безопасности.
-
7 ГОСТ 12.2.007.3-75 ССБТ. Электротехнические устройства на напряжение свыше 1000 В. Требования безопасности.
-
8 ГОСТ 1983-2015 Трансформаторы напряжения. Общие технические условия.
-
9 ГОСТ 7746-2001 Трансформаторы тока. Общие технические условия.
ЮГОСТ 26035-83 Счетчики электрической энергии переменного тока электронные. Общие технические условия.
-
11 ГОСТ 22261-94 Средства измерений электрических и магнитных величин. Общие технические условия.
-
12 ГОСТ 30206-94 Статические счетчики ватт-часов активной энергии переменного тока (классы точности 0,2 S и 0,5 S).
-
13 РМГ 51-2002 ГСИ. Документы на методики поверки средств измерений. Основные положения.
-
14 РМГ 133-2013 ГСИ. Системы автоматизированные информационно-измерительные коммерческого учета электрической энергии. Типовая методика поверки.
-
15 МИ 3195-2009 ГСИ. Мощность нагрузки трансформаторов напряжения. Методика выполнения измерений без отключения цепей.
-
16 МИ 3196-2009 ГСИ. Вторичная нагрузка трансформаторов тока. Методика выполнения измерений без отключения цепей.
-
17 РД 34.11.114-98 Автоматизированные системы контроля и учета электроэнергии и мощности. Основные нормируемые метрологические характеристики. Общие требования.
-
18 РД 153-34.0-03.150-00 (ПОТ Р М-016-2001) Межотраслевые правила по охране труда (правила безопасности) при эксплуатации электроустановок.
-
19 Правила устройства электроустановок (ПУЭ).
-
20 Правила технической эксплуатации электрических станций и сетей Российской Федерации.
ГСИ. Система автоматизированная информационно-измерительная коммерческого учета электроэнергии
(АИИС КУЭ) ПАО «Транснефть» в части АО «Транснефть - Центральная Сибирь» по объекту НПС
«Парабель» и НПС «Молчаново». Методика поверки
