Методика поверки «Дозиметры ДКГ-АТ2533» (МРБ МП.2936-2019)
СОГЛАСОВАНО

ТОМТЕХ»
.А.Кожемякин
2019
УТВЕРЖДАЮ

В. Л.Гуревич
2019
истема обеспечения единства измерений Республики Беларусь
ДОЗИМЕТРЫ ДКГ-АТ2533
Методика поверки
МРБ МП.^Ь^-2019РАЗРАБОТЧИК
Главный метролог - начальник отдела радиационной метрологии
УП[«АТОМДЕХ»
В. Д.Гу зов
« Xf » ft# 2019
Начальник лаборатории индивидуальных дозиметров и

микроузлов детектирования
УП «АТО.МТЕХ»

Ю.Ф.Курдя
2019
Содержание
Приложение Л (рекомендуемое) Форма протокола поверки
---
технически» Г х ’ информации УЛ'- И нормативиои * »>Л доК\чентВНИИ

Настоящая методика поверки (далее - МП) распространяется на дозиметры ДКГ-АТ2533. ДКГ-ЛТ2533/1 (далее - дозиметры) и устанавливает методы и средства поверки.
Настоящая МН разработана в соответствии с требованиями ТКП 8.003.
11ервичной поверке подлежат дозиметры утвержденного типа при выпуске из производства.
Периодической поверке подлежат дозиметры, находящиеся в эксплуатации или на хранении, через установленный межповерочный интервал.
Межповерочный интервал - не более 12 мес.
Внеочередной поверке до окончания срока действия периодической поверки подлежат дозиметры после ремонта, влияющего на их метрологические характеристики. Внеочередная поверка после ремонта проводится в объеме, установленном для первичной поверки.
Поверка дозиметров должна осуществляется юридическими лицами государственной метрологической службы или аккредитованными поверочными лабораториями других юридических лиц.
1 Нормативные ссылки-
1.1 В настоящей МП использованы ссылки на следующие технические нормативные правовые ак гы в области техническою нормирования и стандартизации (далее - ТИПА):
ТКП 8.003-2011 (03220) Система обеспечения единства измерений Республики Беларусь. Поверка средств измерений. Правила проведения работ
ТКП 181-2009 (02230) Правила технической эксплуатации электроустановок потребителей
ГОСТ 8.087-2000 Государственная система обеспечения единства измерений. Установки дозиметрические рентгеновского и гамма-излучений эталонные. Методика поверки по мощности экспозиционной дозы и мощности кермы в воздухе
ГОСТ IEC 61010-1-2014 Безопасность электрических контрольно-измерительных приборов и лабораторного оборудования. Часть 1. Общие требования
Примечание - При пользовании настоящей МП целесообразно проверить действие ТИПА по каталогу, составленному по состоянию на I января текущего года, и по соответствующим информационным указателям, опубликованным в текущем году.
Если ссылочные 7НГ1А заменены (изменены), то при пользовании настоящей МП следует руководствоваться замененными (измененными) ТИПА. Если ссылочные ТИПА отменены без замены, то положение, в котором дана ссылка на них. применяется в части, не затрагивающей эту ссылку.
А
'д \ V 1 * i /'t I
/А?/
Ls I
•/•'‘Sr4. >
2 Операции поверки-
2.1 При проведении поверки должны быть выполнены операции, указанные
в таблице 2.1.
Таблица 2.1
Наименование операции |
Номер пункта методики поверки |
Проведение операции при | |
первичной поверке |
периодической поверке | ||
1 Внешний осмотр |
8.1 |
Да |
Да |
2 Опробование |
8.2 |
Да |
Да |
3 Определение метрологических характеристик |
8.3 | ||
3.1 Определение основной относительной погрешности дозиметра (БОИ-33 (БОИ-33/1) с подключенным БДКГ-33) при измерении |
8.3.1 |
Да |
Да |
мощности дозы | |||
3.2 Определение основной относительной погрешности БОИ-33 (БОИ-33/1) при измерении |
8.3.2 |
Да |
Да |
мощности дозы | |||
3.3 Определение основной относительной погрешности дозиметра (БОИ-33 (БОИ-33/1) с подключенным БДКГ-33) при измерении дозы |
8.3.3 |
Да |
Да |
3.4 Определение основной относительной погрешности БОИ-33 (БОИ-33/1) при измерении |
8.3.4 |
Да |
Да |
дозы | |||
4 Оформление результатов поверки |
9 |
Да |
Да |
Примечание - При получении отрицательного результата при проведении той или иной операции дальнейшая поверка должна быть прекращена.
3 Средства поверки-
3.1 При проведении поверки должны применяться средства поверки, указанные
в таблице 3.1.
Таблица 3.1
Номер пункта методики поверки |
Наименование и тип эталонов и вспомогательных средств поверки |
Метрологические и основные технические характеристики эталонов и вспомогательных средств поверки |
8.3 |
Эталонная дозиметрическая установка с набором источников по ГОСТ 8.087 |
Диапазон измерений от 0.1 мкЗв/ч до 40 Зв/ч. Погрешность аттестации не более ±5 % |
8.3 |
Вольтметр универсальный В7-77 |
Диапазон измерений напряжения от 0.5 до 30 В. Пределы допускаемой основной погрешности ±(0.07 %+4 ед. мл. разряда) |

11омер пункта методики поверки |
Наименование и тип эталонов и вспомогательных средств поверки |
Метрологические и основные технические характеристики эталонов и вспомогательных средств поверки |
8.3 |
Источник питания постоянного тока Б5-78/6 |
Диапазон установки выходного напряжения от 0 до ЗОВ. Предел абсолютной погрешности установки выходного напряжения ±0.3 В |
8.3 |
Мера электрического сопротивления Р40105 |
Сопротивление 10° — 107 Ом. Класс точности 0,02 |
8.3 |
Секундомер С-01 |
Диапазон измерений от 0 до 9 ч 59 мин 59.99 с. Пределы допускаемой основной абсолютной погрешности измерения ±(9.6 10‘6 Т< 0.01). где Тх - значение измеренного интервала времени, с |
6.1 |
Термометр ртутный стеклянный лабораторный ТЛ-4 |
Цена деления 0.1 °C. Диапазон измерений температуры от 0 °C до 55 °C. Предел допускаемой абсолютной погрешности ±0.2 °C |
6.1 |
Барометр-анероид метеорологический БАММ-1 |
Диапазон измерений атмосферного давления от 80 до 106 кПа. 11ределы допускаемой основной погрешности после введения поправок из паспорта ±0,2 к11а. Пределы допускаемой дополнительной погрешности после введения поправок из паспорта =0,5 кПа |
6.1 |
Гигрометр психрометрический типа ВИТ-2 |
Диапазон измерений относительной влажности воздуха от 20 % до 90 %. Пределы допускаемой относительной погрешности гигрометров ±5 % |
6.1 |
Дозиметр гамма-излучения МКС-АТ 1125 |
Диапазон измерений мощности амбиентного эквивалента дозы гамма-излучения от 0.05 до 10 мкЗв/ч. Предел допускаемой основной погрешности ±15 % |
Примечания
|
-
4.1 К проведению измерений при поверке и (или) обработке результатов измерений допускаются лица, подтвердившие компетентность выполнения данного вида поверочных работ.
11ри проведении поверки необходимо соблюдать требования [1] и [2], а также: оборудования класса
- требования безопасности, установленные ГОСТ IEC 61010-1 для зашиты 111 (степень загрязнения 2);

-
- правила техники эксплуатации электроустановок потребителей в соответствии с ТКИ 181;
-
- требования инструкций по технике безопасности и по радиационной безопасности, действующие в организации;
-
- требования безопасности, изложенные в эксплуатационной документации на применяемые средства измерений и оборудование.
-
5.2 Процесс проведения поверки должен быть отнесен к работам во вредных условиях труда.
-
6.1 11оверку необходимо проводить в следующих условиях:
-
- температура окружающего воздуха от 15 °C до 25 °C;
-
- относительная влажность окружающего воздуха от 30 % до 80 %;
-
- атмосферное давление от 84 до 106 кПа;
-
- фон гамма-излучения не более 0.20 мкЗв/ч.
-
6.2 В помещении, где проводится поверка, не должно быть посторонних источников ионизирующих излучений.
-
7.1 Подготовка к поверке эталонов и вспомогательных средств поверки, поверяемых дозиметров осуществляется в соответствии с их эксплуатационной документацией.
-
7.2 При подготовке к поверке необходимо;
-
- ознакомиться с [3] и [4];
-
- извлечь дозиметр из упаковки и расположить на рабочем месте:
-
- подготовить дозиметр к работе в соответствии с [3].
-
8.1.1 При внешнем осмотре должно быть установлено:
-
- отсутствие на корпусе дозиметра следов коррозии, загрязнений, механических повреждений, влияющих на его работу;
-
- соответствие комплектности поверяемого дозиметра [3];
-
- наличие четкой маркировки;
-
- наличие свидетельства о предыдущей поверке (при периодической поверке).
По результатам внешнего осмотра делают отметку в протокол поверки (приложение А).
8.2 Опробование-
8.2.1 Проверку выполнения самоконтроля и подтверждение соответствия программного обеспечения (ПО) проводят в следующей последовательности:
-
- подключают БДКГ-33 к БОИ-33 (БОИ-33/1) с помощью кабеля:
-
- включают дозиметр, при этом должен начаться самоконтроль;
-
- на индикаторе появится изображение всех сегментов и
передней панели мигнет два раза красным цветом. Прозвучат короткие звуковые сигналы. Далее на индикаторе отобразится первая часть контрольной суммы исполняемого кода и одновременно светодиод сигнализации мигнет два раза зеленым цветом, затем - вторая часть контрольной суммы и одновременно светодиод сигнализации мигнет два раза зеленым цветом. Индицируемая контрольная сумма должна совпадать с указанной в [3] (раздел «Свидетельство о приемке»);
- при успешном завершении самоконтроля дозиметр автоматически перейдет в подрежим индикации мощности дозы.
Результаты опробования считают удовлетворительными, если дозиметр после прохождения самоконтроля перешел в подрежим индикации мощности дозы и идентификационные данные ПО соответствуют данным, приведенным в таблице 8.1. По результатам опробывания делают отметку в протокол поверки (приложение А).
Таблица 8.1
Тип средства измерения |
Наименование ПО |
Идентификационное наименование 1Ю |
Номер версии (идеи1ификацион-ный номер) НО |
1 Цифровой идентификатор ПО (контрольная сумма исполняемого кода) |
ДКТ-АТ2533 |
DKG2533 00 |
DK.G2533 00.hex |
1.0.3; l.x.y* |
173625** |
ДКГ-АТ2533/1 |
DKG2533 01 |
DKG2533_01.hex |
1.0.3; l.x.y* |
117ВЕ4** |
* х. у - составная часть номера версии ПО; х. у принимаются равными ог 0 до 99. ** Контрольная сумма относится к представленным версиям НО. | ||||
Примечание - Идентификационные данные для версии 110 вносят в раздел «Свидетельство о приемке» [3] и в протокол поверки. |
8.3 Определение метрологических характеристик
-
8.3.1 Определение основной относительной погрешности дозиметра (БОИ-33 (БОИ-33/1) с подключенным БДКГ-33) при измерении мощности дозы
Определение основной относительной погрешности дозиметра (БОИ-33 (БОИ-33/1) с подключенным БДКГ-33) при измерении мощности дозы проводят на эталонной дозиметрической установке гамма-излучения с использованием источника l3/Cs в контрольных точках в соответствии с таблицей 8.2 в следующей последовательности:
Таблица 8.2
Номер контрольной точки / |
Мощность дозы в контрольной точке Яо’ДЮ) |
Время выдержки Л, с, не менее |
Количество измерений. п |
Время между измерениями Д,, с, не менее |
Пределы допускаемой основной относительной погрешности. % |
1 |
8 мкЗв/ч |
120 |
3 |
60 |
±25 |
2 |
8 мЗв/ч |
60 |
3 |
15 |
±15 |
3 |
80 мЗв/ч |
15 |
3 |
15 | |
4 |
800 мЗв/ч |
15 |
3 |
15 | |
5 |
8 Зв/ч |
15 |
3 |
5 | |
6 |
40 Зв/ч |
15 |
3 |
5 |
а) подключают БДКГ'-ЗЗ к БОИ-33 (БОИ-33/1) с помощью' кабеля. Включают дозиметр, после прохождения самоконтроля он автоматически переходит в подрежимтпццшации мощности дозы БДКГ-33. При этом на индикаторе БОИ-33 (БОИ-3371) должен появиться
мощности дозы БДКГ-33. При этом на индикаторе БОИ-33 (БОИ
W X 7

указатель « ► » в правом верхнем углу напротив пиктограммы « ап »;
-
6) устанавливают БДКГ-33 в вертикальном положении в соответствии с рисунком 8.1 на эталонную дозиметрическую установку таким образом, чтобы центральная ось пучка излучения проходила через кольцевую риску 1 для контрольных точек 1-3 и кольцевую риску 2 -для контрольных точек 4-6. При этом метка на корпусе БДКГ-33 должна быть ориентирована в сторону источника излучения (опорная ориентация);
в) устанавливают расстояние от центра источника излучения до риски 3 на корпусе БДКГ-33. указывающей на глубину расположения центра чувствительного объема детекторов, соответствующее мощности дозы /7^ (10) (расстояние от поверхности корпуса БДКГ-33 до центра чувствительного объема детекторов составляет 11 мм);
г) проводят измерения фона /7Д10). Время выдержки Г* количество измерений п и время между измерениями Ти должны соответствовать значениям для контрольной точки 1. Определяют среднее арифметическое фона Нф(10);
д) подвергают БДКГ-33 воздействию гамма-излучения источника 11 Cs с мощностью дозы, соответствующей значениям в контрольных точках 1-6;
с) выдерживают БДКГ-33 под воздействием излучения в /-й контрольной точке в течение времени Тв. после чего проводят измерение мощности дозы Н ’(10). Количество измерений и и время между измерениями Ти выбирают в соответствии с таблицей 8.2;
ж) определяют среднее арифметическое показаний дозиметра в /-й контрольной точке по формуле
Xw,;(io) //,■(10) = —-------,

п
где /7 . (10) - результату-го измерения мощности дозы в /-й
п- количество измерений.
Для контрольной точки 1 из среднего арифметического показаний дозиметра ///(10) должно быть вычтено среднее арифметическое фона /71(10);
и) определяют основную относительную погрешность дозиметра при измерении мощности дозы в /-й контрольной точке 0(. %, по формуле
0 = 100>
' //<.,(10)
где ///,(10) - значение мощности дозы в /-й контрольной точке:
к) вычисляют в /-й контрольной точке значения доверительных границ основной относительной погрешности Л,, %, при доверительной вероятности Р=0,95 по формуле
Д, = 1,ц/<£+^. (3)
где #0/ - погрешность эталонной дозиметрической установки в 7-й конгрольной точке (из свидетельства о поверке на установку), %;
- основная относительная погрешность дозиметра при измерении мощности дозы, определенная по формуле (2). %.
Результаты поверки считают удовлетворительными, если значения доверительных границ основной относительной погрешности Д, не превышают пределов допускаемой основной относительной погрешности, указанных в таблице 8.2.
Результаты измерений заносят в протокол поверки (таблица А.З, приложение А).
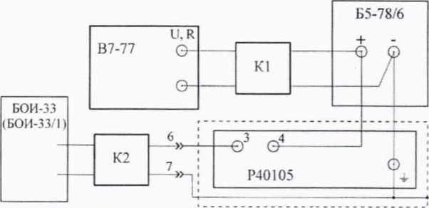
Примечание - При отсутствии возможности у эталонной дозиметрической установки обеспечить мощность дозы, соответствующую контрольной точке 6. допускается поверку проводить следующим образом:
а) собирают схему, приведенную на рисунке 8.2:

В7-77 - вольтметр универсальный;
KI - кабель из комплекта вольтметра универсального В7-77;
Б5-78/6 - источник питания постоянного тока;
К2 - кабель из комплекта дозимегра ДКГ-АТ2533 (ДКГ-АТ2533/1):
Р40105 - мера электрического сопротивления.
Рисунок 8.2

Отдел научно пхиичесм»1 пнЦн>рма»АИИ.. s|j и нормативном уz Ц
их1 v s Л*
б) устанавливают вольтметр универсальный В7-77 в режим измерения напряжения:
в) устанавливают на источнике питания постоянного тока Б5-78/6 напряжение Ui, при котором на индикаторе БОИ-33 (БОИ-33/1) отображается значение мощности дозы Н. (10) = (8 ± 0.16) Зв/ч.
Рассчитывают значение коэффициента пропорциональности по формуле


(4)
где 7?! - значение сопротивления, установленное на мере электрического сопротивления Р40105
и равное 107 Ом;
г) для контрольной точки 6 с мощностью дозы, приведенной в таблице 8.2, устанавливают на выходе источника питания постоянного тока Б5-78/6 напряжение, значение которого рассчитывают по формуле

(5)
д) выдерживают БОИ-33 (БОИ-33/1) в контрольной точке 6 в течение 15 с. после чего проводят измерение мощности дозы Нь .(10). Количество измерений п и время между измерениями Ти выбирают в соответствии с таблицей 8.2;
е) определяют среднее арифметическое показаний дозиметра в контрольной точке 6 по формуле (1):
ж) определяют основную относительную погрешность в. %. по формуле

(6)
где //„, (10) - значение мощности дозы в контрольной точке 6;
и) вычисляют в контрольной точке 6 значения доверительных границ основной относительной погрешности Д. %, при доверительной вероятности Р=0,95 по формуле

(7)
где $tl/ - погрешность вольтметра универсального В7-77 в соответствии с эксплуатационной документацией;
- погрешность меры электрического сопротивления Р4О1О5 в соответствии с эксплуатационной документацией.
Результаты поверки считают удовлетворительными, если значения доверительных границ основной относительной погрешности Д, рассчитанной по формуле (7). не превышают пределов допускаемой основной относительной погрешности, указанных в таблице 8.2. Результаты измерений заносят в протокол поверки (таблица А.З. приложение Л).
-
8.3.2 Определение основной относительной погрешности БОИ-33 (БОИ-33/1) при измерении мощности дозы
Определение основной относительной погрешности БОИ-33 (БОИ-33/1) при измерении мощности дозы проводят на эталонной дозиметрической установке гамма-излучения с использованием источника ,37Cs в контрольных точках в соответствии с таблицей 8.3 в следующей последовательности:

Таблица 8.3
11омер контрольной точки 7 |
Мощность дозы в контрольной точке /7/ (10) |
Время выдержки 7„. с. не менее |
Количество измерений п |
Время между измерениями 7'и, с. не менее |
Пределы допускаемой основной относительной погрешности. % |
1 |
0.8 мкЗв/ч |
120 |
'У э |
60 |
±25 |
2 |
0.8 мЗв/ч |
60 |
3 |
30 |
±15 |
3 |
8 мЗв/ч |
30 |
3 |
15 |
±15 |
а) включают БОИ-33 (БОИ-33/1) (БДКГ-33 отключен). Проводят измерение фона /7^(10). Время выдержки количество измерений п и время между измерениями Ти должны соответствовать значениям для контрольной точки 1. Определяют среднее арифметическое фона /7* (10);
б) устанавливают БОИ-33 (БОИ-33/1) на эталонную дозиметрическую установку таким образом, чтобы центр чувствительного объема детектора БОИ-33 (БОИ-33/1) (метка на корпусе БОИ) находился на центральной оси пучка излучения, а продольная ось корпуса располагалась вертикально. При этом задняя панель корпуса БОИ-33 (БОИ-33/1) должна быгь ориентирована в сторону источника излучения (опорная ориентация БОИ). Устанавливают расстояние от центра источника излучения до метки на боковой поверхности корпуса БОИ-33 (БОИ-33/1). указывающую на глубину расположения центра чувствительного объема детектора, соответствующее мощности дозы /7*. (10):
в) подвергают БОИ-33 (БОИ-33/1) воздействию гамма-излучения источника 137Cs с мощностью дозы, соответствующей значениям в контрольных точках 1-3:
г) выдерживают БОИ-33 (БОИ-33/1) под воздействием излучения в 7-й контрольной точке в течение времени Гв, после чего проводят измерение мощности дозы /7/(10). Количество измерений п и время между измерениями 7’н выбирают в соответствии с таблицей 8.3:
д) определяют среднее арифметическое показаний БОИ-33 (БОИ-33/1) в 7-й контрольной точке /7/(10) по формуле (1).
Для контрольной точки 1 из среднего арифметического показаний /7/(10) должно быть вычтено среднее арифметическое фона /7‘, (10):
с) проводят вычисления по 8.3.1 (и), к)).
Результаты поверки считают удовлетворительными, если значения доверительных границ основной относительной погрешности А, не превышают пределов допускаемой основной относительной погрешности, указанных в таблице 8.3.
Результаты измерений заносят в протокол поверки (таблица А.4. приложение А).
-
8.3.3 Определение основной относительной погрешности дозиметра (БОИ-33 (БОИ-33/1) с подключенным БДКГ-33) при измерении дозы
Определение основной относительной погрешности дозиметра (БОИ-33 (БОИ-33/1) с
подключенным БДКГ-33) при измерении дозы проводят на эталонной дозиметрической
установке гамма-излучения с использованием источника 137Cs соответствии с таблицей 8.4 в следующей последовательности:

Таблица 8.4
Номер контрольной точки i |
Доза в контрольной точке я; (Ю) |
Мощность дозы в контрольной точке я; оо) |
Время измерения Ти |
Пределы допускаемой основной относительной погрешности, % |
1 |
8 мкЗв |
80 мкЗв/ч |
360 с | |
2 |
80 мкЗв |
800 мкЗв/ч |
360 с | |
3 |
800 мкЗв |
8 мЗв/ч |
360 с | |
4 |
8 мЗв |
80 мЗв/ч |
360 с |
±15 |
5 |
80 мЗв |
800 мЗв/ч |
360 с | |
6 |
800 мЗв |
8 Зв/ч |
360 с | |
7 |
8 Зв |
40 Зв/ч |
720 с |
а) подключают БДКГ-33 к БОИ-33 (БОИ-33/1) с помощью кабеля, включают дозиметр. Переходят в подрежим индикации дозы. Для этого нажимают и удерживают кнопку «Ф» более 3 с. После появления на индикаторе сообщения «OFF» (первое приглашение меню) отпускают кнопку. Затем кратковременными нажатиями на нее. не более 1 с, перебирают приглашения меню до появления сообщения «Edd». Нажимают и удерживают кнопку «О» более 3 с. Дозиметр переходит к индикации дозы, накопленной БДКГ-33:
б) устанавливают БДКГ-33 на эталонную дозиметрическо ю установку в соответствии с 8.3.1 (б), в)). Подвергают БДКГ-33 воздействию гамма-излучения источника 1 ’'Cs с мощностью дозы, соответствующей значениям 77,* (10) в контрольных точках в соответствии с таблицей 8.4:
в) включают секундомер в момент смены показаний дозиметра и фиксирую г начальное показание дозиметра 7/J(10);
г) фиксируют конечное показание дозиметра И\ (10) по истечении времени измерения Ти. указанного в таблице 8.4. и выключают секундомер:
д) определяют для данной контрольной точки измеренное значение дозы по формуле
я;(10) = я:|(10)-Я;/(10); (8)
е) определяют основную относительную погрешность дозиметра при измерении дозы в /-й контрольной точке . %. по формуле
н;(.0)-н;<10)
И»,(10)
где
Н'. (10) - значение дозы в /-Й контрольной точке: вычисляют для каждой контрольной точки значение относительной погрешности ДЛ, %, при доверительной
доверительных границ вероятности Р=0.95 по
ж) основной формуле
(10)
при измерении дозы.
где
0. основная относительная погрешность дозиметра определенная по формуле (9). %: q

- погрешность эталонной дозиметрической установки (из свидетельства о поверь* на установку). %. *JXS«** ХЙ
•л О А ’
ч
Результаты поверки считают удовлетворительными, если значения доверительных границ основной относительной погрешности не превышают пределов допускаемой основной относительной погрешности, указанных в таблице 8.4.
Результаты измерений заносят в протокол поверки (таблица Л.5. приложение А).
-
8.3.4 Определение основной относительной погрешности БОИ-33 (БОИ-33/1) при измерении дозы
Определение основной относительной погрешности БОИ-33 (БОИ-33/1) при измерении дозы проводя! на эталонной дозиметрической установке гамма-излучения с использованием источника 1' Cs в контрольных точках в соответствии с таблицей 8.5 в следующей последовательности:
Таблица 8.5
Номер контрольной точки Z |
Доза в контрольной точке я;ао) |
Мощность дозы в контрольной точке Яо\(1О) |
Время измерения т„ |
Пределы допускаемой основной относительной погрешности. % |
1 |
8 мкЗв |
80 мкЗв/ч |
360 с | |
2 |
80 мкЗв |
800 мкЗв/ч |
360 с |
±15 |
3 |
800 мкЗв |
8 мЗв/ч |
180 с | |
4 |
8 мЗв |
8 мЗв/ч |
1 ч | |
Примечание - Допускается |
накапливать дозу в контрольной точке 4 в течение нескольких | |||
промежутков времени, однако суммарная доза должна соответствовать данной таблице |
а) включают БОИ-33 (БОИ-33/1) (БДКГ-33 отключен), переводят его в подрежим индикации дозы:
б) устанавливают БОИ-33 (БОИ-33/1) на эталонную дозиметрическую установку в соответствии с 8.3.2 (б). Подвергают БОИ-33 (БОИ-33/1) воздействию гамма-излучения источника l? ,Cs с мощностью дозы //*,(10), соответствующей значениям в контрольных точках в соответствии с таблицей 8.5;
в) включают секундомер в момент смены показаний БОИ-33 (БОИ-33/1) и фиксируют начальное показание //^(10);
г) фиксируют конечное показание БОИ-33 (БОИ-33/1) по истечении времени
измерения Ти. указанного в таблице 8.5. и выключают секундомер;
д) определяют для данной контрольной точки измеренное значение дозы по формуле (8);
е) определяют основную относительную погрешность БОИ-33 (БОИ-33/1) при измерении дозы 0di. %, по формуле (9);
и) вычисляют в каждой контрольной точке значение доверительных границ основной относительной погрешности Д,А. %, при доверительной вероятности Р=0.95 по формуле (10).
Результаты поверки считают удовлетворительными, если значения доверительных границ основной относительной погрешности Д^ не превышают пределов допускаемой основной относительной погрешности, указанных в таблице 8.5.
Результаты измерений заносят в протокол поверки (таблица А.6. приложение А).
{,;( u*** uh

-
9.1 Результаты поверки оформляют протоколом по форме, приведенной в приложении А.
-
9.2 Если дозиметр по результатам поверки признан пригодным к применению, то результаты оформляют:
а) при выпуске дозиметров из производства:
-
- записью в разделе «Свидетельство о приемке» [3] латы проведения поверки, заверенной подписью поверителя и оттиском поверигельного клейма;
-
- нанесением клейм-наклеек поверителя:
б) при эксплуатации и после ремонта дозиметров - нанесением клейм-наклеек и выдачей свидетельств о поверке по форме в соответствии с приложением Г ТКП 8.003.
-
9.3 Если дозиметр по результатам поверки признан непригодным к применению, повери тельное клеймо гасится, свидетельство о поверке аннулируется, выписывается заключение о непригодности по форме в соответствии с приложением Д ТКП 8.003.
При ложенне Л
(рекомендуемое) Форма про юкола поверки
Протокол № поверки дозиметра ДКГ-АТ2533 зав. №____
п ри н а дл ежа ще го_____
наименование организации
Изготовитель____________________
наименование изготовителя
Дата проведения поверки_____
Поверка проводится по______________________________
обозначение документа, ио которому проводится поверка
Средства поверки
Таблица А. 1
Наименование и тип СИ |
Заводской номер |
Условия поверки
-
- температура окружающего воздуха
кПа:
мкЗв/ч.
-
- относительная влажность окружающего воздуха
-
- атмосферное давление
-
- фон гамма-излучения
Результаты поверки
А.1 Внешний осмотр___
соответствует/не соответствует
Л.2 Опробование
-
- самоконтроль
соответствует/не соответст вует
-
- соответствие ПО
Отдел влучно-техвической информации
. ?/ I Е
А*. < « нормативной
документации
Таблица А.2
Тип средства измерения |
Идентификационное наименование Г10 |
Номер версии (и денти ф ика ционный номер) 110 |
Цифровой идентификатор ПО (контрольная сумма исполняемого кода) |
Результаты проверки соответствия ПО _____
соответствх ет/не соответствует
А.З Определение метрологических характеристик
А.3.1 Определение основной относительной по< решности дозиметра (БОИ-33 (БОИ-33/1)
с подключенным БДКГ-33) при измерении мощности дозы
Таблица А.З
Мощность дозы в контрольной точке 7/о\(1О) |
Погрешность эталонной дозиметрической установки в контрольной точке |
Среднее арифметическое мощности дозы. р;(ю) |
Основная относительная погрешность при поверке (L, % |
Пределы допускаемой основной относительной погрешности, % |
8 мкЗв/ч |
±25 | |||
8 мЗв ч |
±15 | |||
80 мЗв/ч | ||||
800 мЗв/ч | ||||
8 Зв/ч | ||||
40 Зв/'ч |
А.3.2 Определение основной относительной погрешности БОИ-33 (БОИ-33/1) при измерении мощности дозы

От, л яа\чнО' юхвическок инфор*'аии‘’
П „. рматнанои у ««млгмептаия»’ /I


16
Таблица А.4
Мощность дозы в контрольной точке я;(Ю) |
Погрешность эталонной дозиметрической установки в контрольной точке 00, •% |
Среднее арифметическое мощности дозы, Й-(10) |
Основная относительная погрешность при поверке , % |
Пределы допускаемой основной относительной погрешности. % |
0.8 мкЗв/ч |
±25 | |||
0.8 мЗв/ч |
±15 | |||
8 мЗв/ч |
А.3.3 Определение основной относительной погрешности дозиметра (БОИ-33 (БОИ-33/1)
с подключенным БДКГ-33) при измерении дозы
Таблица А.5
Доза в контрольной точке |
lloipeniHOCTb эталонной дозиметрической установки в ко 1 п ро. 1 ьн о й то ч ке |
Измеренное значение дозы. //,’(10) |
Основная относительная погрешность при поверке , % |
Пределы допускаемой основной относительной погрешности, % |
8 мкЗв |
±15 | |||
80 мкЗв | ||||
800 мкЗв | ||||
8 мЗв | ||||
80 мЗв | ||||
800 мЗв | ||||
8 Зв |
А.3.4 Определение основной относительной по1решности БОИ-33 (БОИ-33/1) при измерении дозы
Таблица А.6
Дозы в контрольной точке Но’,(10) |
По1решность эталонной дози м етри ческо й установки в контрольной точке 00,.% |
Измеренное значение дозы. //’(10) |
Основная относительная погрешность при поверке 6J;, % |
Пределы допускаемой основной относительной погрешности. % |
8 мкЗв |
±15 | |||
80 мкЗв | ||||
800 мкЗв | ||||
8 мЗв |
Заключение по результатам поверки____
соответствует/не соответствует
Свидетельство (заключение о непригодности) №_____ ____
Поверитель __
подпись
расшифровка подписи

г
ГсХИНЧРСКОЬ ннф«РмаийИ.
И ноима:”внои
111 Санитарные нормы и правила «Требования к радиационной безопасности» Утверждены постановлением Министерства здравоохранения Республики Беларусь от 28 декабря 2012 г. № 213
-
[2] Санитарные нормы и правила «Требования к обеспечению радиационной безопасности персонала и населения при осуществлении деятельности по использованию атомной энергии и источников ионизирующего излучения» Утверждены постановлением Министерства здравоохранения Республики Беларусь от 31 декабря 2013 г. № 137
-
[3] Дозиметры ДКГ -АТ2533. Руководство по эксплуатации.
-
[4] 11рограмма «Dose Manager». Руководство оператора.
Изм.
Номера листов (страниц)
Всего
изме-
ценных
заме-
НОВЫХ
пенных
аннулированных
листов (страниц) в документе
докумеита
Входящий № сопроводительного
документа и дата
Подпись Дата
-vaC "
&
О ГАСЯ на' / 1СХНН‘«-
чно-ней \*Д«
—_---■—
АЛ'/