Методика поверки «Государственная система обеспечения единства измерений Счетчики-расходомеры электромагнитные АТ-Р» (МП 26.51.52-002-71638574-2017)
УТВЕРЖДАЮ
(в части п. 6.6.13)
Заместитель директора по
УТВЕРЖДАЮ

.В. Иванникова
О г: _ О {•:
денной метрологии
Врид начальника
ФГБУ «ГНМЦ» Минобороны
России

Государственная система обеспечения единства измерений
Счетчики-расходомеры электромагнитные АТ-РМетодика поверки
МП 26.51.52-002-71638574-2017
СОГЛАСОВАНО

Москва
Содержание
-
-
6.2 Проверка сопротивления изоляции электродов датчиков расхода ППР
-
6.7 Поверка АТ-ДУ и периферийных устройств (вспомогательных компонентов).... 16
ПРИЛОЖЕНИЕ А (обязательное) Схема поверки каналов объемного расхода
ПРИЛОЖЕНИЕ Б (обязательное) Схемы поверки элементов каналов АТ-Р
ПРИЛОЖЕНИЕ В (обязательное) Пределы допускаемых погрешностей
измерительных каналов (элементов каналов) АТ-Р
ПРИЛОЖЕНИЕ Г (справочное) Исключение грубых промахов
ПРИЛОЖЕНИЕ Д (обязательное) Проверка соответствия контрольной суммы ПО
ПРИЛОЖЕНИЕ И (обязательное) Поверка АТ-ДУ и периферийных устройств (вспомогательных компонентов)
ПЕРЕЧЕНЬ ПРИНЯТЫХ СОКРАЩЕНИЙ
СИ средство измерений по РМГ 29
АТ-Р -счетчики-расходомеры электромагнитные АТ-Р, имеют четыре модификации: АТ-Р-Т и АТ-Р-Т-И, АТ-Р-П и АТ-Р-П-И
ППР - первичный преобразователь (датчик) расхода электромагнитный ИВП - измерительно-вычислительный преобразователь (у модификаций АТ-Р-Т и АТ-Р-П)
ИВП-И - ИВП специально доработанный для модификаций АТ-Р-Т-И и АТ-Р-П-И АТ-ДУ - панель доступа и управления АТ-Р
АПВ -аппаратно-программная версия АТ-Р, (всего их три — АПВ1, АПВ2 и АПВЗ) ПД - преобразователь (датчик) давления
ТП - термопреобразователь сопротивления из платины (по ГОСТ 6651)
ПОИ - преобразователь объёма с пассивным импульсным выходным сигналом ИТ - измерительный трубопровод (участок трубопровода, где смонтированы: ППР, ТП, ПД, в соответствии с эксплуатационными документами АТ-Р)
ИТ2 - измерительный трубопровод, штатно иной, чем ИТ, на котором монтируются ПОИ (только для модификации АТ-Р-Т, и только с АПВ2) см. примечание
ТСС - генератор стандартных электрических выходных сигналов
АТЧВ - адаптер стандартных выходных электрических сигналов АТЧВ (ток, частота, напряжение), представляет собой автономный внешний блок, содержащий ТСС АРВ -адаптер релейного выхода АРВ, представляет собой автономный внешний блок ПО - программное обеспечение (сокращение установлено по ГОСТ Р 8.654)
ПО АТ-Р - программное обеспечение АТ-Р
ВПО АТ-Р - внешнее программное обеспечение АТ-Р (предназначено для выполнения поверки, поставляется организациям, имеющим полномочия поверки АТ-Р) ПК - персональный компьютер
DN - номинальный диаметр ППР (из ряда по ГОСТ 28338)
Dn - расстояние прямолинейного участка ИТ в миллиметрах численно равное значению DN
ЭС - эталонный секундомер
Примечание — Монтаж ППР и ПОИ по заказу осуществляется и на одном ИТ
1 Вводные положения-
1.1 Настоящая методика предназначена для проведения поверки счетчиков-расходомеров АТ-Р (далее АТ-Р), изготавливаемых ООО «АЭТ» г. Москва и устанавливает методы и средства экспериментального определения, нормируемых метрологических характеристик АТ-Р.
-
1.2 Межповерочные интервалы для модификаций АТ-Р-Т и АТ-Р-Т-И составляют пять лет. Для модификаций АТ-Р-П и АТ-Р-П-И межповерочные интервалы составляют: для класса точности А — два года; класса точности В — четыре года.
-
1.3 При экспортных поставках интервалы между поверками АТ-Р всех модификаций определяет страна импортер.
-
1.4 Применяемые в составе АТ-Р покупные изделия: датчики температуры, представляющие собой термопреобразователи сопротивления по ГОСТ 6651 (далее также -ТП), преобразователи (датчики) давления (далее также - ПД), и преобразователи объема с импульсным выходным сигналом (далее также - ПОИ), являются средствами измерений утвержденных типов. Они поверяются по своим утвержденным в установленном порядке методикам поверки, при соблюдении установленных для них интервалов между поверками.
-
1.5 АТ-Р представляют собой измерительные системы вида ИС-1 по ГОСТ Р 8.596, поэтому поверке у АТ-Р подвергаются измерительные каналы измеряемых величин и параметров (далее - каналы). Все каналы по ГОСТ Р 8.596 делятся на простые и сложные. Правильность функционирования сложных по ГОСТ Р 8.596 каналов АТ-Р определяется правильностью функционирования простых по ГОСТ Р 8.596 каналов и программного обеспечения АТ-Р (далее - ПО АТ-Р).
-
1.6 Отсутствие непреднамеренных и преднамеренных изменений в ПО АТ-Р проверяется соответствием определенного при поверке значения контрольной суммы, значению, установленному для ПО АТ-Р, при утверждении типа АТ-Р и внесенному в описание типа (указывается также в паспорте поверяемого АТ-Р).
-
1.7 Каждый канал объема с использованием ПОИ (только для модификации АТ-Р-Т и только с АПВ2) состоит из двух элементов: первого — ПОИ (имеющего утвержденный тип и свою утвержденную методику поверки) и второго — остальной части канала без ПОИ (т.е. импульсного входа ИВП), поверяемого по настоящей методике.
-
1.8 В итоге, операции, выполняемые при поверке каждого экземпляра АТ-Р, будут нижеследующими.
а) Определение значения контрольной суммы ПО АТ-Р с помощью поставляемой предприятием-изготовителем компьютерной подпрограммы, входящей в состав внешнего программного обеспечения АТ-Р (ВПО АТ-Р, специально разработанного и поставляемого для организаций, имеющих полномочия выполнять поверку АТ-Р и прошло аттестацию совместно с ПО АТ-Р при утверждении типа АТ-Р). Полученное при поверке значение контрольной суммы ПО АТ-Р, зависящее от аппаратно-программной версии (АПВ), реализованной в поверяемом экземпляре АТ-Р в виде одного из вариантов — АПВ1, АПВ2, АПВЗ, сличается со значением, указанным в паспорте. При несоответствии значения контрольной суммы, полученного при поверке, значению, указанному в паспорте поверяемого экземпляра АТ-Р, поверка прекращается и выписывается извещение о непригодности АТ-Р к применению;
б) Экспериментальное определение с помощью эталонных средств измерений и подпрограмм ВПО АТ-Р значений погрешностей следующих каналов:
-
- объемного расхода в привязке к ИТ, где монтируется датчик расхода ППР (причем у модификаций АТ-Р-Т-И, АТ-Р-П-И данный канал задействуется, только при выполнении операций поверки);
-
- температуры без термопреобразователя сопротивления (датчика температуры);
-
- давления без датчика давления;
-
- текущего времени;
-
- только для модификации АТ-Р-Т с АПВ2 — канала объема в привязке к ИТ2, где монтируется преобразователь объема ПОИ, без учета погрешности ПОИ (т.е. погрешности импульсного входа ИВП).
Примечание — По заказу монтаж ППР и ПОИ осуществляется и на одном ИТ (при условии отсутствия взаимного влияния на результаты измерений) поэтому потребители могут потребовать их одновременную проливку на расходомерной установке.
в) Выбор для каждого поверяемого канала (указанного в пункте б) наибольшего по абсолютной величине значения, определенного экспериментально при выполнении операций поверки в нормированных диапазонах (с учетом их разбиения на поддиапазоны), с присвоением этим значениям знаков плюс и минус.
г) Проверка соответствия, всех значений погрешностей, полученных в пункте в, допускаемым пределам, указанным в приложении В;
д) Принятие решения о соответствии поверяемого образца АТ-Р установленным метрологическим нормам (приложение В).
-
1.9 Для модификаций АТ-Р-Т-И и АТ-Р-П-И, измеряющих только объем жидкости, вместо канала объема поверяются каналы объемного расхода и времени (т.е. измеряется значение объемного расхода, поступающее в ИВП-И на интегратор), с учетом того, что объем при формировании импульсов выходного сигнала вычисляется интегрированием объемного расхода по времени, и поскольку погрешность канала времени пренебрежимо мала по сравнению с погрешностью канала объемного расхода, то с учетом основополагающего в метрологии критерия ничтожных погрешностей, получается, что в АТ-Р погрешности каналов объемного расхода и объема равны между собой.
-
1.10 Для АТ-Р-Т и АТ-Р-П с АПВЗ правильность функционирования импульсного выходного сигнала при накоплении заданного значения объема, подтверждается: соответствием контрольной суммы ПО АТ-Р установленному значению, указанному в паспорте поверяемого АТ-Р и экспериментальной проверкой соответствия погрешностей каналов объемного расхода и текущего времени установленным значениям, указанным в приложении В (см. также п. 1.9).
-
1.11 Для АТ-Р-Т и АТ-Р-П с АПВЗ (или при наличии автономного внешнего блока адаптер релейного выхода АРВ у модификаций АТ-Р-Т и АТ-Р-П, имеющих ИВП с АПВ1, или у модификации АТ-Р-Т, имеющей ИВП с АПВ2) правильность функционирования сервисной функции подачи сигнала по RS-485 на релейный выход РВ о накоплении заданного пользователем значения объема измеряемой жидкости, обеспечивается соответствием контрольной суммы ПО АТ-Р установленному значению, указанному в паспорте поверяемого АТ-Р и экспериментальной проверкой соответствия погрешностей каналов объемного расхода и текущего времени установленным значениям, указанным в приложении В.
-
1.12 Если в состав АТ-Р входят АТ-ДУ, и вспомогательные компоненты (перечень в п.5.13), участвующие в передаче (преобразовании) сигнала измерительной информации (следовательно, являются элементами каналов), то они подвергаются проверке в части способности передачи без искажений измерительной информации. Для этого существует специальная аттестованная компьютерная подпрограмма в составе ВПО АТ-Р. Поверяться АТ-ДУ и вспомогательные компоненты могут совместно с любыми экземплярами АТ-Р, а не только с теми, с которыми совместно применяются.
-
1.13 Каждый экземпляр модификации АТ-Р-Т и АТ-Р-П, имеющий ИВП с АПВЗ, преобразование значений объемного расхода в стандартные электрические выходные сигналы (ток, напряжение, частота) осуществляет с помощью встроенного генератора стандартных электрических выходных сигналов ТСС (далее - ГСС), который поверяется особо без использования расходомерной установки.
-
1.14 Автономные внешние блоки — адаптеры стандартных выходных электрических сигналов АТЧВ (далее - АТЧВ, подключаемые к модификации АТ-Р-Т, имеющей ИВП с АПВ1 или ИВП с АПВ2 и модификации АТ-Р-П, имеющей ИВП с АПВ1), содержат ГСС, при этом АТЧВ поверяются отдельно и независимо от экземпляров АТ-Р-Т и АТ-Р-П, совместно с которыми они используются.
-
1.15 Поверка ГСС, предусматриваемая в п. 1.13 и п. 1.14 проводится одинаково, с помощью компьютерной подпрограммы в составе ВПО АТ-Р.
При проведении поверки выполняются операции, указанные в таблице 1. Таблица 1
Наименование операции поверки |
Номер пункта |
Проведение операций при | |
первичной поверке |
периодической поверке | ||
1 Внешний осмотр |
6.1 |
да |
да |
2 Проверка сопротивления изоляции электродов датчика расхода |
6.2 |
да |
да |
3 Проверка сопротивления изоляции цепей питания |
6.3 |
да |
да |
4 Опробование |
6.4 |
да |
да |
5 Проверка соответствия контрольной суммы ПО АТ-Р установленному значению |
6.5 |
да |
да |
6 Определение допускаемых пределов погрешностей каналов АТ-Р |
6.6 |
да |
да |
7 Поверка АТ-ДУ и периферийных устройств |
6.7 |
да |
да |
8 Обработка результатов измерений |
6.8 |
да |
да |
9 Оформление результатов поверки |
7 |
да |
да |
-
3.1 Эталонные средства измерений для поверки АТ-Р указаны в таблице 2
Таблица 2
Наименование средства поверки (в скобках указаны регистрационные номера в Федеральном информационном фонде по обеспечению единства измерений) |
Основные метрологические и технические характеристики |
Установка поверочная УП 150 (per. номер 24629-05) |
Диапазон измерений от 0,003 до 150 м3/ч Пределы допускаемой относительной погрешности по исходным эталонам расхода ± 0,08 % |
Установка поверочная УПРП-600 (per. номер 44980-10) |
Диапазон измерений от 0,25 до 600 м3/ч Пределы допускаемой относительной погрешности объемного расхода ± 0,25 % |
Частотомер электронно-счетный вычислительный 43-64 (per. номер 24629-05) |
В диапазоне измерений частот от 1 до 100 Гц относительная погрешность |3 | <510’7 |
Секундомер электронный СЧЕТ- IM (per. № 40929-09) |
Пределы допускаемой абсолютной погрешности измерений интервалов времени ± 15-10'6-Т+0,01 с |
Имитаторы термопреобразователей МКЗ002-1 |
Класс точности 0,005 |
Наименование средства поверки (в скобках указаны регистрационные номера в Федеральном информационном фонде по обеспечению единства измерений) |
Основные метрологические и технические характеристики |
(per. номер 18854-99) | |
Калибратор токовой петли Fluke-705 (per. номер 29194-05) |
Диапазон воспроизведения и измерений силы постоянного тока, I, от 0 до 24 мА. Пределы допускаемой абсолютной погрешности измерений (воспроизведения) силы постоянного тока ± (0,00021+2 ед. млад, разр.) |
Г енератор сигналов специальной формы AWG-4105 (per. номер 53406-13) |
Диапазон воспроизведения частот от 10 мГц до 5 МГц; Пределы допускаемой относительной погрешности воспроизведения частот ± Г10"4 % |
Измеритель сопротивления изоляции IN 1851 (per. номер 21507-07) |
Верхний предел измерений сопротивления 2000 МОм. Пределы допускаемой относительной погрешности измерений ± (0,05 % +5 ед. млад, разр.) |
Примечание — Вместо имитаторов термопреобразователей МКЗ002-1 допускается применять магазины сопротивлений Р3026. Значения температуры (сопротивления) в этом случае определяются по ГОСТ 6651 |
-
3.2 Для поверки АТ-Р применяются подпрограммы в составе ВПО АТ-Р.
-
3.2.1 KMGraduir — подпрограмма ВПО АТ-Р используется для поверки каналов объемного расхода (объема).
-
3.2.2 WorkLab — подпрограмма ВПО АТ-Р используется для:
-
-
- поверки каналов температуры, давления, текущего времени;
-
- поверки ГСС в составе АТ-Р, имеющих ИВП с АПВЗ или АТЧВ (поверяемых отдельно от АТ-Р);
-
- проверки соответствия контрольной суммы ПО АТ-Р, значениям, указанным в паспортах поверяемых АТ-Р;
-поверки АТ-ДУ и вспомогательных компонентов (указанных в п. 5.12) в части проверки передачи измерительной информации без искажений.
-
3.3 Для поверки АТ-Р допускается применение других эталонных средств измерений, имеющих требуемые показатели точности и прошедших поверку, результаты которой подтверждены в установленном порядке.
-
3.4 Применение для поверки АТ-Р иного программного обеспечения, чем ВПО АТ-Р допускается только по согласованию с предприятием-производителем (например, при использовании иных расходомерных установок, чем указаны в таблице 2).
-
3.5 В составе поверочного оборудования АТ-Р для отображения информации, в том числе измерительной требуются АТ-ДУ, т.к. не все экземпляры поверяемых АТ-Р, могут иметь АТ-ДУ в своем составе (при поточной поверке АТ-Р, один экземпляр АТ-ДУ достаточен для 14 экземпляров поверяемых АТ-Р). АТ-ДУ требуются, например, при невозможности, или отсутствии необходимости компьютерной обработки измерительной информации для непосредственного сличения показаний, полученных от АТ-Р и эталонных средств измерений, в составе поверочного оборудования.
Примечания
1 АТ-ДУ может применяться совместно с любым экземпляром АТ-Р, независимо от того, входит в его состав, или нет.
2 У модификации АТ-Р-П на ИВП расположены штатные панель индикации и клавиатура, поэтому АТ-ДУ здесь не требуется.
-
3.6 В составе поверочного оборудования при выполнении операций поверки периферийных устройств (являющихся вспомогательными компонентами по ГОСТ Р 8.596), применяемых в сфере государственного регулирования обеспечения единства измерений, перечень указан в п. 5.13, необходимо иметь АТ-ДУ и автоматические преобразователи интерфейса АПИ RS-485/USB.
-
3.7 В составе поверочного оборудования, для подключения модификаций АТ-Р-Т и АТ-Р-П к поверочным установкам, необходимо иметь штатные платформы подключения (снимать платформы подключения с мест эксплуатации АТ-Р-Т и АТ-Р-П при отправке на поверку не рекомендуется, в противном случае качественно демонтаж и обратный монтаж платформ подключения может осуществить только специализированная организация, чьи сотрудники прошли обучение при предприятии-производителе АТ-Р.
Примечание — Пользователь, заключая договор на поверку АТ-Р, должен справиться о наличии у организации, выполняющей поверку АТ-Р, требуемых платформ подключения, при отсутствии их демонтаж и обратный монтаж на месте эксплуатации необходимо включать в стоимость поверки.
-
3.8 В составе поверочного оборудования, для подключения модификаций АТ-Р-Т-И и АТ-Р-П-И требуются платформы подключения специального исполнения, предназначенного только для применения при поверке этих модификаций, у которых поверяется канал объемного расхода. Данные платформы подключения, по сравнению с платформами подключения, применяемыми при эксплуатации АТ-Р, должны иметь дополнительно две клеммы для приема сигналов «старт-стоп» (в условиях эксплуатации эти клеммы не нужны).
Примечание — АТ-ДУ и АПИ RS-485/USB и платформы подключения, необходимые для поверки, предприятие-изготовитель АТ-Р поставляет по заказу
-
3.9 При проведении поверки АТ-Р для измерений параметров окружающего воздуха, а также параметров электрического тока питающей сети должны применяться средства измерений утвержденных типов и обеспечивающие измерение параметров с погрешностью не более 1/3 допускаемого отклонения этих параметров.
При проведении поверки должны выполняться следующие требования безопасности.
-
4.1 К проведению поверки допускаются лица, прошедшие инструктаж по технике безопасности.
-
4.2 Вся аппаратура, питающаяся от сети переменного тока, должна быть заземлена.
-
4.3 Все разъемные соединения линий электропитания и связи должны быть исправны.
-
4.4 АТ-Р, при проведении операций поверки, заземляются с помощью зажима на корпусе ИВП, отмеченного указателем ЗАЗЕМЛЕНИЕ.
-
4.5 Лица, осуществляющие поверку АТ-Р должны выполнять требования нормативного документа «Правила по охране труда при эксплуатации электроустановок». Утверждены Приказом Минтруда России от 24.07.2013.№ 328н. (зарегистрировано в Минюсте России 12.12.2013 №30593).
При проведении поверки должны быть соблюдены следующие условия
-
5.1 Для окружающего воздуха:
-
- температура от 18 до 25 °C;
-
- давление от 84 до 106,7 кПа;
-
- относительная влажность от 30 до 80%.
-
5.2 Для сети электропитания:
-
- напряжение от 187 до 242 В;
-
- частота от 49 до 51 Гц.
-
5.3 Внешние электрические и магнитные поля (кроме магнитного поля Земли), а также вибрация и тряска должны соответствовать допускаемым нормам, установленным техническими условиями АТ-Р.
-
5.4 Поверочной жидкостью в расходомерной установке должна быть вода, очищенная от механических магнитных и не магнитных примесей с температурой от 15 до 30 °C.
-
5.5 Пред проведением поверки АТ-Р у них проверяется наличие паспортов, заполненных на предприятии-изготовителе с указанием реализованной аппаратно-программной версии ИВП: АПВ1, или АПВ2, или АПВЗ, класса точности и других сведений, необходимых при поверке. При утере паспорта владелец АТ-Р должен обратиться на предприятие-изготовитель для выдачи дубликата паспорта.
-
5.6 На измерительном участке поверочной расходомерной установки должны быть исключены факторы, влияющие на достоверность измерений:
-
- условия для образования в поверочной жидкости пузырей газов (двухфазности);
-
- наличие на входе в измерительный участок местных сопротивлений, создающих существенную асимметрию потока: группа колен в разных плоскостях, арматура, регулирующая расход поверочной жидкости и т. д.
-
5.7 Модификации АТ-Р-Т и АТ-Р-Т-И класса точности А должны поверяться в сборе со штатными прямолинейными участками, присоединенными к ППР с обеих сторон, и после поверки без демонтажа устанавливаться на месте эксплуатации. Длины прямолинейных участков в миллиметрах должны быть: перед ППР не менее 5 Dn, и после ППР — не менее 3 Dn, где Dn — длина в миллиметрах, численно равная номинальному диаметру DN датчика расхода ППР (определяемым по аналогии из ряда для номинальных диаметров, установленных для трубопроводной арматуры по ГОСТ 28338).
Примечания
-
1 Экземпляры АТ-Р модификаций АТ-Р-Т и АТ-Р-Т-И класса точности А при отсоединении штатных прямолинейных участков могут поверяться (а также далее эксплуатироваться при подтверждении соответствия) только по классу В или С;
-
2 Для экземпляров модификаций АТ-Р-Т, АТ-Р-Т-И класса точности А, предназначенных для измерений в реверсных потоках, оба прямолинейных участка изготавливаются одинаковой длины — не менее 5 Dn;
-
3 Для модификаций АТ-Р-П, АТ-Р-П-И прямолинейные участки требуемой длины являются составной частью датчика расхода и их отделение возможно только при полном разрушении датчика расхода ППР
-
5.8 Датчики расхода ППР у модификации АТ-Р-Т и АТ-Р-Т-И классов точности В и С на измерительном участке поверочной установки допускается монтировать с наличием прямолинейных участков только перед первым датчиком расхода — не менее 3 Dn и после последнего — не менее 1 Dn- Остальные датчики расхода АТ-Р допускается монтировать без прямолинейных участков встык.
Примечание — Для экземпляров, АТ-Р-Т и АТ-Р-Т-И классов В и С, предназначенных также и для измерений в реверсных потоках при поверке на установках, имеющих и реверсную подачу поверочной среды, оба прямолинейных участка изготовляются одинаковой длины — не менее 3 Dn
-
5.9 Перед проведением поверки датчики расхода ППР устанавливаются на проливную установку, а их проточные части полностью заполняются поверочной жидкостью. В таком положении ППР должны быть выдержаны при отсутствии расхода поверочной жидкости не менее 15 мин.
-
5.10 Если у проливной установки отсутствует реверсный режим подачи жидкости, то для поверки в реверсном режиме течения датчики расхода ППР (вместе с прямолинейными участками, если таковые имеются) после поверки при прямом направлении потока разворачиваются на 180 °, снова заполняются неподвижной поверочной жидкостью и в таком положении выдерживаются не менее 15 мин. Затем снова проводится их поверка при направлении движения поверочной жидкости, которое будет соответствовать реверсному.
-
5.11 Схема подключения средств поверки к ИВП показана в приложениях А и Б.
-
5.12 Все АТ-ДУ, входящие в состав поверяемых АТ-Р, а также в состав поверочной установки, приводятся в рабочее состояние.
-
5.13 Все вспомогательные компоненты АТ-Р: коммуникаторы ИВП/ПК и устройства переноса данных УПД-SD, входящие в состав поверяемых АТ-Р, а также в состав поверочной установки, приводятся в рабочее состояние.
-
5.14 Персональные компьютеры и подпрограммы ВПО АТ-Р, необходимые для поверки компонентов АТ-Р, АТЧВ, АТ-ДУ и периферийных устройств приводятся в рабочее состояние.
-
5.15 При не возможности или отсутствии необходимости компьютерной обработки результатов измерений при поверке (как правило, при поверке единичных экземпляров модификаций АТ-Р-Т и АТ-Р-П), порядок выполнения операций проверки измерительных каналов АТ-Р, используя меню ПОВЕРКА приведен в приложениях Е и Ж.
-
5.16 Поверка модификаций АТ-Р-Т-И и АТ-Р-П-И, имеющих ИВП с АПВ1 проводится только с применением компьютерной обработки результатов измерений с использованием подпрограмм ВПО (KMGraduir, WorkLab или аналогичных по согласованию с предприятием-производителем, см. также п. 3.4).
-
5.17 При компьютерной обработке результатов измерений при поверке следует руководствоваться указаниями, последовательно появляющимися на экране ПК, суть которых заключается в следующем:
-для канала объемного расхода, в подпрограмме ВПО — KMGraduir, ввести серийные номера поверяемых АТ-Р, провести их первичный опрос, затем KMGraduir следует перевести в режим поверки каналов объемного расхода;
-
- для каналов температуры, давления, в подпрограмме ВПО — WorkLab, выполнить первичный опрос поверяемого АТ-Р, затем WorkLab следует перевести в режим поверки каналов температур и давлений.
-
5.18 При поверке канала текущего времени необходимо:
-
- в случае поверки одиночных экземпляров АТ-Р без поточной компьютерной обработки, в подпрограмме ВПО — WorkLab, выполнить первичный опрос подключенного к ПК АТ-Р, затем WorkLab следует перевести в режим поверки канала текущего времени;
-при поточной поверке АТ-Р, в подпрограмме ВПО — KMGraduir, ввести серийные номера поверяемых АТ-Р, провести их первичный опрос, затем KMGraduir следует перевести в режим поверки канала текущего времени.
6 Проведение поверки6.1 Внешний осмотр
При проведении внешнего осмотра для каждого экземпляра поверяемых АТ-Р должно быть установлено:
-
- отсутствие у всех компонентов АТ-Р дефектов, препятствующих проведению поверки;
-
- соответствие номеров и маркировки составных частей АТ-Р указанным в технической документации;
-
- отсутствие осадков на электродах и осадков существенной толщины на изоляционном покрытии датчиков расхода, в том числе, дискретных очагов, способных значимо исказить геометрические размеры проточной части, и/или вызывать искажения профиля скоростей потока;
-рабочее состояние у всех поверяемых АТ-ДУ: как входящих, так и не входящих в комплекты, с поверяемыми экземплярами АТ-Р, также АТ-ДУ, входящие в состав поверочной установки;
-
- готовность к поверке всех вспомогательных компонентов, указанных в п. 5.13.
Подготовка к поверке считается завершенной при выполнении всех пунктов данного раздела.
6.2 Проверка сопротивления изоляции электродов датчиков расхода ППР
-
6.2.1 Проверка по данному пункту заключается в измерении сопротивления изоляции цепей электродов относительно корпуса с помощью измерителя сопротивления изоляции IN 1851, или аналогичного (далее - мегомметр) при напряжении (500 ± 50) В. При проверке датчик расхода должен быть отключен от ИВП.
-
6.2.2 Провести подготовку к проверке, для этого:
-
- проточная часть датчика расхода ППР заглушается изоляционной заглушкой, не допускающей электрического контакта между средой, находящейся во внутренней полости трубы АТ-Р, и металлическими деталями, соединенными с корпусом;
-
- датчик расхода ППР устанавливается так, чтобы продольная ось его проточной части (трубы) заняла вертикальное положение;
-
- внутренняя полость ППР (труба) заполняется водопроводной водой таким образом, чтобы верхний уровень воды был ниже края изолированной внутренней поверхности трубы примерно на 5 мм.
-
6.2.3 При проверке проводятся следующие операции:
-
- один зажим мегомметра с обозначением ЗЕМЛЯ соединяется с корпусом, другой последовательно с каждым из электродов;
-
- при соединении с каждым электродом АТ-Р определяется сопротивление изоляции электродов.
-
6.2.4 Результаты проверки по данной позиции считаются положительными, если сопротивление изоляции электродов относительно корпуса составляет не менее 100 МОм. В противном случае АТ-Р бракуются.
6.3 Проверка сопротивления изоляции цепей питания АТ-Р
Проверка сопротивления изоляции цепей питания АТ-Р проводится в следующей последовательности.
-
6.3.1 Измеряется сопротивление изоляции цепей питания АТ-Р относительно корпуса с помощью измерителя сопротивления изоляции IN 1851 путем измерения сопротивления между корпусом и соединенными вместе клеммами цепи питания.
-
6.3.2 Результаты проверки по данной позиции считаются положительными, если сопротивление изоляции составляет более 40 МОм. В противном случае АТ-Р бракуются.
6.4 Опробование
-
6.4.1 Расход поверочной среды изменяется от нуля до максимального значения и обратно. При этом показания АТ-Р по объемному и массовому расходу должны изменяться пропорционально создаваемым изменениям расхода. Показания АТ-Р по объему и массе (определяемые нарастающим итогом) должны увеличиваться.
-
6.4.2 При изменении значений температуры на имитаторах термопреобразователей сопротивления (т.е. на выходе магазинов сопротивления), показания значений температуры на дисплее должны изменяться пропорционально устанавливаемому сопротивлению (т.е. температуре).
-
6.4.3 При изменении значений тока, воспроизводимых эталоном, показания значений давления на дисплее должны изменяться пропорционально изменениям значений тока.
-
6.4.4 Результаты опробования считаются положительными, если выполняются все пункты данного раздела.
6.5 Проверка соответствия контрольной суммы ПО АТ-Р
Проверка соответствия контрольной суммы ПО АТ-Р значению, указному в паспорте поверяемого экземпляра АТ-Р, проводится в зависимости от реализованной аппаратно-программной версии: АПВ1, АПВ2, АПВЗ (которая указана в паспорте поверяемого экземпляра АТ-Р).
-
6.5.1 Для поверяемых экземпляров АТ-Р, операции проверки соответствия контрольной суммы ПО АТ-Р значениям, указанным в их паспортах, приведены в приложении Д.
-
6.5.2 При не соответствии полученного значения контрольной суммы ПО АТ-Р, указанному в паспорте поверяемого экземпляра АТ-Р, поверка прекращается. Данный экземпляр АТ-Р бракуется.
-
6.5.3 При соответствии полученного значения контрольной суммы ПО АТ-Р значению, указанному в паспорте поверяемого АТ-Р, поверка данного экземпляра АТ-Р продолжается.
6.6 Проведение измерений при поверке АТ-
-
6.6.1 Доступ к режиму ПОВЕРКА разрешается путем установки переключателя ЕР, расположенного внутри платформы подключения, в положение ON.
Примечание — К служебному меню и настройкам при поверке доступ разрешается с помощью пломбируемого переключателя GR, расположенного на основной плате. После проведения поверки этот переключатель должен быть снова переведен в неактивное положение и опломбирован.
-
6.6.2 В целях оптимизации процедуры поверки — целесообразно разнести по времени поверку канала объемного расхода и остальных измерительных каналов АТ-Р (за исключением канала текущего времени).
-
6.6.3 Время единичного измерения при поверке элементов каналов без датчиков выбирается не менее:
-
- для каналов давления и температуры — не менее 20 с;
-
- для каналов расхода при заданном значении расхода — по времени наполнения поверочной средой эталонной емкости при данном расходе;
-
- для каналов объема с применением ПОИ (только для модификации АТ-Р-Т и только с АПВ2) — по времени приема на импульсный вход ИВП пакета импульсов, состоящего из 1000 импульсов (или по требованию потребителей 10000 импульсов).
-
6.6.4 С помощью запущенных подпрограмм ВПО, поверяемые АТ-Р переводятся в режим поверки.
-
6.6.5 Последовательно устанавливаются эталонные значения измеряемых величин для заданных точек поверки, при этом, требуемые эталонные значения задаются: по расходу на поверочной установке, по температуре имитируются имитаторами термопреобразователей (сопротивлениями на выходе магазинов сопротивления, при этом требуемые значения сопротивлений определяются по ГОСТ 6651), а по давлению имитируются калибратором токовый петли.
-
6.6.6 После установления эталонных значений измеряемых величин, поверяемые АТ-Р с помощью соответствующей подпрограммы ВПО переводятся в режим измерения.
-
6.6.7 Запуск выполнения измерений при поверке осуществляется подачей напряжения +12 В на контакты "+SS" и "-SS" («Старт/стоп»). Причем команде «Старт» - соответствует подача напряжения «+12 В» (данный сигнал может подаваться автоматически, например, с поверочной расходомерной установки). При этом в подпрограммах ВПО индицируется состояние ИДУТ ИЗМЕРЕНИЯ для всех поверяемых АТ-Р. Окончание единичного измерения осуществляется снятием напряжения «+12 В» с контактов "+SS" и "-SS" (вручную или автоматически с поверочной установки). При этом в соответствующих подпрограммах ВПО индицируется состояние ОСТАНОВ ИЗМЕРЕНИЙ.
-
6.6.8 За время единичного измерения Tss = (Тстоп - Тстарт) с помощью поверяемого АТ-Р измеряются и запоминаются в соответствующих подпрограммах ВПО:
-
- значения объема V или массы М измеряемой среды (в зависимости от принципа действия поверочной установки), прошедшие через датчик расхода ППР, а также средние за время Tss значения объемного и массового расхода;
-
- значение длительности единичного измерения Tss = (Тстоп - Тстарт);
-
- средние за время Tss значения температуры, и давления среды;
-
- значение объема Уи, накопленное после поступления на импульсный вход ИВП пакета из 1000 импульсов (или по требованию потребителей 10000 импульсов).
-
6.6.9 Для расчета погрешностей, в соответствующие подпрограммы ВПО вводятся значения установленных эталонных величин, использовавшихся в завершившемся единичном измерении, соответствующие подпрограммы ВПО самостоятельно рассчитывают погрешности измерительных каналов.
-
6.6.10 В каждой поверочной точке необходимо провести не менее двух единичных измерений.
-
6.6.11 В случае, если погрешность по одному из проведенных в п. 6.6.10 единичных измерений превысит допускаемую, следует провести еще не менее двух единичных измерений (их общее число должно быть не менее четырех) и обработать результат согласно критерию оценки грубых промахов (приложение Г). (Подпрограммы ВПО выполняют данную работу автоматически.)
-
6.6.12 Поверяемый экземпляр АТ-Р признается не годным, если значения погрешностей, полученные после обработки результатов единичных измерений (п. 6.6.11), хотя бы в одной точке превышают допускаемые значения, приведенные в приложении В.
-
6.6.13 Точки поверки каналов объемного расхода АТ-Р выбираются с учетом следующего.
а) У модификаций АТ-Р-Т и АТ-Р-Т-И интервалы значений объемного расхода, в каждом из которых выбирается не менее одной точки поверки, должны быть следующими (в процентах от верхнего предела измерений):
-
1) для датчиков расхода ППР с номинальным диаметром не более DN 65 — (от 0,1 до 0,2), (от 0,5 до 0,9), (от 5 до 10), (от 45 до 50), (от 90 до 100);
-
2) для датчиков расхода с номинальным диаметром более DN 65 и менее DN 150 — (от 0,1 до 0,2), (от 0,25 до 0,35), (от 0,5 до 0,9); (от 5 до 9), (от 40 до 50);
-
3) для датчиков расхода с номинальным диаметром не менее DN 150 — (от 0,1 до 0,2), (от 0,25 до 0,35), (от 0,5 до 0,9), (от 5 до 9), (от 15 до 25).
б) У модификации АТ-Р-П и АТ-Р-П-И интервалы значений объемного расхода, в которых выбирается не менее одной точки поверки, должны быть следующими (в процентах от верхнего предела измерений): (2 ± 1), (10 ± 5), (50 ± 10), (90 ± 10).
в) В каждой из точек поверки, (указанных в пунктах а и б провести не менее двух единичных измерений (наблюдений).
Примечание — Для модификаций АТ-Р-Т и АТ-Р-Т-И диапазоны, в которых находятся точки поверки каналов расхода установлены в соответствии с результатами испытаний при утверждении типа АТ-Р, допускающими замену поверки при верхнем пределе измерений на поверку при меньшем значении наибольшего расхода (с сохранением номинального значения верхнего предела измерений), что принято в мировой практике для средств измерений объемного расхода (объема) именно электромагнитного вида, наличие которого обеспечивает градуировочную характеристику наиболее близкую к линейной.
-
6.6.14 Абсолютная погрешность канала температуры АТ-Р без учета погрешности термопреобразователя (датчика температуры) определяется, подсоединением вместо датчика температуры имитатора термопреобразователей (магазин сопротивления) (приложение Б), на котором последовательно имитируют (выставляют сопротивления) значения которых соответствуют значениям температуры 5, 50 и 150 °C (определяются по ГОСТ 6651).
-
6.6.15 Относительная погрешность канала давления АТ-Р без учета вклада датчика давления определяется, подачей с эталонного источника токов I (приложение Б). Эталонные значения токов должны соответствовать значениям давления 0,1 МПа, 0,5 Ртах и Ртах,
где Ртах — верхний предел измерений преобразователя давления. Значение тока I, соответствующее давлению Р, определяется по формуле:

г . н--([ -I . )
(1)
min р р V max min/’
max min
где /тах и Zmin наибольшее и наименьшее эталонные значения тока, соответствующие значениям давления Ртах и Ртт (здесь и далее Pmin = 0).
Если в качестве эталонного средства поверки применяются калибраторы тока с фиксированными значениями, воспроизводимых эталонных токовых сигналов, то поверка производится при значениях тока I равных: 5, 12 и 20 мА, а соответствующие им эталонные значения давлений Р определяются по формуле:

(2)
-
6.6.16 Поверка каналов объема без преобразователей объема ПОИ (только для модификации АТ-Р-Т с АПВ2) проводится для импульсного входа ИВП в следующей последовательности:
-
- запускается подпрограмма WorkLab;
-
- выбирается режим поверка импульсного входа;
-
- преобразователь объема отсоединяется от импульсного входа ИВП;
-
- вместо преобразователя объема ПОИ к импульсному входу ИВП подключается генератор формирующий пакеты импульсов, имитирующий работу ПОИ;
-
- в WorkLab вводится эталонное значение количества отправленных импульсов, в результате WorkLab формирует значение погрешности канала объема.
-
- при каждом единичном измерении с генератора на импульсный вход подается пакет из 1000 (по требованию потребителя 10000) импульсов;
-
- для контроля воспроизводимого числа импульсов в пакете, к генератору подсоединяется частотомер;
-поверка проводится при двух значениях частот следования импульсов в пакете: 100 Гц и 50 Гц;
- поверяемый экземпляр АТ-Р бракуется если погрешность канала объема превышает допустимое значение, указанное в приложении В.
-
6.6.17 Определение погрешности единичного измерения канала текущего времени АТ-Р проводится в следующей последовательности:
-
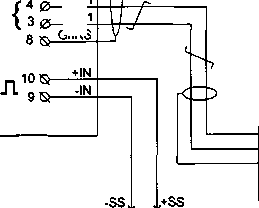
- собирается схема подключения, приведенная в приложении Б, рисунок Б.З;
-
- эталонный секундомер (далее ЭС) настраивается на измерение длительности импульса положительной полярности;
-
- соединяются входы СТАРТ/СТОП поверяемого АТ-Р и ЭС;
-
- показания ЭС обнуляются;
-
- на соответствующие входы АТ-Р и ЭС синхронно подается команда «Старт», после чего начнется отсчет времени и по АТ-Р, и по ЭС;
-
- через 360 с подается команда «Стоп» и считываются показания АТ-Р и ЭС;
-
- погрешность канала текущего времени АТ-Р определяется по формуле
§т=ТАТР ГЭС х100О/о>
(3)
где:
ТАГР - показания поверяемого АТ-Р; Тж - показания ЭС.
Примечание — Правила использования АТ-ДУ при поверке без применения компьютера приведены в приложениях Е и Ж.
-
6.6.18 Поверка генераторов стандартных электрических выходных сигналов ГСС в составе ИВП с АПВЗ, а также АТЧВ проводится с использованием компьютерной подпрограммы WorkLab. При этом на входы ГСС подаются имитируемые заданные значений объемного расхода, а на выходе ГСС с помощью соответствующих средств поверки измеряются значения выходных электрических сигналов: тока 1вых, мА; частоты FBbIX, Гц; напряжения ивых, В.
-
6.6.19 Операции поверки ГСС выполняются в следующей последовательности: с помощью коммуникатора ИВП/ПК поверяемый экземпляр подключается к ПК;
а) запускается подпрограмма WorkLab, в настройках связи выбираются параметры соединения (адрес, порт, скорость);
б) выбирается вид работ — поверка ГСС;
в) определяется вид выходного сигнала: ток I, частота F, напряжение U, в зависимости от выбранного выходного сигнала на экране отображается его рабочий диапазон X - X
min max >
г) последовательно выбираются имитируемые значения расхода: 0.9^тах, 0.2<?тах,
0.01 ; где <утах — наибольшее значение расхода для поверяемого АТ-Р, при этом
в подпрограмме WorkLab будет отображаться ожидаемое значение выходного сигнала (параметр — ВЫХОД);
д) измеряется значение выходного сигнала в зависимости от требуемого вида выходной величины (1вых, FBbix, или Ивых).
-
6.6.20 Для выходных значений электрических сигналов диапазоны изменения должны быть равными:
-
- для тока от 4 до 20 мА, т.е. Ат1П =4 мА, Xmxii = 20 мА;
-
- для частоты:
-
• диапазон А - от 10 до 5000 Гц, т.е. Утш = 10 Гц, Атах = 5000 Гц;
-
• диапазон Б - от 10 до 10000 Гц, т.е. = 10 Гц, Хтах = 10000 Гц;
-
- для напряжения:
-
• диапазон А - от 1 до 5 В, т.е. Хт1П = 1 В, Атах = 5 В;
-
• диапазон Б - от 1 до 10 В, т.е. Xmin = 1 В, Jfmax = 10 В.
-
6.6.21 Эталонное значение выходного электрического сигнала Хэт (ток, частота, напряжение) вычисляется по, формуле:
Х„=Х^ 4- 4 (Хт -%min). (4)
Я max Я min
При этом:
-
- значение gmm полагается равным нулю 0.
-
- эталонное значение выходного сигнала, рассчитанное по формуле (4), для выбранного вида выходного сигнала и заданного значения расхода отображается в поле Хэт подпрограммы WorkLab;
-
- измеренные значения выходного сигнала вводятся в поле Хизм программы;
-
- в поле 8ТЧН отображается рассчитанное значение составляющей относительной погрешности канала объемного расхода, образующейся при преобразовании значения объемного расхода в стандартный электрический выходной сигнал с помощью ГСС.
-
6.6.22 Полученное значение 8пт должно находиться в пределах ± 0,2 %, в противном случае поверяемый экземпляр бракуется.
6.7 Поверка АТ-ДУ и периферийных устройств (вспомогательных компонентов)
-
6.7.1 Поверка АТ-ДУ и периферийных устройств, указанных в п.5.12, осуществляется в части проверки их способности (как элементов каналов) выполнять операции с измерительной информацией без ее искажений. Схема подключения и последовательность такой проверки изложена в приложении И.
-
6.7.2 Поверяемый экземпляр АТ-ДУ или периферийное устройство (из перечня по п. 5.13) с помощью АТ-ДУ и AnH-USB/RS^l85, входящих в комплект поверочного оборудования, подсоединяются к персональному компьютеру ПК по приложению И.
-
6.7.3 Запускается компьютерная подпрограмма WorkLab, в настройках связи выбираются параметры соединения (адрес, порт, скорость). Выбирается вид работ - тест связи и нажимается кнопка «Пуск».
-
6.7.4 После выполнения программой около 1000 циклов опроса нажимается кнопка «Стоп» и выдается протокол поверки АТ-ДУ или периферийного устройства с указанием результата поверки.
-
6.7.5 Если поверяемые экземпляры АТ-ДУ или периферийных устройств применяются в сфере государственного регулирования обеспечения единства измерений (как элементы каналов АТ-Р), то при положительных результатах поверки в паспорте каждого поверенного экземпляра АТ-ДУ или периферийного устройства, наносится поверительное клеймо, а при отрицательных результатах поверки, оформляется извещение о непригодности к применению.
6.8 Обработка результатов измерений при поверке АТ-Р
-
6.8.1 Результаты измерений, полученные с помощью поверяемого экземпляра АТ-Р в заданных точках поверки, сличаются с результатами измерений, полученными одновременно с помощью эталонных средств измерений, указанных в п. 3.1.
-
6.8.2 По результатам сличений определяются значения погрешностей:
-
- каналов объемного расхода и времени;
-
- элементов каналов: температуры без учета погрешностей термопреобразователей и давления без учета погрешностей преобразователей (датчиков) давления;
-
- элемента канала объема без учета погрешности преобразователя объема (только для ИВП с АПВ2);
-
- элементов канала объемного расхода при его преобразовании в стандартные выходные электрические сигналы (ток, напряжение, частота), (при наличии ИВП с АВПЗ или АТЧВ), т.е. определение погрешности генератора стандартных электрических выходных сигналов ГСС, входящих в состав ИВП с АВПЗ и АТЧВ.
-
6.8.3 Если значения погрешностей каналов и элементов каналов, указанных в п. 6.8.2, в пределах, указанных в приложении В, то данный экземпляр АТ-Р признается поверенным и годным для дальнейшего применения. В противном случае АТ-Р бракуется.
-
7.1 На каждый экземпляр АТ-Р, признанный по результатам поверки годным к применению (на основании положительных заключений по п. 6.5.3 и п. 6.8.3), результаты поверки оформляются в соответствии с требованиями Приказа Минпромторга России
№ 1815 от 02. 07. 2015 г. (зарегистрирован в Минюсте России
№ 38822 от 04. 09. 2015 г.). На поверенный экземпляр АТ-Р выдается свидетельство о поверке установленного образца, и (или) в паспорте АТ-Р наносится поверительное клеймо.
Примечание — При поставках на экспорт оформление результатов поверки АТ-Р проводится в соответствии с действующими в стране-импортере нормативными документами.
-
7.2 При выполнении операций поверки результаты записываются в протоколы произвольной формы. Итоговые протоколы поверки оформляются в виде, представляющей результаты поверки наиболее наглядно.
-
7.3 Протоколы поверки подписываются поверителем.
-
7.4 Пломба с поверительным клеймом должна ставиться в местах, препятствующих доступу к регулирующим элементам АТ-Р. Места пломбирования должны соответствовать указаниям описания типа АТ-Р и технической документации.
-
7.5 При отрицательных результатах поверки АТ-Р на них выдаются извещения о непригодности к применению. АТ-Р бракуются. В паспорте (или документе, его заменяющем) производятся записи о непригодности АТ-Р к применению, поверительные клейма гасятся, пломбы снимаются.
-
7.6 При выпуске из производства и после ремонта АТ-Р предъявляются на первичную поверку.
-
7.7 АТ-ДУ и (или) периферийные устройства (вспомогательные компоненты), вышедшие из строя во время поверки АТ-Р, подлежат ремонту и проверке, либо замене на исправные.
Врио начальника отдела
ФГБУ «ГНМЦ» Минобороны России
И.Г. Бойко
Начальник отдела 208
ФГУП «ВНИИМС»
/
Б.А. Иполитов
Ведущий инженер отдела 208
ФГУП «ВНИИМС»
Д.П. Ломакин
(обязательное)
Схема поверки каналов объемного расхода
Схемы поверки каналов объемного расхода показаны на рисунках A.l, А.2, А.З. Первичные преобразователи (датчики) расхода ППР, в зависимости от номинального диаметра, устанавливаются на проливную расходомерную поверочную установку УП-150 или УПРП-600 (или аналогичные). Измерительная информация из ИВП (у модификаций АТ-Р-Т и АТ-Р-П) или ИВП-И (у модификаций АТ-Р-Т-И и АТ-Р-П-И) передается по RS-485 на:
-
- персональный компьютер с соответствующим программным обеспечением при поточной поверке;
-
- АТ-ДУ (или дисплей ИВП у модификации АТ-Р-П) при поверке единичных экземпляров.
Первичный преобразователь (датчик) расхода ППР
ивп
Платформа подключения АТ-Р (АПВ1) 33s +UP
Блок питания БПи- ЗВ
-0+JG
0 -JG
23 q +UDA
15q -URS
л295*
J L30<Sf-
♦ss -ss
-220
RS485
+URS |
4 |
-URS |
5 |
RSA |
1 |
RSB |
2 |
GND |
3 |

Разьем DB-9M
Рисунок А.1 (для АТ-Р АПВ1)
Первичный преобразователь (датчик) расхода ППР
Платформа подключения АТ-Р (АПВ2)
ИВП

к О +ЦР
15S -up.
RS-485 сеть
/160--—
1170 j?
18s_GnRS
Я25»
J 26 &
+SS -SS

Разьем DB-9M

RS485
+URS |
4 |
-URS |
5 |
RSA |
1 |
RSB |
2 |
6ND |
3 |
Рисунок А.2 (для АТ-Р АПВ2)
Первичный преобразователь (датчик) расхода ППР



-0+JG -0 -JG 0 GnA -0+UG ■0 GnA -0-UG
Платформа подключения АТ-Р (АПВЗ)
Блок питания DSP 10-24
ивп
RS-485 сеть

GnRS


RSA |
1 |
RSB |
2 |
GND |
3 |
+URS |
4 |
-URS |
5 |
Рисунок А.З (для АТ-Р АПВЗ)
Первичный преобразователь (датчик) расхода ППР
Платформа подключения АТ-Р-Т (АПВ1)
Блок питания БПи- ЗВ
ИВП АПВЗ
-0+JG
-
33
-
34
-
23
-
24
17
15
iS-iWA ^UDA S tU-RS ^URS
RS-485 сеть
■0 -JG
0 GnA
-0+UG

-0-UG
310-
320
260-
Л29^
J L30Or
___A1
___B1
GnRS
+SS -SS

-220
-220 В,
50 Гц
Разьем DB-9M
RS485
+URS |
4 |
-URS |
5 |
RSA |
1 |
RSB |
2 |
GND |
3 |
Рисунок А.4 (для АТ-Р с ИВП АПВЗ с платформой подключения от АТ-Р-Т АПВ1)
ПРИЛОЖЕНИЕ Б(обязательное)
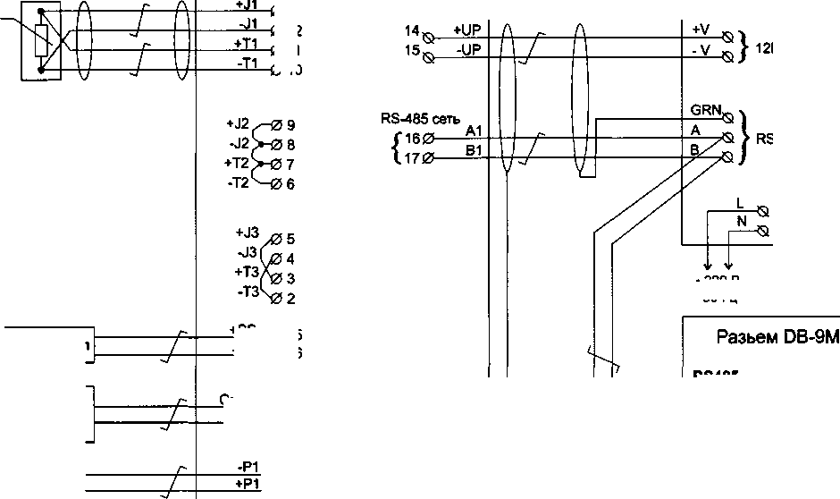
Схемы поверки элементов каналов АТ-Р
Б.1 Схема поверки каналов температуры, давления (без датчиков) и ГСС (только для ИВП с АПВЗ)
Схема подключения имитаторов датчиков температуры и давления при поверке каналов температуры и давления и имитации объемного расхода (только для ИВП с АПВЗ), показана на рисунках Б. 1.1 — Б. 1.3
Магазин сопротивлений (имитатор датчика температуры)

Платформа подключения ИВП (АПВ1)
_±Л_0 4 33^—+UP
~J1 0 2 34 (3--—
-^И-0 з 235) +и°А
-^5 1 243b^
17 +URS Gnd^0 5 15^ -URS
Блок питания БПи- ЗВ
RS-485 сеть
310-
320
26 0
___А1
___В1
GnRS

Старт / стоп


Источники тока 0 .. 20 мА. (имитатор датчика давления)
+J2 -J2 +Т2 -T2
г-0 8 >06 ^9

GHd 0 14
+SS „ 29
-^*4 30
GnRS^0 25
-InF „18
0
+ InF 016
—0 20
+ UPX0 21

+URS
-220
12 В, пит. катушек
6...12В осн. пит.
-220 В,
50 Гц
6...12 В, пит.
RS485


Рисунок Б. 1.1
Магазин сопротивлений (имитатор датчика температуры)
Платформа подключения АТ-Р-Т (АПВ2)
Блок питания БПИ-12В
-220
013 0 12 0 11 010

Старт / стоп
Генератор пакетов импульсов
-0 20 i2H9
+SS—0 25
-SS 0 26
-220 В,
50 Гц
RS485
+URS |
4 |
-URS |
5 |
RSA |
1 |
RSB |
2 |
GND |
3 |
1
2

Источник тока
0... 20 мА
Рисунок Б. 1.2
Магазин сопротивлений (имитатор датчиков темпетатуры)
Платформа подключения ИВП (АПВЗ)

ч |
Г“Л |
у- |
— -л | |
с |
+Т1 | |||
у— |
А |
— |
-0 20
-0 18
-0 19
■0 17
Блок питания DSP 10-24

Источник тока
0.. 20 мА.
Вольтметр (Амперметр)
Частотомер
-0 22
+ UPX0 21
GnA^0 16

1
-220
Разьем DB-9M
J
-24
Выходы ГСС
+ Fout0 25
13 26
+ V/I outg;^
—^—0 24
Старт / стоп |
-220 В, 50 Гц
RS485
RSA |
1 |
RSB |
2 |
GND |
3 |
+URS |
4 |
-URS |
5 |
Рисунок Б. 1.3
Б.2 Схема поверки элементов каналов объемного расхода, содержащих АТЧВ
Схема подключения средств, имитирующих значения объемного расхода, подаваемые на вход АТЧВ, и эталонных средств измерений, используемых для измерений стандартных электрических сигналов, создаваемых ГСС и поступающих на выход АТЧВ, показана на рисунке Б.2
Преобразователь интерфейса Ani4-USB/RS485

Рисунок Б.2
Б.З Схема поверки канала текущего времени АТ-Р

Рисунок Б.З
Б.4 Схема поверки канала объема без преобразователя объема ПОИ или импульсного входа ИВП (только для модификации АТ-Р-Т с АПВ2)
Схема поверки каналов объема без ПОИ, т.е. поверка импульсного входа ИВП (выполняется только для модификации АТ-Р-Т и ИВП с АПВ2), показана на рисунке Б.2.

Рисунок Б.4
ПРИЛОЖЕНИЕ В(обязательное) Пределы допускаемых погрешностей измерительных каналов (элементов каналов) АТ-Р
В.1 Пределы допускаемой относительной погрешности каналов объемного расхода и объема (для воды также массового расхода и массы) модификации АТ-Р-Т и канала объема модификации АТ-Р-Т-И, в зависимости от классов точности, по заказу нормируются двумя способами.
В. 1.1 Пределы допускаемой относительной погрешности, в зависимости от их классов точности, установленных Производителем и в соответствии с ГОСТ 28723, указаны в таблице В.1
Таблица В.1
Поддиапазоны измерений |
Пределы допускаемой относительной погрешности АТ-Р-Т и АТ-Р-Т-И (только канала объема), % | ||
Для класса А |
Для класса В |
Для класса С | |
400 < qH/q < 1000 |
± 1,0 |
±2,0 |
±3,0 |
250 < qH/q < 400 |
±1,0 |
±1,5 |
±2,5 |
150 <qH/q <250 |
± 1,0 |
±1,0 |
±2,0 |
100 < qH/q < 150 |
±1,0 |
± 1,0 |
±2,0 |
50 < qH/q <100 |
±1,0 |
± 1,0 |
±2,0 |
25 < qH/q < 50 |
±0,5 |
± 1,0 |
±2,0 |
1 < qH/q < 25 |
±0,5 |
±0,5 |
±1,0 |
Примечание — Приняты обозначения: q - измеренное значение расхода; qH -наибольшее значение расхода
В.1.2 В соответствии с ГОСТ Р ЕН 1434-1 (и рекомендациям международных стандартов) по формулам
8q =± (1 + 0,01 qH/q) %, но не более ± 3,5 % — для класса 1; (В.1)
8q =± (2 + 0,02 qH/q) %, но не более ± 5 % — для класса 2; (В.2)
8q =± (3 + 0,05 qH/q) %, но не более ± 5 % — для класса 3. (В.З)
Примечание — Для коммерческого учета тепловой энергии, теплоносителя к применению допускаются средства измерений расхода (объема) воды: на источниках тепловой энергии — класса 1; у потребителей — классов 1 и 2 (в соответствии с документом, Методика осуществления коммерческого учета тепловой энергии, теплоносителя (зарегистрирован в Минюсте РФ № 34040, поэтому содержащим обязательные метрологические требования).
В.2 Пределы допускаемой относительной погрешности каналов объемного расхода и объема (для питьевой воды также массового расхода, и массы) у модификации АТ-Р-П и каналов объема у модификации АТ-Р-П-И, в зависимости от их конструктивного исполнения и классов точности и в соответствии с ГОСТ 28723, указаны в таблице В.2
Таблица В.2
Класс точности |
Конструктивное исполнение |
Пределы допускаемой погрешности |
А |
Только моноблочное |
± 0,25 % |
В |
Моноблочное и раздельное |
± 0,5 % |
В.З Пределы допускаемых погрешностей элементов каналов температуры, давления, объема с использованием преобразователей объема ПОИ без учета вклада погрешностей датчиков (являющихся средствами измерений утвержденных типов и поверяемых по своим методикам), а также элементов каналов объемного расхода в составе АТЧВ, приведены в таблице В.З
Таблица В.З
Вид допускаемой погрешности |
Наименование канала (элемента канала) измеряемой величины |
Значения пределов и единицы измерений |
Абсолютная |
Температура измеряемой среды без учета погрешности ТП |
± (0,2 + 0,0005 t) °C |
Абсолютная |
Температура измеряемой среды с учетом погрешности ТП |
±(|At|+0,2+0,0005 t) °C |
Приведенная к верхнему пределу |
Давление среды с учетом ПД |
±2% |
Относительная |
Давление среды без учета ПД |
± 1 % |
Относительная |
Массовый расход и масса среды |
± % |
Абсолютная |
Объем с применением ПОИ, без учета ПОИ (импульсный вход ИВП) |
± 1 импульс на 1000 импульсов |
Относительная |
Текущее время |
± 0,05% |
Относительная |
Объемный расход с преобразованием с помощью ГСС в стандартный выходной электрический сигнал (ток, частота, напряжение) |
±(0,2 +|5q|) % |
Примечания:
|
(справочное) Исключение грубых промахов
Для исключения грубых промахов при проведении поверки измерительных каналов АТ-Р (особенно каналов объемного расхода у экземпляров, имеющих класс точности А) могут применяться статистические критерии, базирующиеся на оценке параметров для законов распределения результатов измерений и их погрешностей.
Наиболее проблемным в АТ-Р является канал объемного расхода. На погрешность измерений расхода влияет множество трудно контролируемых факторов, в том числе появляющихся случайно и нечасто. При выявлении грубых промахов канала расхода следует учитывать также, что воспроизводимые эталонной расходомерной установкой значения расхода в точке могут изменяться (в международных стандартах допускаемое изменение этих значений в точках измерений составляет ± 5 %). Поэтому анализу должны подвергаться относительные погрешности единичных измерений (наблюдений) каналов расхода поверяемых АТ-Р. Анализ показал, что наилучшие результаты по выявлению грубых промахов здесь получаются с помощью вариационного критерия Диксона, приведенного, например, в монографии: Цейтлин В.Г. Расходоизмерительная техника. - М.: Изд-во стандартов, 1977, - 240 с.
Для проверки выделяющихся результатов измерений поверяемого канала расхода АТ-Р по критерию Диксона на первом этапе абсолютные значения погрешностей результатов измерений (их должно быть не менее четырех) должны быть расположены по возрастанию, т.е. 8х,8г,....8п_х,8п. Далее должно быть определено значение критерия Диксона по формуле:
Полученное значение критерия Диксона при заданном уровне значимости q, или f доверительной вероятности Рд = 1 - q. должно превосходить критическое значение Z? , которое должно определяться из таблицы Г. 1 в зависимости от количества измерений п для уровня значимости q = 0,05, соответствующего доверительной вероятности Рд = 0,95 (применяемого в большинстве случаев для технических расчетов):
Таблица Г. 1
п |
4 |
5 |
6 |
8 |
10 |
12 |
14 |
16 |
18 |
20 |
25 |
f |
0,765 |
0,642 |
0,560 |
0,468 |
0,412 |
0,376 |
0,349 |
0,329 |
0,313 |
0,300 |
0,277 |
Если полученное значение критерия Диксона превосходит критическое (таблица Г.1), то результат с погрешностью 8П должен быть отброшен, как грубый промах.
ПРИЛОЖЕНИЕ Д(обязательное)
Проверка соответствия контрольной суммы ПО АТ-Р установленному значению
Операции проверки соответствия значения контрольной суммы ПО АТ-Р поверяемого экземпляра АТ-Р, значению, указанному в его паспорте (соответствует значению, установленному в описании типа АТ-Р), выполняется в следующей последовательности.
Д.1 Подключить АТ-Р к компьютеру, схемы подключения в зависимости от модификации ИВП и АПВ изображены на рисунках Д.2, Д.З, Д.4 и Д5.
Д.2 Запустить технологическую программу WorkLab.exe (далее WorkLab).
Примечание: WorkLab поставляется предприятием-изготовителем по запросу юридических (физических) лиц, аккредитованных на право поверки АТ-Р
Д.2.1 Если WorkLab запускается впервые или способ подключения АТ-Р был изменен, требуется настроить подключение.
Д.2.2 Для настройки подключения необходимо в основном меню программы выбрать НАСТРОЙКИ—^СОЕДИНЕНИЕ, в открывшемся окне указать используемый СОМ порт, скорость выставить согласно настройкам АТ-Р (по умолчанию 9600).
Д.З С помощью WorkLab идентифицировать АТ-Р. (кнопка ^>)
Д.4 Программа выведет на экран компьютера основную информацию об АТ-Р.
Д.5 Убедиться в том, что у поверяемого АТ-Р контрольная сумма, считанная с экрана, соответствует указанной в его паспорте.
Д.6 На рисунке Д.1 показан вывод на экран компьютера с помощью WorkLab значения контрольной суммы ПО АТ-Р, на примере АТ-Р-П с ИВП АПВ1.

Тест процессорной платы ▼ 77^
инф. о АТ-Р-П (АПВ1) Мониторинг Контроль текущих Чтение БД
□ ■ Читать заголовки БД - Поиск пвибооа по запуск-/ поогоаммы

Основные параметры:
Средство измерения: АТ-Р-П (АПВ1)
Полная версия: ...... 01.06.00
Контрольная сумма: .. F218FEED
Полная контр, сумма:. 5С6ЕВВ
Идентификатор:
Рисунок Д. 1 — Отображение полученного значения контрольной суммы для АТ-Р-П с ИПВ АПВ1
Платформа подключения ИВП (АПВ1)
-
33 п +UP
-
34 »
-
23 Q +UDA
-
24 -UDA
+URS
-UP
Блок питания БПи- ЗВ
12 В, пит. катушек
6...12В осн. пит.
6...12 В, пит.
RS485
RS-485 сеть^

2651 GnRS
-220 В,
50 Гц
Преобразователь интерфейса AnM-USB/RS485
RS485
RSB |
2 |
RSA |
1 |
GND |
3 |
Рисунок Д.2 — Схема подключения ИВП с АПВ1 к ПК
(для модификаций АТ-Р-Т, АТ-Р-П)

Рисунок Д.З — Схема подключения ИВП-И с АПВ1 к ПК (для модификаций АТ-Р-Т-И, АТ-Р-П-И)
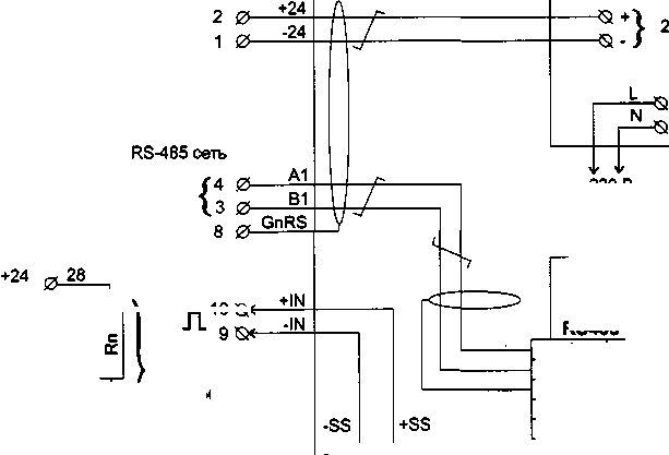
Платформа подключения ИВП и ИВП-И (АПВ2)
Блок питания БПи-12В
RS-485 сеть
14Sb
15iSh
+UP -UP
180GndR$
160-
170-
A1
B1


Рисунок Д.4 — Схема подключения ИВП (ИВП-И) с АПВ2 к ПК

Рисунок Д.5 — Схема подключения ИВП с АПВЗ к ПК
ПРИЛОЖЕНИЕ Е(обязательное)
Проведение измерений при наличии ИВП с АПВ1 или ИВП с АПВ2, без применения ПК, используя меню ПОВЕРКА
Е.1. Доступ к меню ПОВЕРКА разрешается путем установки переключателя ЕР, расположенного внутри платформы подключения, в положение ON.
Примечание — К служебному меню при поверке доступ разрешается с помощью пломбируемого переключателя GR, расположенного на основной плате. После проведения поверки этот переключатель должен быть снова опломбирован.
Е.2. Для выбора в меню пункта ПОВЕРКА, следует три раза нажать клавишу "Ф" на клавиатуре АТ-ДУ (или ИВП у модификации АТ-Р-П). При этом на дисплее АТ-ДУ (или ИВП у модификации АТ-Р-П) отображается надпись ПОВЕРКА.
Е.З. Последовательно устанавливаются эталонные значения измеряемых величин для заданных точек поверки, причем для сокращения времени поверки в АТ-Р в режиме ПОВЕРКА возможно за один сеанс одновременное измерение и запоминание значений расхода и температуры измеряемой среды, при этом, требуемые эталонные значения задаются: по расходу на поверочной установке, а по температуре имитируются имитаторами термопреобразователей (сопротивлениями на выходе магазинов сопротивления, при этом требуемые значения сопротивлений определяются по ГОСТ 6651).
Е.4. Вход в пункт меню ИЗМЕРЕНИЯ, осуществляется подачей команды «Ввод», для чего на клавиатуре АТ-ДУ (или панели индикатора ИВП у модификации АТ-Р-П) следует одновременно нажать клавишу "S" и клавишу При этом на дисплее АТ-ДУ (или ИВП у модификации АТ-Р-П) отображается надпись НАЧАЛО ИЗМЕРЕНИЙ.
Е.5. Для начала выполнения измерений при поверке один раз нажать клавишу "Ф" или подать напряжение +12 В на контакты "+SS" и "-SS" («Старт/стоп»), Причем команде «Старт» - соответствует подача напряжения «+12 В» (данный сигнал может подаваться и автоматически, например, с поверочной расходомерной установки. При этом на дисплее АТ-ДУ (или ИВП у модификации АТ-Р-П) отображается надпись ИДУТ ИЗМЕРЕНИЯ. Окончание единичного измерения осуществляется однократным нажатием клавиши "Д'" или снятием напряжения «+12 В» с контактов "+SS" и "-SS" (вручную или автоматически с поверочной установки). При этом на дисплее АТ-ДУ (или ИВП у модификации АТ-Р-П) отображается надпись КОНЕЦ ИЗМЕРЕНИЙ.
Е.6. Для перехода в пункт меню ПОВЕРКА следует нажать клавишу "Ф"
Е.7. Время единичного измерения при поверке элементов каналов без датчиков выбирается не менее:
-
- для каналов давления и температуры — 20 с;
-
- для каналов расхода при заданном значении расхода — времени наполнения поверочной средой эталонной емкости при данном расходе;
-
- для каналов объема с применением ПОИ (только для модификации АТ-Р-Т и только с АПВ2) — по времени приема на импульсный вход ИВП пакета импульсов, состоящего из 1000 импульсов (или по требованию потребителей 10000 импульсов).
Е.8. За время единичного измерения Tss = (ТстоП - Т^рт) с помощью поверяемого АТ-Р измеряются и запоминаются:
-
- значения объема V или массы М измеряемой среды (в зависимости от принципа действия поверочной установки), прошедшие через датчик расхода ППР, а также средние за время Tss значения объемного и массового расхода, температуры, и давления среды;
-
- только для АТ-Р-Т с АПВ2 значение объема Уи, накопленное после поступления на импульсный вход ИВП пакета из 1000 импульсов (или по требованию потребителей 10000 импульсов);
Е.9. Для считывания с дисплея АТ-ДУ (или ИВП у модификации АТ-Р-П) значений измеренных величин требуется, находясь в пункте меню ПОВЕРКА, нажимать клавишу При этом на дисплее АТ-ДУ (или ИВП у модификации АТ-Р-П) будут последовательно отображаться измеренные значения величин (рисунок К.1), где:
-
- Tss = (Тстоп - Тстарт) — время единичного измерения;
-
- Gv — среднее, за время Tss, значение объемного расхода поверочной среды;
-
- Gm — среднее, за время Tss, значение массового расхода поверочной среды;
-
- V — значение объема поверочной среды, накопленное за время Tss;
-
- М — значение массы поверочной среды, накопленное за время Tss;
-
- tlk — среднее, за время Tss, значение температуры поверочной среды;
-
- Р — среднее, за время Tss, значение давления поверочной среды;
-
- Gi — среднее за время Tss значение кода расхода (служебная информация);
-
- Уи — значение объема по каналу объема с преобразователем объема ПОИ, (только для модификации АТ-Р-Т с АПВ2) определяемое, как Уи = AV*N, где: AV — объем соответствующий одному импульсу (установлен разработчиком для данного значения номинального диаметра ППР), N — число импульсов, принятых по импульсному входу ИВП, при отправленном с генератора эталонного пакете в 1000 импульсов (или по требованию —10000 импульсов).
Е.10. Определение погрешности единичного измерения канала текущего времени АТ-Р проводится в следующей последовательности:
-
- эталонный секундомер (далее ЭС) настраивается на измерение длительности импульса положительной полярности;
-
- соединяются входы СТАРТ/СТОП поверяемого АТ-Р и ЭС, схема подключения приведена в приложении Б, рис. Б.З;
-
- показания ЭС обнуляются;
-
- на соответствующие входы АТ-Р и ЭС синхронно подается команда «Старт», после чего начнется отсчет времени и по АТ-Р, и по ЭС;
-
- через 360 с подается команда «Стоп» и считываются показания АТ-Р и ЭС;
-
- погрешность канала текущего времени АТ-Р определяется по формуле (3)
Рисунок Е. 1 — Строка измеряемых величин пункта меню ПОВЕРКА.
Примечания
-
1 При экспериментальном определении погрешностей элементов каналов объема с преобразователями объема ПОИ без учета вклада ПОИ (т.е. погрешности импульсного входа ИВП) для упрощения измерения числа импульсов N, поступивших на вход импульсного входа ИВП, значение ДУ — объема соответствующего одному импульсу, принимается равным 1 м3/имп., тогда получается, что измеренное значение Уи численно равно искомому численному значению N (см. также п. 1.4).
-
2 В архиве АТ-Р, где в условиях эксплуатации регистрируется значение объема, измеряемое с помощью ПОИ нарастающим итогом, при выполнении операций поверки импульсного входа ИВП, содержимое архива остается без изменений.
-
3 При входе в пункт меню ИЗМЕРЕНИЯ, в АТ-Р автоматически происходит переход в режим ОСТАНОВ, для возобновления счета необходимо выбрать пункт меню ВКЛ. СЧЕТА и подать команду «ввод», (одновременно нажать клавишу "S" и клавишу "->")
-
4 Для облегчения подачи команды «ввод», следует клавишу "S" нажимать и удерживать во время нажатия клавиши
-
5 АТ-Р-Т-И и АТ-Р-П-И с ИВП АПВ1 не имеют встроенного меню поверка и должны проходить поверку под управлением ВПО (н-р: KMGraduir)
(обязательное)
Проведение измерений при наличии ИВП с АПВЗ, без применения ПК, используя меню ПОВЕРКА
Ж.1 Доступ к меню ПОВЕРКА разрешается путем установки переключателя ЕР, расположенного внутри платформы подключения, в положение ON.
Примечания
-
1 К служебному меню при поверке доступ разрешается с помощью пломбируемого переключателя GR, расположенного на основной плате.
-
2 После проведения поверки этот переключатель GR должен быть опломбирован.
Ж.2 Для перехода в меню проведения поверки необходимо последовательно нажимать клавишу на сенсорной панели АТ-Р до появления надписи ПОВЕРКА.
Ж.З Для каждого поверяемого канала (элемента канала) АТ-Р с помощью эталонных средств поверки последовательно устанавливаются эталонные значения измеряемой величины, установленные для заданных точек поверки. В каждой точке поверки проводятся не менее двух единичных измерений (наблюдений).
Ж.4 Вход в меню ПОВЕРКА, осуществляется нажатием и удержанием клавиши на время не менее пяти секунд. При этом на дисплее поверяемого АТ-Р отображается карта ПОВЕРКА (СТОП).
Ж.5 Начало выполнения измерений, осуществляется подачей на контакты "+IN" и "-IN" (Старт/стоп) сигнала «Старт» - напряжения Uss В (которое подается автоматически, например, с расходомерной установки. При этом на дисплее поверяемого АТ-Р в верхней строке меню символ остановки измерений “(Р)” сменится символом проведения измерений “(►)”.
Ж.6 Окончание единичного измерения осуществляется снятием с контактов "+SS" и "-SS" (Старт/стоп) напряжения Uss В. При этом на дисплее АТ-Р символ проведения измерений “(►)” сменится символом остановки измерений “(Р)”. Команда на окончание единичного измерения подается по истечении времени единичного измерения Tss, которое фиксируется. При этом наименьшее время единичного измерения (Tss)mjn при поверке с использованием сетевого электропитания выбирается:
-
- для каналов давления температуры и разности температур (без датчиков) - 20 с;
-
- для каналов расхода - по времени наполнения при заданном расходе поверочной средой эталонной емкости (по которой поверяются эталонные счетчики-расходомеры в составе расходомерной установки (на малых расходах до 200 с).
За время единичного измерения Tss = (Тстоп - Тстарт) АТ-Р измеряют и запоминают значения объема и массы измеряемой среды, прошедшей через датчик расхода ППР, а по ним средние за время Tss значения объемного и массового расхода, температуры, и давления измеряемой среды.
Ж. 7 Считывание с дисплея поверяемого АТ-Р полученных значений измеренных величин осуществляется последовательным нажатием клавиши: при этом на дисплее АТ-Р будут последовательно отображаться измеренные величины (рисунок Л.1.), где:
Gi - среднее за время Tss значение кода, зависящее от значения расхода (служебная информация).
Gv - средний за время Tss объемный расход;
Gm - средний за время Tss массовый расход;
Tss = (Тстоп - Тстарт) - время единичного измерения;
VI - объем, накопленный за время Tss;
Ml - масса, накопленная за время Tss;
tl - средняя за время Tss температура измеряемой среды;
Р1 - среднее за время Tss давление измеряемой среды в кг/см2.
Ж. 8 Определение погрешности единичного измерения канала текущего времени АТ-Р проводится в следующей последовательности:
-
- эталонный секундомер (далее ЭС) настраивается на измерение длительности импульса положительной полярности;
-
- соединяются входы СТАРТ/СТОП поверяемого АТ-Р и ЭС, схема подключения приведена в приложении Б, рис. Б.З;
-
- показания ЭС обнуляются;
-
- на соответствующие входы АТ-Р и ЭС синхронно подается команда «Старт», после чего начнется отсчет времени и по АТ-Р, и по ЭС;
-
- через 360 с подается команда «Стоп» и считываются показания АТ-Р и ЭС;
-
- погрешность канала текущего времени АТ-Р определяется по формуле (3)
Рисунок Ж. 1.— Строка измеряемых величин в меню ПОВЕРКА
Примечание — В АТ-Р по многочисленным просьбам пользователей качестве основной единицы измерений давления в применяется техническая атмосфера, т.е. 1 кгс/см2, поскольку данная единица наиболее удобна с практической точки зрения, в меню АТ-Р для краткости и удобства индикации на дисплее применяется обозначение «атм»
Ж.9 Для выхода из меню ПОВЕРКА в основное меню необходимо последовательным нажатием клавиши выбрать карту меню ПОВЕРКА (ВЫХОД) после чего удерживать нажатой клавишу не менее пяти секунд.
Примечания
-
1 При входе в меню ПОВЕРКА в АТ-Р АПВЗ автоматически производится переход счета в режим СТОП. Для возобновления счета необходимо выбрать карту меню — СИСТЕМНОЕ ВРЕМЯ и удерживать нажатой клавишу не менее пяти секунд. После чего в нижней строке меню отобразится СОСТОЯНИЕ: СЧЕТ.
-
2 АТ-Р с ИВП АПВЗ в режиме поверка находится не более суток, после чего автоматически переходит в режим останов счета.
-
3 Uss - сигнал старт/стоп напряжением от 9 до 26 В (старт) и 0 В (стоп).
(обязательное)
Поверка АТ-ДУ и периферийных устройств (вспомогательных компонентов)
Поверка АТ-ДУ и периферийных устройств, указанных в п.5.13, осуществляется в части проверки их способности (как элементов каналов) выполнять операции с измерительной информацией без ее искажений, выполняется в следующей последовательности.
И.1 Подключить АТ-Р к компьютеру, схема подключения изображена на рисунках И.1.
И.2 Запустить WorkLab.exe (далее WorkLab).
Примечание: WorkLab поставляется предприятием-изготовителем по запросу юридических (физических) лиц, аккредитованных на право поверки АТ-Р
И.2.1 Если WorkLab запускается впервые или способ подключения АТ-Р был изменен, требуется настроить подключение.
И.2.2 Для настройки подключения необходимо в основном меню программы выбрать НАСТРОЙКИ—^СОЕДИНЕНИЕ, в открывшемся окне указать используемый СОМ порт, скорость выставить согласно настройкам АТ-Р (по умолчанию 9600).
И.З С помощью WorkLab идентифицировать АТ-Р. (кнопка Ч)
И.4 Программа выведет на экран компьютера основную информацию об АТ-Р.
а
И.5 С помощью WorkLab перейти в окно тестирования связи (кнопка )
И.6 Запустить тестирование связи АТ-Р - ПК (кнопка ПУСК)
И.7 По прошествии 1000 циклов обмена данными (при условии что процент ошибок <5%) завершить тест (кнопка СТОП), в противном случае завершить тест досрочно.
И.7 АТ-ДУ либо иной вспомогательный компонент признается годным если процент ошибок не превышает 5 и не зарегистрировано ошибок вида ОШИБКА ДАННЫХ.
Платформа подключения ИВП (АПВ2)
Блок питания БПи-12В
RS-485
сеть
+UP-
15^ zUP
160
170
180
А1
В1 GnRS


12В
--^-4$
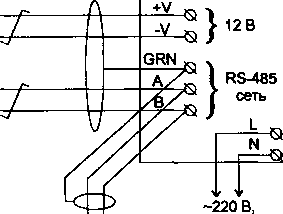
В х, ( RS-485 GRN^J «"ь
N _ -220

Преобразователь интерфейса AnM-USB/RS485
RS485
1 |
RSA |
2 |
RSB |
3 |
GND |

Ф V -220 В,
50 Гц
Панель доступа и
управления АТ-ДУ
В1 |
2 | |
А1 |
1 | |
-UP |
4 | |
+UP |
3 | |
А2 |
5 | |
В2 |
6 | |
АЗ |
7 | |
ВЗ |
8 |
RS-485 SLAVE
RS-485 MASTER
Рисунок И. 1.— Схема подключения АТ-ДУ к ИВП и ПК.
36