Методика поверки « МОДУЛИ ИЗМЕРИТЕЛЬНЫЕ МИ-СН4» (MП-128-RA.RU.310556-2017)
УТВЕРЖДАЮ
Заместитель директора

ФГ «СНИИМ»
В.Ю. Кондаков
«14» марта 2018 г.
МОДУЛИ ИЗМЕРИТЕЛЬНЫЕ МИ-СН4Методика поверки
МП-128-RA.RU.3105 56-2017г. Новосибирск 2017 г.
Настоящая методика поверки распространяется на Модули измерительные МИ-СН4 (далее - Модули), предназначенные для измерения объемных долей метана в воздухе в составе устройства оповещения SBGPS Light-4 или другого совместимого оборудования и устанавливает методы их первичной поверки при выпуске из производства, после ремонта и периодической поверки в процессе эксплуатации.
Интервал между поверками - 1 год.
-
1 ОПЕРАЦИИ ПОВЕРКИ
-
1.1 При проведении поверки должны быть выполнены операции, указанные в таблице 1.
-
Таблица 1 - Операции поверки
Наименование |
Номер пункта |
операции |
методики поверки |
1 Внешний осмотр |
6.1 |
2 Опробование |
6.2 |
3 Определение метрологических характеристик |
6.3 |
-
1.2 В случае получения отрицательного результата при проведении какой-либо из операций поверка прекращается.
-
2 СРЕДСТВА ПОВЕРКИ
-
2.1 При проведении поверки применяют средства, указанные в таблице 2.
-
Таблица 2 - Средства поверки
Номер пункта методики поверки |
Наименование и тип основного или вспомогательного средств поверки; обозначение нормативного документа, регламентирующего технические требования и (или) метрологические и основные технические характеристики средства поверки |
6.3 |
Поверочный нулевой газ (воздух) в баллонах под давлением, ТУ 6-21-5-82 |
6.3 |
ГСО-ПГС «СН4 - воздух» в баллонах под давлением, ГСО 10642-2015 |
6.3 |
ГСО-ПГС «СН4 - воздух» в баллонах под давлением, ГСО 10749-2016 |
6.2,6.3 |
Прибор комбинированный «Testo-622» (Per. № 44744-10), Температура: от -10 до +60 °C ПГ ±0,4 °C; Относительная влажность: от 10 до 98 % ПГ ±3 %; Абсолютное давление: от 300 до 1200 гПа, ПГ ±5 гПа |
6.3 |
Ротаметр РМ-А-0,063Г УЗ, ТУ 25-02.070213-82, верхняя граница диапазона измерений объемного расхода 0,063 м3/ч, кл. точности 4 |
6.3 |
Вентиль точной регулировки ВТР-1. ЛНПК4.463.000 ТУ, диапазон рабочего давления от 0 до 15 МПа |
6.3 |
Установка поверочная КИМ (Per. № 9129-83) ТУ 12.48.188-84, диапазон измерений объемных долей метана в воздухе от 0 до 3 %, ПГ ±0,06 об. доля % в диапазоне от 0 до 2 об. доля %, ПГ ±0,1 об. доля % в диапазоне от 2 до 3 об. доля % |
6.3 |
Метан газообразный ТУ 51-841-87 |
6.3 |
Секундомер СОПпр (Per. № 11519-11), ТУ 251894.003-90, класс точности 2 |
6.3 |
Трубка поливинилхлоридная (ПВХ) 6x1,5 мм, ТУ 64-2-286-79 |
6.3 |
Адаптер для модулей измерительных СГМИ МКВЕ.Э052-23-00 |
6.3 |
Персональный компьютер с установленной программой «SBGPS Техническое обслуживание 2.Х» |
-
2.2 Все средства измерений должны иметь действующие свидетельства о поверке, стандартные образцы состава в баллонах под давлением - действующие паспорта.
-
2.3 Допускается использование других средств поверки, обеспечивающих определение метрологических характеристик Модулей с требуемой точностью.
-
3 ТРЕБОВАНИЯ БЕЗОПАСНОСТИ
-
3.1 Помещение, в котором проводят поверку, должно быть оборудовано приточно-вытяжной вентиляцией и средствами пожаротушения. Не допускается сбрасывать ГСО-ПГС в атмосферу рабочих помещений.
-
3.2 В помещении должна быть исключена возможность образования взрывоопасных метановоздушных смесей.
-
3.3 При работе с баллонами, содержащими поверочные газовые смеси под давлением, необходимо соблюдать требования техники безопасности согласно Федеральным нормам и правилам в области промышленной безопасности «Правила промышленной безопасности опасных производственных объектов, на которых используется оборудование, работающее под избыточным давлением» (утв. приказом Федеральной службы по экологическому, технологическому и атомному надзору от 25 марта 2014 г. N 116).
-
3.4 При проведении поверки должны быть соблюдены требования безопасности по ГОСТ 12.3.019-80.
-
3.5 При проведении поверки должны соблюдаться требования безопасности, изложенные:
-
-
- в руководстве по эксплуатации Модулей МКВЕ.Э061-01-50 РЭ;
-
- в эксплуатационных документах средств измерений, используемых при поверке.
-
4 УСЛОВИЯ ПОВЕРКИ
-
4.1 При проведении поверки должны быть соблюдены следующие условия:
-
-
- температура окружающей среды - (20 ± 5) °C. Изменение температуры окружающей среды и ГСО-ПГС за время проведения поверки не должно превышать ±2 °C;
“ относительная влажность воздуха - от 20 до 80 % при 20 °C. Изменение влажности за время проведения поверки не должно превышать ±10 %;
-
- атмосферное давление - (101,3 ± 3,3) кПа. Изменение давления за время проведения поверки не должно превышать ±1 кПа;
-
- механические воздействия, внешние электрические и магнитные поля (кроме магнитного поля Земли), влияющие на работу Модулей, должны быть исключены;
-
- расход ПГС (0,14 - 0,16) л/мин.
-
5 ПОДГОТОВКА К ПОВЕРКЕ
-
5.1 Выполнить мероприятия по обеспечению условий безопасности.
-
5.2 Выдержать Модули и баллоны с ГСО-ПГС в помещении, где проводится поверка, в течение времени, необходимого для выравнивания их температуры с температурой помещения.
-
5.3 Проверить наличие и работоспособность основных и вспомогательных средств поверки, перечисленных в таблице 2.
-
5.4 Проверить наличие действующих свидетельств или отметок о поверке на средства измерений, перечисленные в таблице 2.
-
5.5 Проверить наличие паспортов и сроки годности ГСО-ПГС.
-
5.6 Подготовить поверяемый Модуль и средства поверки к работе в соответствии с требованиями их эксплуатационной документации.
-
-
6 ПРОВЕДЕНИЕ ПОВЕРКИ
-
6.1 Внешний осмотр
-
При проведении внешнего осмотра должно бьггь установлено соответствие Модуля следующим требованиям:
-
- Модуль не должен иметь повреждений и дефектов, влияющих на работоспособность;
-
- на корпусе Модуля должна быть неповрежденная защитная наклейка (пломба) изготовителя;
-
- комплектность (при первичной поверке) и маркировка Модуля должны соответствовать руководству по эксплуатации МКВЕ.Э061-01-50 РЭ;
-
- в разделе «Свидетельство о приемке» паспорта МКВЕ.Э061-01-50 ПС должны быть печать и подпись представителя ОТК (при первичной поверке).
Модуль считается выдержавшим поверку, если он соответствует перечисленным выше требованиям.
-
6.2 Опробование
-
6.2.1 Подключить Модуль к адаптеру для модулей измерительных СЕМИ МКВЕ.Э052-23-00 в соответствии с руководством по эксплуатации адаптера. Адаптер является вспомогательным оборудованием, обеспечивающим электропитание модулей, считывание и передачу цифрового сигнала по Wi-Fi.
-
6.2.2 Подать на адаптер питание и выждать время прогрева Модуля не менее 2 минут.
-
6.2.3 Результат опробования считают положительным, если после окончания времени прогрева Модуль переходит в режим измерений и на мониторе компьютера в окне программы «SBGPS Техническое обслуживание 2.Х» отображаются текущие значения.
-
-
6.3 Определение метрологических характеристик
-
6.3.1 Проверка производится с использованием Государственных стандартных образцов -поверочных газовых смесей (далее - ПГС), перечень которых приведен в таблице 3.
-
6.3.2 Допускается проводить поверку Модулей МИ-СН4 в составе устройства оповещения SBGPS Light-4 с использованием установки поверочной КИМ. Создаваемые в камере КИМ объемные доли метана должны соответствовать указанным в таблице 3.
-
Таблица 3 - ПГС, применяемые при поверке
Определяемый компонент |
Диапазоны измерений, об. доля |
Содержание компонента в ПГС, допускаемое отклонение от номинального значения, об. доля | ||
ПГС 1 |
ПГС 2 |
пгсз | ||
Метан (СНд) |
от 0 до 2,5 % |
ПНГ |
1,4 ±0,2% в воздухе |
2,4 ± 0,2 % в воздухе |
ПНГ- поверочный нулевой газ «Воздух» по ТУ 6-21-5-85.
-
6.3.3 Собрать схему подачи газовоздушной смеси в соответствии с Приложением А.
-
6.3.4 Подключить Модуль к адаптеру для модулей измерительных СГМИ МКВЕ.Э052-23-00 в соответствии с руководством по эксплуатации на адаптер.
-
6.3.5 Скорректировать нулевые показания Модуля в соответствии с п. 2.4 «Градуировка модулей измерительных» руководства по эксплуатации МКВЕ.Э061-01-50 РЭ.
-
6.3.6 Определить основную погрешность измерений Модуля в следующем порядке:
-
6.3.6.1 Подключить баллон с ПГС 1 в соответствии с таблицей 3.
-
6.3.6.2 С помощью вентиля точной регулировки установить по показаниям ротаметра расход ПГС (0,14 - 0,16) л/мин. Время подачи ГСО-ПГС - не менее 90 с.
-
6.3.6.3 Зафиксировать значение проверяемой величины по показаниям на мониторе компьютера в окне программы «SBGPS Техническое обслуживание 2.Х».
-
6.3.6.4 Повторить п. 6.3.6.1 - 6.3.6.3, подавая ПГС в последовательности №№ 1 - 2 - 3 - 2 -1 - 3 в соответствии с таблицей 3.
-
6.3.6.5 По результатам измерений, полученным в каждой точке проверки, определить основную абсолютную погрешность Модуля.
-
6.3.6.6 Значение основной абсолютной погрешности Модуля Д, % об. вычислить по формуле:
U3M
(1)
-
где:
Cwiw — показания Модуля в точке проверки, % об.;
Сд - действительное значение содержания определяемого компонента в точке проверки, указанное в паспорте на ГСО-ПГС, % об., или показания установки поверочной КИМ, % об., при поверке Модулей в составе устройства оповещения SBGPS Light-4 с использованием установки поверочной КИМ.
6.3.7 Результат проверки считают положительным, если полученные значения основной абсолютной погрешности в каждой точке поверки находятся в пределах ± 0,2 % об._д.
ОФОРМЛЕНИЕ РЕЗУЛЬТАТОВ ПОВЕРКИ
-
7.1 Результаты поверки оформляют протоколом произвольной формы.
-
7.2 Положительные результаты поверки Модуля оформляют свидетельством о поверке или записью в паспорте, заверяемой подписью поверителя и знаком поверки в соответствии с приказом Минпромторга РФ № 1815 от 2 июля 2015 г. Знак поверки наносится на свидетельство о поверке или в паспорт.
-
7.3 Результаты поверки считаются отрицательными, если при проведении поверки установлено несоответствие хотя бы по одному из пунктов настоящей методики.
-
7.4 Отрицательные результаты поверки оформляются выдачей извещения о непригодности.
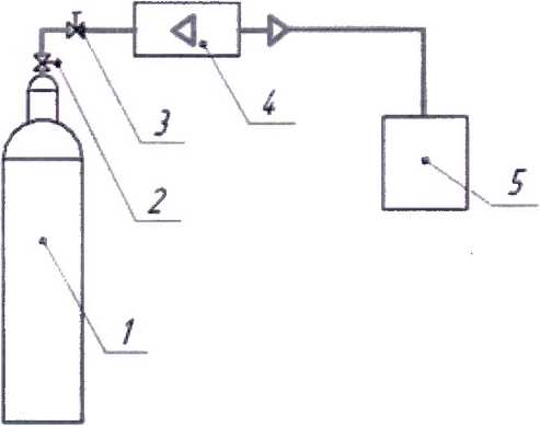
Приложение А

1 - баллон с ПГС; 2 - вентиль; 3 - вентиль точной регулировки;
4 - ротаметр; 5 - адаптер или установка поверочная КИМ
Рисунок 1 - Схема подачи ПГС из баллонов под давлением