Методика поверки «Преобразователи давления измерительные КМ35» (МЦКЛ.0235.МП)

Преобразователи давления измерительные КМ35
МЕТОДИКА ПОВЕРКИ МЦКЛ.0235.МП
Москва 2018 г.
СОДЕРЖАНИЕ
I (1>, t
Ll
ВВЕДЕНИЕНастоящая методика поверки распространяется на Преобразователи давления измерительные КМ35 (далее - преобразователи), серийно выпускаемые ООО НПП «ГКС», г. Казань в соответствии с требованиями ТУ 4212-022-94291860-2017, и устанавливает методы и средства их первичной и периодической поверки.
Первичную и периодическую поверку проводят органы Государственной метрологической службы или юридические лица, аккредитованные на право поверки в соответствии с действующим законодательством.
Интервал между поверками - пять лет.
Периодическую поверку должен проходить каждый экземпляр преобразователей. Периодической поверке могут не подвергаться преобразователи, находящиеся на длительном хранении. Периодическую поверку преобразователей, используемых для измерений на меньшем числе диапазонов измерений (коэффициентов перенастройки), допускается на основании решения главного метролога или руководителя юридического лица производить только для применяемых диапазонов измерений.
Внеочередной поверке в объеме периодической подвергают преобразователи в случае утраты документов, подтверждающих прохождение поверки, вводе в эксплуатацию после длительного хранения (более одного интервала между поверками) или неудовлетворительной работе. При перенастройке диапазонов измерений в пределах установленных в эксплуатационной документации внеочередная поверка преобразователей не проводится.
1 ОПЕРАЦИИ ПОВЕРКИ-
1.1 При проведении первичной и периодической поверки преобразователей выполняют операции, приведенные в таблице 1
Таблица 1 - Операции поверки
Наименование операции поверки |
Номер пункта методики поверки |
Операции при проведении | |
первичной поверки |
периодической поверки | ||
1 Внешний осмотр |
6.1 |
Да |
Да |
2 Проверка электрической прочности и сопротивления изоляции |
6.2 |
Да |
Да |
3 Подтверждение соответствия программного обеспечения |
6.3 |
Да |
Да |
4 Опробование |
6.4 |
Да |
Да |
5 Определение основной погрешности |
6.5 |
Да |
Да |
6 Определение вариации выходного сигнала |
6.6 |
Да |
Да |
-
2.1 При проведении поверки применяют средства поверки, указанные в таблице 2.
Таблица 2 - Используемые средства поверки
Наименование средств поверки |
Характеристики средств поверки |
Калибраторы давления СРС2090, СРС2000, СРС3000, СРС6000, СРС8000, СРС8000-Н, СРН7600 |
Диапазон измерений от -0,1 до 70 МПа, пределы допускаемой погрешности от ±0,0026 % Рк; ±0,004 % Рк; ±0,005 % Рк; ±0,01 % Рк; ±0,0125 % Рк; ±0,025 % Рк; ±0,03 % Рк; ±0,008 % Рх; ±0,01 % Рх; ±0,02 % Рх; ±0,025 % Рх |
Мера электрического сопротивления однозначная МС 3050М |
Номинальные значения сопротивления из ряда 1*10п (где п=0,1,2,3,4,5) и не кратные десяти в диапазоне (1,1. ..99999), классы точности 0,0005; 0,001; 0,002; 0,005; 0,01 |
Мультиметр цифровой с системой сбора данных 2700 |
Диапазон измерений постоянного напряжения от - 1000 до 1000, основная погрешность (А* изм.знач. + В* пред.изм.)*10'6, где А и В - Мультипликативная и аддитивная погрешности |
Источник постоянного тока |
Значение напряжения на выходе от 10 до 50 В. Пределы допускаемого отклонения ±0,5 % от установленного значения напряжения |
Манометр избыточного давления грузопоршневой МП-600 |
Пределы допускаемой основной погрешности: ±0,01 %, ±0,02 %, ±0,05 % от измеряемого давления в диапазоне измерений от 1 до 60 МПа |
Манометр избыточного давления грузопоршневой МП-2500 |
Пределы допускаемой основной погрешности ±0,01 %, ±0,02 %, ±0,05 % от измеряемого давления в диапазоне измерений от 25 до 250 МПа |
Мановакуумметр грузопоршневой типа МВП-2,5 |
Класса точности 0,02; 0,05, диапазон измерений от минус 95 до 250 кПа, ТУ 4212-005-48318935-99 |
Манометр избыточного давления грузопоршневой МП-6 |
Пределы допускаемой основной погрешности: 0,01 %, ±0,02 %, ±0,05 % от измеряемого давления в диапазоне измерений от 0,1 до 0,6 МПа |
Калибратор давления портативный (избыточного, вакуумметрического и разности давлений) ПКД- |
Диапазон измерений от 0,01 до 160 кПа. Пределы допускаемой основной погрешности ±0,05 % от верхнего предела измерений поддиапазона модуля давления, ТУ 4212-002-36897690-93 |
Манометр для точных измерений МТИ |
Диапазон измерений от 0 до 160 МПа. Класс точности 1,0, ТУ 25-05-1481-73 |
Вакуумметр для точных измерений ВТИ |
Диапазон измерений от минус 100 до 0 кПа. Класс точности 1,0, ТУ 25-05-1481-73 |
Задатчик давления «Воздух-1,6» |
Пределы воспроизведения избыточного давления от 1 до 160 кПа. Пределы допускаемой основной погрешности -±0,02 %, ±0,05 % от задаваемого давления, ТУ 50.552-86 |
Задатчик давления «Воздух-2,5» |
Пределы воспроизведения избыточного давления от 2,5 до 250 кПа. Пределы допускаемой основной погрешности: ±0,02 %, ±0,05 % от задаваемого давления, ТУ 50.552-86 |
Задатчик давления «Воздух-6,3» |
Пределы воспроизведения избыточного давления от 10 до 630 кПа. Пределы допускаемой основной погрешности: ±0,02 %, ±0,05 % от задаваемого давления, ТУ 50.552-8 |
Задатчик разряжения Метран-503 Воздух |
Пределы воспроизведения разрежения от минус 0,25 до минус 63 кПа. Пределы допускаемой основной абсолютной погрешности ±0,8 Па в диапазоне измерений от 0,25 до 4 кПа. Пределы допускаемой основной погрешности в диапазоне измерений от 4 до 63 кПа ±0,02 % от задаваемого давления, ТУ 4381-003-36897690-2003 |
Образцовая катушка сопротивления Р331 |
Сопротивление 100 Ом, класс точности 0,01, ТУ 25-04.3368-78 |
Мера электрического сопротивления однозначная МС 3006 |
Сопротивление от 1 Ом до 1000 кОм, класс точности 0,001, ТУ 303-10.0035-90 |
Магазин сопротивлений Р-33 |
Сопротивление до 99999,9 Ом, класс точности 0,2, ТУ 25-04-296-75 |
Персональный компьютер |
В комплекте с преобразователем сигналов HART в сигналы интерфейса RS232/USB для связи с персональным компьютером через его стандартный последовательный порт (также оборудование и программное обеспечение для опроса преобразователей по цифровым интерфейсам Profibus РА и FOUNDATION Fieldbus) |
22 Допускается применение аналогичных средств поверки, обеспечивающих поверку
метрологических характеристик преобразователей с требуемой точностью (см. п. 6.5.5 и п. 6.5.6).
-
2.3 Средства поверки должны быть исправны, средства измерений поверены и иметь свидетельства о поверке или оттиск поверительного клейма на приборе или в технической документации.
-
3.1 Поверка должна осуществляться лицами, аттестованными в качестве поверителей в установленном порядке.
-
3.2 К поверке преобразователей допускаются лица, прошедшие инструктаж о мерах безопасности при работе с электроизмерительными приборами и изучившие техническую и эксплуатационную документацию на преобразователи и средства поверки.
-
4.1 При проведении поверки должны быть соблюдены все требования безопасности в соответствии с ГОСТ 12.3.019-80
-
4.2 Запрещается снимать поверяемый преобразователь с устройства для создания давления без сброса давления.
-
4.3 Источником опасности при монтаже и эксплуатации преобразователей являются электрический ток и давление измеряемой среды.
-
4.4 При всех работах с преобразователями и средствами поверки необходимо соблюдать следующие меры предосторожности:
-
- перед каждым включением необходимо проверить исправность сетевого шнура и заземления;
-
- устранение дефектов, замена преобразователей, присоединение и отсоединение кабелей должно проводиться только при отключенном питании (вилка сетевого шнура должна быть вынута из розетки) и при атмосферном давлении.
-
5.1 При проведении поверки должны быть соблюдены следующие условия:
-
- температура окружающего воздуха, °C..........................................................от 15 до 25;
-
- относительная влажность окружающего воздуха, %....................................от 20 до 80;
-
- атмосферное давление, кПа (мм рт. ст.)......................... от 84 до 106,7 (от 630 до 800);
-
- напряжение питания постоянного тока, В................................................в соответствии
с паспортом на преобразователь;
-
- вибрация, тряска, удары, наклоны и магнитные поля (кроме земного), влияющие на работу преобразователей, должны быть исключены.
-
5.2 Перед проведением поверки должны быть выполнены следующие подготовительные работы:
-
- преобразователь должен быть выдержан при температуре, указанной в п. 5.1 не менее 4 часов;
-
- преобразователь должен быть установлен в рабочее положение с соблюдением указаний в технической и эксплуатационной документации. Уровень измерений давления преобразователем должен находиться в одной горизонтальной плоскости с уровнем измерений давления рабочим эталоном давления с допускаемым отклонением ± 2 мм.
При отсутствии технической возможности выполнения измерений давления рабочим эталоном и поверяемыми преобразователем в одной горизонтальной плоскости, в показания поверяемого преобразователя вводят поправочный коэффициент, рассчитываемый по формуле:
где: P - давление, измеряемое эталонным прибором, Па;
рж - плотность рабочей жидкости, кг/м3;
gM - значение местного ускорения свободного падения, м/с2;
Н - разность высот между уровнями измерений эталонным и поверяемым приборами, м.
- система, состоящая из соединительных линий, средств измерений и вспомогательного оборудования для задания и передачи измеряемого параметра должна быть проверена на герметичность в соответствии с п. 5.3.
-
5.3 Проверка герметичности системы проводится при значениях давления, равных 120 % от верхнего предела измерений поверяемого преобразователя.
Систему считают герметичной, если после 3-х минутной выдержки под испытательным давлением, в течении последующих 2-х минут в ней не наблюдают падения давления.
Допускается изменение давления, обусловленное изменением температуры окружающего воздуха и изменением температуры измеряемой среды, которое не должно превышать значений, указанных в таблице 3.
Таблица 3 - Допускаемые изменения параметров
Верхний предел измерений, МПа |
Допускаемое изменение температуры в процессе поверки, °C |
Допускаемое изменение давления при проверке на герметичность, % от верхнего предела измерений | |
пневматическим давлением |
гидравлическим давлением | ||
от 0,1 до 0,6 |
± 1 |
0,6 |
- |
от 0,6 до 10 |
- |
1 | |
от 10 и более |
- |
0,5 |
Примечание. При меньшем изменении температуры допускаемое изменение давления пропорционально уменьшается.
Если система предназначена для поверки прибора с разными значениями верхних пределов измерений, проверку герметичности рекомендуется проводить при давлении, соответствующем наибольшему из этих значений.
6 ПРОВЕДЕНИЕ ПОВЕРКИ-
6.1 Внешний осмотр
При внешнем осмотре преобразователя устанавливают:
-
- соответствие его внешнего вида технической документации и отсутствие видимых дефектов;
-
- наличие клеммных колодок и (или) разъемов для внешних соединений, устройства для регулировки «нуля» и диапазона, клемм контроля выходного сигнала и др.;
-наличие дополнительных выходных устройств — электрических аналоговых или цифровых индикаторов и (или) других устройств, предусмотренных технической 7
документацией на преобразователь;
-
- наличие на корпусе преобразователя таблички с маркировкой, соответствующей требованиям технической и эксплуатационной документации;
-
- наличие РЭ и паспорта.
-
6.2 Проверка электрической прочности и сопротивления изоляции
Электрическую прочность изоляции и сопротивление изоляции следует проверять в соответствии с требованиями (п. 5.14) и методикой (п. 8.10) ГОСТ Р 52931-2008.
-
6.3 Подтверждение соответствия программного обеспечения
Производится сравнение идентификационных данных программного обеспечения указанных в разделе «Программное обеспечение» паспорта на поверяемый преобразователь и приведенных в таблице 4.
Таблица 4 - Идентификационные данные программного обеспечения
Идентификационные данные (признаки) |
Значение |
|
7MF4xx3* или КМ35-Х* 7MF4xx4* или КМ35-Х* 7MF4xx5* или КМ35-Х* |
Номер версии (идентификационный номер) ПО |
FW: lx.xx.xx* FW: Зхх.хх.хх* |
Цифровой идентификатор программного обеспечения |
по номеру версии |
* В зависимости от модели и исполнения преобразователя давления, где «хх» - обозначают наименование, а также функциональные и конструктивные особенности преобразователя |
Результаты поверки по данному пункту считают положительными, если установлено соответствие идентификационных данных программного обеспечения преобразователей.
-
6.4 Опробование
При опробовании проверяют работоспособность преобразователей и функционирование устройства корректора «нуля».
Работоспособность преобразователей проверяют, изменяя измеряемую величину от нижнего до верхнего предельных значений. При этом должно наблюдаться изменение выходного сигнала и индикации на дополнительных выходных устройствах преобразователей при наличии.
Проверку функционирования устройства корректора «нуля» выполняют следующим образом. Задав одно (любое) значение измеряемой величины в пределах, оговоренных руководством по эксплуатации, корректором «нуля» возвращают выходной аналоговый/цифровой сигнал к первоначальному значению. Затем сбрасывают измеряемую величину и при атмосферном давлении на входе преобразователя корректором «нуля» вновь устанавливают выходной аналоговый/цифровой сигнал в соответствие с исходными значениями.
-
6.5 Определение основной погрешности
-
6.5.1 Основную погрешность определяют следующими способами:
-
а) По эталону на входе преобразователя устанавливают номинальные значения входного параметра (давления), а по другому эталону измеряют соответствующие значения выходного параметра (тока или напряжения). У преобразователей, имеющих показывающие выходные устройства и/или цифровой интерфейс, значения выходного параметра считываются с соответствующего показывающего выходного устройства и/или в цифровом коде.
б) В обоснованных случаях по эталону на выходе преобразователя устанавливают номинальные значения выходного параметра (тока или напряжении), а по другому эталону измеряют значения соответствующего входного параметра (давления). У преобразователей, имеющих показывающие выходные устройства и/или цифровой интерфейс, значения выходного параметра считываются с соответствующего показывающего выходного устройства и/или в цифровом коде.
-
6.5.2 Схемы подключения преобразователей и средств поверки для измерения выходного сигнала при проведении поверки по способам а и б (п. 6.5.1) приведены в приложение А.
Средства поверки (эталоны давления) включаются в схему поверки в соответствии с их эксплуатационными документами.
-
6.5.3 Устанавливают следующие критерии достоверности поверки:
Рвам - наибольшая вероятность ошибочно признанного годным любого в действительности дефектного экземпляра преобразователя;
(Зм)ва - отношение наибольшего возможного модуля основной погрешности поверяемого экземпляра преобразователя, который может быть ошибочно признан годным, к пределу допускаемой основной погрешности.
Допускаемые значения критериев достоверности поверки принимают равными: Рвам = 0,20; (Зм)ва max —1,25.
-
6.5.4 Устанавливают следующие параметры поверки:
ш - число проверяемых точек в диапазоне измерений, ш>5;
п - число наблюдении при экспериментальном определении значений погрешности в каждой из проверяемых точек при прямом и обратном ходах п=1;
ук - абсолютное значение отношения контрольного допуска к пределу допускаемой основной погрешности;
ар - отношение предела допускаемого значения погрешности эталонов, применяемых при поверке, к пределу допускаемого значения основной погрешности поверяемого преобразователя.
Значения ук и ар выбирают по таблице 5 п. 6.5.5 в соответствии с принятыми критериями достоверности поверки.
-
6.5.5 Выбор средств поверки (эталонов) для определения основной погрешности поверяемых преобразователей осуществляют, исходя из технических возможностей и техникоэкономических предпосылок с учетом критериев достоверности поверки п. 6.5.3 и таблицы 5.
Таблица 5 - Параметры и критерии достоверности поверки
dp |
0,2 |
0,25 |
0,33 |
0,4 |
0,5 |
Ук |
0,94 |
0,93 |
0,91 |
0,82 |
0,70 |
Рвам |
0,20 |
0,20 |
0,20 |
0,10 |
0,05 |
(5м)ва |
1,14 |
1,18 |
1,24 |
1,22 |
1,20 |
Примечание: таблица 5 составлена в соответствии с принятыми в п. 6.5.3 критериями достоверности поверки согласно МИ 187-86 "ГСП. Критерия достоверности и параметры методик поверки " и МИ 188-86 "ГСИ. Установление значений параметров методик поверки".
-
6.5.6 При выборе средств поверки (эталонов) для определений погрешности поверяемого преобразователя для каждой поверяемой точки должны быть соблюдены следующие условия:
- при поверке по способам а и б (п. 6.5.1) и определении значений выходного сигнала в мА

ДЁ

X 100 < Y «р
(1)
где Др - предел допускаемой абсолютной погрешности эталона, контролирующего входной параметр, кПа или МПа;
Ртах - верхний предел измерений (или диапазон измерений) поверяемого преобразователя, кПа, МПа;
Ai - предел допускаемой абсолютной погрешности эталона, контролирующего электрический выходной параметр, мА;
Imax и Io - соответственно верхнее и нижнее предельные значении выходного сигнала, мА;
у - пределы допускаемой основной приведенной погрешности к диапазону измерений, %;
ар - отношение предела допускаемого значения погрешности эталонов, применяемых при поверке, к пределу допускаемого значения основной погрешности поверяемого преобразователя.
За нормирующее значение принимают: для преобразователей давления - разрежения -сумму абсолютных значений верхних пределов измерений избыточного давления и разрежения; для остальных преобразователей - разницу между верхним и нижним пределом измерений выходного параметра.
- при поверке по способам а и б (п. 6.5.1) и определении значений выходного сигнала в мВ, В по падению напряжения на эталонном сопротивлении:

Аи + ^-1 х 100 <
Umax RsfiJ
¥«р
(2)
где Др - предел допускаемой абсолютной погрешности эталона, контролирующего входной параметр, кПа, МПа;
Ртах - верхний предел намерений (или диапазон измерений) поверяемого преобразователя, кПа, МПа;
Ди - предел допускаемой абсолютной погрешности эталона, контролирующего электрический выходной параметр, мВ или В;
Umax-Uo - соответственно верхнее и нижнее предельные значения выходного сигнала, мВ или В;
Umax Imax X Ro6; Uq~Io X Ro6> мВ ИЛИ В;
Ar - предел допускаемой абсолютной погрешности эталонного сопротивления, Ro6, Ом;
Ro6 - значение эталонного сопротивления, Ом;
- при поверке показывающих устройств и/или цифровой интерфейс
Ь^}Х1О°-1'а’ (3)где Ар - предел допускаемой абсолютной погрешности, поверяемого преобразователя, кПа или МПа;
Ртах - верхний предел измерений (или диапазон измерений) поверяемого преобразователя, кПа или МПа;
-
6.5.7 Расчетные значения выходного сигнала поверяемого преобразователя в мА (1р) определяют в соответствии с приложением Б.
Расчетные значения выходного сигнала Up, выраженные в напряжении постоянного тока, определяют по формуле:
Up = Ip X Rofi, мВ или В (4)
где 1р - расчетное значение силы постоянного тока, мА;
-
6.5.8 Перед определением основной погрешности должны быть соблюдены требования раздела 5 и, в случае необходимости, откорректировано значение выходною сигнала, соответствующее нижнему предельному значению измеряемого параметра. Эта корректировка проводится после подачи и сброса измеряемого параметра, равного:
-
- для преобразователей давления-разрежения - от 50 до 100 % верхнего предела измерений избыточного давления;
-
- для преобразователей абсолютного давления после выдержки их в пределах от 0 до 10 % верхнего предела измерений;
-
- для остальных преобразователей - от 80 до 100 % верхнего предела измерений.
При периодической поверке в случае совмещения проверки герметичности с подачей давления (разрежения) перед корректировкой выходного сигнала выдержка проводится при давлении (разрежении).
Установку выходного сигнала следует провести с максимальной точностью, обеспечиваемой устройством корректора и разрешающей способностью эталонов. Погрешность установки (без учета погрешности эталонов) не должна превышать 0,2 предела допускаемой основной погрешности поверяемого преобразователя.
-
6.5.9 Основную погрешность определяют при пяти значениях измеряемой величины, достаточно равномерно распределенных в диапазоне измерений, в том числе при значениях измеряемой величины, соответствующих нижнему и верхнему предельным значениям выходного сигнала. Интервал между значениями измеряемой величины не должен превышать 30 % диапазона измерений.
Основную погрешность определяют при значении измеряемой величины, полученной при приближении к нему как от меньших значений к большим, так и от больших к меньшим (при прямом и обратном ходе).
Перед поверкой при обратном ходе преобразователь выдерживают в течение 1 мин под воздействием верхнего предельного значения измеряемого параметра, соответствующего предельному значению выходного сигнала.
Допускается выдержку преобразователей давления-разрежения производить только на верхнем пределе измерений избыточного давления.
При периодической поверке основную погрешность определяют в два цикла: до корректировки диапазона изменения выходного сигнала и после корректировки диапазона. Допускается второй цикл не проводить, если основная погрешность:
Уд < Yk х Y
где уд - основная погрешность, % от нормирующего значения.
При поверке преобразователей с верхним пределом измерений разрежения 0,1 МПа, если атмосферное давление равно или менее 0,1 МПа, максимальное разрежение допускается устанавливать равным 0,90-0,95 Ратм (Ратм - атмосферное давление). Расчетное значение выходного сигнала при этом разрежении определяют в соответствии с п.6.5.7. Ратм следует привести к тем единицам, в которых выражено Р.
Основную погрешность преобразователей абсолютного давления с верхним пределом измерений выше 0,25 МПа следует определять в соответствии с п. 6.5.10 и 6.5.11. Допускается по методике п. 6.5.10 определять основную погрешность преобразователей абсолютного давления с верхними пределами измерений от 0,1 до 0,25 МПа.
-
6.5.10 Определение основной погрешности преобразователей абсолютного давления с верхними пределами измерений выше 0,25 до 2,5 МПа включительно следует проводить с использованием образцовых средств поверки разрежения.
В этом случае преобразователь поверяют на точках: при разрежении в пределах 0,90 -0,95 Р, при значениях верхнего предела измерений избыточного давления РИЗб. max И При Трех промежуточных значениях давления
р = р _д
из&тах аба шах *
где Рабо тах - верхний предел измерений абсолютного давления, равный Ртах, МПа; А = 0,1 МПа;
-
6.5.11. Определение основной погрешности преобразователей абсолютного давления с верхними пределами измерений свыше 2,5 МПа следует проводить с использованием эталонов избыточного давления следующим образом:
-
1. Корректором нуля при атмосферном давлении установить значение выходного сигнала, равное 1о;
-
2. Провести поверку на прямом и обратном ходе, задавая избыточное давление, численно равное абсолютному давлению, с соблюдением условий, изложенных в п. 6.5.8,
-
3. После определения основной погрешности при атмосферном давлении корректором нуля установить значение выходного сигнала 1рн:
W = Р Omajt + Ь) + *0 (5)
где К = 0,1 МПа.
-
6.5.12. Основная погрешность уд в % нормирующего значения вычисляют по формулам:
Уд
= -1 X 100
и-Цр
х 100
(6)
(7)
р-рр
Уд= —2^X100 (8)
где I - экспериментально полученное значение выходного сигнала на выходе преобразователя при измерении тока, мА;
U - экспериментально полученное значение выходного сигнала на выходе преобразователя при измерении напряжении, мВ или В;
Р - экспериментально полученное значение выходного давления на показывающих устройстве преобразователя и/или в цифровом коде;
Ip, Up - соответственно, расчетные значения силы постоянного тока (мА) и напряжении (мВ или В);
Рр - давление, численно равное номинальному значению входного давления, кПа; МПа;
Преобразователь признают годным при первичной поверке, если во всех проверяемых точках модуль основной погрешности
К | < lvK Xyl Преобразователь признают негодным при первичной поверке, если хотя бы в одной точке модуль основной погрешности
|Уд{ > IYk х¥1
Преобразователь признают годным при периодической поверке, если во всех проверяемых точках при нервом или втором цикле определения основной погрешности
|уд| 1ук X rl
Преобразователь признают негодным при периодической поверке, если хотя бы в одной точке при первом цикле определения основной погрешности
|уд| > 1(5м)ва тах х у!
или повторном цикле
IУд I > 1ук X yl
6.5.13 Допускается вместо определения действительных значений погрешности устанавливать соответствие ее предельно допускаемым значениям.
6.6 Определение вариации выходного сигнала.
-
6.6.1 Вариацию выходного сигнала определяют при каждом проверяемом значении измеряемого параметра, кроме значении, соответствующих нижнему и верхнему пределам измерений, но показаниям, полученным при определении основной погрешности (п. 6.3.1).
-
6.6.2 Вариацию выходного сигнала уг в % нормирующего значения вычисляют по формулам:
у 100
(9)
-г I —I
|ХП1ВХ *©>
(Ю)
Yr
тгк
где Iz и I - экспериментально полученные значения выходного сигнала на одной и той же точке при измерении на выходе тока соответственно при прямом и обратном ходе, мА;
Uz и U - экспериментально полученные значения выходного сигнала на одной и той же точке при измерении на выходе падения напряжения на образцовом сопротивлении соответственно при прямом и обратном ходе, мВ или В.
Значения уг не должны превышать предела ее допускаемого значения.
-
6.6.3 Допускается вместо определения действительного значения вариации осуществлять контроль соответствия ее предельно допускаемым значениям.
-
7.1 Результаты поверки заносятся в протокол, рекомендуемая форма которого приведена в приложении В (в зависимости от результатов поверки протокол прикладывают либо к свидетельству о поверке, либо к извещению о непригодности).
-
7.2 Положительные результаты поверки удостоверяются записью в паспорте, заверяемой подписью поверителя или свидетельством о поверке в соответствии с требованиями Приказа Минпромторга России № 1815 от 02.07.2015 г., знак поверки наносят на бланк свидетельства о поверке или в паспорт.
-
7.3 В случае отрицательных результатов поверки, применение преобразователей запрещается, выписывается извещение о непригодности к применению с указанием причин.
(справочное)
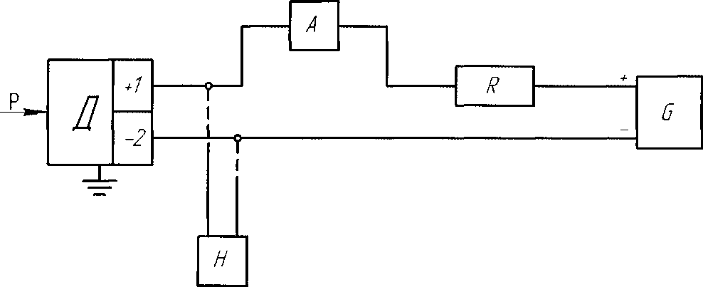
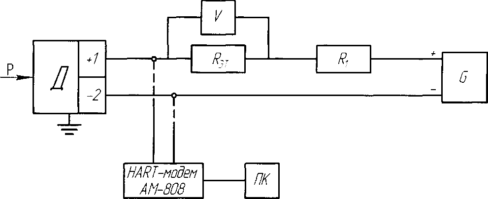
Схемы подключения преобразователей при поверкеСхема 1 для включения преобразователя с цифровым выходным сигналом и считывании информации при помощи портативного компьютера.

Р - входная измеряемая величина; Д - поверяемый преобразователь; G - источник питания постоянного тока; R - нагрузочное сопротивление; значение сопротивления - в соответствии с условиями поверки; Н - портативный компьютер или другое цифровое устройство, поддерживающее коммуникационный протокол;
Схема 2 включения преобразователя с цифровым выходным сигналом на базе протокола HART и считывании информации с помощью устройства (модема HART/RS232/USB) связи с персональным компьютером.

Модем - устройство связи и преобразования сигналов HART/ RS232/USB; ПК - персональный компьютер;
Остальные обозначения указаны в схеме 1.
Схема 3 включения преобразователя с аналоговым выходным сигналом постоянного тока (4-20 мА) и цифровому сигналу на базе протокола HART.
пример 1

А - средство измерения силы постоянного тока.
Остальные обозначения указаны в схеме 1.
пример 2

V - мультиметр;
R3T - эталонное сопротивление;
Ri - нагрузочное сопротивление.
Остальные обозначения указаны в схеме 1 и 2.
Приложение Б(справочное)
Зависимость выходного сигнала постоянного тока от входной измеряемой величины
1) для преобразователей с линейно возрастающей зависимостью выходного сигнала постоянного тока от входной измеряемой величины по формулеР -Р
1 В 1 н
(Б.1)
где 1р - расчетное значение выходного сигнала постоянного тока (мА);
1н, 1в - соответственно нижнее и верхнее предельные значения выходного сигнала преобразователя (///=4 мА, 7в=20 мА);
Р - действительное значение входной измеряемой величины (для д преобразователей давления-разрежения значение в области разрежения подставляется в формулу со знаком минус), (кПа, МПа);
Рв— ВПИ (или диапазон измерений) поверяемого преобразователя (кПа, МПа);
Рн — нижний предел измерений для всех преобразователей, кроме преобразователей давления-разрежения, для которых это значение численно равно ВПИ в области разрежения Рв(-) и в формулу подставляется со знаком минус (кПа, МПа).
Для стандартных условий нижний предел измерений всех поверяемых преобразователей избыточного давления, абсолютного давления, разрежения, разности давлений и преобразователей давления-разрежения равен нулю.
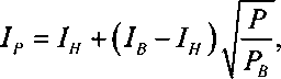
2) для преобразователей с выходным сигналом постоянного тока и функцией преобразования входной измеряемой величины по закону квадратного корня по формуле

(Б.2)
где Ip, 1н, 1в, Р, Рв - обозначения те же, что и в формуле (Б.1).
Приложение В
(справочное)
Рекомендуемая форма протокола поверки
ПРОТОКОЛ ПОВЕРКИ №_______от «___»_______20__г.
Наименование средства измерений: Преобразователь давления измерительный КМ35
Модель:________________________________________________________________________
Заводской номер:___________________________________________________________________
Г од выпуска:______________________________________________________________________
Владелец, наименование и адрес Заказчика, ИНН:______________________________________
Методика поверки:_______________________________________________________________
Место проведения поверки:__________________________________________________________
Средства поверки:__________________________________________________________________
(тип и основные метрологические характеристики эталонного оборудования)
(тип и основные метрологические характеристики эталонного оборудования)
(тип и основные метрологические характеристики эталонного оборудования)
Условия проведения поверки:
Температура окружающей среды_______________°C
Давление окружающей среды______________кПа
Относительная влажность окружающей среды________%
Напряжение питания_______________В
Результаты поверки:
Внешний осмотр:________________
Проверка электрической прочности и сопротивления изоляции:_________________
Подтверждение соответствия программного обеспечения:________________________
Опробование:____________________________
Определение основной погрешности:
При прямом ходе:
По цифровому коду:
Номер точки диапазона |
Номинальное значение входного давления Рр, кПа (либо другие единицы измерения давления, на которые настроен преобразователь) |
Экспериментально полученное значение выходного давления на показывающем устройстве (или цифровом коде) Р, кПа |
Фактическое значение основной приведенной погрешности уд, % |
Пределы допускаемой основной приведенной погрешности к диапазону измерений, у, % |
1 | ||||
2 | ||||
3 | ||||
4 | ||||
5 |
По напряжению:
Номер точки диапазона |
Номинальное значение входного давления Рр, кПа (либо другая единица измерения давления, на которую настроен преобразователь) |
Расчетное значение напряжения Up, мВ или В |
Экспериментально полученное значение выходного сигнала на выходе преобразователя при измерении напряжения U, мВ или В |
Фактическое значение основной приведенной погрешности уд, % |
Пределы допускаемой основной приведенной погрешности к диапазону измерений, у, % |
1 | |||||
2 | |||||
3 | |||||
4 | |||||
5 |
По току:
Номер точки диапазона |
Номинальное значение входного давления Рр, кПа (либо другая единица измерения давления, на которую настроен преобразователь) |
Расчетное значение силы постоянного тока 1р, мА |
Экспериментально полученное значение выходного сигнала на выходе преобразователя при измерении тока I, мА |
Фактическое значение основной приведенной погрешности уд, % |
Пределы допускаемой основной приведенной погрешности к диапазону измерений, у, % |
1 | |||||
2 | |||||
3 | |||||
4 | |||||
5 |
По цифровому коду:
Номер точки диапазона |
Номинальное значение входного давления Рр, кПа (либо другие единицы измерения давления, на которые настроен преобразователь) |
Экспериментально полученное значение выходного давления на показывающем устройстве (или цифровом коде) Р, кПа |
Фактическое значение основной приведенной погрешности уд, % |
Пределы допускаемой основной приведенной погрешности к диапазону измерений, у, % |
5 | ||||
4 | ||||
3 | ||||
2 | ||||
1 |
По напряжению:
Номер точки диапазона |
Номинальное значение входного давления Рр, кПа (либо другая единица измерения давления, на которую настроен преобразователь) |
Расчетное значение напряжения Up, мВ или В |
Экспериментально полученное значение выходного сигнала на выходе преобразователя при измерении напряжения U, мВ или В |
Фактическое значение основной приведенной погрешности Уд, % |
Пределы допускаемой основной приведенной погрешности к диапазону измерений, у, % |
5 | |||||
4 | |||||
3 | |||||
2 | |||||
1 |
По току:
Номер точки диапазона |
Номинальное значение входного давления Рр, кПа (либо другая единица измерения давления, на которую настроен преобразователь) |
Расчетное значение силы постоянного тока 1р, мА |
Экспериментально полученное значение выходного сигнала на выходе преобразователя при измерении тока I, мА |
Фактическое значение основной приведенной погрешности уд, % |
Пределы допускаемой основной приведенной погрешности к диапазону измерений, у, % |
5 | |||||
4 | |||||
3 | |||||
2 | |||||
1 |
По цифровому коду:
Номер точки диапазона |
Прямой ход, кПа (либо другая единица измерения давления, на которую настроен преобразователь) |
Обратный ход, кПа (либо другие единицы измерения давления, на которые настроен преобразователь) |
Вариация выходного сигнала, % |
2 | |||
3 | |||
4 |
По напряжению:
Номер точки диапазона |
Прямой ход, мВ или В |
Обратный ход, мВ или В |
Вариация выходного сигнала, % |
2 | |||
3 | |||
4 |
По току:
Номер точки диапазона |
Прямой ход, мА |
Обратный ход, мА |
Вариация выходного сигнала, % |
2 | |||
3 | |||
4 |
Заключение______________________________________________________________________
Поверитель
(ФИО,
должность.
организация)
«____»___________20__Г.
21