Руководство по эксплуатации «КАЛИБРАТОР УНИВЕРСАЛЬНЫЙ Н4-11/1» (РЭ МЕРА.411182.003 )
ОКП66 8237 ООН
УТВЕРЖДАЮ
В части раздела 6 «Методика поверки (калибровки)
Начальник испытательного центра ФБУ «Краснодарский ЦСМ»
/ , В.И. Даценко
« •• 5 » у® 2016 г.
УТВЕРЖДАЮ
Г енеральный директор научно-производственной z компании «МЕРА»
Н , ,__. В.Г.Суровенный
У
\\^ (< /ууууу 2016 г.
КАЛИБРАТОР УНИВЕРСАЛЬНЫЙ Н4-11/1
РУКОВОДСТВО ПО ЭКСПЛУАТАЦИИ
Часть 1
МЕРА.411182.003 РЭ
2016
4 ХРАНЕНИЕ И ТРАНСПОРТИРОВАНИЕ-
4.1 Условия транспортирования и хранения прибора должны соответствовать ГОСТ 22261-94.
-
4.2 Климатические условия транспортирования и хранения не должны выходить за пределы заданных предельных условий:
-
- температура окружающего воздуха от минус 50 до 65 °C;
-
- относительная влажность окружающего воздуха 95 % при температуре 25 °C.
-
4.3 Прибор должен допускать транспортирование всеми видами транспорта в упаковке при условии защиты от прямого воздействия атмосферных осадков.
-
5.1 Прибор Н4-11/1 отдельно или в комплекте с усилителями силы тока - стандартное электроизмерительное устройство. Оно не содержит взрывоопасных, пожароопасных, радиоактивных, ртутьсодержащих и др. компонентов, способных принести ущерб населению или окружающей среде.
-
5.2 Утилизация драгметаллов в составе электронных компонентов не представляется экономически целесообразной. По указанным причинам обязательных мероприятий по подготовке изделий к утилизации нет.
-
6 МЕТОДИКА ПОВЕРКИ (КАЛИБРОВКИ)
-
6.1.1 Настоящий раздел устанавливает методы и средства поверки приборов Н4-11/1 при выпуске из производства, находящихся в эксплуатации и выпускаемых из ремонта. Поверка калибратора универсального Н4-11/1 должна проводиться при его применении в сферах государственного регулирования обеспечения единства измерений. При использовании прибора вне сфер государственного регулирования обеспечения единства измерений допускается проведение калибровки.
-
6.1.2 Поверка (калибровка) прибора осуществляется не реже одного раза в 2 года.
-
6.1.3 Поверка (калибровка) прибора может осуществляться в неполном диапазоне воспроизводимых параметров в соответствии с потребностями применения или фактическими возможностями средств поверки (калибровки): подробно см. п.6.7.
-
6.2.1 При проведении поверки (калибровки) должны быть выполнены операции, указанные в таблице 6.1.
Таблица 6.1 - Операции поверки (калибровки)
Наименование операции |
Номер проверяемого пункта |
Проведение операции при | |
первичной поверке (калибровке) |
периодической поверке (калибровке) | ||
Внешний осмотр |
6.6.1 |
Да |
Да |
Опробование: |
6.6.2 | ||
- проверка функционирования и диапазона |
6.6.2.1 - |
Да |
Да |
воспроизведения |
6.62.5 | ||
- проверка интерфейса |
6.62.6 |
Да |
При необхо- |
- проверка блока нагрузок |
6.622 |
Да |
димости, но |
не реже одного раза в 5 лет | |||
- проверка электрической прочности и сопротив- |
6.622, |
Да |
Один раз в |
ления изоляции |
5 лет | ||
- проверка версии программного обеспечения |
6.62.9 |
Да |
Да |
Определение метрологических характеристик |
6.6.3 | ||
Определение основной погрешности воспроизве- |
6.6.3.1 |
Да |
Да |
дения напряжения постоянного тока Определение основной погрешности воспроизве- |
6.6.3.2 |
Да |
Да |
дения напряжения переменного тока Определение основной погрешности воспроизве- |
6.6.3.3 |
Да |
Да |
дения силы постоянного и переменного тока Определение погрешности установки частоты сигналов переменного тока и задания длительности временных интервалов амплитудной манипу- |
6.6.3.4 |
Да |
Да |
ляции Определение напряжения шумов и пульсаций в режимах воспроизведения напряжения и силы постоянного тока |
6.6.3.5 |
Да |
Да |
Определение постоянной составляющей в режимах воспроизведения напряжения и силы пере- |
6.6.3.6 |
Да |
Да |
менного тока | |||
Определение коэффициента гармоник и шумов в режимах воспроизведения напряжения и силы переменного тока |
6.6.3.7 |
Да |
Да |
-
6.3.1 При проведении поверки (калибровки) должны быть применены средства поверки (калибровки) с характеристиками, указанными в таблице 6.2.
Таблица 6.2 - Средства поверки (калибровки)
Наименование |
Тип или обозначение СИ |
Используемые основные технические характеристики СИ |
Пункт методики |
Примечание |
Мультиметр |
В7-64/1 |
Измерение напряжения постоянного тока 0,1 мВ-600 В с погрешностью ±0,01%; |
6.6.2.3 - 6.6.2.5, |
Основное Заменяющие: В7-64/3, В7-84, 34410А, 3458А |
Измерение напряжения переменного тока 1 мВ-600 В в полосе частот 0,02 - -10 кГц с погрешностью ±0,1 %. Разрешающая способность 5.5 разрядов для относительных измерений |
6.6.2.3 - 6.6.2.5, 6.6.2.9, 6.6.3.1 - 6.6.3.4, | |||
Измерение сопротивления от 1 Ом до 1000 кОм с погрешностью 0.5 % |
6.6.2.7 | |||
Измерение силы постоянного тока до 2 А и переменного тока до 2 А в полосе частот 0.02-1 кГц с погрешностью ±0,1 % |
6.6.2.3 | |||
Измерение частоты 0,01 - 10 кГц с погрешностью ±0,01 %. |
6.6.3.4 | |||
Калибратор универсальный с усилителем напряжения |
Н4-17 |
Воспроизведение напряжений переменного тока 0,01 - 600 В в полосе частот 0.02 - 10 кГц с погрешностью ±(0,03 - 0,1) % |
6.6.3.2, 6.6.3.3 |
Основное Заменяющие: Н4-6, Н4-7 |
Вольтметр-калибратор с блоком усиления (БВ) |
Н4-12 |
Измерение напряжения переменного тока 1 мВ-600 В в полосе частот 0,01- -30 кГц с погрешностью ±0,03 %. |
6.6.3.2, 6.6.3.3 |
Альтернативное СИ калибратору универсальному Н4-17 |
Осциллограф |
С1-114/1 |
Полоса пропускания Г МГц, чувствительность 2 мВ/дел |
6.6.2.6, 6.6.3.4 | |
Измеритель нелинейных искажений |
СК6-13 |
Диапазон напряжений 0,2 - 20В, диапазон частот 0.01 -30 кГц, диапазон измеряемых искажений 0,05 - 2 %; погрешность не более ±10 % |
6.6.2.7, 6.6.3.7 | |
Вольтметр переменного тока |
ВЗ-71 |
Диапазон напряжений 100 мкВ - 1 В в полосе частот от 10 Гц до 1 МГц с погрешностью ±15 % |
6.6.3.5 |
Продолжение таблицы 6.2
Катушка электрического сопротивления измерительная |
Р331 |
Номинальное сопротивление 100 Ом с погрешностью не более ±0,02 % и с допустимым током 20 мА |
6.6.3.3, 6.6.3.5, 6.6.3.6 |
Основное |
Р321 |
Номинальное сопротивление 10 Ом с погрешностью не более ±0,02 % и с допустимым током 200 мА |
6.6.3.3, 6.6.3.5 |
Основное | |
Р321 |
Номинальное сопротивление 0,1 Ом с погрешностью не более ±0,02 % и с допустимым током 3 А |
6.6.3.3, 6.6.3.5, 6.6.3.7 |
Основное | |
Р321 |
Номинальное сопротивление 0,01 Ом с погрешностью не более ±0,03 % и с допустимым током 10 А |
6.6.3.3, 6.6.3.5, 6.6.3.6 |
Основное | |
Р310 |
Номинальное сопротивление 0,001 Ом с погрешностью не более ±0,05 % и с допустимым током 30 А |
6.62.5, 6.63.3, 6.63.5 |
Основное | |
Мера сопротивления переменного тока с аттестованной частотной погрешностью |
МС-100 |
Номинальное сопротивление 100 Ом с погрешностью ±0,03 % до 1 кГц и с допустимым током 22 мА |
6.633, 6.63.6 |
Основное Заменяющее: Н4-12МС |
МС-10 |
Номинальное сопротивление 10 Ом с погрешностью ±0,03 % до 1 кГц и с допустимым током 220 мА |
6.633, 6.63.6 |
Основное Заменяющее: Н4-12МС | |
МС-1 |
Номинальное сопротивление
|
6.633,
6.63.7 |
Основное Заменяющее: Н4-12МС | |
МС-01 |
Номинальное сопротивление 0,01 Ом с погрешностью ±0,1 % до 1 кГц и с допустимым током 50 А |
6.6.2, 6.633, 6.63.6, 6.6.3.7 |
Основное Заменяющее: Н4-12МС | |
Калибратор переменного напряжения широкополосный |
Н5-3 |
Напряжение 1 В частотой 20 Гц - 1 МГц, погрешность ±5 % |
6.62.7 |
Вспомогательное |
Мегаомметр |
ЭСО 2002 12-Г |
Напряжение 500, 1000 и 2500 В до 10000 МОм |
6.62.8. |
Вспомогательное |
Персональный компьютер |
Наличие программы эмулятора терминала и COM-порта. Работа под управлением Windows |
п.8.6.3 |
-
6.3.2 При проведении поверки (калибровки) разрешается применять другие меры и измерительные приборы, обеспечивающие измерение соответствующих параметров с требуемой точностью.
-
6.4.1 При поверке (калибровке) прибора необходимо соблюдать правила безопасности в соответствии с подразделом 2.1.1 настоящего руководства по эксплуатации и требованиями эксплуатационной документации на применяемые средства поверки (калибровки).
-
6.5.1 При проведении поверки (калибровки) должны быть соблюдены следующие условия:
-
- температура окружающего воздуха (20 ± 5) °C;
-
- атмосферное давление (100 ± 4) кПа, (750 ± 30) мм рт.ст.;
-
- напряжение сети питания (220 ± 4,4) В, частотой (50 ± 1) Гц;
-
- относительная влажность воздуха от 45 до 75 %.
-
6.5.2 Перед проведением поверки (калибровки) необходимы следующие подготовительные работы:
-
- ознакомиться с разделами 1, 2, 3 настоящего руководства по эксплуатации;
-
- проверить комплектность прибора;
-
- выполнить работы, указанные в разделах 2, 3;
-
- разместить поверяемый прибор на рабочем месте, обеспечив удобство и безопасность эксплуатации;
-
- соединить проводами клеммы защитного заземления средств поверки (калибровки) с шиной заземления;
-
- собрать схему поверки (калибровки) в соответствии с проводимой операцией.
-
6.6 Проведение поверки (калибровки)
-
6.6.1 Внешний осмотр
-
6.6.1.1 При проведении внешнего осмотра выключенного прибора устанавливается соответствие поверяемого (калибруемого) калибратора следующим требованиям:
-
-
-
- комплектности прибора согласно таблице 1.12;
-
- отсутствия механических повреждений;
-
- прочности крепления элементов корпуса, выходных разъемов и клемм, клавиатуры;
-
- целостности и состояния изоляции сетевого провода, выходных кабелей и других принадлежностей;
-
- отсутствия слабо закрепленных внутренних узлов (определяется на слух при наклонах и встряхивании прибора);
-
- отсутствия нарушения покрытий, особенно поверхностей электрических контактов и кабелей;
-
- четкости маркировки.
Приборы, имеющие дефекты, бракуются и направляются в ремонт.
-
6.6.2 Опробование
-
6.6.2.1 До начала опробования прибора необходимо подготовить его в соответствии с указаниями раздела 2.
-
6.6.2.2 Включить прибор и произвести проверку индикатора, функционирования клавиатуры и кодового переключателя, для чего вызывать программу тестирования (по п.2.2.4).
-
6.6.2.3 Проверить диапазон воспроизведения напряжения. Для проведения проверки необходимо:
-
-
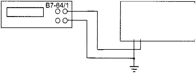
- собрать измерительную схему в соответствии с рисунком 6.1;
-
- установить на выходе калибратора Н4-11/1 уровни напряжения, указанные в таблице 6.3;
-
- контролировать появление уровней напряжения, устанавливаемых на выходе калибратора, с помощью вольтметра В7-64/1 (без определения погрешности). Режим измерения вольтметра В7-64/1 выбирается в соответствии с видом воспроизводимого напряжения.
Рисунок 6.1 - Схема для проверки выходного напряжения
Н4-11/1
00 00
Таблица 6.3
Предел |
Контролируемый уровень |
Измерительная схема |
Номинальное напряжение* |
0.2 В |
+0.2 В, -0.2 В |
Рисунок 6.1 |
0.2 В |
2В |
+2 В, -2 В; 2 В, 1 кГц |
2В | |
20 В |
+20 В, -20 В; 20 В, 10 кГц |
20 В | |
20 В |
+20 В, -20 В; 20 В, 10 кГц (в режиме «М2») |
14.1 В | |
150 В |
+200 В, -200 В; 150 В, 1 кГц |
200 и 150 В | |
600 В |
+600 В, -600 В; 600 В, 100 Гц |
600 В | |
20 мА |
+20 мА, -20 мА; 20 мА, 1 кГц |
Рисунок 6.2 |
20 мА |
200 мА |
+200 мА, -200 мА; 200 мА, 1 кГц |
200 мА | |
2000 мА |
+2000 мА, -2000 мА; 2000 мА, 1 кГц |
2000 мА | |
20 А |
+20 А, -20 А; 20 А, 1 кГц |
Рисунок 6.3 |
20 мВ |
50 А |
+50 А, -50 А; 50 А, 1 кГц |
Ro = 0.001 Ом |
50 мВ |
* Показания контролирующего вольтметра
-
6.6.2.4 Для проведения проверки диапазонов воспроизведения силы тока необходимо:
-
- собрать измерительную схему в соответствии с рисунком 6.2;
-
- установить на выходе калибратора Н4-11/1 уровни тока, указанные в таблице 6.3;
-
- контролировать появление (без определения погрешности) уровней тока, устанавливаемых на выходе калибратора, с помощью вольтметра В7-64/1, включенного в режиме измерения силы тока.
Н4-11/1
ОО ОО
Рисунок 6.2 - Схема для проверки выходного тока
-
6.6.2.5 При наличии преобразователя ПНТ-50 необходимо проверить его функционирование следующим образом:
-
- собрать измерительную схему в соответствии с рисунком 6.3;
-
- установить на выходе калибратора Н4-11/1 уровни напряжения, указанные в таблице 6.3;
-
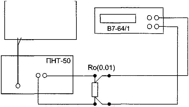
- контролировать появление уровней тока, устанавливаемых на выходе преобразователя, с помощью вольтметра В7-64/1 по падению напряжения на мере сопротивления 0,001 Ом типа Р310. Режим измерения вольтметра В7-64/1 выбирается в соответствии с видом воспроизводимого тока.
Рисунок 6.3 - Схема для проверки выходного тока преобразователя ПНТ-50
Н4-11/1
С
)О О о
-
6.6.2.6 Для проверки интерфейса RS-232 прибор подключается к любому из последовательных портов компьютера, носящих резервированные имена (в операционной системе), например, «СОМ1» или «COM2». При необходимости для подключения прибора к компьютеру может применяться преобразователь USB-COM (см.п.2.2.15.9). Схема подключения приведена на рисунке 2.4. Во всех случаях необходимо использовать интерфейсный кабель из комплекта поставки. В процессе проверки и управления компьютер работает в режиме терминала (вводимые с клавиатуры символы передаются в прибор через интерфейс, а принимаемые из прибора - выводятся на экран). В качестве программного обеспечения компьютера могут быть использованы любые программы, эмулирующие режим терминала. Например:
-
- «TERMINAL» (term.exe) в операционной среде «MICROSOFT WINDOWS» (программа имеется на диске, входящем в комплект калибратора).
Параметры настройки эмулятора терминала: скорость - 9600 бод, данные - 8 бит; бит «четность» - отсутствует; сигнал «стоп» - 1 бит; порт - «СОМ1» или другой выбранный пользователем; протокол согласования - «XON-XOFF».
Проверку функционирования интерфейса производят следующим образом:
-
- соединить проверяемый прибор, отключенный от сети, с компьютером (или подключенным преобразователем USB-COM) посредством кабеля из комплекта прибора;
-
- включить проверяемый прибор в сеть;
-
- запустить программу эмуляции терминала и настроить на параметры, указанные выше. При проверке нескольких приборов можно не выходить из программы терминала. Если данная операция выполняется часто, рекомендуется сохранить настройку на диске (эта операция предусмотрена во всех указанных программах). Клавиатура компьютера должна быть переключена в латинский алфавит;
-
- нажать на клавиатуре компьютера клавиши ”Q” и ENTER (подать команду "запрос состояния прибора". Если настройка сделана правильно и приемник и передатчик прибора исправны, то на экране компьютера напечатается строка:
"+V.00100K0.0500S0M00”, отражающая состояние прибора;
-
- ввести с клавиатуры строки: "К10" (переменное напряжение с частотой 10 кГц), "VI" (напряжение - 1 В) и "S1" (включить выход). Ввод каждой строки должен заканчиваться нажатием клавиши ENTER (передаются символы разделителя: "CR"- "возврат каретки" и "LF"- "перевод строки");
-
- снова подать команду "запрос состояния прибора". Если прибор правильно принял установку нового режима, то на экране компьютера должна напечатается строка:
"AV1.0000K10.00S0M00", отражающая состояние прибора (напряжение 1 В частотой 10 кГц). Новое значение должно отображаться и на индикаторе выхода (вообще, данные индикатора должны изменяться после каждой команды, изменяющей состояние прибора);
-
- проверить осциллографом амплитуду выходного сигнала проверяемого прибора на линии «TXD» (контакт 2) при получении команды «запрос состояния прибора». Компьютер при этом является нагрузкой с сопротивлением 3 кОм (стандартная нагрузка). Амплитуда выходного сигнала должна быть не менее ±5 В.
Внимание! Указанная амплитуда выходных импульсов обеспечивается для случаев, когда амплитуда сигналов, подаваемых от COM-порта (интерфейс прибора получает питание от COM-порта) составляет не менее ±9 В (с напряжением питания драйверов порта в пределах ±10... 12 В). Если амплитуда сигналов COM-порта менее ±9 В (напряжение питания драйверов порта находится в пределах ±5...6 В), то размах выходного сигнала прибора не должен быть менее ±3 В (допускается для интерфейсов данного типа).
Результаты считают удовлетворительными, если происходит включение всех элементов (сегментов) индикатора, срабатывание всех кнопок, фиксация направления вращения и количества щелчков переключателя, установка всех значений выходного напряжения и тока, указанных в таблице 6.3, и обеспечивается работоспособность интерфейса.
-
6.6.2.7 Проверка блока нагрузок, входящего в комплект поставки, производится по методикам п.6.6.2.7.1 (проверка сопротивления нагрузок), п.6.6.2.7.2 (проверка делителя) и п.6.6.2.7.3 (проверка полосы пропускания фильтра). Блоки нагрузок калибратора Н4-11/1 не связаны с конкретным прибором, поэтому их проверка может проводиться отдельно. Параметры проверки блока нагрузок приведены в таблице 6.4. Нумерация клеммам (разъемам) блока нагрузок присвоена условно в соответствии с рисунком 6.4.
Таблица 6.4 - Параметры проверки блока нагрузок
Подключаемые клеммы |
Допускаемые значения |
Примечание | |
Проверка сопротивления нагрузок (между клеммами блока нагрузок) | |||
10 |
9 |
(1 ±0.15) Ом | |
10 |
8 |
(750 ± 100) Ом | |
10 |
7 |
(7.5 ± 1) кОм |
Переключатель в положении I |
10 |
7 |
(60 ±10) кОм |
Переключатель в положении О |
10 |
6 |
(10 ±1.5) кОм |
Переключатель в положении I |
Проверка делителя (сопротивления между клеммами блока нагрузок) | |||
1 |
2 |
(333.3 ±17) кОм | |
1 |
3 |
(330 ± 17) кОм |
Центральный контакт разъема 3 |
2 |
3 |
(3.3 ±0.17) кОм |
Центральный контакт разъема 3 |
Проверка частоты среза фильтра (должна быть не более 500 кГц) | |||
4(вход) |
5 (выход) |
На выходе (1 ± 0.1) В |
На входе 1 В, 20 Гц |
4 (вход) |
5 (выход) |
На выходе (1 ± 0.1) В |
На входе 1 В, 100 кГц |
4(вход) |
5 (выход) |
На выходе не более 0.3 В |
На входе 1 В, 1 МГц |
Примечание - Нумерация подключаемых клемм (разъемов) в соответствии с рисунком 6.4

-
6.6.2.7.1 Для проверки нагрузок необходимо измерить мультиметром В7-64/1 сопротивления между клеммами, указанными в таблице 6.4.
Результаты проверки нагрузок считают удовлетворительными, если сопротивления соответствуют данным, указанным в таблице 6.4.
-
6.6.2.7.2 Для проверки делителя блока нагрузок необходимо измерить мультиметром В7-64/1 сопротивления между клеммами, указанными в таблице 6.4.
Результаты проверки делителя считают удовлетворительными, если сопротивления соответствуют данным, указанным в таблице 6.4.
-
6.6.2.7.3 Для проверки фильтра блока нагрузок на его вход (разъем 4) подают уровни переменного напряжения от калибратора Н5-3. Допускается подавать их от любого другого генератора, предварительно установив уровень с помощью вольтметра ВЗ-71. Напряжение на выходе фильтра (разъем 5) измеряется вольтметром ВЗ-71.
Результаты проверки фильтра считают удовлетворительными, если выходные напряжения соответствует данным, указанным в таблице 6.4.
-
6.6.2.8 Проверка электрической прочности и сопротивления изоляции сетевых цепей и интерфейса калибратора осуществляется по методикам пп.8.6.4.1-8.6.4.3.
-
6.6.2.8.1 Проверку электрической прочности сетевых цепей производят между контактами кабеля питания и выходными клеммами. Испытательное напряжение 3 кВ частотой 50 Гц подают между закороченными контактами сетевой вилки (заземляющий контакт можно оставлять свободным) и соединенными входными клеммами.
-
Результаты проверки считают удовлетворительными, если во время испытаний не произошло пробоя или поверхностного перекрытия изоляции. Появление "коронного" разряда или шума не является признаком дефектности изоляции.
Допускается совмещать проверку электрической прочности изоляции с измерением сопротивления изоляции при использовании мегаомметра ЭСО 2002 12-Г с измерительным напряжением 1500 - 2500 В. При этом результаты проверки считают удовлетворительными, если сопротивление изоляции соответствует требованиям п.8.6.4.2.
-
6.6.2.8.2 Измерение сопротивления изоляции сетевых цепей проводят между закороченными контактами сетевой вилки и соединенными выходными клеммами. Проверка проводится с помощью мегаомметра при напряжении не менее 500 В.
Результаты проверки считают удовлетворительными, если в нормальных условиях значение электрического сопротивления изоляции не менее 500 МОм.
-
6.6.2.8.3 Проверку электрической прочности и сопротивления изоляции интерфейса проводят испытательным напряжением 1500 В постоянного тока. Испытание изоляции проводят между соединенными контактами интерфейсного разъема и всеми входными клеммами. Проверка сопротивления изоляции проводится с помощью мегаомметра при напряжении не менее 500 В.
Допускается при использовании мегаомметра ЭСО 2002 12-Г с измерительным напряжением 1000 В не проводить проверку электрической прочности изоляции. При использовании мегаомметра ЭСО 2002 12-Г запрещено применять испытательной напряжение более 1000 В переменного тока.
Результаты проверки считают удовлетворительными, если не произошел пробой и сопротивление изоляции соответствует требованиям п. 6.6.2.8.2.
-
6.6.2.9 Проверку номера версии программного обеспечения и цифрового идентификатора калибровочных данных и программного обеспечения осуществляют сличением значения, отображаемого на индикаторе при включении прибора (или программного сброса, вызываемого нажатием кнопок Shift и С1г ), с последним (действующем) значением, записанным в таблице 2 формуляра.
Результаты проверки считают удовлетворительными, если номера версии и идентификатора соответствуют указанным в формуляре.
-
6.6.3 Определение метрологических характеристик
-
6.6.3.1 Определение основной погрешности при воспроизведении напряжения постоянного тока и амплитуды импульсов напряжения постоянного тока в режиме манипуляции выполняют путем измерения выходного напряжения калибратора вольтметром В7-64/1 (см. схему рисунка 6.1 или рисунка 6.5). Точки проверки и допускаемые значения основной погрешности приведены в таблице 6.5.
-
Таблица 6.5 - Параметры проверки в режиме воспроизведения постоянного напряжения
Предел |
Контролируемое напряжение, В |
Допускаемое значение погрешности, ±мВ |
Предел |
Контролируемое напряжение, В |
Допускаемое значение погрешности, ±мВ |
0.2 В |
0 |
0.1 |
20 В |
+10.000 |
6 |
+0.20000 |
0.3 |
+20.000 |
И | ||
-0.20000 |
0.3 |
-20.000 |
И | ||
2В |
+0.2500 |
0.32 |
200 В |
+25.00 |
45 |
-0.2500 |
0.32 |
-25.00 |
45 | ||
+0.5000 |
0.45 |
+200.00 |
220 | ||
+1.0000 |
0.7 |
-200.00 |
220 | ||
+1.5000 |
0.95 |
600 В |
+250.0 |
430 | |
+2.0000 |
1.2 |
-250.0 |
430 | ||
-2.0000 |
1.2 |
+600.0 |
780 | ||
20 В |
+2.500 |
2.25 |
-600.0 |
780 | |
-2.500 |
2.25 | ||||
В режиме амплитудной манипуляции («МО») | |||||
0.2 В |
+0.01000 |
1.1 |
20 В |
+02.500 |
22.5 |
-0.01000 |
1.1 |
-02.500 |
22.5 | ||
+0.20000 |
3 |
+20.000 |
110 | ||
-0.20000 |
3 |
-20.000 |
110 | ||
2В |
+0.2500 |
2.25 |
200 В |
+025.00 |
325 |
-0.2500 |
2.25 |
-025.00 |
325 | ||
+2.0000 |
И |
+200.00 |
1200 | ||
-2.0000 |
11 |
-200.00 |
1200 |

Рисунок 6.5 - Схема для определения погрешности воспроизведения напряжения
Результаты считают удовлетворительными, если погрешность не превышает значений, приведенных в таблице 6.5.
-
6.6.3.2 Определение основной погрешности воспроизведения напряжения переменного тока осуществляют по одной из двух методик:
-
1) методом сравнения с мерой (эталоном), при котором контролируемое напряжение переменного тока сравнивается с переменным напряжением эталонного калибратора (более высокой точности), например калибратора универсального Н4-17, в соответствии с указаниями п.6.6.3.2.1 и включаемого по схеме рисунка 6.5. Напряжения измеряются вольтметром В7-64/1 и определяется их разность, соответствующая погрешности проверяемого прибора;
-
2) методом непосредственной оценки - измерений выходного напряжения с помощью вольтметра более высокой точности, например калибратора-вольтметра универсального Н4-12 (см. рисунок 6.4) в соответствие с указаниями п.6.6.3.2.2.
Точки проверки и допускаемое значение погрешности указаны в таблице 6.6.
-
6.6.3.2.1 Проверка методом сравнения выполняется следующим образом:
а) значения напряжения и частоты, указанные в таблице 6.6, устанавливаются на выходе проверяемого калибратора и эталонного калибратора;
б) подключают вольтметр В7-64/1, включенный в режиме измерения переменного напряжения, на выход эталонного калибратора. Рекомендуется при измерениях напряжений свыше 25 В вручную устанавливать необходимый предел измерения вольтметра В7-64/1. Это позволяет увеличить скорость измерений и повысить надежность работы приборов, не подвергая их лишний раз перегрузкам, возникающим при работе системы автоматического выбора пределов измерения вольтметра;
в) включить выход эталонного калибратора. При уровнях устанавливаемого напряжения ниже 25 В эта операция пропускается, т. к. все переключения вольтметра можно проводить без отключения выходов калибраторов;
В7-64/1;
г) после установления показаний зафиксировать их нажатием кнопки
вольтметра
д) переключить вольтметр на выход проверяемого калибратора Н4-11/1;
ж) включить выход проверяемого калибратора. При уровнях устанавливаемого напряжения ниже 25 В эта операция также может пропускаться;
и) зафиксировать показания вольтметра как значение определяемой погрешности;
к) перейти к определению погрешности в следующей точке, повторив операции по перечислениям а) - ж).
Проверку диапазона и основной погрешности воспроизведения среднеквадратических значений напряжения переменного тока в режиме амплитудной манипуляции (п. 1.1.22) выполняют путем измерения выходного напряжения калибратора вольтметром В7-64/1.
-
6.6.3.2.2 Проверка методом непосредственной оценки выполняется следующим образом:
а) значения напряжения и частоты, указанные в таблице 6.6, устанавливаются на выходе проверяемого калибратора. Выход проверяемого калибратора должен быть неактивным (сброшен);
б) подключают эталонный вольтметр, включенный в режиме измерения переменного напряжения, на выход проверяемого калибратора. Рекомендуется при измерениях напряжений свыше 25 В вручную устанавливать необходимый предел измерения вольтметра. Это позволяет увеличить скорость измерений и повысить надежность работы приборов, не подвергая их лишний раз перегрузкам;
в) включить напряжение на выходе проверяемого калибратора (кнопкой X ) ;
г) зафиксировать показания вольтметра;
д) перейти к определению погрешности в следующей точке, повторив операции по перечислениям а) - г).
Таблица 6.6 - Параметры проверки в режиме воспроизведения переменного напряжения
Предел |
Контролируемое напряжение |
Допускаемое значение погрешности, ±мВ |
Предел |
Контролируемое напряжение |
Допускаемое значение погрешности, ±мВ |
0.2 В |
0.20000 В, 1000 Гц |
0.6 |
20 В |
20.000 В, 1000 Гц |
23 |
0.20000 В, 10 кГц |
0.6 |
20.000 В, 10 кГц |
44 | ||
0.2 В, 20 кГц |
0.8 |
20.000 В, 20 кГц |
66 | ||
0.2 В, 30 кГц |
1.2 |
20.000 В, 30 кГц |
110 | ||
2В |
0.2500 В, 1000 Гц |
0.65 |
150 В |
150.00 В, 40 Гц |
180 |
0.5000 В, 1000 Гц |
0.9 |
100.00 В, 1000 Гц |
120 | ||
1.0000 В, 10 Гц |
3.4 |
100.00 В, 10 кГц |
220 | ||
1.0000 В, 20 Гц |
2.4 |
100.00 В, 20 кГц |
330 | ||
1.0000 В, 40 Гц |
1.4 |
100.00 В, 30 кГц |
550 | ||
1.0000 В, 1000 Гц |
1.4 |
600 В |
300 В, 20 Гц |
1500 | |
1.5000 В, 1000 Гц |
1.9 |
600 В, 40 Гц |
2400 | ||
2.0000 В, 1000 Гц |
2.4 |
600 В, 1000 Гц |
2400 | ||
2.0000 В, 10 кГц |
4.4 | ||||
2.0000 В, 20 кГц |
6.6 | ||||
2.0000 В, 30 кГц |
И | ||||
В режиме амплитудной манипуляции («МО») | |||||
0.2 В |
0.20000 В, 1000 Гц 0.20000 В, 30 кГц |
2.8 3.2 |
20 В |
20.000 В, 1000 Гц 20.000 В, 30 кГц |
220 320 |
2В |
2.0000 В, 1000 Гц 2.0000 В, 30 кГц |
22 32 |
150 В |
100.00 В, 1000 Гц 100.00 В, 30 кГц |
1100 1600 |
-
6.6.3.2.3 Определение основной погрешности воспроизведения напряжения переменного тока в режиме амплитудной манипуляции («МО») выполняют путем измерения выходного напряжения калибратора вольтметром В7-64/1 В точках, указанных таблице 6.6.
Эталонный ---------калибратор оо-ороо |
1 1 1 1 1 1 1 |
I 1 | |
1 |
1 |
ООО 000 |
Н4-11/1 | ||
оооо |
t В7-64/1 | | 00_ | ||
оо- | ||
I
I
Рисунок 6.6 - Схема для проверки выходного напряжения методом сравнения
Результаты считают удовлетворительными, если погрешность не превышает значений, приведенных в таблице 6.6.
-
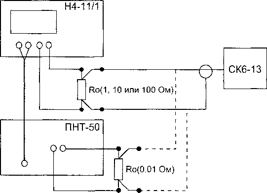
6.6.3.3 Определение основной погрешности воспроизведения силы тока выполняют измерением падения напряжения на мерах сопротивления постоянного тока (катушках электрического сопротивления измерительных) и мерах сопротивления переменного тока (токовых шунтах с аттестованной частотной характеристикой, например, с помощью комплекта мер МС100, МС10, MCI, МС01):
-
- на постоянном токе осуществляется методом непосредственной оценки с помощью вольтметра, например, В7-64/1 в соответствие с рисунком 6.7 и по методике п.6.6.3.3.1;
-
- на переменном токе методом непосредственной оценки с помощью вольтметра переменного тока высокой точности, например калибратора-вольтметра универсального Н4-12 в соответствии с рисунком 6.7 и методикой п.6.6.3.3.2. При использовании вольтметра В7-64/1 следует использовать способ внесения поправок, описанный в п.6.6.3.2.1.
Н4-11/1
оооо
Ro(1, 10 или 100 Ом)
-
Эталонный вольтметр
Рисунок 6.7 - Схема для проверки выходного тока методом непосредственной оценки
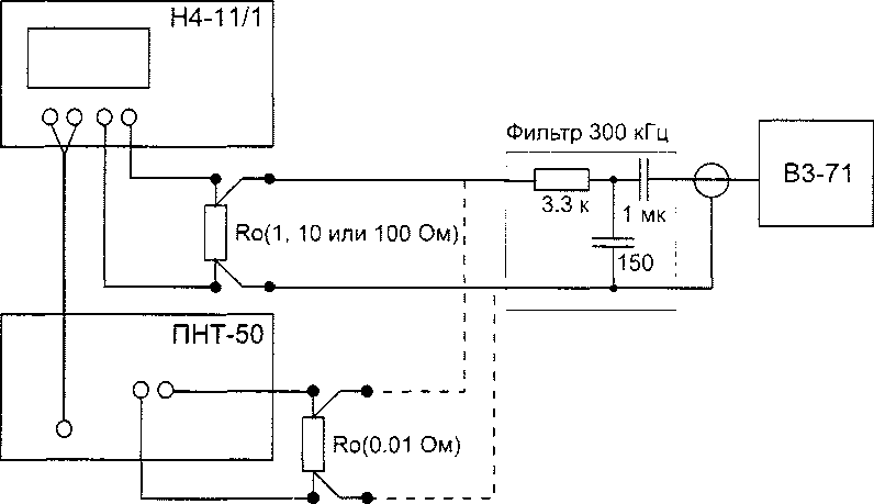
При измерениях, выполняемых в соответствии с рисунками 5 и 6 ток свыше 2 А берется с выхода преобразователя ПНТ-50. В тех случаях, когда используется выход калибратора Н4-11/1, вход и питание выходного каскада преобразователя ПНТ-50 должны быть отключены.
Определение основной погрешности воспроизведения силы постоянного и переменного тока в режиме манипуляции («МО) допускается выполнять путем измерения вольтметром В7-64/1 падения напряжения на мере сопротивления (методом непосредственной оценки).
Одновременно проверяют производственно-эксплуатационный запас (п. 1.1.25), автоматический выбор пределов воспроизведения напряжения, установку и индикацию выходного тока и частоты (п. 1.3.24).
Точки проверки и допускаемое значение погрешности указаны в таблице 6.7.
-
6.6.3.3.1 Проверка погрешности воспроизведения постоянного тока выполняется следующим образом:
а) подключить к выходу калибратора токовыми клеммами меру сопротивления постоянного тока в соответствии с указаниями таблицы 6.7 и рисунка 6.7. Подключить к ее потенциальным клеммам вольтметр В7-64/1, включенный в режиме измерения постоянного напряжения;
б) установить на выходе проверяемого калибратора значение тока, указанное в таблице 6.7;
в) сравнить показания вольтметра с номинальным значением напряжения, которое должно установиться на мере сопротивления (также указано в таблице 6.7). Если действительное значение меры сопротивления отличается от значений, указанных в таблице 6.7, то соответствующим образом корректируется и значение номинального напряжения. Зафиксировать разность показаний вольтметра и номинального напряжения как значение определяемой погрешности. Во избежание появления дополнительной погрешности от саморазогрева мер сопротивления не допускать длительную (более 30 с) подачу больших токов в измерительную цепь;
г) перейти к определению погрешности в следующей точке, повторив операции по перечислениям а) - г).
-
6.6.3.3.2 Проверка погрешности воспроизведения переменного тока методом непосредственной оценки выполняется следующим образом:
а) подключить к выходу калибратора токовыми клеммами меру сопротивления (переменного тока в соответствии с указаниями таблицы 6.7 и рисунка 6.7. Подключить к ее потенциальным клеммам эталонный вольтметр, включенный в режиме измерения переменного напряжения;
б) установить на выходе проверяемого калибратора значение тока и частоты, указанное в таблице 6.7.
в) сравнить показания вольтметра с номинальным значением напряжения, которое должно установиться на мере сопротивления (также указано в таблице 16). Если действительное значение Кд меры переменного тока (шунта переменного тока) отличается от номинального более чем на 0.02 % с учетом частотных поправок, то номинальное значение U определяется по формуле (6.1)
и = Ид- I (6.1)
где I - устанавливаемое значение тока
г) зафиксировать разность показаний вольтметра и номинального напряжения как значение определяемой погрешности;
д) перейти к определению погрешности в следующей точке, повторив операции по перечислениям а) - г).
Таблица 6.7 - Параметры проверки в режиме воспроизведения силы тока
Предел |
Контролируемый ток |
Мера (катушка) сопротивления* * |
Номинальное напряжение***, мВ |
Допускаемое значение погрешности, ±мВ, |
Воспроизведение силы постоянного тока на выходе Н4-1: |
/1 | |||
20 мА |
+1 мА |
Р331 |
+100 |
0.3 |
-1 мА |
100 Ом ± 0.02 % |
-100 |
0.3 | |
+20 мА |
+2000 |
2.2 | ||
-20 мА |
-2000 |
2.2 | ||
+20 мА («МО») |
+2000 |
12 | ||
-20 мА («МО») |
-2000 |
12 | ||
200 мА |
+200 мА |
Р321 |
+2000 |
2.2 |
-200 мА |
10 Ом ±0.02% |
-2000 |
2.2 | |
+200 мА («МО») |
+2000 |
12 | ||
-200 мА («МО») |
-2000 |
12 | ||
2 А |
+2000 мА**** |
Р321 |
+200 |
0.22 |
-2000 мА**** |
0.1 Ом ±0.02% |
-200 |
0.22 | |
+2000мА («МО»)**** |
+200 |
1.2 | ||
-2000 мА («МО»)**** |
-200 |
1.2 | ||
Воспроизведение силы постоянного тока на выходе ПНТ-50 | ||||
20 А* |
+2.5 А**** |
Р321 |
+250 |
0.675 |
-2 5 А**** |
0.1 Ом ±0.02% |
-250 |
0.675 | |
_|_|Q Д**** |
Р321 |
+100 |
0.3 | |
_Ю д**** |
0.01 Ом ±0.05 % |
-100 |
0.3 | |
+10 А («МО»)**** |
+100 |
1.2 | ||
-10 А («МО»)**** |
-100 |
1.2 | ||
50 А* |
+25 А |
Р310 |
+25 |
0.11 |
-25 А |
0.001 Ом±0.05% |
-25 |
0.11 | |
+50 А**** |
+50 |
0.175 | ||
-50 А**** |
-50 |
0.175 | ||
30 А («МО»)**** |
+30 |
0.35 | ||
Воспроизведение силы переменного тока на выходе Н4-1 |
1/1 | |||
20 мА |
1 мА, 1 кГц |
Мера сопротивле- |
100 |
1.2 |
20 мА, 20 Гц |
ния переменного |
2000 |
4.6 | |
20 мА, 40 Гц |
тока |
2000 |
4.6 | |
20 мА, 1 кГц |
100 Ом ± 0.05 % |
2000 |
4.6 | |
20 мА, 10 кГц |
2000 |
15 | ||
20 мА, 1 кГц («МО») |
2000 |
22 | ||
200 мА |
200 мА, 1 кГц |
Мера сопротивле- |
2000 |
4.6 |
200 мА, 10 кГц |
ния переменного |
2000 |
15 | |
200 мА, 1 кГц («МО») |
тока |
2000 |
22 | |
10 Ом ±0.05% | ||||
2 А |
2000 мА, 1 кГц**** |
Мера сопротивле- |
2000 |
4.6 |
2000 мА, 10 кГц**** |
ния переменного |
2000 |
15 | |
2000 мА, 1 |
тока |
2000 |
22 | |
кГц(«МО»)**** |
1 Ом ± 0.05 % |
Продолжение таблицы 6.7
Предел |
Контролируемый ток |
Мера (катушка) сопротивления* * |
Номинальное напряжение***, мВ |
Допускаемое значение погрешности, ±мВ, |
Воспроизведение силы переменного тока на выходе ПНТ-50 | ||||
20 А* |
20 А, 50 Гц**** |
Мера сопротивле- |
200 |
0.7 |
20 А, 500 Гц**** |
ния переменного |
200 |
2.1 | |
20А, 50 Гц («МО»)**** |
тока 0.01 Ом ±0.1 % |
200 |
2.3 | |
50 А* |
50 А, 50 Гц**** |
Мера сопротивле- |
500 |
2.1 |
50 А, 500 Гц**** |
ния переменного |
500 |
5.5 | |
50 А, 50 Гц («МО»)**** |
тока 0.01 Ом ±0.1 % |
500 |
5.9 |
Примечания * На выходе преобразователя ПНТ-50
** Указано значение сопротивления, при котором погрешность вычисляется относительно номинального напряжения. Если действительное значение сопротивления меры выходит за пределы указанного диапазона, то номинальное напряжение вычисляется по формуле (6.1)
*** При необходимости указанное значение вычисляется по формуле (6.1) **** Длительность подачи тока на меру не должна превышать 30 с
Результаты считают удовлетворительными, если погрешность не превышает значений, приведенных в таблице 6.7.
-
6.6.3.4 Определение погрешности установки частоты производится измерением частоты выходного сигнала мультиметром В7-64/1, включенным в режиме измерения частоты. Калибратор включается по схеме в соответствии с рисунком 6.8. На выходе калибратора устанавливается напряжение 1 В со значениями частоты, указанными в таблице 6.8, и фиксируются показания частотомера (В7-64/1).
Таблица 6.8 - Параметры проверки погрешности установки частоты
Устанавливаемое напряжение |
Допускаемое значения частоты и формы сигналов | |
1 В, 10 Гц 1 В, 1000 Гц 1 В, 33 кГц |
1010.15 Гц 1000±0.6Гц 33000±16.5 Гц | |
+1 В, «М1» (8 Гц) |
8+0.04 Гц |
Соответствие осциллограмм временным диаграммам рисунка 6.9а |
+1 В, «М2» (12 Гц) |
1210.06 Гц |
Соответствие осциллограмм временным диаграммам рисунка 6.9а |
+1 В, «М3» (код «3») +1 В, «М4» (код «Ж») +1 В, «М5» (код «КЖ») |
Соответствие осциллограмм временным диаграммам рисунка 6.96 | |
1 В, 1 кГц, «Мб-16» |
- |
Соответствие осциллограмм временным диаграммам рисунка 6.9в |

Рисунок 6.8 - Схема для проверки погрешности установки частоты и функционирования режимов амплитудной манипуляции




в) фазо-импульсной манипуляции «Мб-16»
Рисунок 6.19 - Временные диаграммы модуляции
Определение погрешности задания длительности временных интервалов для всех режимов амплитудной манипуляции производится проверкой тактовой частоты модулятора при установленном на выходе постоянном напряжении +1 В в режимах «М1» и «М2».
Проверка функционирования модулятора в асинхронных и синхронных режима производится наблюдением за воспроизведением кодоимпульсных последовательностей «М3», «М4», «М5», и фазовой манипуляции «Мб».
Проверку функционирования режимов амплитудной манипуляции производят, контролируя с помощью осциллографа форму выходных сигналов в режимах, указанных в таблице 6.8. Допускается использование цифрового осциллографа для измерения частоты и временных интервалов при условии обеспечения метрологических требований.
Результаты считают удовлетворительными, если погрешность установки частоты не превышает значений, приведенных в таблице 6.8, а форма выходных сигналов в режимах амплитудной и фазовой манипуляции соответствует временным диаграммам, показанным на рисунке 6.10 с погрешностью измерения временных интервалов, определяемой осциллографом. Несоответствие временных диаграмм за счет наклона плоской части импульсом (из-за разделительного конденсатора фильтра не учитывается).
-
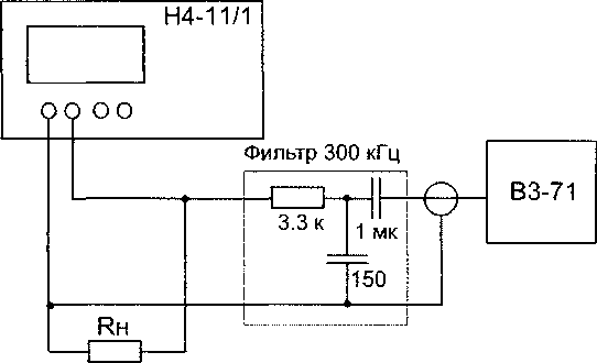
6.6.3.5 Определение среднеквадратического значения напряжения пульсаций и шумов на выходе поверяемого калибратора выполняется в соответствие с указаниями таблицы 6.9 следующим образом:
а) собрать измерительную схему в соответствии с указаниями таблицы 6.9. Необходимые резисторы нагрузки находятся в блоке нагрузок из комплекта Н4-11/1;
б) установить на выходе калибратора значение выходного параметра, указанное в таблице 6.9;
в) зафиксировать показания вольтметра ВЗ-71;
г) повторить операции по перечислениям а) - в) для следующего значения выходного параметра.
Таблица 6.9 - Параметры проверки пульсаций и шумов
Предел |
Выходной уровень |
Измерительная схема |
Сопротивление нагрузки или токового шунта, Ом |
Допускаемое значение пульсаций и шумов, мВ |
0.2 В |
+0.20000 В |
- |
1 | |
2В |
0.0000 В +2.0000 В -2.0000 В |
5 | ||
20 В |
+20.000 В -20.000 В |
Рисунок 6.10 |
750 (1 Вт) |
20 |
200 В |
+150.00 В -150.00 В |
7500 (10 Вт) |
200 | |
600 В |
+600.0 В -600.0 В |
60000 (5 Вт) |
1000 | |
20 мА |
0 мА +20 мА -20 мА |
100** (0.1 Вт) |
1 1 1 | |
200 мА |
+200 мА -200 мА |
Рисунок 6.11 |
10** (1 Вт) |
1 1 |
2 А |
+2000 мА -2000 мА |
1** (5 Вт) |
1 1 | |
20 А* |
20 А |
0.01** (25 Вт) |
0.5 |
Примечания * На выходе преобразователя ПНТ-50
** Указана допустимая мощность нагрузки. В качестве токовых шунтов могут быть использованы меры сопротивления переменного тока (см. п.6.6.3.3)

Резисторы Rh и фильтр 300 кГц находятся в блоке нагрузок из комплекта прибора Н4-11/1
Рисунок 6.10 - Схема для проверки пульсаций и шумов выходного напряжения

Фильтр 300 кГц находится в блоке нагрузок из комплекта прибора Н4-11/1
Рисунок 6.11 - Схема для проверки пульсаций и шумов выходного тока
Результаты считают удовлетворительными, если уровень переменных составляющих не превышает значений, указанных в таблице 6.9.
-
6.6.3.6 Определение постоянной составляющей на выходе поверяемого калибратора выполняется в соответствии с указаниями таблицы 6.10 следующим образом:
а) собрать измерительную схему в соответствии с указаниями таблицы 6.10. Рекомендуемый вольтметр В7-64/1, обеспечивающий высокую степень подавления составляющих переменного тока;
б) установить на выходе поверяемого калибратора значение выходного параметра, указанное в таблице 6.10;
в) зафиксировать показания вольтметра, включенного в режиме измерения постоянного напряжения;
г) повторить операции по перечислениям а) - в) для следующего значения выходного параметра.
Таблица 6.10 - Параметры проверки постоянной составляющей
Предел |
Выходной уровень |
Измерительная схема |
Сопротивление токового шунта**, Ом |
Допускаемое значение смещения, ±мВ |
0.2 В |
0.20000 В, 1 кГц |
Рисунок 6.1 |
- |
1 |
2В |
2.0000 В, 1 кГц |
- |
1 | |
20 В |
20.000 В, 1 кГц |
- |
3 | |
150 В |
100.00 В, 1 кГц |
- |
25 | |
2000 мА |
20 мА, 1 кГц |
Рисунок 6.7 |
100 (0.1 Вт) |
0.5 |
20 А* |
10 А, 1 кГц |
0.01 (10 Вт) |
0.15 |
Примечания * На выходе преобразователя ПНТ-50
** Указана допустимая мощность нагрузки. В качестве токовых шунтов могут быть использованы меры сопротивления переменного тока (см. п.6.6.3.3)
Результаты поверки считают удовлетворительными, если смещение на выходе калибратора не превышает значений, указанных в таблице 6.10.
-
6.6.3.7 Определение коэффициента нелинейных искажений и шумов в режимах воспроизведения напряжения и силы переменного тока выполняется с помощью измерителя нелинейных искажений СК6-13 в соответствии с указаниями таблицы 6.11. При измерении коэффициента гармоник высокого напряжения на вход измерителя гармоник включается делитель напряжения с коэффициентом передачи 1:100 (330 к/3.3 к), находящийся в блоке нагрузок из комплекта прибора Н4-11/1.
** Указана допустимая мощность нагрузки. В качестве токовых шунтов могут быть использованы меры сопротивления переменного тока (см. п.6.6.3.3)
Таблица 6.11 - Параметры проверки коэффициента гармоник
Предел |
Выходной уровень |
Измерительная схема |
Делитель и сопротивление токового шунта**, Ом |
Допускаемое значение коэффициента гармоник, % |
2, 20 В |
2.0000 В, 10 Гц |
Рисунок 6.12 |
1:1 |
0.5 |
2.0000 В, 30 кГц |
0.75 | |||
20.000 В, 20 Гц |
0.2 | |||
20.000 В, 40 Гц |
0.15 | |||
20.000 В, 1 кГц |
0.17 | |||
20.000 В, 10 кГц |
0.25 | |||
20.000 В, 20 кГц |
0.55 | |||
20.000 В, 30 кГц |
0.75 | |||
150 В |
150.00 В, 1 кГц |
1:100 |
0.17 | |
150.00 В, 10 кГц |
0.25 | |||
150.00 В, 20 кГц |
0.55 | |||
150.00 В, 30 кГц |
0.75 | |||
600 В |
300 В, 20 Гц |
1:100 |
0.5 | |
600 В, 40 Гц |
0.3 | |||
600.0 В, 1 кГц |
0.3 | |||
2000 мА |
2000 мА, 1 кГц 2000 мА, 10 кГц |
Рисунок 6.13 |
1 (5 Вт) или 0.1 (1 Вт) |
0.2 1.2 |
20 А* и 50 А* |
20 А, 50 Гц 50 А, 50 Гц 50 А, 500 Гц |
0.01 (25 Вт) |
0.3 0.3 1.2 |
Примечания * На выходе преобразователя ПНТ-50

Делитель 1:100 (330 к/3.3 к) находится в блоке нагрузок из комплекта прибора Н4-11/1
Рисунок 6.12 - Схема для проверки коэффициента гармоник и шумов

Рисунок 6.13 - Схема для проверки коэффициента гармоник и шумов выходного тока
Результаты считают удовлетворительными, если коэффициент гармоник не превышает значений, приведенных в таблице 6.11.
6.7 Оформление результатов поверки (калибровки)6.7.1 Положительные результаты поверки (калибровки) оформляют в соответствии с Порядком проведения поверки, требованиями к знаку поверки и содержанию свидетельства о поверке, утвержденным Приказом Минпромторга от 02.07.2015г. № 1815, и вносят в соответствующий раздел (таблица 10) формуляра МЕРА.411182.003 ФО. При этом оформляется свидетельство о поверке, в таблицу 2 формуляра записывается текущее значение номера версии программного обеспечения и цифрового идентификатора данных калибровки и наносятся знаки поверки.
6.7.3 При отрицательных результатах поверки (калибровки) прибор признается непригодным к выпуску в обращение и применению и направляется в ремонт. При этом гасятся знаки поверки. Приборы, не подлежащие ремонту, изымаются из обращения и эксплуатации, при этом выдается извещение о непригодности.
6.7.4 Для прибора Н4-11/1, благодаря наличию независимых систем введения поправочных коэффициентов, возможно применение выборочной или целевой поверки (калибровки) режимов работы. Имеется в виду поверка (калибровка) только в предполагаемых к использованию диапазонах воспроизведения калибратора. При этом в свидетельство о поверке (сертификат о калибровке) вносятся все данные о фактическом объеме поверки (калибровки).
МЕРА2016