Номер по Госреестру СИ: 91586-24
91586-24 Система автоматического контроля выбросов загрязняющих веществ от источников выбросов ПАО "ММК"
(Обозначение отсутствует)
Назначение средства измерений:
Система автоматического контроля выбросов загрязняющих веществ от источников выбросов ПАО «ММК» (далее - система) предназначена для автоматического непрерывного измерения массовой концентрации твердых (взвешенных) частиц и параметров газового потока (температуры, давления и скорости потока газа) в выбросах предприятия ПАО «ММК» и технологических газах, расчета объемного расхода газа, массовых и валовых выбросов твердых (взвешенных) частиц; сбора, обработки, визуализации, хранения и передачи полученных данных, представления полученных данных в различных форматах.

Внешний вид.
Система автоматического контроля выбросов загрязняющих веществ от источников выбросов ПАО "ММК"
Рисунок № 1

Внешний вид.
Система автоматического контроля выбросов загрязняющих веществ от источников выбросов ПАО "ММК"
Рисунок № 2

Внешний вид.
Система автоматического контроля выбросов загрязняющих веществ от источников выбросов ПАО "ММК"
Рисунок № 3

Внешний вид.
Система автоматического контроля выбросов загрязняющих веществ от источников выбросов ПАО "ММК"
Рисунок № 4

Внешний вид.
Система автоматического контроля выбросов загрязняющих веществ от источников выбросов ПАО "ММК"
Рисунок № 5

Внешний вид.
Система автоматического контроля выбросов загрязняющих веществ от источников выбросов ПАО "ММК"
Рисунок № 6

Внешний вид.
Система автоматического контроля выбросов загрязняющих веществ от источников выбросов ПАО "ММК"
Рисунок № 7
Программное обеспечение
Программное обеспечение системы состоит из модулей:
-
- встроенное программное обеспечение;
-
- автономное программное обеспечение.
Встроенное программное обеспечение (далее - ПО) установлено на управляющие контроллеры анализатора пыли РСМЕ модели QAL 181 и измерителя скорости потока газа PCME STACKFLOW. Идентификационные данные ПО приборов приведены в соответствующих описаниях типов. Встроенное программное обеспечение выполняет следующие функции:
-
- прием, обработку и регистрацию данных от измерительных блоков о параметрах выбросов загрязняющих веществ.
Автономное ПО осуществляет функции:
-
- отображение на экране АРМ измеренных значений параметров газового потока загрязняющих веществ;
-
- формирование отчетов на основе 20-минутных значений по запросу пользователя;
-
- архивация (сохранение) вышеуказанных измеренных и расчетных данных;
-
- визуализация процесса на мониторе оператора;
-
- поддержка многопользовательского, многозадачного непрерывного режима работы в реальном времени;
-
- регистрация и документирование событий, ведение оперативной БД параметров режима, обновляемой в режиме реального времени;
-
- контроль состояния значений параметров, формирование предупреждающих и аварийных сигналов;
-
- дополнительная обработка информации, расчеты, автоматическое формирование отчетов и сохранение их на жесткий диск АРМ.
Система подключена к внешнему программно-аппаратному комплексу для формирования экологической отчётности и может передавать данные в Государственный реестр объектов, оказывающих негативное воздействие на окружающую среду.
Влияние программного обеспечения системы учтено при нормировании метрологических характеристик.
Уровень защиты ПО «высокий» в соответствии с Р 50.2.077-2014. Метрологически значимая часть ПО СИ и измеренные данные достаточно защищены с помощью специальных средств защиты от преднамеренных изменений.
Таблица 1 - Идентификационные данные ПО
|
Идентификационные данные (признаки) |
Значение |
|
Идентификационное наименование автономного ПО |
Пост контроля загазованности и выбросов |
|
Номер версии (идентификационный номер) автономного ПО, не ниже |
2.7 |
Знак утверждения типа
Знак утверждения типананосится на титульный лист Руководства по эксплуатации типографским методом.
Сведения о методиках измерений
Сведения о методиках (методах) измеренийприведены в руководстве по эксплуатации, раздел 2 «Описание и работа».
Нормативные и технические документы
Нормативные и технические документы, устанавливающие требования к средству измеренийПриказ Росстандарта от 23 декабря 2022 г. № 3253 «Об утверждении Государственной поверочной схемы для средств измерений температуры»;
Приказ Росстандарта от 6 декабря 2019 г. № 2900 «Об утверждении Государственной поверочной схемы для средств измерений абсолютного давления в диапазоне 1-10"1 - V107 Па»;
Приказ Росстандарта от 11 мая 2022 г. № 1133 «Об утверждении Государственной поверочной схемы для средств измерений объемного и массового расходов газа»;
Приказ Росстандарта от 25 ноября 2019 г № 2815 «Об утверждении Государственной поверочной схемы для средств измерений скорости воздушного потока»;
Приказ Росстандарта от 30 декабря 2021 г. № 3105 «Об утверждении Государственной поверочной схемы для средств измерений дисперсных параметров аэрозолей, взвесей и порошкообразных материалов»;
Приказ Росстандарта от 1 октября 2018 г. № 2091 «Об утверждении государственной поверочной схемы для средств измерений силы постоянного тока в диапазоне от 140-16 до 100 А»;
ГОСТ Р 52931-2008 Приборы контроля и регулирования технологических процессов. Общие технические условия;
ГОСТ Р 8.960-2019 Государственная система обеспечения единства измерений. Наилучшие доступные технологии. Метрологическое обеспечение автоматических измерительных систем для контроля вредных промышленных выбросов. Основные положения.
ПравообладательАкционерное общество «НеваЛаб» (АО «НеваЛаб»)
ИНН 7810272943
Юридический адрес: 188643, Ленинградская обл., р-н Всеволожский, г. Всеволожск, ул. Заводская, д. 8, помещ. 9
Телефон: +7 (812) 336 32 00
E-mail: info@nevalab.ru
Изготовитель
Акционерное общество «НеваЛаб» (АО «НеваЛаб»)ИНН 7810272943
Юридический адрес: 188643, Ленинградская обл., р-н Всеволожский, г. Всеволожск, ул. Заводская, д. 8, помещ. 9
Адрес места осуществления деятельности: 196158, г. Санкт-Петербург, Московское ш., д. 46
Телефон: +7 (812) 336 32 00
E-mail: info@nevalab.ru
Испытательный центр
Общество с ограниченной ответственностью «ПРОММАШ ТЕСТ Метрология» (ООО «ПРОММАШ ТЕСТ Метрология»)Юридический адрес: 119415, г. Москва, пр-кт Вернадского, д. 41, стр. 1, помещ. I, ком. 28 Телефон: +7 (495) 108 69 50
E-mail: info@metrologiya.prommashtest.ru
Правообладатель
Акционерное общество «НеваЛаб» (АО «НеваЛаб»)ИНН 7810272943
Юридический адрес: 188643, Ленинградская обл., р-н Всеволожский, г. Всеволожск, ул. Заводская, д. 8, помещ. 9
Телефон: +7 (812) 336 32 00
E-mail: info@nevalab.ru
Система является стационарным автоматическим многоканальным измерительным устройством непрерывного действия.
В состав системы входят следующие компоненты:
-
- преобразователь давления измерительный АИР-20/М2 модификации АИР-20/М2-МВ, рег. № 63044-16, зав. № 10084756;
-
- термопреобразователь универсальный ТПУ 0304 модификации ТПУ 0304-М3/МВ, рег. № 50519-17, зав. № 10085238;
-
- анализатор пыли РСМЕ модели QAL 181, рег. № 70790-18, зав. №88703/88475;
-
- измеритель скорости потока газа PCME STACKFLOW, рег. № 80298-20,
зав. №88472/88715.
Преобразователь давления измерительный АИР-20/М2, термопреобразователь универсальный ТПУ 0304, анализатор пыли РСМЕ модели QAL 181, измеритель скорости потока газа PCME STACKFLOW и пробоотборные зонды располагаются непосредственно на трубе.
Передача измерительной информации от элементов системы к промышленному компьютеру (далее - ПК) осуществляется:
-
- от преобразователя давления измерительного АИР-20/М2 по интерфейсу RS-485;
-
- от термопреобразователя универсального ТПУ 0304 по интерфейсу RS-485;
-
- от анализатора пыли РСМЕ модели QAL 181 по токовой петле от 4 до 20 мА;
-
- от измерителя скорости потока газа PCME STACKFLOW по токовой петле от 4 до 20 мА.
Система выполняет следующие основные функции:
-
- измерение температуры, абсолютного давления, концентрации взвешенных частиц и объемного расхода газового потока непосредственно в дымовой трубе;
-
- определение валового выброса твердых (взвешенных) частиц в дымовом газе расчетным методом;
-
- сбор, обработку, хранение и передачу данных.
Результаты измерений от всех измерительных каналов передаются на ПК, который представляет собой автоматизированное рабочее место оператора (далее - АРМ). ПК проводит обработку и осуществляет передачу данных на удаленный сервер или любому другому получателю.
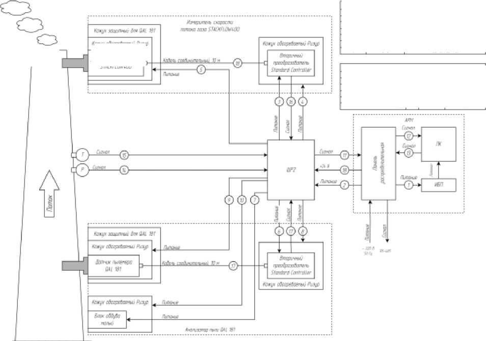
Нанесение знака поверки на систему не предусмотрено. Пломбирование системы не предусмотрено. Общий вид системы представлен на рисунке 1. Структурная схема системы представлена на рисунке 2.
Системе присвоен заводской номер 1. Заводской номер в виде цифрового значения указывается в паспорте на систему типографским способом.



Рисунок 1 - Общий вид системы
Рисунок 2 - Структурная схема системы
|
V > дан |
Н- | |
|
я |
ИЛьЛЧПьь | |
|
а |
i®l 'Л |
гЯГв£Ц-Г| ь.. |
|
№№ ■; ь | ||
|
■. ■ ■ | ||
|
Г II | ||
|
L. | ||
|
■чичши |
■XMK |
ft-rfx-u. b- |
■bwKwii-kb- |
|
U"’ | |||
|
► ’iRji | |||
|
'■.ш-d ijf-ALiJh*-'» vadri | |||
|
Iit.1 | |||
|
» | |||
GjWM ’
-О*



Таблица 4 - Комплектность системы
|
Наименование |
Обозначение |
Количество |
|
Система автоматического контроля выбросов загрязняющих веществ от источников выбросов ПАО «ММК» в составе: |
Зав. № 1 |
1 шт. |
|
Преобразователь давления измерительный АИР-20/М2 модификации АИР-20/М2-МВ, рег. № 63044-16 |
Зав. № 10084756 |
1 к-т. |
|
Термопреобразователь универсальный ТПУ 0304 модификации ТПУ 0304-М3/МВ, рег. № 50519-17 |
Зав. № 10085238 |
1 шт. |
|
Анализатор пыли РСМЕ модели QAL 181, рег. № 70790-18 |
Зав. №88703/88475 |
1 шт. |
|
Измеритель скорости потока газа PCME STACKFLOW, рег. № 80298-20 |
Зав. №88472/88715 |
1 шт. |
|
Паспорт |
ПС |
1 экз. |
|
Руководство по эксплуатации |
РЭ |
1 экз. |
Таблица 2 - Метрологические характеристики
|
Наименование характеристики |
Значение |
|
Диапазон измерений массовой концентрации пыли, мг/м3 |
от 0,5 до 100 |
|
Пределы допускаемой относительной погрешности измерений массовой концентрации пыли, % |
± 20 |
|
Диапазон измерений скорости потока газа в рабочих условиях, м/с |
от 0,05 до 50 |
|
Пределы допускаемой абсолютной погрешности измерений скорости газового потока в рабочих условиях, м/с |
± (0,03 + 0,03 • V1*) |
|
Диапазон измерений объемного расхода в рабочих условиях, м3/ч |
от 0,024 до 500 000 |
|
Пределы допускаемой относительной погрешности измерений объемного расхода газа в рабочих условиях, % |
± (5/V1* + 3,5) |
|
Диапазон измерений температуры, оС |
от -50 до +200 |
|
Пределы допускаемой приведенной2-* погрешности измерений температуры, % |
± 0,16 |
|
Диапазон измерений абсолютного давления, кПа |
от -100 до 100 |
|
Пределы допускаемой основной приведенной3* погрешности измерений абсолютного давления, % |
± 0,1 |
| |
|
диапазона измерений 3) Нормирующее значение - максимальное значение диапазона измерений | |
Таблица 3 - Основные технические характеристики
|
Наименование характеристики |
Значение |
|
Габаритные размеры шкафа (ДхШхВ), мм, не более |
620x620x2300 |
|
Масса шкафа, кг, не более |
182,0 |
|
Напряжение питания от источника переменного тока, В |
220 |
|
Условия эксплуатации:
на источнике выбросов шкаф АРМ
|
от -20 до +50 от +5 до +30 от 5 до 95 от 84 до 106,7 |
|
Средний срок службы, лет, не менее |
15 |
|
Средняя наработка до отказа, ч, не менее |
60 000 |

