Номер по Госреестру СИ: 93089-24
93089-24 Измерители интервалов времени
(ТМХ06-12)
Назначение средства измерений:
Измерители интервалов времени ТМХ06-12 (далее - ТМХ06-12) предназначены для измерения временных интервалов между положительными фронтами импульсных сигналов.

Внешний вид.
Измерители интервалов времени
Рисунок № 1

Внешний вид.
Измерители интервалов времени
Рисунок № 2
Общие сведения
Дата публикации - 06.09.2024
Срок свидетельства - 30.08.2029
Номер записи - 194895
ID в реестре СИ - 1418690
Тип производства - серийное
Описание типа
Поверка
Интервал между поверками по ОТ - 1 год
Наличие периодической поверки - Да
Методика поверки
Модификации СИ
Нет модификации,
Производитель
Изготовитель - Федеральное государственное унитарное предприятие "Всероссийский научно-исследовательский институт физико-технических и радиотехнических измерений" (ФГУП "ВНИИФТРИ")
Страна - РОССИЯ
Населенный пункт - Московская обл., г. Солнечногорск, рабочий поселок Менделеево
Уведомление о начале осуществления предпринимательской деятельности - Да
Отчет позволяет посмотреть историю, к каким первичным эталонам прослеживался тип СИ при поверках. На первом этапе выбираются из списка типы СИ (форма select поддерживает множественный выбор). Далее, строится таблица, содержащая следующие поля:
- номер типа СИ в реестре
- наименование СИ и его обозначение
- изготовитель
- ГЭТ
- наименование ГЭТ
- количество поверок (с 2010 года)
Для каждого типа СИ может быть показано более десятка ГЭТ, что может быть связано с нескоькими методиками поверки, с большим количеством средств поверки или человеческой ошибкой.
Статистика
Кол-во поверок - 2
Выдано извещений - 0
Кол-во периодических поверок - 0
Кол-во средств измерений - 2
Кол-во владельцев - 1
Усредненный год выпуска СИ - 2024
МПИ по поверкам - 364 дн.
Приказы РСТ, где упоминается данный тип СИ
№2064 от 2024.08.30 ПРИКАЗ_Об утверждении типов средств измерений (17)
Наличие аналогов СИ: Измерители интервалов времени (ТМХ06-12)
| ИМПОРТНОЕ СИ № в реестре, наименование СИ, обозначение, изголовитель |
ОТЕЧЕСТВЕННЫЙ АНАЛОГ № в реестре, наименование СИ, обозначение, изголовитель |
|---|
Все средства измерений Федеральное государственное унитарное предприятие "Всероссийский научно-исследовательский институт физико-технических и радиотехнических измерений" (ФГУП "ВНИИФТРИ")
|
№ в реестре cрок св-ва |
Наименование СИ, обозначение, изголовитель | ОТ, МП | МПИ |
|---|---|---|---|
|
53401-13 23.04.2029 |
Гидрофоны, ГИ55 Федеральное государственное унитарное предприятие "Всероссийский научно-исследовательский институт физико-технических и радиотехнических измерений" (ФГУП "ВНИИФТРИ") (РОССИЯ Московская обл., г. Солнечногорск, рабочий поселок Менделеево) |
ОТ МП |
2 года |
|
54732-13 15.06.2029 |
Стандарт-титры со значением pH=7,00 для приготовления буферного раствора - рабочего эталона pH 2-го разряда, СТ-pH-2 (pH=7,00) Федеральное государственное унитарное предприятие "Всероссийский научно-исследовательский институт физико-технических и радиотехнических измерений" (ФГУП "ВНИИФТРИ") (РОССИЯ Московская обл., г. Солнечногорск, рабочий поселок Менделеево) |
ОТ МП |
Первичная поверка при вводе в эксплуатацию |
|
54733-13 15.06.2029 |
Буферные растворы со значением pH=7,00 - рабочие эталоны pH 2-го разряда, БР-pH (pH=7,00) Федеральное государственное унитарное предприятие "Всероссийский научно-исследовательский институт физико-технических и радиотехнических измерений" (ФГУП "ВНИИФТРИ") (РОССИЯ Московская обл., г. Солнечногорск, рабочий поселок Менделеево) |
ОТ МП |
Первичная поверка при вводе в эксплуатацию |
|
66695-17 27.02.2027 |
Комплекты для измерений соединителей коаксиальных, КИСК-3,5М Федеральное государственное унитарное предприятие "Всероссийский научно-исследовательский институт физико-технических и радиотехнических измерений" (ФГУП "ВНИИФТРИ") (РОССИЯ Московская обл., г. Солнечногорск, рабочий поселок Менделеево) |
ОТ МП |
1 год |
|
66717-17 27.02.2027 |
Комплекты для измерений соединителей коаксиальных, КИСК-16М Федеральное государственное унитарное предприятие "Всероссийский научно-исследовательский институт физико-технических и радиотехнических измерений" (ФГУП "ВНИИФТРИ") (РОССИЯ Московская обл., г. Солнечногорск, рабочий поселок Менделеево) |
ОТ МП |
1 год |
|
66718-17 27.02.2027 |
Комплекты для измерений соединителей коаксиальных, КИСК-7М Федеральное государственное унитарное предприятие "Всероссийский научно-исследовательский институт физико-технических и радиотехнических измерений" (ФГУП "ВНИИФТРИ") (РОССИЯ Московская обл., г. Солнечногорск, рабочий поселок Менделеево) |
ОТ МП |
1 год |
|
73901-19 08.02.2029 |
Гидрофоны, ГИ60 Федеральное государственное унитарное предприятие "Всероссийский научно-исследовательский институт физико-технических и радиотехнических измерений" (ФГУП "ВНИИФТРИ") (РОССИЯ Московская обл., г. Солнечногорск, рабочий поселок Менделеево) |
ОТ МП |
1 год |
|
81123-20 |
Комплексы стационарных средств оценки эксплуатационных характеристик, Федеральное государственное унитарное предприятие "Всероссийский научно-исследовательский институт физико-технических и радиотехнических измерений" (ФГУП "ВНИИФТРИ") (РОССИЯ Московская обл., г. Солнечногорск, рабочий поселок Менделеево) |
ОТ МП |
1 год |
|
73236-18 27.11.2024 |
Системы измерительные, К6-19 Федеральное государственное унитарное предприятие "Всероссийский научно-исследовательский институт физико-технических и радиотехнических измерений" (ФГУП "ВНИИФТРИ") (РОССИЯ Московская обл., г. Солнечногорск, рабочий поселок Менделеево) |
2 года | |
|
73235-18 27.11.2024 |
Комплекты транспортируемые системы, К6-19 Федеральное государственное унитарное предприятие "Всероссийский научно-исследовательский институт физико-технических и радиотехнических измерений" (ФГУП "ВНИИФТРИ") (РОССИЯ Московская обл., г. Солнечногорск, рабочий поселок Менделеево) |
2 года | |
|
66384-17 12.01.2022 |
Анализаторы спектра цифровые узкополосные восьмиканальные, АСЦУ-8к "Тополь" Федеральное государственное унитарное предприятие "Всероссийский научно-исследовательский институт физико-технических и радиотехнических измерений" (ФГУП "ВНИИФТРИ") (РОССИЯ Московская обл., г. Солнечногорск, рабочий поселок Менделеево) |
1 год | |
|
66383-17 12.01.2022 |
Анализаторы спектра цифровые третьоктавные четырехканальные, АСЦТ-4к "Тополь" Федеральное государственное унитарное предприятие "Всероссийский научно-исследовательский институт физико-технических и радиотехнических измерений" (ФГУП "ВНИИФТРИ") (РОССИЯ Московская обл., г. Солнечногорск, рабочий поселок Менделеево) |
1 год | |
|
64768-16 12.08.2021 |
Осциллографы цифровые запоминающие, С8-203/2, С8-203/4 Федеральное государственное унитарное предприятие "Всероссийский научно-исследовательский институт физико-технических и радиотехнических измерений" (ФГУП "ВНИИФТРИ") (РОССИЯ Московская обл., г. Солнечногорск, рабочий поселок Менделеево) |
ОТ МП |
1 год |
|
64767-16 12.08.2021 |
Осциллографы цифровые запоминающие, С8-205/2, С8-205/4 Федеральное государственное унитарное предприятие "Всероссийский научно-исследовательский институт физико-технических и радиотехнических измерений" (ФГУП "ВНИИФТРИ") (РОССИЯ Московская обл., г. Солнечногорск, рабочий поселок Менделеево) |
ОТ МП |
1 год |
|
53401-13 06.05.2023 |
Гидрофоны, ГИ55 Федеральное государственное унитарное предприятие "Всероссийский научно-исследовательский институт физико-технических и радиотехнических измерений" (ФГУП "ВНИИФТРИ") (РОССИЯ Московская обл., г. Солнечногорск, рабочий поселок Менделеево) |
2 года | |
|
43471-21 26.10.2026 |
Рабочие эталоны активности ионов натрия в водных растворах, РЭАИ- Na Федеральное государственное унитарное предприятие "Всероссийский научно-исследовательский институт физико-технических и радиотехнических измерений" (ФГУП "ВНИИФТРИ") (РОССИЯ Московская обл., г. Солнечногорск, рабочий поселок Менделеево) |
ОТ МП |
Первичная поверка до ввода в эксплуатацию |
|
43476-21 26.10.2026 |
Рабочие эталоны активности ионов хлора в водных растворах, РЭАИ-Cl Федеральное государственное унитарное предприятие "Всероссийский научно-исследовательский институт физико-технических и радиотехнических измерений" (ФГУП "ВНИИФТРИ") (РОССИЯ Московская обл., г. Солнечногорск, рабочий поселок Менделеево) |
ОТ МП |
Первичная поверка до ввода в эксплуатацию |
|
43473-21 26.10.2026 |
Рабочие эталоны активности ионов фтора в водных растворах, РЭАИ-F Федеральное государственное унитарное предприятие "Всероссийский научно-исследовательский институт физико-технических и радиотехнических измерений" (ФГУП "ВНИИФТРИ") (РОССИЯ Московская обл., г. Солнечногорск, рабочий поселок Менделеево) |
ОТ МП |
Первичная поверка до ввода в эксплуатацию |
|
87558-22 02.12.2027 |
Термометры сопротивления родий-железные эталонные капсульные, ТСРЖ-Э Федеральное государственное унитарное предприятие "Всероссийский научно-исследовательский институт физико-технических и радиотехнических измерений" (ФГУП "ВНИИФТРИ") (РОССИЯ Московская обл., г. Солнечногорск, рабочий поселок Менделеево) |
ОТ МП |
1 год |
|
89909-23 04.09.2028 |
Генераторы влажного газа эталонные , Север-4 Федеральное государственное унитарное предприятие "Всероссийский научно-исследовательский институт физико-технических и радиотехнических измерений" (ФГУП "ВНИИФТРИ") (РОССИЯ Московская обл., г. Солнечногорск, рабочий поселок Менделеево) |
ОТ МП |
1 год |
|
89897-23 |
Установка акустическая поверочная, ПЗД-1 Федеральное государственное унитарное предприятие "Всероссийский научно-исследовательский институт физико-технических и радиотехнических измерений" (ФГУП "ВНИИФТРИ") (РОССИЯ Московская обл., г. Солнечногорск, рабочий поселок Менделеево) |
ОТ МП |
1 год |
|
90024-23 |
Анализатор спектра третьоктавный многоканальный, АС-УЭЗД-6 Федеральное государственное унитарное предприятие "Всероссийский научно-исследовательский институт физико-технических и радиотехнических измерений" (ФГУП "ВНИИФТРИ") (РОССИЯ Московская обл., г. Солнечногорск, рабочий поселок Менделеево) |
ОТ МП |
2 года |
|
90025-23 |
Гидрофоны измерительные, ГИ21 Федеральное государственное унитарное предприятие "Всероссийский научно-исследовательский институт физико-технических и радиотехнических измерений" (ФГУП "ВНИИФТРИ") (РОССИЯ Московская обл., г. Солнечногорск, рабочий поселок Менделеево) |
ОТ МП |
1 год |
|
90026-23 |
Гидрофоны измерительные, ГИ59 Федеральное государственное унитарное предприятие "Всероссийский научно-исследовательский институт физико-технических и радиотехнических измерений" (ФГУП "ВНИИФТРИ") (РОССИЯ Московская обл., г. Солнечногорск, рабочий поселок Менделеево) |
ОТ МП |
1 год |
|
90027-23 15.09.2028 |
Приемники гидроакустические комбинированные, КГП10М Федеральное государственное унитарное предприятие "Всероссийский научно-исследовательский институт физико-технических и радиотехнических измерений" (ФГУП "ВНИИФТРИ") (РОССИЯ Московская обл., г. Солнечногорск, рабочий поселок Менделеево) |
ОТ МП |
1 год |
|
90028-23 15.09.2028 |
Приемники гидроакустические комбинированные, КГП1М Федеральное государственное унитарное предприятие "Всероссийский научно-исследовательский институт физико-технических и радиотехнических измерений" (ФГУП "ВНИИФТРИ") (РОССИЯ Московская обл., г. Солнечногорск, рабочий поселок Менделеево) |
ОТ МП |
1 год |
|
90046-23 20.09.2028 |
Вибропреобразователи трехкомпонентные, АГ303 Федеральное государственное унитарное предприятие "Всероссийский научно-исследовательский институт физико-технических и радиотехнических измерений" (ФГУП "ВНИИФТРИ") (РОССИЯ Московская обл., г. Солнечногорск, рабочий поселок Менделеево) |
ОТ МП |
1 год |
|
90411-23 03.11.2028 |
Меры размеров частиц в водной среде, МРЧ-0, 10 Федеральное государственное унитарное предприятие "Всероссийский научно-исследовательский институт физико-технических и радиотехнических измерений" (ФГУП "ВНИИФТРИ") (РОССИЯ Московская обл., г. Солнечногорск, рабочий поселок Менделеево) |
ОТ МП |
Первичная поверка до ввода в эксплуатацию |
|
90412-23 03.11.2028 |
Меры размеров частиц в водной среде, МРЧ-0, 07 Федеральное государственное унитарное предприятие "Всероссийский научно-исследовательский институт физико-технических и радиотехнических измерений" (ФГУП "ВНИИФТРИ") (РОССИЯ Московская обл., г. Солнечногорск, рабочий поселок Менделеево) |
ОТ МП |
Первичная поверка до ввода в эксплуатацию |
|
90433-23 |
Датчик давления тензорезистивный, ХТЕ-190М Федеральное государственное унитарное предприятие "Всероссийский научно-исследовательский институт физико-технических и радиотехнических измерений" (ФГУП "ВНИИФТРИ") (РОССИЯ Московская обл., г. Солнечногорск, рабочий поселок Менделеево) |
ОТ МП |
1 год |
|
91456-24 28.02.2029 |
Ваттметры проходного типа волноводные термисторные, М1-37 Федеральное государственное унитарное предприятие "Всероссийский научно-исследовательский институт физико-технических и радиотехнических измерений" (ФГУП "ВНИИФТРИ") (РОССИЯ Московская обл., г. Солнечногорск, рабочий поселок Менделеево) |
ОТ МП |
1 год |
|
91442-24 28.02.2029 |
Ваттметры оконечного типа, М3-122 Федеральное государственное унитарное предприятие "Всероссийский научно-исследовательский институт физико-технических и радиотехнических измерений" (ФГУП "ВНИИФТРИ") (РОССИЯ Московская обл., г. Солнечногорск, рабочий поселок Менделеево) |
ОТ МП |
1 год |
|
91611-24 |
Установка для векторно-фазовых измерений на базе автономной донной станции с глубоководным и мелководным носителями первичных измерительных преобразователей, УВИ-А Федеральное государственное унитарное предприятие "Всероссийский научно-исследовательский институт физико-технических и радиотехнических измерений" (ФГУП "ВНИИФТРИ") (РОССИЯ Московская обл., г. Солнечногорск, рабочий поселок Менделеево) |
ОТ МП |
2 года |
|
91612-24 |
Установка для скалярных и векторно-фазовых измерений в натурных условиях, УВИ-М Федеральное государственное унитарное предприятие "Всероссийский научно-исследовательский институт физико-технических и радиотехнических измерений" (ФГУП "ВНИИФТРИ") (РОССИЯ Московская обл., г. Солнечногорск, рабочий поселок Менделеево) |
ОТ МП |
2 года |
|
91678-24 22.03.2029 |
Измерители мощности термисторные унифицированные, М3-121 Федеральное государственное унитарное предприятие "Всероссийский научно-исследовательский институт физико-технических и радиотехнических измерений" (ФГУП "ВНИИФТРИ") (РОССИЯ Московская обл., г. Солнечногорск, рабочий поселок Менделеево) |
ОТ МП |
1 год |
|
91680-24 22.03.2029 |
Стандарт-титры pH, Обозначение отсутствует Федеральное государственное унитарное предприятие "Всероссийский научно-исследовательский институт физико-технических и радиотехнических измерений" (ФГУП "ВНИИФТРИ") (РОССИЯ Московская обл., г. Солнечногорск, рабочий поселок Менделеево) |
ОТ МП |
Первичная поверка до ввода в эксплуатацию |
|
91666-24 22.03.2029 |
Системы автоматизированные информационно-измерительные коммерческого учета электроэнергии ООО "Газпром энерго" ООО "Газпром добыча Уренгой", Обозначение отсутствует Федеральное государственное унитарное предприятие "Всероссийский научно-исследовательский институт физико-технических и радиотехнических измерений" (ФГУП "ВНИИФТРИ") (РОССИЯ Московская обл., г. Солнечногорск, рабочий поселок Менделеево) |
ОТ МП |
4 года |
|
91884-24 |
Установка для многопараметрических многоканальных комплексных измерений параметров физических полей кораблей, УВИ-С Федеральное государственное унитарное предприятие "Всероссийский научно-исследовательский институт физико-технических и радиотехнических измерений" (ФГУП "ВНИИФТРИ") (РОССИЯ Московская обл., г. Солнечногорск, рабочий поселок Менделеево) |
ОТ МП |
2 года |
|
91902-24 |
Установка для моделирования измерений параметров первичного и вторичного гидроакустического поля объектов, УЭЗД-6 Федеральное государственное унитарное предприятие "Всероссийский научно-исследовательский институт физико-технических и радиотехнических измерений" (ФГУП "ВНИИФТРИ") (РОССИЯ Московская обл., г. Солнечногорск, рабочий поселок Менделеево) |
ОТ МП |
2 года |
|
92177-24 20.05.2029 |
Осциллографы цифровые универсальные, С8-3000 Федеральное государственное унитарное предприятие "Всероссийский научно-исследовательский институт физико-технических и радиотехнических измерений" (ФГУП "ВНИИФТРИ") (РОССИЯ Московская обл., г. Солнечногорск, рабочий поселок Менделеево) |
ОТ МП |
1 год |
|
92307-24 10.06.2029 |
Меры размеров частиц в водной среде, МРЧ-0, 4 Федеральное государственное унитарное предприятие "Всероссийский научно-исследовательский институт физико-технических и радиотехнических измерений" (ФГУП "ВНИИФТРИ") (РОССИЯ Московская обл., г. Солнечногорск, рабочий поселок Менделеево) |
ОТ МП |
Первичная поверка до ввода в эксплуатацию |
|
92308-24 10.06.2029 |
Меры размеров частиц в водной среде, МРЧ-0, 5 Федеральное государственное унитарное предприятие "Всероссийский научно-исследовательский институт физико-технических и радиотехнических измерений" (ФГУП "ВНИИФТРИ") (РОССИЯ Московская обл., г. Солнечногорск, рабочий поселок Менделеево) |
ОТ МП |
Первичная поверка до ввода в эксплуатацию |
|
92309-24 10.06.2029 |
Меры размеров частиц в водной среде, МРЧ-0, 2 Федеральное государственное унитарное предприятие "Всероссийский научно-исследовательский институт физико-технических и радиотехнических измерений" (ФГУП "ВНИИФТРИ") (РОССИЯ Московская обл., г. Солнечногорск, рабочий поселок Менделеево) |
ОТ МП |
Первичная поверка до ввода в эксплуатацию |
|
92310-24 10.06.2029 |
Меры размеров частиц в водной среде, МРЧ-0, 3 Федеральное государственное унитарное предприятие "Всероссийский научно-исследовательский институт физико-технических и радиотехнических измерений" (ФГУП "ВНИИФТРИ") (РОССИЯ Московская обл., г. Солнечногорск, рабочий поселок Менделеево) |
ОТ МП |
Первичная поверка до ввода в эксплуатацию |
|
92499-24 28.06.2029 |
Измерители мощности ультразвукового излучения, ИМУИ Федеральное государственное унитарное предприятие "Всероссийский научно-исследовательский институт физико-технических и радиотехнических измерений" (ФГУП "ВНИИФТРИ") (РОССИЯ Московская обл., г. Солнечногорск, рабочий поселок Менделеево) |
ОТ МП |
1 год |
|
92871-24 13.08.2029 |
Растворы буферные, Бр-2-pH Федеральное государственное унитарное предприятие "Всероссийский научно-исследовательский институт физико-технических и радиотехнических измерений" (ФГУП "ВНИИФТРИ") (РОССИЯ Московская обл., г. Солнечногорск, рабочий поселок Менделеево) |
ОТ МП |
Первичная поверка до ввода в эксплуатацию |
|
92874-24 13.08.2029 |
Генераторы сигналов многофункциональные малогабаритные, ГСММ Федеральное государственное унитарное предприятие "Всероссийский научно-исследовательский институт физико-технических и радиотехнических измерений" (ФГУП "ВНИИФТРИ") (РОССИЯ Московская обл., г. Солнечногорск, рабочий поселок Менделеево) |
ОТ МП |
2 года |
|
92871-24 13.08.2029 |
Растворы буферные, Бр-2-pH Федеральное государственное унитарное предприятие "Всероссийский научно-исследовательский институт физико-технических и радиотехнических измерений" (ФГУП "ВНИИФТРИ") (РОССИЯ Московская обл., г. Солнечногорск, рабочий поселок Менделеево) |
ОТ МП |
Первичная поверка до ввода в эксплуатацию |
|
92874-24 13.08.2029 |
Генераторы сигналов многофункциональные малогабаритные, ГСММ Федеральное государственное унитарное предприятие "Всероссийский научно-исследовательский институт физико-технических и радиотехнических измерений" (ФГУП "ВНИИФТРИ") (РОССИЯ Московская обл., г. Солнечногорск, рабочий поселок Менделеево) |
ОТ МП |
2 года |
|
93089-24 30.08.2029 |
Измерители интервалов времени, ТМХ06-12 Федеральное государственное унитарное предприятие "Всероссийский научно-исследовательский институт физико-технических и радиотехнических измерений" (ФГУП "ВНИИФТРИ") (РОССИЯ Московская обл., г. Солнечногорск, рабочий поселок Менделеево) |
ОТ МП |
1 год |
|
93188-24 12.09.2029 |
Комплекты для измерений соединителей коаксиальных, КИСК-3, 5М2 Федеральное государственное унитарное предприятие "Всероссийский научно-исследовательский институт физико-технических и радиотехнических измерений" (ФГУП "ВНИИФТРИ") (РОССИЯ Московская обл., г. Солнечногорск, рабочий поселок Менделеево) |
ОТ МП |
1 год |
|
93189-24 12.09.2029 |
Комплекты для измерений соединителей коаксиальных, КИСК-7М2 Федеральное государственное унитарное предприятие "Всероссийский научно-исследовательский институт физико-технических и радиотехнических измерений" (ФГУП "ВНИИФТРИ") (РОССИЯ Московская обл., г. Солнечногорск, рабочий поселок Менделеево) |
ОТ МП |
1 год |
|
93302-24 26.09.2029 |
Меры счетной концентрации частиц в воде, МСК-В-0, 2 Федеральное государственное унитарное предприятие "Всероссийский научно-исследовательский институт физико-технических и радиотехнических измерений" (ФГУП "ВНИИФТРИ") (РОССИЯ Московская обл., г. Солнечногорск, рабочий поселок Менделеево) |
ОТ МП |
Первичная поверка до ввода в эксплуатацию |
|
93303-24 26.09.2029 |
Меры счетной концентрации частиц в воде, МСК-В-0, 07 Федеральное государственное унитарное предприятие "Всероссийский научно-исследовательский институт физико-технических и радиотехнических измерений" (ФГУП "ВНИИФТРИ") (РОССИЯ Московская обл., г. Солнечногорск, рабочий поселок Менделеево) |
ОТ МП |
Первичная поверка до ввода в эксплуатацию |
|
93304-24 26.09.2029 |
Меры счетной концентрации частиц в воде, МСК-В-0, 5 Федеральное государственное унитарное предприятие "Всероссийский научно-исследовательский институт физико-технических и радиотехнических измерений" (ФГУП "ВНИИФТРИ") (РОССИЯ Московская обл., г. Солнечногорск, рабочий поселок Менделеево) |
ОТ МП |
Первичная поверка до ввода в эксплуатацию |
|
93305-24 26.09.2029 |
Меры счетной концентрации частиц в воде, МСК-В-0, 3 Федеральное государственное унитарное предприятие "Всероссийский научно-исследовательский институт физико-технических и радиотехнических измерений" (ФГУП "ВНИИФТРИ") (РОССИЯ Московская обл., г. Солнечногорск, рабочий поселок Менделеево) |
ОТ МП |
Первичная поверка до ввода в эксплуатацию |
|
93319-24 27.09.2029 |
Меры счетной концентрации частиц в воде, МСК-В-0, 4 Федеральное государственное унитарное предприятие "Всероссийский научно-исследовательский институт физико-технических и радиотехнических измерений" (ФГУП "ВНИИФТРИ") (РОССИЯ Московская обл., г. Солнечногорск, рабочий поселок Менделеево) |
ОТ МП |
Первичная поверка до ввода в эксплуатацию |
|
93320-24 27.09.2029 |
Меры счетной концентрации частиц в воде, МСК-В-0, 1 Федеральное государственное унитарное предприятие "Всероссийский научно-исследовательский институт физико-технических и радиотехнических измерений" (ФГУП "ВНИИФТРИ") (РОССИЯ Московская обл., г. Солнечногорск, рабочий поселок Менделеево) |
ОТ МП |
Первичная поверка до ввода в эксплуатацию |
|
93531-24 21.10.2029 |
Меры размеров частиц в водной среде, МРЧ-1 Федеральное государственное унитарное предприятие "Всероссийский научно-исследовательский институт физико-технических и радиотехнических измерений" (ФГУП "ВНИИФТРИ") (РОССИЯ Московская обл., г. Солнечногорск, рабочий поселок Менделеево) |
ОТ МП |
Первичная поверка до ввода в эксплуатацию |
|
93532-24 21.10.2029 |
Меры размеров частиц в водной среде, МРЧ-0, 6 Федеральное государственное унитарное предприятие "Всероссийский научно-исследовательский институт физико-технических и радиотехнических измерений" (ФГУП "ВНИИФТРИ") (РОССИЯ Московская обл., г. Солнечногорск, рабочий поселок Менделеево) |
ОТ МП |
Первичная поверка до ввода в эксплуатацию |
|
93533-24 21.10.2029 |
Меры размеров частиц в водной среде, МРЧ-0, 7 Федеральное государственное унитарное предприятие "Всероссийский научно-исследовательский институт физико-технических и радиотехнических измерений" (ФГУП "ВНИИФТРИ") (РОССИЯ Московская обл., г. Солнечногорск, рабочий поселок Менделеево) |
ОТ МП |
Первичная поверка до ввода в эксплуатацию |
|
93534-24 21.10.2029 |
Меры размеров частиц в водной среде, МРЧ-0, 8 Федеральное государственное унитарное предприятие "Всероссийский научно-исследовательский институт физико-технических и радиотехнических измерений" (ФГУП "ВНИИФТРИ") (РОССИЯ Московская обл., г. Солнечногорск, рабочий поселок Менделеево) |
ОТ МП |
Первичная поверка до ввода в эксплуатацию |
|
93671-24 31.10.2029 |
Меры счетной концентрации частиц в воде, МСК-В-0, 6 Федеральное государственное унитарное предприятие "Всероссийский научно-исследовательский институт физико-технических и радиотехнических измерений" (ФГУП "ВНИИФТРИ") (РОССИЯ Московская обл., г. Солнечногорск, рабочий поселок Менделеево) |
ОТ МП |
Первичная поверка до ввода в эксплуатацию |
|
93672-24 31.10.2029 |
Меры счетной концентрации частиц в воде, МСК-В-0, 7 Федеральное государственное унитарное предприятие "Всероссийский научно-исследовательский институт физико-технических и радиотехнических измерений" (ФГУП "ВНИИФТРИ") (РОССИЯ Московская обл., г. Солнечногорск, рабочий поселок Менделеево) |
ОТ МП |
Первичная поверка до ввода в эксплуатацию |
|
93673-24 31.10.2029 |
Меры счетной концентрации частиц в воде, МСК-В-0, 8 Федеральное государственное унитарное предприятие "Всероссийский научно-исследовательский институт физико-технических и радиотехнических измерений" (ФГУП "ВНИИФТРИ") (РОССИЯ Московская обл., г. Солнечногорск, рабочий поселок Менделеево) |
ОТ МП |
Первичная поверка до ввода в эксплуатацию |
|
93674-24 31.10.2029 |
Меры счетной концентрации частиц в воде, МСК-В-1 Федеральное государственное унитарное предприятие "Всероссийский научно-исследовательский институт физико-технических и радиотехнических измерений" (ФГУП "ВНИИФТРИ") (РОССИЯ Московская обл., г. Солнечногорск, рабочий поселок Менделеево) |
ОТ МП |
Первичная поверка до ввода в эксплуатацию |
|
94336-25 14.01.2030 |
Гидрофоны, ГИ713 Федеральное государственное унитарное предприятие "Всероссийский научно-исследовательский институт физико-технических и радиотехнических измерений" (ФГУП "ВНИИФТРИ") (РОССИЯ Московская обл., г. Солнечногорск, рабочий поселок Менделеево) |
ОТ МП |
1 год |
Кто поверяет Измерители интервалов времени (ТМХ06-12)
| Наименование организации | Cтатус | Поверенные модификации | Кол-во поверок | Поверок в 2025 году | Первичных поверок | Периодических поверок | Извещений | Для юриков | Для юриков первичные | Для юриков периодические |
|---|---|---|---|---|---|---|---|---|---|---|
| ФГУП "ВНИИФТРИ" (RA.RU.311478) | РСТ | 2 | 2 | 0 | 0 | 2 | 2 | 0 |
Стоимость поверки Измерители интервалов времени (ТМХ06-12)
| Организация, регион | Стоимость, руб | Средняя стоимость |
|---|
Программное обеспечение
Программное обеспечение (далее ПО) ТМХ06-12 представлено встроенным ПО ПЛИС и встроенным ПО микропроцессора. Встроенное ПО метрологически значимое, реализовано на ПЛИС, обеспечивает измерение интервалов времени и передачу измерительной информации на микропроцессор. Встроенное ПО микропроцессора обеспечивает управление ПЛИС, интерфейс пользователя (индикация и клавиатура) и веб-интерфейс по протоколу TCP/IP. ПО может быть проверено, установлено или переустановлено только на заводе-изготовителе с использованием специальных программно-технических средств. Доступ ограничен пломбировкой.
Веб-интерфейс открывается в окне браузера на ПЭВМ, подключенного к ТМХ06-12 по сети Ethernet, не является метрологически значимым, обеспечивает отображение результатов измерений и сведений об ТМХ06-12 , предназначен для управления и визуализации результатов работы изделия.
Конструкция средства измерений исключает возможность несанкционированного влияния на ПО и измерительную информацию.
Таблица 1
|
Идентификационные данные (признаки) |
Значение |
|
1 |
2 |
|
Идентификационное наименование ПО |
- |
|
Номер версии (идентификационный номер) ПО |
не ниже firmware version 1.3 |
Уровень защиты ПО от непреднамеренных и преднамеренных изменений «высокий» в соответствии с Р 50.2.077-2014.
Знак утверждения типа
Знак утверждения типа наносится в левом верхнем углу передней панели ТМХ06-12. Знак поверки в виде оттиска клейма или наклейки с изображением знака поверки может наносится на свободном от надписей пространстве на лицевой или верхней панели ТМХ06-12. Заводской номер, состоящий из номера по порядку и года выпуска записанных через пробел, наносится на задней стенке корпуса ТМХ06-12 в виде наклейки обеспечивающей сохранность номера, возможность прочтения и идентификацию каждого экземпляра в процессе эксплуатации. Ограничение доступа к местам настройки (регулировки) осуществляется путем нанесения стикера-наклейки, захватывающей верхнюю и заднюю стенку корпуса ТМХ06-12Общий вид ТМХ06-12 с указанием мест пломбировки, мест нанесения знака утверждения типа, знака поверки и заводского номера приведены на рисунке 2.
Рисунок 2 - Общий вид ТМХ06-12 с указанием мест пломбировки, мест нанесения знака утверждения типа, знака поверки, заводского номера
Программное обеспечениеПрограммное обеспечение (далее ПО) ТМХ06-12 представлено встроенным ПО ПЛИС и встроенным ПО микропроцессора. Встроенное ПО метрологически значимое, реализовано на ПЛИС, обеспечивает измерение интервалов времени и передачу измерительной информации на микропроцессор. Встроенное ПО микропроцессора обеспечивает управление ПЛИС, интерфейс пользователя (индикация и клавиатура) и веб-интерфейс по протоколу TCP/IP. ПО может быть проверено, установлено или переустановлено только на заводе-изготовителе с использованием специальных программно-технических средств. Доступ ограничен пломбировкой.
Веб-интерфейс открывается в окне браузера на ПЭВМ, подключенного к ТМХ06-12 по сети Ethernet, не является метрологически значимым, обеспечивает отображение результатов измерений и сведений об ТМХ06-12 , предназначен для управления и визуализации результатов работы изделия.
Конструкция средства измерений исключает возможность несанкционированного влияния на ПО и измерительную информацию.
Таблица 1
|
Идентификационные данные (признаки) |
Значение |
|
1 |
2 |
|
Идентификационное наименование ПО |
- |
|
Номер версии (идентификационный номер) ПО |
не ниже firmware version 1.3 |
Уровень защиты ПО от непреднамеренных и преднамеренных изменений «высокий» в соответствии с Р 50.2.077-2014.
Метрологические и технические характеристики
Таблица 2 - Метрологические характеристики
|
Наименование характеристики |
Значение |
|
Диапазон измеряемых интервалов времени, с |
от -0,5 до 0,5 |
|
Пределы допускаемой абсолютной погрешности измерения интервалов времени*, нс |
±0,1 |
|
* Примечание: характеристика указана при следующих параметрах входного опорного сигнала:
| |
Таблица 3 - Основные технические
|
Наименование характеристики |
Значение |
|
Цена единицы младшего разряда, пс |
1 |
|
Количество входов импульсных сигналов |
6 |
|
Входное сопротивление, Ом |
50 |
|
Время установления рабочего режима, мин, не более |
15 |
|
Условия эксплуатации:
(мм рт. ст.)
|
от +15 до +30 до 80 от 84 до 106,7 (от 630 до 800) от 198 до 242 от 45 до 55 |
таблицы 3
|
Наименование характеристики |
Значение |
|
Полная потребляемая мощность, В^А, не более |
25 |
|
Габаритные размеры, мм, не более | |
|
длина |
334 |
|
ширина |
483 |
|
высота |
44 |
|
Масса, кг, не более |
4 |
Знак утверждения типа наносится типографским способом на титульный лист руководства по эксплуатации, формуляр и на переднюю панель ТМХ06-12 технологическим способом.
Сведения о методиках измерений
Сведения о методиках (методах) измерений
приведены в документе «Измеритель интервалов времени ТМХ06-12. Руководство по эксплуатации. МФРН.411144.003 РЭ», раздел 2 «Использование по назначению».
Нормативные и технические документы
Нормативные документы, устанавливающие требования к средству измерений.Приказ Росстандарта от 26 сентября 2022 г. № 2360 «Об утверждении Государственной поверочной схемы для средств измерений времени и частоты»;
условия МФРН.411144.003 ТУ. «Измеритель интервалов
времени
Технические
ТМХ06-12».
Правообладательгосударственное унитарное предприятие «Всероссийский
научно-
Федеральное
исследовательский институт физико-технических и радиотехнических измерений» (ФГУП «ВНИИФТРИ»)
ИНН 5044000102
Адрес юридического лица: 141570, Московская обл., г. Солнечногорск,
рп. Менделеево, промзона ФГУП «ВНИИФТРИ»
Испытательный центр
Федеральное государственное унитарное предприятие «Всероссийский научноисследовательский институт физико-технических и радиотехнических измерений» (ФГУП «ВНИИФТРИ»)Адрес: 141570, Московская обл., г. Солнечногорск, рп. Менделеево, промзона ФГУП «ВНИИФТРИ»
Правообладатель
государственное унитарное предприятие «Всероссийскийнаучно-
Федеральное
исследовательский институт физико-технических и радиотехнических измерений» (ФГУП «ВНИИФТРИ»)
ИНН 5044000102
Адрес юридического лица: 141570, Московская обл., г. Солнечногорск,
рп. Менделеево, промзона ФГУП «ВНИИФТРИ»
Принцип действия ТМХ06-12 заключается в измерении смещения положительного фронта входного импульса относительно собственной шкалы времени, формируемой на основе опорной частоты. Источником опорной частоты является внешний генератор с синусоидальным сигналом частотой 5, 10 или 100 МГц и со следующими значениями метрологических характеристик или лучше: относительная погрешность по частоте ±1^10-12; нестабильность частоты опорного генератора на интервале времени измерения 1 с 1^10-12, длительность фронта импульсного сигнала 3 нс. Частота внешнего опорного генератора определяется автоматически. Интервал времени между двух входных импульсных сигналов рассчитывается как разность смещений входных сигналов относительно собственной шкалы времени.
Конструктивно ТМХ06-12 выполнен в виде моноблока высотой 1U для установки в стандартные 19 дюймовые шкафы.
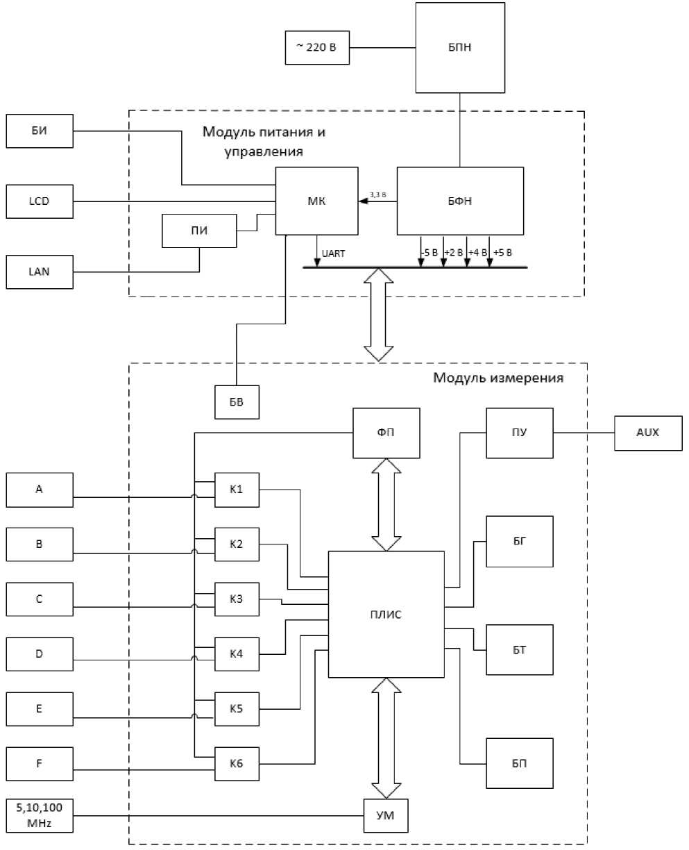
Структурная схема ТМХ06-12 представлена на рисунке 1. Сигналы с входных разъемов A-F поступают на входы компараторов К1-К6. Компараторы сравнивают уровни напряжения входных сигналов и порогового напряжения, сформированного формирователем порога (ФП) и переходят в соответствующее логическое состояние, представленное в виде дифференциального напряжения. Сигнал опорной частоты поступает на вход умножителя опорной частоты (УМ), на выходе которого формируется дифференциальный сигнал частотой 100 МГц. Дифференциальные сигналы с выходов К1-К6 и УМ поступают на входы программируемой логической интегральной микросхемы (ПЛИС). Внутри ПЛИС измерительные сигналы поступают на блоки точных измерений и счетчик грубых измерений. Результаты грубых и точных измерений поступают на спецпроцессор, где проходят математическую обработку и передаются на контроллер управления. Спецпроцессор также осуществляет управление значением пороговых напряжений на входных компараторах и настраивает умножитель опорной частоты.
Контроллер управления получает измерительную информацию, вычисляет интервалы времени между настроенными пользователем парами каналов, после чего выводит результаты вычислений на индикатор, расположенный на передней панели, а также по запросу отправляет их по локальной сети. Настройка порогов каналов, а также выбор пары каналов производится с помощью кнопок на передней панели и LCD дисплея, а также удаленно с помощью веб-интерфейса. Для исключения влияния изменения температуры окружающей среды на результаты измерения прибор имеет блок вентилятора (БВ) с автоматической корректировкой частоты вращения вентилятора для термостатирования ПЛИС.
Блок формирования напряжений (БФН) обеспечивает наличие необходимых значений напряжения питания.
Рисунок 1 - Структурная схема ТМХ06-12
На схеме используются следующие сокращения:
-
- AUX - выход 1 Гц;
-
- БГ - блок генерации тактового сигнала;
-
- БП - блок памяти;
-
- ПУ - преобразователь уровня сигнала;
-
- БТ - датчик температуры ПЛИС;
-
- БПН - блок преобразования переменного напряжения питания;
-
- БИ - блок индикации измерений;
-
- МК - контроллер управления;
-
- LCD - жидкокристаллический экран;
-
- ПИ - блок преобразования интерфейсов;
-
- LAN - разъем для подключения прибора к локальной сети;
-
- 220 В - разъем входного питания от сети переменного тока 220 В/50 Гц.
-
- БВ - блок вентилятора.
Знак утверждения типа наносится в левом верхнем углу передней панели ТМХ06-12. Знак поверки в виде оттиска клейма или наклейки с изображением знака поверки может наносится на свободном от надписей пространстве на лицевой или верхней панели ТМХ06-12. Заводской номер, состоящий из номера по порядку и года выпуска записанных через пробел, наносится на задней стенке корпуса ТМХ06-12 в виде наклейки обеспечивающей сохранность номера, возможность прочтения и идентификацию каждого экземпляра в процессе эксплуатации. Ограничение доступа к местам настройки (регулировки) осуществляется путем нанесения стикера-наклейки, захватывающей верхнюю и заднюю стенку корпуса ТМХ06-12
Общий вид ТМХ06-12 с указанием мест пломбировки, мест нанесения знака утверждения типа, знака поверки и заводского номера приведены на рисунке 2.
Рисунок 2 - Общий вид ТМХ06-12 с указанием мест пломбировки, мест нанесения знака утверждения типа, знака поверки, заводского номера
Таблица 2 - Метрологические характеристики
|
Наименование характеристики |
Значение |
|
Диапазон измеряемых интервалов времени, с |
от -0,5 до 0,5 |
|
Пределы допускаемой абсолютной погрешности измерения интервалов времени*, нс |
±0,1 |
|
* Примечание: характеристика указана при следующих параметрах входного опорного сигнала:
| |
Таблица 3 - Основные технические
|
Наименование характеристики |
Значение |
|
Цена единицы младшего разряда, пс |
1 |
|
Количество входов импульсных сигналов |
6 |
|
Входное сопротивление, Ом |
50 |
|
Время установления рабочего режима, мин, не более |
15 |
|
Условия эксплуатации:
(мм рт. ст.)
|
от +15 до +30 до 80 от 84 до 106,7 (от 630 до 800) от 198 до 242 от 45 до 55 |
таблицы 3
|
Наименование характеристики |
Значение |
|
Полная потребляемая мощность, В^А, не более |
25 |
|
Габаритные размеры, мм, не более | |
|
длина |
334 |
|
ширина |
483 |
|
высота |
44 |
|
Масса, кг, не более |
4 |

