Номер по Госреестру СИ: 24367-11
24367-11 Счетчики газа диафрагменные
(СГД-1)
Назначение средства измерений:
Счетчики газа диафрагменные СГД-1 (далее - счетчики) предназначены для измерения прошедшего через счетчик количества природного газа по ГОСТ 5542-87 или паров сжиженного углеводородного газа по ГОСТ 20448-90, а также других неагрессивных газов, применяемых в бытовых и производственных целях.

Внешний вид.
Счетчики газа диафрагменные
Рисунок № 1

Внешний вид.
Счетчики газа диафрагменные
Рисунок № 2

Внешний вид.
Счетчики газа диафрагменные
Рисунок № 3
Знак утверждения типа
Знак утверждения типаЗнак утверждения типа наносится на лицевой панели счетчика методом тампопечати и в паспорте типографским способом.
Сведения о методиках измерений
Сведения о методиках (методах) измерений изложены в технических условиях.
Нормативные и технические документы
Нормативные документы, устанавливающие требования к счетчикам газа диафрагменным СГД-1:-
- ТУ РБ 100185185.045-2002 «Счетчики газа диафрагменные СГД-1. Технические условия».
-
- ГОСТ Р 50818 «Счетчики газа объемные диафрагменные. Общие технические требования и методы испытаний».
Осуществление торговли и товарообменных операций.
Поверка
Поверкаосуществляется по ГОСТ 8.324-2002 «ГСИ. Счетчики газа. Методика поверки», при наличии импульсного выхода поверка счетчиков проводится по МРБ МП 1778-2008 «Счетчики газа СГМН-1, СГМ, СГД-1, СГД-ЗТ. Методика поверки», утвержденной БелГИМ в марте 2008 г. Основное поверочное оборудование: поверочная установка, диапазон объемных расходов от 0,016 до 4 м3/ч, пределы допускаемой Относительной погрешности:
± 1 % в диапазоне расходов от QMHH до 0,1 QH0M включительно;
± 0,5 % в диапазоне расходов свыше 0,1 QHOm до QMaKc включительно
Изготовитель
ОАО «Минский механический завод имени С.И. Вавилова - управляющая компания холдинга, «БелОМО»220114, Республика Беларусь, г. Минск, ул. Макаенка, 23, тел.: 267 11 90
Экспертизу провел ГЦИ СИ ФГУП «ВНИИМС» (аттестат аккредитации № 30004-08) 119361, Москва, ул. Озерная, 46 +7(495) 437-57-77, факс +7(495)
Счетчик состоит из двух камер, внутренние полости которых разделены газонепроницаемыми диафрагмами. Диафрагмы перемещаются за счет разницы давления газа на входе и выходе счетчика и приводят во вращение отсчётное устройство, находящееся на лицевой панели счетчика.
В зависимости от наличия устройства импульсного выхода счетчики имеют следующие варианты исполнения:
-
- СГД-1 - без устройства импульсного выхода;
-
- СГД-1 И - с устройством импульсного выхода.
В зависимости от стойкости к термическому воздействию окружающей среды:
-
- 1 - счетчик I класса (стальной корпус);
-
- 2 - счетчик II класса (алюминиевый корпус).
В зависимости от присоединения к системному трубопроводу (от направления потока газа): - 1 - правое;
-
- 2 - левое.
Направление потока газа обозначено стрелкой на корпусе счетчика.
Перечень вариантов исполнения счетчиков приведены в таблице 1.
Таблица 1
Условное обозначение варианта исполнения |
Обозначение основного конструкторского документа |
Типоразмер |
Материал корпуса счетчика |
Вариант подключения |
Подключение к системному трубопроводу |
СГД - 1 - 2 - 1 - G1,6 |
8072.00.00.000, - 05* |
G1,6 |
АК - 12 ГОСТ 1583 |
1 |
Правое |
СГД - 1 - 2 - 2 - G1,6 |
- 01, - 06* |
2 |
Левое | ||
СГД - 1 - 2 - 1 - G2,5 |
- 02, - 07* |
G2,5 |
1 |
Правое | |
СГД - 1 - 2 - 2 - G2,5 |
- 03, - 08* |
2 |
Левое | ||
СГД - 1И - 2 - 1 - G1,6 |
- 10 |
G1,6 |
1 |
Правое | |
СГД - 1И - 2 - 2 - G1,6 |
- 11 |
2 |
Левое | ||
СГД - 1И - 2 - 1 - G2,5 |
- 12 |
G2,5 |
1 |
Правое | |
СГД - 1И - 2 - 2 - G2,5 |
- 13 |
2 |
Левое |
Примечание - Условное обозначение варианта исполнения счетчика газа диафрагменного СГД - 1:
а) буква И - вариант исполнения счетчика с импульсным выходом;
б) вторая цифра - класс счетчиков по стойкости к термическому воздействию окружающей среды (вариант исполнения по материалу корпуса счетчика);
в) третья цифра - направление потока газа (вариант исполнения по подключению к системному трубопроводу);
г) * - вариант исполнения счетчиков без переходников.
На фото 1 приведен общий вид счетчика газа диафрагменного СГД-1.

Исполнение СГД - 1

Исполнение СГД - 1И
Фото 1. Общий вид счетчика газа диафрагменного СГД-1
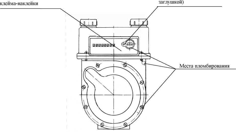
На рисунке 1 приведена схема пломбировки и обозначение мест для нанесения пломб и наклеек для защиты от несанкционированного доступа.
Место нанесения оттиска повери-Место нанесения поверительного тельного клейма (под

Рисунок 1. Схема пломбировки счетчика газа диафрагменного СГД-1
Комплект поставки счетчика приведен в таблице 3.
Таблица 3
Наименование |
Количество, шт. |
Счетчик газа диафрагменный СГД-1 |
1 |
Заглушка |
2 |
Переходник (Сталь ГОСТ 380-2005 или ГОСТ 1050-88)* |
2 >■ |
Гайка (Чугун КЧ 30-6-Ф ГОСТ 1215-79)* |
2 |
Прокладка (Резина МБС ГОСТ 7338-90)* |
2 |
Коробка (Упаковка) |
1 |
Паспорт |
1 |
Заглушка** |
1 |
Штекер** |
1 |
Примечание: * По требованию заказчика. ** Входят в комплект счетчиков СГД-1И-2-1-О1,6, СГД-1И-2-2-О1,6, СГД-1И-2-1-О2,5, СГД-1И-2-2-О2,5. |
Основные параметры счетчиков приведены в таблице 2. Таблица 2
Наименование параметров |
Типоразмер | |
G1,6 |
G2,5 | |
1 Номинальный расход (Qh0M), м3/ч |
1,6 |
2,5 |
2 Минимальный расход (QMHh), м3/ч |
0,016 |
0,025 |
3 Максимальный расход ^макс), м3/ч |
2,5 |
4 |
4 Допускаемая потеря давления на счетчике при номинальном |
sn | |
расходе (DРQ ном), Па, не более | ||
5 Допускаемая потеря давления на счетчике при максимальном |
эпп | |
расходе (DРQ макс), Па, не более | ||
6 Максимальное избыточное рабочее давление, кПа |
30 | |
7 Габаритные размеры (длина х ширина х высота), мм, не более: | ||
СГД-1-2-1, СГД-1-2-2, СГД-1И-2-1, СГД-1И-2-2 |
160x135x230 | |
СГД-1-1-1, СГД-1-1-2 |
190x162x230 | |
8 Расстояние между осями штуцеров, мм |
110 ± 0,5 | |
9 Масса, кг, не более |
1,6 | |
10 Резьба на присоединительных патрубках, |
G1 |
- В |
трубная по ГОСТ 6357-81 |
Пределы допускаемой основной относительной погрешности счетчика при выпуске из производства и после ремонта:
± 3 % в диапазоне расходов от QMUH до 0,1QHOM включительно;
± 1,5 % в диапазоне расходов свыше O^Q^m до QMaKC включительно.
Пределы допускаемой основной относительной погрешности в процессе эксплуатации:
± 5 % в диапазоне расходов от рмин до 0,1Qhom включительно;
± 3 % в диапазоне расходов свыше 0,1Qmom до С)макс включительно.
Дополнительная относительная погрешность счетчиков, вызванная отклонением температуры измеряемого газа от нормальной, по сравнению с основной относительной погрешностью не более ± 0,45 % при изменении температуры на 1 °С.
Порог чувствительности счетчиков не более 0,002QнOм.
Циклический объем счетчиков - 0,8 дм3/об.
Счетчики рассчитаны на эксплуатацию в климатических условиях, соответствующих группе исполнения С3 по ГОСТ 12997-84.
Один импульс соответствует объему 0,01 м3 прошедшего через счетчик газа.
Электрические характеристики цепи устройства импульсного выхода:
-
- напряжении Umax £ 12 В,
-
- сила тока Imax £ 10 мА.
Счетчик прочный и герметичный при воздействии внутреннего избыточного давления в 1,5 раза превышающего наибольшее избыточное рабочее давление.
Конструкция соединительных элементов счетчика обеспечивает прочность и герметичность при присоединении счетчика к подводящему газопроводу при воздействии внутреннего давления в 1,5 раза превышающего наибольшее избыточное рабочее давление, изгибающего момента 20 Н^м и крутящего момента 80 Н^м.