Номер по Госреестру СИ: 41832-09
41832-09 Колонки топливораздаточные
(Quantium (мод. 110, 210, 310, 410, 510))
Назначение средства измерений:
Колонки топливораздаточные Quantium (модели 110, 210, 310, 410, 510) (далее-колонки) предназначены для измерения объема и выдачи в топливные баки автотранспортных средств и тару потребителя различных видов топлива (бензин, дизельное топливо) в режиме самообслуживания с учетом требований учетно-расчетных операций.

Внешний вид.
Колонки топливораздаточные
Рисунок № 1

Внешний вид.
Колонки топливораздаточные
Рисунок № 2
Программное обеспечение
Идентификационные данные программного обеспечения (ПО) приведены в таблице 1.
Таблица 1
Наименование ПО |
Идентификационное наименование ПО |
Номер версии (идентификаци-ионный номер) ПО |
Цифровой идентификатор ПО (контрольная сумма ) |
Алгоритм вычисления цифрового идентификатора ПО |
IFSF LON Программа калькулятора WWC |
wwc ifsf 0338.bin |
3.38 |
A29A |
XOR16 |
Tokheim Программа калькулятора WWC |
wwc tok 0335.bin |
3.35 |
8CE4 |
XOR16 |
TQC-LON Программа калькулятора TQC - |
TQC LONC 07 0 01_22.bin |
07.001.22 |
0x92C8 |
CRC16 |
UDC Программа калькулятора TQC |
TQC_UDC_08_00 3_59.bin |
08.003.59 |
0xE568 |
CRC16 |
Калькуляторы WWC и TQC выполняют одинаковые вычислительные и управляющие функции. Калькулятор TQC выполнен на более современной элементной базе.
Программное обеспечение выполняют следующие функции:
- Управление работой периферийных устройств ТРК ( управление электромагнитными клапанами отпуска рабочей жидкости; измерение, в реальном времени, объема рабочей жидкости, расхода жидкости, температуры рабочей жидкости (в режиме температурной компенсации), вывод данных о количестве и стоимости отпущенного топлива на табло калькулятора);
- Ведение протоколов измерений всех параметров во всех режимах работы (калибровка, выдача доз, температурная компенсация, самодиагностика);
- Формирует и отправляет вышеуказанные данные в систему управления АЗС.
Уровень защиты ПО от непреднамеренных и преднамеренных изменений в соответствии с МИ 3286-2010 - С.
На схемах 1-4 и Рис. 2 указаны места пломбирования

заглушка порта
объемомера
пломбировочная проволока
пломбировочная проволока
пломба

пломба корпуса, поршня и нижней части
• пломба блока калибровки
пломба пульсатора
пломбировочная оволока пульсатора
V;
блока калибровки

заглушка порта пломбировочная заглушка порта- проволока
объемомера
(задняя сторона)

пломбировочная проволока проходящая вокруг корпуса объемомера
заглушка порта
заглушка порта объемомера (передняя сторона)
Рис. 2 Пломбирование гидравлического модуля и объемомера
черед винт креплении скобы о смевwore



t/tffiip фп«зцн*1 кыруто при по-медт. реек черед пaiы на ионтакной платой /
ШлейФЫ пульсатора и соленоид ой нд^ЩИв и’ВДЙ-гчдра^ливу.
Схема 2. Пломбирование электрического модуля
Птчбхроаочнкя пфоеолекл прол)|«>и1етоя черед тотонбировочнын вичт который фиксирует кожух, кзточ гщ с адм <мр«* оЮ ерсд И* 0 хожу*». ренты гр «яс л ок* скручнамт^не for ее 5 «Беретов.) и xMjpennuioi ппек&у.
п | ||||||||||
"! |
р р |
ЕД | г—д 1 СЗ |
'EZ 3 |
о о |
Монтажная пл яг ■{&и"ьюте,ра |
№ 4 |
Г Г1"1 | |||
L |
07/ gi—г- |
_ |
Место Фиксили кяжун при поманре ре*К ч»ре? гады "3 монтзхно- пгаго

Шлейфы пульсатора к солечокдев. мадоато га блока дндраиники
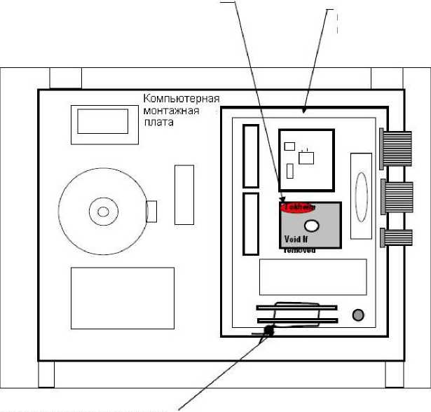
Схема 3. Пломбирование платы компьютера Пломбировочная наклейка производителя, покрывающая ПЗУ с ПО.
Для контроля версии ПО в центре этикетки сделано небольшое окно

Основная компьютерная плата и кожух устройства ввода/вывода
Пломбировочная проволока пропускается через отверстия в пластинах, которые проходят через кожух компьютерной платы и скрепляется пломбой.
Схема 4. Пломбирование компьютерной платы с программным обеспечением
Знак утверждения типа
Знак утверждения типананосится на фирменную табличку изделия электрографическим способом и титульный лист паспорта типографским способом.
Сведения о методиках измерений
Сведения о методиках (методах) измерений приведены в документе «Руководство по эксплуатации топливораздаточных колонок производства компании "TOKHEIM" модель «Quantium»
Нормативные и технические документы
Нормативные и технические документы, устанавливающие требования к колонкам топливораздаточным Quantium (модель 110, 210,310,410,510)-
1. ГОСТ 8.510-02 «ГСИ. Государственная поверочная схема для средств измерений объема и массы жидкости»
-
2. ГОСТ 9018-89 "Колонки топливораздаточные. Общие технические условия ".
-
3. Техническая документация фирмы-изготовителя.
Поверка
Поверкаосуществляется в соответствии с документом МИ 1864-88 "Рекомендации ГСИ. Колонки топливораздаточные. Методика поверки",
Основное поверочное оборудование:
мерники эталонные 2-го разряда вместимостью 10, 20, 50 и 100 л, с погрешностью 0,1% от номинальной вместимости, ГР № 20835-05;
передвижная поверочная лаборатория ППЛ-ТМ, ГР № 7005-79.
Испытательный центр
Федеральное государственное унитарное предприятие «Всероссийский научноисследовательский институт метрологической службы» (ФГУП «ВНИИМС») Адрес: 119361, г. Москва, ул. Озерная, д.46Тел./факс: (495)437-55-77 / 437-56-66;
E-mail: office@vniims.ru, www.vniims.ru
Принцип действия колонок заключается в следующем: топливо из резервуара через обратный клапан и насосный моноблок, оснащенный фильтром и газоотделителем, подается в поршневой измеритель объема, из которого через рукав с раздаточным краном поступает в бак транспортного средства. Вращение вала измерителя объема оптоэлектронным датчиком преобразуется в электрические импульсы, поступающие в блок управления колонки и индикации, где на цифровом светодиодном табло отображается количество отпущенного топлива, его цена, стоимость и значение суммарного учета. Пульт управления колонки, с помощью которого осуществляется задание дозы и архивирование отпущенного количества топлива, располагается в помещении оператора - кассира и подключается к персональному компьютеру.
Колонки имеют несколько модификаций, отличающихся количеством заправочных пистолетов, наличием или отсутствием механизма сматывания шлангов, расходом и видом топлива. Колонки состоят из двух частей:
-
- гидравлической, состоящей из насосов (напорного или всасывающего типов), воздушных сепараторов, объемомеров типа TQM (ТМ-80), клапанов, шлангов с механизмом сматывания или без механизма сматывания шлангов (с литерой Е), раздаточных кранов;
-
- электрической, состоящей из блока управления и электродного калькулятора с табло.
На табло отображается следующая информация: объем выданной дозы топлива в литрах, стоимость выданного топлива в рублях и цена одного литра топлива.
Схема обозначения колонок:
Quantium Х(Х)Х Х-Х (i)
Особенности расположения пистолетов: наличие буквы соответствует боковому расположению пистолетов; отсутствие буквы соответствует фронтальному положению пистолетов
Количество пистолетов
Количество видов отпускаемого топлива
Обозначение колонки скоростной и высокоскоростной (HS и VHS)

110
210
310

410 510 без механизма сматывания шлангов (Е)
Рис. 1 Общий вид колонок топливораздаточных Quantium (модели 110, 210, 310, 410, 510)
Таблица 3
Наименование |
Количество |
Примечание |
Колонка топливораздаточная Quantium (модель 110,210,310,410,510,510E) |
1 |
Модель в соответствии с заказом |
Пульт дистанционного управления |
1 |
По требованию заказчика |
Г ибкие адаптеры для присоединения клонки к топливопроводам |
1-5 |
В зависимости от числа продуктов на колонке (только для колонок всасывающего типа) |
Клапаны безопасности |
1-5 |
В зависимости от числа продуктов на колонке (только для колонок напорного типа) |
Установочные чертежи |
1 |
По требованию заказчика |
Руководство по установке |
1 |
По требованию заказчика |
Паспорт |
1 |
По требованию заказчика |
Технические и метрологические характеристики установок приведены в таблице 2.
Таблица 2
Quantium 110 |
Quantium 210 |
Quantium 310 |
Quantium 410 |
Quantium 510/Quantium xxxЕ | |
Виды топлива |
Дизельное топливо, бензин | ||||
Диапазон рабочей температуры, °С |
от минус 40 до плюс 55 | ||||
Относительная влажность, % |
от 5 до 95 | ||||
Электропитание: - напряжение, В |
От сети переменного 3-х и 1 -фазного тока 380/220 (+10/-15%) 50+1 | ||||
-частота, Гц | |||||
Длина раздаточного рукава, м |
3 |
4,25 |
3,4 |
4,65 | |
Предел допускаемой основной погрешности | |||||
измерения дозы топлива, не более, % | |||||
- при минимальной дозе |
±0,4 | ||||
- при дозах более минимальной |
±0,25 | ||||
Дополнительная погрешность вызываемая | |||||
отклонением температуры на каждые 10 | |||||
°С, не более, % |
±0,03 | ||||
Максимальная производительность, л/мин. | |||||
- дизельное топливо |
130 | ||||
-бензин |
40 | ||||
Минимальная производительность, л/мин. |
1,6 | ||||
Минимальная доза выдачи топлива, л |
2 | ||||
Количество сортов топлива |
1 |
2 |
4 |
5 | |
Количество раздаточных пистолетов |
2 |
4 |
8 |
10 | |
Количество одновременно заправляемых |
2 | ||||
машин | |||||
Масса, кг |
от 220 до 240 |
от 205 до 320 |
от 215 до 360 |
от 210 до 780 |
от 220 до 880/от 210 до 830 |
Г абаритные размеры, мм |
1464x400x509 |
1559x400x676 |
1781(2328)х |
1784(2328)х |
1784х520х723(2176)/ |
Х520х830 |
Х520х830 |
2250х555х1079(2369) |