№2245 от 20.10.2025
Приказ Федерального агентства по техническому регулированию и метрологии (Росстандарт)
# 722892
ПРИКАЗ О внесении изменений в сведения об утвержденных типах СИ (7)
Приказы по основной деятельности по агентству Вн. Приказ № 2245 от 20.10.2025
ПРИЛОЖЕНИЕ
к приказу Федерального агентства по техническому регулированию
и метрологии
от «___» ___________ 2025 г. № 2245
Сведения
об утвержденных типах средств измерений, подлежащие изменению в части сведений об изготовителях (правообладателях)
|
№ п/п |
Наименование типа |
Обозначение типа |
Регистрационный номер в ФИФ |
Изготовитель |
Правообладатель |
Заявитель | ||
|
Отменяемые сведения |
Устанавливаемые сведения |
Отменяемые сведения |
Устанавливаемые сведения | |||||
|
1 |
2 |
3 |
4 |
5 |
6 |
7 |
8 |
9 |
|
1. |
Расходомеры ультразвуковые с накладными излучателями |
АКРОН-02 |
52513-13 |
Общество с ограниченной ответственностью «ПНП СИГНУР» (ООО «ПНП СИГНУР») Адрес: 113184, г. Москва, Большая Татарская ул., д. 35, к. 3 Тел./факс +7(495)780-9219, 757-6004 E-mail: signur@mail.ru |
Общество с ограниченной ответственностью «ПНП СИГНУР» (ООО «ПНП СИГНУР») Адрес: 123458, г. Москва, вн. тер. г. муниципальный округ СТРОГИНО, ул. Твардовского, д. 8 Тел./факс +7(495)780-9219, 757-6004 Web-сайт: www.signur.ru E-mail: |
Общество с ограниченной ответственностью «ПНП СИГНУР» (ООО «ПНП СИГНУР»), г. Москва | ||
|
2. |
Расходомеры ультразвуковые с |
АКРОН-01м |
91496-24 |
Общество с ограниченной ответственностью |
Общество с ограниченной ответственностью |
Общество с ограниченной |
Общество с ограниченной ответственностью |
Общество с ограниченной ответственностью «ПНП |
|
накладными излучателями |
«ПНП СИГНУР» (ООО «ПНП СИГНУР») Адрес: 113184, г. Москва, Большая Татарская ул., д. 35, к. 3 Тел./факс +7(495)780-9219, 757-6004 E-mail: signur@mail.ru |
«ПНП СИГНУР» (ООО «ПНП СИГНУР») Адрес: 123458, г. Москва, вн. тер. г. муниципальный округ СТРОГИНО, ул. Твардовского, д. 8 Тел./факс +7(495)780-9219, 757-6004 Web-сайт: www.signur.ru E-mail: signur@mail.ru |
ответственностью «ПНП СИГНУР» (ООО «ПНП СИГНУР») Юридический адрес: 113184, г. Москва, ул. Б. Татарская, д. 35, к.3 |
«ПНП СИГНУР» (ООО «ПНП СИГНУР») Юридический адрес: 123458, г. Москва, вн. тер. г. муниципальный округ СТРОГИНО, ул. Твардовского, д. 8 |
СИГНУР» (ООО «ПНП СИГНУР»), г. Москва | |||
|
3. |
Расходомеры с интегратором акустические |
ЭХО-Р-03 |
74681-19 |
Общество с ограниченной ответственностью «ПНП СИГНУР» (ООО «ПНП СИГНУР»), Адрес: 113184, г. Москва, ул. Б. Татарская, д. 35, к. 3, Тел./факс: +7 (495) 780-92-19, 757-60-04, Web-сайт: www.signur.ru, Email: signur@mail.ru |
Общество с ограниченной ответственностью «ПНП СИГНУР» (ООО «ПНП СИГНУР») Адрес: 123458, г. Москва, вн.тер.г. муниципальный округ Строгино, ул. Твардовского, д. 8 Тел./факс: +7 (495) 780-9219, 757-6004 Web-сайт: www.signur.ru E-mail: signur@mail.ru |
Общество с ограниченной ответственностью «ПНП СИГНУР» (ООО «ПНП СИГНУР»), г. Москва | ||
|
4. |
Датчики уровня акустические |
ЭХО-АС-01 |
14891-95 |
Общество с ограниченной ответственностью «ПНП СИГНУР» (ООО «ПНП СИГНУР») Адрес: 113184, г. Москва, Большая Татарская ул., д. |
Общество с ограниченной ответственностью «ПНП СИГНУР» (ООО «ПНП СИГНУР») Адрес: 123458, г. Москва, вн. тер. г. муниципальный округ СТРОГИНО, |
Общество с ограниченной ответственностью «ПНП СИГНУР» (ООО «ПНП СИГНУР»), г. Москва |
|
35, к. 3 Тел./факс +7(495)780-9219, 757-6004 E-mail: signur@mail.ru |
ул. Твардовского, д. 8 Тел./факс +7(495)780-9219, 757-6004 Web-сайт: E-mail: | |||||||
|
5. |
Аппараты испытания диэлектриков |
АИСТ |
64708-16 |
Общество с ограниченной ответственностью (ООО) «БрисЭнерго», Адрес: 124489, г. Москва, Зеленоград, Панфиловский проспект, д. 10, Тел./факс: 8(499) 734-94-59 / 8(499) 732-22-03, Web-сайт: http://www.bris.ru |
Общество с ограниченной ответственностью «БрисЭнерго» (ООО «БрисЭнерго») Юридический адрес: 124460, г. Москва, г. Зеленоград, пр-кт Панфиловский, д. 10, помещ. II, ком. 13, эт. 2 Тел./факс: 8 (499) 734-94-59 / 8 (499) 732-22-03 Web-сайт: http://www.bris.ru |
Общество с ограниченной ответственностью «БрисЭнерго» (ООО «БрисЭнерго»), г. Москва, г. Зеленоград | ||
|
6. |
Термометры электронные |
«ExT-01» |
44307-10 |
Общество с ограниченной ответственностью «Термэкс» (ООО «Термэкс») Юридический адрес: Россия, 634507, г. Томск, п. Предтеченск, ул. Мелиоративная, д. 10А, стр. 1 Телефон: +7 (3822) 49-21-52, + 7 (3822) 49-21-54 Web-сайт: |
Общество с ограниченной ответственностью «Термэкс» (ООО «Термэкс»), г. Томск |
|
E-mail: termex@termexlab. ru | ||||||||
|
7. |
Комплексы для многосуточного мониторирования ЭКГ (по Холтеру) и АД |
«Кардиотехн ика-07» |
41021-09 |
Общество с ограниченной ответственностью «Инкарт» (ООО «Инкарт»), Адрес: 197376, г. Санкт-Петербург, ул. Чапыгина, д. 6, стр. П, оф. 24, Телефон (812) 956-47-81, Факс (812) 495-55-36, Е-mail: ooo@incart.ru |
Общество с ограниченной ответственностью «Инкарт» (ООО «Инкарт») Юридический адрес: 197375, г. Санкт-Петербург, вн.тер.г. муниципальный округ Юнтолово, ул. Парашютная, д. 51, стр. 5 Адрес места осуществления деятельности: 197376, г. Санкт-Петербург, ул. Чапыгина, д. 6, стр. П, оф. 24 Телефон: (921) 95647-81 Факс: (812) 495-5536 Е-mail: oooincart@gmail.co m |
Общество с ограниченной ответственностью «Инкарт» (ООО «Инкарт»), г. Санкт-Петербург |
V
МИНИСТЕРСТВО ПРОМЫШЛЕННОСТИ И ТОРГОВЛИ РОССИЙСКОЙ ФЕДЕРАЦИИ
ФЕДЕРАЛЬНОЕ АГЕНТСТВО
ПО ТЕХНИЧЕСКОМУ РЕГУЛИРОВАНИЮ И МЕТРОЛОГИИ (Росстандарт)
ПРИКАЗ
20 октября 2025 г.
2245
Москва
О внесении изменений в сведения об утвержденных типах
средств измерений
В соответствии с Административным регламентом по предоставлению Федеральным агентством по техническому регулированию и метрологии государственной услуги по утверждению типа стандартных образцов или типа средств измерений, утвержденным приказом Федерального агентства по техническому регулированию и метрологии от 12 ноября 2018 г. № 2346, п р и к а з ы в а ю:
1. Внести изменения в сведения об утвержденных типах средств измерений в части сведений об изготовителях (правообладателях)
утвержденных типов средств измерений, согласно приложению к настоящему приказу.
2. Утвердить измененные описания типов средств измерений, прилагаемые к настоящему приказу.
3. ФБУ «НИЦ ПМ - Ростест» внести сведения об утвержденных типах
средств измерений согласно приложению к настоящему приказу в Федеральный информационный фонд по обеспечению единства измерений в соответствии с Порядком создания и ведения Федерального информационного фонда по обеспечению единства измерений, передачи сведений в него и внесения изменений в данные сведения, предоставления
содержащихся в нем документов и сведений, утвержденным приказом Министерства промышленности и торговли Российской Федерации от 28 августа 2020 г. № 2906.
4. Контроль за испо. о за собой.
Подлинник электронного документа, подписанного ЭП, хранится в системе электронного документооборота Федерального агентства по техническому регулированию и метрологии
Заместитель руководителя
Сертификат: 7B1801563EA497F787EAF40A918A8D6F Кому выдан: Лазаренко Евгений Русланович Действителен: с 19.05.2025 до 12.08.2026
Е.Р. Лазаренко
УТВЕРЖДЕНО приказом Федерального агентства по техническому регулированию и метрологии от « 20 » октя_я 2025 г. № 2245
Лист № 1
Всего листов 6
Регистрационный № 44307-10
ОПИСАНИЕ ТИПА СРЕДСТВА ИЗМЕРЕНИЙ
Термометры электронные «ЕхТ-01»Назначение средства измерений
Термометры электронные ЕхТ-01 (далее — термометры) предназначены для измерений и контроля температуры различных сред в общепромышленных и взрывоопасных зонах (в том числе в резервуарах для хранения нефтепродуктов и т.д.).
Описание средства измерений
Принцип действия термометров основан на измерении электрического сопротивления платинового чувствительного элемента датчика термометра (Pt1000) с последующим аналогоцифровым преобразованием измеренного значения сопротивления в значение температуры.
Термометры электронные ЕхТ-01 состоят из электронного блока со встроенным жидкокристаллическим индикатором и датчика температуры, имеющего разъем для подключения к электронному блоку. Термометры выпускаются в трех модификациях, различающихся конструктивным исполнением датчиков температуры. Электронный блок — универсальный и используется во всех модификациях. Отличительные особенности датчиков температуры в зависимости от модификации термометров приведены в таблице 1.
Таблица 1
|
Обозначение модификации |
Конструктивное исполнение датчика |
|
ЕхТ-01/1 |
Датчик выполнен в виде щупа из нержавеющей стали. Подключение датчика к электронному блоку возможно, как непосредственно через разъемное соединение, так и с помощью кабеля-удлинителя ЕхТ-01/1-КУД* |
|
ЕхТ-01/2 |
Датчик выполнен в виде полностью погружаемого зонда из нержавеющей стали с кабелем длиной до 15 м |
|
ЕхТ-01/3 |
Датчик выполнен в виде полностью погружаемого зонда из нержавеющей стали с кабелем длиной до 30 м и устройством намотки кабеля |
|
* — кабель-удлинитель ЕхТ-01/1-КУД предназначен для поверки термометра модификации ЕхТ-01/1 и не входит в комплект поставки. | |
Структура обозначения термометров при заказе приведена ниже:
Термометр электронный ЕхТ-01/<модификация>-<0.05>-<длина кабеля>, где <модификация> — ЕхТ-01/1, ЕхТ-01/2 или ЕхТ-01/3;
<0.05> — указывается для термометров с основной абсолютной погрешностью измерений температуры ±0,05 °С, для термометров с погрешностью ±0,1 °С не указывается;
<длина кабеля> — указывается только для модификаций ЕхТ-01/2 и ЕхТ-01/3.
Фотографии общего вида термометров всех 3-х модификаций приведены на рисунке 1.
а) Термометр модификации ЕхТ-01/1
б) Термометр модификации ЕхТ-01/1 с кабелем-удлинителем ЕхТ-01/1-КУД
в) Термометр модификации ЕхТ-01/2
д) Термометр модификации ЕхТ-01/3 (без электронного блока)
Рисунок 1 - Общий вид термометров электронных ЕхТ-01
Пломбирование термометров не предусмотрено.
Заводской номер в виде цифрового обозначения, состоящего из арабских цифр, наносится на задней стороне электронного блока. Фотография общего вида электронного блока термометров с указанием места нанесения заводского номера представлена на рисунке 2.
Место нанесения заводского номера
Рисунок 2 - Общий вид электронного блока термометра ЕхТ-01 с указанием места нанесения заводского номера
Программное обеспечение
Встроенное программное обеспечение (ПО) термометров является метрологически значимым и расположено во внутренней памяти микроконтроллера электронного блока. Данное ПО устанавливается предприятием-изготовителем при выпуске из производства.
Структура ПО исключает возможность несанкционированного влияния на ПО СИ и измерительную информацию. Уровень защиты ПО от преднамеренного и непреднамеренного доступа соответствует уровню «высокий» согласно Р 50.2.077-2014.
Идентификационные данные ПО термометров приведены в таблице 2.
Таблица 2
|
Идентификационные данные |
Значение |
|
Идентификационное наименование ПО |
ЕхТ-01 |
|
Номер версии ПО |
не ниже 10 |
|
Цифровой идентификатор программного обеспечения |
недоступен |
Метрологические и технические характеристики
Метрологические и основные технические характеристики термометров приведены в таблицах 3, 4.
Таблица 3 - Метрологические характеристики
|
Наименование характеристики |
Значение |
|
Диапазон измерений температуры, °C (*) |
от -50 до +130 |
|
Пределы допускаемой основной абсолютной погрешности измерений температуры (Д), °C (**) |
±0,05; ±0,1 |
|
Глубина погружения датчика в измеряемую среду:
|
75 полное погружение |
|
Цена единицы младшего разряда термометра, °C |
0,01 |
|
Пределы допускаемой дополнительной абсолютной погрешности от изменения температуры окружающей среды (от нормальных условий измерений) в диапазоне рабочих температур, на каждые 10 °C, °С |
0,5-Д |
|
Нормальные условия измерений:
|
от +15 до +25 от 30 до 80 |
|
Примечания: (*) - у термометров, выпущенных ранее ноября 2019 года, диапазон измерений температуры от -40 до +130 °С; (**) - в соответствии с заказом (значение погрешности приводится в Руководстве по эксплуатации). | |
Таблица 4 - Основные технические характеристики
|
Наименование характеристики |
Значение |
|
Электрическое сопротивление изоляции токоведущих цепей электронного блока и датчика температуры при значении испытательного напряжения 500 B в нормальных условиях, МОм, не менее |
20 |
|
Электрическая прочность изоляции токоведущих цепей электронного блока и датчика температуры выдерживают без пробоя в течение 60 с испытательное напряжение, В |
500 |
|
Напряжение питания термометра, В (*) |
3 |
|
Наименование характеристики |
Значение |
|
Габаритные размеры, мм, не более: - электронного блока (Ш*Г*В) |
135x65x40 |
|
- погружаемой части датчика ЕхТ-01/1 |
250x03,3 |
|
- датчика ЕхТ-01/2 и ЕхТ-01/3 |
200x026(**) |
|
- устройства намотки кабеля для ЕхТ-01/3 |
460x180x230 |
|
Масса, кг, не более: - электронного блока |
0,3 |
|
- датчика ЕхТ-01/1 |
0,1 |
|
- датчика ЕхТ-01/2 и ЕхТ-01/3 |
0,5 |
|
- устройства намотки кабеля для ЕхТ-01/3 |
1,7 |
|
Рабочие условия эксплуатации электронного блока термометра: - температура окружающей среды, °С |
от -20 до +40 |
|
- относительная влажность, % |
до 80 |
|
Время непрерывной работы, ч, не менее |
2000 |
|
Степень защиты термометров от попадания внутрь твердых тел, пыли и воды в соответствии с ГОСТ 14254-2015 - для электронного блока |
IP65 |
|
- для датчика температуры |
IP68 |
|
Маркировка взрывозащиты |
0Ex ia IIB T4 Ga Х |
|
Средний срок службы, лет, |
10 |
|
Средняя наработка на отказ, ч |
20000 |
|
Примечания: (*) - питание термометров осуществляется от двух гальванических элементов | |
|
типоразмера ААА, прошедших испытания в соответствии |
с ГОСТ 31610.11 |
|
(OPTICELL (professional, simply), GP (Extra, Ultra, Ultra plus+), ROBITON (standard, forse), | |
|
GoPower), с номинальным напряжением каждого элемента 1,5 В; (**) - 06 мм в зоне расположения чувствительного элемента. | |
Знак утверждения типа
наносится на лицевую сторону электронного блока термометров и на титульный лист эксплуатационной документации печатным способом.
Комплектность средства измерений Комплектность термометров приведена в таблице 5.
аблица 5
|
Наименование |
Обозначение |
Количество |
|
Блок электронный |
ТКЛШ 5.422.009-02 |
1 шт. |
|
Датчик температуры: для ЕхТ-01/1 для ЕхТ-01/2 для ЕхТ-01/3 |
ТКЛШ 6.036.002-03 ТКЛШ 5.132.003-02 ТКЛШ 5.132.003-03 |
1 шт. |
|
Устройство намотки кабеля(*) |
ТКЛШ 4.853.009 |
1 шт. |
|
Руководство по эксплуатации |
ТКЛШ 2.822.001 РЭ |
1 экз. |
|
Примечание: (*) - входит в комплект поставки ЕхТ-01/3 | ||
Сведения о методиках (методах) измерений
приведены в разделе «Использование по назначению» документа ТКЛШ 2.822.001 РЭ «Термометры электронные ЕхТ-01. Руководство по эксплуатации».
Нормативные документы, устанавливающие требования к средству измерений
Приказ Федерального агентства по техническому регулированию и метрологии от 23 декабря 2022 г. № 3253 «Об утверждении Государственной поверочной схемы для средств измерений температуры»
ТУ 4211-042-44229117-2008 (ТУ 26.51.51-042-44229117-2008) Термометры электронные ЕхТ-01. Технические условия
Правообладатель
Общество с ограниченной ответственностью «Термэкс» (ООО «Термэкс»)
ИНН 7018039587
Юридический адрес: Россия, 634507, г. Томск, п. Предтеченск, ул. Мелиоративная, д. 10А, стр. 1
Телефон: +7 (3822) 49-21-52, + 7 (3822) 49-21-54
Web-сайт: www.termexlab.ru
E-mail: termex@termexlab.ru
Изготовитель
Общество с ограниченной ответственностью «Термэкс»
(ООО «Термэкс»)
ИНН 7018039587
Адрес: 634507, г. Томск, п. Предтеченск, ул. Мелиоративная, д. 10А, стр. 1
Телефон: +7 (3822) 49-21-52, 49-26-31
Web-сайт: www.termexlab.ru
E-mail: termex@termexlab.ru
Испытательный центр
Федеральное государственное бюджетное учреждение «Всероссийский научно-исследовательский институт метрологической службы»
(ФГБУ «ВНИИМС»)
Адрес: 119361, г. Москва, вн. тер. г. муниципальный округ Очаково-Матвеевское, ул. Озерная, д. 46
Телефон/факс: +7 (495) 437-55-77 / +7 (495) 437-56-66
E-mail: office@vniims.ru
Web-сайт: www.vniims.ru
Уникальный номер записи в реестре аккредитованных лиц № 30004-13
УТВЕРЖДЕНО приказом Федерального агентства по техническому регулированию и метрологии от «_о » октября 2025 г. № Я2Я 5Лист № 1 Регистрационный № 52513-13 Всего листов 7
ОПИСАНИЕ ТИПА СРЕДСТВА ИЗМЕРЕНИЙ
Расходомеры ультразвуковые с накладными излучателями АКРОН-02Назначение средства измерений
Расходомеры ультразвуковые с накладными излучателями АКРОН-02 (далее -расходомеры) предназначены для измерений объемного расхода и суммарного (интегрального) объема (количества) звукопроводящих жидкостей, в том числе сточных вод, протекающих в напорных трубопроводах.
Описание средств измерений
Принцип действия расходомера основан на измерении разности времени распространения ультразвуковых колебаний, пересекающих поток контролируемой среды под углом к оси трубопровода в двух противоположных направлениях: по потоку и против потока.
Расходомеры выпускаются в трех исполнениях:
-
- АКРОН-02-1 - для измерений на трубопроводах при значительном расстоянии от объекта измерения до места установки электронного блока (I < 1200 м); включает в себя первичный преобразователь ПП-1 и блоки электронные БЭ-3 и БЭ-4;
-
- АКРОН-02-2 - для измерений на двух трубопроводах одновременно (двухканальный); включает в себя два комплекта первичных преобразователей ПП-1 и блок электронный БЭ-5;
-
- АКРОН-02-3 - для измерений на трубопроводах с деформированными потоками жидкости при измерении в двух плоскостях (двухлучевой); включает в себя два комплекта первичных преобразователей ПП-1 и блок электронный БЭ-6.
ПП-1 состоит из двух ультразвуковых излучателей и устройства крепления их на трубопроводе. Ультразвуковые излучатели-приемники предназначены для преобразования подводимых к ним электрических сигналов в акустические колебания. Основой излучателя -приемника является пьезокерамический элемент, работающий на одной из резонансных частот.
Электронный блок БЭ-3 преобразует разность времен распространения акустических колебаний в контролируемой среде в последовательный код по протоколу MODBUS, который передается по интерфейсу RS-485 на блок БЭ-4, преобразующий его в показания дисплея; электронные блоки БЭ-5 и БЭ-6 предназначены для преобразования разности времен распространения акустических колебаний в контролируемой среде в показания дисплея.
На жидкокристаллическом дисплее электронных блоков БЭ-4, БЭ-5 и БЭ-6 отображается следующая информация:
объемный расход жидкости, м3/ч;
суммарный (интегральный) объем (количество) жидкости, протекающей в прямом и обратном направлении, м3;
скорость потока жидкости. м/с;
время работы прибора, ч;
дата и время;
содержимое архивов; параметры трубопровода; тип контролируемой жидкости (холодная, горячая вода, мазут, сточные воды и т.д.)
АКРОН-02
АКРОН-02,......
AKPOH-°JL- ГЗ
ПП-1
БЭ-5
БЭ-6
БЭ-3
БЭ-4
индикация настройки акустического канала при монтаже; диагностические сообщения.
Расходомер может иметь токовый выход с выходными сигналами 0-5; 0-20;
4-20 мА, пропорциональными измеряемому объемному расходу, релейный выход (сухие контакты реле) или импульсный выход с нормированным "весом" импульса, возможность вывода информации на компьютер через встроенный интерфейс RS-232 или RS-485, а также возможность подключения к GSM-модему для беспроводной передачи информации.
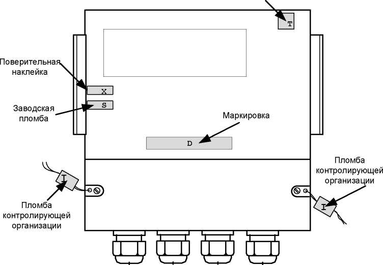
На схеме 1 указаны места пломбировки от несанкционированного доступа и место размещения наклеек, в том числе о поверке.
Т - место размещения знака утверждения типа;
D - маркировка;
S - заводские пломбы;
I - пломбы контролирующей организации;
Х - место поверительной наклейки.
Знак утверждения типа
Схема 1
Программное обеспечение
В расходомере применяется программное обеспечение (ПО) AKR2-1 (2,3)-2011, которое осуществляет преобразование измеренной разности времени распространения ультразвуковых колебаний, пересекающих поток контролируемой среды под углом к оси трубопровода в двух противоположных направлениях: по потоку и против потока,- в скорость потока жидкости и затем в объемный расход и суммарный (интегральный) объем (количество), а также обеспечивает связь прибора с компьютером и с оператором и ввод настроечных параметров и поправочных коэффициентов.
От несанкционированного изменения, ПО защищено четырехзначным кодом доступа, индивидуальным для каждого прибора.
Доступ к кнопке, разрешающей изменение параметров трубопровода, закрыт пломбой проверяющей организации.
Доступ к ПО через интерфейс невозможен. По интерфейсу возможен только вывод архивной информации и измеренных значений объемного расхода и суммарного объема.
Идентификационные данные программного обеспечения
|
Наименование ПО |
Идентификационное наименование ПО |
№ версии ПО |
Цифровой идентификатор ПО (контрольная сумма) |
Алгоритм вычисления цифрового идентификатора ПО |
|
Прошивка (встроен ная программа) AKR2-1-2011 |
328-17 |
В1(12011) |
483F |
CRC16 |
|
AKR2-2-2011 |
328-4 |
В2(22011) |
3528 | |
|
AKR2-3-2011 |
328-19 |
В3(32011) |
16A2 |
Уровень защиты ПО от непреднамеренных и преднамеренных изменений «С» по МИ3286-2010.
Метрологические и технические характеристики
|
Диапазон измерений |
1:50 | |
|
Верхние пределы измеряемых расходов и ряд диаметров условного прохода трубопроводов |
Диаметр условного прохода, Ду, мм |
Верхние пределы измеряемых расходов, Q, м3/ч |
|
40 |
8...50 | |
|
50 |
10... 100 | |
|
65 |
12,5...160 | |
|
80 |
16... 250 | |
|
100 |
20 ...320 | |
|
125 |
25.400 | |
|
150 |
32.600 | |
|
200 |
40.1000 | |
|
250 |
50.1250 | |
|
350 |
60.1600 | |
|
400 |
80.2000 | |
|
500 |
100.3200 | |
|
650 |
125.4000 | |
|
800 |
160.8000 | |
|
1000 |
200.16000 | |
|
2000 |
400.40000 | |
|
Пределы допускаемой основной относительной погрешности при измерении объемного расхода и суммарного (интегрального) объема (количества) в пределах от 2 до 100 % диапазона измеряемых расходов (при длине прямолинейного участка трубопровода не менее Н=10 Ду - до места установки Ш1-1 и не менее h=5 Ду - после места установкиПП-1), % |
± 2,0 | |
|
Диапазон измерений |
1:50 | |
|
Дополнительная погрешность от уменьшения длин прямолинейных участков при измерении объемного расхода и суммарного (интегрального) объема (количества) в пределах от 2 до 100 % диапазона измеряемых расходов при уменьшении Н и h относительно своих номинальных величин 10 Ду и 5 Ду на каждый 1 Ду, %: для АКРОН-02-1 и АКРОН-02-2 |
±0,4 | |
|
для АКРОН-02-3 |
±0,2 | |
|
Пределы допускаемой относительной погрешности измерений времени работы прибора, % |
± 0,01 | |
|
Диапазон температуры контролируемой среды, °С |
- 10...+70 (до 120 по спецзаказу) | |
|
Диапазон температуры окружающего воздуха, °С: для 11П-1 |
- 40.. .+70 (до 120 по спецзаказу) | |
|
для БЭ-3 |
- 40 . |
+50 |
|
для БЭ-4, БЭ-5 и БЭ-6 |
- 20. |
+50 |
|
Питание БЭ-4, БЭ-5 и БЭ-6 от сети переменного тока частотой (50±1) Гц напряжением, В |
220 | |
|
Потребляемая мощность не более, В •А |
10 | |
|
Длина линии связи не более, м: между 11П-1 и БЭ-3 |
5 (до 10 по спецзаказу) | |
|
между БЭ-3 и БЭ-4 |
до 1200 | |
|
между ПП-1, БЭ-5 и БЭ-6 |
10 (до 100 по спецзаказу) | |
|
Степень защиты от воздействия окружающей среды ПП-1 |
IP67 | |
|
БЭ-3 |
IP67 | |
|
БЭ-4, БЭ-5 и БЭ-6 |
IP65 | |
|
Масса не более, кг: Ш1-1 (без устройства крепления на трубопроводе) |
0,7 | |
|
БЭ-3, БЭ-4 |
1,5 | |
|
БЭ-5, БЭ-6 |
2 | |
|
Габаритные размеры не более, мм: БЭ-3 (длина х ширина х высота) |
178х168х65 | |
|
БЭ-4 (длина х ширина х высота) |
190х190х103 | |
|
БЭ-5, БЭ-6 (длина х ширина х высота) |
230х215х115 | |
|
Время наработки на отказ не менее, ч |
50000 | |
|
Полный средний срок службы не менее, лет |
6 | |
Знак утверждения типа
наносится на переднюю панель БЭ по технологии шелкографии, а также на титульный лист паспорта и руководства по эксплуатации типографским способом.
Комплектность средств измерений
В зависимости от исполнения в комплект поставки расходомера входят:
Таблица 2.1
|
Наименование |
Обозначение |
Кол. шт. |
Примечание |
|
Расходомер ультразвуковой с накладными излучателями АКРОН-02-1: ПП-1, БЭ-3 и БЭ-4 |
АЦПР.407154.014 |
1 | |
|
Блок токового выхода (0 - 5); (0 - 20); (4 - 20) мА |
АЦПР.407154.014 |
1 |
по требованию заказчика |
|
Блок импульсного или релейного выхода |
АЦПР.407154.014 |
1 |
по требованию заказчика |
|
Блок связи с компьютером RS-232 или RS-485 |
АЦПР.407154.014 |
1 |
по требованию заказчика |
|
Паспорт |
АЦПР.407154.014 ПС |
1 | |
|
Руководство по эксплуатации |
АЦПР.407154.014 РЭ |
1 |
Допускается поставка в один адрес 1 экз. на 5 расходомеров |
Т а б л и ц а 2.2
|
Наименование |
Обозначение |
Кол. шт. |
Примечание |
|
Расходомер ультразвуковой с накладными излучателями АКРОН-02-2: ПП-1-1, ПП-1-2 и БЭ-5 |
АЦПР.407154.014 |
1 | |
|
Блок токового выхода (0 - 5); (0 -20); (4 - 20) мА |
АЦПР.407154.014 |
1 |
по требованию заказчика |
|
Блок импульсного или релейного выхода |
АЦПР.407154.014 |
1 |
по требованию заказчика |
|
Блок связи с компьютером RS-232 или RS-485 |
АЦПР.407154.014 |
1 |
по требованию заказчика |
|
Паспорт |
АЦПР.407154.014 ПС |
1 | |
|
Руководство по эксплуатации |
АЦПР.407154.014 РЭ |
1 |
Допускается поставка в один адрес 1 экз. на 5 расходомеров |
Т а б л и ц а 2.3
|
Наименование |
Обозначение |
Кол. шт. |
Примечание |
|
Расходомер ультразвуковой с накладными излучателями АКРОН-02-3: ПП-1-1, ПП-1-2 и БЭ-6 |
АЦПР.407154.014 |
1 | |
|
Блок токового выхода (0 - 5); (0 -20); (4 - 20) мА |
АЦПР.407154.014 |
1 |
по требованию заказчика |
|
Блок импульсного или релейного выхода |
АЦПР.407154.014 |
1 |
по требованию заказчика |
|
Блок связи с компьютером RS-232 или RS-485 |
АЦПР.407154.014 |
1 |
по требованию заказчика |
|
Паспорт |
АЦПР.407154.014 ПС |
1 | |
|
Руководство по эксплуатации |
АЦПР.407154.014 РЭ |
1 |
Допускается поставка в один адрес 1 экз. на 5 расходомеров |
Сведения о методиках (методах) измерений
изложены в руководстве по эксплуатации АЦПР.407154.014 РЭ.
Нормативные и технические документы, устанавливающие требования к расходомерам ультразвуковым с накладными излучателями АКРОН-02
ТУ 4213-014-18623641-11 Расходомеры ультразвуковые с накладными излучателями АКРОН-02. Технические условия
Изготовитель
Общество с ограниченной ответственностью «111111 СИГНУР»
(ООО «ПНП СИГНУР»)
ИНН 7707254500
Адрес: 123458, г. Москва, вн. тер. г. муниципальный округ СТРОГИНО, ул. Твардовского, д. 8
Тел./факс +7(495)780-9219, 757-6004
Web-сайт: www.signur.ru
E-mail: signur@mail.ru
Испытательный центр
Государственный центр испытаний средств измерений Федеральное государственное унитарное предприятие «Всероссийский научно-исследовательский институт метрологической службы»
(ГЦИ СИ ФГУП «ВНИИМС»)
Адрес: 119361, г. Москва, ул. Озерная, д. 46
Тел. +7(495)437-5777, факс +7(495)437-5666
E-mail: office@vniims.ru
Уникальный номер записи в реестре аккредитованных лиц № 30004-08
УТВЕРЖДЕНО приказом Федерального агентства по техническому регулированию и метрологии от « 20 » ооояОоя 2025 г. № 2245Лист № 1 Регистрационный № 64708-16 Всего листов 10
ОПИСАНИЕ ТИПА СРЕДСТВА ИЗМЕРЕНИЙ
Аппараты испытания диэлектриков АИСТНазначение средства измерений
Аппараты испытания диэлектриков АИСТ (далее - аппараты) предназначены для воспроизведения высокого напряжения постоянного тока, напряжения переменного тока промышленной частоты, напряжения переменного тока сверхнизкой частоты (СНЧ) при испытаниях и диагностировании изоляции силовых кабелей и твердых диэлектриков.
Описание средства измерений
Принцип действия аппаратов основан на преобразовании напряжения питания в высокое напряжение переменного тока с помощью высоковольтного трансформатора, выпрямлении этого напряжения с помощью однополупериодного выпрямителя, а также периодической коммутации выпрямленного напряжения и индуктивно-емкостной цепи.
Аппараты выпускаются в виде ряда модификаций: АИСТ 10, АИСТ 50М, АИСТ 50/70, АИСТ 50/70М, АИСТ 100 (АИСТ 100/20) (с маслонаполненным трансформатором); АИСТ 100М (АИСТ 100/20М) (с «сухим» трансформатором), АИСТ 100M(G) (АИСТ 100/20M(G) (с элегазовым трансформатором), АИСТ СНЧ 30, АИСТ СНЧ 36, отличающихся видом и диапазоном выходного напряжения, пределами измерения выходного тока, габаритами, массой.
Аппараты могут функционировать как в ручном, так и в автоматическом режимах работы.
Основные узлы аппаратов: пульт управления, высоковольтный блок.
Пульт управления с помощью соединительного кабеля соединяется с блоком высоковольтным. Пульт управления является единым для всех модификаций аппаратов. Высоковольтные блоки имеют различную конструкцию, в зависимости от выходного напряжения аппарата.
Пульт управления содержит модуль управления, регулирующий автотрансформатор с электроприводом, элементы коммутации, схему питания и модуль управления.
Микроконтроллер с встроенными АЦП и ЦАП, входящий в модуль управления, управляет алгоритмами включения, регулирования (для автоматического режима) и отключения высокого напряжения, проводит «оцифровку» выходного напряжения и тока, поступающих от высоковольтного делителя и токоизмерительного резистора, вычисляет средние и амплитудные значения напряжения и тока, и выводит вычисленные значения на цифровые и стрелочные индикаторы панели управления.
Высоковольтный блок содержит высоковольтные трансформаторы, выходы которых через выпрямители и коммутаторы подключены к высоковольтному выводу. Вторые выводы высоковольтных трансформаторов заземлены через токоизмерительный резистор.
К высоковольтному выводу подключен измерительный делитель высокого напряжения.
В высоковольтном блоке имеется разрядный резистор для автоматического разряда высоковольтного вывода и испытуемого объекта, при выключении высокого напряжения.
В аппаратах применена схема защиты от токов перегрузки и короткого замыкания, а также схема защиты от перенапряжения. При достижении заданных характеристик схема отключает высокое напряжение. Разряд высоковольтного вывода аппарата и испытуемого объекта, при снятии напряжения, осуществляется разрядным резистором высоковольтного трансформатора, а также с помощью штанги переносного заземления (в комплект поставки не входит).
Конструктивно пульт управления выполнен в корпусе настольного исполнения. Блок высоковольтный может быть выполнен в виде бака, заполненного маслом, «сухого» трансформатора, элегазового трансформатора.
Внешний вид аппаратов приведен на рисунках 1 - 9.
Для предотвращения несанкционированного доступа к внутренним частям приборов винты крепления корпусов блоков пломбируются.
Аппараты относятся к ремонтируемым и восстанавливаемым изделиям.
Место нанесения
знака поверки
RMS
стоп
д-БРИС
\-/3 ЭНЕРГО
1—1----1 НОВОЕ ИЗМЕРЕНИЕ
мА
Аппарат испытания диэлектриков АИСТ
с до
Рисунок 1 - Внешний вид пульта управления
Рисунок 2 - Высоковольтный блок аппаратов
АИСТ 10
Рисунок 3 - Высоковольтный блок аппаратов АИСТ 50М
Рисунок 4 - Высоковольтный блок аппарата
АИСТ 50/70
Рисунок 5 - Высоковольтный блок аппарата
АИСТ 50/70М
Рисунок 6 - Высоковольтный блок аппарата АИСТ 100 (АИСТ 100/20)
Рисунок 7 - Высоковольтный блок аппарата
АИСТ 100М (АИСТ 100/20М)
Рисунок 8 - Высоковольтный блок аппарата АИСТ 100M(G) (АИСТ 100/20M(G))
9 - Высоковольтный блок аппарата АИСТ СНЧ 30 (36)
Рисунок
Метрологические и технические характеристики
Таблица 1 - Метрологические и технические характеристики
|
Наименование характеристики |
Значение для модификаций | |||||
|
АИСТ 10 |
АИСТ 50М |
АИСТ 50/70 |
АИСТ 50/70М |
АИСТ 100 |
АИСТ 100/20 | |
|
Диапазон воспроизведения
50 Гц, кВ; 2)
|
нет от 0,1 до 10 нет |
нет от 1 до 50 нет |
от 1 до 70 от 1 до 50 нет |
от 1 до 70 от 1 до 50 нет |
нет от 2 до 100 нет |
нет от 2 до 100 нет |
|
Диапазон измерений
|
нет от 1 до 200 |
нет от 1 до 50 |
от 1 до 25 от 1 до 50 |
от 1 до 25 от 1 до 50 |
нет от 1 до 100 |
нет от 1 до 200 |
|
Пределы допускаемой основной абсолютной погрешности воспроизведения напряжения постоянного и переменного тока, В |
±(0,03-U + 1 е.м.р.) (для цифровых индикаторов) | |||||
|
Пределы допускаемой основной абсолютной погрешности измерения силы постоянного и переменного тока, мА |
±(0,03^I + 1 е.м.р.) (для цифровых индикаторов) | |||||
|
Пределы допускаемой дополнительной абсолютной погрешности в диапазоне рабочих температур |
не более половины предела допускаемой основной погрешности на каждые 10 °С по отношению к нормальным значениям температур | |||||
|
Параметры электрического питания
|
220 5 |
±22 0 | ||||
|
Габаритные размеры, мм, (длинахширинахвысота)
|
390x390x185 280x160x320 |
390x390x185 330x280x510 |
390x390x185 360x460x750 |
390x390x185 330x280x510 |
390x390x185 450x450x1130 |
390x390x185 450x450x1130 |
|
Наименование характеристики |
Значение для модификаций | |||||
|
АИСТ 10 |
АИСТ 50М |
АИСТ 50/70 |
АИСТ 50/70М |
АИСТ 100 |
АИСТ 100/20 | |
|
Масса, кг - пульт управления; |
13 |
13 |
13 |
13 |
3 |
3 |
|
- блок высоковольтный |
16 |
25 |
41 |
25 |
190 |
190 |
|
Нормальные условия применения: | ||||||
|
- температура окружающего воздуха, °С |
20±5 | |||||
|
- относительная влажность воздуха, % |
от 30 до 80 | |||||
|
- атмосферное давление, кПа |
от 84 до 106 | |||||
|
Рабочие условия применения: | ||||||
|
- температура окружающего воздуха, °С |
от минус 10 до плюс 40 | |||||
|
- относительная влажность воздуха, % |
до 90 при 30 °С | |||||
|
- атмосферное давление, кПа |
от 84 до 106,7 | |||||
Примечание: 1) - отрицательной полярности;
Таблица 2 - Метрологические и технические характеристики (продолжение)
|
Наименование характеристики |
Значение для модификаций | |||||
|
АИСТ 100М |
АИСТ 100/20М |
АИСТ 100М^) |
АИСТ 100/20М^) |
АИСТ СНЧ 30 |
АИСТ СНЧ 36 | |
|
Диапазон воспроизведения - напряжения постоянного тока, кВ; 1) |
нет |
нет |
нет |
нет |
от 2 до 30 |
от 2 до 36 |
|
- напряжения переменного тока частотой 50 Гц, кВ; 2) |
от 2 до 100 |
от 2 до 100 |
от 2 до 100 |
от 2 до 100 |
нет |
нет |
|
- напряжения переменного тока частотой 0,01 - 0,1 Гц, кВ3) |
нет |
нет |
нет |
нет |
от 2 до 30 |
от 2 до 36 |
|
Наименование характеристики |
Значение для модификаций | |||||
|
АИСТ 100М |
АИСТ 100/20М |
АИСТ 100M(G) |
АИСТ 100/20M(G) |
АИСТ СНЧ 30 |
АИСТ СНЧ 36 | |
|
Диапазон измерений
|
нет от 1 до 100 |
нет от 1 от 200 |
нет от 1 до 100 |
нет от 1 до 200 |
от 1 до 15 нет |
от 1 до 15 нет |
|
Пределы допускаемой основной абсолютной погрешности воспроизведения напряжения постоянного и переменного тока, В |
±(0,03-U + 1 е.м.р.) (для цифровых индикаторов) | |||||
|
Пределы допускаемой основной абсолютной погрешности измерения силы постоянного и переменного тока, мА |
±(0,03^I + 1 е.м.р.) (для цифровых индикаторов) | |||||
|
Пределы допускаемой дополнительной абсолютной погрешности в диапазоне рабочих температур |
не более половины предела допускаемой основной погрешности на каждые 10 °С по отношению к нормальным значениям температур | |||||
|
Параметры электрического питания
|
220 5 |
±22 0 | ||||
|
Габаритные размеры, мм, (длинахширина (или диаметр)хвысота)
|
390x390x185 350x370x960 |
390x390x185 350x370x1000 |
390x390x185 380x1000 |
390x390x185 450x1000 |
390x390x185 360x460x750 |
390x390x185 360x460x750 |
|
Масса, кг
|
3 85 |
3 90 |
3 65 |
3 77 |
13 49 |
13 49 |
|
Нормальные условия применения:
|
20±5 от 30 до 80 от 84 до 106 | |||||
|
Наименование характеристики |
Значение для модификаций | |||||
|
АИСТ 100М |
АИСТ 100/20М |
АИСТ 100М^) |
АИСТ 100/20М^) |
АИСТ СНЧ 30 |
АИСТ СНЧ 36 | |
|
Рабочие условия применения: | ||||||
|
- температура окружающего воздуха, °С |
от минус 10 до плюс 40 | |||||
|
- относительная влажность воздуха, % |
до 90 при 30 °С | |||||
|
- атмосферное давление, кПа |
от 84 до 106,7 | |||||
Примечание: 1) - отрицательной полярности;
2) - среднеквадратическое значение;
3) - амплитудное значение;
4) - среднее значение;
U - воспроизводимое значение напряжения, В;
I - измеренное значение силы тока, мА;
е.м.р. - единиц младшего разряда.
2) - среднеквадратическое значение;
3) - амплитудное значение;
4) - среднее значение;
U - воспроизводимое значение напряжения, В;
I - измеренное значение силы тока, мА;
е.м.р. - единиц младшего разряда.
Знак утверждения типа
наносится методом трафаретной печати на лицевую панель приборов и типографским способом на титульный лист руководства по эксплуатации и паспорта.
Комплектность средства измерений
Таблица 3 - Комплектность
|
Наименование |
Количество |
Примечание |
|
Пульт управления |
1 шт. | |
|
Блок высоковольтный |
1 шт. | |
|
Кабель соединительный |
1 шт. | |
|
Кабель сетевого питания |
1 шт. | |
|
Кабель заземления |
1 (3) шт. |
3 - только для установок АИСТ 100М и АИСТ 100М^) |
|
Блок управления ЛАТР (в комплекте с ЛАТР) |
1 шт. |
Для установок АИСТ 100, АИСТ 100/20, АИСТ 100М, АИСТ 100/20М, АИСТ 100М(Ф), АИСТ I00/20VI(G) |
|
Высоковольтный выпрямитель |
1 шт. |
Для установки АИСТ 50/70М. По дополнительному заказу для установок АИСТ 100, АИСТ 100/20, АИСТ 100М, АИСТ 100/20М, АИСТ 100М(С), АИСТ I00/20VI(G) |
|
Руководство по эксплуатации и паспорт |
1 экз. | |
|
Методика поверки |
1 экз. |
Сведения о методиках (методах) измерений
приведены в эксплуатационном документе.
Нормативные и технические документы, устанавливающие требования к средству измерений
ГОСТ 14014-91 Приборы и преобразователи измерительные цифровые напряжения, тока, сопротивления. Общие технические требования и методы испытаний
ГОСТ 22261-94 Средства измерений электрических и магнитных величин. Общие технические условия
ТУ 4221-002-60532022-16 Аппараты испытания диэлектриков АИСТ. Технические условия
Изготовитель
Общество с ограниченной ответственностью «БрисЭнерго»
(ООО «БрисЭнерго»)
ИНН 7735558789
Юридический адрес: 124460, г. Москва, г. Зеленоград, пр-кт Панфиловский, д. 10, помещ. II, ком. 13, эт. 2
Тел./факс: 8 (499) 734-94-59 / 8 (499) 732-22-03
Web-сайт: http://www.bris.ru
|
Лист № 10 Всего листов 10 | |
|
Испытательный центр Федеральное государственное унитарное предприятие научно-исследовательский институт метрологической службы» |
«Всероссийский |
(ФГУП «ВНИИМС»)
Адрес: 119361, г. Москва, ул. Озерная, д. 46 Тел./факс: (495) 437-55-77/437-56-66
E-mail: office@vniims.ru, www.vniims.ru
Аттестат аккредитации ФГУП «ВНИИМС» по проведению испытаний средств измерений в целях утверждения типа № 30004-13 от 26.07.2013 г.
УТВЕРЖДЕНО приказом Федерального агентства по техническому регулированию и метрологии от « 20 » ооояОоя 2025 г. № 2245Лист № 1 Регистрационный № 74681-19 Всего листов 8
ОПИСАНИЕ ТИПА СРЕДСТВА ИЗМЕРЕНИЙ
Расходомеры с интегратором акустические ЭХО-Р-03Назначение средства измерений
Расходомеры с интегратором акустические ЭХО-Р-03 (далее - расходомеры) предназначены для измерений объемного расхода и суммарного объема (количества) жидкости, в том числе сточных вод, в открытых каналах оборудованных стандартными измерительными лотками или имеющих калиброванное мерное сечение, и в безнапорных трубопроводах.
Описание средств измерений
Принцип действия расходомеров состоит в бесконтактном измерении уровня жидкости в канале шириной не менее 100 мм, лотке или трубопроводе диаметром не менее 100 мм методом акустической локации, вычислении мгновенного объемного расхода с учетом характеристик водовода и интегрировании полученных результатов с выводом их на жидкокристаллический дисплей.
Расходомеры выпускаются в трех исполнениях:
-
- ЭХО-Р-03-1 - для измерений объемного расхода и суммарного объема в водоводе прямоугольного, U-образного или круглого сечения при свободном истечении потока; включает в себя преобразователь передающий измерительный ППИ-1 и акустический преобразователь АП-11 или АП-13;
-
- ЭХО-Р-03-2 - для измерений объемного расхода и суммарного объема в двух водоводах прямоугольного, U-образного или круглого сечения одновременно (двухканальный) при свободном истечении потока; включает в себя преобразователь передающий измерительный ППИ-2 и два акустических преобразователя АП-11 или АП-13, устанавливаемых на разных водоводах;
-
- ЭХО-Р-03-3 - для измерений объемного расхода и суммарного объема в безнапорных каналах прямоугольной формы, оборудованных измерительными лотками или водосливами при свободном и затопленном истечении потока (двухлучевой); включает в себя преобразователь передающий измерительный ППИ-3 и два акустических преобразователя АП-11 или АП-13 для измерения уровня в одном водоводе перед измерительным лотком и после него.
Акустические преобразователи АП соединены с преобразователем, передающим измерительным ППИ пятижильными экранированными кабелями длиной до 300 м (кабель длиной менее 10 м может быть неэкранированным).
Расходомеры применяются для учетных операций в канализационных сетях, на очистных сооружениях, промышленных предприятиях.
АП-11 применяют при измерении расхода жидкости, изменение уровня которой находится в пределах от 0 до 5 м.
АП-13 применяют при измерении расхода жидкости, изменение уровня которой находится в пределах от 0 до 0,3 м.
ППИ-1, ППИ-2, ППИ-3 выполнены в пластмассовых корпусах.
На жидкокристаллическом дисплее электронных блоков ППИ-1, ППИ-2 и ППИ-3 отображается следующая информация:
-
- значение суммарного объема (количества) протекающей жидкости, м3;
-
- текущее значение объемного расхода жидкости, м3/ч;
-
- текущее значение уровня жидкости, м;
-
- время работы прибора, ч;
-
- дата и время;
-
- содержание архивов;
-
- диагностические сообщения о неисправностях.

Рисунок 1 - преобразователь передающий измерительный ППИ-1 с маркировочной табличкой
Рисунок 2 - преобразователь передающий измерительный ППИ-2 с маркировочной табличкой
Рисунок 3 - преобразователь передающий измерительный ППИ-3 с маркировочной табличкой
Рисунок 4 - акустические преобразователи АП-11(слева) и АП-13 с маркировочными табличками
Расходомер может иметь токовый выход с выходными сигналами 0-5; 0-20; 4-20 мА, пропорциональными измеряемому объемному расходу, уставки сигнализации, импульсный
выход с нормированным "весом" импульса, возможность вывода информации на компьютер через встроенный интерфейс RS-232, RS-485 или USB, а также возможность подключения к GSM-модему для беспроводной передачи информации.
На рисунке 3 указаны места пломбировки от несанкционированного доступа и место размещения наклеек:
Т - место размещения знака утверждения типа;
D - маркировка;
S - заводские пломбы;
I - пломбы контролирующей организации.
Знак
утверждения
ППИ-1
Знак утверждения
Рисунок 5 - Места размещения пломб, надписей и наклеек на ППИ
Программное обеспечение
В расходомере применяется программное обеспечение (ПО) ECHO-3-1(2; 3)-2018, которое осуществляет преобразование измеренного времени распространения ультразвуковых колебаний от излучателя до контролируемой границы раздела сред и обратно до приемника в значение уровня, далее в мгновенное значение расхода и в суммарный (интегральный) объем, а также обеспечивает связь прибора с компьютером и с оператором и ввод настроечных параметров и поправочных коэффициентов.
От несанкционированного изменения ПО защищено запретом считывания и модификации исполняемого кода.
Доступ к ПО через интерфейс невозможен. По интерфейсу возможен только вывод архивной информации и измеренных значений объемного расхода и суммарного объема.
Идентификационные данные программного обеспечения приведены в таблицах 1.1, 1.2, 1.3.
Таблица 1.1
|
Идентификационные данные (признаки) |
Значение |
|
Идентификатор ПО для ЭХО-Р-03-1 |
ECHO3-1-2018 |
|
Идентификационное наименование ПО |
e3-1 |
|
Номер версии (идентификационный номер) ПО |
B1(1 2018) |
|
Цифровой идентификатор ПО |
C15F |
Таблица 1.2
|
Идентификационные данные (признаки) |
Значение |
|
Идентификатор ПО для ЭХО-Р-03-2 |
ECHO3-2-2018 |
|
Идентификационное наименование ПО |
e3-2 |
|
Номер версии (идентификационный номер) ПО |
B2(2 2018) |
|
Цифровой идентификатор ПО |
B29A |
Таблица 1.3
|
Идентификационные данные (признаки) |
Значение |
|
Идентификатор ПО для ЭХО-Р-03-3 |
ECHO3-3-2018 |
|
Идентификационное наименование ПО |
e3-3 |
|
Номер версии (идентификационный номер) ПО |
B3 (3 2018) |
|
Цифровой идентификатор ПО |
75D0 |
Уровень защиты - высокий в соответствии с Р 50.2.077-2014.
Метрологические и технические характеристики
Таблица 2 - Метрологические характеристики
|
Наименование характеристики |
Значение |
|
Диапазоны изменений уровня жидкости при измерении расхода, м:
|
от 0 до 0,1 от 0 до 5,0 |
|
Пределы допускаемой основной относительной погрешности (5д) измерений объемного расхода и объема (количества) жидкости в диапазоне изменений уровня от 20 до 100 %, % |
±3,0 |
|
Наименование характеристики |
Значение |
|
Пределы допускаемой основной приведенной (к значению расхода при уровне заполнения 20 %) погрешности (уд) измерений объемного расхода и объема (количества) жидкости в диапазоне изменений уровня от 0 до 20 %, % |
±3,0 |
|
Дополнительная погрешность расходомера, вызванная отклонением температуры контролируемой среды от нормальной температуры плюс 20 °С на каждые 10 °С, % |
0,5| 5д | или 0,5 | уд | |
|
Дополнительная погрешность расходомера, вызванная затоплением измерительного лотка или водослива (для ЭХО-Р-03-3) при (0,7hi < h2 < hi), % где h1 - уровень перед лотком; h2 - уровень после лотка |
Н 5 5д (— - 0,7) или Hi 5 уд Д - 0,7) Hi |
|
Нормальные условия измерений:
|
20 ±5 от 30 до 80 от 0,084 до 0,1 |
|
Пределы допускаемой относительной погрешности измерений времени работы прибора, % |
±0,01 |
Таблица 3 - Основные технические характеристики
|
Наименование характеристики |
Значение |
|
Параметры электрического питания: |
220+32 |
|
- напряжение переменного тока, В | |
|
- частота переменного тока, Гц |
50+1 |
|
Потребляемая мощность, В^А, не более |
10 |
|
Питание от сети постоянного тока напряжением, В |
12+14 |
|
Потребляемая мощность, Вт, не более |
6 |
|
Диапазон температуры контролируемой среды, °С |
от 0 до +50 |
|
Габаритные размеры, мм, не более: ППИ-1 | |
|
- высота |
105 |
|
- ширина |
190 |
|
- длина |
190 |
|
ППИ- 2 или ППИ-3 | |
|
- высота |
115 |
|
- ширина |
239 |
|
- длина |
210 |
|
АП- ii | |
|
- диаметр |
0205 |
|
- высота |
200 |
|
АП-13 | |
|
- диаметр |
0110 |
|
- высота |
89 |
|
Масса, кг, не более: | |
|
- ППИ-1 |
1,5 |
|
- ППИ-2 или ППИ-3 |
3,0 |
|
- АП- ii |
1,1 |
|
- АП-13 |
1,0 |
|
Наименование характеристики |
Значение |
|
Условия эксплуатации: диапазон температуры окружающего воздуха, °С:
|
от -20 до +50 от -30 до +50 |
|
Степень защиты от воздействия окружающей среды
|
1Р 65 1Р 67 |
|
Среднее время наработки на отказ, ч, не менее |
67000 |
|
Средний срок службы, лет, не менее |
6 |
Знак утверждения типа
наносится на переднюю панель ППИ по технологии изготовителя, а также на титульный лист паспорта АЦПР 407154.015 ПС и руководства по эксплуатации АЦПР 407154.015 РЭ.
Комплектность средств измерений
Таблица 4
|
Наименование |
Обозначение |
Количес тво |
Примечание |
|
Расходомер с интегратором акустический в составе:
|
ЭХО-Р-03-1 (ЭХО-Р-03-2; ЭХО-Р-03-3) ППИ-1 (ППИ-2; ППИ-3) АП-11 или АП-13 |
1 шт. 1 шт.
или
|
для ЭХО-Р-03-1 для ЭХО-Р-03-2 и ЭХО-Р-03-3 |
|
Блок токового выхода |
АЦПР.407154.015 |
или
|
По заказу для ЭХО-Р-03-1 и ЭХО-Р-03-3 для ЭХО-Р-03-2 |
|
Блок импульсного выхода |
АЦПР.407154.015 |
или
|
По заказу для ЭХО-Р-03-1 и ЭХО-Р-03-3 для ЭХО-Р-03-2 |
|
Блок уставок сигнализации |
АЦПР.407154.015 |
или
|
По заказу для ЭХО-Р-03-1 и ЭХО-Р-03-3 для ЭХО-Р-03-2 |
|
Блок связи с компьютером RS232, RS-485 или USB |
АЦПР.407154.015 |
1 шт. |
По заказу |
|
Паспорт |
АЦПР.407154.015 ПС |
1 экз. | |
|
Руководство по эксплуатации |
аЦпР.407154.015 РЭ |
1 экз. |
Допускается поставка в один адрес 1 экз. на 5 расходомеров |
Сведения о методиках (методах) измерений
МИ 2406-97 ГСИ. Расход жидкости в безнапорных каналах систем водоснабжения и канализации. Методика выполнения измерений при помощи стандартных водосливов и лотков
МИ 2220-13 ГСИ. Расход и объем сточной жидкости. Методика измерений в безнапорных водоводах по уровню заполнения с предварительной калибровкой измерительного створа. ФР.1.29.2013.14193
Нормативные и технические документы, устанавливающие требования к средству измерений
Приказ Росстандарта от 07.02.2018 № 256 «Об утверждении Государственной поверочной схемы для средств измерений массы и объема жидкости в потоке, объема жидкости и вместимости при статических измерениях, массового и объемного расходов жидкости»
ТУ 4213-015-18623641-18 Расходомеры с интегратором акустические ЭХО-Р-03. Технические условия
Изготовитель
Общество с ограниченной ответственностью «ПНП СИГНУР»
(ООО «ПНП СИГНУР»)
ИНН 7707254500
Адрес: 123458, г. Москва, вн.тер.г. муниципальный округ Строгино, ул. Твардовского, д. 8
Тел./факс: +7 (495) 780-9219, 757-6004
Web-сайт: www.signur.ru
E-mail: signur@mail.ru
Испытательный центр
Федеральное государственное унитарное предприятие «Всероссийский научно-исследовательский институт метрологической службы»
(ФГУП «ВНИИМС»)
Адрес: 119361, г. Москва, ул. Озерная, д. 46
Тел./факс: +7 (495) 437-55-77 / 437-56-66
E-mail: office@vniims.ru
Web-сайт: www.vniims.ru
Аттестат аккредитации ФГУП «ВНИИМС» по проведению испытаний средств измерений в целях утверждения типа № 30004-13 от 29.03.2018 г.
УТВЕРЖДЕНО приказом Федерального агентства по техническому регулированию и метрологии от « 20 » оотяОфо 2025 г. № 2245Лист № 1 Регистрационный № 91496-24 Всего листов 7
ОПИСАНИЕ ТИПА СРЕДСТВА ИЗМЕРЕНИЙ
Расходомеры ультразвуковые с накладными излучателями АКРОН-01 мНазначение средства измерений
Расходомеры ультразвуковые с накладными излучателями АКРОН-01 м (далее -расходомеры) предназначены для измерений объемного расхода и суммарного (интегрального) объема (количества) звукопроводящих жидкостей, в том числе сточных вод, протекающих в напорных трубопроводах.
Описание средств измерений
Принцип действия расходомера основан на измерении разности времени распространения ультразвуковых колебаний, пересекающих поток контролируемой среды под углом к оси трубопровода в двух противоположных направлениях: по потоку и против потока.
Расходомеры применяются для учетных операций на водопроводных и канализационных сетях, на промышленных предприятиях.
Расходомеры выпускаются в двух исполнениях:
-
- АКРОН-01 м-1 - (стационарное исполнение для контроля и учета) включает в себя первичный преобразователь ПП-1 и электронный блок БЭ-1м, соединенные кабелем;
-
- АКРОН-01м-2 - (портативное исполнение для аудита) включает в себя первичный преобразователь ПП-1, блок электронный БЭ-2м со встроенной аккумуляторной батареей, сетевой адаптер и ультразвуковой преобразователь УЗП толщиномера, соединенные кабелем.
ПП-1 состоит из двух ультразвуковых излучателей и устройства крепления их на трубопроводе. Ультразвуковые излучатели-приемники предназначены для преобразования подводимых к ним электрических сигналов в акустические колебания. Основой излучателя-приемника является пьезокерамический элемент, работающий на одной из резонансных частот.
Электронные блоки БЭ-1м и БЭ-2м предназначены для преобразования разности времен распространения акустических колебаний в контролируемой среде в показания дисплея.
На жидкокристаллическом дисплее может отображаться следующая информация:
-
- значение объемного расхода жидкости, м3;
-
- значение суммарного (интегрального) объема (количества) жидкости, протекающего в прямом и обратном направлении, м3;
-
- значение скорости потока жидкости, м/с;
-
- время работы прибора, ч;
-
- даты и времени;
-
- содержимое архивов;
-
- параметры трубопровода;
-
- тип контролируемой жидкости (холодная или горячая вода, мазут, сточные воды и т.д.);
-
- индикация настройки акустического канала при монтаже;
-
- диагностические сообщения.
На дисплее расходомера с БЭ-2м может также отображаться значение толщины стенки трубопровода.
Расходомер может иметь токовый выход с выходными сигналами 0-5; 0-20 и 4-20 мА, пропорциональными измеряемому объемному расходу, релейный выход (сухие контакты реле) или импульсный выход с нормированным «весом» импульса, возможность вывода информации на компьютер через встроенный интерфейс USB, RS-232 или RS-485, а также возможность подключения к GSM/GPRS-модему для беспроводной передачи информации.

Рисунок 2 - блок электронный БЭ-1м (стационарное исполнение для контроля и учета)
Рисунок 3 - блок электронный
БЭ-2м (портативное исполнение для аудита)
Места пломбировки от несанкционированного доступа и место размещения наклеек указаны на рисунке 4.
Ламинированный шильдик с серийным номером (в цифровом формате) блока электронного БЭ-1м и БЭ-2м и годом выпуска прибора расположен на лицевой панели
за стеклом. Ламинирование обеспечивает сохранность надписи в процессе эксплуатации. Место установки шильдиков и их размеры указаны на рис. 4.

Знак утверждения типа
|
АКРОН-01М-1 | ||||
|
Маркировка D | ||||
Маркировка D
БЭ-1м № 001 2023 г.
40
Пломба контролирующей организации
Заводская пломба
I
I
Пломба контролирующей организации
Знак утверждения типа
Заводская пломба
|
*О |
о' |
'1 s 1 | ||||
|
- |
<--------------------------\ | |||||
|
АКРОН-01М-2 | ||||||
|
1 V D 1 | ||||||
|
\ Маркировка | ||||||
|
О |
О |
О |
о. | |||

Маркировка D
АКРОН-01 м-2 № 003 2023г.
72
2)
Вид сзади
Рисунок 4 - Места пломбировки от несанкционированного доступа и место размещения наклеек Т - место размещения знака утверждения типа;
D - маркировка - [зав. номер]; год выпуска
S - заводские пломбы;
I - пломбы контролирующей организации.
Программное обеспечение
В расходомере применяется программное обеспечение (ПО) AKR1M-1(2)-2023, которое осуществляет преобразование измеренной разности времени распространения ультразвуковых колебаний, пересекающих поток контролируемой среды под углом к оси трубопровода в двух противоположных направлениях: по потоку и против потока в скорость потока жидкости и затем в объемный расход и суммарный (интегральный) объем (количество), а также обеспечивает связь прибора с компьютером и с оператором и ввод настроечных параметров и поправочных коэффициентов.
От несанкционированного изменения ПО защищено четырехзначным кодом доступа, индивидуальным для каждого прибора.
Доступ к кнопке, разрешающей изменение параметров трубопровода, закрыт пломбой проверяющей организации.
Доступ к ПО через интерфейс невозможен. По интерфейсу возможен только вывод архивной информации и измеренных значений объемного расхода и суммарного объема.
Идентификационные данные программного обеспечения приведены в таблицах 1.1. и 1.2.
Таблица 1.1.
|
Идентификационные данные (признаки) |
Значение |
|
Идентификатор ПО для АКРОН-01 м-1 |
AKR1M-1-2023 |
|
Идентификационное наименование ПО |
АМ-1 |
|
Номер версии (идентификационный номер) ПО |
А1(1 2023) |
|
Цифровой идентификатор ПО |
52С3 |
Таблица 1.2.
|
Идентификационные данные (признаки) |
Значение |
|
Идентификатор ПО для АКРОН-01 м-2 |
AKR1M-2-2023 |
|
Идентификационное наименование ПО |
АМ-2 |
|
Номер версии (идентификационный номер) ПО |
А2(2 2023) |
|
Цифровой идентификатор ПО |
7А82 |
Уровень защиты ПО - «высокий» в соответствии с Р 50.2.077-2014.
Метрологические и технические характеристики
Таблица 2
|
Наименование характеристики |
Значение |
|
Диаметр условного прохода, Dy, мм |
от 40 до 2000 |
|
Верхние пределы измеряемых расходов, Q, м3/ч |
от 8 до 40000 |
|
Соотношение расходов минимального к максимальному |
1:50 |
|
Пределы допускаемой основной приведенной погрешности измерения объемного расхода в пределах от 2 до 100 % диапазона измеряемых расходов, % |
±1,5 |
|
Пределы допускаемой основной приведенной погрешности измерения объемного расхода в пределах от 2 до 100 % диапазона измеряемых расходов при имитационной поверке, % |
±2,0 |
|
Пределы допускаемой основной относительной погрешности измерения суммарного (интегрального) объема (количества) в пределах от 2 до 100 % диапазона измеряемых расходов, % * |
±2,0 |
|
Пределы допускаемой основной относительной погрешности измерения суммарного (интегрального) объема (количества) в пределах от 2 до 100 % диапазона измеряемых расходов при имитационной поверке не превышают, % * |
±2,5 |
|
Дополнительная погрешность при измерении объемного расхода и суммарного (интегрального) объема (количества) в пределах от 2 до 100 % диапазона измеряемых расходов от уменьшения длин прямолинейных участков относительно своих номинальных величин H=10Dy и h= 5Dy, на каждый 1 Dy, % |
±0,4 |
|
Выходные сигналы: для АКРОН-01м-1:
или релейный выход
для АКРОН-01м-2:
|
от 0 до 5; от 0 до 20; от 4 до 20 от 0,01 до 100 сухой контакт USB, RS-232 или RS-485 USB |
|
Диапазон температуры контролируемой среды, °С |
от -10 до +70 (до +120 по спецзаказу) |
|
Диапазон температуры окружающего воздуха, °С:
|
от -40 до +70 от -20 до +50 |
|
Электропитание: - БЭ-1м от сети переменного тока частотой (50±1) Гц напряжением, В
или сетевого адаптера с выходным напряжением постоянного тока, В
|
220+32 10 |
|
12+14 6 | |
|
от 4,1 до 6 1 9 ±0,5 3,5 | |
|
Длина линии связи, м, не более:
|
50 (до 100 по спецзаказу) 4 (до 20 по спецзаказу) |
|
Степень защиты от воздействия окружающей среды по ГОСТ 14254-2015:
|
IP67 IP65 |
|
Масса, кг, не более:
|
О О ui |
|
Габаритные размеры, мм, не более:
|
190x190x103 224x106x60 |
|
Время наработки на отказ не менее, ч |
84000 |
|
Средний срок службы, лет |
8 |
|
*) - при длине прямолинейного участка трубопровода не менее Н=10Dу - до места установки ПП-1 и не менее h = 5 Dу - после места установки ПП-1 | |
Знак утверждения типа
наносится на переднюю панель БЭ по технологии изготовителя, на титульный лист паспорта и руководства по эксплуатации - типографским способом.
Комплектность средств измерений
Таблица 3.1
|
Наименование |
Обозначение |
Количество |
Примечание |
|
Расходомер ультразвуковой с накладными излучателями в составе:
|
АКРОН-01м-1 ПП-1 БЭ-1м |
1 шт. | |
|
Блок токового выхода (0 - 5); (0 - 20); (4 - 20) мА , встроенный |
АЦПР.407154.016 |
1 шт. |
по заказу |
|
Блок импульсного или релейного выхода, встроенный |
АЦПР.407154.016 |
1 шт. |
по заказу |
|
Блок связи с компьютером USB, RS 232 или RS-485, встроенный |
АЦПР.407154.016 |
1 шт. |
по заказу |
|
Паспорт |
АЦПР.407154.016 ПС |
1 экз. | |
|
Руководство по эксплуатации |
АЦПР.407154.016 РЭ |
1 экз. |
Допускается поставка в один адрес 1 экз. на 5 расходомеров |
Таблица 3.2
|
Наименование |
Обозначение |
Количество |
Примечание |
|
Расходомер ультразвуковой с накладными излучателями в составе:
|
АКРОН-01м-2 ПП-1 БЭ-2м |
1 шт. |
уложены в ложемент |
|
Звукопроводящая смазка для ИЛ-1 |
1 шт. |
ШРУС, литол | |
|
Преобразователь толщиномера УЗП-112-5.0-12/2-Б-002 |
ТУ 25-7761.008-98 |
1 шт. | |
|
Чемодан |
1 шт. |
с ложементом | |
|
Паспорт |
АЦПР.407154.016 ПС |
1 экз. | |
|
Руководство по эксплуатации |
АЦПР.407154.016 РЭ |
1 экз. |
Сведения о методиках (методах) измерений
изложены в руководстве по эксплуатации АЦПР.407154.016 РЭ (гл. 9-19).
Нормативные и технические документы, устанавливающие требования к средству измерений
Приказ Росстандарта от 26.09.2022 г. № 2356 Об утверждении Государственной поверочной схемы для средств измерений массы и объема жидкости в потоке, объема жидкости и вместимости при статистических измерениях, массового и объемного расходов жидкости
ТУ 4213-016-18623641-23 Расходомеры ультразвуковые с накладными излучателями АКРОН-01м. Технические условия
Правообладатель
Общество с ограниченной ответственностью «1И 111 СИГНУР»
(ООО «ПНП СИГНУР»)
ИНН 7707254500
Юридический адрес: 123458, г. Москва, вн. тер. г. муниципальный округ СТРОГИНО, ул. Твардовского, д. 8
Изготовитель
Общество с ограниченной ответственностью «111111 СИГНУР»
(ООО «ПНП СИГНУР»)
ИНН 7707254500
Адрес: 123458, г. Москва, вн. тер. г. муниципальный округ СТРОГИНО,
ул. Твардовского, д. 8
Тел./факс +7(495)780-9219, 757-6004
Web-сайт: www.signur.ru
E-mail: signur@mail.ru
Испытательный центр
Федеральное государственное бюджетное учреждение «Всероссийский научно-исследовательский институт метрологической службы»
(ФГБУ «ВНИИМС»)
Адрес: 119361, г. Москва, вн. тер. г. муниципальный округ Очаково-Матвеевское, ул. Озёрная, д. 46
Телефон / факс (495) 437-55-77 / 437-56-66
E-mail: office@vniims.ru
Web-сайт: www.vniims.ru
Уникальный номер записи об аккредитации в реестре аккредитованных лиц 30004-13
УТВЕРЖДЕНО приказом Федерального агентства по техническому регулированию и метрологии от « 20 » ооояОоя 2025 г. № 2245Лист № 1 Регистрационный № 14891-95 Всего листов 6
ОПИСАНИЕ ТИПА СРЕДСТВА ИЗМЕРЕНИЙ
Датчики уровня акустические ЭХО-АС-01Назначение средств измерений
Датчики уровня акустические ЭХО-АС-01 (далее - датчики) предназначены для измерения уровня жидких сред, сыпучих и кусковых материалов без контакта чувствительного элемента с контролируемой средой.
Описание средства измерений
Принцип действия датчиков уровня акустических ЭХО-АС-01 основан на локации уровня звуковыми импульсами, проходящими через газовую среду, и на явлении отражения этих импульсов от границы раздела газ - контролируемая среда.
Датчики по количеству точек измерения имеют одноточечное и многоточечное исполнения.
Датчики одноточечного исполнения состоят из преобразователя первичного акустического (АП) типа АП-41, АП-61, АП-11, АП-13, АП-61В, и блока измерительного БИ-1-1, соединенных между собой кабелем длиной до 300 м.
Для измерения уровня взрывоопасных сред используются АП-61В с маркировкой 1ExdIIAT5.
Датчики многоточечного исполнения состоят из АП (до 5 шт.) по числу объектов контроля, БИ-1-1 и коммутирующего устройства УП-1. Тип АП и диапазоны измерения всех точек контроля должны быть одинаковыми.
По защищенности от воздействия окружающей среды БИ-1-1 и АП-41 имеют пылеводозащищенное исполнение IP54, АП-61, АП-11, АП-13, АП-61В - исполнение IP64, и УП-1 имеет исполнение IP40.
На жидкокристаллическом дисплее блока измерительного БИ-1-1 отображается следующая информация:
-
• текущие значения измеряемых величин:
-
- уровня в процентах и метрах;
-
- объема контролируемого вещества в резервуаре, м3;
-
- расстояния до объекта, м;
-
• дата и время;
-
• содержимое архивов:
-
- почасового - 2500 записей;
-
- посуточного - 2200 записей (более 6 лет);
-
• диагностические сообщения о неисправностях.

Блок измерительный БИ-1-1
Преобразователи акустические: АП-11, АП-61, АП-61В, АП-13, АП-41
Датчик может иметь:
-
- токовый выход с выходными сигналами 0-5; 0-20; 4-20 мА, пропорциональными измеряемому уровню,
-
- релейный выход (сухие контакты реле),
-
- возможность вывода информации на компьютер через встроенный интерфейс RS-232 или RS-485,
-
- а также возможность подключения к GSM-модему для беспроводной передачи информации.
На схеме 1 указаны места пломбировки от несанкционированного доступа и место размещения наклеек, в том числе о поверке.
Т - место размещения знака утверждения типа;
D - маркировка;
S - заводские пломбы;
I - пломбы контролирующей организации;
Х - место поверительной наклейки.
Программное обеспечение
В датчике применяется программное обеспечение (ПО) EAS-1-2001, которое осуществляет преобразование измеренного времени задержки акустического сигнала в значение уровня контролируемой среды, а также обеспечивает связь прибора с компьютером и с оператором и ввод настроечных параметров.
От несанкционированного изменения ПО защищено четырехзначным кодом доступа, индивидуальным для каждого прибора.
Доступ к кнопке, разрешающей изменение параметров трубопровода, закрыт пломбой проверяющей организации.
Доступ к ПО через интерфейс невозможен. По интерфейсу возможен только вывод архивной информации и измеренных значений объемного расхода и суммарного объема.
Идентификационные данные ПО
Таблица 1
|
Идентификационные данные (признаки) |
Значение |
|
1 |
2 |
|
Идентификационное наименование ПО |
EAS-1-2001 |
|
№ версии ПО |
В1.12.011) |
|
Цифровой идентификатор ПО |
483F |
|
Другие идентификационные данные, если имеются: |
- |
ПО имеет уровень защиты «высокий» от непреднамеренных и преднамеренных изменений согласно Р 50.2.077 - 2014.
Метрологические и технические характеристики
Таблица 2
|
Диапазоны измерения уровня, м |
0-0,1; 0-0,15; 0-0,2; 0-0,3; 0-0,4; 0-0,6; 0-1,0; 0-1,6; 0-2,5; 0-4,0; 0-6,0; 0-10,0; | ||
|
0-12,0; 0-16,0; |
0-20,0; 0-30,0 | ||
|
Пределы допускаемой основной приведенной погрешности, % |
± 1,0 | ||
|
Пределы допускаемой приведенной погрешности срабатывания релейных выходов, % |
±4 | ||
|
Контролируемая среда |
жидкие среды, в том числе взрывоопасные, агрессивные, вязкие, неоднородные, выпадающие в осадок, а также сыпучие и кусковые материалы с диаметром гранул и кусков от 5 до 300 мм | ||
|
Диапазон температуры контролируемой среды, °С |
- 50...+150 | ||
|
Диапазон температуры окружающего воздуха, °С: для АП |
-30...+50 | ||
|
для БИ-1-1 |
0...+50 | ||
|
Питание БИ-1-1 от сети переменного тока частотой (50±1) Гц напряжением, В |
220 Z | ||
|
Потребляемая мощность не более, В •А |
12 | ||
|
Длина линии связи между АП и БИ-1-1 не более, м: |
300 | ||
|
Степень защиты от воздействия окружающей среды АП-41 и БИ |
IP54 | ||
|
АП-11, АП-13, АП-61, АП-61В |
IP64 | ||
|
УП |
IP40 | ||
|
Масса не более, кг: АП-11 и АП-13 |
1,5 | ||
|
АП-41, БИ |
3,0 | ||
|
АП-61 |
8,0 | ||
|
АП-61В |
15,0 | ||
|
УП |
2,0 | ||
|
Габаритные размеры не более, мм: | |
|
АП-11 (диаметр х длина) |
205 х 200 |
|
АП-13 (диаметр х длина) |
110 х 85 |
|
АП-41(диаметр х длина) |
288 х 248 |
|
АП-61(диаметр х длина) |
237 х 300 |
|
АП-61В (диаметр х длина х ширина) |
205 х 280 х 370 |
|
БИ (длина х ширина х высота) |
190х190х15 |
|
УП(длина х ширина х высота) |
170 х 240 х 270 |
|
Полный средний срок службы не менее, лет |
6 |
|
Полный средний срок службы модификаций датчиков для контроля агрессивных сред, лет |
4 |
Знак утверждения типа
наносится на переднюю панель БИ по технологии шелкографии, а также на титульный лист паспорта и руководства по эксплуатации типографским способом.
Комплектность средств измерений
В зависимости от исполнения в комплект поставки расходомера входят:
Таблица 3
|
Наименование |
Обозначение |
Кол. шт. |
Примечание |
|
Датчик уровня акустический ЭХО-АС-01 |
АЦПР.407632.009 |
1 |
В соответствии с заказом |
|
Блок токового выхода (0 - 5); (0 - 20); (4 - 20) мА |
АЦПР.407632.009 |
1 |
В соответствии с заказом |
|
Блок релейного выхода |
АЦПР.407632.009 |
1 |
В соответствии с заказом |
|
Блок связи с компьютером RS-232 или RS-485 |
АЦПР.407632.009 |
1 |
В соответствии с заказом |
|
Паспорт |
АЦПР. 407632.009ПС |
1 | |
|
Руководство по эксплуатации |
аЦпР. 407632.009РЭ |
1 |
Допускается поставка в один адрес 1 экз. на 5 расходомеров |
Сведения о методиках (методах) измерений
указаны в руководстве по эксплуатации АЦПР. 407632.009 РЭ.
Нормативные и технические документы, устанавливающие требования к средству измерений
ТУ 4214-009-18623641-01 Датчики уровня акустические «ЭХО-АС-01». Технические условия
Изготовитель
Общество с ограниченной ответственностью «111111 СИГНУР»
(ООО «ПНП СИГНУР»)
ИНН 7707254500
Адрес: 123458, г. Москва, вн. тер. г. муниципальный округ СТРОГИНО,
ул. Твардовского, д. 8
Тел./факс +7(495)780-9219, 757-6004
Web-сайт: www.signur.ru
E-mail: signur@mail.ru
Испытательный центр
Государственный центр испытаний средств измерений Открытое акционерное общество «Научно-исследовательский институт теплоэнергетического приборостроения»
(ГЦИ СИ ОАО «НИИТеплоприбор»)
Адрес: 129085, г. Москва, пр-кт Мира, д. 95
Тел./факс (495)685-9123
Уникальный номер записи в реестре аккредитованных лиц № 30032-09
УТВЕРЖДЕНО приказом Федерального агентства по техническому регулированию и метрологии от « 20 » ______ 2025 г. № 2245Лист № 1 Регистрационный № 41021-09 Всего листов 9
ОПИСАНИЕ ТИПА СРЕДСТВА ИЗМЕРЕНИЙ
Комплексы для многосуточного мониторирования ЭКГ (по Холтеру) и АД «Кардиотехника-07»Назначение средства измерений
Комплексы для многосуточного мониторирования ЭКГ (по Холтеру) и АД «Кардиотехника-07» (далее комплекс) предназначены для измерений и непрерывной регистрации биоэлектрических потенциалов сердца, измерений и записи артериального давления (АД), непрерывной регистрации и записи реопневмограммы (РПГ), а также измерений и непрерывной регистрации насыщения (сатурации) кислородом гемоглобина артериальной крови (SpO2).
Описание средства измерений
Функционально комплексы состоят из независимых измерительных каналов.
Комплекс состоит из регистратора носимого (одного или нескольких), адаптера связи, персонального компьютера (ПК), комплекта кабелей, одноразовых электродов и программного обеспечения (ПО) для управления комплексом и обработки данных.
Принцип работы канала ЭКГ (канал ЭКГ) основан на прямом измерении электрического потенциала сердца с помощью электродов, закрепленных на теле пациента. Сигнал с электродов усиливается, фильтруется, преобразуется в цифровой вид и записывается в память регистратора. По истечении времени наблюдения записанный сигнал через адаптер связи поступает в компьютер для анализа и просмотра на экране монитора.
Принцип работы канала неинвазивного артериального давления основан на определении систолического и диастолического артериального давления косвенным. осциллометрическим или акустическим (по тонам Короткова) методом. Возможно одновременное измерение АД двумя методами. Регистраторы АД соединены гибкой воздушной трубкой с манжетой. Работой всех узлов канала АД управляет микропроцессор, по сигналу которого встроенный компрессор начинает накачивать манжету. Давление в манжете постоянно измеряется датчиком, расположенным внутри регистратора АД.
Принцип работы реопневмографического канала основан на измерении постоянной и переменной составляющей импеданса между двумя электродами.
Принцип работы пульсоксиметрического канала основан на различном спектральном поглощении оксигемоглобина и восстановленного гемоглобина крови на двух различных длинах волн.
Комплексы имеют возможность регистрации потока дыхания и храпа.
Комплексы обеспечивают возможность регистрации (записи в память) сигналов в диапазоне показаний и измерений всех каналов.
Комплексы конструктивно состоят из персонального компьютера и набора регистраторов, подключаемых по USB-интерфейсу связи.
Регистраторы включают входные преобразователи измеряемых параметров функционального состояния пациента и память для хранения первичных данных. Информация от регистраторов передается по USB-интерфейсу на персональный компьютер для последующего анализа и обработки программным обеспечением
В зависимости от модели регистраторов комплексы выпускаются следующих модификаций:
-
• «Кардиотехника-07-3» - 3 и (или) 12 отведений ЭКГ, 1 канал РПГ;
-
• «Кардиотехника-07-3Р» - 1, 3, 12 отведений ЭКГ, 1 канал РПГ;
-
• «Кардиотехника-07-3/12» - 3, 12 отведений ЭКГ, 1 канал РПГ;
-
• «Кардиотехника-07-3/12Р» - 1, 3, 12 отведений ЭКГ, 1 канал РПГ, 1 пульсоксиметрический канал;
-
• «Кардиотехника-07-АД-1» - 1, 2 или 3 отведения ЭКГ, 1 канал АД, 1 канал РПГ;
-
• «Кардиотехника-07-АД-3» - 1, 3, 12 отведений ЭКГ, 1 канал АД, 1 канал РПГ;
-
• «Кардиотехника-07-АД-3/12Р» - 1, 3, 12 отведений ЭКГ, 1 канал АД, 1 канал РПГ,
1 пульсоксиметрический канал;
-
• «Кардиотехника-07-3/12М» - 1, 3, 12 отведений ЭКГ, 1 канал РПГ;
-
• «:Кардиотехника-07-3/12РЬ» - 1, 3, 12 отведений ЭКГ, 2 канала РПГ,
пульсоксиметрический канал;
-
• «Кардиотехника-07-АД-IL» - 1 отведение ЭКГ, 1 канал АД, 1 канал РПГ;
-
• «Кардиотехника-07-АД-3L» - 1, 3, 12 отведений ЭКГ, 1 канал АД, 1 канал РПГ с возможностью расширения до трех;
-
• «Кардиотехника-07-АД-1М» - 1 отведение ЭКГ, 1 канал АД, 1 канал РПГ;
-
• «Кардиотехника-07-АД-3М» - 1, 3, 12 отведений ЭКГ, 1 канал АД, 1 канал РПГ с возможностью расширения до трех;
-
• «Кардиотехника-07-АД-3V» - 1, 3, 12 отведений ЭКГ, 1 канал АД, 1 канал РПГ с возможностью расширения до трех;
-
• «Кардиотехника-07-АД-3/12РМ» - 1, 3, 12 отведений ЭКГ, 1 канал АД, 2 канала РПГ с возможностью расширения до трех каналов, пульсоксиметрический канал.
Регистраторы могут иметь специальные режимы регистрации меньшего числа каналов ЭКГ, АД, РПГ и пульсоксиметрии. Регистраторы Кардиотехника-07-3/12РL и Кардиотехника-07-АД-3/12РМ дополнительно оснащены каналом регистрации наличия храпа/дыхания.
Общий вид комплексов для многосуточного мониторирования ЭКГ (по Холтеру) и АД «Кардиотехника-07» представлен на рисунке 1.
На корпус комплексов нанесение знака поверки не предусмотрено.
Схема пломбировки от несанкционированного доступа представлена на рисунке 2. Пломбирование осуществляется организацией-изготовителем в форме нанесения пломбировочной наклейки.
Место нанесения заводского номера приведено на рисунке 2. Заводской номер имеет буквенно-цифровой формат и нанесен на корпус регистратора типографским методом или гравировкой, обеспечивающими его прочтение и сохранность в процессе эксплуатации.

Место нанесения знака
утверждения типа
а) «Кардиотехника-07- 3Р», «Кардиотехника-07-3/ 1 2Р», «Кардиотехника-07-АД-1»,
Рисунок 1 - Общий вид комплексов для многосуточного мониторирования ЭКГ (по Холтеру) и АД «Кардиотехника-07»

б) «Кардиотехника-07-АД-3/12Р»,
«Кардиотехника-07-АД-3/12РМ»
«Кардиотехника-07-АД-3»
в) «Кардиотехника-07-3/12»
г) «Кардиотехника-07- 3»

д) «Кардиотехника-07-3/12М»
е) «KapguoTexHUka-07-3/12PL»
<<1<а]Х1иоте\ника-07-АД-1к>>
ж) «Кардиотехника-07-АД-1М»
«Кардиотехника-07-АД-3М»
Рисунок 2 - Место нанесения заводских номеров, однозначно идентифицирующих каждый экземпляр средств измерений, место нанесения знака утверждения типа и обозначение места пломбировки
з) «Карgиоте\ника-07-АД-3V»

Программное обеспечение
<омплексы имеют автономное программное обеспечение (далее - ПО СИ). Автономное программное обеспечение используется для контроля процесса работы комплексов, сбора, обработки, хранения и передачи данных.
Программное обеспечение идентифицируется после включения управляющего П< в разделе главного меню.
Защита ПО от преднамеренных и непреднамеренных изменений соответствует уровню «средний» по Р 50.2.077-2014
При нормировании метрологических характеристик учтено влияние программного обеспечения. Идентификационные данные программного обеспечения приведены в таблице 1.
Таблица 1 - Идентификационные данные программного обеспечения
|
Идентификационные признаки |
Значение |
|
Идентификационное наименование ПО |
KTRegistrator-07 |
|
Номер версии (идентификационный номер), не ниже |
3.247.27199 |
|
Цифровой идентификатор ПО* |
7bfbad08cfd72d93ad0b8a75c964bdd2 |
|
Алгоритм вычисления контрольной суммы |
MD5 |
|
* Контрольная сумма указана для приведенной версии ПО в ОС Windows | |
Метрологические и технические характеристики
Таблица 2 - Метрологические характеристики
|
Наименование характеристики |
Значение |
|
Электрокардиографические каналы | |
|
Диапазон показаний входных напряжений, мВа!) |
от 0 до 300 |
|
Диапазон измерений входных напряжений, мВа |
от 0,03 до 20,0 |
|
Пределы допускаемой погрешности измерений входных напряжений:
|
±20 ±15 ±7 |
|
Диапазон измерений интервалов времени, с |
от 0,01 до 3,0 |
|
Пределы допускаемой относительной погрешности измерений интервалов времени в ручном режиме, % |
±5 |
|
Диапазон измерений интервалов R-R, мс |
от 250 до 3000 |
|
Пределы допускаемой относительной погрешности измерений интервалов R-R в автоматическом режиме, % |
±5 |
|
Диапазон измерений напряжения смещения ST-сегмента, мВ |
±1,0 |
|
Пределы допускаемой относительной погрешности измерений напряжения смещения ST-сегмента в обеих полярностях в автоматическом режиме:
|
±15 ±10 |
|
Уровень внутренних шумов, приведенных к входу, мкВ, не более |
20 |
|
Канал неинвазивного артериального давления | |
|
Диапазон показаний давления, кПа (мм рт.ст.) |
от 0 до 40 (от 0 до 300) |
|
Диапазон измерений давления, кПа (мм рт.ст.) |
от 2,67 до 37,3 (от 20 до 280) |
|
Пределы допускаемой абсолютной погрешности измерений давления, кПа (мм рт. ст.) |
±0,13 (±1) |
|
Скорость спада давления в манжете, кПа (мм рт. ст./с) |
от 2,7 до 0,7 (от 2 до 5) |
|
Канал реопневмограммы | |
|
Диапазон измерений сопротивлений:
|
от 0,02 до 2,0 от 0,2 до 3,0 |
Продолжение таблицы 2
|
Наименование характеристики |
Значение |
|
Пределы допускаемой относительной погрешности измерений сопротивлений, % |
±15 |
|
Уровень внутренних шумов, Ом, не более |
0,1 |
Канал пульсоксиметрии
|
Диапазон измерений сатурации SpO2, % |
от 70 до 100 |
|
Пределы допускаемой абсолютной погрешности измерений сатурации SpO2, % |
±2 |
Примечание:
1) здесь и далее Ва -значение амплитуды входного напряжения, В (положительной и/или отрицательной полярности)
Таблица 3 - Основные технические характеристики
|
Наименование характеристики |
Значение |
|
Габаритные размеры (длинахширинахвысота) корпуса регистратора носимого, без учета разъемов, мм, не более
|
90х55х25 120х70х32 120х70х25 120х70х32 140х90х40 140х90х40 140х90х40 68х50х25 85х55х25 85х55х25 85х55х25 89х64х25 89х64х25 100х75х30 140х90х40 |
|
Масса регистратора носимого, без элементов питания (аккумуляторов) и кабеля соединительного для подключения ЭКГ электродов, кг, не более
|
0,07 0,17 0,11 0,17 0,25 0,25 0,26 0,06 0,07 0,12 0,12 0,14 0,14 0,16 |
Продолжение таблицы 3
|
Наименование характеристики |
Значение |
|
- «Кардиотехника-07-АД-3/12РМ» |
0,22 |
|
Коэффициент ослабления синфазной помехи, дБ, не менее |
100 |
|
Потребляемая мощность, В^А, не более |
500 |
|
Напряжение питания:
|
от 3,2 до 4,2 230±10% |
|
Частота сети питания переменного тока, Гц |
50±1 |
|
Время непрерывной работы регистраторов в режиме суточной записи от внутренних элементов питания (аккумуляторов), ч, не менее |
24, 48, 168 |
|
Время передачи в ПК накопленной за 24 ч, мин, не более |
2, 5, 10 |
|
Средняя наработка до отказа, ч, не менее |
2000 |
|
Условия эксплуатации регистраторов: | |
|
- температура окружающего воздуха, °С |
от +10 до +45 |
|
- относительная влажность, %, не более |
98 |
|
- атмосферное давление, кПа |
от 84 до 106,7 |
Знак утверждения типа
наносится на титульный лист Руководства по эксплуатации и Формуляра типографским способом и на заднюю поверхность корпуса или в аккумуляторный отсек регистратора носимого методом наклейки или гравировки.
Комплектность средства измерений
Таблица 4 - Комплектность
|
Наименование |
Обозначение |
Количество |
|
Комплекс для многосуточного мониторирования ЭКГ (по Холтеру) и АД |
«Кардиотехника-07» |
1 шт. |
|
Регистратор носимый |
«Кардиотехника-07- 3»; «Кардиотехника-07- 3Р»; «Кардиотехника-07-3/12»; «Кардиотехника-07-3/12Р»; «Кардиотехника-07-АД-1»; «Кардиотехника-07-АД-3»; «Кардиотехника-07-АД-3/12Р» «Кардиотехника-07-3/12М» «Кардиотехника-07 -3/12PL» «Кардиотехника-07 -АД- 1L» «Кардиотехника-07-АД-3L» «Кардиотехника-07 -АД- 1M» «Кардиотехника-07-АД-3М» «Кардиотехника-07-АД-3V » «Кардиотехника-07-АД-3/12РМ» |
от 0 до 100 шт.1 каждой модификации |
|
Носитель с программным обеспечением |
- |
от 0 до 100 шт. 1 |
|
Адаптеры связи USB-совместимые |
- |
от 0 до 100 шт. 1 |
|
Персональный компьютер2 |
- |
от 0 до 100 шт. 1 |
таблицы 4
|
Наименование |
Обозначение |
Количество |
|
Монитор с жидкокристаллическим дисплеем2 |
- |
от 0 до 100 шт. |
|
Печатающее устройство (принтер)2 |
- |
от 0 до 100 шт. 1 |
|
Сетевой фильтр2 |
- |
от 0 до 100 шт. 1 |
|
Устройство бесперебойного питания (UPS) 2 |
- |
от 0 до 100 шт.1 |
|
Смартфон2 |
- |
от 0 до 100 шт. |
|
Диктофон2 |
- |
от 0 до 100 шт. |
|
Комплект расходных материалов:3,4 кабели ЭКГ, электроды, манжеты, датчики, элементы питания, зарядные устройства, чехлы и ремни для крепления регистраторов, салфетки, носители информации |
- |
от 0 до 100 комплектов1 |
|
Руководство по эксплуатации |
КТЛБ.9441.033РЭ |
1 экз. |
|
Формуляр регистратора |
- |
по 1 шт. на каждый регистратор |
| ||
Сведения о методиках (методах) измерений
приведены в п. 3 («Порядок работы») КТЛБ.9441.033РЭ Комплексы для многосуточного мониторирования ЭКГ (по Холтеру) и АД «Кардиотехника-07». Руководство по эксплуатации.
Нормативные и технические документы, устанавливающие требования к средству измерений
ГОСТ Р 50444-2020 «Приборы, аппараты и оборудование медицинские. Общие технические условия»
ГОСТ 30324.0-95 «Изделия медицинские электрические. Часть 1. Общие требования безопасности»
ГОСТ 30324.2.47-2012 «Изделия медицинские электрические. Часть 2-47. Частные требования безопасности с учетом основных функциональных характеристик к амбулаторным электрокардиографическим системам»
ГОСТ 30324.30-2002 «Изделия медицинские электрические. Часть 2. Частные требования безопасности к приборам для автоматического контроля давления крови косвенным методом»
ГОСТ 31515.3-2012 «Сфигмоманометры (измерители артериального давления) неинвазивные. Часть 3. Дополнительные требования к электромеханическим системам измерения давления крови»
ГОСТ Р МЭК 60601-1-2-2014 Изделия медицинские электрические. Часть 1-2. Общие требования безопасности с учетом основных функциональных характеристик. Параллельный стандарт. Электромагнитная совместимость. Требования и испытания
ТУ 9441-007-15192471-2006 «Комплекс для многосуточного мониторирования ЭКГ (по Холтеру) и АД «Кардиотехника-07». Технические условия»
Постановление Правительства №1847 от 16 ноября 2020 г. «Об утверждении перечня измерений, относящихся к сфере государственного регулирования обеспечения единства измерений» (п.1.6)
Государственная поверочная схема для электродиагностических средств измерений медицинского назначения, утвержденная Приказом Росстандарта от 30.12.2019 № 3464
Государственная поверочная схема для средств измерений избыточного давления до 4000 МПа, утвержденная приказом Росстандарта от 20.10.2022 № 2653
Изготовитель
Общество с ограниченной ответственностью «Инкарт»
(ООО «Инкарт»)
ИНН 7802395405
Юридический адрес: 197375, г. Санкт-Петербург, вн.тер.г. муниципальный округ Юнтолово, ул. Парашютная, д. 51, стр. 5
Адрес места осуществления деятельности: 197376, г. Санкт-Петербург, ул. Чапыгина, д. 6, стр. П, оф. 24
Телефон: (921) 956-47-81
Факс: (812) 495-55-36
Е-mail: oooincart@gmail.com
Испытательный центр
Федеральное государственное унитарное предприятие «Всероссийский научно-исследовательский институт метрологии им. Д.И. Менделеева»
Адрес: 190005, г. Санкт-Петербург, Московский пр., 19
Телефон/факс: +7 (812) 251-76-01 / +7(812) 713-01-14
Web-сайт: www.vniim.ru
E-mail: info@vniim.ru
Уникальный номер записи в реестре аккредитованных лиц RA.RU.311541

