Инструкция «Преобразователи давления измерительные сигнализирующие ПД150» (КУВФ.406233.300МП)
Общество с ограниченной ответственностью (ООО) «Проигводст венное Объединение ОВЕН»
а июнинников
УТВЕРЖДАЮ >нерялъный директор ЙО «Произволе гиен ное Объединение ОВЕН»

УТВЕРЖДАЮ Руководитель ГЦИ СИ

2014 г
ИНСТРУКЦИЯ
Преобразователи давления измерительные сигнализирующие ПД150
Методика поверки
КУ ВФ, 406233.30ОМ П
Москна
2014
ИНФОРМАЦИОННЫЕ ДАННЫЕ
-
1 РАЗРАБОТАНА Обществом с ограниченной ответственностью «Производственное Объединение ОВЕН»
Исполнители: Новоселов П.А.
-
2 ВВЕДЕНА ВПЕРВЫЕ.
Настоящая рекомендация не может быть полностью или частично воспроизведена, или тиражирована без разрешения ООО «Производственное Объединение ОВЕН».
Содержание
Настоящая методика поверки распространяется на преобразователи давления измерительные сигнализирующие ПД150 (далее - преобразователи), выпускаемые в соответствии с требованиями ГОСТ 22520-85 и ТУ 4212-003-46526536-2014 ООО «Производственное Объединение ОВЕН», и устанавливает методы и средства их первичной и периодической поверки.
Первичную и периодическую поверку проводят органы Государственной метрологической службы или метрологические службы юридических лиц, аккредитованные на право поверки в соответствии с действующим законодательством.
Интервал между поверками (при условии корректировки нуля не реже одного раза в год):
- для преобразователей с пределами допускаемой основной приведенной погрешности измерений (у) ±0,15% - четыре года;
- для преобразователей с пределами допускаемой основной приведенной погрешности измерений (у) ±0,25%, ±0,5 %, ±1,0%, ±1,5%, ±2,0%, ±2,5% - пять лет.
1 ОПЕРАЦИИ ПОВЕРКИ-
1.1 При проведении первичной и периодической поверок выполняют операции, указанные в таблице 1.
Таблица 1
Наименование операции |
Номер пункта методики |
Внешний осмотр |
6.1 |
Опробование |
6.2 |
Проверка соответствия программного обеспечения средства измерений |
6.2.6 |
Определение основной приведенной погрешности измерения |
6.3 |
Определение вариации выходного сигнала |
6.4 |
Определение погрешности срабатывания сигнализирующих устройств |
6.5 |
Оформление результатов поверки |
7 |
-
2.1 При проведении поверки применяют средства, указанные в таблице 2. Таблица 2
Наименование средства поверки
Основные метрологические и технические характеристики средств поверки
Манометр абсолютного давления МПА-15.
По ТУ 50-62-83,
ОТ № 4222-74 в ГР СИ РФ
Пределы допускаемой основной погрешности:
±6,65 Па в диапазоне 0-20 кПа;
±13,3 Па в диапазоне 20-133 кПа;
±0,01 % от действительного значения измеряемого давления в диапазоне от 133 до 400 кПа
Микроманометр МКМ-4.
По ТУ 50-170-85,
ОТ № 3950-73 в ГР СИ РФ
Диапазон измерений от 0,1 до 4,0 кПа; класс точности 0,01
Микроманометр МКВ-2500,02. ОТ № 968-70 в ГР СИ РФ
Пределы измерений от 0 до 2,5 кПа; класс точности 0,02
Продолжение таблицы 2
Наименование средства поверки |
Основные метрологические и технические характеристики средств поверки |
Калибратор давления портативный ПКД-10. По ТУ 4212-002-36897690-2003, ОТ № 18469-02 в ГР СИ РФ |
Пределы измерений от 0,01 до 100 кПа. Пределы допускаемой основной погрешности ±0,05 % от измеряемого давления |
Задатчик давления «Воздух-1600». По ТУ 50-745-89, ОТ № 312143-04 в ГР СИ РФ |
Пределы воспроизведения избыточного давления от 20 Па до 16 кПа. Пределы допускаемой основной погрешности в диапазоне от 20 до 500 Па - ±0,1 Па; свыше 500 Па и до 16 кПа -±0,02 % от задаваемого давления. В комплекте с блоком опорного давления (200, 300 Па и более) пределы воспроизведения разности давлений от 5 Па до 5 кПа; пределы допускаемой основной погрешности в диапазоне до (500 ±14) Па |
Задатчик избыточного давления «Воздух-1,6». По ТУ 50.552-86, ОТ № 10610-73 в ГР СИ РФ |
Пределы воспроизведения избыточного давления от 1 до 160 кПа. Пределы допускаемой основной погрешности ±0,02 % и ±0,05 % от задаваемого давления |
Задатчик избыточного давления «Воздух-2,5». По ТУ 50.552-86, ОТ № 10610-73 в ГР СИ РФ |
Пределы воспроизведения избыточного давления от 2,5 до 250 кПа. Пределы допускаемой основной погрешности ±0,02 % и ±0,05 % от задаваемого давления |
Задатчик избыточного давления «Воздух-6,3». По ТУ 50.552-86, ОТ № 10610-73 в ГР СИ РФ |
Пределы воспроизведения избыточного давления от 10 до 630 кПа. Пределы допускаемой основной погрешности ±0,02 % и ±0,05 % |
Задатчик вакуумметрическо-го давления «Воздух-0,4В». По ТУ 50.732-89, ОТ № 10610-73 в ГР СИ РФ |
Пределы воспроизведения разрежения от минус 0,8 до минус 40 кПа. Пределы допускаемой основной абсолютной погрешности ±0,08 Па в диапазоне измерений 0,84,0 кПа. Пределы допускаемой основной погрешности в диапазоне измерений от 4 от 40 кПа: ±0,02 %, ±0,05 % от задаваемого давления |
Манометр избыточного давления грузопоршневой МП-2,5. По ТУ 4212-001-29053968-97, ОТ № 17973-98 в ГР СИ РФ |
Пределы допускаемой основной погрешности: ±0,02 %, ±0,05 % от измеряемого давления в диапазоне измерений от 0 кПа до 0,25 МПа |
Манометр грузопоршневой МП-6. По ГОСТ 8291-83, ОТ № 47335-11 в ГР СИ РФ |
Пределы допускаемой основной погрешности: ±0,02 %, ±0,05 % от измеряемого давления в диапазоне измерений от 0,04 до 0,6 МПа |
Манометр избыточного давления грузопоршневой малогабаритный МПМ-60. По ТУ 4212-007-48318935-00, ОТ № 21028-01 в ГР СИ РФ |
Пределы допускаемой основной погрешности: ±0,02 %, ±0,05 % от измеряемого давления в диапазоне измерений от 0,06 до 6 МПа |
Манометр грузопоршневой МП-600. По ТУ 50.746-90, ОТ № 47376-11 в ГР СИ РФ |
Пределы допускаемой основной погрешности: ±0,02 %, ±0,05 % от измеряемого давления в диапазоне измерений от 1 до 60 МПа |
Продолжение таблицы 2
Наименование средства поверки |
Основные метрологические и технические характеристики средств поверки |
Манометр грузопоршневой МП-2500. По ТУ 50.746-90, ОТ № 47376-11 в ГР СИ РФ |
Пределы допускаемой основной погрешности ±0,05 % от измеряемого давления в диапазоне измерений от 5 до 250 МПа |
Мановакуумметр грузопоршневой. По ТУ 4212-005-48318935-99, ОТ № 1652-99 в ГР СИ РФ |
Пределы измерений избыточного давления 0-0,25 МПа; вакуумметрического давления (разрежения) 0-0,1 МПа. Пределы допускаемой основной погрешности: ±5 Па при давлении (избыточном или вакуумметрическом) в пределах 0-0,01 МПа и ±0,05 % от измеряемого значения при давлении свыше 0,01 МПа |
Задатчик разрежения «Метран-503 Воздух». По ТУ 4381-003-36897690-2003, ОТ № 25940-03 в ГР СИ РФ |
Пределы воспроизведения разрежения от минус 0,25 до минус 63 кПа. Пределы допускаемой основной абсолютной погрешности ±0,6 Па в диапазоне измерений 0,64 кПа. Пределы допускаемой основной погрешности в диапазоне измерений 4-60 кПа ±0,02 % от задаваемого давления. |
Вакуумметр теплоэлектрический блокировочный ВТБ-1, ОТ № 5153-75 в ГР СИ РФ |
Пределы измерений от 0,002 до 750 мм рт. ст. |
Манометр для точных измерений МТИ. По ТУ 25.05.1481-77, ОТ № 1844-63 в ГР СИ РФ |
Пределы измерений от 0,25 до 160 МПа; класс точности 0,6. |
Вакуумметр для точных измерений ВТИ. По ТУ 25.05.1481-77, ОТ № 1844-63 в ГР СИ РФ |
Пределы измерений от 0 до 0,1 МПа; класс точности 1. |
Термометр ртутный стеклянный лабораторный ТЛ-4, № 2. По ТУ 25-2021.003-88, ОТ № 303-91в ГР СИ РФ |
Пределы измерений от 0 до 55 °С. Цена деления шкалы 0,1 °С; пределы допускаемой погрешности ±0,2 °С. |
Магазин сопротивлений Р4831. По ТУ 25-04.3919-80, ОТ № 6332-77 в ГР СИ РФ |
Сопротивление до 111111,1 Ом; класс точности 0,02/2-10'6 |
Калибратор-измеритель унифицированных сигналов эталонный ИКСУ-260, ОТ № 35062-07 в ГР СИ РФ |
Диапазон измерений постоянного тока от 0 до 25 мА, пределы допускаемой абсолютной погрешности (10-4I+1) мкА |
Барометр-анероид контрольный М-67. По ТУ 50-04-1797-75, ОТ № 3744-73 в ГР СИ РФ |
Пределы измерений от 610 до 900 мм рт. ст.; погрешность измерений ±0,8 мм рт. ст |
-
2.2 Допускается применение других средств измерений и испытательного оборудования, обеспечивающих необходимые основные параметры и характеристики.
-
2.3 Средства измерений, применяемые при поверке, должны быть поверены и иметь действующие поверительные клейма или свидетельства о поверке.
-
3.1 Основным источником опасности при монтаже и проверке преобразователя является измеряемая среда, находящаяся под давлением. Поэтому замену, присоединение и отсоединение преобразователя от магистралей, подводящих измеряемую среду, следует производить при отсутствии давления в магистралях.
-
3.2 При проведении поверки соблюдают общие требования безопасности при работе с преобразователями (датчиками) давления (см. ГОСТ 22520-85), а также требования по безопасности эксплуатации применяемых средств поверки, указанные в технической документации на эти средства.
-
3.3 При проведении поверки необходимо соблюдать требования ГОСТ 12.3.019 -92, «Правил технической эксплуатации электроустановок потребителей», «Правил техники безопасности при эксплуатации электроустановок потребителей».
-
3.4 Любые подключения преобразователей производить только при отключенном напряжении питания преобразователей.
-
3.5 К работе с преобразователями допускаются лица, изучившие Руководство по эксплуатации (РЭ) преобразователей, знающие принцип действия используемых средств измерений и прошедшие инструктаж по технике безопасности (первичный и на рабочем месте) в установленном в организации порядке.
-
3.6 К поверке допускаются лица, освоившие работу с преобразователями и используемыми эталонами, изучившими настоящую рекомендацию, аттестованных в соответствии с ПР 50.2.012 и имеющих достаточную квалификацию для выбора методики поверки и выбора соответствующих эталонов (п. 2.1 настоящей рекомендации).
-
4.1 При проведении поверки соблюдают следующие условия:
-
- температура окружающего воздуха при поверке должна быть (23+5) °С;
-
- относительная влажность воздуха от 30 до 80 %;
-
- атмосферное давление от 84,0 до 106,7 кПа (от 630 до 800 мм рт. ст.);
-
- напряжение питания:
-
- постоянного тока (24±3) В;
-
- переменного тока 220В с частотой (50±1) Гц;
-
- сопротивление нагрузки при поверке преобразователей с аналоговым выходным сигналом (4.. .20) мА должно быть (500+50) Ом;
-
- измеряемая среда согласно разделу 6 ГОСТ 22520-85;
-
- рабочее положение преобразователя - любое;
-
- колебания давления окружающего воздуха, вибрация, тряска, удары, наклоны, магнитные поля, кроме земного, влияющие на работу преобразователей, должны отсутствовать;
-
- импульсную линию, через которую подают измеряемое давление, допускается соединять с дополнительными сосудами, емкость каждого из которых не более 50 литров.
-
4.2 Средства поверки и поверяемые приборы должны быть защищены от вибраций и ударов.
-
4.3 Средства поверки, оборудование, стенды и устройства, в том числе программное обеспечение, применяемые при поверке, должны иметь паспорт и быть аттестованы в соответствии с действующей нормативно-технической документацией.
-
5.1 Подготовить к работе поверяемый прибор в соответствии с указаниями, изложенными в РЭ.
-
5.2 Подготовить к работе средства поверки в соответствии с распространяющимися на них эксплуатационными документами.
-
5.3 Подключение преобразователей к измеряемой среде выполняется с соблюдением условий:
-
- при поверке преобразователей разности давлений значение измеряемой величины (разности давлений) устанавливают, подавая соответствующее избыточное давление в «плюсовую» камеру преобразователя, при этом «минусовая» камера сообщается с атмосферой;
-
- при поверке преобразователей разности давлений с малыми пределами измерений для уменьшения влияния на результаты поверки не устраненных колебаний давления окружающего воздуха «минусовая» камера преобразователя может соединяться с камерой эталонного средства измерений (СИ).
-
5.4 Перед проведением поверки выполняют следующие подготовительные работы:
-
- выдерживают преобразователь не менее 3 ч при температуре поверки (п. 4.1), если иное не указано в технической документации;
-
- выдерживают преобразователь не менее 15 мин при включенном питании;
-
- проверяют на герметичность пневматическую схему, состоящую из соединительных линий для передачи давления, эталонных СИ и вспомогательных средств для задания и передачи измеряемой величины.
-
5.5 Проверку герметичности пневматической схемы рекомендуется проводить при давлении (разрежении), соответствующем наибольшему давлению (разрежению) из ряда верхних пределов измерений (ВПИ) поверяемых преобразователей.
-
5.5.1 Проверку герметичности пневматической схемы выполняют, в зависимости от типа проверяемых датчиков, следующим образом:
-
-
- для поверки преобразователей давления, разности давлений, разрежения с ВПИ менее 100 кПа и преобразователей, абсолютного давления с ВПИ более 250 кПа, проводят при значениях давления (разрежения), равных ВПИ поверяемого преобразователя;
-
- для поверки преобразователей давления-разрежения, проводят при давлении, равном ВПИ избыточного давления;
-
- для поверки преобразователей разрежения с ВПИ 100 кПа, проводят при разрежении, равном 0,9-0,95 значения атмосферного давления;
-
- для поверки преобразователей абсолютного давления с ВПИ 250 кПа и менее, проводят по методике п. 5.5.3.
-
5.5.2 При проверке герметичности пневматической схемы выполняют следующие действия:
-
- устанавливают заведомо герметичный датчик или любое другое средство измерений с погрешностью измерений не более 2,5 % от значений давления и позволяющее зафиксировать 0,5 % изменения давления (от заданного значения);
-
- создают в системе давление, установившееся значение которого соответствует требованиям п. 5.5.1, после чего отключают источник давления (если в качестве эталонного СИ применяют грузопоршневой манометр, то его колонку и пресс также отключают).
Пневматическую схему считают герметичной, если после трехминутной выдержки под давлением, равным или близким ВПИ преобразователя, не наблюдают падения давления (разрежения) в течение 2 мин (при необходимости время выдержки под давлением может быть увеличено).
Примечание - Допускается изменение давления (разрежения) в системе, обусловленное изменением температуры окружающего воздуха и рабочей среды в пределах ±(0,5.. .1) °С.
-
5.5.3 Проверку герметичности пневматической схемы, предназначенной для поверки преобразователей абсолютного давления с ВПИ 250 кПа и менее, проводят следующим образом:
-
- устанавливают в системе заведомо герметичный датчик или любое другое средство измерений абсолютного давления, отвечающее требованиям к СИ в соответствии с п. 5.5.2;
-
- создают в системе абсолютное давление не более 0,07 кПа и поддерживают его в течение 2-3 мин, после чего отключают устройство, создающее абсолютное давление, и эталонное СИ при необходимости (например, отключают колонки грузопоршневого манометра) - после 3 мин выдержки изменение давления не должно превышать 0,5 % ВПИ поверяемого преобразователя.
Примечание - Допускается поправка при изменении температуры окружающего воздуха и рабочей среды.
-
5.5.4 Расчетные (ожидаемые) значения выходного аналогового сигнала поверяемого преобразователя для заданного давления определяют следующим образом:
-
1) для преобразователей c линейно возрастающей зависимостью выходного сигнала постоянного тока от входной измеряемой величины по формуле:
*В ‘и
где 1Расч ~ расчетное значение выходного аналогового сигнала, мА;
1н, 1в - соответственно нижнее и верхнее предельные значения выходного аналогового сигнала, мА;
Р - действительное значение давления (для преобразователей давления-разрежения значение в области разрежения подставляется в формулу со знаком минус), Па (кПа, МПа);
Рв- ВПП (или диапазон измерений) поверяемого преобразователя, Па (кПа, МПа);
Рн - нижний предел измерений для всех преобразователей, кроме преобразователей давления-разрежения, для которых это значение численно равно ВПП в области разрежения Рв(-) и в формулу подставляется со знаком минус, Па (кПа, МПа).
Для стандартных условий нижний предел измерений всех поверяемых преобразователей избыточного давления, абсолютного давления, разрежения, разности давлений и преобразователей давления-разрежения равен нулю.
-
2) для преобразователей с линейно убывающей зависимостью выходного сигнала постоянного тока от входной измеряемой величины по формуле:
С.'А'; 'U '2|
“в ‘и
где 1Расч ~ расчетное значение выходного аналогового сигнала, мА;
Р - действительное значение давления/разность давлений или перепад давления (для преобразователей разности давлений), предназначенных для измерения расхода рабочей среды, Па (кПа, МПа);
Рв-ВПИ или диапазон измерений разности давлений поверяемого преобразователя, Па (кПа, МПа);
Рн - нижний предел измерений для всех преобразователей, кроме преобразователей давления-разрежения, для которых это значение численно равно ВПП в области разрежения Рв(-) и в формулу подставляется со знаком минус, Па (кПа, МПа);
Методика поверки
Ih, Ib ~ соответственно нижнее и верхнее предельные значения выходного аналогового сигнала, мА.
-
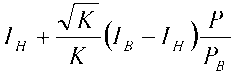
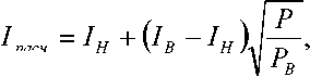
3) для преобразователей с выходным сигналом постоянного тока и функцией преобразования входной измеряемой величины по закону квадратного корня по формуле:
расч
(3)
где 1Расч, 1н, 1в, Р, Рв - обозначения те же, что и в формуле (2).
Если по технической документации на поверяемый преобразователь на ограниченном начальном участке характеристики допускается линейная зависимость, то расчетные значения выходного сигнала на этом участке определяют по формуле:
I расч(лин)

(4)
где 1Расч-, Рв 1в, Р, Рв - обозначения те же, что и в формуле (2);
К - коэффициент определяющий зону линейного участка характеристики, установленный в технической документации на поверяемый преобразователь (обычно находится в интервале значений 0,02 < К < 0,09);
Р< К- Рв.
-
5.5.5 Поверку преобразователей с программным обеспечением выбора функции преобразования входной измеряемой величины в соответствии с одним из видов, производят при программной установке линейно возрастающей зависимости выходного сигнала (1), если иное не предусмотрено технической документацией на датчик.
После выполнения поверки датчик может быть перепрограммирован в соответствии с требуемой функцией преобразования входной измеряемой величины.
Перед определением основной погрешности, при необходимости, корректируют значения выходного сигнала, соответствующие нижнему и верхнему предельным значениям измеряемой величины. Эту корректировку выполняют после подачи и сброса измеряемой величины, значения которой устанавливают:
-
- для преобразователей давления-разрежения - в пределах от 50 до 100 % от ВПП в области избыточного давления;
-
- для преобразователей абсолютного давления с ВПП до 0,25 МПа включительно - в пределах от атмосферного давления от 80 до 100 % ВПП;
-
- для остальных преобразователей - в пределах от 80 до 100 % ВПП.
При периодической поверке и в случае ее совмещения с операцией проверки герметичности преобразователя корректировку значений выходного сигнала выполняют после выдержки преобразователя при давлении (разрежении) в соответствии с условиями п.п. 5.5.1, 5.5.2 настоящей рекомендации.
Установку выходного сигнала выполняют с максимальной точностью, обеспечиваемой устройством корректора преобразователя и разрешающей способностью эталонных СИ. Погрешность установки «нуля» (без учета погрешности эталонных СИ) не должна превышать 0,3 предела допускаемой основной погрешности поверяемого преобразователя, если иное не указано в технической документации.
Значение выходного сигнала, соответствующее нижнему предельному значению измеряемой величины, рассчитывают по одной из формул (1), (2), (3), полагая Р=0 для преобразователей давления-разрежения и преобразователей разности давлений, для остальных преобразователей, - полагая Р=Рн (для стандартных условий Рн=^)-
-
5.5.6 Основную приведенную погрешность определяют при значении измеряемой величины, полученном при приближении к нему как со стороны меньших значений (при прямом ходе), так и со стороны больших значений (при обратном ходе).
Перед поверкой при обратном ходе датчик выдерживают в течение 1 мин при верхнем предельном значении измеряемой величины, которому соответствует предельное значение выходного сигнала. Датчики давления-разрежения допускается выдерживать только при ВПИ в области избыточного давления.
При периодической поверке основную погрешность определяют в два цикла: до корректировки диапазона изменения выходного сигнала и после корректировки диапазона.
При поверке преобразователей с ВПИ в области разрежения, равном 100 кПа допускается устанавливать максимальное значение разрежения в пределах 0,90-0,95 от атмосферного давления РаТм, если Рлтм< 100 кПа. Расчетное значение выходного сигнала при установленном значении разрежения определяют по формуле (4).
При поверке преобразователей абсолютного давления с ВПИ 0,25 МПа и выше (но не менее 0,1 МПа) основную погрешность определяют по методике, изложенной в п. 5.5.7 настоящей рекомендации.
-
5.5.7 Определение основной приведенной погрешности преобразователей абсолютного давления с ВПИ 0,25 МПа (допускается 0,1 МПа) и выше проводят с использованием эталонных СИ разрежения и избыточного давления (например, МВП-2,5; «Воздух-0,4В»; «Воздух-6,3»; МП-6; МП-60 и др.).
В этом случае поверку преобразователя выполняют при подаче избыточного давления и разрежения, расчетные значения которых определяют с учетом действительного значения атмосферного давления в помещении, где проводят поверку.
Расчетные значения выходного сигнала преобразователя с линейно возрастающей функцией преобразования определяют по формуле:


(5)
где 1Расч, 1н, 1в, - обозначения те же что в формуле (1);
Ратм ~ атмосферное давление в помещении, где проводят поверку, МПа;
Рв(а) - ВПИ преобразователя абсолютного давления, МПа;
Р(+) - избыточное давление, подаваемое в датчик, МПа;
Р(.)~ разрежение, создаваемое в датчике (подставляют в формулы(5) со знаком минус), МПа.
Расчетные значения избыточного давления и разрежения вычисляют по формулам:

(6)
(7)
где Ратм ~ атмосферное давление в помещении, где проводят поверку, МПа; Ра - номинальное значение абсолютного давления, МПа.
Вблизи нуля абсолютного давления датчик поверяют, создавая на его входе разрежение

(8)
Методика поверки при котором расчетное значение выходного сигнала определяют по формуле:
=1„+ У,- l„ <-) .WO”/»; (9)
()
где все обозначения те же, что и в формуле (5).
Расчетные значения выходного сигнала при атмосферном давлении на входе преобразователя определяют по формуле:
(10)
где все обозначения те же, что и в формуле (5).
Максимальное значение избыточного давления Рв(+), при котором расчетное значение выходного сигнала 1расч=1в, определяют по формуле:
Рв(+) = Рв(а) - Р атм- (И)
Примечание - При поверке датчиков с ВПИ РВ(а) > 2,5 МПа в формулы допускается подставлять значение Ратм = 0,1 МПа, если атмосферное давление находится в пределах 0,093-0,102 МПа.
6 ПРОВЕДЕНИЕ ПОВЕРКИ 6.1 Внешний осмотр-
6.1.1 При внешнем осмотре проверяется соответствие следующим требованиям:
-
- преобразователь должен быть представлен на поверку с эксплуатационной документацией, входящей в комплект поставки (Паспорт и Руководство по эксплуатации);
-
- на преобразователе должна быть маркировка, соответствующая Руководству по эксплуатации;
-
- преобразователь должен быть чистым и не иметь видимых механических повреждений (трещин, сколов и других) на корпусе;
-
- резьба на присоединительных элементах не должна иметь сорванных ниток;
-
- преобразователь не должен иметь механических повреждений клеммных соединителей.
-
6.1.2 При обнаружении механических дефектов, а также несоответствия маркировки эксплуатационной документации, определяется возможность проведения поверки и дальнейшего использования преобразователя.
-
6.2.1 При опробовании проверяют герметичность и работоспособность преобразователя, функционирование корректора «нуля».
-
6.2.2 Включить проверяемый преобразователь согласно РЭ.
-
6.2.3 Работоспособность преобразователя проверяют, изменяя измеряемую величину от нижнего до верхнего предельных значений. При этом должно наблюдаться изменение выходного сигнала и индикации на дополнительных выходных устройствах. При проверке работоспособности поверку проводят:
-
- для преобразователя давления-разрежения только при избыточном давлении;
-
- для преобразователя разрежения с ВПИ 100 кПа при изменении разрежения до значения не менее 0,9 атмосферного давления.
-
6.2.4 Проверку функционирования программного корректора «нуля» выполняют следующим образом:
-
- задав одно (любое) значение измеряемой величины в пределах, оговоренных Руководством по эксплуатации, корректором «нуля» возвращают выходной сигнал (показания индикатора) к первоначальному значению;
-
- сбрасывают измеряемую величину и при атмосферном давлении на входе преобразователя корректором «нуля» вновь устанавливают выходной сигнал (показания индикатора) в соответствие с исходными значениями.
-
6.2.5 Проверку герметичности преобразователя рекомендуется совмещать с операцией определения его основной погрешности.
Методика проверки герметичности преобразователя аналогична методике проверки герметичности пневматической схемы (п.п. 5.5.1-5.5.3 настоящей рекомендации), но изменение давления (разрежения) определяют по изменению выходного сигнала или по изменению показаний цифрового индикатора поверяемого преобразователя, включенного в систему (п. 5.5.2 настоящей рекомендации).
В случае обнаружения не герметичности системы с установленным поверяемым преобразователем следует раздельно проверить герметичность системы и преобразователя.
При невыполнении этих требований или неверном функционировании поверка прекращается, прибор бракуется и направляется в ремонт.
-
6.2.6 Проверка соответствия программного обеспечения средства измерений.
Сведения о номере версии (идентификационном номере) встроенной части программного обеспечения не оснащенного интерфейсом связи RS-485 указана на наклейке.
Для того чтобы проверить версию прошивки ПО преобразователя с интерфейсом связи RS-485, необходимо подключить прибор к компьютеру и запустить конфигуратор.
Сведения об идентификационном наименовании встроенной части программного обеспечения представлены в окне «Конфигуратор ПД150»:
меню Конфигурация ПД150 > Параметры прибора >Обгцие параметры прибора > Версия прошивки (см. рис. 1).

Рисунок 1
Результат подтверждения соответствия программного обеспечения считается положительным, если полученные идентификационные данные программного обеспечения (идентификационное наименование программного обеспечения, номер версии (идентификационный номер) программного обеспечения) соответствуют идентификационным данным, указанным в таблице 3.
Таблица 3 - Идентификационные данные ПО
Идентификационные данные (признаки) |
Значение |
В исполнении с RS-485 | |
Идентификационное наименование ПО |
ПД15О-1.1 ПО 1.14.Ьех |
Номер версии (идентификационный номер) ПО (не ниже) |
1.14 |
Цифровой идентификатор (контрольная сумма) метрологически значимой части ПО |
EB3ACF21 |
Алгоритм вычисления цифрового идентификатора ПО |
CRC32 |
В исполнении с (4.. .20) мА и/или HART | |
Идентификационное наименование ПО |
ПД15О ПО 2.О5.Ьех |
Продолжение таблицы 3
Идентификационные данные (признаки) |
Значение |
Номер версии (идентификационный номер) ПО (не ниже) |
2.05 |
Цифровой идентификатор (контрольная сумма) метрологически значимой части ПО |
C1A82F52 |
Алгоритм вычисления цифрового идентификатора ПО |
CRC32 |
При невыполнении этих требований или неверном функционировании поверка прекращается, преобразователь бракуется и направляется в ремонт.
6.3 Определение основной приведенной погрешности измерения-
6.3.1 При поверке значения основной приведенной погрешности преобразователя определяют не менее чем при пяти значениях измеряемой величины, достаточно равномерно распределенных в диапазоне измерений, включая граничные значения диапазона измерений.
Метрологические характеристики, подлежащие определению при поверке приведены в таблице 4.
Таблица 4.
Пределы допускаемой основной приведенной погрешности измерения, % |
±0,15; ±0,25; ±0,5; ±1,0; ±1,5; ±2,0; ±2,5 |
Пределы допускаемой основной приведенной погрешности выходного унифицированного сигнала постоянного тока (4...20) мА, % |
±0,15; ±0,25; ±0,5; ±1,0; ±1,5; ±2,0; ±2,5 |
Вариация, %, не более |
±0,5|yI |
-
6.3.2 Основную приведенную погрешность преобразователя определяют любым из двух способов:
Способ 1.
При определении погрешности измерения заданное давление устанавливают по эталонному средству измерений (СИ) давления, а показание считывают по цифровому индикатору поверяемого преобразователя.
При определении погрешности преобразования выходного унифицированного сигнала постоянного тока (4.20) мА заданное давление устанавливают по эталонному СИ, а значение выходного сигнала контролируют по эталонному миллиамперметру.
Способ 2.
При определении погрешности измерения на входе преобразователя устанавливают давление по цифровому индикатору поверяемого преобразователя, а действительное давление отсчитывают по эталонному СИ.
При определении погрешности преобразования выходного унифицированного сигнала постоянного тока (4.20) мА устанавливают давление по показаниям эталонного миллиамперметра, соответствующих подаваемому значению давления, а действительное давление отсчитывают по эталонному СИ.
-
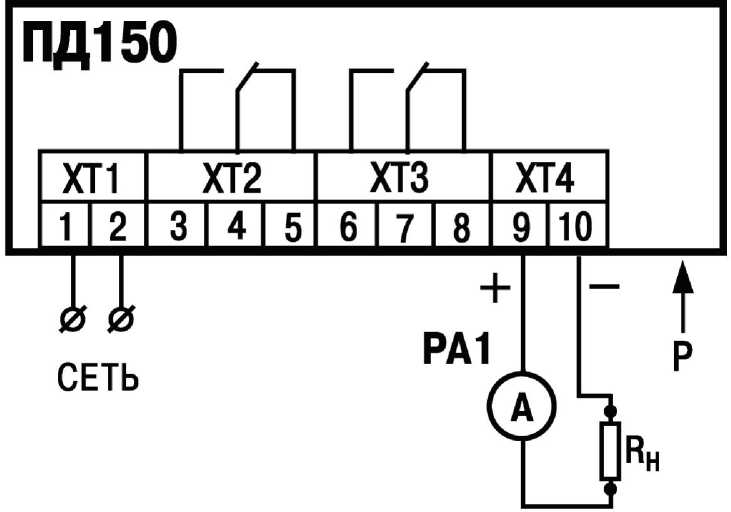
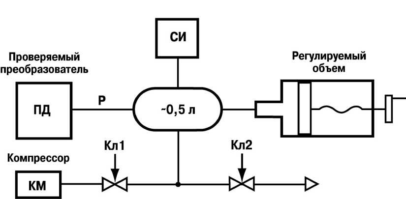
6.3.3 Схемы включения преобразователей для измерения выходного сигнала при проведении поверки приведены в Приложении А.
-
6.3.4 Основную приведенную погрешность вычисляют по формулам:
При определении приведенной погрешности используется формула:
(12)
где 8 — основная приведенная погрешность измерения, %;
Ризм - измеренное преобразователем давление в контрольной точке, Па (кПа, МПа); Рэт - измеренное эталонным СИ давление в контрольной точке, Па (кПа, МПа);
Рв - нормирующее значение, равное разности максимального(ВПИ) и минимального давления диапазона измерений (сумма абсолютных значений преобразователей давления-разрежения (Рв = Рв(+> + \Рв(->|), Па (кПа, МПа).
При определении приведенной погрешности преобразования выходного унифицированного сигнала постоянного тока (4...20) мА используется формула:
8=^™ ]00%^
(13)

где 8 — основная приведенная погрешность преобразования выходного сигнала, %;
1изм - измеренное значение выходного аналогового сигнала, мА;
Трасч ~ расчетное значение выходного аналогового сигнала (по формуле 1), мА;
Рорм, ~ нормирующее значение, равное разности между верхним и нижним предельными значениями выходного аналогового сигнала преобразователя, мА.
Примечания
-
1 Вычисления 5 выполняют с точностью до второго знака после запятой.
-
2 Допускается вместо вычислений по экспериментальным данным значений основной погрешности 8 контролировать ее соответствие предельно допускаемым значениям.
-
6.3.5 Преобразователь считают годным к эксплуатации, если рассчитанная основная приведенная погрешность в каждой точке измерения не превышает предела основной погрешности, указанной в паспорте преобразователя.
При невыполнении этих требований, преобразователь бракуется и направляется в ремонт.
6.4 Определение вариации выходного сигнала-
6.4.1 Вариацию выходного сигнала определяют при каждом поверяемом значении измеряемой величины, кроме значений, соответствующих нижнему и верхнему пределам измерений, по данным, полученным экспериментально при определении основной погрешности.
-
6.4.2 Вариацию выходного сигнала вычисляют по формулам:
При определении вариации по показаниям цифрового индикатора используется формула:


(14)
где V - вариация выходного сигнала, %;
Рпр, Poop - значения давления, полученные при прямом и обратном ходе в контрольной точке, Па (кПа, МПа);
Рв - нормирующее значение, равное разности максимального(ВПИ) и минимального давления диапазона измерений (сумма абсолютных значений преобразователей давления-разрежения (Рв = Рв(+> + \Рв(у|), Па (кПа, МПа).
При определении вариации преобразования выходного унифицированного сигнала постоянного тока (4...20) мА используется формула:

(15)
где V - вариация преобразования выходного сигнала (%);
Inp, Pop ~ значения выходного аналогового сигнала постоянного тока в контрольной точке, полученные при прямом и обратном ходе, соответственно, мА;
Рорм, - нормирующее значение, равное разности между верхним и нижним предельными значениями выходного аналогового сигнала преобразователя, мА.
Примечание - Допускается вместо вычислений по экспериментальным данным значений вариации контролировать их соответствие предельно допускаемым значениям.
-
6.4.3 Преобразователь считают годным к эксплуатации, если рассчитанная вариация в каждой точке измерения не превышает значения, указанного в паспорте преобразователя.
При невыполнении этих требований, преобразователь бракуется и направляется в ремонт.
6.5 Определение погрешности срабатывания сигнализирующих устройств-
6.5.1 Соответствие погрешности срабатывания сигнализирующих устройств допустимым значениям определяют на трех числовых отметках, равных 10, 50 и 90 % диапазона измерений.
Поочередно установить значения «точек» срабатывания и отпускания сигнализирующих устройств в контрольных точках.
Плавно изменяя давление (разрежение) на входе преобразователя фиксируют значения давление (разрежение) при котором происходит изменение состояния сигнализирующего устройства.
Погрешность сигнализирующих устройств определяется по формуле: где у - погрешность срабатывания сигнализирующих устройств, %;

(16)
Рэт, - измеренное эталонным СИ давление в контрольной точке, Па, (кПа, МПа);
Руст ~ установленное значение срабатывания сигнализирующего устройства, Па, (кПа, МПа);
Рв - нормирующее значение, равное разности максимального(ВПИ) и минимального давления диапазона измерений (сумма абсолютных значений преобразователей давления-разрежения (Рв = Рв(+> + \Рв(->|), Па, (кПа, МПа).
-
6.5.2 Преобразователь считают годным к эксплуатации, если рассчитанная основная приведенная погрешность в каждой точке измерения не превышает предела основной погрешности, указанной в паспорте преобразователя.
При невыполнении этих требований, преобразователь бракуется и направляется в ремонт.
7 ОФОРМЛЕНИЕ РЕЗУЛЬТАТОВ ПОВЕРКИ-
7.1 Положительные результаты поверки оформляют в соответствии с ПР 50.2.006 и удостоверяют оттиском поверительного клейма в соответствии с ПР 50.2.007 в одном из сопроводительных документов изделия (паспорт, свидетельство, РЭ или др.).
-
7.2 На преобразователи, не удовлетворяющие требованиям настоящей рекомендации, выдают извещение о непригодности в соответствии с ПР 50.2.006 и с указанием причин.
Поверительное клеймо гасят.
Преобразователи к дальнейшей эксплуатации не допускают.
Используемые источники-
1) ГОСТ 22520-85. Датчики давления, разрежения и разности давлений с электрическими аналоговыми выходными сигналами ГСП. Общие технические условия.
-
2) ПР 50.2.006-94. ГСИ. Порядок проведения поверки средств измерений. Правила по метрологии.
-
3) ПР 50.2.007-2001. ГСИ. Поверительные клейма. Правила по метрологии.
-
4) МИ 2246-93. ГСИ. Погрешности измерений. Обозначения.
-
5) МИ 1997-89. Методика поверки. Преобразователи давления измерительные.
-
6) МИ 4212-2006. Методика поверки. Датчики давления МЕТРАН-150.
(обязательное)
Схемы включения преобразователей при поверке
Примечание - На всех схемах используются следующие обозначения:
P - входная измеряемая величина (примеры подключения к датчику эталонных средств измерений входной величины и задатчиков давления приведены на схемах 2-4);
R„ - нагрузочное сопротивление, например, магазин сопротивлений (значение сопротивления в соответствии с условиями поверки по п. 4.1);
БА1 - миллиамперметр.

Схема А.1 (электрическая) - Включение преобразователя давления с выходным унифицированным сигналом постоянного тока (4.. .20) мА

Схема А.2 (пневматическая) - Подключение для поверки преобразователя избыточного давления и разности давлений, СИ - эталонное средство для измерения давления или разрежения (см. таблицу 2); Кл1, Кл2 - клапаны запорные (краны-натекатели); КМ -компрессор

Схема А.3 (пневматическая) - подключение для поверки преобразователя абсолютного давления и разрежения, Кл1-Кл5 - клапаны запорные (краны-натекатели); КМ -компрессор (задатчик давления, см. таблицу 2); Н - насос вакуумный (например, задатчик вакуумметрического давления «Воздух-0,4В»).
СИ - эталонное средство для измерения давления.

Схема А.4 (гидравлическая) - подключение для поверки преобразователя избыточного давления и разности давлений при использовании грузопоршневого манометра, МН - грузопоршневой манометр (например, МП-2,5, МП-6, МП-60, МП-600, МП-2500)
23