Методика поверки «Измеритель иммитанса Е7-25» (Код не указан!)
РЕСПУБЛИКА БЕЛАРУСЬ
ОАО "МНИПИ"
ИЗМЕРИТЕЛЬ ИММИТАНСА Е7- 25
МЕТОДИКА ПОВЕРКИ

Таблица А.5
Мера |
Поверяемый прибор | ||||||||
Тип |
Номинальное значение, кОм |
Действительное зна чение, кОм |
Измеряемый параметр |
Напряжение испытательного сигнала |
Режим |
Время одного измерения, установленное на поверяемом приборе, мс |
Результат измерения |
Погрешность измерения, % |
Допускаемая погрешность, % |
Н2-1 |
1 |
1 |
Rs |
40 мВ |
Норма |
800 |
±0,72 | ||
0,7 В |
Быстро |
70 |
Примечание - Поддиапазон измерений |Z| 1 кОм, рабочая частота - 1 кГц, напряжение смещения О В.
Таблица А.6
Проверяемая точка, мкА |
Сопротивление подключенного резистора, R, кОм |
Напряжение смещения, В |
Действительное значение сипы тока утечки, мА |
Измеренное значение силы тока утечки, мА |
Погрешность измерения силы тока утечки, % |
Допускаемая погрешность измерения |
0 |
со |
0 |
+ 5,0 мкА | |||
10 |
100+1 |
1 |
± 8,0 % | |||
100 |
10 ± 0,1 |
1,1 |
± 3,5 % | |||
1000 |
1 +0,01 |
2,1 |
±3,1 % |
Заключение о годности прибора:___________________________
Поверитель
Дата поверки
подпись расшифровка подписи
число, месяц, год
ИЗМЕРИТЕЛЬ ИММИТАНСА Е7- 25
Методика поверки
МРБ МП.1806-2008
Настоящая методика поверки распространяется на измеритель иммитанса Е7-25 ТУВУ 100039847.090-2008 (далее по тексту - прибор) и устанавливает методики и средства первичной и последующих поверок.
Первичной поверке подлежат приборы, выпускаемые из производства и после ремонта. Последующим поверкам подлежат приборы, находящиеся в эксплуатации и на хранении. Поверка должна проводиться в органах метрологической службы, аккредитованных в данном виде деятельности.
Межповерочный интервал 12 мес.
Методика поверки составлена в соответствии с ТКП 8.003-2011 и ГОСТ 8.294-85.
1 ОПЕРАЦИИ И СРЕДСТВА ПОВЕРКИ
-
1.1 При проведении поверки должны быть выполнены следующие операции и применены средства поверки с характеристиками, указанными в таблице 1.1.
Таблица 1.1
Наименование операции |
Номер пункта МП |
Наименование и тип (условное обозначение) эталонов и вспомогательных средств поверки, их метрологические и основные технические характеристики, обозначение ТИПА |
Обязате прове операц |
льность цения ии при |
первичной поверке |
последующей поверке | |||
Внешний осмотр |
4.1 |
— |
Да |
Да |
Проверка электрической прочности изоляции |
4.2.1 |
Установка высоковольтная измерительная (испытательная) УПУ-21 Выходное напряжение (0 - 3) кВ; (0 -10) кВ Приведенная погрешность установки напряжения ± 4 % |
Да |
Нет |
Опробование прибора |
4.2.2 |
— |
Да |
Да |
Определение погрешности установки рабочей частоты |
4.3 |
Частотомер электронно-счетный 43-81/1 Диапазон частоты от 0,1 Гц до 200 МГц Диапазон периода от 1 мкс до 10 000 с Относительная погрешность по частоте и периоду не более ± 0,0006 % |
Да |
Да |
Определение основной погрешности измерения |
4.4 |
Набор мер сопротивления эталонных Н2-1. 3 разряд. Номинальное значение сопротивления 1; 10; 100 Ом; 1; 10; 100 кОм; 1 МОм. Погрешность действительного значения сопротивления ±0,05%; ±0,1 % |
Да |
Да |
Мера сопротивления Р4017. 3 разряд. Номинальное значение сопротивления 10 МОм Погрешность действительного значения сопротивления ±0,1 % |
Таблица А.З
Номинальное значение |
Предел измерения Izl |
Измеряемый параметр |
Рабочая частота, Гц |
Результат измерения |
Действительное значение |
Погрешность измерения |
Допускаемая относительная погрешность |
20 пФ |
10 МОм |
Ср |
103 |
± 1,2 % | |||
D |
+ 0,012 | ||||||
100 пФ |
10 МОм |
Ср |
± 0,56 % | ||||
D |
±0,0056 | ||||||
1 нФ |
1 МОм |
Ср |
±0,21 % | ||||
Сз |
±0,21 % | ||||||
D |
±0,0021 | ||||||
Xs |
±0,21 % | ||||||
Ф |
±0,21° | ||||||
10 нФ |
100 кОм |
СР |
±0,16 % | ||||
D |
±0,0016 | ||||||
100 нФ |
10 кОм |
Ср |
±0,16 % | ||||
D |
±0,0016 | ||||||
Р5105 100 мкГн |
1 Ом |
Ls |
103 |
± 0,67 % | |||
Р5107 1 мГн |
10 Ом |
Ls |
+ 0,38 % | ||||
Р5109 10 мГн |
100 Ом |
Ls |
±0,18 % | ||||
Р5113 100 мГн |
1 кОм |
Ls |
± 0,20 % | ||||
Р5115 1 Гн |
10 кОм |
Ls |
+ 0,20 % |
Таблица А.4
Номинальное значение |
Предел измерения Izl, кОм |
Измеряемый параметр |
Рабочая частота, кГц |
Результат измерения |
Действительное значение |
Погрешность измерения |
Пределы допускаемых значений |
R = 1,6 МОм+1 % чхъ С = 10нФ(Р597) |
100 |
D |
1 |
0,0100 |
+0,0017 (0,0083- 0,0117) | ||
R =160 кОм±0,25% С = 10нФ(Р597) |
100 |
Q |
1 |
10,053 |
±3,1 % (9,7414- 10,365) | ||
R = 16 кОм±0,25% С = 10 нФ (Р597) |
100 |
D |
1 |
0,9947 |
±0,0166 (0,9781-1,0113) |
Примечание - Напряжение испытательного сигнала 0,7 В; напряжение смещения 0 В.
Окончание таблицы А.2
Номинальное значение |
Предел измерения Izl |
Измеряемый параметр |
Рабочая частота, Гц |
Результат измерения |
Погрешность измерения |
Допускаемая относительная погрешность |
1 кОм |
1 кОм |
Izl |
25 |
± 0,95 % | ||
102 |
± 0,38 % | |||||
10® |
± 0,24 % | |||||
10’ |
± 0,38 % | |||||
To® |
± 0,95 % | |||||
10® |
± 5,7 % | |||||
0° |
<р |
10® |
±0,24° | |||
100 Ом |
1 кОм |
RP |
25 |
±0,50 % | ||
102 |
± 0,20 % | |||||
To® |
±0,15 % | |||||
10“ |
± 0,20 % | |||||
To® |
+ 0,50 % | |||||
w® |
± 3,0 % | |||||
100 Ом |
Rs |
25 |
± 0,50 % | |||
102 |
± 0,20 % | |||||
10® |
±0,15 % | |||||
To4 |
± 0,20 % | |||||
10® |
± 0,50 % | |||||
To® |
± 3,0 % | |||||
10 Ом |
100 Ом |
Rs |
25 |
± 0,95 % | ||
16® |
± 0,38 % | |||||
To® |
+ 0,24 % | |||||
104 |
± 0,38 % | |||||
105 |
± 0,95 % | |||||
10®“ |
± 5,7 % | |||||
10 Ом |
Rs |
25 |
±1,0% | |||
102 |
± 0,30 % | |||||
10® |
±0,30 % | |||||
10’ |
± 0,30 % | |||||
To®“ |
± 1,0 % | |||||
To® |
±3,0% | |||||
1 Ом |
10 Ом |
Rs |
25 |
± 1,9 % | ||
10® |
± 0,57 % | |||||
10® |
± 0,57 % | |||||
10’ |
± 0,57 % | |||||
To® |
± 1,9 % | |||||
To® |
±7,5% | |||||
1 Ом |
R= |
25 |
± 1,0 % | |||
To® |
±0,50 % | |||||
10® |
±0,50 % | |||||
To4" |
±0,50 % | |||||
10® |
± 1,0 % |
Продолжение таблицы 1.1
Наименование операции |
Номер пункта МП |
Наименование и тип (условное обозначение) эталонов и вспомогательных средств поверки, их метрологические и основные технические характеристики, обозначение ТИПА |
Обязате прове операи первичной поверке |
льность цения ии при последующей поверке |
Определение основной погрешности измерения |
4.4 |
Меры емкости Р597. 3 разряд. Номинальное значение емкости 20; 100 пФ; 1; 10; 100 нФ. Погрешность действительного значения емкости ± 0,05 %. Погрешность действительного значения tqS ± 2-Ю’4 |
Да |
Да |
Меры индуктивности. 3 разряд. Р5105- 100 мкГн; Р5107-1мГн; Р5109 -10 мГн; Р5113 - 100 мГн; Р5115- 1 Гн. Погрешность действительного значения индуктивности ±0,1 % | ||||
Вольтметр универсальный цифровой В7-27. Предел измерений 10; 100 мкА; 1 мА. Погрешность измерения ± 0,4 % | ||||
Резистор С2-29В-0,125-1 кОм ± 1 % Резистор С2-29В-0,125-10 кОм ± 1 % Резистор С2-29В-0.125-16 кОм ± 0,25 % Резистор С2-29В-0,125-100 кОм ± 1 % Резистор С2-29В-0,125-160 кОм ± 0,25 % Резистор С2-29В-0,125-1,6 МОм ±1 % | ||||
Примечание - Возможно применение средств поверки, не приведенных в перечне, но обеспечивающих определение метрологических характеристик поверяемых средств измерений с требуемой точностью. |
2 ТРЕБОВАНИЯ БЕЗОПАСНОСТИ
-
2.1 При проведении поверки необходимо соблюдать требования безопасности, указанные в ТКП 181-2009 «Правила технической эксплуатации электроустановок потребителей», Межотраслевые правила по охране труда при работе в электроустановках.
Также должны быть обеспечены требования безопасности, указанные в эксплуатационных документах на средства поверки и поверяемый прибор.
Поверитель должен иметь группу по электробезопасности не ниже III.
3 УСЛОВИЯ ПОВЕРКИ И ПОДГОТОВКА К НЕЙ
3.1 При проведении поверки должны условия: |
быть соблюдены следующие |
|
20 + 2; от 30 до 80; от 84 до 106 (от 630 до 795); 230 ±4,6; 50 ± 1. |
-
3.2 Перед поверкой прибор необходимо выдержать в условиях, указанных в 3.1, не менее 8 ч.
-
3.3 Средства поверки подготовить к работе в соответствии с их эксплуатационной документацией.
-
3.4 При подготовке прибора к поверке должны быть выполнены подготовительные работы, указанные в 8 руководства по эксплуатации (РЭ).
4 ПРОВЕДЕНИЕ ПОВЕРКИ
4.1 Внешний осмотр-
4.1.1 При внешнем осмотре должно быть установлено соответствие прибора следующим требованиям:
-
- наличие и прочность крепления органов управления;
-
- отсутствие механических повреждений;
-
- исправность гнезд, четкость маркировки прибора.
Прибор, не удовлетворяющий этим требованиям, признается непригодным к применению и направляется в ремонт.
4.2 Опробование-
4.2.1 Проверка электрической прочности изоляции
-
4.2.1.1 Проверку электрической прочности изоляции проводят в нормальных условиях применения по ГОСТ 22261-94.
Изоляция между короткозамкнутыми сетевыми выводами сетевого адаптера и короткозамкнутыми выходными выводами сетевого адаптера должна выдерживать без пробоя и перекрытия испытательное напряжение переменного тока 2,3 кВ.
Напряжение на выходе источника высокого напряжения плавно повышают от нуля до значения испытательного напряжения, указанного выше, в течение от 5 до 10 с.
Изоляция должна выдерживать испытательное напряжение в течение 1 мин.
Результаты проверки электрической прочности изоляции считают положительными, если не произошло пробоя или перекрытия изоляции. Появление «короны» или шума при испытании не является признаком отрицательных результатов испытаний.
А.5 Определение основной погрешности (4.4)
Таблица А.2
Номинальное значение |
Предел измерения I z I |
Измеряемый параметр |
Рабочая частота, Гц |
Результат измерения |
Погрешность измерения |
Допускаемая относительная погрешность |
10 МОм |
10 МОм |
R₽ |
103 |
+ 1,4 % | ||
1 МОм |
10 МОм |
RP |
25 |
± 1,0 % | ||
107 |
±0,50 % | |||||
10J |
±0,50 % | |||||
1 МОм |
RP |
25 |
± 1,9 % | |||
102 |
±0,57 % | |||||
103 |
± 0,38 % | |||||
Го4 |
± 0,59 % | |||||
100 кОм |
1 МОм |
Rp |
25 |
± 1,0 % | ||
104 |
± 0,30 % | |||||
103 |
±0,20 % | |||||
То4 |
±0,50 % | |||||
100 кОм |
Rp |
25 |
± 0,95 % | |||
104 |
± 0,38 % | |||||
103 |
± 0,24 % | |||||
ю4 |
± 0,57 % | |||||
10= |
±2,8 % | |||||
10 кОм (100 мкСм) |
100 кОм |
Rp |
25 |
± 0,50 % | ||
104 |
± 0,20 % | |||||
103 |
±0,15% | |||||
Ю4 |
± 0,30 % | |||||
То5 |
± 1,0 % | |||||
10 кОм |
Rp |
25 |
±0,95 % | |||
io2- |
± 0,38 % | |||||
103 |
± 0,24 % | |||||
ю4 |
+ 0,38 % | |||||
10= |
± 0,95 % | |||||
10е |
±7,5 % | |||||
Gp |
103 |
±0,24 % | ||||
1 кОм |
10 кОм |
Rp |
25 |
±0,50 % | ||
104 |
± 0,20 % | |||||
103 |
±0,15 % | |||||
ю4 |
± 0,20 % | |||||
10= |
± 0,50 % | |||||
TcF |
± 3,0 % | |||||
1 кОм |
Rp |
25 |
± 0,95 % | |||
W2 |
± 0,38 % | |||||
То3 |
± 0,24 % | |||||
ю4 |
± 0,38 % | |||||
10= |
±0,95 % | |||||
ю5 |
± 5,7 % |
Приложение А
(рекомендуемое)
Форма протокола поверки
Протокол поверки №____
измерителя иммитанса Е7-25 зав. №_____выпуск_______года
Принадлежит__
Наименование организации, проводившей поверку________________________
Поверка проводилась в соответствии с методикой поверки МРБ МП.1806-2008. Условия поверки:
-
- температура окружающего воздуха, °C ___________________
-
- относительная влажность воздуха, % ___________________
-
- атмосферное давление, кПа (мм рт. ст.)__
Средства поверки _______________________________________________
А.1 Внешний осмотр (4.1)____________________
А.2 Электрическая прочность изоляции (4.2.1)____________________
А.З Опробование прибора при измерении параметров Ср и Rs (4.2.2)_________
А.4 Определение погрешности установки рабочей частоты (4.3)_____________
Таблица 1
Установленная частота FyCT Гц |
Действительное значение |
Погрешность установки частоты,% Руст -..............100 El |
Допускаемая относительная погрешность, % | |
периода Тд, с |
частоты F„ = 1ГГД1 Гц | |||
25 |
±0,02 | |||
104 | ||||
103 | ||||
104 |
- | |||
105 |
- | |||
10® |
- |
4.2.2 Опробование прибора
-
4.2.2.1 Опробование проводят следующим образом: к прибору подключают устройство присоединительное 2 (далее - УП-2), зажимы УП-2 разведены в стороны. Включают прибор. Проводят коррекцию нуля холостого хода согласно РЭ. При помощи кнопки LCR на передней панели устанавливают измеряемый параметр Ср. При этом показания прибора должны находиться в пределах ± 0,1 пФ
-
4.2.2.2 Закорачивают зажимы УП-2 перемычкой. Проводят коррекцию нуля короткого замыкания согласно РЭ. При помощи кнопки LCR на передней панели устанавливают измеряемый параметр Rs. При этом показания прибора должны находиться в пределах ± 1 мОм.
Результаты опробования прибора считают положительными, если показания прибора не превышают значений, указанных в 4 2.2.1 и 4.2.2.2.
4.3 Определение погрешности установки рабочей частоты4.3.1 Погрешность установки рабочей частоты определяют следующим образом:
-
- поочередно устанавливают рабочие частоты 25 Гц, 100 Гц, 1 кГц и при помощи частотомера 43-81/1 измеряют период Тя на выходе HCUR;
устанавливают рабочие частоты 10 кГц, 100 кГц, 1 МГц и измеряют их значения Ffl частотомером 43-81/1 на выходе HCur;
-
- вычисляют относительную погрешность установки рабочей частоты SF, в процентах, по формуле
(4.1)
где FH0M - номинальное (установленное) значение рабочей частоты, Гц;
Рд -действительное значение рабочей частоты, Гц, измеренное частотомером или определенное из выражения Ffl = 1/Тд,
где Тд - действительное значение периода следования напряжения измерительного сигнала, с.
Результаты проверки погрешности установки рабочей частоты считают положительными, если относительная погрешность установки рабочей частоты не превышает допускаемой относительной погрешности, указанной в таблице А. 1 приложения А.
4.4 Определение основной погрешности-
4.4 1 Основная погрешность измерения определяется следующим образом:
-
- проводится коррекция нуля в режимах холостого хода и короткого замыкания согласно УШЯИ. 411218.015 РЭ;
-
- проводятся измерения в режимах, указанных в таблицах А2-А6 приложения А.
Результаты измерений заносятся в таблицы А2-А6 протокола по форме приложения А
Основную абсолютную погрешность А прибора определяют по формуле
Д= (А-Ад), (4.2)
где А - показание поверяемого прибора при измерении соответствующего параметра,
Ад - действительное (номинальное) значение эталонной меры.
Основную относительную погрешность прибора 8, в процентах, определяют по формуле
8= (Д/Ад) -100 (4.3)
Результаты проверки основной погрешности измерения считают положительными, если погрешность измерений не превышает допускаемой погрешности, указанной в таблицах А.2-А.5 приложения А.
-
4.4.2 Основную погрешность измерения силы тока утечки определяют следующим образом.
Проводят коррекцию показаний силы тока утечки согласно УШЯИ.411218.015 РЭ.
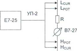
Проверку проводят в режимах, указанных в таблице 4 1 по схеме, приведенной на рисунке 1.
Таблица 4.1
Поверяемая точка, мкА |
Сопротивление подключенного резистора R, кОм |
Напряжение смещения, установленное на табло Е7-25, В |
0 |
00 |
0 |
10 |
100 ± 1 |
1 |
100 |
10 ± 0,1 |
1,1 |
1000 |
1 ±0,01 |
2,1 |

Рисунок 1 - Схема подключения приборов для определения погрешности измерения силы тока утечки
Результаты измерений заносятся в таблицу А.6 протокола по форме приложения А.
Основную абсолютную и относительную погрешности измерения силы тока утечки определяют по формулам 4.2, 4.3, соответственно, где А- значение силы тока утечки, измеренное поверяемым прибором; Ад - действительное значение силы тока утечки, измеренное вольтметром В7-27.
Результаты проверки основной погрешности измерения силы тока утечки считают положительными, если погрешность измерений не превышает допускаемой погрешности, указанной в таблице А.6 приложения А.
5 ОФОРМЛЕНИЕ РЕЗУЛЬТАТОВ ПОВЕРКИ
-
5.1 Результаты поверки оформляют по форме протокола поверки приложения А.
-
5.2 Положительные результаты поверки прибора удостоверяются нанесением оттиска поверительного клейма на боковой панели прибора и выдается свидетельство о поверке установленной формы.
-
5.3 При неудовлетворительных результатах поверки, хотя бы одного из пунктов 4.1-4.4, выдается заключение о непригодности с указанием причин, при этом оттиск поверительного клейма подлежит погашению, а свидетельство аннулируется (приложение Д ТКП 8.003-2011).
7