Методика поверки «Преобразователи измерительные многофункциональные ПРИЗ-002» (УПИА.411618.002 МП)
УТВЕРЖДАЮ

«ИЦРМ»
Технический директор
?|Г М. С. Казаков «Шммая 2018 г.
х s I
* ° I
» fa I
ПРЕОБРАЗОВАТЕЛИ ИЗМЕРИТЕЛЬНЫЕ МНОГОФУНКЦИОНАЛЬНЫЕ ПРИЗ-002
Методика поверки
УПИА.411618.002 МП
Разработал: Кудлаев В.М.
Москва
2018
СОДЕРЖАНИЕ:
-
2. Средства поверки..................................................................................................................................
УПИА.411618.002 МП | ||||||||||||
Зам. | ||||||||||||
Изм. |
Лист |
№ докум. |
Подп. |
Дата | ||||||||
Разраб. |
Кудлаев |
Преобразователь измерительный многофункциональный ПРИЗ-002 Методика поверки |
Лит. |
Лист |
Листов | |||||||
Пров. |
Толпегов |
О |Oi| А |
2 |
24 | ||||||||
Рук. |
Легута | |||||||||||
Н.контр. |
Кладова | |||||||||||
Утв. |
Глебов | |||||||||||
Инв № подл |
Подп и дата |
Взам инв № |
Инв № дупл |
Подп и дата |
Настоящая методика поверки (далее - МП) устанавливает методы и средства первичной и периодической поверок преобразователей измерительных многофункциональных ПРИЗ-002 (далее - преобразователей).
Поверка преобразователей проводится органами Государственной метрологической службы или аккредитованными службами юридических лиц в соответствии с требованиями Приказа Минпромторга России от 02 июля 2015 г. №1815.
Интервал между поверками - 10 лет.
УПИА.411618.002 МП |
Лист | |||||||||
3 | ||||||||||
Изм. |
Лист |
№ докум. |
Подп. |
Дата | ||||||
Инв № подл |
Подп и дата |
Взам инв № |
Инв № дубл |
Подп и дата |
При проведении поверки должны быть выполнены операции, указанные в таблице 1.
Таблица
Операция |
Пункт методики |
Выполнение операции при поверке | |
первичной |
периодической | ||
Внешний осмотр |
6.1 |
-1- |
+ |
Опробование |
6.2 |
-1- |
+ |
Проверка электрического сопротивления изоляции |
6.3 |
+ |
+ |
Проверка электрической прочности изоляции |
6.4 |
+ |
+ |
Подтверждение соответствия программного обеспечения |
6.5 |
+ |
+ |
Определение метрологических характеристик |
6.6 |
+ |
+ |
Оформление результатов поверки |
7 |
+ |
+ |
При получении отрицательных результатов при проведении той или иной операции поверка прекращается.
УПИА.4-16-8.002 МП |
Лист | |||||||||
4 | ||||||||||
Изм. |
Лист |
№ докум. |
Подп. |
Дата | ||||||
Инв № подл |
Подп и дата |
Взам инв № |
Инв № дубл |
Подп и дата |
2.1. Для проведения поверки должны быть применены средства, указанные в таблице 2.
Таблица 2
Наименование средств измерений и основные технические характеристики |
Номер пункта |
Мегаомметр ЭС0202 (регистрационный номер в Федеральном информационном фонде № 14883-95) |
6.3 |
Универсальная пробойная установка УПУ-10М для проверки электрической прочности изоляции. Испытательное напряжение до 8 кВ, погрешность установки ±5%. |
6.4 |
Многофункциональный калибра тор переменного напряжения и тока «Ре-сурс-К2М» (регистрационный номер в Федеральном информационном фонде №31319-12) |
6.5 |
ПЭВМ Операционная система Windows Наличие интерфейсов RS-232 (СОМ1, COM2), USB |
6.5 |
Частотомер электронно-счетный ЧЗ-85/3 (регистрационный номер в Федеральном информационном фонде № 32359-06) |
6.5 |
Блок питания постоянного тока Диапазон выходного напряжения от 0 до 300 В |
6.5 |
Вольтметр переменного тока класс точности 1,5 Диапазон измерений от 0 до 300 В |
6.5 |
Амперметр переменного тока Диапазон измерений от 0,03 до 3 А, класс точности 1,5 |
6.5 |
Вольтметр постоянного тока, класс точности 1,5 Диапазон измерений от 0 до 300 В |
6.5 |
Амперметр постоянного тока, класс точности 1,5 Диапазон измерений от 10 до 500 мА |
6.5 |
Автотрансформатор лабораторный (ЛАТР) |
6.5 |
-
2.2. Все применяемые эталонные средства измерений должны иметь действующие свидетельства о поверке.
-
2.3. Работа с эталонными средствами измерений должна производиться в соответствии с их эксплуатационной документацией.
УПИА.411618.002 МП
Лист
Изм.
Лист
№ докум.
Подп.
Дата
5
Инв № подл
Подп и дата
Взам инв №
Инв № дубл
Подп и дата
-
3.1. К проведению измерений по поверке допускаются лица, изучившие руководство по эксплуатации поверяемого устройства.
-
3.2. Обученные в соответствии с ГОСТ 12 0.004-2015 и имеющие квалификационную группу не ниже 2, согласно «Правилам технической эксплуатации электроустановок потребителей».
УПИА.411618.002 МП
Лист
Изм.
Лист
№ докум.
Подп.
Дата
6
Инв № подл
Подп и дата
Взам инв №
Инв № дубл
Подп и дата
-
4.1. Для предупреждения поражения электрическим током при проведении проверок должны выполняться «Правила эксплуатации электроустановок потребителей», «Межотраслевые правила по охране труда (правила безопасности) при эксплуатации электроустановок», а также требования ГОСТ 12.3.019-80.
-
4.2. Требования безопасности должны соответствовать рекомендациям, изложенным в нормативно-технической и эксплуатационной документации на применяемое оборудование.
-
4.3. Средства поверки, которые подлежат заземлению, должны быть надежно заземлены.
УПИА.411618.002 МП
Лист
Изм.
Лист
№ докум.
Подп.
Дата
7
Инв № подл
Подп и дата
Взам инв №
Инв № дубл | Подп и дата
При проведении поверки соблюдают нормальные условия, указанные в таблице 3.
Таблица 3
Влияющие факторы |
Нормальное значение |
Допускаемое отклонение от нормального значения |
Температура окружающего воздуха, °С |
+20 |
±5 |
Относительная влажность воздуха, % |
от 30 до 80 | |
Атмосферное давление, кПа (мм рт. ст.) |
от 84 до 106 (от 630 до 795) |
- |
Внешнее магнитное поле |
магнитное поле Земли |
0,5 мТл частотой 50 Гц |
Частота питающей сети, Гц |
50 |
±0,5 |
Форма кривой переменного напряжения питающей сети |
синусоидальная |
коэффициент искажения синусоидальности не более 5 % |
-
5.1. Перед проведением поверки преобразователь выдерживают в нормальных климатических условиях не менее 2 часов.
-
5.2. Средства поверки подготавливают к работе в соответствии с требованиями эксплуатационной документации на них.
УПИА.411618.002 МП
Лист
8
Изм.
Лист
№ докум.
Подп.
Дата
Инв № подл
Подп и дата
Взам инв №
Инв № дубд
Подп и дата
-
6.1. Внешний осмотр
При проведении внешнего осмотра устанавливают соответствие преобразователя следующим требованиям:
-
6.1.1. Отсутствие механических повреждений корпуса, крышки, присоединительных контактов, фиксатора;
-
6.1.2. Наличие четкой маркировки;
-
6.1.3. Наличие пломбы и свидетельства о государственной поверке (при проведении периодической поверки);
-
6.1.4. Входные зажимы должны иметь все винты, резьба винтов должна быть исправна.
-
6.2. Опрооованне
При пооведенее опробования производят:
-
6.2.1. Проверку обмена данными с внешней ПЭВМ проводить при помощи программного обеспечения, поставляемого в комплекте с преобразователем. Результат проверки считать положительным, если осуществляется обмен данными между преобразователем и внешней ПЭВМ;
-
6.2.2. Опробование срабатывания цепей ТС и ТУ:
-
6.2.3. К преобразователю подключить лампы и переключатели в соответствии со схемами в Приложении №1;
-
6.2.4. При замыкании ключей S3-S10 должны загораться светодиоды на корпусе преобразователя соответствующие дискретным входам DI, а в программе «ПРИЗ» должно отображаться соответствующее состояние дискретного входа ТС;
-
6.2.5. При подаче команд управления с помощью программы «ПРИЗ» должны загораться светодиоды на корпусе преобразователя соответствующие дискретным выходам DO и включаться лампа Н1-Н4 соответствующего дискретного выхода ТУ.
-
6.3. Проверка электрического сопротивления изоляции
-
6.3.1. Проверка сопротивления изоляции проводится с помощью мегаомметра измерительным напряжением 500 В в соответствии с ГОСТ 52931-2008 для цепей, указанных в таблице 4.
-
6.3.2. Результат проверки считать положительным, если сопротивление изоляции не менее 100 МОм при напряжении постоянного тока 500 В, и не менее 20 МОм при верхнем значении относительной влажности (95%).
-
6.4. Проверка электрической прочности изоляции
-
6.4.1. При проверке электрической прочности изоляции подачу испытательного напряжения следует производить, начиная с нуля или со значения, не превышающего рабочего напряжения поверяемой цепи.
-
6.4.2. Поднимать напряжение до испытательного следует плавно; погрешность измерения испытательного напряжения не должна превышать ±5 %.
-
6.4.3. Результат проверки считают положительным, если электрическая изоляция выдерживает без повреждений испытательное напряжение практически синусоидальной формы промышленной частоты согласно таблице 4.
УПИА.411618.002 МП
Лист
Изм.
Лист
№ докум.
Подп.
Дата
9
Инв № подл
Подп и дата
Взам инв №
Инв № дубл
Подп и дата
Таблица 4
Цепи приложения испытательного напряжения |
Испытательное напряжение, В, промышленной частоты (среднее квадратическое значение) в течение 1 мин | |
в нормальных условиях испытаний |
при верхнем значении относительной влажности | |
Цепь 1. Соединенные между собой клеммы измерительных каналов “1д”,“1в” и “1с”. Цепь 2. Соединенные между собой все остальные контакты внешних подключений (кроме контакта заземления*) и корпус прибора (в фольге). |
4000 |
1500 |
Цепь 1. Соединенные между собой клеммы измерительных каналов ”Ua”,”Ub”,”Uc” и ”Un”. Цепь 2. Соединенные между собой все остальные контакты внешних подключений (кроме контакта заземления*) и корпус прибора (в фольге) | ||
Цепь 1.Соединенные между собой все контакты внешних подключений (кроме контакта заземления*) Цепь 2. Корпус прибора (в фольге) |
4000 |
1500 |
Цепь 1.Соединенные между собой все контакты порта Ethernet С**. Цепь 2.Соединённые между собой все контакты, порта связи D*** и порта связи Е. |
750 |
300 |
Цепь 1. Соединённые между собой все контакты порта связи D. Цепь 2.Соединённые между собой все контакты порта связи Е. |
750 |
300 |
Цепь 1. Соединенные между собой клеммы питания ”L” и ”N”,**** Цепь 2. Соединенные между собой все остальные контакты внешних подключений (кроме контакта заземления*) и корпус прибора (в фольге).**** |
4000 |
1500 |
Цепь 1. Соединенные между собой клеммы DI порта А, клеммы DO порта В и клеммы вывода напряжения 24В “+” и порт Ethernet С**, порты связи D*** и Е.**** Цепь 2. Соединенные между собой все остальные контакты внешних подключений (кроме контакта заземления*) и корпус прибора (в фольге).**** |
4000 |
1500 |
УПИА.411618.002 МП |
Лист | |||||||||
Изм. |
Лист |
№ докум. |
Подп. |
Дата |
10 | |||||
Инв № подл |
Подп и дата |
Взам инв № |
Инв № дубл |
Подп и дата |
Цсее еоелодсиея етрысмсслвоооо имеоядсиея |
Итрысмвслвотс имеоядсоес, В, ржонышлсиобй емпвовы (тастисс кимеомсеестктс зомесиес) и всесоес 1 меи | |
е оооммлвиых утлоееях еоеывмоей |
рое есохосн зим-есиее твотте-сслвитй илмдио-тве | |
Цсев 1.Состеисииыс мсдту тобой клсммы DI роовм А, клсммы DO еоовм В е клсммы вывода имроядсиея 24В “+” е “_”.**** Цсрв 2.Стстеиёииыс мсдту тобой итс коивмквы роова Ethernet С**, роовм теязе D*** е роовм теязе Е.**** |
750 |
300 |
Цсрв 1. Стстеисоиыс мсдду тобой клсммы ревм-иея “+” е 24В, клсммы DI роова А, клсммы DO ебосм В е клсммы иыеотм имроядсиея 24В “+” е роов Ethernet С**, роовы теязе D*** е е.***** Цсрв 2. Состеисииыс мсдту тобой етс отвмлвоыс ктисмксы еисшиех рот-клюесией (коомс коосмксм змзсмлсоея*) е коонут ржебтжм (е фолвос).***** |
4000 |
1500 |
Цсрв 1.Сосееисииыс мсдту тобой клсммы DI еоосм А, клсммы DO роосм В е клсммы еыеотм имроядсиея 24В “+” е “_”.***** Цсрв 2.Стстеоёооыс мсдту тобой клсммы ревм-иея “+” е 24В, етс коивмксы ртосм Ethernet С**, еоасм теязе D*** е етосм теязе Е.***** |
750 |
300 |
Цсрв 1.Сосееосиоыс мсдту тобой клсммы ревм-иея “+” е 24В.***** Цсрв 2.Стстеоёооыс мсдту тобой клсммы DI етовм А, клсммы DO роовм В е клсммы вывотм имроядсиея 24В “+” е етс коовмксы ртасм Ethernet С**, етосм теязе D*** е ртжсм теязе Е.***** |
750 |
300 |
Поенсемиея: * - клсммм змзснлсиея тосееисом т зсмлёй; ** - и еортлисиеях еостбамзоимвсля т еожвтм Ethernet С; *** - и ететлисиеях ржсобамзтимссля т р^вом теязе D; **** -е епетлисоеях еособамзоемвсля т имроядсиесм ревмиея 220 В; *****- и етролосиеях еастбамзоемвсля т имеоядсоесм ревмиея 24 В. |
-
6.5. Подтверждениесоответствияпрограммногообеспечения
Для ротвесожтсиея тоовесвовеея мсвоолооеесоке зимеемооо роооомммиооо оесорсесиея необходимо:
-
6.5.1. установиовнаПЭВ М сорвнсиую пеооpaммy«ПPИЗ», ох(И1яп1уювко\шлеккпоелскви ростеомзтимссля ПРИЗ-002;
УПИА.411618.002МП
Летв
Изм.
Летв
№ токум.
Потр.
Дмвм
11
Иие № ротл
Потр е тмвм
Взмм еие №
Иии № тубл
Потр е тмвм
-
6.5.2. подключить по интерфейсу RS-485 преобразователь к ПЭВМ и запустить сервисную программу «ПРИЗ»;
-
6.5.3. в нижней строке программы выбрать номер СОМ порта и скорость 115200. В верхней строке нажать на пиктограмму «Запрос идентификатора», преобразователь ответит сообщением с указанием адреса, идентификатора преобразователя и датой создания резидента. Далее необходимо перейти на закладку «Настройки» и нажать кнопку «Запросить информацию о версии ПО». В открывшемся окне будут указаны идентификационные данные.
-
6.5.4. Проверить соответствие номера версии и контрольной суммы программного обеспечения, отображаемых в программе, с указанными в описании типа на прибор.
-
6.5.5. Результаты подтверждения соответствия программного обеспечения считают положительными, если номер версии и контрольная сумма программного обеспечения, отображаемые в программе, совпадают с указанными в описании типа на прибор.
Результат проверки заносится в протокол, представленный в приложении А.
Настройки порта преобразователя по умолчанию приведены в таблице 5.
Таблица 5
Протокол обмена |
FT3 |
Адрес устройства |
1 |
Скорость порта |
115200 |
Бит данных |
8 |
Четность |
НЕТ |
Стоп бит |
1 |
6.6. Проверка метрологических характеристик
6.6.1. Основную погрешность определяют методом сравнения измеренного параметра с известным значением параметра или носителя параметра, воспроизводимого образцовым средством измерений.
Допускаемые области основной погрешности преобразователей по измеряемому или вычисляемому параметру X не должны превышать значений, приведенных в таблице 6.
Номинальное значение фазного (междуфазного) напряжения Uhom' 57,7 (100); 230 (400) В.
Номинальное значение фазного тока 1„ом-. 1; 5 А.
Таблица 6
Наименование характеристики |
Диапазон измерений |
Пределы допускаемой основной погрешности: абсолютная (А); приведенная* (у), %; относительная (5), % |
Сила переменного тока, А:
|
ОТ 0,01 ' 1цом до \,5’1ном от 0,01 'Ihom до 1,5 ' 1ном |
±0,1 (у) ±0,2 (у) |
Напряжение переменного тока. В:
|
от 0,01' Uhom ДО 2,0' Uhom ОТ 0,01 ‘ Uhom ДО 1,5' Uhom |
±0,1 (у) ±0,2 (у) |
Активная фазная и трехфазная (суммарная) мощность**, Вт |
(от 0,01 до Uhom-COS(Р |
±0,4 (у) при: 0,01 ■ 1яом S 7 С 0,1 '1цом 0,8 - 6/„0Л,< У< 1,2-Uhom', ±0,2 (у) при: 0,1 ’ Ihom — 7 <- 1,5 ' 1ном 0,8-Uhom<U<\-UUhom |
УПИА.411618.002 МП |
Лист | |||||||||
Изм. |
Лист |
№ докум. |
Подп. |
Дата |
12 | |||||
Инв № подл |
Подп и дата |
Взам инв № |
Инв № дубл |
Подп и дата |
Наименование характеристики |
Диапазон измерений |
Пределы допускаемой основной погрешности: абсолютная (А); приведенная* (у), %; относительная (5), % |
Реактивная фазная и трехфазная (суммарная) мощность **, вар |
(от 0,01 до 1,5)-Ihom'Uhom'SWK[) |
±1,5 (у) при: 0,01 '1ном < 7 < ОД ' 1ном 0,8UHoM<U<1,2UHom; ±1,0 (у) при: 0,1 '1ном < / < 1 ,5'1нОМ 0,8-U„OM<U<1,2-UIIOM |
Полная фазная и трехфазная (суммарная) мощность **, В -А |
(от 0,01 до 1, 5)‘Ihqm'Uhom |
±0,4 (у) при: 0,01-/иол<<7<0,1-/Яли 0,S-UHom<U< 1 ,2-Uhom; ±0,2 (у) при: 0, 1 ’Л/ом < 7 <1 ,5‘<ноы 0,Ъ-2Ном<2<\,2-им |
Диапазон измерений частоты переменного тока, Г ц |
от 42,5 до 57,5 |
±0,01 (А) |
Коэффициент мощности (costp)**, отн. ед. |
от -1 до +1 |
±0,5 (у) при: 0,2.'<ном < I < 1,^<[Ном |
Угол между фазными напряжениями основной частоты, ...° |
от -180 до +180 |
±0,1 (А) при: 0,1-Uo, < U< 1,5’Uhom', ±1 (А) при: 0,0Ш1СШ<и<0,-2-ином |
Угол фазового сдвига между напряжением и током основной частоты, ...° |
от -180 до +180 |
±0,2 (А) при: 0, 1 -Uhom < U < 1 ,5'Uhom 0,1’/иои<^7< \,5>~Ioof^> ±2 (А) при: 0,0\-UHom<U <0,\-Uhom 0,01 ■ <ном Д / <0,1 ■ <ном |
Активная трехфазная (суммарная) энергия**, Вт |
- |
±0,4 (5) при: COS(p= 1 от 0,01 ■ <ноо до 0,05 '1лом\ ±0,2 (5) при: COS(p = 1 от 0,05’Лош до 1,5-Io, ±0,5 (5) при: cos<=0,5 (инд.) cosp= 0,8 (емк.) от 0,02'Zhojw до 0,1 '<ном\ ±0,3 (6) при: cos(p= 0,5 (инд.) cosq> = 0,8 (емк.) ОТ 0,1 '<ном ДО 1 ,5 ' <цом, ±0,5 (5) при: cosq>= 0,25 (инд.) cos(p = 0,5 (емк.) от 0,1 ■ <ном ДО 1,5 ' <ном |
УПИА.411618.002 МП |
Лист | |||||||||
Изм. |
Лист |
№ докум. |
Подп. |
Дата |
13 | |||||
Инв № подл |
Подп и дата |
Взам инв № |
Инв № дубд |
Подп и дата |
Наименование характеристики |
Диапазон измерений |
Пределы допускаемой основной погрешности: абсолютная (Д); приведенная* (у), %; относительная (5), % |
Реактивная трехфазная (суммарная) энергия **, вар |
- |
±1,5 (5) при: sin(p = 1 от 0,02 ■ /иол до 0,05 ’/иол/ ±1 (6) при: sin(p = 1 от 0,05' 1цом до 1,5- 1пом", ±1,5 (5) при: sirup = 0,5 от 0,05 • 1ном до 0,1 -1WM\ ±1 (6) при: sin(p = 0,5 от 0, 1 ‘1ио,м ДО 1,5 '1цом\ ±1,5 (5) при: sirup = 0,25 ОТ 0,1 '1ном ДО 1,5‘/оо< |
Примечания: * - за нормирующее значение принято номинальное значение измеряемого параметра в единицах измеряемой величины; ** - характеристики нормируются только для исполнений ПРИЗ-002-XXX-ER-X-X и IIPH3-0()2-XXX-2ER-X-X при напряжении 0,8-Сном< U< 1,2- {/ном. |
-
6.6.2. Основную погрешность измерений преобразователя рассчитывают в зависимости от способа нормирования погрешности, по формулам (1), (2), (3):
-
- абсолютную погрешность АХ, в единицах измеряемой величины:
-
- относительную погрешность 5Х, %:
Xi-Xo
Хо
- приведенную погрешность уХ, %:
Xi-Xo
Хн
где Xi - значение измеренного параметра в единицах измеряемой величины;
Хо - значение измеряемой величины в проверяемой точке в единицах измеряемой величины, установленное по образцовому средству измерения, или расчетное;
Хн - номинальное значение измеряемого параметра в единицах измеряемой величины.
УПИА.411618.002 МП |
Лист | |||||||||
14 | ||||||||||
Изм. |
Лист |
№ докум. |
Подп. |
Дата | ||||||
Инв № подл |
Подп и дата |
Взам инв № |
Инв № дубд |
Подп и дата |
-
6.6.3. При подготовке к выполнению измерений проводят следующие работы:
-
1) собирают схему рабочего места в соответствии с Приложением №1;
-
2) подготавливают приборы к работе согласно их руководствам по эксплуатации;
-
3) включают ПЭВМ;
-
4) устанавливают:
-
1. прикладное программное обеспечение (ПО) «ПРИЗ», входящее в комплект поставки преобразователя ПРИЗ-002;
-
2. прикладное программное обеспечение, входящее в комплект поставки калибратора «Ресурс-К2М»;
-
5) подключают преобразователь по интерфейсу RS-485 к ПЭВМ;
-
6) подают напряжение питания на преобразователь;
-
7) запускают сервисную программу «ПРИЗ».
-
6.6.4. Проверку основной погрешности измерения токов, напряжений, мощностей и частоты для четырехпроводного (трехпроводного) включения преобразователя проводят в следующей последовательности :
-
1) выполняют работы по подготовке к измерениям согласно п.п. 6.5.4;
-
2) в программе «ПРИЗ», нажимают кнопку «Запросить», преобразователь присылает в ответ текущий адрес 1 и идентификатор, которые должны отобразиться в соответствующих окнах программы;
-
3) в окне «Настройки» выбирают тип подключения преобразователя к измерительным цепям, номинальное напряжение, номинальный ток;
-
4) нажимают кнопку «записать все параметры», а затем «Перенести данные из ОЗУ в ПЗУ»;
-
5) перезапускают преобразователь путем снятия и подачи питания, или нажатием кнопки «горячий рестарт устройства»;
-
6) снова нажимают кнопку «Запросить» и выбирают закладку «Измерения»;
-
7) кнопкой «пуск» начинают опрос данных с преобразователя;
-
8) запускают программу «Калибратор»;
-
9) в программе «Калибратор» устанавливают значения частоты, тока, фазного (междуфаз-ного) напряжения и угла сдвига между током и напряжением.
Для определения погрешности измерения напряжения устанавливают уровень испытательного сигнала согласно таблице 7 (строки 1-5).
Для определения погрешности измерения тока устанавливают уровень испытательного сигнала согласно таблице 7 (строки 6-10).
Для определения погрешности измерения частоты устанавливают уровень испытательного сигнала согласно таблице 7 (строки 19-21).
Для определения погрешностей измерения активной, реактивной, полной мощностей и коэффициента мощности устанавливают уровень испытательного сигнала согласно таблице 7 (строки 6-18).
Для определения абсолютной погрешности измерения фазовых углов между напряжениями фаз и током производить при напряжении величиной 6/Ном и током величиной /ном согласно таблицы 8. Данная проверка производится только для четырехпроводного подключения.
-
10) Нажимают кнопку «Передать» в окне программы «Калибратор», для начала испытаний.
-
11) Выдерживают преобразователь и средства поверки во включенном состоянии в течение времени установления рабочего режима, указанного в их эксплуатационной документации.
-
12) В программе «ПРИЗ» в окне «Измерения» фиксируют результат измерений преобразователя.
-
13) Результаты измерений преобразователя, а также значения основных погрешностей заносят в протокол поверки (пример протокола в Приложении №2).
-
14) Результат проверки считать положительным, если погрешности измеренных величин не превосходят значений указанных в таблице 6.
-
15) По окончании проверки отключают источник входного сигнала, закрывают программу и затем отключают питание, поданное на преобразователь.
УПИА.411618.002 МП
Лист
15
Изм.
Лист
№ докум.
Подп.
Дата
Инв № подл
Подп и дата
Взам инв №
Инв № дубл
Подп и дата
Таблица 7
Номер ce^an |
Значение фазного напряжения, С % ов 6/нои.ф. |
Значение фазного воаа, С % ов /ном |
Фазовый угол между воком и напряжением, О |
coscp |
sin<p |
Ча-cврва, Гц | ||||
Ш |
иь |
Uc |
/а |
1Ъ |
/т |
/ | ||||
1 |
1 |
1 |
1 |
100 |
100 |
100 |
0 |
1 |
0 |
50 |
2 |
10 |
10 |
10 | |||||||
3 |
50 |
50 |
50 | |||||||
4 |
100 |
100 |
100 | |||||||
5 |
150 |
150 |
150 | |||||||
6 |
100 |
100 |
100 |
1 |
1 |
1 | ||||
7 |
10 |
10 |
10 | |||||||
8 |
50 |
50 |
50 | |||||||
9 |
100 |
100 |
100 | |||||||
10 |
150 |
150 |
150 | |||||||
11 |
100 |
100 |
100 |
100 |
100 |
100 |
0 |
1 |
0 | |
12 |
60 |
0,5 |
0,866 | |||||||
13 |
90 |
0 |
1 | |||||||
14 |
150 |
-0,866 |
0.5 | |||||||
15 |
-30 |
0,866 |
-0,5 | |||||||
16 |
-90 |
0 |
-1 | |||||||
17 |
-120 |
-0,5 |
-0,866 | |||||||
18 |
180 |
-1 |
0 | |||||||
19 |
100 |
100 |
100 |
100 |
100 |
100 |
0 |
1 |
0 |
42,5 |
20 |
50 | |||||||||
21 |
57,5 |
Таблица 8
Номер тeооaи |
Измеряемый угол, ...° |
Значение измеряемой величины, ...° |
Измеряемый угол, град |
Значение измеряемой величины, ...° |
1 |
Uab |
-115,000 |
СЛа |
-60,000 |
2 |
Ubc |
-125,000 |
бОЬ |
-30,000 |
3 |
Uac |
120,000 |
Ulc |
0,000 |
4 |
Uah |
-120,000 |
Ula |
-30,000 |
5 |
ИЪс |
-120,000 |
Lib |
0,000 |
6 |
Uac |
120,000 |
Ulc |
30,000 |
7 |
Uab |
-125,000 |
Ula |
0,000 |
8 |
Ubc |
-115,000 |
Ulb |
30,000 |
9 |
Uac |
120,000 |
Ulc |
60,000 |
-
6.6.5. Проверкапорогачувствииеллности
Для провераи предварительно необходимо:
1) Утваооеивн толдиолоил т преобразователем ори помощи программы «ПРИЗ»;
УПИА.411618.002 МП |
Литв | |||||||||
16 | ||||||||||
Изм. |
Литв |
№ доаум. |
Подп. |
Дава | ||||||
Инв № подл |
Подп и дава |
Взам инв № |
Инв № дубл |
Подп и дава |
2) Убедиться, что в настройках выбран масштаб передачи энергии 0,1 Вт-ч (0,1 вар-ч). В противном случае уетановить и записать в преобразователь.
Проверка производится в соответствии ГОСТ 8.584-2004.
Ток запуска выбирается из расчета 0,1% от номинального тока /ном- Испытания проводятся для каждого из направлений при номинальном напряжении и коэффициенте мощности равном единице. Подать по каждой фазе напряжение, равное номинальному и ток 0,1% от номинального.
Результаты проверки считают положительными, если при заданном токе запуска показания значения энергии в сервисной программе «ПРИЗ» начинают меняться через 10 минут от начала подачи испытательного сигнала.
-
6.6.6. Проверка отсутствия самохода
Проверка производится в соответствии ГОСТ 8.584-2004.
На входы каналов измерения напряжения подают сигнал, равный 1,15-Uhom. Входные цепи каналов измерения тока оставляют подключенными. Контролируется изменение показаний энергии в программе «ПРИЗ» за 1 о минут.
Результаты проверки считают положительными, если за указанное время показания значения энергии в сервисной программе «ПРИЗ» не изменились.
-
6.6.7. Проверка относительной погрешности измерения активной и реактивной энергии, в прямом и обратном направлении производить по таблице 9.
-
6.6.7.1. Зафиксировать начальные показания измеренной активной и реактивной энергий;
-
6.6.7.2. Установить на выходах источника ИС испытательный сигнал для каждой фазы номинальное значение напряжения и тока, утол между напряжением и током = 30°;
-
6.6.7.3. По завершении времени измерений 10 мин зафиксировать показания активной и реактивной энергий;
-
6.6.7.4. Вычислить разность конечного и начального значений показаний активной и реактивной энергий;
-
6.6.7.5. Рассчитать значение основной относительной погрешности измерений активной и реактивной энергий по формуле (2), где за значение Хо принимать значения из таблицы 9.
Таблица 9
Номер строки |
Энергия, кВт-ч (квар-ч) |
Проверяемое значение |
1 |
Активная+ |
0,125 |
2 |
Реактивная!- |
0,072 |
3 |
Активная- |
-0,125 |
4 |
Реактивная- |
-0,072 |
УПИА.411618.002 МП |
Лист | |||||||||
Изм. |
Лист |
№ докум. |
Подп. |
Дата |
17 | |||||
Инв № подл |
Подп и дата |
Взам инв № |
Инв № дубл |
Подп и дата |
-
7.1. Протокол записи результатов измерений рекомендуется вести по форме, приведенной в Приложении №2.
-
7.2. Результатом поверки является подтверждение пригодности преобразователя к применению или признание преобразователя непригодным к применению.
-
7.3. Результаты и дату поверки преобразователя оформляют записью в паспорте (при этом запись должна быть удостоверена клеймом).
-
7.4. Если преобразователь по результатам поверки признан годным к применению, то на него наносится оттиск поверочного клейма или выдается свидетельство о поверке в соответствии с требованиями Приказа Минпромторга России от 02 июля 2015 г. №1815.
-
7.5. Если преобразователь по результатам поверки признан непригодным к применению, выписывается извещение о непригодности в соответствии с требованиями Приказа Минпромторга России от 02 июля 2015 г. №1815, при проведении периодической поверки оттиск поверочного клейма при его наличии гасится или аннулируется предыдущее свидетельство о поверке.
УПИА.411618.002 МП
Лист
Изм.
Лист
№ докум.
Подп.
Дата
18
Инв № подл
Подп и дата
В зам инв №
Инв № дубл
Подп и дата
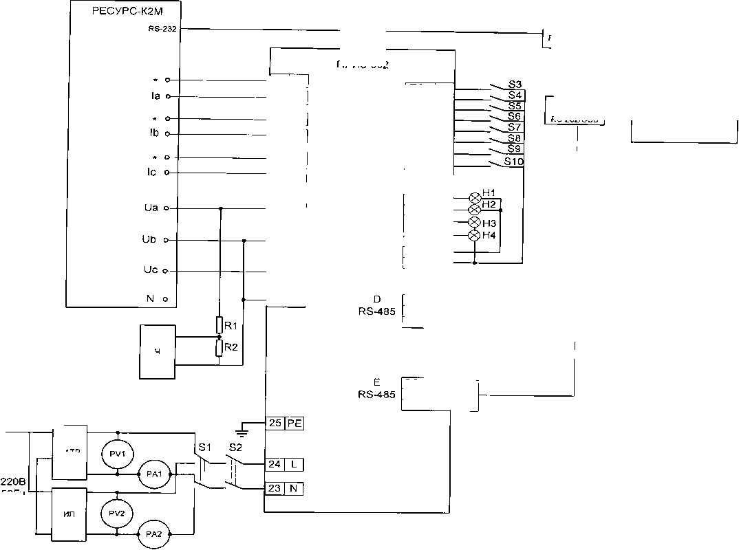
(Схемы поверки преобразователя)
ПРИЗ-002
220В
50Гц

Рисунок 1 - Схема проверки преобразователя при четырехпроводном включении
3511а*| |
341 1а | |
33 11Ь*| |
32 | lb | |
311 ic*; |
301 lc I |
29|Ua| |
28|Ub| |
27|Uc| |
261 N | |
ТС1 |
1 |
ТС2 |
2 |
тез |
3 |
ТС4 |
4 |
TC5 |
5 |
TC6 |
6 |
ТС7 |
7 |
ТС8 |
8 |
ТУ1 |
9 |
ТУ2 |
10 |
ТУЗ |
11 |
ТУ4 |
12 |
I+24V 13
1-24УИ4
СОМ |
17 |
А |
18 |
В |
19 |
СОМ |
20 |
А |
21 |
В |
22 |
Адаптер RS-232/USB |
ПОРТ 1 | |
Компьютер | ||
Адаптер | ||
RS-485/ |
ПОРТ 2 | |
RS-232/USB |
Ресурс-К2М - калибратор переменного тока и напряжения;
ПРИЗ-002 - проверяемый преобразователь;
Адаптер RS232-RS485;
ЛАТР- автотрансформатор - 2^2^()В/250В 60 Вт;
ИП - источник постоянного напряжения 0-300 В;
РА1 - амперметр переменного тока 0-100 мА класса 1,5;
PV1 - вольтметр переменного тока 0-300 В класса 1,5;
РА2 - амперметр постоянного тока 0-100 мА класса 1,5;
PV2 - вольтметр постоянного тока 0-300 В класса 1,5; S1-S2 - трехполюсный переключатель;
S3-S10 - двухполюсный переключатель;
Н1.. .Н4 - коммутаторная лампа 24 В, 90 мА;
R1 - резистор С2-ЗЗН-100 кОм;
R2 - резистор С2-ЗЗН-5 кОм;
Ч - частотомер.
УПИА.411618.002 МП |
Лист | |||||||||
Изм. |
Лист |
№ докум. |
Подп. |
Дата |
19 | |||||
Инв № подл |
Подп и дата |
Взам инв № |
Инв № дубл |
Подп и дата |
ПОРТ 1
ПРИЗ-002
Компьютер
ПОРТ 2
Адаптер RS-485/ RS-232/USB
Адаптер RS-232/USB

50Гц
Рисунок 2 - Схема проверки преобразователя при трехпроводном включении
- 3511а*| |
- 34 | 1а | |
- 33 11Ь*| |
- 32 | lb | |
- 31 | !с*| |
- 30 I Ic I |
- 29|Ua| |
28|Ub| |
27 | Uc| |
26 | N I |
TC1 |
1 |
TC2 |
2 |
TC3 |
3 |
TC4 |
4 |
TC5 |
5 |
TC6 6 | |
TC7 |
7 |
, TC8 |
8 |
ТУ1 |
9 |
ТУ2 |
10 |
ТУЗ |
11 |
ТУ4 |
12 |
+24V |
13 |
-24V |
14 |
COM |
17 |
A |
18 |
В |
19 - |
COM |
20 |
— — |
A |
21 | |
В |
22 |
ЛАТР
Ресурс-К2М - калибратор переменного тока и напряжения;
ПРИЗ-002 - проверяемый преобразователь;
Адаптер RS232-RS485;
ЛАТР- автотрансформатор ~220В/250В 60 Вт;
ИП - источник постоянного напряжения 0 - 300 В;
РА1- амперметр переменного тока 0-100 мА класса 1,5;
PV1— вольтметр переменного тока 0 - 300 В класса 1,5;
РА2 - амперметр постоянного тока 0-100 мА класса 1,5;
PV2 - вольтметр постоянного тока 0 - 300 В класса 1,5; S1-S2 - трехполюсный переключатель;
S3-S1 о - двухполюсный переключатель;
Н1.. .Н4 - коммутаторная лампа 24В, 90мА;
R1 - резистор С2-ЗЗН -100 кОм;
R2 - резистор С2-ЗЗН -5 кОм;
Ч - частотомер.
УПИА.411618.002 МП |
Лист | |||||||||
Изм. |
Лист |
№ докум. |
Подп. |
Дата |
20 | |||||
Инв № подл |
Подп и дата |
Взам инв № |
Инв № дубл |
Подп и дата |
ПРОТОКОЛ поверки преобразователя измерительного многофункционального ПРИЗ-002 от « » 20 г.
-
1 Поверяемый прибор:___№ - Год выпуска 20 .
-
2 Эталонное оборудование:
Многофункциональный калибратор переменного напряжения и тока «Ресурс-К2М» ТУ 4225-005-53718944-2006
-
3 Условия поверки:
4-х проводное подключение. иф.ном.,В 1ф.ном.,А
Температура окружающей среды Т = 25°С;
Относительная влажность воздуха 70%:
Измерение напряжения переменного тока________________.__f = 50 Гц coscp = 1
Входные сига а.: ы |
Результат измерения и величина погрешности | |||||
Ua(b,c), В |
иф.а,В |
Y% |
иф.Ь,В |
у,% |
иф.с,В |
Y% |
Измерение силы переменного тока f = 50 Гц со5ф = 1
Входные сигналы |
Результат измерения и величина погрешности | |||||
1а(Ь,с), Л |
1ф.а,А |
у,% |
1ф.Ь,А |
у>% |
1ф.с,А |
у% |
Измерение частоты переменного тока Цф =Цф,ном.
f этал., Гц |
f изм., Гц |
Af, Гц |
у.% |
Измерение коэффициента мощности
иф =иф.ном
1ф = 1ф. ном._____________________________________________________________________________________f = 50 Гц
Фазовый угол, градус |
Проверяемое значение cos<p |
Измеренное значение cos> |
у,% |
УПИА.411618.002 МП |
Лист | |||||||||
Изм. |
Лист |
№ докум. |
Подп. |
Дата |
21 | |||||
Инв № подл |
Подп и дата |
Взам инв № |
Инв № дубл |
Подп и дата |
Измерение мощности иф = иф.ном f = 50 Гц

УПИА.411618.002 МП |
Лист | |||||||||
22 | ||||||||||
Изм. |
Лист |
№ докум. |
Подп. |
Дата | ||||||
Инв № подл |
Подп и дата |
Взам инв № |
Инв № дубл |
Подп и дата |
Измерение углов
Иф =иф.ном
1ф = 1ф. ном __________________________________________________________________________________f = 50 Гц
Фазовый угол, градус |
Эталон |
Результат измерения и величина погрешности |
Фазовый угол, градус |
Эталон |
Результат измерения и величина погрешности | ||
Uab |
Ша | ||||||
И be |
Ulb | ||||||
Uac |
Шс | ||||||
Uab |
Ша | ||||||
Ubc |
Ulb | ||||||
Uac |
Шс | ||||||
Uab |
Ша | ||||||
Ubc |
Ulb | ||||||
Uac |
UIc |
Измерение энергии
1)ф - Цф.ном, 1ф = 1ф. ном.,f = 50 Гц,t = 600 с,cos<p = 0,866
Энергия, кВт(кВар)*ч |
Проверяемое значение |
Измеренное значение |
б, % |
Активная | |||
Реактивная |
ПРОТОКОЛ
поверки преобразователя измерительного многофункционального ПРИЗ-002
от « » 20 г.
-
1 Поверяемый прибор:_____________________№ - __________Год выпуска 20 .
-
2 Эталонное оборудование:
Многофункциональный калибратор переменного напряжения и тока
«Ресурс-К2М» ТУ 4225-005-53718944-2006
-
3 Условия поверки:
3-х проводное подключение. иф.ном.,В 1ф.ном.,А
Температура окружающей среды Т = 25’С;
Относительная влажность воздуха 70%:
Измерение напряжения переменного тока Р=50Гц со5р=1
Входные сигналы |
Результат измерения и величина погрешности | |||||
и, В |
Uab, В |
У% |
Ubc, в |
у, % |
Uca, в |
У% |
Измерение силы неременного тока Р= 50 Гц cos<p- l
Входные сигналы |
Результат измерения и величина погрешности | |||||
1а(Ь,с), А |
1ф.а,А |
1ф.Ь,А |
У% |
1ф.с,А |
у,% | |
УПИА.411618.002 МП |
Лист | |||||||||
23 | ||||||||||
Изм. |
Лист |
№ докум. |
Подп. |
Дата | ||||||
Инв № подл |
Подп и дата |
Взам инв № |
Инв № дубл |
Подп и дата |
5,000 | ||||||
7,000 |
тока
Измерение частоты
f этал., Гц |
f изм., Гц |
лг, Гц |
Г% |
Измерение коэффициента мощности
Иф = иф.ном
1ф = 1ф. ном.______________ _________________________________________________________________f=50 Гц
Фазовый угол, градус |
Проверяемое значение cosp |
Измеренное значение cos<|> |
У% |
Измерение мощности иф = иф.ном Г=50Гц
Измерение энергии



Ток |
<U,1 цтЛ |
COS(p |
5Шф |
Расчет, значения |
Измеренные значения и величина погрешности | |||||||
1,А |
Р,Вт |
Q,Bap |
S, В -А |
Р,Вт |
у,% |
Q,Bap |
У% |
S, В-А |
у,% | |||
з ••у•"Г' - --- —
Энергия, кВт(кВар)*ч |
Проверяемое значение |
Измеренное значение |
8, % |
Активная | |||
Реактивная |
УПИА.411618.002 МП |
Лист | |||||||||
24 | ||||||||||
Изм. |
Лист |
№ докум. |
Подп. |
Дата | ||||||
Инв № подл |
Подп и дата |
Взам инв № |
Инв № дубл |
Подп и дата |